Next Article in Journal
Existence and Uniqueness of Solutions to Non-Local Problems of Brézis–Oswald Type and Its Application
Previous Article in Journal
The Existence of a Solution to a Class of Fractional Double Phase Problems
Previous Article in Special Issue
Servo Control of a Current-Controlled Attractive-Force-Type Magnetic Levitation System Using Fractional-Order LQR Control
 
 
Font Type:
Arial Georgia Verdana
Font Size:
Aa Aa Aa
Line Spacing:
Column Width:
Background:
Article

A Novel Decentralized–Decoupled Fractional-Order Control Strategy for Complete Anesthesia–Hemodynamic Stabilization in Patients Undergoing Surgical Procedures

by
Erwin T. Hegedüs
1,
Isabela R. Birs
1,2,
Clara M. Ionescu
1,2 and
Cristina I. Muresan
1,*
1
Automation Department, Technical University of Cluj-Napoca, 400114 Cluj-Napoca, Romania
2
DySC Research Group on Dynamical Systems and Control, Ghent University, 9052 Ghent, Belgium
*
Author to whom correspondence should be addressed.
Fractal Fract. 2024, 8(11), 623; https://doi.org/10.3390/fractalfract8110623
Submission received: 10 June 2024 / Revised: 17 October 2024 / Accepted: 19 October 2024 / Published: 24 October 2024
(This article belongs to the Special Issue Fractional Order Controllers: Design and Applications, 2nd Edition)

Abstract

Within biomedical engineering, there has been significant collaboration among clinicians, control engineers, and researchers to tailor treatments to individual patients. Anesthesia is integral to numerous medical procedures, necessitating precise management of hypnosis, analgesia, neuromuscular blockade, and hemodynamic variables. Recent attention has focused on computer-controlled anesthesia and hemodynamic stabilization. This research proposes the integration of a decentralized control strategy for the induction phase with a decoupled control approach for the maintenance phase, aimed at mitigating interactions within the multivariable human system. The proposed strategy is based on fractional-order controllers. The solution is validated using an open-source patient simulator featuring data from 24 virtual patients, demonstrating the efficiency of the proposed approach with respect to decentralized control.

1. Introduction

1.1. General Anesthesia

Surgical procedures fundamentally involve administering general anesthesia to shield patients from pain and agitation. This process requires inducing three major effects: hypnosis (sedation), analgesia (pain suppression), and often neuromuscular blockade (paralysis). Hypnosis and analgesia are crucial for unconsciousness and unresponsiveness to surgical stimuli, while paralysis is essential in some cases for muscle relaxation by inhibiting nerve impulse transmission.
In intravenous anesthesia, three distinct drugs achieve the effects of general anesthesia: hypnosis, analgesia, and neuromuscular blockade. Despite separate administration, their interplay is debated. Hypnosis entails sedation via anesthetic drugs reducing central nervous system activity, leading to unconsciousness. These drugs fall into five groups: barbiturates, benzodiazepines (e.g., midazolam, diazepam), phencyclidines (e.g., ketamine), carboxylated imidazoles (e.g., etomidate), and isopropylphenols (e.g., propofol). Except for ketamine, they do not generally induce analgesia. Similarly, opioids lack hypnotic effects at standard clinical doses. However, combined anesthetic and opioid agents exhibit synergistic effects, enhancing both hypnosis and analgesia. For example, opioids like fentanyl and remifentanil synergize with propofol [1,2]. The synergistic effect is further discussed in this paper, with propofol being the primary hypnotic when combined with remifentanil.
Analgesia is achieved using opioid analgesics that primarily bind to nociceptors in the central nervous system and body, inhibiting pain signals to the brain. Five opioids are generally used: morphine, hydromorphone, fentanyl, sufentanil, and remifentanil. Despite all inducing analgesia, their properties differ due to lipid solubility, a property describing the ability of a substance to dissolve in lipids or fats. In pharmacology, lipid solubility plays a crucial role in the distribution, metabolism, and overall pharmacokinetics of drugs [3]. Remifentanil is noteworthy for its rapid recovery profile from opioid side effects, ideal with propofol [4].
Neuromuscular blockade involves agents (NMBAs) that interrupt neural impulses, inducing paralysis. NMBAs do not interact with anesthetics or opioids, making them independent and optional in anesthesia, without producing hypnotic or analgesic effects [1,5]. Compounds like cisatracurium and atracurium are relevant for procedures needing paralysis, such as endotracheal intubation or abdominal surgery.
The precise and safe attainment of hypnosis, analgesia, and paralysis is crucial but challenging due to patient variability. Incorrect dosing can lead to critical peri- and post-operative issues [6]. Underdosing may leave the patient conscious during surgery, causing anxiety and trauma, while overdosing can result in complications like dizziness, blood pressure and heart rate fluctuations, seizures, and respiratory failure, extending intensive care unit recovery.
Beyond dosing issues, hypnotic and opioid agents can negatively affect mean arterial pressure (MAP) and cardiac output (CO), which are vital for patient well-being [7,8]. For instance, remifentanil can decrease arterial blood pressure and CO, induce hypoventilation, and lower intracranial pressure from reduced cerebral blood flow. Similarly, propofol may cause hypotension or bradycardia, especially with opioids [9,10,11,12]. To keep these parameters safe, pharmaceutical compounds like vasodilators and vasopressors (e.g., sodium nitroprusside, phenylephrine, norepinephrine) adjust MAP, while inotropic agents (e.g., dopamine, dobutamine, milrinone) boost cardiac output. Additionally, intravenous fluids such as crystalloids or colloids help optimize cardiac preload and improve CO.
Quantifying the effects of hypnosis, analgesia, and areflexia in anesthesia relies on indicators like the bispectral index (BIS). This validated measure (see Figure 1) assesses sedation levels and ranges from 0 to 100, with 0 indicating EEG silence and 100 representing full wakefulness [3,13,14].
The ideal range for general anesthesia is between 40 and 60 on the BIS, as values above 70 or below 30 can indicate imminent awakening or overly deep sedation, leading to potential post-surgical complications [15]. The BIS is widely used to assess anesthesia depth [16], but other tools, like the Ramsay Sedation Scale (RSS) and Richmond Agitation and Sedation Scale (RASS), can also evaluate sedation levels [17]. The RASS, in particular, is used for pain assessment through heuristic indices due to the lack of direct pain measurement [18], with new methodologies being validated in both awake and anesthetized patients [19,20]. This paper will employ RASS to indicate pain, as utilized in [8].
The RASS comprises a 10-level numerical scale, depicted in Table 1, delineating four levels of agitation (1 to 4) and five levels of sedation (−1 to −5). The neutral state, indicated by the 0 point, signifies a state of calmness and alertness.
Neuromuscular blockade is measured using techniques like electromyography (EMG), mechanomyography (MMG), phonomyography (PMG), and acceleromyography (AMG), each with its strengths and limitations. AMG and MMG are favored for their precision, while EMG is highly consistent and serves as a reliable indicator [22]. EMG uses train-of-four (TOF) stimulation of the ulnar nerve to measure NMB depth on a 0 to 100 percent scale, with 100 indicating full muscle activity and 0 total paralysis [23]. Research indicates that optimal surgical conditions, without coughing or movement, are achieved with deep NMB, typically around 10% during anesthesia [24,25].
The concept of effectively managing the interplay between the discussed effects and hemodynamics through precise dosing of agents holds significant interest from a control perspective.
This paper is organized as follows. The Introduction section is divided into three subsections tackling issues related to general anesthesia, computed–controlled general anesthesia, and fractional-order controller tuning and design. The second section presents the decentralization and decoupling of the anesthesia and hemodynamic multivariable system. First, the mathematical models of a nominal patient are briefly introduced. These are later on used in the design of the proposed controllers. Then, the specific design of the fractional-order controllers for the induction phase is presented in the first subsection and follows a decentralized approach, while the second subsection details the design of the fractional-order controllers for the maintenance phase in a decoupling strategy. The third subsection contains the main contribution of this research: a switching function for seamless transfer between the induction-based decentralized controllers and the maintenance-based decoupling strategy. The simulation results are presented in Section 3, where the proposed decentralized–decoupling approach is compared to a standard decentralized control method and other methods available in the literature. The concluding remarks and future research topics are included in the last section.

1.2. Computer-Controlled General Anesthesia

Human errors in drug delivery systems are a persistent risk, particularly evident when healthcare personnel face overwhelming workloads, as evidenced by recent pandemic challenges. Therefore, there is a growing preference for computerized control systems in biomedicine [26], with applications ranging from diabetes [27] and cancer management [28] to anesthesia [29]. Recent research indicates that computer-controlled systems offer improved estimation of optimal drug combinations in anesthesia, potentially reducing the need for direct input from anesthesiologists [30,31].
Most computer-controlled anesthetic systems concentrate on the induction and maintenance phases of general anesthesia, with less emphasis placed on the recovery or emergence phase, which is typically regarded as less pertinent. Each phase of general anesthesia is illustrated in Figure 2 and will be briefly detailed in the following paragraphs.
During the induction phase, the patient transitions from wakefulness to a state of depth of hypnosis (DoH). Upon entering the maintenance phase, typically a few minutes after induction, anesthesiologists administer propofol boluses as the initial induction dose diminishes rapidly. Total intravenous anesthesia (TIVA) has gained traction among some anesthesiologists due to its shorter duration of effects [32], offering greater flexibility and reduced postoperative side effects, and is also beneficial from a control point of view, as specified earlier. The objective during maintenance is to maintain the patient’s anesthetic state. Surgical stimuli represent the primary disruptors of the patient’s hypnotic state.
The majority of research in automatic anesthesia control is centered on maintaining the BIS level within the safe range of 40 to 60 [33]. Various control strategies have been proposed in this regard, including PID control [34], predictive control [35,36], and event-based algorithms [37,38]. Both PID controllers [25] and advanced algorithms [39] have been suggested for maintaining neuromuscular blockade (NMB). Control strategies for co-administering remifentanil and propofol to regulate BIS have been explored [40]. Similarly, to manage mean arterial pressure and cardiac output levels, control approaches consider the antagonistic effects of administered drugs, ranging from simple PIDs to advanced algorithms [41].
Research on the automatic control of combined anesthesia–hemodynamic systems remains limited, despite the interconnected nature of drugs. Propofol and remifentanil have a synergistic impact on bispectral index (BIS) levels. They have a combined influence on hemodynamic parameters such as mean arterial pressure and cardiac output, also affected by dopamine and sodium nitroprusside. Moreover, increases in CO values impact propofol clearance rates, subsequently impacting BIS levels. Designing adequate control strategies faces challenges such as patient variability [42], variable time delays in BIS signals [43], and the complex interaction and delay dominance in hemodynamic subprocesses [44]. To address these issues, the main objectives of this study consist of the following:
  • The design of a multivariable decentralized fractional-order control strategy for the induction phase;
  • The design of a multivariable decoupling fractional-order control strategy for the maintenance phase;
  • The design of a novel switching function between the decentralized and decoupling control strategies;
  • The validation and analysis of the closed-loop results considering a database of 24 patients.
Multivariable control algorithms for the anesthesia–hemodynamic system are scarce, and little research has been conducted in terms of using fractional-order controllers in anesthesia–hemodynamic control [35,45]. Recent studies suggest the need for different controllers during the induction and maintenance phase, but no research has been reported on how to achieve a seamless transition between these controllers in order to avoid harmful fluctuations in drug rates. As such, the innovative elements of the research consist of:
  • The design of a novel approach that consists of a decentralized control during the induction phase and a decoupling control during the maintenance phase;
  • The development of a switching function for seamless transfer between the two states.
In this regard, an open-source patient simulator [8] will be used to design, tune, and test the proposed control strategies featuring a database of 24 patients, as described in Table 2. The simulator was chosen due to its unique features, as mentioned in [8], such as the successful reproduction of clinical effects of various drugs in both the hemodynamic state and the anesthesia state. At the same time, the simulator is amongst the very few tools of this kind available for free to the research community, allowing for the systematic design, testing, and analysis of various control algorithms for multi-drug administration in anesthesia. Supplementary advantages include the possibility of adding the anesthesiologist to the loop, as well as the simulation of surgical stimuli as disturbances. The database of 24 patients has been artificially created to mimic realistic patient responses based on generally acceptable PK–PD models [8].
The simulator incorporates both synergic and antagonistic interactions among anesthetic and hemodynamic factors, using pharmacokinetic and pharmacodynamic (PK–PD) models. Another key feature is nociceptor stimulation (Figure 3), which serves as a disturbance influencing the depth of anesthesia.
The main indicators of anesthesia and hemodynamics are reflected in the following output signals: the BIS for the depth of anesthesia, the Richmond Agitation Sedation Scale (RASS) for the analgesia component, serving as a heuristic (guiding indicator, not specifically targeted for its true purpose) index; neuromuscular blockade (NMB) for indicating paralysis levels; and MAP and CO for the hemodynamic components. These variables are controlled through the administration of five agents, depicted in Figure 4: propofol, remifentanil, atracurium, sodium nitroprusside, and dopamine.
As described earlier, the synergic and antagonistic effects of these agents in patients are highly nonlinear and differ by a multitude of factors, ranging from individual physiological characteristics to concurrent medical conditions. In general, the interaction levels correspond to those depicted in Figure 5.
Since many research studies have been conducted based on this simulator, ranging from strictly fractional-order ones [46] to partially combined control strategies [47] and advanced predictive strategies [35], this simulator presents a level of confidence motivating the decision to utilize it as the basis for this paper.

1.3. Fractional-Order Control

In recent years, fractional-order calculus has witnessed a surge in applications across various domains, including physics, information theory, computer science, dynamic system identification, and automatic control [48,49]. Many physical systems exhibit fractional-order dynamics. Such systems include non-classical diffusion [50] such as heat diffusion, where the heat flow is described as the half-derivative of the solid’s temperature, as well as electrical and mechanical systems [51,52].
In terms of fractional-order control, Oustaloup was the first to introduce the CRONE controller (Commande Robuste d’Ordre Non-Entier) [53], with the aim of achieving fractal robustness [54,55], which has demonstrated superior performance compared to classical PID control. The literature provides evidence supporting the notion that the optimal fractional-order controller surpasses the performance of the best classical integer-order controller [56]. Podlubny showcased the enhanced response of fractional-order controllers and was the pioneer in introducing the fractional-order PID PIλDμ controller, characterized by integral order λ and derivative order μ [57].
In this research, the fractional-order PID is proposed as an adequate solution for controlling the anesthesia–hemodynamic system, and it is mathematically represented by:
G c s = k p 1 + k i s λ + k d s μ
where λ and μ denote the fractional orders of the integral and derivative elements, respectively, and k p , k i , k d represent the proportional, integral, and derivative gains, respectively. Compared to the classical PID controller, the fractional-order PID controller introduces five tunable parameters: k p , k i , k d , λ ,   a n d   μ , thereby offering the potential for up to five design constraints to be considered in the design process.
Various research studies have investigated effective tuning techniques [58] for these controllers. These include the development of fractional-order controllers using the minimum integral squared error (ISE) criterion [59]. Additionally, other studies have focused on designing controllers for real-life processes [60], addressing controllers for first-order systems with significant time delays [61], and exploring controllers with iso-damping properties [62].
In this paper, the main point of interest relies on the overall performance, robustness, and sensitivity of the designed controllers. A certain phase margin φ m   and gain crossover frequency ω g c are imposed as design specifications, being correlated with the overshoot and settling time:
H o p e n l o o p j ω g c d B = 0   d B
H o p e n l o o p j ω g c = π + φ m
A robustness-related specification is the iso-damping property. Specifically, this refers to maintaining a constant overshoot despite gain variations. In order to maintain a constant overshoot, the phase margin needs to be kept constant. Whenever gain variations occur, because of patient variability, the gain crossover frequency ω g c changes, thus yielding a possible variation in the phase margin. To keep the phase margin constant, the phase of the open-loop system needs to be maintained constant (“flat phase”) around the gain crossover frequency [58]. This translates into mathematical terms, as indicated next:
d H o p e n l o o p j ω d ω ω = ω g c = 0
The following constraints are aimed at maintenance analysis, as they involve noise rejection and output disturbance rejection characteristics. Specifically, the complementary sensitivity function T j ω stipulates a noise attenuation of A   d B for frequencies ω ω t   r a d / s . Similarly, the sensitivity function S j ω imposes a disturbance attenuation of B   d B for frequencies ω ω s   r a d / s .
T j ω = H o p e n l o o p 1 + H o p e n l o o p d B A   d B ,     ω ω t   r a d / s
S j ω = 1 1 + H o p e n l o o p d B B   d B ,     ω ω s   r a d / s .
The overall performance of the controlled system is evident in the error signal over a given time span. Therefore, minimizing this error is another important aspect to consider. The most common metrics used to assess this specification include the set of integral errors described by the following equations:
I A E = 0 e ( t )   d t
I S E = 0 e t 2   d t
Here, e t = r t y ( t ) denotes the error signal, where r t is the reference signal and y ( t ) is the output signal. Each condition signifies distinct characteristics. For example, the integral absolute error (IAE) integrates the error without applying any weighting, typically leading to reduced sustained oscillations. The integral squared error (ISE) focuses more on reducing the larger errors and less on minor ones. However, other indices, such as ITAE and ITSE, which incorporate time as a weighting factor, will not be addressed in this paper.
The tuning strategy for the FO–PID controllers presented in this study is purposefully designed to meet particular control challenges from an engineering perspective. Nonetheless, alternative fractional-order tuning methods, which have yet to be fully explored, may also be viable. For example, genetic algorithms were employed for tuning in [63], and [64] approached it as an optimization problem. Furthermore, other dynamic fractional-order controllers, as investigated in [65,66], may offer compelling alternatives worthy of further investigation.

2. Decentralization and Decoupling of the Multivariable System

2.1. Decentralization for Induction Phase

PK–PD models are used to mimic the patient response in the benchmark simulator [8]. The inputs are the drug rates, with maximum values corresponding to current surgical protocols in real-world settings and accounting for all interactions between synergistic and antagonistic substances. The ranges for each input signal are given in Table 3. These values are sourced from IBM Watson Micromedex, Cerner Multum INC, and the American Society of Health-System Pharmacists (ASHP). Although the age limit is set at 55 years old, research indicates that determining the maximum allowable dosages for older patients remains inconclusive. However, in many instances, older patients may require doses approaching or surpassing the established maximum limit, as shown in [67].
Similarly, during surgical procedures, the safe operating ranges for the effects are shown below:
  • BIS: 40–60
  • RASS: (−2.5)–(−5)
  • NMB: 20–10%
  • MAP: 65–110 mmHg
  • CO: 4–8 L/min
The PK–PD models are too complex for fast deployment of the controllers. Simpler mathematical models in the form of transfer functions are required. These transfer function models were obtained for a nominal patient implemented in the simulator, and the methodology and the results are briefly indicated here. To obtain these transfer functions, input and output signals in the benchmark patient simulator were kept within acceptable ranges. First, to attain a stable operating point, dosages were calibrated for a nominal patient to 0.5 mg/kg/min of propofol, 1.1 mg/kg/min of remifentanil, and 6.5 ug/kg/min of atracurium, resulting in BIS 50, −2.5 RASS, and −13 NMB. Secondly, a pseudorandom signal has been used on each input successively to estimate polynomial models such as ARX and OE. Validation of the obtained models was carried out using a series of step signals. The resulting simplified patient models are discrete higher-order transfer functions, as described below.
H u 1 y 1 z = 0.5151 z 4 ( z 6.003 ) ( z 1.155 ) ( z + 0.7548 ) ( z 0.9254 ) ( z 2 1.783 z + 0.8227 ) ( z 2 1.537 z + 0.7119 ) · ( z + 0.9878 ) ( z 2 2.214 z + 1.317 ) ( z 2 0.956 z + 0.5199 ) ( z 2 0.04711 z + 0.6168 )
H u 2 y 1 z = 2.3364 z 2 ( z + 0.7089 ) ( z + 0.03037 ) ( z 2 2.701 z + 1.834 ) z + 0.6988 ( z 0.8868 ) ( z 0.4402 ) ( z 2 1.62 z + 0.6939 ) · z 2 2.387 z + 1.532 ( z 2 1.357 z + 0.5157 ) ( z 2 0.1663 z + 0.1183 )
H u 2 y 2 z = 0.0017673 z ( z + 7.184 ) ( z 0.9447 ) ( z 0.7548 ) ( z 0.5402 )
H u 2 y 3 z = 0.046564 z 8 ( z 0.8581 ) ( z 2 1.34 z + 0.5431 ) ( z 2 + 1.071 z + 0.484 ) · 1 ( z 2 0.7448 z + 0.4729 ) ( z 2 + 0.1505 z + 0.4713 )
H u 3 y 3 z = 0.0012374 ( z + 3.906 ) ( z + 0.1379 ) ( z 0.9635 ) ( z 0.8608 ) ( z 0.6882 ) ,
where H u i y j represents the transfer function, defined as the ratio of the output y j over the input u i for each signal: propofol–BIS ( u 1 y 1 ), remifentanil–BIS ( u 2 y 1 ), remifentanil–RASS ( u 2 y 2 ), remifentanil–NMB ( u 2 y 3 )—this one being neglectable as it barely affects NMB—and atracurium–NMB ( u 3 y 3 ).
The hemodynamic model considered in this paper was previously introduced in [68] and is given by:
CO ( s ) M A P ( s ) = 5   e 60 s 300 s + 1 12   e 50 s 150 s + 1 3   e 60 s 40 s + 1 15   e 50 s 40 s + 1 DP ( s ) S N P ( s )
Several studies on closed-loop anesthesia control suggest distinct control strategies for the induction and maintenance phases. Separating these phases allows for more precise and optimal control. During the induction phase, where a combination of anesthetic and opioid agents is administered, a strong synergistic effect must be managed, often requiring a unified approach across diverse patient profiles. In contrast, during the maintenance phase, the focus of the control strategy shifts to swiftly rejecting surgical stimuli. This segregation of control logic aligns with the specific demands and dynamics of each phase, enhancing overall anesthesia management effectiveness. However, no previous research deals with switching from the induction controller to the maintenance controller, which has to be performed in a seamless way to avoid fluctuations in the drug infusion rates.
Decentralization of a system generally entails assigning a dedicated controller to regulate each controlled variable, thereby establishing a multi-controller control structure. In this particular instance, the rationale behind employing a decentralized strategy for the induction phase and a decoupling strategy for the maintenance phase is justified by the understanding that transient behavior is typically better addressed through decentralized methodologies. Additionally, clinical protocols tend to align better as agents are administered in a sequential manner [69].
Considering the open-loop response achieved for constant drug doses of 0.5 mg/kg/min propofol, 1.1 mg/kg/min remifentanil, and 6.5 ug/kg/min atracurium, 10 individuals require different drug optimization profiles to maintain safe anesthesia for surgery, as depicted in Figure 6. This indicates the patient variability that the controller must account for during both the induction phase and the maintenance phase.
Therefore, the induction requirements are enumerated below:
  • The inter- and intra-patient variability must be minimized.
  • The time-to-target (TT), defined as the time required to reach 90% of the reference point, must be within the limit of four minutes.
  • Undershooting must be minimal.
As described in Section 1.3, fractional-order PID (FO–PID) controllers as in Equation (1) were designed by imposing a proper phase margin to account for the undershoot, a certain gain crossover frequency to address the desired time-to-target, and lastly, the iso-damping property to address the physiological differences between the patients. The latter one is of particular interest and has been discussed in recent studies [48], suggesting that gain variations occur frequently and must be addressed with attention.
The real and imaginary parts of the FO–PID controller in Equation (1) are given as:
R e = k p 1 + k i ω λ cos λ π 2 + k d ω μ cos μ π 2
I m = k p k d ω μ sin μ π 2 k i ω λ sin λ π 2 ,
Using the frequency domain representation of the fractional orders, we have:
s μ = j ω μ = ω μ cos μ π 2 + j sin μ π 2
s λ = j ω λ cos λ π 2 j sin λ π 2 .
Using Equations (15) and (16), the following can be computed:
H c ( j ω ) = k p k d ω μ sin μ π 2 + cos μ π 2 + ω λ k i cos λ π 2 + 1 2 ω i λ k i sin λ π 2 2
  H c j ω = atan k d ω μ sin μ π 2 k i ω λ sin λ π 2 1 + k i ω λ cos λ π 2 + k d ω μ cos μ π 2
ϕ = ω λ 1 k i λ sin λ π 2 + k d k i λ ω μ sin λ + μ π 2 + k d k i μ ω μ sin λ + μ 2 + k d μ ω λ + μ sin μ π 2 ω 2 λ + k i 2 + k d 2 ω 2 ( λ + μ ) + 2 k i ω λ cos λ π 2 + 2 k d ω 2 λ + μ cos μ π 2 + 2 k d k i ω λ + μ cos λ + μ π 2
where ϕ = d H c j ω d ω represents the derivative of the controller phase. Substituting Equations (17)–(19) in Equations (2)–(4) leads to the following system of nonlinear equations:
k p k d ω μ sin μ π 2 + cos μ π 2 + ω λ k i cos λ π 2 + 1 2 ω i λ k i sin λ π 2 2 1 P j ω c = 0 k d ω μ sin μ π 2 k i ω λ sin λ π 2 1 + k i ω λ cos λ π 2 + k d ω μ cos μ π 2 tan 90 ° + φ m P j ω c = 0 ω λ 1 k i λ sin λ π 2 + k d k i λ ω μ sin λ + μ π 2 + k d k i μ ω μ sin λ + μ 2 + k d μ ω λ + μ sin μ π 2 ω 2 λ + k i 2 + k d 2 ω 2 ( λ + μ ) + 2 k i ω λ cos λ π 2 + 2 k d ω 2 λ + μ cos μ π 2 + 2 k d k i ω λ + μ cos λ + μ π 2 + d P j ω d ω   ω = ω c = 0
where P ( j ω ) denotes the patient model from Equations (9)–(14). To solve the nonlinear system of equations in Equation (20), the Levenberg–Marquardt algorithm was used [70] by using the MATLAB “fsolve” function. The process magnitude P j ω c , process phase P j ω c , and phase derivative d P j ω d ω   ω = ω c for each loop were computed analytically using the models in Equations (9)–(14).
To fine-tune the performance of each controller according to the specifications, a trial-and-error approach was performed considering several values for the desired phase margin and gain crossover frequency. The results were analyzed in terms of the minimum obtained overshoot and the quickest response time while ensuring the iso-damping property. In the case of the bispectral index (BIS), an imposed phase margin of P M = 84 ° along with a ω c = 0.017   r a d / s gain crossover frequency was set while ensuring the iso-damping property, resulting in the following controller:
H B I S = 0.0047 + 0.0255 s 1.07 + s 0.92
The next controller was specifically tuned for the RASS, as it is only influenced by changes in remifentanil, unlike the BIS, which is affected by the combined effects of remifentanil and propofol [10,19]. Previous research has shown that achieving a fast settling time for the RASS results in less pronounced interactions in the BIS level, particularly in terms of undershoot and time-to-target. A FO–PID controller was designed for the RASS signal, with λ = μ to narrow the potential solutions by reducing the unknowns in the system of equations and the following imposed specifications: ω c = 0.021   r a d / s , P M = 78 ° , and the iso-damping property:
H R A S S = 0.0753 + 0.1553 s 0.94 + 0.0388 s 0.94
For the neuromuscular blockade, which operates independently from other controlled parameters [10,19], a FO–PID controller was calibrated to achieve a gain crossover frequency of ω c = 0.01   r a d / s , a phase margin of P M = 85 ° , and the iso-damping property. The tuning process resulted in the following controller:
H N M B = 0.0977 + 0.0408 s 0.98 + 0.0102 s 0.98
In the case of CO and MAP described in Equation (14), the controller design was slightly altered, as the hemodynamic system is characterized by high levels of interaction and significant time delays [14,18]. While the RASS and NMB are unaffected by dopamine (DP) and sodium nitroprusside (SNP), both drugs influence the BIS signal. Additionally, although propofol and remifentanil are administered to regulate BIS and RASS signals, they also impact CO and MAP. As there are multiple solutions of the system of equations in Equation (20) that preserve the phase margin, gain crossover frequency, and iso-damping property, a new parameter described in Equation (7) was introduced to differentiate the overall performance between the controllers. The solution methodology remains consistent with the previously outlined approach. However, in this case, the integral of the absolute error was computed to serve as a comparative metric between the resulting controllers. This adjustment was essential due to the complexity of the hemodynamic system, which presents significant challenges in control, necessitating a more rigorous evaluation to ensure improved controller performance.
For the CO the design, the specifications are P M = 75 ° , ω c = 0.0038   r a d / s , an iso-damping property, and a minimum IAE. This was obtained as I A E = 263 with the following controller:
H C O = 0.1378 + 0.0071 s 0.35 + 4.7742 s 1.00
With a similar procedure, the MAP controller was designed with a phase margin of P M = 80 ° and a gain crossover frequency of ω c = 0.0044   r a d / s , with an iso-damping property and an overall performance score of I A E = 24 , resulting in:
H M A P = 0.0244 + 0.0073 s 0.70 + 0.69 s 1.09

2.2. Decoupling for Maintenance Phase

In the maintenance phase, the requirements shift: Fast response times and minimal undershoot are no longer primary concerns, though they remain relevant, as they enhance the performance of the controllers. The primary focus becomes maintaining the ideal anesthetic state by effectively rejecting disturbances, which, in this context, are the surgical stimuli. Therefore, specific controllers are designed for each effect to be regulated while decoupling of the system is implemented.
Decoupling is particularly advantageous in multi-variable control systems, such as the anesthesia–hemodynamic system, where cross-coupling between variables complicates the control strategy and degrades system performance. Ideally, during maintenance, the patient output signals remain constant without the presence of external stimuli. In this case, the steady-state decoupling can be easily achieved and developed to minimize interactions between the anesthesia and hemodynamic systems. Numerous research studies have demonstrated that the NMB is already decoupled from the rest of the system [10]. Consequently, the same FO–PID controller from Equation (48) was utilized here to regulate the NMB through variations in the infused atracurium.
A block diagram detailing the interacting parts of the anesthesia and hemodynamic subsystems to be controlled, along with the interactions between the drugs, is presented in Figure 7.
In this diagram, u 1 represents propofol, u 2 is remifentanil, and u 3 and u 4 are the drug rates for dopamine and sodium nitroprusside, respectively. The outputs to be controlled are denoted as y 1 for BIS, y 2 for RASS, y 3 for CO, and y 4 for MAP.
The proposed decoupled control strategy is illustrated in Figure 8, where the setpoints for the BIS, RASS, CO, and MAP signals are labeled as r 1 , r 2 , r 3 , and r 4 , respectively. The corresponding error signals, which are to be minimized, are denoted as e 1 , e 2 , e 3 , and e 4 .
The multivariable anesthesia–hemodynamic matrix of transfer functions is given by:
y 1 y 2 y 3 y 4 = G 11 s G 12 s G 13 s G 14 s 0 G 22 s 0 0 G 31 s G 32 s G 33 s G 34 s G 41 s G 42 s G 43 s G 44 s u 1 u 2 u 3 u 4   .  
In matrix form, Y = G × U . The matrix notation of the decoupler is defined as:
u 1 u 2 u 3 u 4 = D 11 D 12 D 13 D 14 0 D 22 0 0 D 31 D 32 D 33 D 34 D 41 D 42 D 43 D 44 v 1 v 2 v 3 v 4 = D v 1 v 2 v 3 v 4 ,  
where G i j s is the transfer functions between the patient output signals and the corresponding drugs, partly represented by Equations (9)–(14). The scalars D i j represent the decoupling elements. A steady-state decoupling mechanism between the hypothetical control signals v 1 to v 4 and the observed outputs y 1 to y 4 is inferred by the following equation:
y 1 y 2 y 3 y 4 = G ( 0 ) × D v 1 v 2 v 3 v 4 = I v 1 v 2 v 3 v 4  
Here, I represents the identity matrix, and G ( 0 ) denotes the steady-state matrix G ( s ) . The decoupling scalars D i j are calculated using Equation (27), ensuring that:
G 0 × D = I
Once the decoupling scalars are estimated, the elements along the main diagonal of G s × D are computed. For the nominal patient model, characterized by the parameters detailed in previous chapters, the resulting transfer functions are as follows:
y 1 s v 1 s = 16.64 s + 0.024 s + 0.18 s + 0.021 e 20 s
y 2 s v 2 s = 0.0127 s + 0.22 s + 0.057
y 3 s v 3 s = 0.02936 ( s + 0.004 ) e 47 s
y 4 s v 4 s = 0.493 s + 0.022 e 50 s .
The mathematical models in Equations (28)–(31) are further used to design the FO–PIDs for maintaining BIS, RASS, CO, and MAP signals.
As discussed at the beginning of the current section, the design criteria differ when it comes to the maintenance-phase controllers. The primary challenge in this context lies in the rejection of surgical stimuli. The pronounced synergistic and antagonistic interactions among the drugs are still relevant due to leading to substantial fluctuations in the BIS signal upon disturbances in hemodynamic variables and vice versa [8]. These specific performance metrics are as follows:
  • The duration required for the controller to return the BIS signal within the [45 ÷ 55] interval following a disturbance (TTd) should be minimal.
  • The minimum and maximum amplitudes of the BIS signal resulting from a disturbance (BIS-NADIR and BIS-APEX) should be attenuated as much as possible.
Additionally, infusion rates must be maintained within prescribed thresholds, defined in Table 3. An optimization routine was defined by using the performance index from Equation (7) as follows:
min I A E ,   I A E = 0 e ( t ) d t
with the constraints defined by the system of equations in Equation (20).
Numerous solutions satisfying these constraints are possible, and their identification often relies on the initial conditions provided. To discern the most appropriate controller, sensitivity functions, as outlined in Equations (5) and (6), were employed as guiding indicators rather than constraints. The optimization algorithm used was once again the Levenberg–Marquardt [70]. However, in this instance, the MATLAB function “fmincon” was utilized to implement the cost function from Equation (7) and to enforce the constraints outlined in Equation (20). The obtained controllers are given in Table 4 below.
For the BIS controller, the decision to set k d to 0 yielded better responses when paired with the FO–PID RASS controller. This outcome was attributed to the significantly reduced phase margin, thereby enhancing the controller’s speed of response, playing a major role in the reaction time to reject the surgical stimuli.

2.3. Switching Between Phases

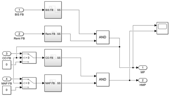
To effectively manage the transition between controllers for the induction and maintenance phases, a specific logic must be implemented. Initially, BIS and RASS are collectively categorized under the anesthesia domain, while CO and MAP are designated as part of the hemodynamic domain. This categorization is based on the observation that anesthesia dynamics are faster than hemodynamic dynamics. Consequently, the switching sequence should follow this order: First, the controllers for BIS and RASS switch to the maintenance phase, followed by the controllers for CO and MAP, as depicted in Figure 9.
The inputs labelled “FB” correspond to feedback signals, while “MP” and “HMP” indicate Boolean signals indicating the start of the maintenance phases for anesthesia and hemodynamics, respectively. These signals define the transition points between maintenance and induction controllers for specific groups. Each subsystem block applies a uniform logic to determine when a particular output reaches the reference value and then produces a Boolean signal upon detection. An example of this logic, particularly for BIS, is illustrated in Figure 10.
A detailed example is provided for BIS in Figure 11, illustrating how the decoupling controller operates alongside the induction controller until the designated switching point.
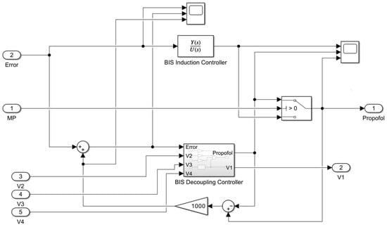
The temporary feedback loop of the decoupling controller has the purpose of generating an equivalent error such that the maintenance phase controller follows the induction one until the switching point. Subsequently, upon activation of the MP signal, the decoupling controller assumes full control. The BIS decoupling controller block from Figure 11 is implemented, as shown in Figure 12. In this setup, the virtual controller is the FO–PID maintenance phase controller. It processes several inputs, including the BIS feedback error and the virtual control signals V 2 ,   V 3 ,   a n d   V 4 , which originate from the dependent controlled parameters RASS, CO, and MAP. These signals, along with their corresponding steady-state decoupling gains D 12 ,   D 13 , and D 14 , are used to generate the actual propofol control signal. This structure implements the decoupling equation from Equation (26) for BIS control. The other controlled parameters, namely, RASS, CO, and MAP, utilize similar configurations.
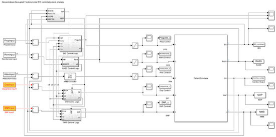
Figure 13 provides a high-level overview of the entire system, illustrating the patient simulator along with its effects (outputs), all feedback loops, and their corresponding control subsystems.

3. Results

This section presents the closed-loop simulation results. First, the induction phase was analyzed using the proposed control structure based on a decentralized–decoupling approach. The focus of the analysis is on the anesthetic states, BIS and RASS, and their corresponding drug rates, propofol and remifentanil. The hemodynamic system is presented subsequently in the final results.
The previously designed fractional-order controllers in Equations (21)–(25) were used during the induction phase. Figure 14 shows the closed-loop simulation results for the 24 patients in the database in terms of the required propofol infusion rate and the BIS signals. The propofol drug dosages remained within the clinically accepted range, as indicated in Table 3, but were slightly lower by several magnitudes. This was due to the co-administration of slightly higher doses of remifentanil during the induction phase, as depicted in Figure 15. This synergistic effect facilitated a more balanced depth of anesthesia with a reduced overall dosage of propofol.
Regarding the BIS achieved for each patient based on the defined induction performances, it can be concluded that the results in Figure 14 and Figure 15 fall within the desired ranges. Given our primary focus on the BIS metrics, the data markers in Figure 14 indicate a maximum undershoot of 3.4%, with most patients experiencing no undershoot due to the imposed great phase margins. The time to target was also satisfactory, with the fastest time being 97 s and the slowest 184 s, both well within the 240 s threshold. While a few patients exhibited some deviations, most trajectories nearly overlapped, which is attributable to the iso-damping property described in Equation (4), demonstrating its success in managing patient variability.
Turning our attention to the maintenance phase, the initial consideration was to determine whether a decoupled approach offers any advantages over a decentralized method for managing patient maintenance. Figure 16 presents the BIS signal of a nominal patient under both the decentralized control and the decentralized–decoupled control approaches. The induction phase resulted in complete overlap, as both strategies employed the same induction control logic. However, a divergence occurred around the 500 s mark, at which point the control strategies began to differ.
A closer examination of the 900–2000 s timeframe, depicted in Figure 17, reveals the impact of surgical stimuli from Figure 3 on the BIS for both strategies. This part of the analysis aimed to identify any noticeable differences when the stimuli were directly applied to the BIS.
A key observation is that the decoupled controllers exhibited a more aggressive response, enabling a faster return of the signal to the reference point. However, this can occasionally lead to larger spikes or overshoots. Table 5 and Table 6 present statistics for all patients across these two scenarios. Table 5 shows the performance of the decentralized control strategy during maintenance, where the designed controllers in Equations (21)–(25) were used. Table 6 indicates the closed-loop performance achieved using the proposed control strategy, after the switch to the decoupled control approach was carried out for the maintenance phase. In this case, the controllers designed and indicated in Table 4 were used.
Although the decoupled variant remained outside the 45–55 BIS range for a longer duration, as shown by the TTd time value, it enhanced overall performance, as evidenced by the IAE values, albeit with larger errors, as indicated by the ISE index. These metrics further highlight the previously noted aggressiveness of the decoupled controllers. The benefit of using the proposed control strategy is visible, especially after the 1600 s simulation time, when the BIS signal returned to its reference value of 50% considerably faster compared to the decentralized approach. Thus, the proposed control strategy is efficient, especially when dealing with surgical stimuli that last for a longer period of time (see Figure 3, after 1600 s of simulation time).
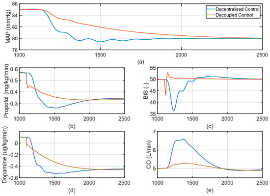
The decoupling strategy is particularly effective in reducing interactions between different system components. In this context, an analysis of the hemodynamic system, similar to that in [46], was conducted to examine the effects of variations in CO and MAP on other components. These interactions were based on Figure 5 and are showcased using the nominal patient detailed previously. For the first case study, an interaction analysis was performed considering a variation in the MAP setpoint (Figure 18).
The decoupled controller was slower and oscillated less, as shown in Figure 18a, but the primary focus is on the two variables affected by the interactions, BIS and CO. There was a significantly reduced side effect from the variation in MAP when using the proposed control strategy employing the decoupled approach during the maintenance phase. Regarding propofol and BIS, as depicted in Figure 18b,c, the administered dosage was reduced, and the BIS experienced only a slight spike, with rapid recovery, compared to the decentralized approach. Table 7 provides detailed statistics for each strategy over the timeframes depicted in Figure 18, reinforcing the previously discussed findings in all aspects.
The time spent outside the 45–55 BIS range was significantly reduced from 190 s to 9 s with the decoupled variant, and the BIS did not drop below the critical threshold of 40, unlike the decentralized approach. These improvements are further emphasized by the IAE and ISE performance indices. Similar conclusions are applicable for dopamine and CO, as shown in Figure 18d,e. Note that the dopamine values show the variation with respect to a nominal dose.
A second case study consisted of the analysis of a variation in the cardiac output, as indicated in Figure 19. While the differences were not as pronounced as in the case of MAP variation, there were still some notable distinctions based on the values in Table 8. In Figure 19a, the decoupled controller lagged behind the decentralized variant in terms of speed, indicating potential for improvement in the controller parameters. Regarding dosage administration, the results are somewhat inconclusive. For sodium nitroprusside, a smaller amount of infusion achieved the same MAP, as shown in Figure 19d,e. Note that the sodium nitroprusside values in Figure 19d show the variation with respect to a nominal dose. For propofol and BIS (Figure 19b,c), the decoupled approach appeared to be overly aggressive, administering a larger dose without achieving a substantially better outcome.
Nevertheless, the statistics presented in Table 8 confirm that the outcomes for BIS remained overall superior in the decoupled variant, as anticipated.
Regarding the switching logic outlined and elaborated in Section 2.3, a singular patient example is depicted in Figure 20, specifically concerning the structure illustrated in Figure 9. Figure 20a showcases the individual Boolean signals for each controlled component, identified as the Bispectral Index Maintenance Trigger Point (BIS MTP), and similarly for others. Note that the MAP MTP and RASS MTP signals overlapped.
Figure 20b shows the grouped Boolean signals, denoted as the anesthesia group MTP and the hemodynamic group MTP, consisting of BIS and RASS for the first group and MAP and CO for the second group. These two signals served as maintenance trigger points, indicating when the anesthesia and hemodynamic parameters reached a steady state.
To facilitate the transition from induction to maintenance, the controllers need to synchronize such that the maintenance control logic seamlessly follows the induction phase. Upon receiving the MTP signal, the responsibility is transferred smoothly to the maintenance controller. This can be achieved by calculating an equivalent error signal fed back to the maintenance controller, as shown in Figure 11. An example of this logic is shown in Figure 21, showcasing the propofol–BIS switching and highlighting the explicit switching point in Figure 22.
Figure 22a illustrates the convergence of the induction and maintenance error signals around the 460 s mark, utilizing equivalently calculated errors. This convergence was also reflected in the propofol input, as depicted in Figure 22b, where a more distinct transition was observed. Notably, the equivalent propofol control signal overlapped the induction signal before the switching point and seamlessly transitioned to overlap the maintenance signal immediately afterwards.
The final values regarding all inputs and outputs for each patient are shown in Figure 23 and Figure 24, respectively. The presented simulations demonstrate robustness to patient intervariability, with each of the 24 patients having different characteristics, as indicated in Table 2. Robustness to patient intra-variability is not tackled in this manuscript and will be considered as further research development.
The results adhere to the safe limit ranges outlined in Table 3 and meet the performance specifications mentioned in Section 2. Very few research papers exist that deal with the multivariable control of the anesthesia–hemodynamic system. To compare the results obtained with the proposed approach, the results obtained with a model predictive control (MPC) method, discussed in [35,45], were used. The comparison between the MPC-based anesthesia control and the decentralized–decoupled control system revealed significant differences in their management of anesthesia and hemodynamic parameters.
On one hand, the MPC system in [45] induced anesthesia rapidly, reaching the target BIS within 2 min using 1.91 to 2.52 mg/kg of propofol, and maintained BIS in the desired range (40–60) for 58% to 75% of the time. These measures are comparable with the current paper’s results, exceeding the induction time but at the cost of undershooting and a relatively significant amount of time spent outside the safe operating zone of the bispectral index. Furthermore, the study did not actively regulate blood pressure (BP) or heart rate (HR), leaving these adjustments to the anesthesiologist. In contrast, the decentralized–decoupled control system takes a more comprehensive approach by simultaneously controlling BIS, mean arterial pressure (MAP), and cardiac output (CO). The current approach ensures stable hemodynamics through the coordinated administration of propofol, remifentanil, and vasopressors such as dopamine and sodium nitroprusside. While both systems effectively manage the depth of anesthesia, the current approach provides enhanced safety by actively controlling hemodynamics, reducing the risk of intraoperative hypotension or bradycardia.
On the other hand, the MPC control approach detailed in [35] handles the multivariable anesthesia–hemodynamic system similarly to this study. Both methodologies are comparably similar concerning the performance measures regarding the controlled effects and the administered agents during the induction and maintenance phases. The decentralized–decoupled approach is effective in enhancing system stability and minimizing interactions through decoupling. Meanwhile, the MPC approach demonstrates superior adaptability to individual patient requirements, making it particularly suitable for dynamic clinical contexts. Both strategies significantly advance anesthesia–hemodynamic control, each offering unique advantages such as reducing interactions or patient-specific control.

4. Conclusions

Automatically controlled general anesthesia serves as an invaluable adjunct to anesthesiologists, ensuring the provision of safe surgical procedures for every patient requiring anesthesia.
Throughout this paper, various specifications were considered. These include the strict adherence to predetermined time frames for transitioning each patient from a fully awake state to a moderately hypnotic state, mitigation of concerns related to patient variability by enforcing the iso-damping property, prevention of excessive undershooting during the induction phase for all patients, and management of surgical stimuli, as well as reducing the interactions between controlled variables during the maintenance phase to minimize the impact on patients’ hypnotic states. Developing specific controllers for each phase has significant advantages, as it allows for adjustments tailored to unique needs, which have shown considerable variation. Additionally, changing the control strategy alongside designing these controllers improves performance and reduces unwanted side effects from unexpected output changes. The inherent robustness of fractional-order controllers, combined with the iso-damping property, presents an avenue for achieving unified patient responses and represents a promising direction for future exploration.
This paper employed specific control strategies for addressing both the induction phase and the maintenance phase. The induction phase utilizes a decentralized approach with fractional-order PID controllers, whereas the maintenance phase employs a decoupled approach with specifically tuned fractional-order PID controllers. Transitioning between these phases involves grouping the anesthetic and hemodynamic loops and tracking feedback signals to detect steady states, thus enabling a safe and seamless shift from decentralized to decoupled control.
The results demonstrate that decoupled control strategies during the maintenance phase significantly enhance performance by improving the interaction between anesthesia and hemodynamic variables. While they slightly increase the time spent outside the 45–55 BIS range, the improved performance indicated by IAE metrics highlights their effectiveness in maintaining patient stability. The use of decoupled strategies reduces the complexity of interactions between controlled variables such as cardiac output and mean arterial pressure, leading to smoother anesthetic management. By employing higher doses of remifentanil during the induction phase, a more balanced depth of anesthesia is achieved with reduced propofol dosage, minimizing side effects. The reduced interaction between control loops allows for more accurate and stable control of the patient’s hypnotic state, ultimately facilitating a safer and more efficient anesthetic experience. This underscores the potential of decoupled strategies to improve patient outcomes through tailored anesthetic delivery.
Regarding future enhancements, an adaptive approach could be considered. This approach would involve identifying patient-specific attributes during the induction phase—such as drug reaction times and infusion rates—and utilizing them in a predictive model control strategy during the maintenance phase to tailor responses to individual patients’ organisms based on these parameters. Physiologically, such a model would likely be of a lower order, possibly second or third order, potentially leading to an optimal adaptive–predictive control strategy. Additionally, leveraging surgical protocols as a basis for preemptive actions could enable timely responses before or at the onset of stimuli. Additionally, the design and tuning of the fractional-order controllers could be performed and even enhanced by using various other techniques available. Research exploring these concepts is ongoing and remains an area of continued interest.

Author Contributions

Conceptualization, E.T.H. and C.I.M.; methodology, E.T.H. and C.I.M.; software, E.T.H.; validation, E.T.H., C.I.M. and I.R.B.; formal analysis, E.T.H. and I.R.B.; investigation, I.R.B.; resources, C.M.I.; data curation, C.M.I.; writing—original draft preparation, E.T.H.; writing—review and editing, C.I.M. and C.M.I.; visualization, C.M.I.; supervision, C.I.M.; project administration, C.I.M.; funding acquisition, C.I.M., I.R.B. and C.M.I. All authors have read and agreed to the published version of the manuscript.

Funding

This work was supported by grants of the Romanian Ministry of Research, Innovation and Digitization, CNCS-UEFISCDI, project number PNRR-III-C9-2022-I9, 760018/27.01.2023 and PNRR-III-C9-2022-I8, grant number 760068/23.05.2023. This work was funded in part by the European Research Council (ERC) Consolidator Grant AMICAS, grant agreement No. 101043225, funded by the European Union. Views and opinions expressed are, however, those of the author(s) only and do not necessarily reflect those of the European Union or the European Research Council Executive Agency. Neither the European Union nor the granting authority can be held responsible for them. I. R. Birs acknowledges the support of the Flanders Research Foundation, postdoc grant number 1203224N, 2023–2026.

Institutional Review Board Statement

Not applicable.

Informed Consent Statement

Not applicable.

Data Availability Statement

No new data were created or analyzed in this study. Data sharing is not applicable to this article.

Conflicts of Interest

The authors declare no conflict of interest.

References

  1. Simanski, O.; Janda, M.; Schubert, A.; Bajorat, J.; Hofmockel, R.; Lampe, B. Progress of Automatic Drug Delivery in Anaesthesia-The ‘Rostock Assistant System for Anaesthesia Control (RAN)’. Int. J. Adapt. Control Signal Process. 2008, 23, 504–521. [Google Scholar] [CrossRef]
  2. Scott, H.B.; Choi, S.W.; Wong, G.T.C.; Irwin, M.G. The Effect of Remifentanil on Propofol Requirements to Achieve Loss of Response to Command vs. Loss of Response to Pain. Anaesthesia 2017, 72, 479–487. [Google Scholar] [CrossRef] [PubMed]
  3. Bibian, S.; Ries, C.R.; Huzmezan, M.; Dumont, G. Introduction to Automated Drug Delivery in Clinical Anesthesia. Eur. J. Control 2005, 11, 535–557. [Google Scholar] [CrossRef]
  4. Olivier, P.; Sirieix, D.; Dassier, P.; D’Attellis, N.; Baron, J.-F. Continuous Infusion of Remifentanil and Target-Controlled Infusion of Propofol for Patients Undergoing Cardiac Surgery: A New Approach for Scheduled Early Extubation. J. Cardiothorac. Vasc. Anesth. 2000, 14, 29–35. [Google Scholar] [CrossRef] [PubMed]
  5. Martins da Silva, M.; Mendonca, T.; Wigren, T. Nonlinear Adaptive Control of the NeuroMuscular Blockade in Anesthesia. In Proceedings of the IEEE Conference on Decision and Control and European Control Conference, Orlando, FL, USA, 12–15 December 2011; pp. 41–46. [Google Scholar]
  6. Schiff, J.H.; Welker, A.; Fohr, B.; Henn-Beilharz, A.; Bothner, U.; Van Aken, H.; Schleppers, A.; Baldering, H.J.; Heinrichs, W. Major Incidents and Complications in Otherwise Healthy Patients Undergoing Elective Procedures: Results Based on 1.37 Million Anaesthetic Procedures. Br. J. Anaesth. 2014, 113, 109–121. [Google Scholar] [CrossRef]
  7. Zaouter, C.; Hemmerling, T.M.; Lanchon, R.; Valoti, E.; Remy, A.; Leuillet, S.; Ouattara, A. The Feasibility of a Completely Automated Total IV Anesthesia Drug Delivery System for Cardiac Surgery. Anesth. Analg. 2016, 123, 885–893. [Google Scholar] [CrossRef]
  8. Ionescu, C.M.; Neckebroek, M.; Ghita, M.; Copot, D. An Open Source Patient Simulator for Design and Evaluation of Computer Based Multiple Drug Dosing Control for Anesthetic and Hemodynamic Variables. IEEE Access 2021, 9, 8680–8694. [Google Scholar] [CrossRef]
  9. Caruso, A.; Bouillon, T.W.; Schumacher, P.M.; Zanderigo, E.; Morari, M. Control of Drug Administration During Monitored Anesthesia Care. IEEE Trans. Autom. Sci. Eng. 2009, 6, 256–264. [Google Scholar] [CrossRef]
  10. Pattinson, K.T.S.; Governo, R.J.; MacIntosh, B.J.; Russell, E.C.; Corfield, D.R.; Tracey, I.; Wise, R.G. Opioids Depress Cortical Centers Responsible for the Volitional Control of Respiration. J. Neurosci. 2009, 29, 8177–8186. [Google Scholar] [CrossRef]
  11. Hemmerling, T.M.; Salhab, E.; Aoun, G.; Charabati, S.; Mathieu, P.A. The ‘Analgoscore’: A Novel Score to Monitor Intraoperative Pain and Its Use for Remifentanil Closed-Loop Application. In Proceedings of the 2007 IEEE International Conference on Systems, Man and Cybernetics, Montreal, QC, Canada, 7–10 October 2007; pp. 1494–1499. [Google Scholar]
  12. De Wit, F.; Van Vliet, A.L.; De Wilde, R.B.; Jansen, J.R.; Vuyk, J.; Aarts, L.P.; De Jonge, E.; Veelo, D.P.; Geerts, B.F. The Effect of Propofol on Haemodynamics: Cardiac Output, Venous Return, Mean Systemic Filling Pressure, and Vascular Resistances. Br. J. Anaesth. 2016, 116, 784–789. [Google Scholar] [CrossRef]
  13. Absalom, A.R.; De Keyser, R.; Struys, M.M.R.F. Closed Loop Anesthesia: Are We Getting Close to Finding the Holy Grail? Anesth. Analg. 2011, 112, 516–518. [Google Scholar] [CrossRef] [PubMed]
  14. Morley, A.; Derrick, J.; Mainland, P.; Lee, B.B.; Short, T.G. Closed Loop Control of Anaesthesia: An Assessment of the Bispectral Index as the Target of Control: Closed Loop Control of Anaesthesia. Anaesthesia 2000, 55, 953–959. [Google Scholar] [CrossRef] [PubMed]
  15. Frelich, M.; Sklienka, P.; Romanová, T.; Němcová, S.; Bílená, M.; Straková, H.; Lečbychová, K.; Jor, O.; Formánek, M.; Burša, F. The Effect of BIS-Guided Anaesthesia on the Incidence of Postoperative Nausea and Vomiting in Children: A Prospective Randomized Double-Blind Study. BMC Anesthesiol. 2024, 24, 228. [Google Scholar] [CrossRef]
  16. Liu, N.; Chazot, T.; Hamada, S.; Landais, A.; Boichut, N.; Dussaussoy, C.; Trillat, B.; Beydon, L.; Samain, E.; Sessler, D.I.; et al. Closed-Loop Coadministration of Propofol and Remifentanil Guided by Bispectral Index: A Randomized Multicenter Study. Anesth. Analg. 2011, 112, 546–557. [Google Scholar] [CrossRef]
  17. Sessler, C.N.; Gosnell, M.S.; Grap, M.J.; Brophy, G.M.; O’Neal, P.V.; Keane, K.A.; Tesoro, E.P.; Elswick, R.K. The Richmond Agitation-Sedation Scale: Validity and Reliability in Adult Intensive Care Unit Patients. Am. J. Respir. Crit. Care Med. 2002, 166, 1338–1344. [Google Scholar] [CrossRef] [PubMed]
  18. Zikov, T.; Bibian, S.; Dumont, G.A.; Huzmezan, M.; Ries, C.R. Quantifying Cortical Activity during General Anesthesia Using Wavelet Analysis. IEEE Trans. Biomed. Eng. 2006, 53, 617–632. [Google Scholar] [CrossRef]
  19. Copot, D.; Ionescu, C. Models for Nociception Stimulation and Memory Effects in Awake and Aware Healthy Individuals. IEEE Trans. Biomed. Eng. 2019, 66, 718–726. [Google Scholar] [CrossRef]
  20. Neckebroek, M.; Ghita, M.; Ghita, M.; Copot, D.; Ionescu, C.M. Pain Detection with Bioimpedance Methodology from 3-Dimensional Exploration of Nociception in a Postoperative Observational Trial. J. Clin. Med. 2020, 9, 684. [Google Scholar] [CrossRef]
  21. Jacq, G.; Melot, K.; Bezou, M.; Foucault, L.; Courau-Courtois, J.; Cavelot, S.; Lang, A.; Bedos, J.-P.; Le-Boeuf, D.; Boussard, J.-M.; et al. Music for Pain Relief during Bed Bathing of Mechanically Ventilated Patients: A Pilot Study. PLoS ONE 2018, 13, e0207174. [Google Scholar] [CrossRef]
  22. Duţu, M.; Ivaşcu, R.; Tudorache, O.; Morlova, D.; Stanca, A.; Negoiţă, S.; Corneci, D. Neuromuscular Monitoring: An Update. Rom. J. Anaesth. Intensive Care 2018, 25, 55–60. [Google Scholar] [CrossRef][Green Version]
  23. McGrath, C.D.; Hunter, J.M. Monitoring of Neuromuscular Block. Contin. Educ. Anaesth. Crit. Care Pain 2006, 6, 7–12. [Google Scholar] [CrossRef]
  24. Zhang, X.; Li, D.; Wu, J.; Jiang, Q.; Zhu, H.; Xu, M. Comparison of Deep or Moderate Neuromuscular Blockade for Thoracoscopic Lobectomy: A Randomized Controlled Trial. BMC Anesthesiol. 2018, 18, 195. [Google Scholar] [CrossRef]
  25. Merigo, L.; Padula, F.; Latronico, N.; Mendonça, T.; Paltenghi, M.; Rocha, P.; Visioli, A. Optimized PID Tuning for the Automatic Control of Neuromuscular Blockade. IFAC-Pap. 2018, 51, 66–71. [Google Scholar] [CrossRef]
  26. Copot, D. (Ed.) Automated Drug Delivery in Anesthesia; Elsevier: London, UK; Academic Press: San Diego, CA, USA, 2020; ISBN 978-0-12-815975-0. [Google Scholar]
  27. Kovács, L. Linear Parameter Varying (LPV) Based Robust Control of Type-I Diabetes Driven for Real Patient Data. Knowl.-Based Syst. 2017, 122, 199–213. [Google Scholar] [CrossRef]
  28. Kiss, B.; Sapi, J.; Kovacs, L. Imaging Method for Model-Based Control of Tumor Diseases. In Proceedings of the 2013 IEEE 11th International Symposium on Intelligent Systems and Informatics (SISY), Subotica, Serbia, 26–28 September 2013; pp. 271–275. [Google Scholar]
  29. Le Guen, M.; Liu, N.; Selim, J. Computer-Assisted IV Anesthesia: Still a Future? Curr. Anesthesiol. Rep. 2023, 13, 187–195. [Google Scholar] [CrossRef]
  30. Zaouter, C.; Joosten, A.; Rinehart, J.; Struys, M.M.R.F.; Hemmerling, T.M. Autonomous Systems in Anesthesia: Where Do We Stand in 2020? A Narrative Review. Anesth. Analg. 2020, 130, 1120–1132. [Google Scholar] [CrossRef]
  31. Joosten, A.; Rinehart, J.; Bardaji, A.; Van Der Linden, P.; Jame, V.; Van Obbergh, L.; Alexander, B.; Cannesson, M.; Vacas, S.; Liu, N.; et al. Anesthetic Management Using Multiple Closed-Loop Systems and Delayed Neurocognitive Recovery. Anesthesiology 2020, 132, 253–266. [Google Scholar] [CrossRef]
  32. Al-Rifai, Z.; Mulvey, D. Principles of Total Intravenous Anaesthesia: Basic Pharmacokinetics and Model Descriptions. BJA Educ. 2016, 16, 92–97. [Google Scholar] [CrossRef]
  33. Papathanasiou, M.M.; Onel, M.; Nascu, I.; Pistikopoulos, E.N. Computational Tools in the Assistance of Personalized Healthcare. In Computer Aided Chemical Engineering; Elsevier: Amsterdam, The Netherlands, 2018; Volume 42, pp. 139–206. ISBN 978-0-444-63964-6. [Google Scholar]
  34. Schiavo, M.; Padula, F.; Latronico, N.; Paltenghi, M.; Visioli, A. Individualized PID Tuning for Maintenance of General Anesthesia with Propofol and Remifentanil Coadministration. J. Process Control 2022, 109, 74–82. [Google Scholar] [CrossRef]
  35. Maxim, A.; Copot, D. Closed-Loop Control of Anesthesia and Hemodynamic System: A Model Predictive Control Approach. IFAC-Pap. 2021, 54, 37–42. [Google Scholar] [CrossRef]
  36. Wang, L.Y.; McKelvey, G.M.; Wang, H. Multi-Outcome Predictive Modelling of Anesthesia Patients. J. Biomed. Res. 2019, 33, 430. [Google Scholar] [CrossRef]
  37. Merigo, L.; Beschi, M.; Padula, F.; Latronico, N.; Paltenghi, M.; Visioli, A. Event-Based Control of Depth of Hypnosis in Anesthesia. Comput. Methods Programs Biomed. 2017, 147, 63–83. [Google Scholar] [CrossRef] [PubMed]
  38. Paolino, N.; Schiavo, M.; Ionescu, C.; Latronico, N.; Paltenghi, M.; Visioli, A. Event-Based PID Control for Anesthesia Administration: Effect on Hemodynamic Variables. In Proceedings of the 2023 European Control Conference (ECC), Bucharest, Romania, 13–16 June 2023; pp. 1–6. [Google Scholar]
  39. Hodrea, R.; Nascu, I.; Nascu, I.; De Keyser, R.; Vasian, H. EPSAC versus PID Control of Neuromuscular Blockade. In Proceedings of the 2014 IEEE International Conference on Automation, Quality and Testing, Robotics, Cluj-Napoca, Romania, 22–24 May 2014; pp. 1–6. [Google Scholar]
  40. Merigo, L.; Padula, F.; Latronico, N.; Paltenghi, M.; Visioli, A. Optimized PID Control of Propofol and Remifentanil Coadministration for General Anesthesia. Commun. Nonlinear Sci. Numer. Simul. 2019, 72, 194–212. [Google Scholar] [CrossRef]
  41. Ahmadpour, M.R.; Ghadiri, H.; Hajian, S.R. Model Predictive Control Optimisation Using the Metaheuristic Optimisation for Blood Pressure Control. IET Syst. Biol. 2021, 15, 41–52. [Google Scholar] [CrossRef]
  42. Biro, J.; Neyens, D.M.; Jaruzel, C.; Tobin, C.D.; Alfred, M.; Coppola, S.; Abernathy, J.H.; Catchpole, K.R. “One Size” Doesn’t “Fit All”: Understanding Variability in Anesthesia Work Practices. Hum. Factors Healthc. 2022, 2, 100026. [Google Scholar] [CrossRef]
  43. Abdulla, S.A.; Wen, P. The Effects of Time-Delay on Feedback Control of Depth of Anesthesia. In Proceedings of the 2012 IEEE-EMBS International Conference on Biomedical and Health Informatics, Hong Kong, 5–7 January 2012; pp. 956–959. [Google Scholar]
  44. Egan, T.D.; Minto, C.F. Pharmacodynamic Drug Interactions in Anesthesia. In Anesthetic Pharmacology; Evers, A.S., Maze, M., Kharasch, E.D., Eds.; Cambridge University Press: Cambridge, UK, 2013; pp. 147–165. ISBN 978-0-511-78193-3. [Google Scholar]
  45. Pawlowski, A.; Schiavo, M.; Latronico, N.; Paltenghi, M.; Visioli, A. Experimental Results of an MPC Strategy for Total Intravenous Anesthesia. IEEE Access 2023, 11, 32743–32751. [Google Scholar] [CrossRef]
  46. Hegedus, E.; Ghita, M.; Birs, I.R.; Copot, D.; Muresan, C.I. Robustness Analysis of a Fractional Order Control System for the Hemodynamic Variables in Anesthetized Patients. In Proceedings of the 2023 European Control Conference (ECC), Bucharest, Romania, 13–16 June 2023; pp. 1–6. [Google Scholar]
  47. Hegedus, E.T.; Birs, I.R.; Ghita, M.; Muresan, C.I. Fractional-Order Control Strategy for Anesthesia–Hemodynamic Stabilization in Patients Undergoing Surgical Procedures. Fractal Fract. 2022, 6, 614. [Google Scholar] [CrossRef]
  48. Dulău, M.; Gligor, A.; Dulău, T.-M. Fractional Order Controllers Versus Integer Order Controllers. Procedia Eng. 2017, 181, 538–545. [Google Scholar] [CrossRef]
  49. Aghababa, M.P.; Borjkhani, M. Chaotic Fractional-order Model for Muscular Blood Vessel and Its Control via Fractional Control Scheme. Complexity 2014, 20, 37–46. [Google Scholar] [CrossRef]
  50. Alikhanov, A.A.; Asl, M.S.; Huang, C.; Khibiev, A. A Second-Order Difference Scheme for the Nonlinear Time-Fractional Diffusion-Wave Equation with Generalized Memory Kernel in the Presence of Time Delay. J. Comput. Appl. Math. 2024, 438, 115515. [Google Scholar] [CrossRef]
  51. Aghababa, M.P. Chaos in a Fractional-Order Micro-Electro-Mechanical Resonator and Its Suppression. Chin. Phys. B 2012, 21, 100505. [Google Scholar] [CrossRef]
  52. Oustaloup, A. La Dérivation non Entière: Théorie, Synthèse et Applications; Traité des Nouvelles Technologies; Hermès: Paris, France, 1995; ISBN 978-2-86601-456-8. [Google Scholar]
  53. Oustaloup, A.; Mathieu, B.; Lanusse, P. The CRONE Control of Resonant Plants: Application to a Flexible Transmission. Eur. J. Control 1995, 1, 113–121. [Google Scholar] [CrossRef]
  54. Oustaloup, A.; Moreau, X.; Nouillant, M. The CRONE Suspension. Control Eng. Pract. 1996, 4, 1101–1108. [Google Scholar] [CrossRef]
  55. Oustaloup, A.; Cois, O.; Lanusse, P.; Melchior, P.; Moreau, X.; Sabatier, J. The crone aproach: Theoretical developments and major applications. IFAC Proc. Vol. 2006, 39, 324–354. [Google Scholar] [CrossRef]
  56. Chen, Y.; Petras, I.; Xue, D. Fractional Order Control—A Tutorial. In Proceedings of the 2009 American Control Conference, St. Louis, MO, USA, 10–12 June 2009; pp. 1397–1411. [Google Scholar]
  57. Podlubny, I. Fractional-Order Systems and PI/Sup /Spl Lambda//D/Sup/Spl Mu//-Controllers. IEEE Trans. Autom. Control 1999, 44, 208–214. [Google Scholar] [CrossRef]
  58. Monje, C.A.; Chen, Y.; Vinagre, B.M.; Xue, D.; Feliu, V. Fractional-Order Systems and Controls; Advances in Industrial Control; Springer: London, UK, 2010; ISBN 978-1-84996-334-3. [Google Scholar]
  59. Tajjudin, M.; Johari, S.N.H.; Aziz, S.A.; Adnan, R. Minimum ISE Fractional-Order PID (FOPID) Controller for Ball and Beam Mechanism. In Proceedings of the 2019 IEEE 10th Control and System Graduate Research Colloquium (ICSGRC), Shah Alam, Malaysia, 2–3 August 2019; pp. 152–155. [Google Scholar]
  60. Tepljakov, A. Fractional-Order Modeling and Control of Dynamic Systems; Springer Theses; Springer International Publishing: Cham, Switzerland, 2017; ISBN 978-3-319-52949-3. [Google Scholar]
  61. Xin, R.H.; Wang, C.Y.; Liu, X.L.; Li, M.Q.; Bai, D.Y. Robust Fractional Order Proportional Integral Control for Large Time-Delay System. Appl. Mech. Mater. 2014, 716–717, 1614–1619. [Google Scholar] [CrossRef]
  62. Monje, C.A.; Vinagre, B.M.; Feliu, V.; Chen, Y. Tuning and Auto-Tuning of Fractional Order Controllers for Industry Applications. Control Eng. Pract. 2008, 16, 798–812. [Google Scholar] [CrossRef]
  63. Siva Krishna, P.; Gopi Krishna Rao, P.V. Fractional-Order PID Controller for Blood Pressure Regulation Using Genetic Algorithm. Biomed. Signal Process. Control 2024, 88, 105564. [Google Scholar] [CrossRef]
  64. Horla, D.; Sadalla, T. Optimal Tuning of Fractional-Order Controllers Based on Fibonacci-Search Method. ISA Trans. 2020, 104, 287–298. [Google Scholar] [CrossRef]
  65. Fathollahi, A.; Andresen, B. Multi-Machine Power System Transient Stability Enhancement Utilizing a Fractional Order-Based Nonlinear Stabilizer. Fractal Fract. 2023, 7, 808. [Google Scholar] [CrossRef]
  66. Zhang, G.; Daraz, A.; Khan, I.A.; Basit, A.; Khan, M.I.; Ullah, M. Driver Training Based Optimized Fractional Order PI-PDF Controller for Frequency Stabilization of Diverse Hybrid Power System. Fractal Fract. 2023, 7, 315. [Google Scholar] [CrossRef]
  67. Chen, E.Y.; Michel, G.; Zhou, B.; Dai, F.; Akhtar, S.; Schonberger, R.B. An Analysis of Anesthesia Induction Dosing in Female Older Adults. Drugs Aging 2020, 37, 435–446. [Google Scholar] [CrossRef] [PubMed]
  68. Palerm, C.C.; Bequette, B.W. Hemodynamic Control Using Direct Model Reference Adaptive Control—Experimental Results. Eur. J. Control 2005, 11, 558–571. [Google Scholar] [CrossRef]
  69. Ionescu, C.M.; Copot, D.; Yumuk, E.; De Keyser, R.; Muresan, C.; Birs, I.R.; Ben Othman, G.; Farbakhsh, H.; Ynineb, A.R.; Neckebroek, M. Development, Validation, and Comparison of a Novel Nociception/Anti-Nociception Monitor against Two Commercial Monitors in General Anesthesia. Sensors 2024, 24, 2031. [Google Scholar] [CrossRef]
  70. Shukla, P.K. Levenberg-Marquardt Algorithms for Nonlinear Equations, Multi-Objective Optimization, and Complementarity Problems; Operations Research; Shaker: Aachen, Germany, 2010; ISBN 978-3-8322-9005-4. [Google Scholar]
Figure 1. Bispectral index states [3].
Figure 1. Bispectral index states [3].
Fractalfract 08 00623 g001
Figure 2. Phases of general anesthesia.
Figure 2. Phases of general anesthesia.
Fractalfract 08 00623 g002
Figure 3. Surgical stimuli model used in [8].
Figure 3. Surgical stimuli model used in [8].
Fractalfract 08 00623 g003
Figure 4. High-level I/O representation of the patient simulator in Simulink.
Figure 4. High-level I/O representation of the patient simulator in Simulink.
Fractalfract 08 00623 g004
Figure 5. Interaction levels between inputs and outputs [8].
Figure 5. Interaction levels between inputs and outputs [8].
Fractalfract 08 00623 g005
Figure 6. Open-loop depth of anesthesia response for 24 patients of the simulator.
Figure 6. Open-loop depth of anesthesia response for 24 patients of the simulator.
Fractalfract 08 00623 g006
Figure 7. Input–output block diagram of the anesthesia–hemodynamic system and its interactions.
Figure 7. Input–output block diagram of the anesthesia–hemodynamic system and its interactions.
Fractalfract 08 00623 g007
Figure 8. Proposed decoupling control strategy diagram.
Figure 8. Proposed decoupling control strategy diagram.
Fractalfract 08 00623 g008
Figure 9. Anesthetic–hemodynamic steady-state detection logic.
Figure 9. Anesthetic–hemodynamic steady-state detection logic.
Fractalfract 08 00623 g009
Figure 10. Steady-state detection logic for BIS.
Figure 10. Steady-state detection logic for BIS.
Fractalfract 08 00623 g010
Figure 11. BIS induction and maintenance control and switching logic.
Figure 11. BIS induction and maintenance control and switching logic.
Fractalfract 08 00623 g011
Figure 12. BIS maintenance phase controller logic.
Figure 12. BIS maintenance phase controller logic.
Fractalfract 08 00623 g012
Figure 13. High-level overview of the controlled system in Simulink.
Figure 13. High-level overview of the controlled system in Simulink.
Fractalfract 08 00623 g013
Figure 14. Propofol and BIS values in the induction phase.
Figure 14. Propofol and BIS values in the induction phase.
Fractalfract 08 00623 g014
Figure 15. Remifentanil and RASS values in the induction phase.
Figure 15. Remifentanil and RASS values in the induction phase.
Fractalfract 08 00623 g015
Figure 16. Comparison of the decentralized and the decentralized–decoupled control strategies for the nominal patient.
Figure 16. Comparison of the decentralized and the decentralized–decoupled control strategies for the nominal patient.
Fractalfract 08 00623 g016
Figure 17. Comparison of the decentralized and the decentralized–decoupled control strategies for the nominal patient, focusing on the maintenance phase with surgical stimuli.
Figure 17. Comparison of the decentralized and the decentralized–decoupled control strategies for the nominal patient, focusing on the maintenance phase with surgical stimuli.
Fractalfract 08 00623 g017
Figure 18. Variations in the mean arterial pressure and its effects on other controlled variables, such as BIS and cardiac output. (a) Mean arterial pressure results comparing the decentralized and decoupled control approaches; (b) Propofol dosage changes in response to MAP variation; (c) Bispectral index changes in response to MAP variation; (d) Dopamine dosage changes in response to MAP variation; (e) Cardiac output changes in response to MAP variation.
Figure 18. Variations in the mean arterial pressure and its effects on other controlled variables, such as BIS and cardiac output. (a) Mean arterial pressure results comparing the decentralized and decoupled control approaches; (b) Propofol dosage changes in response to MAP variation; (c) Bispectral index changes in response to MAP variation; (d) Dopamine dosage changes in response to MAP variation; (e) Cardiac output changes in response to MAP variation.
Fractalfract 08 00623 g018
Figure 19. Variations in the mean arterial pressure and its effects on other controlled variables, such as BIS and cardiac output. (a) Cardiac output results comparing the decentralized and decoupled control approaches; (b) Propofol dosage changes in response to MAP variation; (c) Bispectral index changes in response to MAP variation; (d) Sodium nitroprusside dosage changes in response to MAP variation; (e) Mean arterial pressure changes in response to CO variation.
Figure 19. Variations in the mean arterial pressure and its effects on other controlled variables, such as BIS and cardiac output. (a) Cardiac output results comparing the decentralized and decoupled control approaches; (b) Propofol dosage changes in response to MAP variation; (c) Bispectral index changes in response to MAP variation; (d) Sodium nitroprusside dosage changes in response to MAP variation; (e) Mean arterial pressure changes in response to CO variation.
Fractalfract 08 00623 g019
Figure 20. Anesthetic–hemodynamic group switching between the induction and maintenance phases. (a) Maintenance trigger points of the controlled effects; (b) Grouped maintenance trigger points; (c) Bispectral index result as per the switching; (d) Richmond Agitation Sedation Scale result as per the switching; (e) Cardiac output result as per the switching; (f) Mean arterial pressure result as per the switching.
Figure 20. Anesthetic–hemodynamic group switching between the induction and maintenance phases. (a) Maintenance trigger points of the controlled effects; (b) Grouped maintenance trigger points; (c) Bispectral index result as per the switching; (d) Richmond Agitation Sedation Scale result as per the switching; (e) Cardiac output result as per the switching; (f) Mean arterial pressure result as per the switching.
Fractalfract 08 00623 g020
Figure 21. Synchronization logic of the induction and maintenance control signals on BIS. (a) Calculated errors of the bispectral index as per the synchronization logic; (b) The generated respective propofol control signals for the calculated errors.
Figure 21. Synchronization logic of the induction and maintenance control signals on BIS. (a) Calculated errors of the bispectral index as per the synchronization logic; (b) The generated respective propofol control signals for the calculated errors.
Fractalfract 08 00623 g021
Figure 22. Synchronization logic of the induction and maintenance control signals on BIS targeted to the switching point. (a) Calculated errors of the bispectral index as per the synchronization logic highlighting the switching point of the control logic; (b) The generated respective propofol control signals for the calculated errors highlighting the switching point of the control logic.
Figure 22. Synchronization logic of the induction and maintenance control signals on BIS targeted to the switching point. (a) Calculated errors of the bispectral index as per the synchronization logic highlighting the switching point of the control logic; (b) The generated respective propofol control signals for the calculated errors highlighting the switching point of the control logic.
Fractalfract 08 00623 g022
Figure 23. Input dosages for all patients, including the induction and maintenance phases, using the decentralized–decoupled control strategy.
Figure 23. Input dosages for all patients, including the induction and maintenance phases, using the decentralized–decoupled control strategy.
Fractalfract 08 00623 g023
Figure 24. Outputs for all patients, including the induction and maintenance phases, using the decentralized–decoupled control strategy.
Figure 24. Outputs for all patients, including the induction and maintenance phases, using the decentralized–decoupled control strategy.
Fractalfract 08 00623 g024
Table 1. Richmond agitation and sedation scale [21].
Table 1. Richmond agitation and sedation scale [21].
ScoreClassificationRASS
+4Combative Overtly combative or violent; immediate danger to staff
+3Very agitated Pulls on or removes tube(s) or catheter(s) or has aggressive behavior toward staff
+2AgitatedFrequent non-purposeful movement or patient-ventilator dyssynchrony
+1RestlessAnxious or apprehensive but movements not aggressive or vigorous
0Alert and calmSpontaneously pays attention to caregiver
−1DrowsyNot fully alert, but has sustained (more than 10 s) awakening, with eye contact, to voice
−2Light sedationBriefly (less than 10 s) awakens with eye contact to voice
−3Moderate sedationAny movement (but no eye contact) to voice
−4Deep sedationNo response to voice, but any movement to physical stimulation
−5UnarousableNo response to voice or physical stimulation
Table 2. Patient characteristics from the database of [8].
Table 2. Patient characteristics from the database of [8].
IndexAge (Years)Height (cm)Weight (kg)
17416488
26716169
375176101
46917397
54517164
65718280
77415555
87117278
96517677
107219273
116916884
126019092
136117781
145417386
157117283
1653186114
1772162167
186118293
197016777
206915881
216915881
226016585
237017369
245618699
Table 3. Maximum dosage of anesthetic substances.
Table 3. Maximum dosage of anesthetic substances.
SubstanceMaximum Allowed Dosage for Adult Patients up to 55 Years Old
InductionMaintenance
Propofol2.5 mg/kg IV titrated to 40 mg every 10 s until onset of induction 150 to 200 ug/kg/min IV for the first 10 to 15 min; then decreased by 30% to 50% during the first 30 min of maintenance
Remifentanil1 ug/kg/min for 30 to 60 s 0.4 ug/kg/min (range 0.1 to 2 micrograms/kg/min)
Dopamine10 ug/kg/min50 ug/kg/min
SNP0.3 ug/kg/min, but the dose can be adjusted up to 10 ug/kg/min in major cases0.3 ug/kg/min, but the dose can be adjusted up to 10 ug/kg/min in major cases
Atracurium0.6 mg/kg (bolus injection)13 ug/kg/min (can be adjusted up to 29.5 ug/kg/min if patient does not respond to initial dose—major cases only)
Table 4. Maintenance phase controllers and their specifications.
Table 4. Maintenance phase controllers and their specifications.
Maintenance ControllerPhase Margin (°)Gain Crossover Frequency (rad/s)Iso-Damping Property
C B I S = 0.0053 1 + 0.0532 s 1.04 620.0344Yes
C R A S S = 0.6324 1 + 0.0511 s 1.05 + 0.9544 s 0.56 800.035Yes
C C O = 0.1639 1 + 0.0026 s 1.06 + 2.99 s 0.52 850.035Yes
C M A P = 0.0207 1 + 0.0078 s 1.08 + 1.012 s 0.45 800.0056Yes
Table 5. Maintenance phase statistics for all patients considering the BIS signal and the decentralized control strategy.
Table 5. Maintenance phase statistics for all patients considering the BIS signal and the decentralized control strategy.
PatientTTd (s)BIS-APEX (−)BIS-NADIR (−)IAEISE
18.8454.4442.682131.304779.04
210.0154.5042.452085.754937.93
38.3454.4042.812152.674705.47
48.5254.4242.772150.944749.86
59.3554.5042.562121.714938.03
68.8054.4542.702146.544824.06
711.3054.5142.332041.624990.55
89.3054.4742.562113.264862.07
99.1554.4742.602124.524853.06
108.9854.4542.642128.604810.74
118.9654.4542.652129.824811.59
128.5754.4342.762159.054788.52
138.9854.4642.652136.214841.53
148.8454.4542.692148.164841.53
159.1254.4642.612123.484835.26
167.8654.3742.972178.874673.45
178.8954.4442.672129.864790.05
188.6254.4342.742155.184792.19
199.4354.4842.542108.224874.33
209.1454.4642.612122.244840.19
219.0854.4642.622120.114820.87
228.9754.4642.652135.624839.64
239.6654.4842.502098.834895.67
248.4154.4242.802167.784777.69
Table 6. Maintenance phase statistics for all patients considering the BIS signal and the decoupled control strategy.
Table 6. Maintenance phase statistics for all patients considering the BIS signal and the decoupled control strategy.
PatientTTd (s)BIS-APEX (−)BIS-NADIR (−)IAEISE
115.9954.7641.811930.325485.78
216.9355.2141.521919.115946.71
315.3554.4741.951961.115300.62
415.5754.4741.901958.685383.04
516.1154.6041.661997.115813.15
615.7454.4641.821972.335530.08
717.4555.8441.411908.286222.47
816.4755.0041.671914.735703.61
916.2254.7441.711940.445655.61
1016.1254.8141.771926.095552.35
1116.0754.7241.771937.395559.01
1215.4454.4741.891973.275436.17
1315.9854.5541.761956.655597.07
1415.7454.4841.811977.465554.66
1516.2654.8741.731921.955615.70
1613.7654.4642.122022.455204.02
1716.0254.7441.791933.645515.75
1815.5654.4741.871969.235453.10
1916.5655.0341.651916.675749.32
2016.2654.8441.721928.935636.02
2116.2054.7941.731934.585606.44
2215.9654.5341.761959.555590.70
2316.7455.1341.601913.515825.95
2415.1354.4641.941987.805397.91
Table 7. Decentralized and decoupled comparison of mean arterial pressure variation on BIS.
Table 7. Decentralized and decoupled comparison of mean arterial pressure variation on BIS.
StrategyTTd (s)BIS-APEX (−)BIS-NADIR (−)IAEISE
Decentralized190.1451.2936.203044.0817,898.45
Decoupled9.3052.9143.13836.661097.91
Table 8. Decentralized and decoupled comparison of cardiac output variation on BIS.
Table 8. Decentralized and decoupled comparison of cardiac output variation on BIS.
StrategyTTd (s)BIS-APEX (−)BIS-NADIR (−)IAEISE
Decentralized34.7759.0348.48792.282861.13
Decoupled17.4961.0845.56466.071905.81
Disclaimer/Publisher’s Note: The statements, opinions and data contained in all publications are solely those of the individual author(s) and contributor(s) and not of MDPI and/or the editor(s). MDPI and/or the editor(s) disclaim responsibility for any injury to people or property resulting from any ideas, methods, instructions or products referred to in the content.

Share and Cite

MDPI and ACS Style

Hegedüs, E.T.; Birs, I.R.; Ionescu, C.M.; Muresan, C.I. A Novel Decentralized–Decoupled Fractional-Order Control Strategy for Complete Anesthesia–Hemodynamic Stabilization in Patients Undergoing Surgical Procedures. Fractal Fract. 2024, 8, 623. https://doi.org/10.3390/fractalfract8110623

AMA Style

Hegedüs ET, Birs IR, Ionescu CM, Muresan CI. A Novel Decentralized–Decoupled Fractional-Order Control Strategy for Complete Anesthesia–Hemodynamic Stabilization in Patients Undergoing Surgical Procedures. Fractal and Fractional. 2024; 8(11):623. https://doi.org/10.3390/fractalfract8110623

Chicago/Turabian Style

Hegedüs, Erwin T., Isabela R. Birs, Clara M. Ionescu, and Cristina I. Muresan. 2024. "A Novel Decentralized–Decoupled Fractional-Order Control Strategy for Complete Anesthesia–Hemodynamic Stabilization in Patients Undergoing Surgical Procedures" Fractal and Fractional 8, no. 11: 623. https://doi.org/10.3390/fractalfract8110623

APA Style

Hegedüs, E. T., Birs, I. R., Ionescu, C. M., & Muresan, C. I. (2024). A Novel Decentralized–Decoupled Fractional-Order Control Strategy for Complete Anesthesia–Hemodynamic Stabilization in Patients Undergoing Surgical Procedures. Fractal and Fractional, 8(11), 623. https://doi.org/10.3390/fractalfract8110623

Article Metrics

Back to TopTop