Mechanical Properties and Chloride Penetration Resistance of Copper Slag Aggregate Concrete
Abstract
:1. Introduction
2. Experimental Section
2.1. Materials
2.2. Mix Design
- Substitution rate of copper slag;
- Water cement ratio;
- Water reducing agent.
2.3. Specimen Preparation
2.4. Test Process
2.5. Test Methods
3. Results and Discussion
3.1. Mix Analysis
3.2. Corrosion Potential Analysis
- Ascent stage: From 0 to 8 d, the Ecorr of steel bars in the NAC concrete slightly rose in the initial phase of electromigration because the initial density of NAC was small; therefore, there were a lot of pores and microcracks. Corrosion products filled in the initial defects, and the compactness of the NAC concrete was accordingly improved.
- Descent stage: From 8 d to 20 d, Ecorr began to rapidly decline. The Ecorr value of NAC-1 started to fall below −276 mV (relative to saturated calomel electrode) at 16 d. The Ecorr value of NAC-2 started to fall below −276 mV (relative to saturated calomel electrode) at 18 d. According to the recommended standard of ASTMC876, the corrosion probability of the steel bar was 90% at this time.
- Stabilization stage: From 20 d to 26 d of corrosion, Ecorr slightly fluctuated and remained stable. At this stage, the reinforcement began to rust, and the categories and quantities of corrosion products increased, which positively affected the compactness.
- Rapid descent stage: After 26 d, Ecorr again rapidly descended; at 34 d, Ecorr had descended to close to −700 mV. At this stage, with the increase in corrosion time, the reinforcement corrosion in the NAC concrete was severe.
- Ascent stage: During the initial stage (0–8 d) of the CSAC concrete, Ecorr slightly increased, though the trend was insignificant. The initial compactness of CSAC was greater than that of NAC, and the filling effect of corrosion products was not apparent.
- Descent stage: From 8 d~26 d, the Ecorr value steadily declined. At about 22 d, the Ecorr of CSAC began to be lower than −276 mV (relative to saturated calomel electrode), at which time the corrosion probability of steel bar was 90%. At this stage, the reinforcement in the CSAC concrete gradually corroded, but the corrosion process was gentler than that in NAC because of the high initial compactness of concrete.
- Rapid descent stage: From 26 d to 34 d, Ecorr rapidly declined, reaching about −450 on day 34. The concrete at this stage began to significantly rust.
3.3. Electrochemical Impedance Spectroscopy Analysis
4. Microscopic Mechanism Analysis
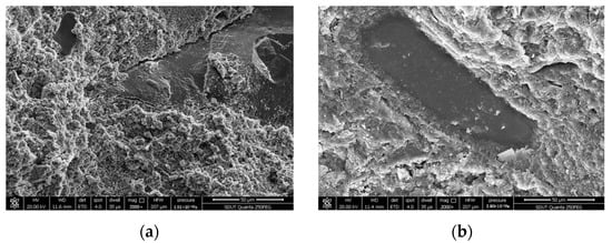
4.1. Microscopic Morphology Analysis
4.2. Analysis of Toughening Mechanism
4.3. FRACTAL Characteristics of SEM
5. Conclusions
- The highest compressive strength of concrete was reached when a fine natural aggregate was replaced with 40% copper slag. The influence of the water–cement ratio on the compressive strength of concrete was found to be significant. When the water–cement ratio exceeded the threshold, the compressive strength decreased. The effect of the water-reducing agent on the compressive strength of CSAC was not found to be significant.
- The rebar corrosion of CSAC over 0–7 d was less than that in NAC, and the rebar deterioration in CSAC was more significant than that in NAC over 7 d~18 d. After 18 days, the rebar corrosion in NAC was greater than that in CSAC. The addition of copper slag could be used to improve the concrete’s chloride ion erosion resistance.
- A comparison of NAC and CSAC Nyquist curves after electromigration for 34 days showed that the initial compactness of CSAC was greater than that of NAC. CSAC had a stronger corrosion resistance than NAC; therefore, copper slag aggregate concrete could be beneficial in improving the corrosion resistance of embedded steel bars.
- The box dimension method was used to calculate the fractal dimension of damage caused to the concrete section. The fractal dimension of the SEM section of the copper slag aggregate concrete was shown to be smaller than that of the natural aggregate concrete, indicating that the addition of a copper slag aggregate could promote decreases in the initial damage to the internal sections of concrete.
Author Contributions
Funding
Institutional Review Board Statement
Informed Consent Statement
Data Availability Statement
Conflicts of Interest
References
- Yasser, S.; Iman, A.; Saman, A.A.; Farhad, A. Environmental protection by using waste copper slag as a coarse aggregate in self-compacting concrete. J. Environ. Manag. 2020, 271, 111013. [Google Scholar]
- Mithun, B.M.; Narasimhan, M.C. Performance of alkali activated slag concrete mixes incorporating copper slag as fine aggregate. J. Clean. Prod. 2015, 10, 7–18. [Google Scholar] [CrossRef] [Green Version]
- Tina, C.P.; Pritam, S.; Aleksandar, N.N. The potential for copper slag waste as a resource for a circular economy: A review—Part II. Miner. Eng. 2021, 172, 107150. [Google Scholar]
- Khalifa, S.A.; Makoto, H.; Salem, K.A.; Abdullah, H.A. Copper slag as sand replacement for high performance concrete. Cem. Concr. Compos. 2009, 31, 483–488. [Google Scholar]
- Sharma, R.; Khan, R.A. Influence of copper slag and metakaolin on the durability of self-compacting concrete. J. Clean. Prod. 2018, 171, 1171–1186. [Google Scholar] [CrossRef]
- Ali, R.L.; Abolfazl, H.; Reza, S. Investigating the mechanical and hydraulic characteristics of pervious concrete containing copper slag as coarse aggregate. Constr. Build. Mater. 2019, 197, 130–142. [Google Scholar]
- Zhou, Y.Q.; Liu, W.W. Application of granulated copper slag in massive concrete under saline soil environment. Constr. Build. Mater. 2021, 266, 121165. [Google Scholar] [CrossRef]
- Mostafa, K.; Ali, B. Mechanical properties of high-strength concrete incorporating copper slag as coarse aggregate. Constr. Build. Mater. 2009, 23, 2183–2188. [Google Scholar]
- Chithra, S.; Kumar, S.S.; Chinnaraju, K. The effect of Colloidal Nano-silica on workability, mechanical and durability properties of High Performance Concrete with Copper slag as partial fine aggregate. Constr. Build. Mater. 2016, 113, 794–804. [Google Scholar] [CrossRef]
- Ismael, J.R.; Mark, T.H.; Wil, V.S. Influence of copper-impregnated basic oxygen furnace slag on the fresh-and hardened-state properties of antimicrobial mortars. Cem. Concr. Compos. 2021, 121, 104059. [Google Scholar]
- Seyed, M.R.A.E.; Seyed, A.Z.; Morteza, M.; Farshad, A.; Jamal, R.; Ramezan, A.T. Mechanical and gamma-ray shielding properties and environmental benefits of concrete incorporating GGBFS and copper slag. J. Build. Eng. 2021, 33, 101615. [Google Scholar]
- Khalifa, S.A.; Abdullah, H.; Al-Saidy, R.T. Effect of copper slag as a fine aggregate on the properties of cement mortars and concrete. Constr. Build. Mater. 2011, 25, 933–938. [Google Scholar]
- Maria, M. Mechanical Properties and Durability of Concrete with Water Cooled Copper Slag Aggregate. Waste Biomass Valor 2017, 8, 1841–1854. [Google Scholar]
- Prem, P.R.; Verma, M.; Ambily, P.S. Sustainable cleaner production of concrete with high volume copper slag. J. Clean. Prod. 2018, 193, 43–58. [Google Scholar] [CrossRef]
- Swetapadma, P.; Nikhil, P.Z.; Pradip, S.; Robin, D. Variability of waste copper slag concrete and its effect on the seismic safety of reinforced concrete building: A case study. Front. Struct. Civ. Eng. 2022, 16, 117–130. [Google Scholar]
- Rahul, S.; Rizwan, A.K. Durability assessment of self compacting concrete incorporating copper slag as fine aggregates. Constr. Build. Mater. 2017, 155, 617–629. [Google Scholar]
- Nevy, S.; Keiyu, K.; Isao, U. Influence of copper slag on corrosion behavior of horizontal steel bars in reinforced concrete column specimen due to Chloride-induced corrosion. Constr. Build. Mater. 2020, 255, 119265. [Google Scholar]
- GB/T 14684-2011; Sand for Construction. Standards Press of China: Beijing, China, 2011. (In Chinese)
- GB/T14685-2001; Construction Pebbles and Gravels. Standards Press of China: Beijing, China, 2001. (In Chinese)
- JGJ 52-2006; Quality and Test Method Standard of Ordinary Concrete’ Sand and Gazvel. China Architecture & Building Press: Beijing, China, 2006.
- Wang, R.B.J.; Shi, Q.; Li, Y.; Cao, Z.L.; Si, Z. A critical review on the use of copper slag (CS) as a substitute constituent in concrete. Constr. Build. Mater. 2021, 292, 123371. [Google Scholar] [CrossRef]
- GB/T 50081-2002; Standard for Test Method of Mechanical Properties on Ordinary Concrete. China Architecture & Building Press: Beijing, China, 2003. (In Chinese)
- GB/T 50082-2009; Standard for Test Methods of Long-Term Performance and Durability of Ordinary Concrete. China Architecture & Building Press: Beijing, China, 2009; pp. 64–66. (In Chinese)
- Wu, W.; Zhang, W.; Ma, G. Mechanical properties of copper slag reinforced concrete under dynamic compression. Constr. Build. Mater. 2010, 24, 910–917. [Google Scholar] [CrossRef]
- Nikita, G.; Rafat, S. Strength and micro-structural properties of self-compacting concrete incorporating copper slag. Constr. Build. Mater. 2019, 224, 894–908. [Google Scholar]
- Farshad, A.; de Brito, J.; Morteza, M.; Ramezan, A.T. Steel fibre-reinforced high-strength concrete incorporating copper slag: Mechanical, gamma-ray shielding, impact resistance, and microstructural characteristics. J. Build. Eng. 2020, 29, 101118. [Google Scholar]
- Shirdam, R.; Amini, M.; Bakhshi, N. Investigating the Effects of Copper Slag and Silica Fume on Durability, Strength, and Workability of Concrete. Int. J. Environ. Res. 2019, 13, 909–924. [Google Scholar] [CrossRef]
- dos Anjos, M.A.G.; Sales, A.T.C.; Andrade, N. Blasted copper slag as fine aggregate in Portland cement concrete. J. Environ. Manag. 2017, 196, 607–613. [Google Scholar] [CrossRef]
- Wu, W.; Zhang, W.D.; Ma, G.W. Optimum content of copper slag as a fine aggregate in high strength concrete. Mater. Des. 2010, 31, 2878–2883. [Google Scholar] [CrossRef]
- Sreenivasulu, C.; Jawahar, J.G.; Sashidhar, C. Effect of Copper Slag on Micro, Macro, and Flexural Characteristics of Geopolymer Concrete. J. Mater. Civ. Eng. 2020, 32, 04020086. [Google Scholar] [CrossRef]
- Sharma, R.; Khan, R.A. Sulfate resistance of self compacting concrete incorporating copper slag as fine aggregates with mineral admixtures. Constr. Build. Mater. 2021, 287, 122985. [Google Scholar] [CrossRef]
- Elsharief, A.; Cohen, M.D.; Olek, J. Influence of aggregate size, water cement ratio and age on the microstructure of the interfacial transition zone. Cem. Concr. Res. 2003, 33, 1837–1849. [Google Scholar] [CrossRef]
- Tan, L.H.; Zhou, Z.L.; Cai, X.; Rui, Y.C. Analysis of mechanical behaviour and fracture interaction of multi-hole rock mass with DIC measurement. Measurement 2022, 191, 110794. [Google Scholar] [CrossRef]
- Chu, F.J.; Liu, D.W.; Zhang, X.J.; Yu, H.; Zhu, G.L. Dynamic Response and Damage Regularity of Sandstone with Different Moisture States under Cyclic Loading. Fractal Fract. 2022, 6, 6040226. [Google Scholar] [CrossRef]
- Tan, L.H.; Ren, T.; Dou, L.M.; Yang, X.H.; Qiao, M.; Peng, H.D. Analytical stress solution and mechanical properties for rock mass containing a hole with complex shape. Theor. Appl. Fract. Mech. 2021, 114, 103002. [Google Scholar] [CrossRef]
- Xiao, J.; Qu, W.J.; Jiang, H.B.; Dong, W.K. Three-Dimensional Fractal Characterization of Concrete Surface Subjected to Sulfuric Acid Attacks. J. Nondestruct. Eval. 2020, 39, 57. [Google Scholar] [CrossRef]
- Li, W.X.; Xie, Y.J.; Ma, K.L.; Long, G.C.; Li, N.; Zhao, H. The properties and mesco/microstructure characteristics of interfacial zone between precast concrete and self-compacting concrete. Constr. Build. Mater. 2021, 297, 123753. [Google Scholar] [CrossRef]
- Liu, P.; Chen, Y.; Sha, F.; Yu, Z.; Shao, G. Study on micro structure and composition distribution of concrete surface zone based on fractal theory and XCT technology. Constr. Build. Mater. 2020, 263, 120209. [Google Scholar] [CrossRef]
- Tan, L.H.; Ren, T.; Dou, L.M.; Cai, X.; Yang, X.H.; Zhou, Q.L. Dynamic response and fracture evolution of marble specimens containing rectangular cavities subjected to dynamic loading. Bull. Eng. Geol. Environ. 2021, 80, 7701–7716. [Google Scholar] [CrossRef]
- Zhang, L.; Dang, F.N.; Dang, F.N.; Ding, W.H.; Zhu, L. Quantitative study of meso-damage process on concrete by CT technology and improved differential box counting method. Measurement 2020, 160, 107832. [Google Scholar] [CrossRef]
- Sheng, Y.; Ding, H.; Yang, L. Generation and evaluation of aggregate section using the fractal dimension. Case Stud. Constr. Mater. 2019, 11, e00255. [Google Scholar]
- Shang, X.Y.; Yang, J.W.; Wang, S.M.; Zhang, M.Z. Fractal analysis of 2D and 3D mesocracks in recycled aggregate concrete using X-ray computed tomography images. J. Clean. Prod. 2021, 304, 127083. [Google Scholar] [CrossRef]













| Index | Result |
|---|---|
| Unit weight (kg/m3) | 1270 |
| Specific surface area (g/cm3) | 3850 |
| Solid density (g/cm3) | 3.14 |
| Poriness % | 83.71 |
| Moisture content % | 0.41 |
| Fineness % | 7.2 |
| Initial setting time min | ≥45 |
| Final setting time h | ≤12 |
| Index | Fineness Modulus | Performance Density (g/cm3) | Stacking Density (g/cm3) | Water Absorption (%) | Poriness (%) |
|---|---|---|---|---|---|
| Technical standard | >2.5 | >1.35 | >3.0 | <1.0 | <47 |
| Testing result | 2.83 | 2.68 | 3.36 | 0.79 | 42.33 |
| Index | Performance Density (g/cm3) | Stacking Density (g/cm3) | Water Absorption (%) | Silt Content (%) | Poriness (%) |
|---|---|---|---|---|---|
| Technical standard | >2.5 | >1.35 | <1.0 | <0.5 | <47 |
| Testing result | 2.68 | 1.60 | 0.62 | 0.34 | 45.2 |
| Element | SiO2 | MgO | SO3 | CaO | CuO | Fe2O3 | Al2O3 | Total |
|---|---|---|---|---|---|---|---|---|
| Percentage | 47.92 | 11.14 | 2.25 | 13.58 | 2.44 | 12.74 | 9.21 | 99.28 |
| Properties | Value | Standard |
|---|---|---|
| Water absorption (%) | 0.46 | ASTM C127 |
| Hardness (mohs) | 6–7 | / |
| Bulk density (kg/m3) | 1850 | ASTM C29 |
| Specific gravity | 3.57 | ASTM C127 |
| Fineness modulus | 2.8 | / |
| Free water content (%) | <0.5 | / |
| Level | A-Substitution Rate of Copper Slag (%) | B-Water Cement Ratio | C-Dosage of Water Reducing Agent (%) |
|---|---|---|---|
| 1 | 0 | 0.3 | 0 |
| 2 | 15 | 0.35 | 0.5 |
| 3 | 30 | 0.4 | 1 |
| 4 | 40 | 0.45 | 1.5 |
| Specimen Number | Cement (kg/m3) | Natural Sand (kg/m3) | Copper Slag | Coarse Aggregate (kg/m3) | Water Cement Ratio | Water Reducer (kg/m3) |
|---|---|---|---|---|---|---|
| 1 | 380 | 872 | 0 | 1027 | 0.3 | 0 |
| 2 | 380 | 872 | 0 | 1027 | 0.35 | 1.9 |
| 3 | 380 | 872 | 0 | 1027 | 0.4 | 3.8 |
| 4 | 380 | 872 | 0 | 1027 | 0.45 | 5.7 |
| 5 | 380 | 741.2 | 130.8 | 1027 | 0.3 | 1.9 |
| 6 | 380 | 741.2 | 130.8 | 1027 | 0.35 | 0 |
| 7 | 380 | 741.2 | 130.8 | 1027 | 0.4 | 5.7 |
| 8 | 380 | 741.2 | 130.8 | 1027 | 0.45 | 3.8 |
| 9 | 380 | 610.4 | 261.6 | 1027 | 0.3 | 3.8 |
| 10 | 380 | 610.4 | 261.6 | 1027 | 0.35 | 5.7 |
| 11 | 380 | 610.4 | 261.6 | 1027 | 0.4 | 0 |
| 12 | 380 | 610.4 | 261.6 | 1027 | 0.45 | 1.9 |
| 13 | 380 | 523.2 | 348.8 | 1027 | 0.3 | 5.7 |
| 14 | 380 | 523.2 | 348.8 | 1027 | 0.35 | 3.8 |
| 15 | 380 | 523.2 | 348.8 | 1027 | 0.4 | 1.9 |
| 16 | 380 | 523.2 | 348.8 | 1027 | 0.45 | 0 |
| Group | 1 | 2 | 3 | 4 | 5 | 6 | 7 | 8 | 9 | 10 | 11 | 12 | 13 | 14 | 15 | 16 |
|---|---|---|---|---|---|---|---|---|---|---|---|---|---|---|---|---|
| Compressive strength (MPa) | 52 | 50 | 49 | 48 | 54 | 52 | 51 | 49 | 56 | 50 | 49 | 49 | 55 | 54 | 51 | 50 |
| Serial Number | A | B | C |
|---|---|---|---|
| Ⅰ1 | 200.1 | 219 | 204.7 |
| Ⅱ2 | 208.7 | 208.2 | 206.7 |
| Ⅲ3 | 206.4 | 202.3 | 210.6 |
| Ⅳ4 | 212.5 | 198.2 | 205.7 |
| K | 4 | 4 | 4 |
| Ⅰ1/K | 50.01 | 54.76 | 51.19 |
| Ⅱ2/K | 52.17 | 52.05 | 51.66 |
| Ⅲ3/K | 51.6 | 50.57 | 52.65 |
| Ⅳ4/K | 53.14 | 49.54 | 51.42 |
| Range | 200.1 | 219 | 204.7 |
| Variance Source | Type III Sum of Squares | Degree of Freedom | Mean Square | F-Value | Sig. |
|---|---|---|---|---|---|
| A | 1007.202 | 3 | 335.734 | 5.002 | 0.045 |
| B | 3018.419 | 3 | 1006.140 | 14.990 | 0.003 |
| C | 241.336 | 3 | 80.445 | 1.198 | 0.387 |
| Materials | Cement | Fine Aggregate | Copper Slag | Coarse Aggregate | Water | Water Reducing Agent |
|---|---|---|---|---|---|---|
| NAC | 380 | 872 | 0 | 1027 | 114 | 3.8 |
| CSAC | 380 | 523.2 | 348.8 | 1027 | 114 | 3.8 |
| Species | Binarization Threshold | Fractal Dimension | R2 |
|---|---|---|---|
| NAC-10,000 | 0.459 | 1.830 | 0.996 |
| CSAC-10,000 | 0.388 | 1.663 | 0.999 |
| NAC-20,000 | 0.412 | 1.811 | 0.999 |
| CSAC-20,000 | 0.433 | 1.746 | 0.998 |
Publisher’s Note: MDPI stays neutral with regard to jurisdictional claims in published maps and institutional affiliations. |
© 2022 by the authors. Licensee MDPI, Basel, Switzerland. This article is an open access article distributed under the terms and conditions of the Creative Commons Attribution (CC BY) license (https://creativecommons.org/licenses/by/4.0/).
Share and Cite
Zhang, L.; Gong, H.; Liu, J.; Li, H. Mechanical Properties and Chloride Penetration Resistance of Copper Slag Aggregate Concrete. Fractal Fract. 2022, 6, 427. https://doi.org/10.3390/fractalfract6080427
Zhang L, Gong H, Liu J, Li H. Mechanical Properties and Chloride Penetration Resistance of Copper Slag Aggregate Concrete. Fractal and Fractional. 2022; 6(8):427. https://doi.org/10.3390/fractalfract6080427
Chicago/Turabian StyleZhang, Lu, Hongyu Gong, Jianping Liu, and Haizhou Li. 2022. "Mechanical Properties and Chloride Penetration Resistance of Copper Slag Aggregate Concrete" Fractal and Fractional 6, no. 8: 427. https://doi.org/10.3390/fractalfract6080427
APA StyleZhang, L., Gong, H., Liu, J., & Li, H. (2022). Mechanical Properties and Chloride Penetration Resistance of Copper Slag Aggregate Concrete. Fractal and Fractional, 6(8), 427. https://doi.org/10.3390/fractalfract6080427
