A New Variable-Boostable 3D Chaotic System with Hidden and Coexisting Attractors: Dynamical Analysis, Periodic Orbit Coding, Circuit Simulation, and Synchronization
Abstract
1. Introduction
2. New Hidden Chaotic System with Two Stable Equilibria
2.1. Basic Properties of New Chaotic System
2.2. Observation of Chaotic and Complex Dynamics
2.2.1. Fix , and and Vary a
2.2.2. Fix , , and and Vary b
2.2.3. Fix , , and and Vary c
2.2.4. Fix , , and and Vary k
2.2.5. Division of Different Parameters
3. Variational Method
4. Symbolic Encoding of Unstable Periodic Orbits in the Hidden Chaotic Attractor with Six Letters
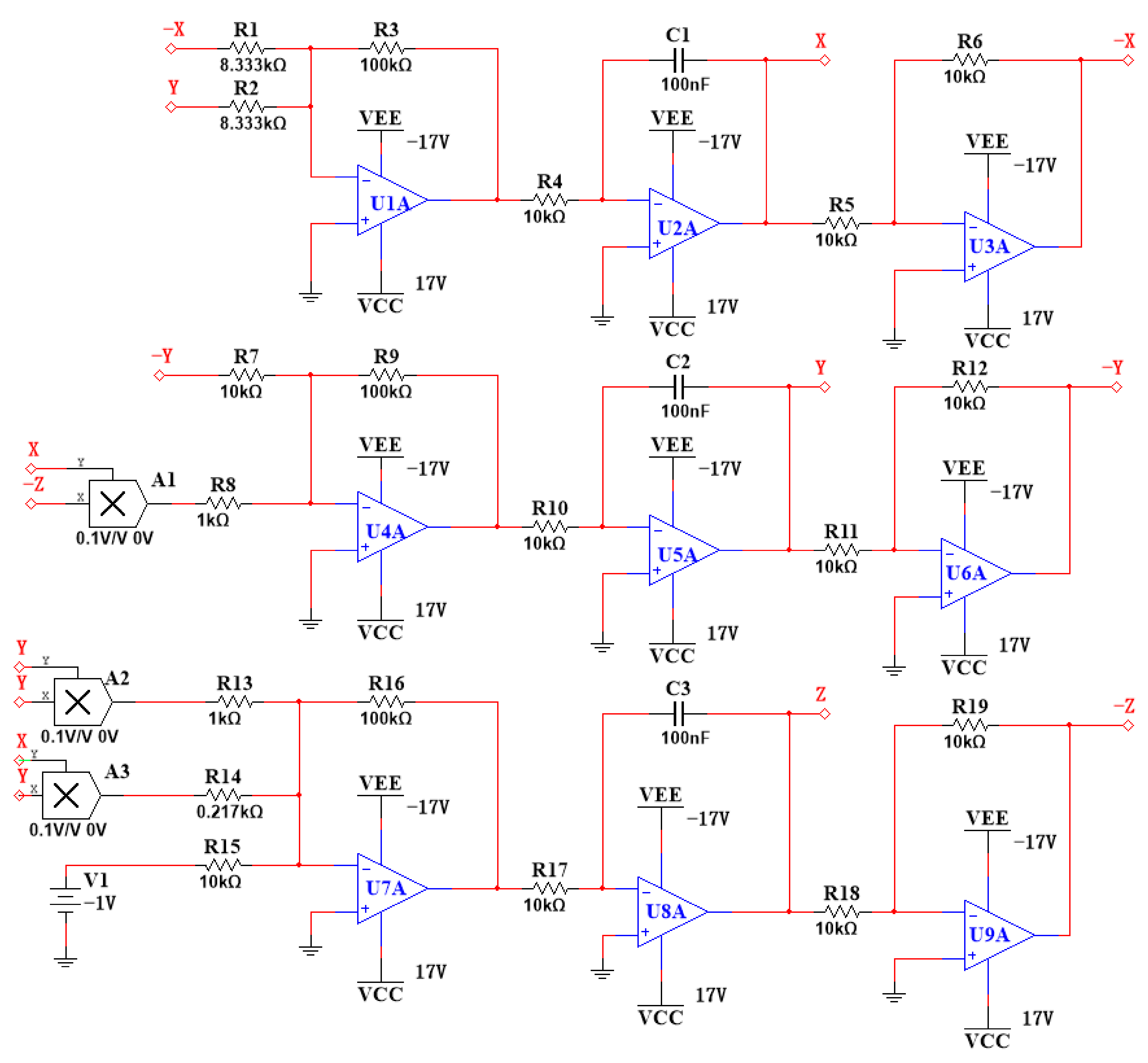
5. Circuitry of Proposed System
6. Offset Boosting Control and Adaptive Synchronization of New System
7. Conclusions
Author Contributions
Funding
Institutional Review Board Statement
Informed Consent Statement
Data Availability Statement
Acknowledgments
Conflicts of Interest
References
- Altan, A.; Karasu, S.; Bekiros, S. Digital currency forecasting with chaotic meta-heuristic bio-inspired signal processing techniques. Chaos Solitons Fractals 2019, 126, 325–336. [Google Scholar] [CrossRef]
- Cvitanović, P.; Artuso, R.; Mainieri, R.; Tanner, G.; Vattay, G. Chaos: Classical and Quantum; Niels Bohr Institute: Copenhagen, Denmark, 2012; pp. 131–133. [Google Scholar]
- Lorenz, E.N. Deterministic nonperiodic flow. J. Atmos. Sci. 1963, 20, 130–141. [Google Scholar] [CrossRef]
- Šhil’nikov, L.P. A case of the existence of a denumerable set of periodic motions. Sov. Math. Dokl. 1965, 6, 163–166. [Google Scholar]
- Chen, G.; Ueta, T. Yet another chaotic attractor. Int. J. Bifurc. Chaos 1999, 9, 1465–1466. [Google Scholar] [CrossRef]
- Qi, G.; Chen, G.; Du, S.; Chen, Z.; Yuan, Z. Analysis of a new chaotic system. Phys. A 2005, 352, 295–308. [Google Scholar] [CrossRef]
- Lü, J.; Chen, G. A new chaotic attractor coined. Int. J. Bifurc. Chaos 2002, 12, 659–661. [Google Scholar] [CrossRef]
- Rössler, O.E. An equation for continuous chaos. Phys. Lett. A 1976, 57, 397–398. [Google Scholar] [CrossRef]
- Leonov, G.A.; Kuznetsov, N.V. Hidden attractors in dynamical systems. From hidden oscillations in Hilbert-Kolmogorov, Aizerman, and Kalman problems to hidden chaotic attractor in Chua circuits. Int. J. Bifurc. Chaos 2013, 23, 1330002. [Google Scholar] [CrossRef]
- Wang, S.; Wang, C.; Xu, C. An image encryption algorithm based on a hidden attractor chaos system and the Knuth-Durstenfeld algorithm. Opt. Lasers Eng. 2020, 128, 105995. [Google Scholar] [CrossRef]
- Khalaf, A.J.M.; Abdolmohammadi, H.R.; Ahmadi, A.; Moysis, L.; Volos, C.; Hussain, I. Extreme multi-stability analysis of a novel 5D chaotic system with hidden attractors, line equilibrium, permutation entropy and its secure communication scheme. Eur. Phys. J. Spec. Top. 2020, 229, 1175–1188. [Google Scholar] [CrossRef]
- Lai, Q.; Wang, Z.; Kuate, P.D.K. Dynamical analysis, FPGA implementation and synchronization for secure communication of new chaotic system with hidden and coexisting attractors. Mod. Phys. Lett. B 2022, 36, 2150538. [Google Scholar] [CrossRef]
- Leonov, G.A.; Kuznetsov, N.V.; Kuznetsova, O.A.; Seledzhi, S.M.; Vagaitsev, V.I. Hidden oscillations in dynamical systems. Trans. Syst. Contr. 2011, 6, 54–67. [Google Scholar]
- Jafari, S.; Pham, V.T.; Kapitaniak, T. Multiscroll chaotic sea obtained from a simple 3D System without equilibrium. Int. J. Bifurc. Chaos 2016, 26, 1650031. [Google Scholar] [CrossRef]
- Pham, V.T.; Jafari, S.; Volos, C.; Wang, X.; Golpayegani, S. Is that really hidden? The presence of complex fixed-points in chaotic flows with no equilibria. Int. J. Bifurc. Chaos 2014, 24, 1450146. [Google Scholar] [CrossRef]
- Jafari, S.; Sprott, J.C.; Golpayegani, S. Elementary quadratic chaotic flows with no equilibria. Phys. Lett. A 2013, 377, 699–702. [Google Scholar] [CrossRef]
- Dong, C.; Wang, J. Hidden and coexisting attractors in a novel 4D hyperchaotic system with no equilibrium point. Fractal Fract. 2022, 6, 306. [Google Scholar] [CrossRef]
- Wang, X.; Chen, G. A chaotic system with only one stable equilibrium.Commun. Nonlinear Sci. Numer. Simul. 2012, 17, 1264–1272. [Google Scholar] [CrossRef]
- Bao, B.; Li, Q.; Wang, N.; Xu, Q. Multistability in Chua’s circuit with two stable node-foci. Chaos 2016, 26, 043111. [Google Scholar] [CrossRef]
- Molaie, M.; Jafari, S.; Sprott, J.C.; Golpayegani, S. Simple chaotic flows with one stable equilibrium. Int. J. Bifurc. Chaos 2013, 23, 1350188. [Google Scholar] [CrossRef]
- Wang, X.; Chen, G. Constructing a chaotic system with any number of equilibria. Nonlinear Dyn. 2013, 71, 429–436. [Google Scholar] [CrossRef]
- Gotthans, T.; Petržela, J. New class of chaotic systems with circular equilibrium. Nonlinear Dyn. 2015, 81, 1143–1149. [Google Scholar] [CrossRef]
- Feng, Y.; Rajagopal, K.; Khalaf, A.J.M.; Alsaadi, F.E.; Alsaadi, F.E.; Pham, V.T. A new hidden attractor hyperchaotic memristor oscillator with a line of equilibria. Eur. Phys. J. Spec. Top. 2020, 229, 1279–1288. [Google Scholar] [CrossRef]
- Zhang, X.; Wang, C. Multiscroll hyperchaotic system with hidden attractors and its circuit implementation. Int. J. Bifurc. Chaos 2019, 29, 1950117. [Google Scholar] [CrossRef]
- Bao, J.; Chen, D. Coexisting hidden attractors in a 4D segmented disc dynamo with one stable equilibrium or a line equilibrium. Chin. Phys. B 2017, 26, 080201. [Google Scholar] [CrossRef]
- Jafari, S.; Sprott, J.C. Simple chaotic flows with a line equilibrium. Chaos Solitons Fractals 2013, 57, 79–84. [Google Scholar] [CrossRef]
- Dong, C. Dynamics, periodic orbit analysis, and circuit implementation of a new chaotic system with hidden attractor. Fractal Fract. 2022, 6, 190. [Google Scholar] [CrossRef]
- Cang, S.; Li, Y.; Zhang, R.; Wang, Z. Hidden and self-excited coexisting attractors in a Lorenz-like system with two equilibrium points. Nonlinear Dyn. 2019, 95, 381–390. [Google Scholar] [CrossRef]
- Wei, Z. Dynamical behaviors of a chaotic system with no equilibria. Phys. Lett. A 2011, 376, 102–108. [Google Scholar] [CrossRef]
- Pham, V.T.; Volos, C.; Jafari, S.; Wei, Z.; Wang, X. Constructing a novel no-equilibrium chaotic system. Int. J. Bifurc. Chaos 2014, 24, 1450073. [Google Scholar] [CrossRef]
- Huang, L.; Wang, Y.; Jiang, Y.; Lei, T. A novel memristor chaotic system with a hidden attractor and multistability and its implementation in a circuit. Math. Probl. Eng. 2021, 2021, 7457220. [Google Scholar] [CrossRef]
- Jafari, S.; Ahmadi, A.; Khalaf, A.J.M.; Abdolmohammadi, H.R.; Pham, V.T.; Alsaadi, F.E. A new hidden chaotic attractor with extreme multi-stability. AEU-Int. J. Electron. Commun. 2018, 89, 131–135. [Google Scholar] [CrossRef]
- Goufo, E.F.D. On chaotic models with hidden attractors in fractional calculus above power law. Chaos Solitons Fractals 2019, 127, 24–30. [Google Scholar] [CrossRef]
- Cui, L.; Lu, M.; Ou, Q.; Duan, H.; Luo, W. Analysis and circuit implementation of fractional order multi-wing hidden attractors. Chaos Solitons Fractals 2020, 138, 109894. [Google Scholar] [CrossRef]
- Clemente-López, D.; Tlelo-Cuautle, E.; de la Fraga, L.G.; de Jesús Rangel-Magdaleno, J.; Munoz-Pacheco, J.M. Poincaré maps for detecting chaos in fractional-order systems with hidden attractors for its Kaplan-Yorke dimension optimization. AIMS Math. 2022, 7, 5871–5894. [Google Scholar] [CrossRef]
- Almatroud, A.O.; Matouk, A.E.; Mohammed, W.W.; Iqbal, N.; Alshammari, S. Self-excited and hidden chaotic attractors in Matouk’s hyperchaotic systems. Discret. Dyn. Nat. Soc. 2022, 2022, 1–14. [Google Scholar] [CrossRef]
- Yuan, F.; Wang, G.; Wang, X. Extreme multistability in a memristor-based multi-scroll hyper-chaotic system. Chaos 2016, 26, 073107. [Google Scholar] [CrossRef]
- Bao, B.; Bao, H.; Wang, N.; Chen, M.; Xu, Q. Hidden extreme multistability in memristive hyperchaotic system. Chaos Solitons Fractals 2017, 94, 102–111. [Google Scholar] [CrossRef]
- Wang, L.; Zhang, S.; Zeng, Y.; Li, Z. Generating hidden extreme multistability in memristive chaotic oscillator via micro-perturbation. Electron. Lett. 2018, 54, 808–810. [Google Scholar] [CrossRef]
- Mezatio, B.A.; Motchongom, M.T.; Tekam, B.R.W.; Kengne, R.; Tchitnga, R.; Fomethe, A. A novel memristive 6D hyperchaotic autonomous system with hidden extreme multistability. Chaos Solitons Fractals 2019, 120, 100–115. [Google Scholar] [CrossRef]
- Wang, Z.; Sun, W.; Wei, Z.; Zhang, S. Dynamics and delayed feedback control for a 3D jerk system with hidden attractor. Nonlinear Dyn. 2015, 82, 577–588. [Google Scholar] [CrossRef]
- Li, P.; Zheng, T.; Li, C.; Wang, X.; Hu, W. A unique jerk system with hidden chaotic oscillation. Nonlinear Dyn. 2016, 86, 197–203. [Google Scholar] [CrossRef]
- Bao, B.; Jiang, T.; Wang, G.; Jin, P.; Bao, H.; Chen, M. Two-memristor-based Chua’s hyperchaotic circuit with plane equilibrium and its extreme multistability. Nonlinear Dyn. 2017, 89, 1157–1171. [Google Scholar] [CrossRef]
- Singh, J.P.; Roy, B.K.; Jafari, S. New family of 4-D hyperchaotic and chaotic systems with quadric surfaces of equilibria. Chaos Solitons Fractals 2018, 106, 243–257. [Google Scholar] [CrossRef]
- Lin, Y.; Wang, C.; Xu, H. Grid multi-scroll chaotic attractors in hybrid image encryption algorithm based on current conveyor. Acta Phys. Sin. 2012, 61, 240503. [Google Scholar] [CrossRef]
- Sprott, J.C.; Li, C. Asymmetric bistability in the Rössler system. Acta Phys. Pol. B 2017, 48, 97. [Google Scholar] [CrossRef]
- Li, C.; Sprott, J.C.; Zhang, X.; Chai, L.; Liu, Z. Constructing conditional symmetry in symmetric chaotic systems. Chaos Solitons Fractals 2022, 155, 111723. [Google Scholar] [CrossRef]
- Li, C.; Sprott, J.C.; Hu, W.; Xu, Y. Infinite multistability in a self-reproducing chaotic system. Int. J. Bifurc. Chaos 2017, 27, 1750160. [Google Scholar] [CrossRef]
- Wang, X.; Kuznetsov, N.V.; Chen, G. (Eds.) Chaotic Systems with Multistability and Hidden Attractors; Emergence, Complexity and Computation; Springer: Cham, Switzerland, 2021; Volume 40. [Google Scholar]
- Wei, Z.; Yang, Q. Dynamical analysis of the generalized Sprott C system with only two stable equilibria. Nonlinear Dyn. 2012, 68, 543–554. [Google Scholar] [CrossRef]
- Munoz-Pacheco, J.M.; Volos, C.; Serrano, F.E.; Jafari, S.; Kengne, J.; Rajagopal, K. Stabilization and synchronization of a complex hidden attractor chaotic system by backstepping technique. Entropy 2021, 23, 921. [Google Scholar] [CrossRef]
- Strogatz, S.H. Nonlinear Dynamics and Chaos: With Applications to Physics, Biology, Chemistry, and Engineering; Perseus Books: Reading, MA, USA, 1994. [Google Scholar]
- Lan, Y.; Cvitanović, P. Variational method for finding periodic orbits in a general flow. Phys. Rev. E 2004, 69, 016217. [Google Scholar] [CrossRef]
- Press, W.H.; Teukolsky, S.A.; Veterling, W.T.; Flannery, B.P. Numerical Recipes in C; Cambridge University Press: Cambridge, UK, 1992. [Google Scholar]
- Dong, C.; Liu, H.; Jie, Q.; Li, H. Topological classification of periodic orbits in the generalized Lorenz-type system with diverse symbolic dynamics. Chaos Solitons Fractals 2022, 154, 111686. [Google Scholar] [CrossRef]
- Lan, Y.; Cvitanović, P. Unstable recurrent patterns in Kuramoto-Sivashinsky dynamics. Phys. Rev. E 2008, 78, 026208. [Google Scholar] [CrossRef]
- Dong, C.; Liu, H.; Li, H. Unstable periodic orbits analysis in the generalized Lorenz-type system. J. Stat. Mech. Theory Exp. 2020, 2020, 073211. [Google Scholar] [CrossRef]
- Artuso, R.; Aurell, E.; Cvitanović, P. Recycling of strange sets: I. Cycle expansions. Nonlinearity 1990, 3, 325–359. [Google Scholar] [CrossRef]
- Lan, Y. Cycle expansions: From maps to turbulence. Commun. Nonlinear Sci. Numer. Simul. 2010, 15, 502–526. [Google Scholar] [CrossRef]
- Hao, B.L.; Zheng, W.M. Applied Symbolic Dynamics and Chaos; World Scientic: Singapore, 1998; pp. 11–13. [Google Scholar]
- Munoz-Pacheco, J.M.; Tlelo-Cuautle, E.; Toxqui-Toxqui, I.; Sanchez-Lopez, C.; Trejo-Guerra, R. Frequency limitations in generating multi-scroll chaotic attractors using CFOAs. Int. J. Electron. 2014, 101, 1559–1569. [Google Scholar] [CrossRef]
- Sayed, W.S.; Roshdy, M.; Said, L.A.; Herencsar, N.; Radwan, A.G. CORDIC-based FPGA realization of a spatially rotating translational fractional-order multi-scroll grid chaotic system. Fractal Fract. 2022, 6, 432. [Google Scholar] [CrossRef]
- Li, C.; Sprott, J.C. Variable-boostable chaotic flows. Optik 2016, 127, 10389–10398. [Google Scholar] [CrossRef]
- Zhang, X.; Li, C.; Dong, E.; Zhao, Y.; Liu, Z. A conservative memristive system with amplitude control and offset boosting. Int. J. Bifurc. Chaos 2022, 32, 2250057. [Google Scholar] [CrossRef]
- Dong, C. Dynamic analysis of a novel 3D chaotic system with hidden and coexisting attractors: Offset boosting, synchronization, and circuit realization. Fractal Fract. 2022, 6, 547. [Google Scholar] [CrossRef]
- Munoz-Pacheco, J.M.; Zambrano-Serrano, E.; Volos, C.; Jafari, S.; Kengne, J.; Rajagopal, K. A new fractional-order chaotic system with different families of hidden and self-excited attractors. Entropy 2018, 20, 564. [Google Scholar] [CrossRef] [PubMed]
- Munoz-Pacheco, J.M. Infinitely many hidden attractors in a new fractional-order chaotic system based on a fracmemristor. Eur. Phys. J. Spec. Top. 2019, 228, 2185–2196. [Google Scholar] [CrossRef]





















| k | Dynamics | ||||
|---|---|---|---|---|---|
| 1 | −0.794149 | −0.795286 | −20.4107 | 0 | Equilibrium |
| 3 | 0.961912 | 0 | −22.9613 | 2.0419 | Chaos |
| 4.225 | 0 | −0.0340439 | −21.9686 | 1.0 | Period |
| 5 | 0.920123 | 0 | −22.9146 | 2.0399 | Chaos |
| 5.54 | 0 | −0.0956672 | −21.9091 | 1.0 | Period |
| 13 | 0.742037 | 0 | −22.7375 | 2.0324 | Chaos |
| Length | Itineraries | Periods | Length | Itineraries | Periods | Length | Itineraries | Periods |
|---|---|---|---|---|---|---|---|---|
| 1 | 0 | 0.645509 | 3 | 223 | 3.552630 | 3 | 001 | 2.324411 |
| 1 | 0.645509 | 233 | 3.552630 | 011 | 2.324411 | |||
| 2 | 1.186404 | 033 | 2.981070 | 123 | — | |||
| 3 | 1.186404 | 122 | 2.981070 | 032 | — | |||
| 2 | 01 | 1.559290 | 021 | 2.653639 | 003 | 2.401931 | ||
| 23 | 2.366105 | 013 | 2.653639 | 112 | 2.401931 | |||
| 12 | 1.792160 | 031 | — | 113 | — | |||
| 03 | 1.792160 | 012 | — | 002 | — | |||
| 02 | — | 132 | 2.962501 | 022 | — | |||
| 13 | — | 023 | 2.962501 | 133 | — | |||
| 1 | 4 | 1.515729 | 3 | 445 | 4.815813 | 3 | 354 | 4.221816 |
| 5 | 1.515729 | 455 | 4.815813 | 234 | 3.878345 | |||
| 2 | 24 | 2.695403 | 344 | 4.221765 | 325 | 3.878345 | ||
| 35 | 2.695403 | 255 | 4.221765 | 225 | 3.892262 | |||
| 25 | 2.706161 | 335 | 3.881997 | 334 | 3.892262 | |||
| 34 | 2.706161 | 224 | 3.881997 | 254 | 4.211233 | |||
| 45 | 3.031718 | 244 | 4.211320 | 345 | 4.211233 | |||
| 3 | 235 | 3.889210 | 355 | 4.211320 | ||||
| 324 | 3.889210 | 245 | 4.221816 |
Publisher’s Note: MDPI stays neutral with regard to jurisdictional claims in published maps and institutional affiliations. |
© 2022 by the authors. Licensee MDPI, Basel, Switzerland. This article is an open access article distributed under the terms and conditions of the Creative Commons Attribution (CC BY) license (https://creativecommons.org/licenses/by/4.0/).
Share and Cite
Wang, J.; Dong, C.; Li, H. A New Variable-Boostable 3D Chaotic System with Hidden and Coexisting Attractors: Dynamical Analysis, Periodic Orbit Coding, Circuit Simulation, and Synchronization. Fractal Fract. 2022, 6, 740. https://doi.org/10.3390/fractalfract6120740
Wang J, Dong C, Li H. A New Variable-Boostable 3D Chaotic System with Hidden and Coexisting Attractors: Dynamical Analysis, Periodic Orbit Coding, Circuit Simulation, and Synchronization. Fractal and Fractional. 2022; 6(12):740. https://doi.org/10.3390/fractalfract6120740
Chicago/Turabian StyleWang, Jiahui, Chengwei Dong, and Hantao Li. 2022. "A New Variable-Boostable 3D Chaotic System with Hidden and Coexisting Attractors: Dynamical Analysis, Periodic Orbit Coding, Circuit Simulation, and Synchronization" Fractal and Fractional 6, no. 12: 740. https://doi.org/10.3390/fractalfract6120740
APA StyleWang, J., Dong, C., & Li, H. (2022). A New Variable-Boostable 3D Chaotic System with Hidden and Coexisting Attractors: Dynamical Analysis, Periodic Orbit Coding, Circuit Simulation, and Synchronization. Fractal and Fractional, 6(12), 740. https://doi.org/10.3390/fractalfract6120740

