Experimental Evaluation of an Innovative Connection for the Reinforcement of Existing Infilled RC Buildings
Abstract
1. Introduction
2. Experimental Campaign
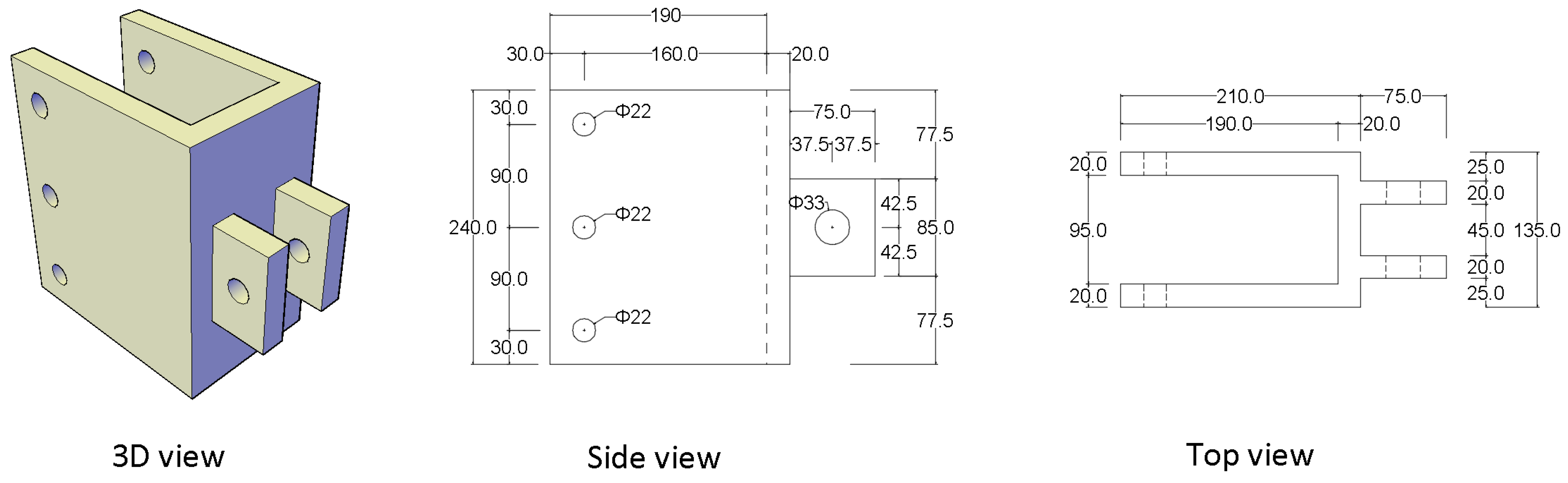
2.1. Connection
- RADIAL
- Screws
- Triangular plate (TP)
2.2. CLT Panel
2.3. Test Setup
2.4. Loading of Specimens
- The loading connection detail
- Loading procedure
2.5. LVDTs
2.6. Test Description
3. Results
3.1. Failure Modes
3.2. Structural Capacity of Connection
3.2.1. Monotonic Loading
3.2.2. Cyclic Loading
- Connector ductility level
- Energy dissipation
- Impairment of strength
- Stiffness degradation
3.2.3. Comparison with Relevant Connections
- The RIC connection demonstrates stiffness nearly equal to that of the angle bracket, though both are lower than the stiffness of the Iztok I, II, and X-RAD connections. Among the RIC failure modes, the bending of the M12 bolt in class 10.9 exhibits the highest stiffness, whereas the shear of the TP and the bending of the M12 bolt in class 8.8 result in the lowest stiffness.
- In terms of strength, the overall strength of the RIC connection is lower than that of the Iztok I, II, and X-RAD connections. The same pattern observed in the stiffness of the RIC failure modes is also reflected in their strength: the bending of the M12 bolt in class 10.9 demonstrates the highest strength, while the shear of the TP and the bending of the M12 bolt in class 8.8 exhibit the lowest strength.
- The deformation capacity of RIC connectors, with the exception of cases where screw thread withdrawal is the dominant failure mode, is considered acceptable. It exceeds that of the Iztok II and X-RAD connections but is lower than that of Iztok I. This deformation capacity, referred to as the ultimate displacement according to the standard, defines the connector’s ability to withstand deformation before failure.
- Ductility, defined as the ratio of ultimate displacement to yield displacement, is lower for the RIC connectors compared to those of the Iztok I, II, and X-RAD connections. For the RIC connectors, the ductility follows this order: bending of the bolt, shear in the TP, and thread withdrawal of screws.
4. Conclusions
- Failure Modes and Structural Integrity
- Economic and Architectural Considerations
- Load–Displacement Characteristics
- Component Behavior
- Validation and Reliability
Author Contributions
Funding
Data Availability Statement
Acknowledgments
Conflicts of Interest
References
- Di Lorenzo, G.; Colacurcio, E.; Di Filippo, A.; Formisano, A.; Massimilla, A.; Landolfo, R. State-of-the-art on steel exoskeletons for seismic retrofit of existing RC buildings. Ing. Sismica 2020, 37, 50. [Google Scholar]
- Meglio, E.; Longobardi, G.; Formisano, A. Integrated seismic-energy retrofit systems for preventing failure of a historical RC school building: Comparison among metal lightweight exoskeleton solutions. Eng. Fail. Anal. 2023, 154, 107663. [Google Scholar] [CrossRef]
- Pohoryles, D.A.; Bournas, D.A.; Da Porto, F.; Santarsiero, G.; Triantafillou, T.; Oliveira, D.; Jelle, B.P. Integrated Techniques for the Seismic Strengthening and Energy Efficiency of Existing Buildings; Publications Office of the European Union: Luxembourg, 2022. [Google Scholar]
- Meireis, C.; Serino, F.S.; Maia, C.; Fontes, A.C.; Branco, J.M. Current Practice and Potential Associated with Timber-Based Solutions for Buildings Retrofitting. Infrastructures 2022, 7, 25. [Google Scholar] [CrossRef]
- Ceccotti, A. New technologies for construction of medium-rise buildings in seismic regions: The XLAM case. Struct. Eng. Int. J. Int. Assoc. Bridg. Struct. Eng. 2008, 18, 156–165. [Google Scholar] [CrossRef]
- Popovski, M.; Gavric, I. Performance of a 2-story CLT house subjected to lateral loads. J. Struct. Eng. 2016, 142, E4015006. [Google Scholar] [CrossRef]
- Mehdipour, Z.; Poletti, E.; Branco, J.M.; Lourenço, P.B. Numerical Analysis of Masonry-Infilled RC-CLT Panel Connections. Buildings 2022, 12, 2009. [Google Scholar] [CrossRef]
- Lukacs, I.; Björnfot, A.; Tomasi, R. Strength and stiffness of cross-laminated timber (CLT) shear walls: State-of-the-art of analytical approaches. Eng. Struct. 2019, 178, 136–147. [Google Scholar] [CrossRef]
- Stazi, F.; Serpilli, M.; Maracchini, G.; Pavone, A. An experimental and numerical study on CLT panels used as infill shear walls for RC buildings retrofit. Constr. Build. Mater. 2019, 211, 605–616. [Google Scholar] [CrossRef]
- Tesfamariam, S.; Madheswaran, J.; Goda, K. Displacement-Based Design of Hybrid RC–Timber Structure: Seismic Risk Assessment. J. Struct. Eng. 2019, 145, 4019125. [Google Scholar] [CrossRef]
- Šušteršič, I. Utrjevanje Stavb s Križno Lepljenimi Lesenimi Ploščami: Doktorska Disertacija. Ph.D. Thesis, Univerze v Ljubljani, Ljubljana, Slovenia, 2017. [Google Scholar]
- Aloisio, A.; Boggian, F.; Tomasi, R. Design of a novel seismic retrofitting system for RC structures based on asymmetric friction connections and CLT panels. Eng. Struct. 2022, 254, 113807. [Google Scholar] [CrossRef]
- Gavric, I.; Fragiacomo, M.; Ceccotti, A. Cyclic Behavior of CLT Wall Systems: Experimental Tests and Analytical Prediction Models. J. Struct. Eng. 2015, 141, 04015034. [Google Scholar] [CrossRef]
- Casagrande, D.; Polastri, A.; Sartori, T.; Loss, C.; Chiodega, M. Experimental campaign for the mechanical characterization of connection systems in the seismic design of timber buildings. In Proceedings of the WCTE 2016—World Conference on Timber Engineering, Vienna, Austria, 22–25 August 2016. [Google Scholar]
- Schneider, J.; Karacabeyli, E.; Popovski, M.; Stiemer, S.F.; Tesfamariam, S. Damage Assessment of Connections Used in Cross-Laminated Timber Subject to Cyclic Loads. J. Perform. Constr. Facil. 2014, 28, A4014008. [Google Scholar] [CrossRef]
- Parisi, M.A.; Piazza, M. Mechanics of Plain and Retrofitted Traditional Timber Connections. J. Struct. Eng. 2000, 126, 1395–1403. [Google Scholar] [CrossRef]
- D’Arenzo, G.; Seim, W.; Fossetti, M. Experimental characterization of a biaxial behaviour connector for CLT wall-to-floor connections under different load directions. Constr. Build. Mater. 2021, 295, 123666. [Google Scholar] [CrossRef]
- Popovski, M.; Schneider, J.; Schweinsteiger, M. Lateral load resistance of cross-laminated wood panels. In Proceedings of the 11th World Conference on Timber Engineering (WCTE 2010), Trentino, Italy, 20–24 June 2010. [Google Scholar]
- Tomasi, R.; Smith, I. Experimental Characterization of Monotonic and Cyclic Loading Responses of CLT Panel-To-Foundation Angle Bracket Connections. J. Mater. Civ. Eng. 2015, 27, 04014189. [Google Scholar] [CrossRef]
- Latour, M.; Rizzano, G. Seismic behavior of cross-laminated timber panel buildings equipped with traditional and innovative connectors. Arch. Civ. Mech. Eng. 2017, 17, 382–399. [Google Scholar] [CrossRef]
- Pozza, L.; Ferracuti, B.; Massari, M.; Savoia, M. Axial-Shear interaction on CLT hold-down connections–Experimental investigation. Eng. Struct. 2018, 160, 95–110. [Google Scholar] [CrossRef]
- Liu, J.; Lam, F. Experimental test of cross laminated timber connections under bi-directional loading. In Proceedings of the WCTE 2016—World Conference on Timber Engineering, Vienna, Austria, 22–25 August 2016. [Google Scholar]
- Laggner, T.M.; Flatscher, G.; Schickhofer, G. Combined loading of self-tapping screws. In Proceedings of the WCTE 2016—World Conference on Timber Engineering, Vienna, Austria, 22–25 August 2016. [Google Scholar]
- Polastri, A.; Giongo, I.; Angeli, A.; Brandner, R. Mechanical characterization of a pre-fabricated connection system for cross laminated timber structures in seismic regions. Eng. Struct. 2018, 167, 705–715. [Google Scholar] [CrossRef]
- Loo, W.Y.; Quenneville, P.; Chouw, N. A new type of symmetric slip-friction connector. J. Constr. Steel Res. 2014, 94, 11–22. [Google Scholar] [CrossRef]
- Kramer, A.; Barbosa, A.R.; Sinha, A. Performance of Steel Energy Dissipators Connected to Cross-Laminated Timber Wall Panels Subjected to Tension and Cyclic Loading. J. Struct. Eng. 2016, 142, E4015013. [Google Scholar] [CrossRef]
- Sarti, F.; Palermo, A.; Pampanin, S. Fuse-Type External Replaceable Dissipaters: Experimental Program and Numerical Modeling. J. Struct. Eng. 2016, 142, 04016134. [Google Scholar] [CrossRef]
- Hashemi, A.; Zarnani, P.; Masoudnia, R.; Quenneville, P. Seismic resistant rocking coupled walls with innovative Resilient Slip Friction (RSF) joints. J. Constr. Steel Res. 2017, 129, 215–226. [Google Scholar] [CrossRef]
- Smiroldo, F.; Paviani, I.; Giongo, I.; Zanon, S.; Albatici, R.; Piazza, M. An integrated approach to improve seismic and energetic behaviour of rc framed buildings using timber panels. Sustain. 2021, 13, 11304. [Google Scholar] [CrossRef]
- Boggian, F.; Tardo, C.; Aloisio, A.; Marino, E.M.; Tomasi, R. Experimental Cyclic Response of a Novel Friction Connection for Seismic Retrofitting of RC Buildings with CLT Panels. J. Struct. Eng. 2022, 148, 04022040. [Google Scholar] [CrossRef]
- EN 1993-1-1; Eurocode 3—Design of Steel Structures. European Committee for Standardization: Brussels, Belgium, 2005.
- EN-10025: 2; Hot Rolled Products of Structural Steels. European Committee for Standardization: Brussels, Belgium, 2005.
- BSI BS EN 26891:1991; Timber Structures—Joints Made with Mechanical Fasteners-General Principles for the Determination of Strength and Deformation Characteristics. BSI: Brussels, Belgium, 1991.
- EN 12512:2001; Timber Structures—Test Methods—Cyclic Testing of Joints Made with Mechanical Fasteners. European Committee for Standardization: Brussels, Belgium, 2001.
- Silva, L.M.; Vasconcelos, G.; Lourenço, P.B.; Akhoundi, F. Seismic performance of Portuguese masonry infill walls: From traditional systems to new solutions. COMPDYN Proc. 2019, 2, 2116–2134. [Google Scholar]
- EN 1998-3:2005; Eurocode 8: Design of Structures for Earthquake Resistance—Part 3: Assessment and Retrofitting of Buildings. European Committee for Standardization: Brussels, Belgium, 2005.
- Sigrist, C.; Casagrande, D.; Piazza, M. Revision of testing standards to determine the seismic capacity of timber connections according to Eurocode 8. 2021. Available online: https://iris.unitn.it/handle/11572/401530 (accessed on 2 September 2020).
- Casagrande, D.; Bezzi, S.; D’Arenzo, G.; Schwendner, S.; Polastri, A.; Seim, W.; Piazza, M. A methodology to determine the seismic low-cycle fatigue strength of timber connections. Constr. Build. Mater. 2020, 231, 117026. [Google Scholar] [CrossRef]
- Sustersic, I. Strengthening of Buildings with Cross-Laminated Timber Plates. Ph.D. Thesis, University of Ljubljana, Ljubljana, Slovenia, 2017. [Google Scholar]
- Matos, F.T.; Branco, J.M.; Rocha, P.; Demschner, T.; Lourenço, P.B. Quasi-static tests on a two-story CLT building. Eng. Struct. 2019, 201, 109806. [Google Scholar] [CrossRef]
- Polastri, A.; Angeli, A. An innovative connection system for CLT structures: Experimental-numerical analysis. In Proceedings of the WCTE 2014—World Conference on Timber Engineering, Quebec City, Canada, 10–14 August 2014. [Google Scholar]





















| Configuration | Test Name | CLT | Loading | TP Number | Screws | R2TP-BG | Nut Number |
|---|---|---|---|---|---|---|---|
| a | M1 | I | Monotonic | 1 | 6 LBS 7x160 | 8.8 | 0 |
| M2 | |||||||
| M3 | |||||||
| b | M4 | 2 | |||||
| M5 | |||||||
| c | M6 | Monotonic | 1 | 6 LBS 7x160 | 10.9 | 3 | |
| M7 | 4 LBS 7x160 | ||||||
| C1 | Cyclic | 4 LBS 7x160 | |||||
| C2 | 4 LBS 7x160 | ||||||
| C3 | 4 LBS 7x160 | ||||||
| C4 | 4 LBS 7x160 | ||||||
| C5 | 5 LBS 7x160 | ||||||
| C7 | 6 LBS 7x160 | ||||||
| d | M8 | II | Monotonic | 2 | 5 LBS 7x160 | 2 | |
| M9 | 6 LBS 7x160 | ||||||
| M10 | 6 LBS 7x160 | ||||||
| e | C6 | I | Cyclic | 1 | 6 LBS 7x160 |
| Failure | Test | CLT Panel | Screws | Bolt | RADIAL Flanges | TP |
|---|---|---|---|---|---|---|
| a | M1 | (-) * | (-) | Shear | Bending | Bearing |
| M2 | ||||||
| M3 | ||||||
| b | M4 | Bending | Shear | |||
| M5 | ||||||
| c | M6 | (-) | (-) | |||
| M7 | ||||||
| C1 | ||||||
| C2 | ||||||
| C3 | ||||||
| C4 | ||||||
| C5 | ||||||
| C7 | ||||||
| d | M8 | Thread withdrawal | (-) | |||
| e | M9 | (-) | Shear | Bending | ||
| f | M10 | Delamination | (-) | (-) | ||
| g | C6 | (-) | Low bending | Low bending | Shear |
| No. | Connector’s Configuration | Predominant Failure | Other Failures |
|---|---|---|---|
| 1 | 1 TP M12 C8.8 *, without nuts 4–6 screws LBS 7x160 | Bending of bolt | Bending of flanges Bearing of TP |
| 2 | 1 TP M12 C8.8 or C10.9, with nuts 4–6 screws LBS 7x160 | Shear of TP | * Bending in bolt/flange (C8.8) * No or low bending in bolt/flange (C10.9 with full-partial nuts) |
| 3 | 2 TPs M12 C10.9, with nuts 6 screws LBS 7x160 | Bending of bolt | High bending of flanges Bearing of TPs |
| 4 | 2 TPs M12 C10.9, with nuts 5 screws LBS 7x160 | Thread withdrawal of screws | - |
| Test | Vy | Fy | Vmax | Fmax | Vu | Fu | tgα | tgβ | μ |
|---|---|---|---|---|---|---|---|---|---|
| [mm] | [kN] | [mm] | [kN] | [mm] | [kN] | ||||
| M1 | 10.82 | 36.30 | 19.29 | 41.03 | 23.18 | 32.83 | 3.35 | 0.56 | 2.14 |
| M2 | 15.07 | 42.90 | 24.32 | 47.29 | 26.74 | 37.88 | 2.85 | 0.47 | 1.78 |
| M3 | 8.05 | 34.33 | 16.02 | 40.00 | 17.47 | 32.01 | 4.27 | 0.71 | 2.17 |
| M4 | 6.08 | 35.41 | 16.42 | 45.47 | 17.81 | 36.32 | 5.83 | 0.97 | 2.93 |
| M5 | 6.96 | 34.37 | 19.09 | 44.33 | 20.73 | 35.36 | 4.93 | 0.82 | 2.98 |
| M6 | 10.30 | 39.83 | 15.29 | 43.05 | 17.34 | 34.52 | 3.88 | 0.65 | 1.68 |
| M7 | 8.74 | 39.48 | 15.78 | 44.74 | 17.69 | 35.85 | 4.49 | 0.75 | 2.02 |
| M8 | 11.72 | 54.37 | 12.95 | 55.28 | 13.13 | 42.51 | 4.41 | 0.74 | 1.12 |
| M9 | 13.49 | 68.09 | 25.06 | 77.61 | 28.10 | 71.60 | 4.94 | 0.82 | 2.08 |
| M10 | 12.02 | 52.02 | 15.65 | 54.58 | 15.68 | 49.23 | 4.24 | 0.71 | 1.30 |
| Mean | 10.33 | 43.71 | 17.99 | 49.34 | 19.79 | 40.81 | 4.32 | 0.72 | 2.02 |
| CoV (%) | 27.89 | 25.40 | 22.11 | 22.64 | 24.45 | 29.28 | 19.49 | 19.48 | 29.94 |
| Predominant Failure | Vy | Fy | Vmax | Fmax | Vu | Fu | tgα | tgβ | μ | |
|---|---|---|---|---|---|---|---|---|---|---|
| [mm] | [kN] | [mm] | [kN] | [mm] | [kN] | |||||
| Shear in Bolt of grade 8.8 | Mean | 11.31 | 37.84 | 19.88 | 42.77 | 22.46 | 34.24 | 3.49 | 0.58 | 2.03 |
| CoV (%) | 31.25 | 11.86 | 21.03 | 9.22 | 20.82 | 9.28 | 20.64 | 20.90 | 10.69 | |
| Shear in Bolt of grade 10.9 | - | 13.49 | 68.09 | 25.06 | 77.61 | 28.10 | 71.60 | 4.94 | 0.82 | 2.08 |
| Shear in TP | Mean | 8.02 | 37.27 | 16.65 | 44.40 | 18.39 | 35.51 | 4.78 | 0.80 | 2.40 |
| CoV (%) | 23.44 | 7.48 | 10.18 | 2.29 | 8.54 | 2.17 | 17.15 | 16.87 | 27.19 | |
| Screw thread withdrawal | - | 11.72 | 54.37 | 12.95 | 55.28 | 13.13 | 42.51 | 4.41 | 0.74 | 1.12 |
| CLT delamination | - | 12.02 | 52.02 | 15.65 | 54.58 | 15.68 | 49.23 | 4.24 | 0.71 | 1.30 |
| Test | Vy | Fy | Vmax | Fmax | Vu | Fu | tgα | tgβ | μ |
|---|---|---|---|---|---|---|---|---|---|
| [mm] | [kN] | [mm] | [kN] | [mm] | [kN] | ||||
| C1 | 21.47 | 45.28 | 21.76 | 45.39 | 22.24 | 36.31 | 2.28 | 0.38 | 1.04 |
| C1 | 16.22 | 45.32 | 20.46 | 47.3 | 20.89 | 37.84 | 2.79 | 0.46 | 1.29 |
| C3 | 16.16 | 44.9 | 20.67 | 46.97 | 21.23 | 37.57 | 2.75 | 0.46 | 1.31 |
| C4 | 16.72 | 44.07 | 21.17 | 45.98 | 21.51 | 36.78 | 2.58 | 0.43 | 1.29 |
| C5 | 18.37 | 46.02 | 20.47 | 46.98 | 20.99 | 37.59 | 2.76 | 0.46 | 1.14 |
| C6 | 16.36 | 43.2 | 21.07 | 45.24 | 21.87 | 36.19 | 2.61 | 0.43 | 1.34 |
| C7 | 10.1 | 42.53 | 14.87 | 45.93 | 17.33 | 36.74 | 4.27 | 0.71 | 1.72 |
| Mean | 16.49 | 44.47 | 20.07 | 46.25 | 20.86 | 37.00 | 2.86 | 0.48 | 1.3 |
| CoV (%) | 20.63 | 2.83 | 11.65 | 1.78 | 7.82 | 1.79 | 22.51 | 22.54 | 16.31 |
| Test | 0.75 Vy | Vy | 2 Vy | |||
|---|---|---|---|---|---|---|
| C1 | 12.89 | 14.48 | 3.70 | 4.46 | 3.84 | 5.14 |
| C2 | 13.64 | 22.42 | 2.39 | 3.75 | 2.61 | 5.28 |
| C3 | 7.25 | 10.03 | 3.93 | 5.80 | 4.55 | 6.73 |
| C4 | 8.15 | 14.30 | 9.17 | 11.88 | 4.94 | 6.73 |
| C5 | 4.60 | 6.82 | 6.02 | 8.75 | 5.37 | 8.12 |
| C6 | 4.53 | 6.33 | 2.54 | 3.78 | 3.42 | 5.09 |
| C7 | 7.62 | 12.42 | 4.41 | 7.48 | 5.43 | 7.42 |
| Mean | 8.38 | 12.40 | 4.59 | 6.56 | 4.31 | 6.36 |
| CoV (%) | 43.29 | 44.41 | 51.30 | 45.99 | 24.59 | 19.01 |
| Test | ||
|---|---|---|
| C1 | 7.20 | 8.88 |
| C2 | 12.58 | 17.96 |
| C3 | 7.58 | 10.71 |
| C4 | 12.09 | 17.93 |
| C5 | 9.51 | 13.94 |
| C6 | 5.52 | 7.75 |
| C7 | 6.07 | 10.00 |
| Mean | 8.65 | 12.45 |
| CoV (%) | 32.60 | 33.83 |
Disclaimer/Publisher’s Note: The statements, opinions and data contained in all publications are solely those of the individual author(s) and contributor(s) and not of MDPI and/or the editor(s). MDPI and/or the editor(s) disclaim responsibility for any injury to people or property resulting from any ideas, methods, instructions or products referred to in the content. |
© 2024 by the authors. Licensee MDPI, Basel, Switzerland. This article is an open access article distributed under the terms and conditions of the Creative Commons Attribution (CC BY) license (https://creativecommons.org/licenses/by/4.0/).
Share and Cite
Mehdipour, Z.; Poletti, E.; Fontes, A.C.; Branco, J.M. Experimental Evaluation of an Innovative Connection for the Reinforcement of Existing Infilled RC Buildings. Infrastructures 2024, 9, 189. https://doi.org/10.3390/infrastructures9110189
Mehdipour Z, Poletti E, Fontes AC, Branco JM. Experimental Evaluation of an Innovative Connection for the Reinforcement of Existing Infilled RC Buildings. Infrastructures. 2024; 9(11):189. https://doi.org/10.3390/infrastructures9110189
Chicago/Turabian StyleMehdipour, Zabih, Elisa Poletti, André C. Fontes, and Jorge M. Branco. 2024. "Experimental Evaluation of an Innovative Connection for the Reinforcement of Existing Infilled RC Buildings" Infrastructures 9, no. 11: 189. https://doi.org/10.3390/infrastructures9110189
APA StyleMehdipour, Z., Poletti, E., Fontes, A. C., & Branco, J. M. (2024). Experimental Evaluation of an Innovative Connection for the Reinforcement of Existing Infilled RC Buildings. Infrastructures, 9(11), 189. https://doi.org/10.3390/infrastructures9110189

