Monitoring the Center of Gravity of a Vehicle Seat to Detect the Occupant Position
Abstract
1. Introduction
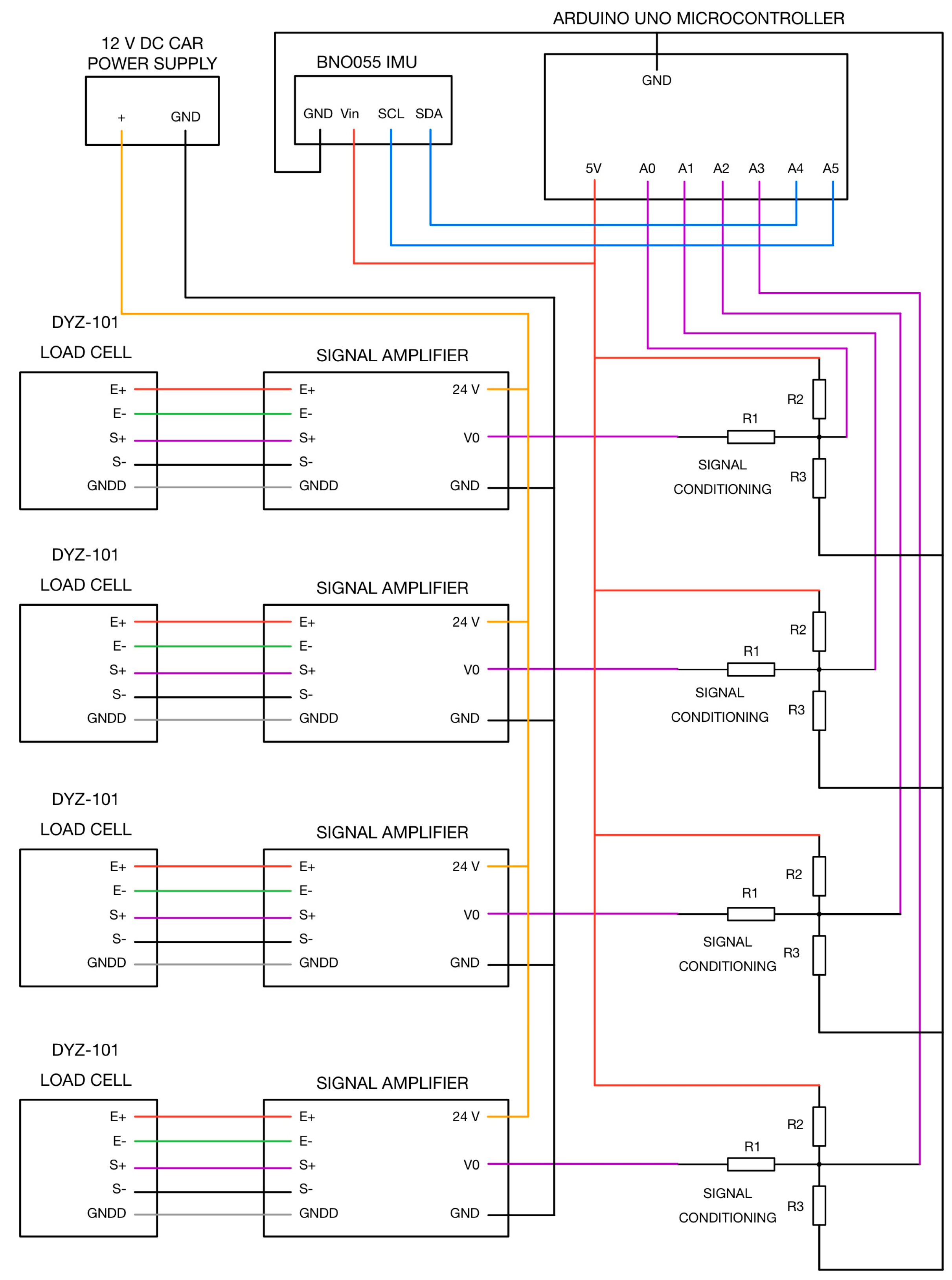
2. Sensorized Seat for Occupant Monitoring
2.1. Dimensioning of Load Cells
2.2. Layout of the Sensorized Seat
2.3. Calibration and Signal Processing
- setup cycle
- //calculate xshift factor as average of x coordinate of CG
- //calculate yshift factor as average of y coordinate of CG
- //xscale factor is the ratio between the average magnitude of the shifted CGx and the average magnitude of the accx
- //yscale factor is the ratio between the average magnitude of the shifted CGy and the average magnitude of the accy
- loop cycle
- //shift the CG to (0, 0) position on average
- //scale the accelerations to match the CG coordinates
- occupant monitoring
- if and then position = 0
- if and then position = 2
- if and then position = 3
- if and then position = 1
3. Driving Tests
- start from stop position;
- straight-line acceleration and straight-line path for approximately 15 m;
- 180° left (or right) turn of approximately 7.5 m radius;
- straight-line path and braking to stop in approximately 15 m.
- start moving in 1st gear;
- half-eight turn at approximately 15 km/h speed;
- maximum acceleration in 2nd gear until speed limit activation at 50 km/h;
- left lane change;
- right lane change;
- hard brake to stop;
- start moving in 1st gear again;
- half-eight turn at approximately 15 km/h speed;
- maximum acceleration in 2nd gear until speed limit activation at 50 km/h;
- right lane change;
- left lane change;
- hard brake to stop.
4. Conclusions
Author Contributions
Funding
Data Availability Statement
Acknowledgments
Conflicts of Interest
References
- Lebarbé, M.; Potier, P.; Baudrit, P.; Petit, P.; Trosseille, X.; Vallancien, G. Thoracic Injury Investigation Using PMHS in Frontal Airbag Out-of-Position Situations; SAE Technical Paper; SAE: Warrendale, PA, USA, 2005. [Google Scholar] [CrossRef]
- Maxeiner, H.; Hahn, M. Airbag-Induced Lethal Cervical Trauma. J. Trauma Acute Care Surg. 1997, 42, 1148–1151. [Google Scholar] [CrossRef]
- Potula, S.R.; Solanki, K.N.; Oglesby, D.L.; Tschopp, M.A.; Bhatia, M.A. Investigating occupant safety through simulating the interaction between side curtain airbag deployment and an out-of-position occupant. Accid. Anal. Prev. 2009, 49, 392–403. [Google Scholar] [CrossRef]
- Prasad, A.K.; Samaha, R.R.; Louden, A.E. Evaluation of Injury Risk from Side Impact Air Bags; SAE Technical Paper; 2001-06-0091; SAE: Warrendale, PA, USA, 2001; pp. 1–12. [Google Scholar]
- Ryan, S. An Innovative Approach to Adaptive Airbag Modules; SAE Technical Paper; SAE: Warrendale, PA, USA, 1998; p. 980646. [Google Scholar] [CrossRef]
- Yoganandan, M.; Pintar, F.A.; Zhang, J.; Gennarelli, T.A. Lateral impact injuries with side airbag deployments—A descriptive study. Accid. Anal. Prev. 2007, 39, 22–27. [Google Scholar] [CrossRef]
- 571.208 Standard No. 208; Occupant Crash Protection. Federal Motor Vehicle Safety Standards (FMVSS), Code of Federal Regulations; Updated 5 December 2023. Available online: https://www.ecfr.gov/on/2023-12-05/title-49/section-571.208 (accessed on 6 May 2024).
- 571.214 Standard No. 214; Side Impact Protection. Federal Motor Vehicle Safety Standards (FMVSS), Code of Federal Regulations. Updated 5 December 2023. Available online: https://www.ecfr.gov/on/2023-12-05/title-49/section-571.214 (accessed on 6 May 2024).
- Viano, D.C. History of airbag safety benefits and risks. Traffic Inj. Prev. 2024, 25, 268–287. [Google Scholar] [CrossRef] [PubMed]
- Mutlag, A.H.; Mahdi, S.Q.; Salim, O.N.M. A Comparative Study of an Artificial Intelligence-Based Vehicle Airbag Controller. In Proceedings of the 2022 IEEE 18th International Colloquium on Signal Processing & Applications, Selangor, Malaysia, 12 May 2022. [Google Scholar] [CrossRef]
- Machens, K.U.; Kübler, L. Dynamic Testing with Pre-Crash Activation to Design Adaptive Safety Systems. In Proceedings of the 27th International Technical Conference on the Enhanced Safety of Vehicles (ESV), Yokohama, Japan, 3–6 April 2023; Available online: https://www-esv.nhtsa.dot.gov/Proceedings/27/27ESV-000067.pdf (accessed on 6 May 2024).
- Depottey, T.A.; Schneider, D.W. Airbag Cushion with Adaptive Venting for Reduced Out-of-Position Effects. U.S. Patent No. 7,261,319, 28 August 2007. [Google Scholar]
- Farmer, M.E.; Jain, A.K. Occupant classification system for automotive airbag suppression. In Proceedings of the IEEE Computer Society Conference on Computer Vision and Pattern Recognition, Madison, WI, USA, 18–20 June 2003. [Google Scholar] [CrossRef]
- Hall, I.; Rao, M.K.; Ryan, S. Airbag System for Out-of-Position Occupant Protection and Adaptive Venting. U.S. Patent No. 7,448,646, 11 November 2008. [Google Scholar]
- Schneider, D.W.; Rose, L.D. Airbag Adaptive Venting for Out-of-Position Occupants. U.S. Patent No. 7,770,926, 10 August 2010. [Google Scholar]
- Bergasa, L.M.; Nuevo, J.; Sotelo, M.A.; Barea, R.; Lopez, M.E. Real-time system for monitoring driver vigilance. IEEE Trans. Intell. Transp. Syst. 2006, 7, 63–77. [Google Scholar] [CrossRef]
- Borghi, G.; Venturelli, M.; Vezzani, R.; Cucchiara, R. Poseidon: Face-from-depth for driver pose estimation. In Proceedings of the IEEE Conference on Computer Vision and Pattern Recognition, Honolulu, HI, USA, 21–26 July 2017. [Google Scholar] [CrossRef]
- Dong, Y.; Hu, Z.; Uchimura, K.; Murayama, N. Driver Inattention Monitoring System for Intelligent Vehicles: A Review. IEEE Trans. Intell. Transp. Syst. 2011, 12, 596–614. [Google Scholar] [CrossRef]
- Driver Attention Monitor (Honda Sensing® Feature). Available online: https://www.hondainfocenter.com/2024/CR-V/Feature-Guide/Interior-Features/Driver-Attention-Monitor/ (accessed on 8 March 2024).
- A Moment More Attention: Mercedes-Benz Presents “Awake”. Available online: https://media.mercedes-benz.com/article/2798d797-85c0-45bc-aa01-e12fcbc5745f (accessed on 8 March 2024).
- Mazda Driver Attention Alert. Available online: https://www.mazda.com/en/archives/safety2/active_safety/daa/ (accessed on 8 March 2024).
- Volvo Driver Alert. Available online: https://www.volvocars.com/en-eg/support/car/xc60/article/f57bafffba0c0468c0a8015174f226d8 (accessed on 8 March 2024).
- SAE On-Road Automated Vehicle Standards Committee. Taxonomy and Definitions for Terms Related to On-Road Motor Vehicle Automated Driving Systems. SAE Stand. J. 2014, 3016, 1–16. Available online: https://www.sae.org/standards/content/j3016_201401/ (accessed on 6 May 2024).
- Kong, Q.; Lu, R.; Yin, F.; Cui, S. Blockchain-based privacy-preserving driver monitoring for MaaS in the vehicular IoT. IEEE Trans. Veh. Technol. 2021, 70, 3788–3799. [Google Scholar] [CrossRef]
- Kyung, G.; Nussbaum, M.A. Driver Sitting Comfort and Discomfort (part II): Relationships with and Prediction from Interface Pressure. Int. J. Ind. Ergon. 2008, 38, 526–538. [Google Scholar] [CrossRef]
- Na, S.; Lim, S.; Choi, H.S.; Chung, M.K. Evaluation of driver’s discomfort and postural change using dynamic body pressure distribution. Int. J. Ind. Ergon. 2005, 35, 1085–1096. [Google Scholar] [CrossRef]
- Schousek, T.J. Vehicle Occupant Restraint with Seat Pressure Sensor. U.S. Patent No. 5,474,327, 12 December 1995. [Google Scholar]
- White, C.W.; Behr, L.W. Passenger Out-of-Position Sensor. U.S. Patent No. 5,071,160, 10 December 1991. [Google Scholar]
- Martínez, M.V.; Del Campo, I.; Echanobe, J.; Basterretxea, K. Driving behavior signals and machine learning: A personalized driver assistance system. In Proceedings of the IEEE 18th International Conference on Intelligent Transportation Systems, Las Palmas de Gran Canaria, Spain, 15–18 September 2015. [Google Scholar]
- Zhang, Y.; Lin, W.C.; Chin, Y.K.S. A pattern-recognition approach for driving skill characterization. IEEE Trans. Intell. Transp. Syst. 2010, 11, 905–916. [Google Scholar] [CrossRef]
- Vergnano, A.; Leali, F. Out of Position Driver Monitoring from Seat Pressure in Dynamic Maneuvers. In Proceedings of the 2nd International Conference on Intelligent Human Systems Integration, San Diego, California, USA, 7–10 February 2019. [Google Scholar] [CrossRef]
- Vergnano, A.; Leali, F. A methodology for out of position occupant identification from pressure sensors embedded in a vehicle seat. Hum. Intell. Syst. Integr. 2020, 2, 35–44. [Google Scholar] [CrossRef]
- Vergnano, A.; Piras, A.; Leali, F. Vehicle Seat with Occupant Detection System. IT Patent No. 102019000022221, 26 November 2019. [Google Scholar]
- Vergnano, A.; Piras, A.; Leali, F. Modular Car Seat for Monitoring the Pressure Distribution on Regions of Pan and Backrest. In Proceedings of the 3rd International Conference on Human Systems Engineering and Design, Pula, Croatia, 22–24 September 2020. [Google Scholar] [CrossRef]
- Toshiaki Ishida, T.; Ogasawara, H. Load Detection Structure for Vehicle Seat. JP Patent No. JP3904913B2, 7 November 2001. [Google Scholar]
- Ito, K.; Inayoshi, M.; Enomoto, A.; Fujii, H. Vehicle Tilt Detecting Apparatus and Seat Load Detecting Apparatus Using the Same. U.S. Patent No. US8296099B2, 23 October 2009. [Google Scholar]
- Inayoshi, M.; Enomoto, A.; Fujii, H. Apparatus and Method for Determining Impact on Vehicle and Apparatus for Warning Impact on Vehicle. U.S. Patent No. US8328276B2, 11 December 2009. [Google Scholar]
- Endo, S.; Sato, K.; Nishide, H.; Yamazaki, T.; Kumakiri, N.; Kojima, M.; Yoshifuku, M.; Furukawa, T. Passenger’s Weight Measurement Device for Vehicle Seat and Attachment Structure for Load Sensor. U.S. Patent No. US7823951B2, 22 October 2008. [Google Scholar]
- Endo, S.; Sato, K. Vehicle Seat with Load Sensor. Patent No. US9835479B2, 5 December 2017. [Google Scholar]
- Endo, S.; Sato, K. Vehicle Seat Including Load Sensors between Wall Portions. U.S. Patent No. US8822850B2, 2 September 2004. [Google Scholar]
- Hamada, M.; Sekizuka, M.; Fukawatase, O.; Fujimoto, O. Sitting Passenger Detecting Apparatus and Sitting Passenger Detecting Method. U.S. Patent No. US6356200B1, 12 March 2000. [Google Scholar]
- Yanagi, E. Load Sensor and Seat Weight Measuring Apparatus with a Plurality of Strain Gauges. U.S. Patent No. US7055365B2, 6 June 2002. [Google Scholar]
- Osmer, W.; Wills, M.; Blakesley, P. Vehicle Occupant Position Detector and Airbag Control System. U.S. Patent No. EP1202876B1, 28 May 1999. [Google Scholar]
- Kumbhar, P.; Xu, P.; Yang, J. Evaluation of Human Body Response for Different Vehicle Seats Using a Multibody Biodynamic Model; SAE Technical Paper 2013; 2013-01-0994; SAE: Warrendale, PA, USA, 2013. [Google Scholar]
- European New Car Assessment Programme (Euro Ncap) Test Protocol—AEB VRU Systems, Version 3.0.3. Available online: https://cdn.euroncap.com/media/58226/euro-ncap-aeb-vru-test-protocol-v303.pdf (accessed on 22 April 2024).
- Agaram, V.; Xu, L.; Wu, J.; Kostyniuk, G.; Nusholtz, G. Comparison of Frontal Crashes in Terms of Average Acceleration; SAE Technical Paper; 2000-01-0880; SAE: Warrendale, PA, USA, 2000. [Google Scholar]
- DYLoadCell Datasheet. Available online: http://www.dyloadcell.com/product/clcgq/82.html (accessed on 8 March 2024).
- Reed, M.P.; Ebert, S.M.; Jones, M.H.; Park, B.K.D. Occupant Dynamics during Crash Avoidance Maneuvers (No. DOT HS 812 997); United States Department of Transportation. National Highway Traffic Safety Administration: U.S., 2021. Available online: https://rosap.ntl.bts.gov/view/dot/54737 (accessed on 6 May 2024).
- Aero Club of Modena. Available online: https://aeroclubmodena.it/ (accessed on 23 April 2024).
- Caron, O.; Faure, B.; Brenière, Y. Estimating the centre of gravity of the body on the basis of the centre of pressure in standing posture. J. Biomech. 1997, 30, 1169–1171. [Google Scholar] [CrossRef] [PubMed]
- Munoz, F.; Rougier, P.R. Estimation of centre of gravity movements in sitting posture: Application to trunk backward tilt. J. Biomech. 2011, 44, 1771–1775. [Google Scholar] [CrossRef] [PubMed]




















| Body | Mass [kg] | [mm] |
|---|---|---|
| mS | 13.5 | (29, 183) |
| m1 | 20.3 | (199, 190) |
| m2 | 11.0 | (43, 217) |
| m3 | 19.9 | (−87, 592) |
| m4 | 7.3 | (−96, 841) |
| m5 | 12.9 | (−1, 371) |
| Driver | Weight [kg] | Stature [m] |
|---|---|---|
| 1 | 78 | 1.75 |
| 2 | 96 | 1.86 |
| 3 | 62 | 1.68 |
| Driver | CG x Distance from Seat Reference System [mm] | Calibration xshift [mm] | Average xCG Position for 2nd and 3rd Laps in Normal Position [mm] | xCG Standard Deviation for 2nd and 3rd Laps in Normal Position [mm] | Average xCG Position for All Laps in Forward-Reclined OP [mm] | xCG Standard Deviation for all Laps in Forward-Reclined OP [mm] |
|---|---|---|---|---|---|---|
| 1 | 5.2 | 131.7 | −8.7 | 39.9 | 81.8 | 45.5 |
| 2 | 3.7 | 130.2 | −14.9 | 45.6 | 63.6 | 39.6 |
| 3 | 13.3 | 139.8 | −12.7 | 38.8 | 57.7 | 34.4 |
| Driver | Normal Position Identification | Forward-Reclined OP Identification | Left-Reclined OP Identification | Right-Reclined OP Identification |
|---|---|---|---|---|
| 1 | 86% | 99% | 51% | 73% |
| 2 | 89% | 100% | 52% | 84% |
| 3 | 92% | 94% | 45% | 76% |
Disclaimer/Publisher’s Note: The statements, opinions and data contained in all publications are solely those of the individual author(s) and contributor(s) and not of MDPI and/or the editor(s). MDPI and/or the editor(s) disclaim responsibility for any injury to people or property resulting from any ideas, methods, instructions or products referred to in the content. |
© 2024 by the authors. Licensee MDPI, Basel, Switzerland. This article is an open access article distributed under the terms and conditions of the Creative Commons Attribution (CC BY) license (https://creativecommons.org/licenses/by/4.0/).
Share and Cite
Vergnano, A.; Giorgianni, C.; Leali, F. Monitoring the Center of Gravity of a Vehicle Seat to Detect the Occupant Position. Designs 2024, 8, 44. https://doi.org/10.3390/designs8030044
Vergnano A, Giorgianni C, Leali F. Monitoring the Center of Gravity of a Vehicle Seat to Detect the Occupant Position. Designs. 2024; 8(3):44. https://doi.org/10.3390/designs8030044
Chicago/Turabian StyleVergnano, Alberto, Claudio Giorgianni, and Francesco Leali. 2024. "Monitoring the Center of Gravity of a Vehicle Seat to Detect the Occupant Position" Designs 8, no. 3: 44. https://doi.org/10.3390/designs8030044
APA StyleVergnano, A., Giorgianni, C., & Leali, F. (2024). Monitoring the Center of Gravity of a Vehicle Seat to Detect the Occupant Position. Designs, 8(3), 44. https://doi.org/10.3390/designs8030044

