Innovative Design of a Continuous Ultrasound Bath for Effective Lignocellulosic Biomass Pretreatment Based on a Theorical Method
Abstract
1. Introduction
2. Ultrasonic Pretreatment
3. Ultrasonic Set-Ups
3.1. Ultrasonic Bath Configuration
3.2. Ultrasonic Probe in Bath
4. Condition Optimization
5. Biomass Specifications
6. Mathematical Model
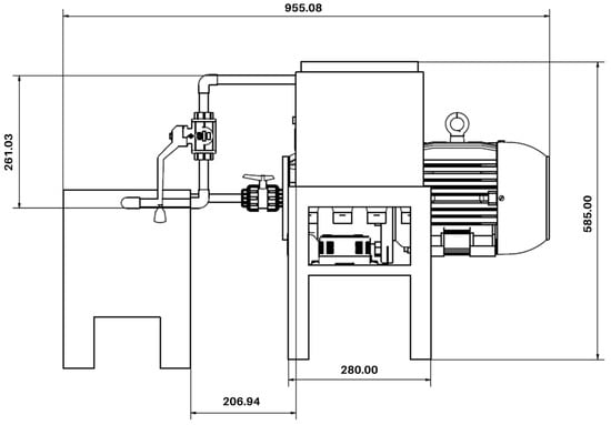
7. Specifications and CAD Design
8. Finite Element Analysis
9. Conclusions
Author Contributions
Funding
Data Availability Statement
Acknowledgments
Conflicts of Interest
References
- Prasad, B.R.; Padhi, R.K.; Ghosh, G. A review on key pretreatment approaches for lignocellulosic biomass to produce biofuel and value-added products. Int. J. Environ. Sci. Technol. 2023, 20, 6929–6944. [Google Scholar] [CrossRef]
- Sharma, S.; Tsai, M.L.; Sharma, V.; Sun, P.P.; Nargotra, P.; Bajaj, B.K.; Chen, C.W.; Dong, C.D. Environment Friendly Pretreatment Approaches for the Bioconversion of Lignocellulosic Biomass into Biofuels and Value-Added Products. Environments 2022, 10, 6. [Google Scholar] [CrossRef]
- Anukam, A.; Berghel, J. Biomass Pretreatment and Characterization: A Review. In Biotechnological Applications of Biomass; IntechOpen: London, UK, 2021. [Google Scholar] [CrossRef]
- Vaithyanathan, K.; Goyette, B.; Rajagopal, R. A critical review of the transformation of biomass into commodity chemicals: Prominence of pretreatments. Environ. Chall. 2023, 11, 100700. [Google Scholar] [CrossRef]
- Saratale, R.G.; Ponnusamy, V.K.; Piechota, G.; Igliński, B.; Shobana, S.; Park, J.H.; Saratale, G.D.; Shin, H.S.; Banu, J.R.; Kumar, V.; et al. Green chemical and hybrid enzymatic pretreatments for lignocellulosic biorefineries: Mechanism and challenges. Bioresour. Technol. 2023, 387, 129560. [Google Scholar] [CrossRef] [PubMed]
- Hernández-Beltrán, J.U.; Lira, I.O.H.-D.; Cruz-Santos, M.M.; Saucedo-Luevanos, A.; Hernández-Terán, F.; Balagurusamy, N. Insight into Pretreatment Methods of Lignocellulosic Biomass to Increase Biogas Yield: Current State, Challenges, and Opportunities. Appl. Sci. 2019, 9, 3721. [Google Scholar] [CrossRef]
- Harmsen, P.; Huijgen, W.; Bermudez, L.; Bakker, R. Literature Review of Physical and Chemical Pretreatment Processes for Lignocellulosic Biomass; Wageningen UR-Food & Biobased Research: Wageningen, The Netherlands, 2010. [Google Scholar]
- Wu, Z.; Peng, K.; Zhang, Y.; Wang, M.; Yong, C.; Chen, L.; Qu, P.; Huang, H.; Sun, E.; Pan, M. Lignocellulose dissociation with biological pretreatment towards the biochemical platform: A review. Mater. Today Bio 2022, 16, 100445. [Google Scholar] [CrossRef]
- Jędrzejczyk, M.; Soszka, E.; Czapnik, M.; Ruppert, A.M.; Grams, J. Physical and chemical pretreatment of lignocellulosic biomass. In Second and Third Generation of Feedstocks; Elsevier: Amsterdam, The Netherlands, 2019; pp. 143–196. [Google Scholar] [CrossRef]
- Bussemaker, M.J.; Zhang, D. Effect of Ultrasound on Lignocellulosic Biomass as a Pretreatment for Biorefinery and Biofuel Applications. Ind. Eng. Chem. Res. 2013, 52, 3563–3580. [Google Scholar] [CrossRef]
- Hoo, D.Y.; Low, Z.L.; Low, D.Y.S.; Tang, S.Y.; Manickam, S.; Tan, K.W.; Ban, Z.H. Ultrasonic cavitation: An effective cleaner and greener intensification technology in the extraction and surface modification of nanocellulose. Ultrason. Sonochem. 2022, 90, 106176. [Google Scholar] [CrossRef]
- Li, X.; Shi, Y.; Kong, W.; Wei, J.; Song, W.; Wang, S. Improving enzymatic hydrolysis of lignocellulosic biomass by bio-coordinated physicochemical pretreatment—A review. Energy Rep. 2022, 8, 696–709. [Google Scholar] [CrossRef]
- Jiao, Y.; Guo, C.; Guan, S.; Pan, X.; Ma, X.; Zhang, Z.; Zhang, Q.; He, C. Enhancement of converting corn stalk into reducing sugar by ultrasonic-assisted ammonium bicarbonate pretreatment. Bioresour. Technol. 2020, 302, 122878. [Google Scholar] [CrossRef] [PubMed]
- Zhang, Y.Q.; Fu, E.H.; Liang, J.H. Effect of Ultrasonic Waves on the Saccharification Processes of Lignocellulose. Chem. Eng. Technol. 2008, 31, 1510–1515. [Google Scholar] [CrossRef]
- Zhang, Q.; Zhang, P.; Pei, Z.J.; Xu, F.; Wang, D.; Vadlani, P. Effects of ultrasonic vibration-assisted pelleting on chemical composition and sugar yield of corn stover and sorghum stalk. Renew. Energy 2015, 76, 160–166. [Google Scholar] [CrossRef]
- Luo, J.; Fang, Z.; Smith, R.L. Ultrasound-enhanced conversion of biomass to biofuels. Prog. Energy Combust. Sci. 2014, 41, 56–93. [Google Scholar] [CrossRef]
- Shukla, A.; Kumar, D.; Girdhar, M.; Kumar, A.; Goyal, A.; Malik, T.; Mohan, A. Strategies of pretreatment of feedstocks for optimized bioethanol production: Distinct and integrated approaches. Biotechnol. Biofuels Bioprod. 2023, 16, 44. [Google Scholar] [CrossRef] [PubMed]
- Xu, B.; Azam, S.R.; Feng, M.; Wu, B.; Yan, W.; Zhou, C.; Ma, H. Application of multi-frequency power ultrasound in selected food processing using large-scale reactors: A review. Ultrason. Sonochem. 2021, 81, 105855. [Google Scholar] [CrossRef] [PubMed]
- Pilli, S.; Bhunia, P.; Yan, S.; LeBlanc, R.J.; Tyagi, R.D.; Surampalli, R.Y. Ultrasonic pretreatment of sludge: A review. Ultrason. Sonochem. 2011, 18, 1–18. [Google Scholar] [CrossRef]
- Manickam, S.; Boffito, D.C.; Flores, E.M.; Leveque, J.M.; Pflieger, R.; Pollet, B.G.; Ashokkumar, M. Ultrasonics and sonochemistry: Editors’ perspective. Ultrason. Sonochem. 2023, 99, 106540. [Google Scholar] [CrossRef] [PubMed]
- Lee, K.M.; Quek, J.D.; Tey, W.Y.; Lim, S.; Kang, H.S.; Quen, L.K.; Mahmood, W.A.W.; Jamaludin, S.I.S.; Teng, K.H.; Khoo, K.S. Biomass valorization by integrating ultrasonication and deep eutectic solvents: Delignification, cellulose digestibility and solvent reuse. Biochem. Eng. J. 2022, 187, 10858. [Google Scholar] [CrossRef]
- Sabaruddin, F.A.; Megashah, L.N.; Shazleen, S.S.; Ariffin, H. Emerging trends in the appliance of ultrasonic technology for valorization of agricultural residue into versatile products. Ultrason. Sonochem. 2023, 99, 106572. [Google Scholar] [CrossRef]
- Wu, Z.; Ferreira, D.F.; Crudo, D.; Bosco, V.; Stevanato, L.; Costale, A.; Cravotto, G. Plant and Biomass Extraction and Valorisation under Hydrodynamic Cavitation. Processes 2019, 7, 965. [Google Scholar] [CrossRef]
- Sangave, P.C.; Pandit, A.B. Ultrasound pre-treatment for enhanced biodegradability of the distillery wastewater. Ultrason. Sonochem. 2004, 11, 197–203. [Google Scholar] [CrossRef] [PubMed]
- Santos, D.; Giacobe, K.; Silva, C.M.; Saldanha, L.F.; Martins, A.F.; Flores, E.M.; Bizzi, C.A. Ultrasound-Assisted Demineralization Process of Sugarcane Straw and Its Influence on the Further Biomass Conversion. Sustainability 2022, 14, 557. [Google Scholar] [CrossRef]
- Setyawan, M.; Mulyono, P.; Sutijan; Budiman, A. Comparison of Nannochloropsis sp. cells disruption between hydrodynamic cavitation and conventional extraction. MATEC Web Conf. 2018, 154, 01023. [Google Scholar] [CrossRef]
- Gaudino, E.C. High-Intensity Ultrasound and Hydrodynamic Cavitation as Powerful Treatment for Biomass Conversion; Université Lyon: Lyon, France, 2017. [Google Scholar]
- Ovalle-Serrano, S.A.; Blanco-Tirado, C.; Combariza, M.Y. Exploring the composition of raw and delignified Colombian fique fibers, tow and pulp. Cellulose 2018, 25, 151–165. [Google Scholar] [CrossRef]
- Baksi, S.; Saha, S.; Birgen, C.; Sarkar, U.; Preisig, H.A.; Markussen, S.; Wittgens, B.; Wentzel, A. Valorization of Lignocellulosic Waste (Crotalaria juncea) Using Alkaline Peroxide Pretreatment under Different Process Conditions: An Optimization Study on Separation of Lignin, Cellulose, and Hemicellulose. J. Nat. Fibers 2019, 16, 662–676. [Google Scholar] [CrossRef]
- Borah, A.J.; Agarwal, M.; Goyal, A.; Moholkar, V.S. Physical insights of ultrasound-assisted ethanol production from composite feedstock of invasive weeds. Ultrason. Sonochem. 2019, 51, 378–385. [Google Scholar] [CrossRef] [PubMed]
- Flores, E.M.M.; Cravotto, G.; Bizzi, C.A.; Santos, D.; Iop, G.D. Ultrasound-assisted biomass valorization to industrial interesting products: State-of-the-art, perspectives and challenges. Ultrason. Sonochem. 2021, 72, 105455. [Google Scholar] [CrossRef] [PubMed]
- Aznar-Ramos, M.J.; Razola-Díaz, M.d.C.; Verardo, V.; Gómez-Caravaca, A.M. Comparison between Ultrasonic Bath and Sonotrode Extraction of Phenolic Compounds from Mango Peel By-Products. Horticulturae 2022, 8, 1014. [Google Scholar] [CrossRef]
- Razola-Díaz, M.d.C.; Aznar-Ramos, M.J.; Guerra-Hernández, E.J.; García-Villanova, B.; Gómez-Caravaca, A.M.; Verardo, V. Establishment of a Sonotrode Ultrasound-Assisted Extraction of Phenolic Compounds from Apple Pomace. Foods 2022, 11, 3809. [Google Scholar] [CrossRef]
- Liiv, J.; Mäeorg, U.; Vaino, N.; Rikmann, E. Low-temperature and Low-pressure HydroThermal Liquefaction (L-HTL) of biomass using ultrasonic cavitation to achieve a local supercritical state in water. Sci. Technol. Energy Transit. 2024, 79, 3. [Google Scholar] [CrossRef]
- Jadhav, H.; Jadhav, A.; Morabiya, Y.; Takkalkar, P.; Qureshi, S.S.; Baloch, A.G.; Nizamuddin, S.; Mazari, S.A.; Abro, R.; Mubarak, N.M. Combined Impact of Ultrasound Pre-treatment and Hydrodistillation on Bioactive Compounds and GC–MS Analysis of Cinnamomum cassia Bark Extract. Waste Biomass Valorization 2021, 12, 807–821. [Google Scholar] [CrossRef]
- Santos-Panqueva, Y.; Guerrero-Fajardo, C.A.; Cuevas-Rodriguez, E.O.; Picos-Corrales, L.A.; Silva, C.M.; Contreras-Andrade, I. Production of Bio-ethylene from Wastes of Microalgae to Biodiesel Biorefinery. Waste Biomass Valorization 2019, 10, 377–386. [Google Scholar] [CrossRef]
- Suhaimi, S.H.; Hasham, R.; Idris, M.K.H.; Ismail, H.F.; Ariffin, N.H.M.; Majid, F.A.A. Optimization of Ultrasound-Assisted Extraction Conditions Followed by Solid Phase Extraction Fractionation from Orthosiphon stamineus Benth (Lamiace) Leaves for Antiproliferative Effect on Prostate Cancer Cells. Molecules 2019, 24, 4183. [Google Scholar] [CrossRef]
- Ruiz, E.; Rodríguez, H.; Coro, J.; Salfrán, E.; Suárez, M.; Martínez-Alvarez, R.; Martín, N. Ultrasound-assisted one-pot, four component synthesis of 4-aryl 3,4-dihydropyridone derivatives. Ultrason. Sonochem. 2011, 18, 32–36. [Google Scholar] [CrossRef]
- Syahir, A.; Sulaiman, S.; Mel, M.; Othman, M.; Sulaiman, S.Z. An Overview: Analysis of ultrasonic-assisted extraction’s parameters and its process. IOP Conf. Ser. Mater. Sci. Eng. 2020, 778, 012165. [Google Scholar] [CrossRef]
- Hornink, M.M.; Nascimento, V.R.; Couto, J.L.; Santos, C.S.; Andrade, L.H. Ultrasound-mediated radical cascade reactions: Fast synthesis of functionalized indolines from 2-(((N-aryl)amino)methyl)acrylates. Ultrason. Sonochem. 2021, 79, 105778. [Google Scholar] [CrossRef] [PubMed]
- Clark, J.H.; Macquarrie, D. (Eds.) Handbook of Green Chemistry and Technology; Wiley: Hoboken, NJ, USA, 2002. [Google Scholar] [CrossRef]
- Kiss, A.A.; Geertman, R.; Wierschem, M.; Skiborowski, M.; Gielen, B.; Jordens, J.; John, J.J.; Van Gerven, T. Ultrasound-assisted emerging technologies for chemical processes. J. Chem. Technol. Biotechnol. 2018, 93, 1219–1227. [Google Scholar] [CrossRef] [PubMed]
- Vartolomei, A.; Calinescu, I.; Vinatoru, M.; Gavrila, A.I. A parameter study of ultrasound assisted enzymatic esterification. Sci. Rep. 2022, 12, 1421. [Google Scholar] [CrossRef]
- Zhou, B.; Feng, H.; Pearlstein, A.J. Continuous-flow ultrasonic washing system for fresh produce surface decontamination. Innov. Food Sci. Emerg. Technol. 2012, 16, 427–435. [Google Scholar] [CrossRef]
- Fijalkowska, A.; Nowacka, M.; Wiktor, A.; Sledz, M.; Witrowa-Rajchert, D. Ultrasound as a Pretreatment Method to Improve Drying Kinetics and Sensory Properties of Dried Apple. J. Food Process. Eng. 2016, 39, 256–265. [Google Scholar] [CrossRef]
- Gavrila, A.I.; Vartolomei, A.; Calinescu, I.; Vinatoru, M.; Parvulescu, O.C.; Psenovschi, G.; Chipurici, P.; Trifan, A. Ultrasound-Assisted Alkaline Pretreatment of Biomass to Enhance the Extraction Yield of Valuable Chemicals. Agronomy 2024, 14, 903. [Google Scholar] [CrossRef]
- Jamshidi, R.; Rossi, D.; Saffari, N.; Gavriilidis, A.; Mazzei, L. Investigation of the Effect of Ultrasound Parameters on Continuous Sonocrystallization in a Millifluidic Device. Cryst. Growth Des. 2016, 16, 4607–4619. [Google Scholar] [CrossRef]
- Pandiselvam, R.; Aydar, A.Y.; Kutlu, N.; Aslam, R.; Sahni, P.; Mitharwal, S.; Gavahian, M.; Kumar, M.; Raposo, A.; Yoo, S.; et al. Individual and interactive effect of ultrasound pre-treatment on drying kinetics and biochemical qualities of food: A critical review. Ultrason. Sonochem. 2023, 92, 106261. [Google Scholar] [CrossRef]
- Brienza, F.; Cannella, D.; Montesdeoca, D.; Cybulska, I.; Debecker, D.P. A guide to lignin valorization in biorefineries: Traditional, recent, and forthcoming approaches to convert raw lignocellulose into valuable materials and chemicals. RSC Sustain. 2024, 2, 37–90. [Google Scholar] [CrossRef]
- Dutta, N.; Usman, M.; Luo, G.; Zhang, S. An Insight into Valorization of Lignocellulosic Biomass by Optimization with the Combination of Hydrothermal (HT) and Biological Techniques: A Review. Sustain. Chem. 2022, 3, 35–55. [Google Scholar] [CrossRef]
- Ning, P.; Yang, G.; Hu, L.; Sun, J.; Shi, L.; Zhou, Y.; Wang, Z.; Yang, J. Recent advances in the valorization of plant biomass. Biotechnol. Biofuels 2021, 14, 102. [Google Scholar] [CrossRef] [PubMed]
- Bizzi, C.A.; Santos, D.; Iop, G.D.; Flores, E.M.M. Biomass Processing Assisted by Ultrasound. In Biomass Valorization; Wiley: Hoboken, NJ, USA, 2021; pp. 315–341. [Google Scholar] [CrossRef]
- Mary, G.S.; Sugumaran, P.; Niveditha, S.; Ramalakshmi, B.; Ravichandran, P.; Seshadri, S. Production, characterization and evaluation of biochar from pod (Pisum sativum), leaf (Brassica oleracea) and peel (Citrus sinensis) wastes. Int. J. Recycl. Org. Waste Agric. 2016, 5, 43–53. [Google Scholar] [CrossRef]
- Galvis-Sandoval, D.E.; Lozano-Pérez, A.S.; Guerrero-Fajardo, C.A. Hydrothermal Valorization via Liquid Hot Water and Hydrothermal Carbonization of Pea Pod Waste: Characterization of the Biochar and Quantification of Platform Molecules. Appl. Sci. 2024, 14, 2329. [Google Scholar] [CrossRef]
- Dessie, W.; Xin, F.; Zhang, W.; Zhou, J.; Wu, H.; Ma, J.; Jiang, M. Inhibitory effects of lignocellulose pretreatment degradation products (hydroxymethylfurfural and furfural) on succinic acid producing Actinobacillus succinogenes. Biochem. Eng. J. 2019, 150, 107263. [Google Scholar] [CrossRef]
- Kim, D. Physico-Chemical Conversion of Lignocellulose: Inhibitor Effects and Detoxification Strategies: A Mini Review. Molecules 2018, 23, 309. [Google Scholar] [CrossRef]
- Hendriks, A.T.W.M.; Zeeman, G. Pretreatments to enhance the digestibility of lignocellulosic biomass. Bioresour. Technol. 2009, 100, 10–18. [Google Scholar] [CrossRef] [PubMed]
- Tangsopa, W.; Thongsri, J. A Novel Ultrasonic Cleaning Tank Developed by Harmonic Response Analysis and Computational Fluid Dynamics. Metals 2020, 10, 335. [Google Scholar] [CrossRef]
- Rashwan, S.S.; Dincer, I.; Mohany, A. Investigation of acoustic and geometric effects on the sonoreactor performance. Ultrason. Sonochem. 2020, 68, 105174. [Google Scholar] [CrossRef] [PubMed]
- Sáez, V.; Frías-Ferrer, A.; Iniesta, J.; González-García, J.; Aldaz, A.; Riera, E. Chacterization of a 20 kHz sonoreactor. Part I: Analysis of mechanical effects by classical and numerical methods. Ultrason. Sonochem. 2005, 12, 59–65. [Google Scholar] [CrossRef]
- Su, T.-J.; Lo, K.-L.; Chung, C.-L.; Tsai, J.S.-H.; Cheng, J.-C. Design of power control for ultrasonic cleaning systems based on hybrid PID/fuzzy methodology. Microsyst. Technol. 2021, 27, 1655–1663. [Google Scholar] [CrossRef]
- Reche, C.; Rosselló, C.; Umaña, M.M.; Eim, V.; Simal, S. Mathematical Modelling of Ultrasound-Assisted Extraction Kinetics of Bioactive Compounds from Artichoke By-Products. Foods 2021, 10, 931. [Google Scholar] [CrossRef]
- Son, Y. Simple design strategy for bath-type high-frequency sonoreactors. Chem. Eng. J. 2017, 328, 654–664. [Google Scholar] [CrossRef]
- Stewart, M. Centrifugal pumps. In Surface Production Operations; Elsevier: Amsterdam, The Netherlands, 2019; pp. 61–309. [Google Scholar] [CrossRef]
- Shiels, S. Centrifugal pump specification and selection—A systems approach. In Stan Shiels on Centrifugal Pumps; Elsevier: Amsterdam, The Netherlands, 2004; pp. 1–20. [Google Scholar] [CrossRef]
- Arnold, K.; Stewart, M.; Stewart, M.I.; Stewart, M.I. Centrifugal Pumps. In Surface Production Operations: Design of Oil-Handling Systems and Facilities; Reviewed for the 1998 edition by Fernando C. De La Fuente of Paragon Engineering Services, Inc.; Elsevier: Amsterdam, The Netherlands, 1999; pp. 355–375. [Google Scholar] [CrossRef]
- Mackay, R. Centrifugal pumps. In The Practical Pumping Handbook; Elsevier: Amsterdam, The Netherlands, 2004; pp. 1–13. [Google Scholar] [CrossRef]










| Feedstock | Microwave Set-Up | Conditions | Desired Product/Process | Source |
|---|---|---|---|---|
| Sugarcane straw | Ultrasonic bath | 25 kHz, 30 min, H2O2 (15% v/v), 70 °C | Demineralization (66%) | [25] |
| Nannochloropsis sp. | Ultrasonic bath | Methanol/hexane (20.5 mL/47.5 mL), 34 °C, 60 min | Lipid extraction (8.9%) | [26] |
| Ocimum basilicum L. | Ultrasonic bath | 75% ethanol at 45 °C 20 kHz and 100 W for 15 min | Polyphenols | [27] |
| Fique fibers, fique tow, fique pulp | Ultrasonic bath | 22 kHz, 130 W, 1 h, 40 °C | Lignin removal (79–88%) | [28] |
| Sunn hemp | Ultrasonic bath | 50 Hz, 50 °C, 1 h | Lignin reduction (2%) | [29] |
| Invasive weeds | Ultrasonic bath | (35 kHz, 35 W and 10% duty cycle) for 12 h | Ethanol increased from 147 g/kg to 220 g/kg | [30] |
| Feedstock | Microwave Set-Up | Conditions | Desired Product/Process | Source |
|---|---|---|---|---|
| Mango peel | Sonotrode | 55/45 ethanol/water (v/v), 18 min, and 65% amplitude | Phenolic compounds (+33%) | [32] |
| Apple pomace | Sonotrode | 6/10 (w/w) feedstock/water, UP400St ultrasonic processor, 50% ethanol, 23 min, and 65% amplitude | Phenolic compounds | [33] |
| Orange by-products | Sonotrode | 45/55 ethanol/water (v/v), 35 min, amplitude 90% (110 W), and pulse 100% | Phenolic content | [33] |
| Cellulose | Sonotrode | 1 kW, HTL reactor, 3% KOH | - | [34] |
| Cinnamomum cassia | Sonotrode | Solid loading 25 g, ultrasound power 600 W, 35 min, solvent quantity 100 mL, yield of 3.17% | Bark oil | [35] |
| Microalgae | Sonotrode | 200 W, 24 kHz, chloroform/methanol/water ratio (2:1:1.8) | Microalgae hydrolysate | [36] |
| Physicochemical Parameter | Result (%w) | Source |
|---|---|---|
| Bulk density (g/mL) | 0.65 ± 0.01 | [53] |
| Moisture | 7.77 | [54] |
| Volatile matter | 74.18 | |
| Ash | 4.22 | |
| Fixed carbon | 13.0 | |
| Cellulose | 20.2 | |
| Hemicellulose | 17.4 | |
| Lignin | 5.0 | |
| Electrical conductivity (µs/cm) | 589 ± 0.10 | [53] |
| pH | 8.84 ± 0.08 | [53] |
| Water-holding capacity (%) | 200 ± 1.00 | [53] |
| Characteristic | Value |
|---|---|
| Volume of steel glass (L) | 5 |
| Frequency (kHz) | 40, 80, 120 |
| Nominal power (W) | 260 |
| Transductor | 16 |
| Pump | VOGT N610 |
Disclaimer/Publisher’s Note: The statements, opinions and data contained in all publications are solely those of the individual author(s) and contributor(s) and not of MDPI and/or the editor(s). MDPI and/or the editor(s) disclaim responsibility for any injury to people or property resulting from any ideas, methods, instructions or products referred to in the content. |
© 2024 by the authors. Licensee MDPI, Basel, Switzerland. This article is an open access article distributed under the terms and conditions of the Creative Commons Attribution (CC BY) license (https://creativecommons.org/licenses/by/4.0/).
Share and Cite
Ramirez Cabrera, P.A.; Lozano Pérez, A.S.; Guerrero Fajardo, C.A. Innovative Design of a Continuous Ultrasound Bath for Effective Lignocellulosic Biomass Pretreatment Based on a Theorical Method. Inventions 2024, 9, 105. https://doi.org/10.3390/inventions9050105
Ramirez Cabrera PA, Lozano Pérez AS, Guerrero Fajardo CA. Innovative Design of a Continuous Ultrasound Bath for Effective Lignocellulosic Biomass Pretreatment Based on a Theorical Method. Inventions. 2024; 9(5):105. https://doi.org/10.3390/inventions9050105
Chicago/Turabian StyleRamirez Cabrera, Paula Andrea, Alejandra Sophia Lozano Pérez, and Carlos Alberto Guerrero Fajardo. 2024. "Innovative Design of a Continuous Ultrasound Bath for Effective Lignocellulosic Biomass Pretreatment Based on a Theorical Method" Inventions 9, no. 5: 105. https://doi.org/10.3390/inventions9050105
APA StyleRamirez Cabrera, P. A., Lozano Pérez, A. S., & Guerrero Fajardo, C. A. (2024). Innovative Design of a Continuous Ultrasound Bath for Effective Lignocellulosic Biomass Pretreatment Based on a Theorical Method. Inventions, 9(5), 105. https://doi.org/10.3390/inventions9050105

