Improvement of the Liquefied Natural Gas Vapor Utilization System Using a Gas Ejector
Abstract
:1. Introduction
2. Materials and Methods
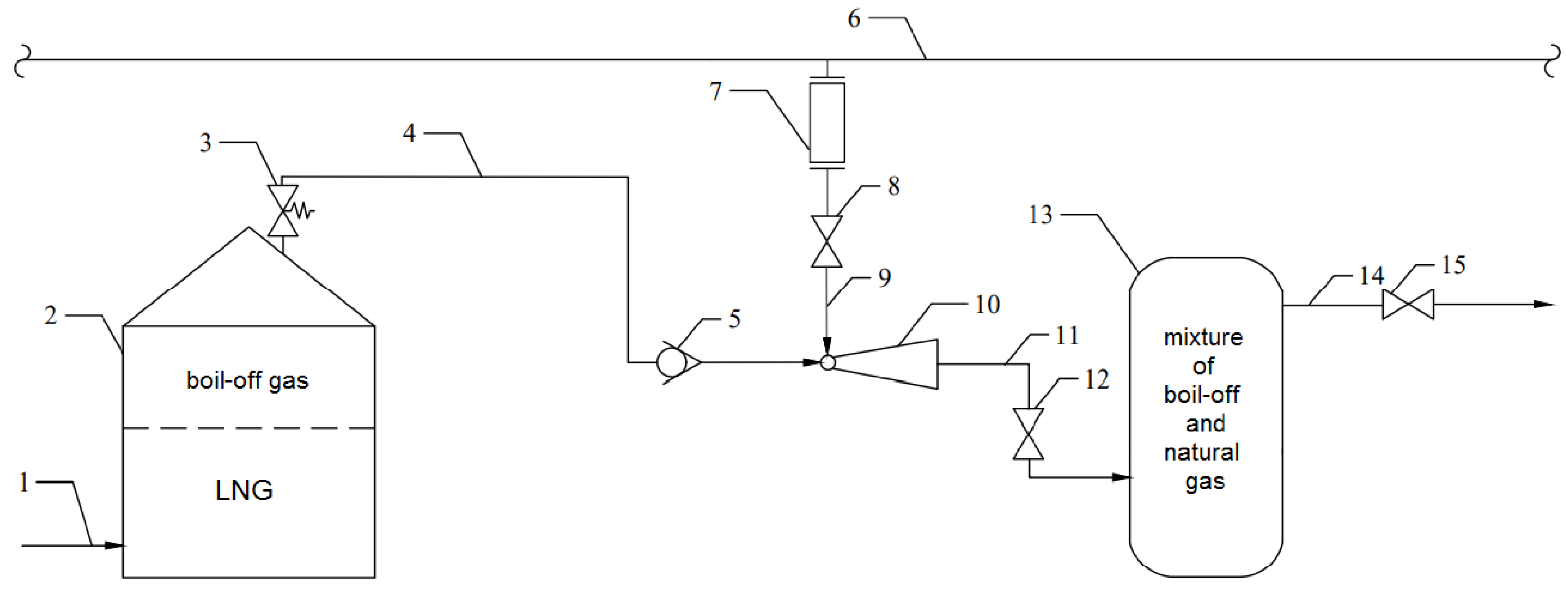
2.1. Description of the Technical Solution
2.2. Determination of Boil-Off Gas Parameters during LNG Storage in a Tank
- Filling level of the cryogenic tank with liquid—80%;
- ; —volume of the liquid and vapour phase in the tank, respectively;
- —temperature in the tank prior to the moment of intensive vaporization and at the time of discharge, respectively;
- —pressure of saturated vapours corresponding to temperatures (according to the phase diagram);
- —LNG density at and ;
- —molar mass of methane as the main constituent component (95%) of LNG [39].
- Gas molar volume before () and after () evaporation, based on the Clapeyron-Mendeleev equation: ;
- Mass of saturated vapours in the tank: ;
- Mass of boil-off gas to be discharged: .
2.3. Calculation of the Flow Rate of Boil-Off Gas Passing through the Pressure Safety Valve and Determination of the Diameter of the Valve Flow Area
- —actuation pressure of the pressure safety valve;
- —pressure maintained in the pipeline system at the valve outlet prior to the pressure release from the tank;
- —boil-off gas adiabatic exponent (determined from the phase diagram);
- Boil-off gas density at the valve inlet does not change significantly and can be assumed equal to ;
- —specific heat of methane vaporization;
- Geometry factor of the pressure safety valve: ;
- Valve flow rate: ;
- Temperature and velocity at critical gas outflow: , ;
- Gas density in the outlet section of the discharge pipeline: ;
- Area of the discharge pipeline: ; diameter of the discharge pipeline: .
2.4. Determination of the Operational Efficiency Indicators of the Ejector for the Transportation of Boil-Off Gas with the Specified Parameters
- —natural gas temperature;
- —natural gas pressure (absolute);
- —natural gas density;
- —adiabatic exponent of natural gas (determined based on the physical-chemical properties of gas);
- —boil-off gas temperature;
- —boil-off gas pressure (absolute);
- —boil-off gas mass flow rate;
- —boil-off gas adiabatic exponent (determined based on the physical-chemical properties of gas);
- —boil-off gas flow area;
- —specific heat of methane vaporization;
- Critical outflow velocity from the ejector nozzle: ;
- Pressure ratio: ;
- Ejection coefficient: ;
- Natural gas mass flow rate: ;
- Natural gas flow area: ;
- Mixture flow area: ;
- Absolute pressure of the mixture: ;
- Mixture temperature: ;
- Mixture critical velocity: ;
- Ejector efficiency: .
3. Results and Discussion
- The calculations of the boil-off gas parameters in the tank showed that an increase in the ambient temperature by 20 °C would change the boil-off gas flow rate by 8.7%, i.e., by 0.4% at 1 °C. Using mathematical modeling, the authors [40] concluded that an increase in ambient temperature of 1 °C causes a change in the boil-off gas flow rate of about 0.2%. The authors of [41] propose the construction of a tank with thermal insulation, in which the boiling rate of the fuel is 0.25% per day. This indicator may vary depending on the tank wall heat transfer and the type of insulation; however, the calculated value is objective, which confirms the applicability of the chosen method.
- The use of the ejector makes it possible to increase the pressure of the boil-off gas discharged from the tank from 0.32 MPa to 1.13 MPa, which makes it possible to avoid using a compressor for this purpose. The generation of high boil-off gas pressure is relevant not only for tank farms, but also for LNG ships. For instance, the authors of [3] consider it economically feasible to re-liquefy boil-off gas by compressing it using the compressor and subsequently expanding it using the Joule Thomson cycle. However, when using the ejectors in gas carriers, other sources of high-pressure operating flow should be considered for BOG compression. The replacement of the compressor with an ejector is applicable in the previously described methods of the boil-off gas recovery [5,9,10,11,13,14,17,18].
- The ejector used for the recovery of boil-off gas eliminates the release to the atmosphere or flaring, which prevents the loss of fuel and its release into the atmosphere. The authors of [42] consider the method of disposal by flaring as one of the possible; however, they also believe that it should be used only under extreme deviations from the norm or emergency conditions in order to reduce the greenhouse effect.
- The efficiency factor of 14.6% of the device slightly exceeds the typical indicators for gas ejector systems, e.g., 10%, as per the data [26]. This excess can be explained by the fact that the calculation of the proposed ejector was carried out at the maximum allowable ejection coefficient determined by the maximum allowable flow rate of high-pressure natural gas flow, as well as the high-pressure ratio obtained due to the high pressure of the main flow.
- The power of the gas ejector used for compression is 3451 kW, which exceeds by about 60 times the compressor operating power (55 kW) [24]. However, this energy is converted from the main stream of the natural gas, in which pressure is already generated, which makes it possible to avoid the use of external power supplies, and the pressure at the ejector outlet exceeds by 1.3 times the discharge pressure of the above-mentioned compressor MIKUNI DN6-25BG2. The power of the boil-off gas compressor proposed in [43] is 1600 kW, at a flow rate of 4.2 kg/s, while the power of the ejector described in this article is about five times greater, taking into account the same flow rate.
- According to the estimate of the ejector dimensions with the fixed required diameters, its length shall be about 2.8 m and its weight shall be about 30 kg. The authors were not able to compare the obtained physical dimensions and weight of the ejector with findings in previous research as no information about the existence of ejectors designed for such high flow rates was found. Proceeding from the cost of stainless steel pipes of $5–6/running meter and the labour costs required for a gas ejector manufacture, the cost can be estimated at $50. These indicators are 103 times lower in terms of metal consumption and 172 times lower in cost than when using a compressor (3.1 tons, $8600).
- The component composition of the ejector operating flow, which is natural gas from the main pipeline, is similar to the boil-off gas composition, which offers the opportunity of re-liquefaction and using the resulting mixture.
4. Patents
Author Contributions
Funding
Conflicts of Interest
Abbreviations
| tank capacity, m3; | |
| volume of the liquid phase in the tank, m3; | |
| volume of the vapour phase in the tank, m3; | |
| temperature in the tank prior to the moment of intensive vaporization, K; | |
| temperature in the tank prior at the time of discharge, K; | |
| , | pressure of saturated vapours corresponding to temperatures and , MPa (according to the phase diagram); |
| LNG density at and , ; | |
| molar mass, ; | |
| gas molar volume, ; | |
| atmospheric pressure, MPa; | |
| mass of saturated vapours in the tank, kg; | |
| volume of saturated vapours in the tank, m3; | |
| mass of boil-off gas to be discharged, kg; | |
| actuation pressure of the pressure safety valve, MPa; | |
| pressure maintained in the pipeline system at the valve outlet prior to the pressure release from the tank, MPa; | |
| boil-off gas adiabatic exponent (determined from the phase diagram); | |
| boil-off gas density at the valve inlet, ; | |
| specific heat of methane vaporization, ; | |
| geometry factor of the pressure safety valve; | |
| safety valve flow rate | |
| value of safety valve effective area, ; | |
| , | temperature and velocity at critical gas outflow of safety valve, , ; |
| gas density in the outlet section of the discharge pipeline, ; | |
| temperature in the outlet section of the discharge pipeline, K; | |
| , | area and diameter of the discharge pipeline, , m; |
| natural gas temperature at the inlet to the ejector, K; | |
| boil-off gas temperature at the inlet to the ejector, K; | |
| natural gas pressure (absolute) at the inlet to the ejector, MPa; | |
| boil-off gas pressure (absolute) at the inlet to the ejector, MPa; | |
| natural gas density of the ejector at the inlet to the ejector, ; | |
| adiabatic exponent of natural gas (determined based on the physical-chemical properties of gas); | |
| natural gas mass flow rate at the inlet to the ejector, ; | |
| boil-off gas mass flow rate at the inlet to the ejector, ; | |
| flow area of the natural gas pipe of the ejector, ; | |
| flow area of boil-off gas pipe of the ejector, ; | |
| flow area of mixture pipe of the ejector, ; | |
| flow area diameter of natural gas pipe of the ejector, ; | |
| flow area diameter of boil-off gas pipe of the ejector, ; | |
| flow area diameter of mixture pipe of the ejector, ; | |
| ratio of the cross-sectional areas of the low-pressure to high-pressure flows of the ejector; | |
| critical outflow velocity from the ejector nozzle, ; | |
| pressure ratio at a critical outflow at the ejector nozzle; | |
| ejection coefficient; | |
| mixture pressure in the ejector (absolute), MPa; | |
| mixture temperature in the ejector, K; | |
| critical outflow velocity from the ejector nozzle, m/s; | |
| mixture critical velocity in the ejector, m/s; | |
| ejector efficiency |
Appendix A
| To calculate the parameters of the boil-off gas when storing liquefied natural gas (LNG) in a tank |
|
| To calculate the flow rate of the boil-off gas passing through the safety valve and to establish the diameter of the flow section of the valve |
|
| To calculate the performance indicators of the ejector for the transportation of boil-off gas of the specified parameters |
|
References
- The Official Website of the Company British Petroleum. 2021. Available online: https://www.bp.com (accessed on 15 April 2021).
- Tagliaferri, C.; Clift, R.; Lettieri, P.; Chapman, C. Liquefied natural gas for the UK: A life cycle assessment. Int. J. Life Cycle Assess. 2017, 22, 1944–1956. [Google Scholar] [CrossRef] [Green Version]
- Bouabidi, Z.; Almomani, F.; Al-musleh, E.I.; Katebah, M.A.; Hussein, M.M.; Shazed, A.R.; Karimi, I.A.; Alfadala, H. Study on Boil-off Gas (BOG) Minimization and Recovery Strategies from Actual Baseload LNG Export Terminal: Towards Sustainable LNG Chains. Energies 2021, 14, 3478. [Google Scholar] [CrossRef]
- Tsvetkov, P.S.; Fedoseev, S.V. Analysis of project organization specifics in small-scale LNG production. J. Min. Inst. 2020, 246, 678–686. [Google Scholar] [CrossRef]
- Cherepovitsyn, A.E.; Lipina, S.A.; Evseeva, O.O. Innovative approach to the development of mineral raw materials of the arctic zone of the Russian Federation. J. Min. Inst. 2018, 232, 438. [Google Scholar] [CrossRef]
- Mokhatab, S.; Mak, J.; Valappil, J.; Wood, D. Handbook of Liquefied Natural Gas; Gulf Professional Publishing: Houston, TX, USA, 2014. [Google Scholar]
- Voronov, V.A.; Martynenko, I.V. Process design of the ejector system to reset the vapors of liquefied natural gas (LNG). In Topical Issues of Rational Use of Natural Resources 2019; Litvinenko, V., Ed.; Taylor & Francis Grop: London, UK, 2020; pp. 107–113. [Google Scholar] [CrossRef]
- Bebelin, I.N.; Belyakov, S.V.; Zashlyapin, R.A.; Karfidov, N.A.; Petrenko, V.M.; Sinitsyn, E.Y.; Cheremnykh, O.Y.; Shushkov, S.L. Method of Storage of Liquefied Natural Gas in a Transport Container. Patent of Russia No. 2002990 C1, 15 November 1993. [Google Scholar]
- Shin, D.; Choi, Y.-D.; Lee, J.-I.; Kim, H.-K.; Kim, C.-H. Device and Method for Processing Steam Gas on an LNG Tanker with an Electric Propulsion System and with a Re-Liquefaction Function. Patent of Russia No. 2481234 C1, 10 May 2013. [Google Scholar]
- Lee, R. Methods of Storage of Cryogenic Fluids in Storage Tanks. Patent of Russia No. 2628337 C2, 16 August 2017. [Google Scholar]
- Mnushkin, I.A.; Nikitin, S.P. Liquefied Natural Gas Storage and Shipment Method. Patent of Russia No. 2680914 C1, 28 February 2019. [Google Scholar]
- Official Website of Linde Engineering. 2021. Available online: https://www.linde-engineering.com/en/index.html (accessed on 6 May 2021).
- The Linde Group. StarLNG. Advanced Standardized Small- and Medium-Tonnage LNG Plants. 2017. Available online: StarLNG_Russian_tcm480-458277.pdf (accessed on 31 May 2021).
- Rachevsky, B.S. Liquefied Hydrocarbon Gases; OIL and GAS: Moscow, Russia, 2009; p. 640. [Google Scholar]
- Lee, J.-H. A Treatment System of Gas and Vessel Having Same. Patent of South Korea No. KR20160120195A, 7 April 2015. [Google Scholar]
- Kim, D.; Hwang, C.; Gundersen, T.; Lim, Y. Process design and economic optimization of boil-off-gas re-liquefaction systems for LNG carriers. Energy 2019, 173, 1119–1129. [Google Scholar] [CrossRef]
- Wärtsilä. BOG Reliquefaction Takes Another Step forward with the Compact Reliq from Wärtsilä. 2021. Available online: https://www.wartsila.com/insights/article/bog-reliquefaction-takes-another-step-forward-with-the-compact-reliq-from-wartsila (accessed on 20 December 2021).
- Zhao, B.; Wang, T.; Peng, X.; Feng, J. Experimental study on performance of BOG compressor. In IOP Conference Series: Materials Science and Engineering; IOP Publishing: Bristol, UK, 2015; Volume 90. [Google Scholar] [CrossRef] [Green Version]
- GOST R 55892-2013; Objects of Low-Tonnage Production and Consumption of Liquefied Natural Gas. General Technical Requirements. Standartinform: Moscow, Russia, 2014.
- GOST R 56021-2014; Natural Liquefied Combustible Gas. Fuel for Internal Combustion Engines and Power Plants. Technical Conditions. Techexpert: Moscow, Russia, 2016.
- SP 240.1311500.2015; Storage of Liquefied Natural Gas. Fire Safety Requirements. Techexpert: Moscow, Russia, 2016.
- ISO-DTS-18683; Guidelines for Systems and Installations for Supply of LNG as Fuel to Ships. BS: UK, 2015.
- Katysheva, E. Prospects and environmental implications of the use of liquefied natural gas as bunker fuel in the arctic region of Russia. In Proceedings of the 17th International Multidisciplinary Scientific GeoConference Surveying Geology and Mining Ecology Management, SGEM, Vienna, Austria, 27–29 November 2017; Volume 17, pp. 423–430. [Google Scholar] [CrossRef]
- Official Website of the Engineering Company “Pneumomash”. 2021. Available online: https://www.pnevmomash.ru/ (accessed on 31 May 2021).
- Abramovich, G.N. Applied Gas Dynamics. Study Guide: For Universities; Nauka: Moscow, Russia, 1991; p. 600. [Google Scholar]
- Donets, K.G. Hydraulic Jet Compressor Units; Nedra: Moscow, Russia, 1990; p. 174. [Google Scholar]
- Erokhin, A.P. Calculation of the optimal parameters of the ejector. J. Min. Inst. 1973, 1, 32. Available online: https://pmi.spmi.ru/index.php/pmi/article/view/11660 (accessed on 12 December 2021).
- Sokolov, E.Y.; Singer, N.M. Inkjet Devices, 3rd ed.; Energoatomizdat: Moscow, Russia, 1989; p. 352. [Google Scholar]
- Drozdov, A.N.; Gorbyleva, Y.A. Improving the Operation of Pump-ejector Systems at Varying Flow Rates of Associated Petroleum Gas. J. Min. Inst. 2019, 238, 415. [Google Scholar] [CrossRef] [Green Version]
- Aidoun, Z.; Ameur, K.; Falsafioon, M.; Badache, M. Current Advances in Ejector Modeling, Experimentation and Applications for Refrigeration and Heat Pumps. Part 1: Single-Phase Ejectors. Inventions 2019, 4, 15. [Google Scholar] [CrossRef] [Green Version]
- Lyubin, E.A. Justification of the Technology for Capturing Oil Vapors from Reservoirs of the RVS Type Using a Pump-Ejector Installation. Ph.D. Thesis, St. Petersburg State Mining Institute G.V. Plekhanov, Saint Petersburg, Russia, 2010; p. 197. [Google Scholar]
- Lyubin, E.A. Evaluation of a Technology for Capturing Petroleum Vapors from Rvs-Type Storage Tanks with the Use of a Pump-Ejector Plant. Chem. Petrol. Eng. 2014, 50, 288–293. [Google Scholar] [CrossRef]
- Morozova, N.V.; Korshak, A.A. Universal characteristics of liquid-gas ejectors. Oil Gas Bus. Electron. Sci. J. 2013, 6, 368–383. [Google Scholar] [CrossRef]
- Ameur, K.; Aidoun, Z.; Falsafioon, M. Experimental operation of a two-phase ejector: Nozzle geometry and supercooling effects. Inventions 2020, 5, 23. [Google Scholar] [CrossRef]
- Andreev, V.V.; Lebedev, V.A.; Spesivtsev, B.I. Heat Engineering. Textbook; Saint Petersburg Mining University: Saint Petersburg, Russia, 2016; p. 288. [Google Scholar]
- Karyakina, E.D.; Shammazov, I.A.; Shalygin, A.V. Main aspects of liquefied natural gas process line thermal and hydraulic calculations. In IOP Conference Series: Earth and Environmental Science; IOP Publishing: Bristol, UK, 2021; Volume 5, p. 677. [Google Scholar] [CrossRef]
- Rakhimov, V.O. Features of Thermodynamic Processes during Storage of Liquefied Natural Gas. Ph.D. Thesis, Ufa State Petroleum Technical University, Ufa, Russia, 2013; p. 136. [Google Scholar]
- Official Website of the Cryogenic Equipment Manufacturer Hangzhou Chuankong General Equipment Co. 2021. Available online: https://www.ckcryo.com/product/vacuum-insulated-cryogenic-tank/ (accessed on 22 November 2021).
- GOST R 56851-2016; Natural Liquefied Gas. A Method for Calculating Thermodynamic Properties. Standartinform: Moscow, Russia, 2016.
- Seredenko, E.S.; Pakhomov, O.V.; Baranov, A.Y. Mathematical model of evaporation of liquefied natural gas and analysis of the effect of the initial composition on the evaporation rate. Sci. Tech. Bull. Inf. Technol. Mech. Opt. 2020, 20, 603–610. Available online: https://cyberleninka.ru/article/n/matematicheskaya-model-ispareniya-szhizhennogo-prirodnogo-gaza-i-analiz-vliyaniya-ishodnogo-sostava-na-skorost-ispareniya (accessed on 28 December 2021).
- Abd, A.A.; Naji, S.Z.; Rashid, F.L. Efficient Design of a Large Storage Tank for Liquefied Natural Gas. J. Univ. Babylon Eng. Sci. 2018, 26, 362–382. Available online: https://www.researchgate.net/publication/324039736_Efficient_Design_of_a_Large_Storage_Tank_for_Liquefied_Natural_Gas (accessed on 3 January 2022).
- Tarlowski, J.; Sheffield, J.; Durr, C.; Coyle, D. LNG Import Terminals—Recent Developments; Gas Research & Technology Centre: Loughborough, UK, 2022; p. 15. Available online: https://www.researchgate.net/publication/267680073_LNG_Import_Terminals_-_Time_for_a_Step_Change_LNG_Import_Terminals_-_Time_for_a_Step_Change (accessed on 3 January 2022).
- Akamo, N. Process critical compressors. LNG Ind. 2008, 13, 85–91. Available online: https://www.researchgate.net/publication/294455577_Process_critical_compressors (accessed on 3 January 2022).


| Parameters of the boil-of gas during storage of LNG in the tank |
|
| Parameters of the safety valve for the discharge of boil-of gas from the LNG tank |
|
| Parameters of the efficiency of the ejector for the transportation of boil-of gas |
|
Publisher’s Note: MDPI stays neutral with regard to jurisdictional claims in published maps and institutional affiliations. |
© 2022 by the authors. Licensee MDPI, Basel, Switzerland. This article is an open access article distributed under the terms and conditions of the Creative Commons Attribution (CC BY) license (https://creativecommons.org/licenses/by/4.0/).
Share and Cite
Bolobov, V.; Martynenko, Y.V.; Voronov, V.; Latipov, I.; Popov, G. Improvement of the Liquefied Natural Gas Vapor Utilization System Using a Gas Ejector. Inventions 2022, 7, 14. https://doi.org/10.3390/inventions7010014
Bolobov V, Martynenko YV, Voronov V, Latipov I, Popov G. Improvement of the Liquefied Natural Gas Vapor Utilization System Using a Gas Ejector. Inventions. 2022; 7(1):14. https://doi.org/10.3390/inventions7010014
Chicago/Turabian StyleBolobov, Victor, Yana Vladimirovna Martynenko, Vladimir Voronov, Ilnur Latipov, and Grigory Popov. 2022. "Improvement of the Liquefied Natural Gas Vapor Utilization System Using a Gas Ejector" Inventions 7, no. 1: 14. https://doi.org/10.3390/inventions7010014
APA StyleBolobov, V., Martynenko, Y. V., Voronov, V., Latipov, I., & Popov, G. (2022). Improvement of the Liquefied Natural Gas Vapor Utilization System Using a Gas Ejector. Inventions, 7(1), 14. https://doi.org/10.3390/inventions7010014

