An Ultra High Gain Converter for Driving HASEL Actuator Used in Soft Mobile Robots
Abstract
1. Introduction
1.1. HASEL Actuator Construction and Fabrication
1.2. Stringent Power Supply Requirement for the Soft Robots
1.3. Literature Review
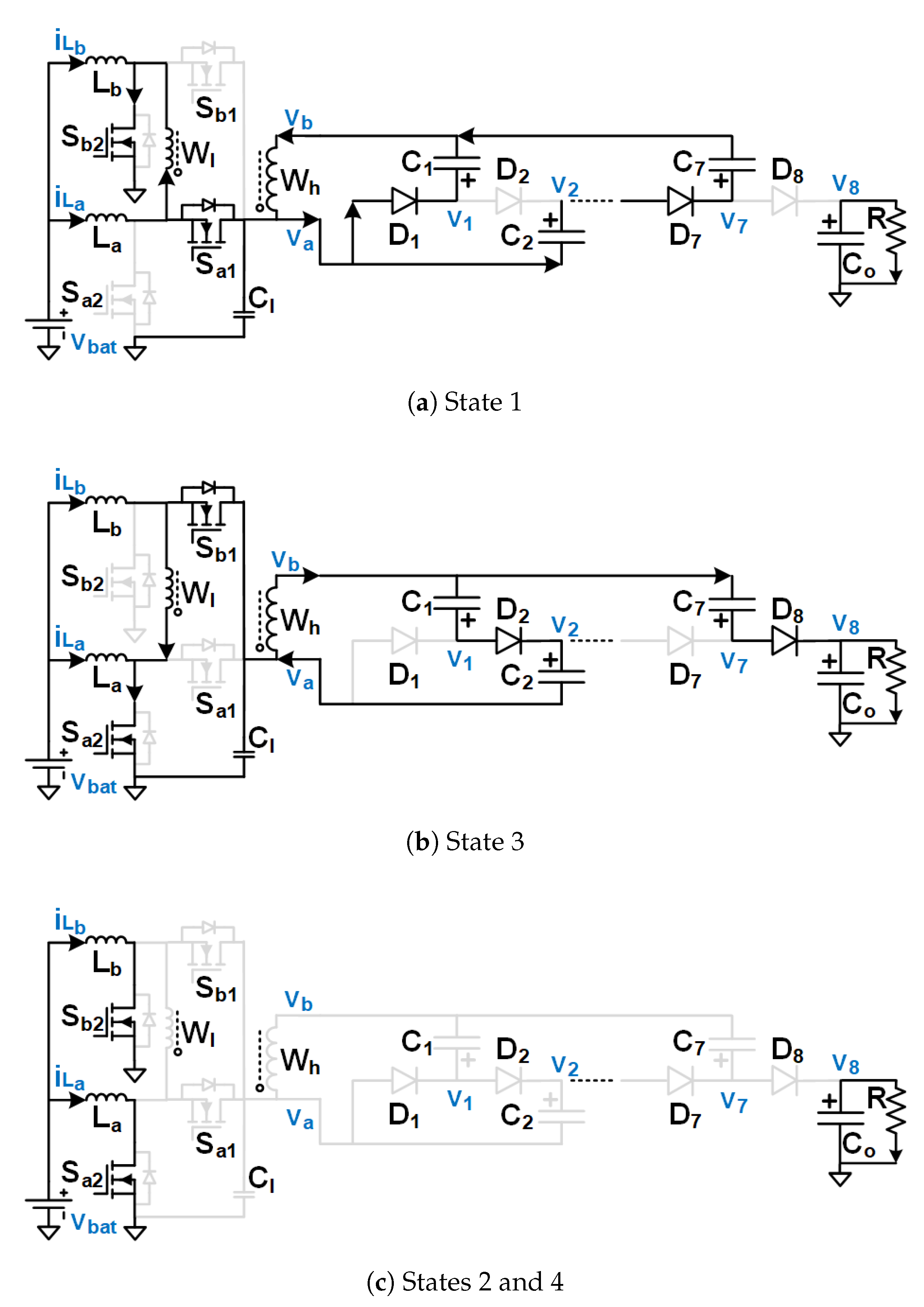
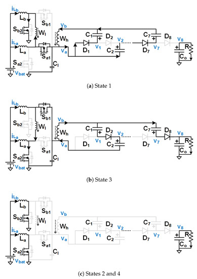
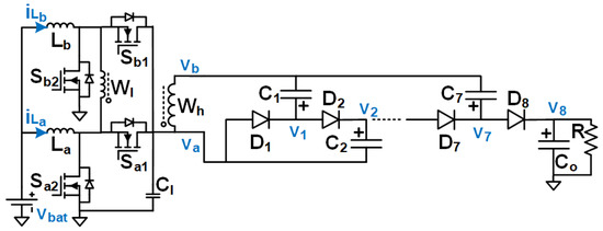
2. Proposed UHG Converter and Its Operating States
2.1. Operation and Steady-State Analysis of HGSME
2.2. Operation and Steady-State Analysis of DCVMR
3. Hardware Prototype and Experimental Results
3.1. Design of Hardware Prototype
3.2. Compact PCB Design for Extremely High Voltage
3.2.1. Reduction of Electric Field Intensity
Geometry of PCB Pads and Solder Joints
Physical Distance between Nodes
3.2.2. Strengthening the Dielectric Medium
Inter-Layer Dielectric
Intra-Layer Dielectric
3.3. Discussion on Experimental Results
4. Conclusions
Author Contributions
Funding
Institutional Review Board Statement
Informed Consent Statement
Data Availability Statement
Acknowledgments
Conflicts of Interest
Abbreviations
| LV | Low Voltage |
| HV | High Voltage |
| HVW | High Voltage Winding |
| LVW | Low Voltage Winding |
| HGSME | High-Gain Switched Magnetic Element |
| UHG | Ultra-High Gain |
| DCVMR | Diode and Capacitor-based Voltage Multiplier Rectifier |
| 8PDDCVMR | 8 Level Positive output Dickson type DCVMR |
| HASEL | Hydraulically Amplified Self-healing Electrostatic |
References
- Robotic Prosthetics Market Worth $1.76 Billion By 2025|CAGR: 9.2%. Available online: https://www.grandviewresearch.com/press-release/global-robotic-prosthetics-market (accessed on 23 January 2023).
- Rus, D.; Tolley, M.T. Design, fabrication and control of soft robots. Nature 2015, 521, 467–475. [Google Scholar] [CrossRef] [PubMed]
- Nanayakkara, T.; Jiang, A.; Fernandez, M.d.R.A.; Liu, H.; Althoefer, K.; Bimbo, J. Stable grip control on soft objects with time-varying stiffness. IEEE Trans. Robot. 2016, 32, 626–637. [Google Scholar] [CrossRef]
- Tawk, C.; Gillett, A.; Panhuis, M.; Spinks, G.M.; Alici, G. A 3D-printed omni-purpose soft gripper. IEEE Trans. Robot. 2019, 35, 1268–1275. [Google Scholar] [CrossRef]
- Li, Y.; Chen, Y.; Yang, Y.; Wei, Y. Passive particle jamming and its stiffening of soft robotic grippers. IEEE Trans. Robot. 2017, 33, 446–455. [Google Scholar] [CrossRef]
- Liu, C.H.; Chung, F.M.; Chen, Y.; Chiu, C.H.; Chen, T.L. Optimal Design of a Motor-Driven Three-Finger Soft Robotic Gripper. IEEE/ASME Trans. Mechatron. 2020, 25, 1830–1840. [Google Scholar] [CrossRef]
- Jung, G.P.; Koh, J.S.; Cho, K.J. Underactuated adaptive gripper using flexural buckling. IEEE Trans. Robot. 2013, 29, 1396–1407. [Google Scholar] [CrossRef]
- Kim, T.; Yoon, S.J.; Park, Y.L. Soft inflatable sensing modules for safe and interactive robots. IEEE Robot. Autom. Lett. 2018, 3, 3216–3223. [Google Scholar] [CrossRef]
- Somm, L.; Hahn, D.; Kumar, N.; Coros, S. Expanding Foam as the Material for Fabrication, Prototyping and Experimental Assessment of Low-Cost Soft Robots With Embedded Sensing. IEEE Robot. Autom. Lett. 2019, 4, 761–768. [Google Scholar] [CrossRef]
- Gladman, A.S.; Matsumoto, E.A.; Nuzzo, R.G.; Mahadevan, L.; Lewis, J.A. Biomimetic 4D printing. Nat. Mater. 2016, 15, 413–418. [Google Scholar] [CrossRef]
- Wood, R.J. The first takeoff of a biologically inspired at-scale robotic insect. IEEE Trans. Robot. 2008, 24, 341–347. [Google Scholar] [CrossRef]
- Ma, K.Y.; Chirarattananon, P.; Fuller, S.B.; Wood, R.J. Controlled flight of a biologically inspired, insect-scale robot. Science 2013, 340, 603–607. [Google Scholar] [CrossRef]
- Jamal, M.; Kadam, S.S.; Xiao, R.; Jivan, F.; Onn, T.M.; Fernandes, R.; Nguyen, T.D.; Gracias, D.H. Bio-origami hydrogel scaffolds composed of photocrosslinked PEG bilayers. Adv. Healthc. Mater. 2013, 2, 1142–1150. [Google Scholar] [CrossRef]
- Rus, D.; Tolley, M.T. Design, fabrication and control of origami robots. Nat. Rev. Mater. 2018, 3, 101–112. [Google Scholar] [CrossRef]
- Miriyev, A.; Stack, K.; Lipson, H. Soft material for soft actuators. Nat. Commun. 2017, 8, 596. [Google Scholar]
- Acome, E.; Mitchell, S.K.; Morrissey, T.; Emmett, M.; Benjamin, C.; King, M.; Radakovitz, M.; Keplinger, C. Hydraulically amplified self-healing electrostatic actuators with muscle-like performance. Science 2018, 359, 61–65. [Google Scholar] [CrossRef]
- McGough, K.; Ahmed, S.; Frecker, M.; Ounaies, Z. Finite element analysis and validation of dielectric elastomer actuators used for active origami. Smart Mater. Struct. 2014, 23, 094002. [Google Scholar] [CrossRef]
- Cao, J.; Liang, W.; Ren, Q.; Gupta, U.; Chen, F.; Zhu, J. Modelling and control of a novel soft crawling robot based on a dielectric elastomer actuator. In Proceedings of the 2018 IEEE International Conference on Robotics and Automation (ICRA), Brisbane, Australia, 21–25 May 2018; pp. 1–9. [Google Scholar]
- Abbasalipour, A.; Palit, P.; Pourkamali, S. High-Energy Density Micro-Machined Cellular Arrays of Electrostatic Actuators. In Proceedings of the 2019 20th International Conference on Solid-State Sensors, Actuators and Microsystems & Eurosensors XXXIII (TRANSDUCERS & EUROSENSORS XXXIII), Berlin, Germany, 23–27 June 2019; pp. 1870–1873. [Google Scholar]
- Rizzello, G.; Serafino, P.; Naso, D.; Seelecke, S. Towards Sensorless Soft Robotics: Self-Sensing Stiffness Control of Dielectric Elastomer Actuators. IEEE Trans. Robot. 2019, 36, 174–188. [Google Scholar] [CrossRef]
- Xu, R.; Sui, F.; Jalan, G.; Lee, P.; Ren, L.; Sanghadasa, M.; Lin, L. Untethered Soft Robots with Bioinspired Bone-and-Flesh Constructs for Fast Deterministic Actuation. In Proceedings of the 2019 20th International Conference on Solid-State Sensors, Actuators and Microsystems & Eurosensors XXXIII (TRANSDUCERS & EUROSENSORS XXXIII), Berlin, Germany, 23–27 June 2019; pp. 80–83. [Google Scholar]
- Leigh, S.J.; Bradley, R.J.; Purssell, C.P.; Billson, D.R.; Hutchins, D.A. A simple, low-cost conductive composite material for 3D printing of electronic sensors. PLoS ONE 2012, 7, e49365. [Google Scholar] [CrossRef]
- Zarek, M.; Layani, M.; Cooperstein, I.; Sachyani, E.; Cohn, D.; Magdassi, S. 3D printing of shape memory polymers for flexible electronic devices. Adv. Mater. 2016, 28, 4449–4454. [Google Scholar] [CrossRef]
- Miyashita, S.; Meeker, L.; Tolley, M.T.; Wood, R.J.; Rus, D. Self-folding miniature elastic electric devices. Smart Mater. Struct. 2014, 23, 094005. [Google Scholar] [CrossRef]
- Okuzaki, H.; Kuwabara, T.; Funasaka, K.; Saido, T. Humidity-sensitive polypyrrole films for electro-active polymer actuators. Adv. Funct. Mater. 2013, 23, 4400–4407. [Google Scholar] [CrossRef]
- Takei, K.; Yu, Z.; Zheng, M.; Ota, H.; Takahashi, T.; Javey, A. Highly sensitive electronic whiskers based on patterned carbon nanotube and silver nanoparticle composite films. Proc. Natl. Acad. Sci. USA 2014, 111, 1703–1707. [Google Scholar] [CrossRef] [PubMed]
- Cao, C.; Diteesawat, R.S.; Rossiter, J.; Conn, A.T. A reconfigurable crawling robot driven by electroactive artificial muscle. In Proceedings of the 2019 2nd IEEE International Conference on Soft Robotics (RoboSoft), Seoul, Republic of Korea, 14–18 April 2019; pp. 840–845. [Google Scholar]
- Kalın, M.A.İ.; Aygül, C.; Türkmen, A.; Kwiczak-Yiğitbaşı, J.; Baytekin, B.; Özcan, O. Design, Fabrication, and Locomotion Analysis of an Untethered Miniature Soft Quadruped, SQuad. IEEE Robot. Autom. Lett. 2020, 5, 3854–3860. [Google Scholar] [CrossRef]
- Seeman, M.D. A Design Methodology for Switched-Capacitor DC–DC Converters; Technical Report; California Univ Berkeley Dept of Electrical Engineering and Computer Science: Berkeley, CA, USA, 2009. [Google Scholar]
- Forouzesh, M.; Siwakoti, Y.P.; Gorji, S.A.; Blaabjerg, F.; Lehman, B. Step-up DC–DC converters: A comprehensive review of voltage-boosting techniques, topologies, and applications. IEEE Trans. Power Electron. 2017, 32, 9143–9178. [Google Scholar] [CrossRef]
- Ismail, E.H.; Al-Saffar, M.A.; Sabzali, A.J.; Fardoun, A.A. A family of single-switch PWM converters with high step-up conversion ratio. IEEE Trans. Circuits Syst. I Regul. Pap. 2008, 55, 1159–1171. [Google Scholar] [CrossRef]
- Wu, B.; Li, S.; Liu, Y.; Smedley, K.M. A new hybrid boosting converter for renewable energy applications. IEEE Trans. Power Electron. 2015, 31, 1203–1215. [Google Scholar] [CrossRef]
- Meraj, M.; Ranjana, M.S.B.; Iqbal, A.; Al-Emadi, N.; Syed, R. Interleaved Multilevel Boost converter With Minimal VM Cells for High Voltage Step-Up Applications. IEEE Trans. Power Electron. 2020, 35, 12816–12833. [Google Scholar] [CrossRef]
- Baddipadiga, B.P.; Ferdowsi, M. A high-voltage-gain DC–DC converter based on modified dickson charge pump voltage multiplier. IEEE Trans. Power Electron. 2016, 32, 7707–7715. [Google Scholar] [CrossRef]
- Srun, C.; Samman, F.A.; Sadjad, R.S. A High Voltage Gain DC–DC Converter Design based on Charge Pump Circuit Configuration with a Voltage Controller. In Proceedings of the 2018 2nd International Conference on Applied Electromagnetic Technology (AEMT), Lombok, Indonesia, 9–12 April 2018; pp. 79–84. [Google Scholar]
- Young, C.M.; Chen, M.H.; Chang, T.A.; Ko, C.C.; Jen, K.K. Cascade Cockcroft–Walton voltage multiplier applied to transformerless high step-up DC–DC converter. IEEE Trans. Ind. Electron. 2012, 60, 523–537. [Google Scholar] [CrossRef]
- Wu, G.; Ruan, X.; Ye, Z. Nonisolated high step-up DC–DC converters adopting switched-capacitor cell. IEEE Trans. Ind. Electron. 2014, 62, 383–393. [Google Scholar] [CrossRef]
- Erickson, R.W.; Maksimovic, D. Fundamentals of Power Electronics; Springer Science & Business Media: Berlin/Heidelberg, Germany, 2007. [Google Scholar]
- Tseng, K.C.; Lin, J.T.; Huang, C.C. High step-up converter with three-winding coupled inductor for fuel cell energy source applications. IEEE Trans. Power Electron. 2014, 30, 574–581. [Google Scholar] [CrossRef]
- Park, K.B.; Moon, G.W.; Youn, M.J. Nonisolated high step-up stacked converter based on boost-integrated isolated converter. IEEE Trans. Power Electron. 2010, 26, 577–587. [Google Scholar] [CrossRef]
- Changchien, S.K.; Liang, T.J.; Chen, J.F.; Yang, L.S. Novel high step-up DC–DC converter for fuel cell energy conversion system. IEEE Trans. Ind. Electron. 2009, 57, 2007–2017. [Google Scholar] [CrossRef]
- Tseng, K.C.; Chen, J.Z.; Lin, J.T.; Huang, C.C.; Yen, T.H. High step-up interleaved forward-flyback boost converter with three-winding coupled inductors. IEEE Trans. Power Electron. 2014, 30, 4696–4703. [Google Scholar] [CrossRef]
- Tseng, K.C.; Huang, C.C. High step-up high-efficiency interleaved converter with voltage multiplier module for the renewable energy system. IEEE Trans. Ind. Electron. 2013, 61, 1311–1319. [Google Scholar] [CrossRef]
- Li, W.; Xiang, X.; Li, C.; Li, W.; He, X. Interleaved high step-up ZVT converter with built-in transformer voltage doubler cell for distributed PV generation system. IEEE Trans. Power Electron. 2012, 28, 300–313. [Google Scholar] [CrossRef]
- Tseng, K.C.; Cheng, C.A.; Chen, C.T. High step-up interleaved boost converter for distributed generation using renewable and alternative power sources. IEEE J. Emerg. Sel. Top. Power Electron. 2016, 5, 713–722. [Google Scholar] [CrossRef]
- Li, W.; Zhao, Y.; Wu, J.; He, X. Interleaved high step-up converter with winding-cross-coupled inductors and voltage multiplier cells. IEEE Trans. Power Electron. 2009, 27, 133–143. [Google Scholar] [CrossRef]
- Li, W.; Li, W.; Xiang, X.; Hu, Y.; He, X. High step-up interleaved converter with built-in transformer voltage multiplier cells for sustainable energy applications. IEEE Trans. Power Electron. 2013, 29, 2829–2836. [Google Scholar] [CrossRef]
- Lai, C.M.; Pan, C.T.; Cheng, M.C. High-efficiency modular high step-up interleaved boost converter for DC-microgrid applications. IEEE Trans. Ind. Appl. 2011, 48, 161–171. [Google Scholar] [CrossRef]
- Chen, S.M.; Liang, T.J.; Yang, L.S.; Chen, J.F. A boost converter with capacitor multiplier and coupled inductor for AC module applications. IEEE Trans. Ind. Electron. 2011, 60, 1503–1511. [Google Scholar] [CrossRef]
- Hsieh, Y.P.; Chen, J.F.; Liang, T.J.; Yang, L.S. Novel high step-up DC–DC converter for distributed generation system. IEEE Trans. Ind. Electron. 2011, 60, 1473–1482. [Google Scholar] [CrossRef]
- Chen, S.M.; Liang, T.J.; Yang, L.S.; Chen, J.F. A safety-enhanced, high step-up DC–DC converter for AC photovoltaic module application. IEEE Trans. Power Electron. 2011, 27, 1809–1817. [Google Scholar] [CrossRef]
- Wu, T.F.; Lai, Y.S.; Hung, J.C.; Chen, Y.M. Boost converter with coupled inductors and buck-boost type of active clamp. IEEE Trans. Ind. Electron. 2008, 55, 154–162. [Google Scholar] [CrossRef]
- Wai, R.J.; Lin, C.Y.; Duan, R.Y.; Chang, Y.R. High-efficiency DC–DC converter with high voltage gain and reduced switch stress. IEEE Trans. Ind. Electron. 2007, 54, 354–364. [Google Scholar] [CrossRef]
- Das, M.; Agarwal, V. Design and analysis of a high-efficiency DC–DC converter with soft switching capability for renewable energy applications requiring high voltage gain. IEEE Trans. Ind. Electron. 2016, 63, 2936–2944. [Google Scholar] [CrossRef]
- Wai, R.J.; Duan, R.Y. High step-up converter with coupled-inductor. IEEE Trans. Power Electron. 2005, 20, 1025–1035. [Google Scholar] [CrossRef]
- Liang, T.J.; Lee, J.H.; Chen, S.M.; Chen, J.F.; Yang, L.S. Novel isolated high-step-up DC–DC converter with voltage lift. IEEE Trans. Ind. Electron. 2011, 60, 1483–1491. [Google Scholar] [CrossRef]
- Zhao, Q.; Lee, F.C. High-efficiency, high step-up DC–DC converters. IEEE Trans. Power Electron. 2003, 18, 65–73. [Google Scholar] [CrossRef]
- Xu, H.; Chen, D.; Xue, F.; Li, X. Optimal design method of interleaved boost PFC for improving efficiency from switching frequency, boost inductor, and output voltage. IEEE Trans. Power Electron. 2018, 34, 6088–6107. [Google Scholar] [CrossRef]
- Lei, Y.; May, R.; Pilawa-Podgurski, R. Split-phase control: Achieving complete soft-charging operation of a dickson switched-capacitor converter. IEEE Trans. Power Electron. 2015, 31, 770–782. [Google Scholar] [CrossRef]
- Dickson, J.F. On-chip high-voltage generation in MNOS integrated circuits using an improved voltage multiplier technique. IEEE J. Solid-State Circuits 1976, 11, 374–378. [Google Scholar] [CrossRef]
- Prabhala, V.A.K.; Fajri, P.; Gouribhatla, V.S.P.; Baddipadiga, B.P.; Ferdowsi, M. A DC–DC converter with high voltage gain and two input boost stages. IEEE Trans. Power Electron. 2015, 31, 4206–4215. [Google Scholar] [CrossRef]
- Griffiths, D.J. Introduction to Electrodynamics, American Association of Physics Teachers. 2005. Available online: https://aapt.scitation.org/doi/abs/10.1119/1.4766311?journalCode=ajp (accessed on 23 January 2023).
- Hayt, W.H., Jr.; Buck, J.A.; Akhtar, M.J. Engineering Electromagnetics (SIE); McGraw-Hill Education: New York, NY, USA, 2020. [Google Scholar]
- Naidu, M.S.; Naidu, M.K. High Voltage Engineering; Tata McGraw-Hill Education: New York, NY, USA, 2013. [Google Scholar]
- Kuffel, J.; Kuffel, P. High Voltage Engineering Fundamentals; Elsevier: Amsterdam, The Netherlands, 2000. [Google Scholar]
- Wadhwa, C. High Voltage Engineering; New Age International: New Delhi, India, 2006. [Google Scholar]
- TI Precision Labs—Isolation: What Are Creepage and Clearance? | TI.com Video. Available online: https://training.ti.com/ti-precision-labs-isolation-what-are-creepage-and-clearance- (accessed on 23 January 2023).
- PCB Line Spacing for Creepage and Clearance | Sierra Circuits. Available online: https://www.protoexpress.com/blog/importance-pcb-line-spacing-creepage-clearance/ (accessed on 23 January 2023).
- High Voltage PCB Design: Creepage and Clearance Distance | PCB Design Blog | Altium. Available online: https://resources.altium.com/p/high-voltage-pcb-design-creepage-and-clearance-distance (accessed on 23 January 2023).
- Brucchi, F.; Peinhopf, W. Electrical Safety and Isolation in High Voltage Discrete Component Applications and Design Hints; Infineon Technologies AG: Neubiberg, Germany, 2012; p. 33. [Google Scholar]
- Tarzwell, R.; Bahl, K. High Voltage Printed Circuit Design & Manufacturing Notebook. p. 36. Available online: https://www.magazines007.com/pdf/High-Voltage-PCDesign.pdf (accessed on 23 January 2023).
- Ste, V.M. Coatings and Pottings: A Critical Update. p. 54. Available online: https://smtnet.com/library/files/upload/Coatings%20and%20Pottings%20-%20Critical%20Update.pdf (accessed on 23 January 2023).
- Battel, S.; Engineering, N.B. High Voltage Engineering Techniques For Space Applications. p. 239. Available online: https://www.nasa.gov/sites/default/files/files/684078main_12188C_RevisedforPosting_Battel_HVEngineering_Workshop_DAY1.pdf (accessed on 23 January 2023).
- Ultravolt. Ultravolt 15A Series Precision DC to High Voltage DC Converters. Available online: https://www.advancedenergy.com/globalassets/resources-root/data-sheets/en-hv-ultravolt-15a-data-sheet.pdf (accessed on 23 January 2023).
- Electronics, P. SERIES AVP and AVN Plug-in DC-DC Converters|Pico. Available online: https://www.picoelectronics.com/node/68748 (accessed on 23 January 2023).
- Electronics, P. SERIES: VV,VV-P,VV-N|Pico. Available online: https://www.picoelectronics.com/node/13288 (accessed on 23 January 2023).
- EMCO. Isolated, Proportional DC to HV DC Converters 100 V to 10,000 V @ 0.5 Watts. Available online: https://www.xppower.com/portals/0/pdfs/SF_Q_Series.pdf (accessed on 23 January 2023).
- XP Power—AG60P-5—DC–DC Converter; Surface Mount; SMD; 1W; 6000V@167A; 0.7–5 V In; AG Series—Allied Electronics & Automation. Available online: https://www.alliedelec.com/product/xp-power/ag60p-5/71928331/ (accessed on 23 January 2023).











| Location | Material |
|---|---|
| Electrodes | Conductive, and safe carbon-based substance |
| Pouch | Flexible, soft, and thin thermoplastic polymer film |
| Liquid dielectric | Transformer oil, vegetable oil |
| Part Name | Part Number | Rating | Unit Weight (g) |
|---|---|---|---|
| Half-bridge gate driver | UCC27201DR | 120 V, 3 A | 0.7 |
| Low-side gate driver | IX4427NTR | 34 V, 1.5 A | 0.54 |
| Decoupling capacitor | C0805C105K3RAC7210 | 25 V, 1 uF | 0.006 |
| Bootstrap capacitor | C0805C104K3RACTU | 25 V, 0.1 uF | 0.006 |
| C2012X5R1V226M125AC | 35 V, 22 uF | 0.006 | |
| SIRA20DP-T1-RE3 | 25 V, 63 A | 0.51 | |
| PA4344.333ANLT | 33 uH | 10 | |
| 43119 (Pacific Tx. Corp.) | Ratio 1:30 | 25 | |
| GP02-40-E3/73 | 5 kV, 0.25 A | 0.34 | |
| HV2225Y332nXMATHV | 3.3 nF, 5 kV | 1.26 |
| Features | [74] | [75] | [76] | [77] | [78] | This * |
|---|---|---|---|---|---|---|
| Power (W) | 30 | 1.25 | 5 | 0.5 | 1 | 15 |
| Weight (g) | 520 | 9.5 | 45 | 4.25 | 8.49 | ≤100 |
| Power Density (W/g) | 0.06 | 0.13 | 0.11 | 0.12 | 0.12 | ≥0.15 |
| Output Regulation/Adjustability | Yes | No | No | No | No | Yes |
Disclaimer/Publisher’s Note: The statements, opinions and data contained in all publications are solely those of the individual author(s) and contributor(s) and not of MDPI and/or the editor(s). MDPI and/or the editor(s) disclaim responsibility for any injury to people or property resulting from any ideas, methods, instructions or products referred to in the content. |
© 2023 by the authors. Licensee MDPI, Basel, Switzerland. This article is an open access article distributed under the terms and conditions of the Creative Commons Attribution (CC BY) license (https://creativecommons.org/licenses/by/4.0/).
Share and Cite
Lodh, T.; Le, H.-P. An Ultra High Gain Converter for Driving HASEL Actuator Used in Soft Mobile Robots. Biomimetics 2023, 8, 53. https://doi.org/10.3390/biomimetics8010053
Lodh T, Le H-P. An Ultra High Gain Converter for Driving HASEL Actuator Used in Soft Mobile Robots. Biomimetics. 2023; 8(1):53. https://doi.org/10.3390/biomimetics8010053
Chicago/Turabian StyleLodh, Tirthasarathi, and Hanh-Phuc Le. 2023. "An Ultra High Gain Converter for Driving HASEL Actuator Used in Soft Mobile Robots" Biomimetics 8, no. 1: 53. https://doi.org/10.3390/biomimetics8010053
APA StyleLodh, T., & Le, H.-P. (2023). An Ultra High Gain Converter for Driving HASEL Actuator Used in Soft Mobile Robots. Biomimetics, 8(1), 53. https://doi.org/10.3390/biomimetics8010053

