Safety and Reliability Analysis of an Ammonia-Powered Fuel-Cell System
Abstract
1. Introduction
1.1. Background
1.2. Research Focus
2. Critical Review
| Reference | Tool | System |
|---|---|---|
| [51,52] | HAZID/HAZOP | Review |
| [53] | HAZID | Natural gas hydrate carrier |
| [54,56] | HAZID | LNG fuelled vessel |
| [55] | HAZID | LNG carrier |
| [57] | HAZOP | Containership |
| [58] | HAZID | Nuclear-powered ship |
| [59] | HAZID | Mooring and positioning systems |
| [48,61] | FMEA/FMECA | Review |
| [62] | Layer of Protection Analysis & FMEA | Electric hybrid system |
| [63] | FMEA | Fuel oil system |
| [64] | FMEA/FMECA | Ship auxiliary systems |
| [65] | FMEA/FMECA | Offshore marine assets |
| [66] | FMEA | Fuel oil system |
| [67] | Fuzzy FMECA | Marine boiler |
| [68] | Fuzzy FMECA | Marine oil tanker |
| [69] | FMECA | Critical equipment of merchant vessels |
| [71,72] | FTA | Review |
| [73] | FTA | Hybrid system with SOFC |
| [74] | FTA | Lubricating oil system |
| [75] | FTA | Marine propulsion system |
| [76] | FMECA & FTA | LNG fuel feeding system |
| [77] | FMECA & FTA | Lubricating oil system |
| [78] | FTA | Critical equipment of merchant vessels |
3. Methodology
- ▪
- It clearly depicts the systems, subsystems, and components, as well as their interconnections, and functions.
- ▪
- It allows the investigation of the propagation of failures within the system, thus supporting the identification of the system-critical components and their failure end-effects.
- ▪
- It serves as a starting point for additional analysis and examination.
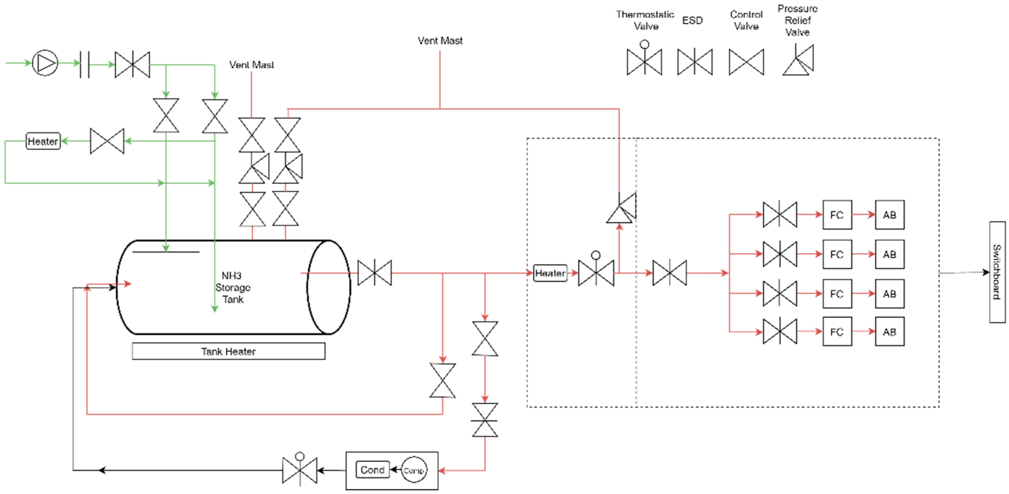
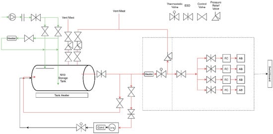
4. System Description
5. Results and Discussion
5.1. Critical Hazards
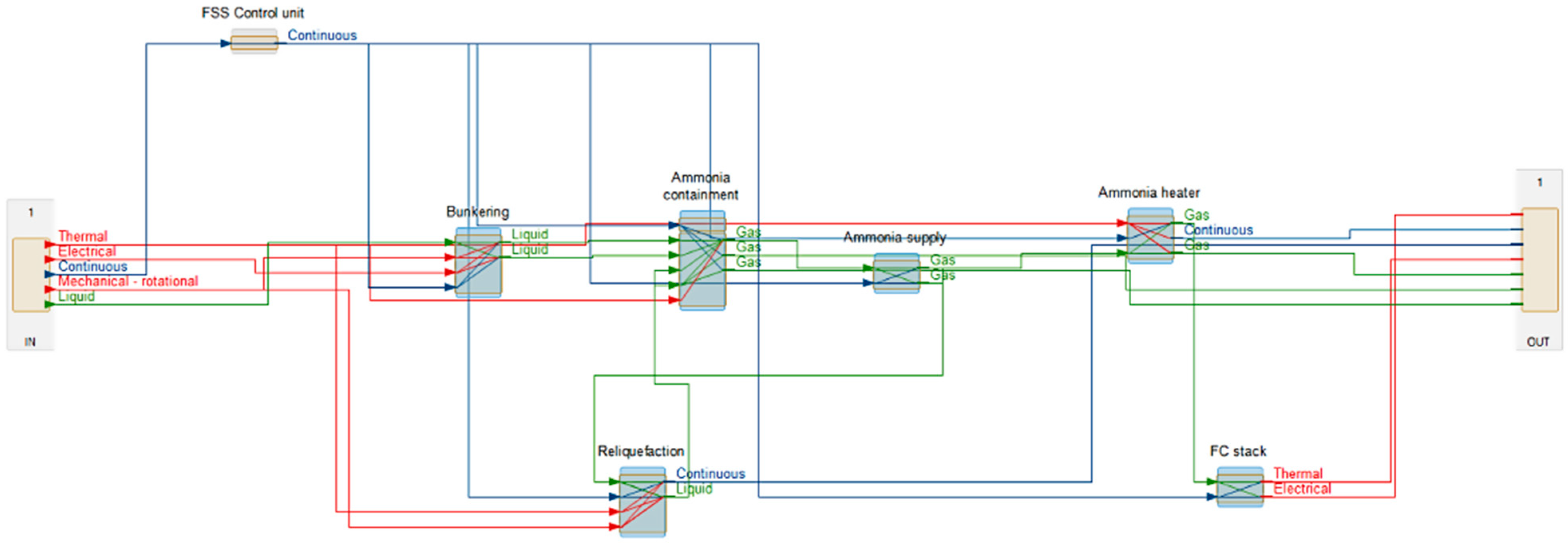
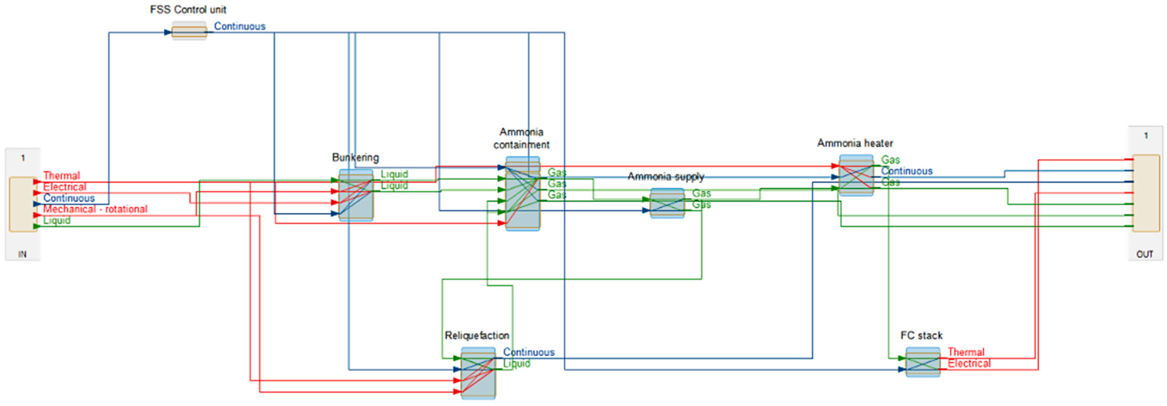
5.2. Functional-Based Model
5.3. System’s Reaction
5.4. Critical Faults and Components
5.5. Critical Functional Failure
6. Conclusions
Author Contributions
Funding
Institutional Review Board Statement
Informed Consent Statement
Acknowledgments
Conflicts of Interest
Appendix A
| ID | Subsystem/Component | Failure Mode | Causes of Failure | O | S | D | RPN |
|---|---|---|---|---|---|---|---|
| FM1 | FC | Electrical voltage low | Hydrogen attack | 4.0 | 10.0 | 8.0 | 320 |
| FM2 | FC | Electrical voltage low | Thermal degradation | 4.0 | 10.0 | 8.0 | 320 |
| FM3 | FC | Gas mass flow rate low | Hydrogen attack | 4.0 | 10.0 | 8.0 | 320 |
| FM4 | FC | Gas mass flow rate low | Thermal degradation | 4.0 | 10.0 | 8.0 | 320 |
| FM5 | Heater | Thermal temperature low | Burnout | 4.0 | 10.0 | 7.0 | 280 |
| FM6 | FC | Electrical voltage low | Dielectric breakdown | 4.0 | 10.0 | 7.0 | 280 |
| FM7 | Switchboard | Electrical voltage low | Burnout | 4.0 | 10.0 | 7.0 | 280 |
| FM8 | Compressor | Gas mass flow rate low | Burnout | 4.0 | 10.0 | 7.0 | 280 |
| FM9 | Compressor | Gas static pressure low | Burnout | 4.0 | 10.0 | 7.0 | 280 |
| FM10 | FC | Electrical voltage low | Temperature induced deformation | 4.0 | 10.0 | 6.0 | 240 |
| FM11 | FC | Gas mass flow rate low | Temperature induced deformation | 4.0 | 10.0 | 6.0 | 240 |
| FM12 | Storage tank | Gas static pressure low | Corrosive attack | 4.0 | 10.0 | 6.0 | 240 |
| FM13 | ESD | Gas mass flow rate low | Bending deformation | 3.0 | 10.0 | 8.0 | 240 |
| FM14 | Bunkering ESD | Gas static pressure low | Bending deformation | 3.0 | 10.0 | 8.0 | 240 |
| FM15 | Bunkering ESD | Liquid flow rate low | Bending deformation | 3.0 | 10.0 | 8.0 | 240 |
| FM16 | ESD | Gas mass flow rate low | Abrasive wear | 3.0 | 10.0 | 7.0 | 210 |
| FM17 | Bunkering ESD | Gas static pressure low | Abrasive wear | 3.0 | 10.0 | 7.0 | 210 |
| FM18 | Bunkering ESD | Liquid flow rate low | Abrasive wear | 3.0 | 10.0 | 7.0 | 210 |
| FM19 | Afterburner | Thermal temperature low | Burnout | 3.0 | 10.0 | 7.0 | 210 |
| FM20 | Compressor | Gas mass flow rate low | Burnout | 3.0 | 10.0 | 7.0 | 210 |
| FM21 | Compressor | Gas static pressure low | Burnout | 3.0 | 10.0 | 7.0 | 210 |
| FM22 | FC | Gas mass flow rate low | Dielectric breakdown | 4.0 | 10.0 | 5.0 | 200 |
| FM23 | Compressor | Gas mass flow rate low | Abrasive wear | 4.0 | 10.0 | 5.0 | 200 |
| FM24 | Compressor | Gas static pressure low | Abrasive wear | 4.0 | 10.0 | 5.0 | 200 |
| FM25 | Ammonia HEX | Mixture gas-liquid mass flow rate low | Heat loss | 3.0 | 10.0 | 6.0 | 180 |
| FM26 | Ammonia HEX | Mixture gas-liquid static pressure low | Heat loss | 3.0 | 10.0 | 6.0 | 180 |
| FM27 | Ammonia HEX | Mixture gas-liquid temperature low | Heat loss | 3.0 | 10.0 | 6.0 | 180 |
| FM28 | Heat exchanger | Gas mass flow rate low | Heat loss | 3.0 | 10.0 | 6.0 | 180 |
| FM29 | Heat exchanger | Gas static pressure low | Heat loss | 3.0 | 10.0 | 6.0 | 180 |
| FM30 | Heat exchanger | Gas temperature low | Heat loss | 3.0 | 10.0 | 6.0 | 180 |
| FM31 | FC | Electrical voltage low | Corrosive attack | 4.0 | 10.0 | 4.0 | 160 |
| FM32 | Storage control valve | Gas mass flow rate low | Bending deformation | 2.0 | 10.0 | 8.0 | 160 |
| FM33 | Storage control valve | Gas mass flow rate low | Solidification | 2.0 | 10.0 | 8.0 | 160 |
| FM34 | Heater control valve | Gas mass flow rate low | Bending deformation | 2.0 | 10.0 | 8.0 | 160 |
| FM35 | Heater control valve | Gas temperature low | Bending deformation | 2.0 | 10.0 | 8.0 | 160 |
| FM36 | Pressure relief valve | Gas mass flow rate low | Bending deformation | 2.0 | 10.0 | 8.0 | 160 |
| FM37 | Pressure relief valve | Gas mass flow rate low | Solidification | 2.0 | 10.0 | 8.0 | 160 |
| FM38 | Pressure relief valve | Gas static pressure low | Solidification | 2.0 | 10.0 | 8.0 | 160 |
| FM39 | Pressure relief valve | Gas static pressure low | Bending deformation | 2.0 | 10.0 | 8.0 | 160 |
| FM40 | Bypass control valve | Gas mass flow rate low | Bending deformation | 2.0 | 10.0 | 8.0 | 160 |
| FM41 | Bunkering control valve | Liquid flow rate low | Bending deformation | 2.0 | 10.0 | 8.0 | 160 |
| FM42 | Bunkering vapour return | Gas static pressure low | Bending deformation | 2.0 | 10.0 | 8.0 | 160 |
| FM43 | Reliq. control valve | Gas mass flow rate low | Bending deformation | 2.0 | 10.0 | 8.0 | 160 |
| FM44 | Storage tank | Gas static pressure low | Impact wear | 3.0 | 10.0 | 5.0 | 150 |
| FM45 | Controller | Signal continuous amplitude low | Dielectric breakdown | 3.0 | 10.0 | 5.0 | 150 |
| FM46 | Controller | Signal continuous amplitude low | Burnout | 3.0 | 10.0 | 5.0 | 150 |
| FM47 | ESD | Gas mass flow rate low | Dielectric breakdown | 3.0 | 10.0 | 5.0 | 150 |
| FM48 | ESD | Gas mass flow rate low | Burnout | 3.0 | 10.0 | 5.0 | 150 |
| FM49 | ESD | Gas mass flow rate low | Silting | 3.0 | 10.0 | 5.0 | 150 |
| FM50 | Bunkering ESD | Gas static pressure low | Silting | 3.0 | 10.0 | 5.0 | 150 |
| FM51 | Bunkering ESD | Gas static pressure low | Dielectric breakdown | 3.0 | 10.0 | 5.0 | 150 |
| FM52 | Bunkering ESD | Gas static pressure low | Burnout | 3.0 | 10.0 | 5.0 | 150 |
| FM53 | Bunkering ESD | Liquid flow rate low | Silting | 3.0 | 10.0 | 5.0 | 150 |
| FM54 | Bunkering ESD | Liquid flow rate low | Dielectric breakdown | 3.0 | 10.0 | 5.0 | 150 |
| FM55 | Bunkering ESD | Liquid flow rate low | Burnout | 3.0 | 10.0 | 5.0 | 150 |
| FM56 | Bunkering ESD | Liquid flow rate low | Dielectric breakdown | 3.0 | 10.0 | 5.0 | 150 |
| FM57 | Bunkering connection | Liquid flow rate low | Abrasive wear | 3.0 | 10.0 | 5.0 | 150 |
| FM58 | bunkering pump | Liquid flow rate low | Abrasive wear | 3.0 | 10.0 | 5.0 | 150 |
| FM59 | FSS control unit | Continuous data low | Burnout | 3.0 | 10.0 | 5.0 | 150 |
| FM60 | FSS control unit | Continuous data low | Dielectric breakdown | 3.0 | 10.0 | 5.0 | 150 |
| FM61 | Condenser | Liquid flow rate low | Abrasive wear | 3.0 | 10.0 | 5.0 | 150 |
| FM62 | Condenser | Liquid temperature low | Abrasive wear | 3.0 | 10.0 | 5.0 | 150 |
| FM63 | Storage control valve | Gas mass flow rate low | Abrasive wear | 2.0 | 10.0 | 7.0 | 140 |
| FM64 | Pressure relief valve | Gas mass flow rate low | Abrasive wear | 2.0 | 10.0 | 7.0 | 140 |
| FM65 | Pressure relief valve | Gas static pressure low | Abrasive wear | 2.0 | 10.0 | 7.0 | 140 |
| FM66 | Temp senor | Continuous data low | Burnout | 2.0 | 10.0 | 7.0 | 140 |
| FM67 | Temp. sensor | Continuous data low | Dielectric breakdown | 2.0 | 10.0 | 7.0 | 140 |
| FM68 | Temp. sensor | Continuous data low | Burnout | 2.0 | 10.0 | 7.0 | 140 |
| FM69 | FC | Electrical voltage low | Thermal fatigue | 4.0 | 10.0 | 3.0 | 120 |
| FM70 | FC | Gas mass flow rate low | Corrosive attack | 4.0 | 10.0 | 3.0 | 120 |
| FM71 | FC | Gas mass flow rate low | Thermal fatigue | 4.0 | 10.0 | 3.0 | 120 |
| FM72 | Heater | Thermal temperature low | Thermal fatigue | 4.0 | 10.0 | 3.0 | 120 |
| FM73 | Bunkering connection | Liquid flow rate low | Corrosive attack | 3.0 | 10.0 | 4.0 | 120 |
| FM74 | Afterburner | Thermal temperature low | Corrosive attack | 3.0 | 10.0 | 4.0 | 120 |
| FM75 | Compressor | Gas mass flow rate low | Brittle fracture | 4.0 | 10.0 | 3.0 | 120 |
| FM76 | Compressor | Gas static pressure low | Brittle fracture | 4.0 | 10.0 | 3.0 | 120 |
| FM77 | Condenser | Liquid flow rate low | Corrosive attack | 3.0 | 10.0 | 4.0 | 120 |
| FM78 | Condenser | Liquid temperature low | Corrosive attack | 3.0 | 10.0 | 4.0 | 120 |
| FM79 | Ammonia HEX | Mixture gas–liquid mass flow rate low | Corrosive fatigue | 2.0 | 10.0 | 5.0 | 100 |
| FM80 | Ammonia HEX | Mixture gas–liquid static pressure low | Corrosive fatigue | 2.0 | 10.0 | 5.0 | 100 |
| FM81 | Ammonia HEX | Mixture gas–liquid temperature low | Corrosive fatigue | 2.0 | 10.0 | 5.0 | 100 |
| FM82 | Storage control valve | Gas mass flow rate low | Dielectric breakdown | 2.0 | 10.0 | 5.0 | 100 |
| FM83 | Storage control valve | Gas mass flow rate low | Burnout | 2.0 | 10.0 | 5.0 | 100 |
| FM84 | Storage control valve | Gas mass flow rate low | Silting | 2.0 | 10.0 | 5.0 | 100 |
| FM85 | Heat exchanger | Gas mass flow rate low | Corrosive fatigue | 2.0 | 10.0 | 5.0 | 100 |
| FM86 | Heat exchanger | Gas static pressure low | Corrosive fatigue | 2.0 | 10.0 | 5.0 | 100 |
| FM87 | Heat exchanger | Gas temperature low | Corrosive fatigue | 2.0 | 10.0 | 5.0 | 100 |
| FM88 | Heater control valve | Gas mass flow rate low | Dielectric breakdown | 2.0 | 10.0 | 5.0 | 100 |
| FM89 | Heater control valve | Gas mass flow rate low | Burnout | 2.0 | 10.0 | 5.0 | 100 |
| FM90 | Heater control valve | Gas mass flow rate low | Silting | 2.0 | 10.0 | 5.0 | 100 |
| FM91 | Heater control valve | Gas temperature low | Burnout | 2.0 | 10.0 | 5.0 | 100 |
| FM92 | Heater control valve | Gas temperature low | Dielectric breakdown | 2.0 | 10.0 | 5.0 | 100 |
| FM93 | Heater control valve | Gas temperature low | Silting | 2.0 | 10.0 | 5.0 | 100 |
| FM94 | Pressure relief valve | Gas mass flow rate low | Silting | 2.0 | 10.0 | 5.0 | 100 |
| FM95 | Pressure relief valve | Gas static pressure low | Silting | 2.0 | 10.0 | 5.0 | 100 |
| FM96 | Temp senor | Continuous data low | Dielectric breakdown | 2.0 | 10.0 | 5.0 | 100 |
| FM97 | Bypass control valve | Gas mass flow rate low | Dielectric breakdown | 2.0 | 10.0 | 5.0 | 100 |
| FM98 | Bypass control valve | Gas mass flow rate low | Burnout | 2.0 | 10.0 | 5.0 | 100 |
| FM99 | Bypass control valve | Gas mass flow rate low | Silting | 2.0 | 10.0 | 5.0 | 100 |
| FM100 | Bunkering control valve | Liquid flow rate low | Burnout | 2.0 | 10.0 | 5.0 | 100 |
| FM101 | Bunkering control valve | Liquid flow rate low | Dielectric breakdown | 2.0 | 10.0 | 5.0 | 100 |
| FM102 | Bunkering control valve | Liquid flow rate low | Silting | 2.0 | 10.0 | 5.0 | 100 |
| FM103 | Bunkering vapour return | Gas static pressure low | Dielectric breakdown | 2.0 | 10.0 | 5.0 | 100 |
| FM104 | Bunkering vapour return | Gas static pressure low | Burnout | 2.0 | 10.0 | 5.0 | 100 |
| FM105 | Bunkering vapour return | Gas static pressure low | Silting | 2.0 | 10.0 | 5.0 | 100 |
| FM106 | Reliq. control valve | Gas mass flow rate low | Dielectric breakdown | 2.0 | 10.0 | 5.0 | 100 |
| FM107 | Reliq. control valve | Gas mass flow rate low | Burnout | 2.0 | 10.0 | 5.0 | 100 |
| FM108 | Reliq. control valve | Gas mass flow rate low | Silting | 2.0 | 10.0 | 5.0 | 100 |
References
- Olivier, J.G.J.; Peters, J.A.H.W. Trends in Global CO2 and Total Greenhouse Gas Emissions; PBL Netherlands Environmental Assessment Agency: The Hague, The Netherlands, 2020. [Google Scholar]
- UNFCCC. Adoption of the Paris Agreement; UNFCCC: New York, NY, USA, 2016.
- IEA. World Energy Outlook 2017; IEA: Paris, France, 2017.
- UNCTAD. Review of Maritime Transport, Technical Report; UNCTAD: Geneva, Switzerland, 2017; ISBN 9789211129229. [Google Scholar]
- MEPC. Reduction of GHG Emissions from Ships. Fourth IMO GHG Study 2020; MEPC: Oxford, UK, 2020; Volume 53.
- IMO. Reducing Greenhouse Gas Emissions from Ships; IMO: London, UK, 2020. [Google Scholar]
- Ren, J.; Liang, H. Measuring the sustainability of marine fuels: A fuzzy group multi-criteria decision making approach. Transp. Res. Part D Transp. Environ. 2017, 54, 12–29. [Google Scholar] [CrossRef]
- Deniz, C.; Zincir, B. Environmental and economical assessment of alternative marine fuels. J. Clean. Prod. 2016, 113, 438–449. [Google Scholar] [CrossRef]
- Brynolf, S.; Fridell, E.; Andersson, K. Environmental assessment of marine fuels: Liquefied natural gas, liquefied biogas, methanol and bio-methanol. J. Clean. Prod. 2014, 74, 86–95. [Google Scholar] [CrossRef]
- Andersson, K.; Márquez Salazar, M. Methanol as a Marine Fuel; FCBI Energy: London, UK, 2015; 46p. [Google Scholar]
- Brynolf, S.; Baldi, F.; Johnson, H. Energy Efficiency and Fuel Changes to Reduce Environmental Impacts. In Shipping and the Environment: Improving Environmental Performance in Marine Transportation; Andersson, K., Brynolf, S., Lindgren, J.F., Wilewska-Bien, M., Eds.; Springer: Berlin/Heidelberg, Germany, 2016; pp. 295–339. ISBN 978-3-662-49045-7. [Google Scholar]
- Trivyza, N.L.; Rentizelas, A.; Theotokatos, G. A novel multi-objective decision support method for ship energy systems synthesis to enhance sustainability. Energy Convers. Manag. 2018, 168, 128–149. [Google Scholar] [CrossRef]
- Horvath, S.; Fasihi, M.; Breyer, C. Techno-economic analysis of a decarbonized shipping sector: Technology suggestions for a fleet in 2030 and 2040. Energy Convers. Manag. 2018, 164, 230–241. [Google Scholar] [CrossRef]
- Jeong, J.; Seo, S.; You, H.; Chang, D. Comparative analysis of a hybrid propulsion using LNG-LH2complying with regulations on emissions. Int. J. Hydrogen Energy 2018, 43, 3809–3821. [Google Scholar] [CrossRef]
- Chen, H.; Zhang, Z.; Guan, C.; Gao, H. Optimization of sizing and frequency control in battery/supercapacitor hybrid energy storage system for fuel cell ship. Energy 2020, 197, 117285. [Google Scholar] [CrossRef]
- Jianyun, Z.; Li, C.; Bin, W.; Lijuan, X. Optimal design of a hybrid electric propulsive system for an anchor handling tug supply vessel. Appl. Energy 2018, 226, 423–436. [Google Scholar] [CrossRef]
- Cheliotis, M.; Boulougouris, E.; Trivyza, N.L.; Theotokatos, G.; Livanos, G.; Mantalos, G.; Stubos, A.; Stamatakis, E.; Venetsanos, A. Review on the Safe Use of Ammonia Fuel Cells in the Maritime Industry. Energies 2021, 14, 3023. [Google Scholar] [CrossRef]
- Hagen, A.; Langnickel, H.; Sun, X. Operation of solid oxide fuel cells with alternative hydrogen carriers. Int. J. Hydrogen Energy 2019, 44, 18382–18392. [Google Scholar] [CrossRef]
- Siddiqui, O.; Ishaq, H.; Dincer, I. Experimental investigation of improvement capability of ammonia fuel cell performance with addition of hydrogen. Energy Convers. Manag. 2020, 205, 112372. [Google Scholar] [CrossRef]
- Baldi, F.; Azzi, A.; Maréchal, F. From renewable energy to ship fuel: Ammonia as an energy vector and mean for energy storage. Comput. Aided Chem. Eng. 2019, 46, 1747–1752. [Google Scholar] [CrossRef]
- De Vries, N. Ammonia as a Marine Fuel: Safety. In Proceedings of the Ammonia Energy Conference, Orlando, FL, USA, 12–14 November 2019. [Google Scholar]
- Tofalos, C.; Jeong, B.; Jang, H. Safety comparison analysis between LNG/LH 2 for bunkering operation. J. Int. Marit. Saf. Environ. Aff. Shipp. 2020, 4, 135–150. [Google Scholar] [CrossRef]
- Aarskog, F.G.; Hansen, O.R.; Strømgren, T.; Ulleberg, Ø. Concept risk assessment of a hydrogen driven high speed passenger ferry. Int. J. Hydrogen Energy 2020, 45, 1359–1372. [Google Scholar] [CrossRef]
- Shakeri, N.; Zadeh, M.; Bremnes Nielsen, J. Hydrogen Fuel Cells for Ship Electric Propulsion: Moving Toward Greener Ships. IEEE Electrif. Mag. 2020, 8, 27–43. [Google Scholar] [CrossRef]
- Uwemedimo, E.; Doymus, M.; Eylul, D. Understanding Regulations, Sustainable Shipping, Alternative Marine Fuels and LNG. In Proceedings of the 8th Global LNG Bunkering Summit 2020, Amsterdam, The Netherlands, 28–30 January 2020. [Google Scholar]
- Gray, N.; McDonagh, S.; O’Shea, R.; Smyth, B.; Murphy, J.D. Decarbonising ships, planes and trucks: An analysis of suitable low-carbon fuels for the maritime, aviation and haulage sectors. Adv. Appl. Energy 2021, 1, 100008. [Google Scholar] [CrossRef]
- Moller, A. Alcohol, Biomethane and Ammonia Are the Best-Positioned Fuels to Reach Zero Net Emissions. Available online: https://www.maersk.com/news/articles/2019/10/24/alcohol-biomethane-and-ammonia-are-the-best-positioned-fuels-to-reach-zero-net-emissions (accessed on 5 May 2021).
- Fasihi, M.; Weiss, R.; Savolainen, J.; Breyer, C. Global potential of green ammonia based on hybrid PV-wind power plants. Appl. Energy 2021, 294, 116170. [Google Scholar] [CrossRef]
- Cluster, O.H. Hydrogen and Ammonia Infrastructure Safety and Risk Information and Guidance; Lloyd’s Register: London, UK, 2020. [Google Scholar]
- Hansson, J.; Brynolf, S.; Fridell, E.; Lehtveer, M. The potential role of ammonia as marine fuel-based on energy systems modeling and multi-criteria decision analysis. Sustainability 2020, 12, 3265. [Google Scholar] [CrossRef]
- Tansport & Environment. Roadmap to Decarbonising European Shipping; Tansport & Environment: Brussels, Belgium, 2018. [Google Scholar]
- Damo, U.M.; Ferrari, M.L.; Turan, A.; Massardo, A.F. Solid oxide fuel cell hybrid system: A detailed review of an environmentally clean and efficient source of energy. Energy 2019, 168, 235–246. [Google Scholar] [CrossRef]
- Jeerh, G.; Zhang, M.; Tao, S. Recent progress in ammonia fuel cells and their potential applications. J. Mater. Chem. A 2021. [Google Scholar] [CrossRef]
- ShipFC. Grant Agreement Number: 875156—ShipFC; European Union: Maastricht, The Netherlands, 2019. [Google Scholar]
- Parkinson, B.; Balcombe, P.; Speirs, J.F.; Hawkes, A.D.; Hellgardt, K. Levelized cost of CO2 mitigation from hydrogen production routes. Energy Environ. Sci. 2019, 12, 19–40. [Google Scholar] [CrossRef]
- Chang, D.; Rhee, T.; Nam, K.; Chang, K.; Lee, D.; Jeong, S. A study on availability and safety of new propulsion systems for LNG carriers. Reliab. Eng. Syst. Saf. 2008, 93, 1877–1885. [Google Scholar] [CrossRef]
- DNV GL. Assessment of Selected Ternative Fuels and technologies. Imo 2018, 391, 1–48. [Google Scholar]
- de Haag, P.U.; Ale, B. Guidelines for Quantitative Risk Assessment (Purple Book). Guidelines for Quantitative Risk Assessment; General for Social Affairs and Employment: The Hague, The Netherlands, 1999; pp. 4–237. [Google Scholar]
- Inal, O.B.; Deniz, C. Assessment of fuel cell types for ships: Based on multi-criteria decision analysis. J. Clean. Prod. 2020, 265, 121734. [Google Scholar] [CrossRef]
- Vidmar, P.; Perkovič, M. Safety assessment of crude oil tankers. Saf. Sci. 2018, 105, 178–191. [Google Scholar] [CrossRef]
- Di Bona, G.; Forcina, A.; Falcone, D.; Silvestri, L. Critical risks method (CRM): A new safety allocation approach for a critical infrastructure. Sustainability 2020, 12, 4949. [Google Scholar] [CrossRef]
- Kristiansen, S. Maritime Transportation Safety Management and Risk Analysis; Elsevier Butterworth-Heinemann: Oxford, UK, 2005; ISBN 10:0750659998. [Google Scholar]
- Dester, W.S.; Blockley, D.I. Hazard engineering. Struct. Saf. 1994, 16, 3–12. [Google Scholar] [CrossRef]
- Pasman, H.J.; Rogers, W.J.; Mannan, M.S. How can we improve process hazard identification? What can accident investigation methods contribute and what other recent developments? A brief historical survey and a sketch of how to advance. J. Loss Prev. Process Ind. 2018, 55, 80–106. [Google Scholar] [CrossRef]
- Wang, Y.; Gu, Y.; Zhang, H.; Yang, J.; Wang, J.; Guan, W.; Chen, J.; Chi, B.; Jia, L.; Muroyama, H.; et al. Efficient and durable ammonia power generation by symmetric flat-tube solid oxide fuel cells. Appl. Energy 2020, 270, 115185. [Google Scholar] [CrossRef]
- American Bureau of Shipping (ABS). Ammonia as Marine Fuel. Sustain. Whitepaper; American Bureau of Shipping: Houston, TX, USA, 2020. [Google Scholar]
- Vista Oil and Gas. Hazard Identification (Hazid) Studies. 2019. Available online: https://www3.opic.gov/Environment/EIA/vistaaleph/ESIA/Chapter_10/Chapter_10_Annex.pdf (accessed on 20 February 2021).
- Mobley, K.; Higgins, L.; Wikoff, D. Maintenance Engineering Handbook, 7th ed.; Mobley, R.K., Ed.; McGraw Hill: New York, NY, USA, 2008; ISBN 0071641017. [Google Scholar]
- Ruijters, E.; Stoelinga, M. Fault tree analysis: A survey of the state-of-the-art in modeling, analysis and tools. Comput. Sci. Rev. 2015, 15, 29–62. [Google Scholar] [CrossRef]
- Henriques de Gusmão, A.P.; Mendonça Silva, M.; Poleto, T.; Camara e Silva, L.; Cabral Seixas Costa, A.P. Cybersecurity risk analysis model using fault tree analysis and fuzzy decision theory. Int. J. Inf. Manag. 2018, 43, 248–260. [Google Scholar] [CrossRef]
- Bolbot, V.; Theotokatos, G.; Bujorianu, L.M.; Boulougouris, E.; Vassalos, D. Vulnerabilities and safety assurance methods in Cyber-Physical Systems: A comprehensive review. Reliab. Eng. Syst. Saf. 2019, 182, 179–193. [Google Scholar] [CrossRef]
- Tixier, J.; Dusserre, G.; Salvi, O.; Gaston, D. Review of 62 risk analysis methodologies of industrial plants. J. Loss Prev. Process Ind. 2002, 15, 291–303. [Google Scholar] [CrossRef]
- Kim, K.; Kang, H.; Kim, Y. Risk assessment for natural gas hydrate carriers: A hazard identification (HAZID) study. Energies 2015, 8, 3142–3164. [Google Scholar] [CrossRef]
- Etemad, H.; Choi, J.-H. Hazard identification (HAZID) of LNG dual-fueled ships operating between the Korean port of Busan and the Iranian port of Bandar Abbas. DBPIA 2017, 473–488. [Google Scholar] [CrossRef]
- IMO. FSA—Liquefied Natural Gas (LNG) Carriers; IMO: London, UK, 2007. [Google Scholar]
- Fu, S.; Yan, X.; Zhang, D.; Li, C.; Zio, E. Framework for the quantitative assessment of the risk of leakage from LNG-fueled vessels by an event tree-CFD. J. Loss Prev. Process Ind. 2016, 43, 42–52. [Google Scholar] [CrossRef]
- Zhan, Y.; Xu, F.; Zhang, Y. The application of HAZOP analysis on risk assessment of the 10000TEU container ships. In Proceedings of the International Asia Symposium on Intelligent Interaction and Affective Computing, ASIA 2009, Wuhan, China, 8–9 December 2009; pp. 59–62. [Google Scholar]
- Gil, Y.; Yoo, S.; Kim, Y.; Oh, J.; Byun, Y.; Woo, I.; Kim, J.; Choi, S. Concept Design and Risk Assessment of Nuclear Propulsion Ship. In Proceedings of the Transactions of the Korean Nuclear Society Spring Meeting, Jeju, Korea, 29–30 May 2014; pp. 29–31. [Google Scholar]
- Joung, T.; Kim, H.; Kim, Y.; Cho, S.; Kang, K.; Liu, Y.; Lundteigen, M.A. Hazard identification for a dynamic positioning and mooring system in arctic condition: Complementary use of hazard identification study (HAZID) and Systems Theoretic Process Analysis (STPA). In Safety and Reliability—Safe Societies in a Changing World, Proceedings of the 28th International European Safety and Reliability Conference, ESREL 2018, Trondheim, Norway, 17–21 June 2018; CRC Press: Boca Raton, FL, USA, 2018; pp. 1735–1742. [Google Scholar]
- Ben-Daya, M.; Knezevic, J.; Raouf, A.; Ait-Kadi, D. Handbook of Maintenance Management and Engineering, 1st ed.; Ben-Daya, M., Knezevic, J., Raouf, A., Ait-Kadi, D., Eds.; Springer: London, UK, 2009; Volume 1, ISBN 9781848824713. [Google Scholar]
- Smith, R.; Mobley, K. Rules of Thumb for Maintenance and Reliability Engineers, 1st ed.; Butterworth-Heinemann: Oxford, UK, 2008; ISBN 978-0-7506-7862-9. [Google Scholar]
- Igder, M.A.; Rafiei, M.; Boudjadar, J.; Khooban, M. Reliability and Safety Improvement of Emission-Free Ships: Systemic Reliability Centered Maintenance. IEEE Trans. Transp. Electrif. 2020, 7, 256–266. [Google Scholar] [CrossRef]
- Cicek, K.; Turan, H.; Topcu, Y.I.; Searslan, M.N. Risk-Based Preventive Maintenance Planning using Failure Mode and Effect Analysis (FMEA) for Marine Engine Systems. In Proceedings of the 2010 2nd International Conference on Engineering System Management and Applications, Sharjah, United Arab Emirates, 30 March–1 April 2010. [Google Scholar]
- Lazakis, I.; Turan, O.; Aksu, S. Increasing ship operational reliability through the implementation of a holistic maintenance management strategy. Ships Offshore Struct. 2010, 5, 337–357. [Google Scholar] [CrossRef]
- Dinmohammadi, F.; Shafiee, M. A Fuzzy-FMEA Risk Assessment Approach for Offshore Wind Turbines. Int. J. Progn. Health Manag. 2013, 4, 59–68. [Google Scholar] [CrossRef]
- Faturachman, D.; Mustafa, S.; Octaviany, F.; Novita, T.D. Failure Mode and Effects Analysis of Diesel Engine for Ship Navigation System Improvement. Int. J. Serv. Sci. Manag. Eng. 2014, 1, 6. [Google Scholar]
- Ahmed, S.; Gu, X.C. Accident-based FMECA study of Marine boiler for risk prioritization using fuzzy expert system. Results Eng. 2020, 6, 100123. [Google Scholar] [CrossRef]
- Zhou, Q.; Thai, V. V Fuzzy and grey theories in failure mode and effect analysis for tanker equipment failure prediction. Saf. Sci. 2015. [Google Scholar] [CrossRef]
- Lazakis, I.; Raptodimos, Y.; Varelas, T. Predicting ship machinery system condition through analytical reliability tools and artificial neural networks. Ocean Eng. 2018, 152, 404–415. [Google Scholar] [CrossRef]
- Yazdi, M.; Nikfar, F.; Nasrabadi, N. Failure probability analysis by employing fuzzy fault tree analysis. Int. J. Syst. Assur. Eng. Manag. 2017, 8, 1177–1193. [Google Scholar] [CrossRef]
- Mahmood, Y.A.; Ahmadi, A.; Verma, A.K.; Srividya, A.; Kumar, U. Fuzzy fault tree analysis: A review of concept and application. Int. J. Syst. Assur. Eng. Manag. 2013, 4, 19–32. [Google Scholar] [CrossRef]
- Baig, A.A.; Ruzli, R.; Buang, A.B. Reliability Analysis Using Fault Tree Analysis: A Review. Int. J. Chem. Eng. Appl. 2013, 4, 169–173. [Google Scholar] [CrossRef]
- Ahn, J.; Park, S.H.; Noh, Y.; Choi, B.I.; Ryu, J.; Chang, D.; Brendstrup, K.L.M. Performance and availability of a marine generator-solid oxide fuel cell-gas turbine hybrid system in a very large ethane carrier. J. Power Sources 2018, 399, 199–206. [Google Scholar] [CrossRef]
- Dionysiou, K.; Bolbot, V.; Theotokatos, G. A functional model-based approach for ship systems safety and reliability analysis: Application to a cruise ship lubricating oil system. Proc. Inst. Mech. Eng. Part M J. Eng. Marit. Environ. 2021. [Google Scholar] [CrossRef]
- Dong, C.; Yuan, C.; Liu, Z.; Yan, X. Marine Propulsion System Reliability Research Based on Fault Tree Analysis. Adv. Shipp. Ocean Eng. 2013, 2, 27–33. [Google Scholar]
- Miloulis, K.; Bolbot, V.; Theotokatos, G. Model-based safety analysis and design enhancement of a marine LNG fuel system. J. Mar. Eng. Technol. 2021, 9, 69. [Google Scholar] [CrossRef]
- Allal, A.A.; Mansouri, K.; Youssfi, M.; Qbadou, M. Toward a reliable main engine lubricating oil system for a safe operation of autonomous ship. In Proceedings of the 2017 2nd International Conference on System Reliability and Safety, ICSRS 2017, Milan, Italy, 20–22 December 2017; Institute of Electrical and Electronics Engineers Inc.: Piscataway, NJ, USA, 2018; pp. 391–399. [Google Scholar]
- Dikis, K.; Lazakis, I.; Turan, O. Probabilistic Risk Assessment of Condition Monitoring of Marine Diesel Engines. In Proceedings of the International Conference on Mechatronics Technology, Glasgow, UK, 7–9 July 2014; pp. 1–9. [Google Scholar]
- Whiteley, M.; Dunnett, S.; Jackson, L. Failure Mode and Effect Analysis, and Fault Tree Analysis of Polymer Electrolyte Membrane Fuel Cells. Int. J. Hydrogen Energy 2016, 41, 1187–1202. [Google Scholar] [CrossRef]
- Khare, V.; Nema, S.; Baredar, P. Reliability analysis of hybrid renewable energy system by fault tree analysis. Energy Environ. 2019, 30, 542–555. [Google Scholar] [CrossRef]
- Leimeister, M.; Kolios, A. A review of reliability-based methods for risk analysis and their application in the offshore wind industry. Renew. Sustain. Energy Rev. 2018, 91, 1065–1076. [Google Scholar] [CrossRef]
- Bolbot, V.; Theotokatos, G.; Boulougouris, E.; Psarros, G.; Hamann, R. A Novel Method for Safety Analysis of Cyber-Physical Systems-Application to a Ship Exhaust Gas Scrubber System. Safety 2020, 6, 26. [Google Scholar] [CrossRef]
- Siddiqui, N.A.; Nandan, A.; Sharma, M.; Srivastava, A. Risk Management Techniques HAZOP & HAZID Study. Int. J. Occup. Health Saf. Fire Environ. 2014, 1, 1–5. [Google Scholar]
- IACS. Recommendation No. 146: Risk Assessment as required by the IGF Code. 2016. Available online: https://www.iacs.org.uk/publications/recommendations/141-160/ (accessed on 10 February 2021).
- PHM Technology. Maintenance Aware Design Environment Training Course. 2019. Available online: https://www.phmtechnology.com/assets/MADe/MADe%20Module%20Guide.pdf (accessed on 5 May 2021).
- Hess, A.; Stecki, J.S.; Rudov-clark, S.D. The Maintenance Aware Design Environment: Development of an Aerospace PHM Software Tool; PHM Technology: North Fitzroy, Australia, 2008; pp. 1–9. [Google Scholar]
- Rudov-Clark, S.D.; Stecki, J. The Language of FMEA: On the Effective Use and Reuse of FMEA Data. In Proceedings of the Sixth DSTO International Conference on Health & Usage Monitoring, Melbourne, Australia, 9–12 March 2009. [Google Scholar]
- Rotshtein, A.; Katielnikov, D. Fuzzy Cognitive Maps in Reliability Modeling. In Advancements in Fuzzy Reliability Theory; IGI Global: Seoul, Korea, 2021. [Google Scholar]
- Bakhtavar, E.; Valipour, M.; Yousefi, S.; Sadiq, R.; Hewage, K. Fuzzy cognitive maps in systems risk analysis: A comprehensive review. Complex Intell. Syst. 2021, 7, 621–637. [Google Scholar] [CrossRef]
- Yildirim, U.; Campean, F.; Williams, H. Function modeling using the system state flow diagram. Artif. Intell. Eng. Des. Anal. Manuf. 2017, 31, 413–435. [Google Scholar] [CrossRef]
- Rudov-Clark, S.; Ryan, A.; Stecki, C.; Stecki, J. Automated design and optimisation of sensor sets for Condition-Based Monitoring. In Proceedings of the 13th Australian International Aerospace Congress, Melbourne, Australia, 9–12 March 2009. [Google Scholar]
- Goble, W.M.; Bukowski, J.; Loren, S. Comparing FMEDA Predicted Failure Rates to OREDA Estimated Failure Rates for Sensor and Valve Assemblies; Department of Electrical & Computer Engineering Villanova University: Villanova, PA, USA, 2016; pp. 1–24. [Google Scholar]
- OREDA. OREDA Database 2020. Available online: https://www.oreda.com/ (accessed on 10 June 2021).
- Verma, A.K.; Ajit, S.; Karanki, D.R. Reliability and Safety Engineering: Second Edition, 1st ed.; Pham, H., Ed.; Springer Series in Reliability Engineering; Springer: London, UK, 2010; ISBN 9781447162698. [Google Scholar]
- Stamatis, D. Failure Mode and Effect Analysis: FMEA from Theory to Execution; Quality Press: Perth, Australia, 2003. [Google Scholar]
- DNV Ships Part 6 Additional class notations Chapter 5 Equipment and design features. In Rule Classification; DNV: Schiedam, The Netherlands, 2021; pp. 1–8.
- Makajic-Nikolic, D.; Petrovic, N.; Belic, A.; Rokvic, M.; Radakovic, J.A.; Tubic, V. The fault tree analysis of infectious medical waste management. J. Clean. Prod. 2016, 113, 365–373. [Google Scholar] [CrossRef]
- PTC. Windchill Getting Started Guide 2019; PTC: Boston, MA, USA, 2019; pp. 1–156. [Google Scholar]










| ID | Hazard | Cause | Consequence | Safeguard |
|---|---|---|---|---|
| 1 | Ammonia vapour leak inside FC | Blockage, physical damage | Damage to other systems, loss of power, fire, crew injuries | Sufficient ventilation |
| 2 | Control system failure | Electric or mechanical fault, power surge | Loss of power, FC damage, ammonia release | Alarm signal and emergency shut down valve |
| 3 | Leak on bunkering connections | Mechanical/material malfunction (corrosion) | Damage to adjacent areas, injuries to crew, potential fire, etc. | Drip trays, NH3 detection, hazardous areas, airlocks and water curtains, remotely oversee of procedure |
| 4 | Tank overfilling | Malfunction ammonia level indicator | Tank damage, potential fire, injuries to crew, environmental exposure | Emergency shutdown valve, pressure monitoring, operation procedure |
| 5 | Leak in NH3 supply valves/flanges | Corrosion, overpressure, cracks, ruptures | Crack of deck, damage to adjacent areas, injuries to crew and cargo, potential fire, environmental exposure | Drip trays, suitable material for NH3, NH3 detection, hazardous areas, airlocks, water curtain, pressure control and shut down |
| 6 | NH3 heater leak | Mechanical damage | Damage to adjacent areas, environmental exposure, injuries to crew | Drip trays, suitable material for NH3 |
| 7 | Reliquification failure | Mechanical/electrical/material damage | Tank pressure regulation issues | Pressure sensors |
| 8 | Tank heating malfunction | Electrical/material damage, control system failure | Tank pressure regulation issues, overheating, FC performance reduction | Pressure, temperature sensors, vent mast |
| System | Subsystem/ Component | Failure Mode | Causes of Failure | O | S | D | RPN |
|---|---|---|---|---|---|---|---|
| FC | FC module | Low electrical voltage | Hydrogen attack or thermal degradation | 4.0 | 10.0 | 8.0 | 320 |
| FC | FC module | Low gas mass flow rate | Hydrogen attack or thermal degradation | 4.0 | 10.0 | 8.0 | 320 |
| FC | FC module | Low electrical voltage | Dielectric breakdown | 4.0 | 10.0 | 7.0 | 280 |
| FC | Switchboard | Low electrical voltage | Burnout | 4.0 | 10.0 | 7.0 | 280 |
| Tank heater in ammonia containment | Heater | Low temperature | Burnout | 4.0 | 10.0 | 7.0 | 280 |
| Reliquification | Compressor | Low gas mass flow rate | Burnout | 4.0 | 10.0 | 7.0 | 280 |
| Reliquification | Compressor | Low gas static pressure | Burnout | 4.0 | 10.0 | 7.0 | 280 |
Publisher’s Note: MDPI stays neutral with regard to jurisdictional claims in published maps and institutional affiliations. |
© 2021 by the authors. Licensee MDPI, Basel, Switzerland. This article is an open access article distributed under the terms and conditions of the Creative Commons Attribution (CC BY) license (https://creativecommons.org/licenses/by/4.0/).
Share and Cite
Trivyza, N.L.; Cheliotis, M.; Boulougouris, E.; Theotokatos, G. Safety and Reliability Analysis of an Ammonia-Powered Fuel-Cell System. Safety 2021, 7, 80. https://doi.org/10.3390/safety7040080
Trivyza NL, Cheliotis M, Boulougouris E, Theotokatos G. Safety and Reliability Analysis of an Ammonia-Powered Fuel-Cell System. Safety. 2021; 7(4):80. https://doi.org/10.3390/safety7040080
Chicago/Turabian StyleTrivyza, Nikoletta L, Michail Cheliotis, Evangelos Boulougouris, and Gerasimos Theotokatos. 2021. "Safety and Reliability Analysis of an Ammonia-Powered Fuel-Cell System" Safety 7, no. 4: 80. https://doi.org/10.3390/safety7040080
APA StyleTrivyza, N. L., Cheliotis, M., Boulougouris, E., & Theotokatos, G. (2021). Safety and Reliability Analysis of an Ammonia-Powered Fuel-Cell System. Safety, 7(4), 80. https://doi.org/10.3390/safety7040080

