Primary-Frequency-Regulation Coordination Control of Wind Power Inertia and Energy Storage Based on Compound Fuzzy Logic
Abstract
:1. Introduction
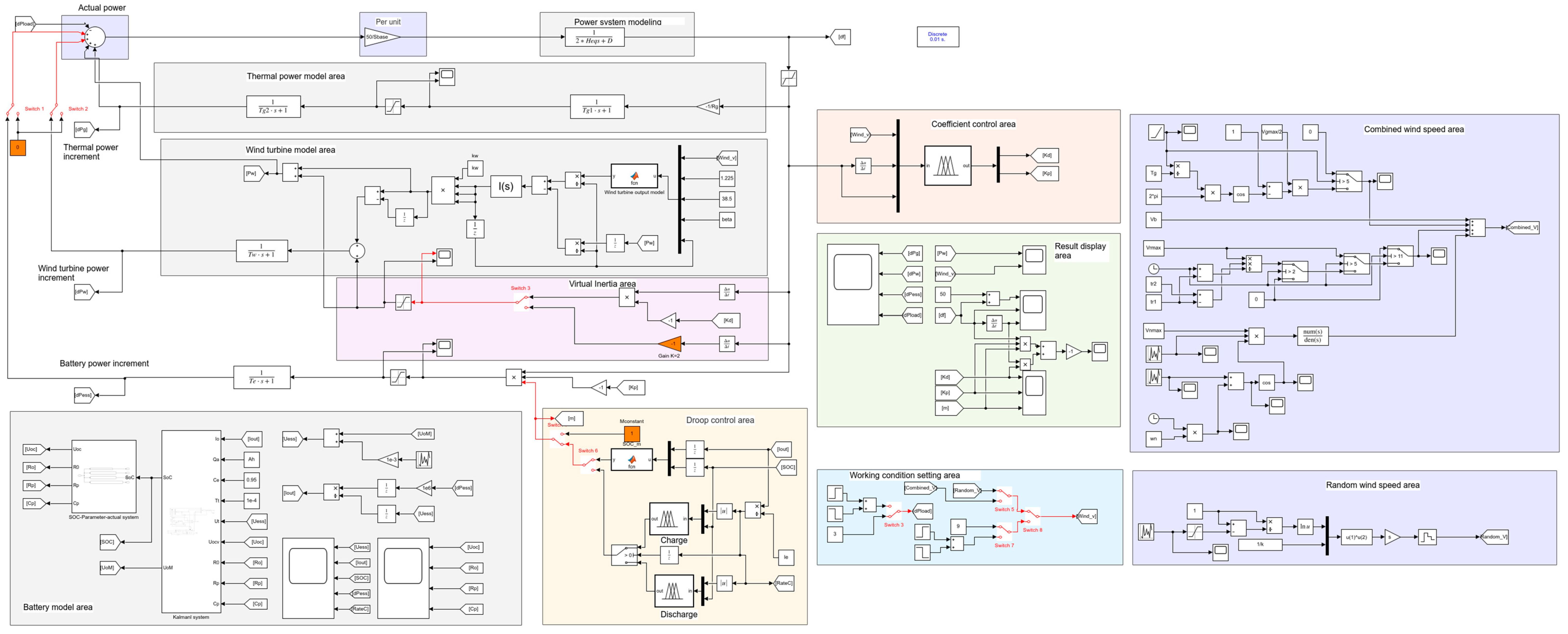
2. Frequency Regulation System Model of Wind Storage System
2.1. Generation-Load Model
2.2. The Wind Model
2.3. The Battery Model
3. Compound Fuzzy Logic Primary-Frequency-Regulation Cooperative Control Strategy
3.1. Frequency Control Model
3.2. Fuzzy Control Model
- (1)
- When the wind speed is low, the frequency regulation ability of wind power generation is relatively weak, and too much change in rotor speed easily triggers the wind turbine off-grid. Therefore, the virtual inertia coefficient Kd should be set to a small value regardless of the change in frequency difference and frequency deviation, and it decreases with the increase in the frequency change rate; meanwhile, the energy storage should undertake the main task of frequency regulation, and Kp increases with the increase in the frequency change rate. With the increasing frequency deviation, Kd and Kp should also be increased appropriately.
- (2)
- When the wind speed is moderate, wind power has the strongest frequency regulation ability. To maximize the wind power regulation, Kd is set with the increase in the rate of change in the frequency and decreases, Kp is set with the increase in the rate of change in frequency and increases, and Kd, Kp are set with the increase in frequency deviation and increase. When the frequency variation rate and frequency deviation are small, to avoid the battery being dispatched frequently, the value of Kd can be increased appropriately, and the value of Kp should be small; when the frequency variation rate is low, and the frequency deviation is large, the values of Kd and Kp should be large; when the frequency variation rate is large, and the frequency deviation is small, the values of Kd and Kp should be small; when the frequency variation rate and frequency deviation are large, the value of Kd should be small, and the value of Kp should be large. The Kp value should be taken as large as possible.
- (3)
- When the wind speed is large, the regulating ability of the wind turbine is weak, and the output frequency regulation active capacity is small. When the frequency change rate is small, the value of Kd can be increased appropriately, and Kd decreases with the increase in the frequency change rate. However, when the wind speed is too large, Kd should not take too large a value, while the value of Kp is positively correlated with the frequency deviation and frequency change rate; when the frequency change rate is large, to avoid excessive release of kinetic energy, Kd should be small, and Kp can be increased appropriately. The corresponding fuzzy rule table is shown below.
- (1)
- When the battery is in a discharged state, the battery needs to avoid excessive discharge at low soc. As the SOC of the battery decreases, the discharge control factor gradually decreases. To avoid insufficient power resources provided by frequency regulation, the discharge control coefficient increases with the increase in the discharge multiplier.
- (2)
- When the battery is charging, the battery needs to avoid over-electricity in the case of high soc, and the discharge control coefficient gradually decreases as the soc of the battery increases. To avoid insufficient power resources provided by frequency regulation, the charging control coefficient increases with the increase in the discharge multiplier.
4. Case Studies and Simulations
4.1. Step Dynamic Performance Simulation
4.2. Sudden Change in Wind Speed Simulation
4.3. Continuous Working Condition Simulation
5. Conclusions
Author Contributions
Funding
Data Availability Statement
Conflicts of Interest
Appendix A


References
- Ding, H.; Pinson, P.; Hu, Z.; Song, Y. Integrated Bidding and Operating Strategies for Wind-Storage Systems. IEEE Trans. Sustain. Energy 2016, 7, 163–172. [Google Scholar] [CrossRef]
- Wei, X.; Xiang, Y.; Li, J.; Zhang, X. Self-Dispatch of Wind-Storage Integrated System: A Deep Reinforcement Learning Approach. IEEE Trans. Sustain. Energy 2022, 13, 1861–1864. [Google Scholar] [CrossRef]
- Dicorato, M.; Forte, G.; Pisani, M.; Trovato, M. Planning and Operating Combined Wind-Storage System in Electricity Market. IEEE Trans. Sustain. Energy 2012, 3, 209–217. [Google Scholar] [CrossRef]
- Yao, J.; Yu, M.; Gao, W.; Zeng, X. Frequency Regulation Control Strategy for PMSG Wind-power Generation System with Flywheel Energy Storage Unit. IET Renew. Power Gener. 2017, 11, 1082–1093. [Google Scholar] [CrossRef]
- Peng, B.; Zhang, F.; Liang, J.; Ding, L.; Liang, Z.; Wu, Q. Coordinated control strategy for the short-term frequency response of a DFIG-ES system based on wind speed zone classification and fuzzy logic control. Electr. Power Energy Syst. 2019, 107, 363–378. [Google Scholar] [CrossRef]
- Zhao, J.; Lyu, X.; Fu, Y.; Hu, X.; Li, F. Coordinated microgrid frequency regulation based on DFIG variable coefficient using virtual inertia and primary frequency control. IEEE Trans. Energy Convers. 2016, 31, 833–845. [Google Scholar] [CrossRef]
- Choi, J.W.; Heo, S.Y.; Kim, M.K. Hybrid Operation Strategy of Wind Energy Storage System for Power Grid Frequency Regulation. IET Gener. Transm. Distrib. 2016, 10, 736–749. [Google Scholar] [CrossRef]
- Zhang, F.; Hu, Z.; Xie, X.; Zhang, J.; Song, Y. Assessment of the Effectiveness of Energy Storage Resources in the Frequency Regulation of a Single-Area Power System. IEEE Trans. Power Syst. 2017, 32, 3373–3380. [Google Scholar] [CrossRef]
- He, G.; Chen, Q.; Kang, C.; Xia, Q.; Poolla, K. Cooperation of Wind Power and Battery Storage to Provide Frequency Regulation in Power Markets. IEEE Trans. Power Syst. 2017, 32, 3559–3568. [Google Scholar] [CrossRef]
- Zang, Y.; Ge, W.; Wang, S.; Zhao, L.; Tan, C. An Economical Optimization Method for Active Power with Variable Droop Control Considering Frequency Regulation Costs in Integrated Energy Systems. Front. Energy Res. 2022, 10, 905454. [Google Scholar] [CrossRef]
- Knap, V.; Chaudhary, S.K.; Stroe, D.-I.; Swierczynski, M.J.; Craciun, B.-I.; Teodorescu, R. Sizing of an Energy Storage System for Grid Inertial Response and Primary Frequency Reserve. IEEE Trans. Power Syst. 2016, 31, 3447–3456. [Google Scholar] [CrossRef]
- Akram, U.; Mithulananthan, N.; Shah, R.; Pourmousavi, S.A. Sizing HESS as Inertial and Primary Frequency Reserve in Low Inertia Power System. IET Renew. Power Gener. 2021, 15, 99–113. [Google Scholar] [CrossRef]
- Yang, L.; Liu, T.; Hill, D.J. Distributed MPC-Based Frequency Control for Multi-Area Power Systems with Energy Storage. Electr. Power Syst. Res. 2021, 190, 106642. [Google Scholar] [CrossRef]
- Yu, B.; Lv, Q.; Zhang, Z.; Dong, H. Hierarchical Distributed Coordinated Control for Battery Energy Storage Systems Participating in Frequency Regulation. Energies 2022, 15, 7283. [Google Scholar] [CrossRef]
- Bai, J.; Zhao, Y.; Jiang, H.; Wei, M.; Yu, S. Load Frequency Control of Power System with Energy Storage Based on Disturbance Observer. Energy Rep. 2022, 8, 615–622. [Google Scholar] [CrossRef]
- Pradhan, C.; Bhende, C.N.; Samanta, A.K. Adaptive Virtual Inertia-Based Frequency Regulation in Wind Power Systems. Renew. Energy 2018, 115, 558–574. [Google Scholar] [CrossRef]
- Guan, M. Scheduled Power Control and Autonomous Energy Control of Grid-Connected Energy Storage System (ESS) With Virtual Synchronous Generator and Primary Frequency Regulation Capabilities. IEEE Trans. Power Syst. 2022, 37, 942–954. [Google Scholar] [CrossRef]
- Ge, S.; He, X.; Liu, H.; Mi, Y.; Wang, C. Frequency Coordinated Control Strategy Based on Sliding Mode Method for a Microgrid with Hybrid Energy Storage System. IET Gener. Transm. Distrib. 2021, 15, 1962–1971. [Google Scholar] [CrossRef]
- Li, P.; Tan, Z.; Zhou, Y.; Li, C.; Li, R.; Qi, X. Secondary Frequency Regulation Strategy with Fuzzy Logic Method and Self-Adaptive Modification of State of Charge. IEEE Access 2018, 6, 43575–43585. [Google Scholar] [CrossRef]
- Yu, Y.; Qin, Y.; Gong, H. Fuzzy Q-Learning Algorithm for Storage Optimization in Islanding Microgrid. J. Electr. Eng. Technol. 2021, 16, 2343–2353. [Google Scholar] [CrossRef]
- Yin, L.; Li, Y. Fuzzy Vector Reinforcement Learning Algorithm for Generation Control of Power Systems Considering Flywheel Energy Storage. Appl. Soft Comput. 2022, 125, 109149. [Google Scholar] [CrossRef]
- Zertek, A.; Verbic, G.; Pantos, M. A novel strategy for variable-speed wind turbines’ participation in primary frequency control. IEEE Trans. Sustain. Energy 2012, 3, 791–799. [Google Scholar] [CrossRef]
- Wang, Y.; Delille, G.; Bayem, H.; Guillaud, X. High wind power penetration in isolated power systems: Assessment of wind inertial and primary frequency responses. IEEE Trans. Power Syst. 2013, 28, 2412–2420. [Google Scholar] [CrossRef]
- Kroposki, B.; Johnson, B.; Zhang, Y.; Gevorgian, V.; Denholm, P.; Hodge, B.M.; Hannegan, B. Achieving a 100% renewable grid: Operating electric power systems with extremely high levels of variable renewable energy. IEEE Power Energy Mag. 2017, 15, 61–73. [Google Scholar] [CrossRef]
- Lalor, G.; Mullane, A.; O’Malley, M. Frequency control and wind turbine technologies. IEEE Trans. Power Syst. 2005, 20, 1905–19135. [Google Scholar] [CrossRef]
- Ochoa, D.; Martinez, S. Fast-frequency response provided by DFIG-wind turbines and its impact on the grid. IEEE Trans. Power Syst. 2017, 32, 4002–4011. [Google Scholar] [CrossRef]
- Fu, Y.; Wang, Y.; Zhang, X. Integrated wind turbine controller with virtual inertia and primary frequency responses for grid dynamic frequency support. IET Renew. Power Gener. 2017, 11, 1129–1137. [Google Scholar] [CrossRef]
- Dubarry, M.; Truchot, C.; Liaw, B.Y. Cell degradation in commercial LiFePO4 cells with high-power and high-energy designs. J. Power Sources 2014, 258, 408–419. [Google Scholar] [CrossRef]
- Dubarry, M.; Liaw, B.Y.; Chen, M.-S.; Chyan, S.-S.; Han, K.-C.; Sie, W.-T.; Wu, S.-H. Identifying batteryaging mechanisms in large format Liion cells. J. Power Sources 2011, 196, 3420–3425. [Google Scholar] [CrossRef]





















| () | v | ||||
|---|---|---|---|---|---|
| VS | S | M | B | VB | |
| (VS, VS) | (S, VS) | (M, VS) | (B, VS) | (VB, VS) | (B, S) |
| (VS, S) | (S, S) | (M, S) | (B, S) | (VB, S) | (B, S) |
| (VS, M) | (S, S) | (M, S) | (B, S) | (VB, S) | (B, M) |
| (VS, B) | (S, S) | (M, M) | (B, M) | (VB, M) | (B, M) |
| (VS, VB) | (M, M) | (B, M) | (B, M) | (VB, M) | (B, M) |
| (S, VS) | (S, VS) | (S, VS) | (B, VS) | (B, VS) | (M, S) |
| (S, S) | (S, S) | (S, S) | (B, S) | (B, S) | (M, M) |
| (S, M) | (S, S) | (S, S) | (B, M) | (B, M) | (M, M) |
| (S, B) | (S, S) | (S, M) | (B, M) | (B, B) | (M, B) |
| (S, VB) | (S, M) | (M, M) | (B, B) | (VB, B) | (B, B) |
| (M, VS) | (S, S) | (S, S) | (M, S) | (B, S) | (S, M) |
| (M, S) | (S, S) | (S, S) | (M, M) | (B, M) | (S, M) |
| (M, M) | (S, M) | (S, M) | (M, M) | (B, B) | (S, B) |
| (M, B) | (S, M) | (S, M) | (M, B) | (B, B) | (M, B) |
| (M, VB) | (S, M) | (S, B) | (B, B) | (B, B) | (M, B) |
| (B, VS) | (VS, S) | (S, S) | (S, S) | (VB, M) | (S, M) |
| (B, S) | (VS, S) | (S, S) | (S, M) | (B, B) | (S, M) |
| (B, M) | (VS, S) | (S, M) | (S, M) | (B, B) | (S, B) |
| (B, B) | (S, S) | (S, B) | (S, B) | (M, B) | (S, B) |
| (B, VB) | (S, M) | (S, B) | (M, B) | (B, B) | (M, B) |
| (VB, VS) | (VS, S) | (VS, S) | (S, B) | (S, B) | (S, B) |
| (VB, S) | (VS, S) | (VS, M) | (S, B) | (S, B) | (S, B) |
| (VB, M) | (VS, M) | (VS, M) | (S, B) | (S, B) | (S, B) |
| (VB, B) | (S, M) | (VS, B) | (S, B) | (S, B) | (S, VB) |
| (VB, VB) | (S, B) | (S, B) | (S, VB) | (S, VB) | (S, VB) |
| Rate-C | SOC | ||||
|---|---|---|---|---|---|
| VS | S | M | B | VB | |
| VS | VB | VB | VB | VB | VB |
| S | B | VB | VB | VB | VB |
| M | M | B | VB | VB | VB |
| B | S | M | B | VB | VB |
| VB | VS | S | M | B | VB |
| Rate-C | SOC | ||||
|---|---|---|---|---|---|
| VS | S | M | B | VB | |
| VS | VB | VB | VB | VB | VB |
| S | VB | VB | VB | VB | B |
| M | VB | VB | VB | B | M |
| B | VB | VB | B | M | S |
| VB | VB | B | M | S | VS |
| Parameters | Value |
|---|---|
| Rated power of thermal power | 100 MW |
| Inertia time constant of thermal power | 5.8 s |
| Regulation response time factor of prime mover | 0.25 s |
| Regulation response time factor of generator | 0.35 s |
| Adjustment factor of thermal power | 0.1 |
| Rated power of wind power | 50 MW |
| Inertia time constant of wind turbine | 3 s |
| Regulation response time factor of wind turbine | 0.3 s |
| Rated power of energy storage | 10 MW |
| Rated capacity of energy storage | 5 MWh |
| Regulation response time factor of energy storage | 0.01 s |
| Load damping | 1.2 s |
| Parameters | Frequency Change (Hz) | SOC Change (%) | ||||
|---|---|---|---|---|---|---|
| Low SOC | Medium SOC | High SOC | Low SOC | Medium SOC | High SOC | |
| Case1: Thermal generators only | 0.3212 | / | / | / | ||
| Case2: Wind power fixed coefficient | 0.2768 | / | / | / | ||
| Case3: Wind power fuzzy control | 0.2625 | / | / | / | ||
| Case4: Wind power and storage fuzzy control | 0.1528 | 0.1528 | 0.1528 | −0.269 | −0.1942 | −0.1675 |
| Case5: Wind power and storage fuzzy coefficient control | 0.2555 | 0.1528 | 0.1528 | 0.2725 | −0.1941 | −0.3781 |
| Case6: Wind power–storage combination fuzzy coefficient control | 0.1616 | 0.1552 | 0.1552 | −0.2243 | −0.1876 | −0.1615 |
| Parameters | Frequency Change (Hz) | SOC Change (%) | ||||
|---|---|---|---|---|---|---|
| Low SOC | Medium SOC | High SOC | Low SOC | Medium SOC | High SOC | |
| Case1: Thermal generators only | 0.3212 | / | / | / | ||
| Case2: Wind power fixed coefficient | 0.2768 | / | / | / | ||
| Case3: Wind power fuzzy control | 0.2593 | / | / | / | ||
| Case4: Wind power and storage fuzzy control | 0.1501 | 0.1501 | 0.1501 | −0.2624 | −0.1953 | −0.1686 |
| Case5: Wind power and storage fuzzy coefficient control | 0.2522 | 0.1501 | 0.1501 | 0.2751 | −0.1953 | −0.3810 |
| Case6: Wind power–storage combination fuzzy coefficient control | 0.1587 | 0.1525 | 0.1525 | −0.2253 | −0.1888 | −0.1625 |
| Parameters | Frequency Change Pack (Hz) | Final SOC (%) | ||||
|---|---|---|---|---|---|---|
| Low Charge Condition | Medium Charge Condition | High Charge Condition | Low Charge Condition | Medium Charge Condition | High Charge Condition | |
| Wind power and storage fixed coefficient | 0.3563 | 0.3563 | 0.3563 | 20.0055 | 50.0059 | 80.0084 |
| Wind power fuzzy + energy storage control curve | 0.3552 | 0.3126 | 0.4506 | 20.0167 | 50.0061 | 79.9963 |
| Wind power–storage combination fuzzy coefficient control | 0.3137 | 0.3137 | 0.3126 | 20.0068 | 50.0062 | 80.0084 |
| Parameters | Average Frequency (Hz) | Final SOC (%) | ||
|---|---|---|---|---|
| Medium-Charge Condition | High-Charge Condition | Medium-Charge Condition | High-Charge Condition | |
| Wind power and storage fixed coefficient | 49.9794 | 49.9794 | 26.2883 | 58.3845 |
| Wind power fuzzy + energy storage control curve | 49.9792 | 49.9794 | 28.9737 | 57.1203 |
| Wind power–storage combination fuzzy coefficient control | 49.9793 | 49.9793 | 27.5356 | 59.2084 |
Disclaimer/Publisher’s Note: The statements, opinions and data contained in all publications are solely those of the individual author(s) and contributor(s) and not of MDPI and/or the editor(s). MDPI and/or the editor(s) disclaim responsibility for any injury to people or property resulting from any ideas, methods, instructions or products referred to in the content. |
© 2023 by the authors. Licensee MDPI, Basel, Switzerland. This article is an open access article distributed under the terms and conditions of the Creative Commons Attribution (CC BY) license (https://creativecommons.org/licenses/by/4.0/).
Share and Cite
Ma, S.; Xin, D.; Jiang, Y.; Li, J.; Wu, Y.; Sha, G. Primary-Frequency-Regulation Coordination Control of Wind Power Inertia and Energy Storage Based on Compound Fuzzy Logic. Batteries 2023, 9, 564. https://doi.org/10.3390/batteries9120564
Ma S, Xin D, Jiang Y, Li J, Wu Y, Sha G. Primary-Frequency-Regulation Coordination Control of Wind Power Inertia and Energy Storage Based on Compound Fuzzy Logic. Batteries. 2023; 9(12):564. https://doi.org/10.3390/batteries9120564
Chicago/Turabian StyleMa, Suliang, Dixi Xin, Yuan Jiang, Jianlin Li, Yiwen Wu, and Guanglin Sha. 2023. "Primary-Frequency-Regulation Coordination Control of Wind Power Inertia and Energy Storage Based on Compound Fuzzy Logic" Batteries 9, no. 12: 564. https://doi.org/10.3390/batteries9120564
APA StyleMa, S., Xin, D., Jiang, Y., Li, J., Wu, Y., & Sha, G. (2023). Primary-Frequency-Regulation Coordination Control of Wind Power Inertia and Energy Storage Based on Compound Fuzzy Logic. Batteries, 9(12), 564. https://doi.org/10.3390/batteries9120564

