Next Article in Journal
Mechanism of Ionic Impedance Growth for Palladium-Containing CNT Electrodes in Lithium-Oxygen Battery Electrodes and Its Contribution to Battery Failure
Previous Article in Journal
Vanadium Electrolyte for All-Vanadium Redox-Flow Batteries: The Effect of the Counter Ion
 
 
Font Type:
Arial Georgia Verdana
Font Size:
Aa Aa Aa
Line Spacing:
Column Width:
Background:
Article

Design and Analysis of the Use of Re-Purposed Electric Vehicle Batteries for Stationary Energy Storage in Canada

1
Department of Chemical Engineering, University of Waterloo, 200 University Ave W, Waterloo, ON N2L 3G1, Canada
2
Department of Chemical and Biomolecular Engineering, University of South Alabama, 307 N University Blvd, Mobile, AL 36688, USA
3
Department of Mechanical and Mechatronics Engineering, University of Waterloo, 200 University Ave W, Waterloo, ON N2L 3G1, Canada
4
School of Environment, Enterprise, and Development, University of Waterloo, 200 University Ave W, Waterloo, ON N2L 3G1, Canada
*
Author to whom correspondence should be addressed.
Batteries 2019, 5(1), 14; https://doi.org/10.3390/batteries5010014
Submission received: 5 December 2018 / Revised: 10 January 2019 / Accepted: 15 January 2019 / Published: 19 January 2019

Abstract

Vehicle electrification increases the fuel efficiency of the transportation sector while lowering emissions. Eventually, however, electric vehicle batteries will reach their end-of-life (EOL) point, when the capacity of the battery is insufficient for operating a motor vehicle. At this point, the battery is typically removed for recycling. This treatment of the electric vehicle battery is not efficient, as there is still a high enough storage capacity that they can be used in various non-vehicular uses. Unfortunately, there are numerous barriers limiting the adoption of re-used electric vehicle batteries. Herein, the authors analyze the limitations and current codes and standards that affect re-purposed battery pack designs. Utilizing these requirements, a bench test setup is designed and built, to determine feasibility of a repurposed electric vehicle (EV) battery for stationary energy storage in Canada.

1. Introduction

Vehicle electrification is beneficial to society because it offers greater fuel mileage for hybrid vehicles, lower net greenhouse gas emissions, and lower fuel and operating costs. The long-term movement away from “mild” hybrids, where the electric motor gives a performance-assist to full hybrids, and electric vehicles (EVs), has led to developments in battery technologies, most of which use lithium-ion (Li-ion) chemistries. Due to their higher energy density, Li-ion batteries are the industry standard for EVs [1,2]. Although the use of electric vehicle (EV) vehicles with Li-ion batteries reduces greenhouse gases caused by the use of fossil fuels, there are some disadvantages to their use. The key concerns with using Li-ion batteries are an increase in cost, weight, size, and the greater material and financial investment that must be made at the beginning of the battery’s useful life [3].
When Li-ion batteries from EVs reach their end-of-life (EOL), they can be recycled to recapture some of the materials. However, recycling batteries is not an economical proposition, as the materials being used to create EV batteries are decreasing in recyclable value, with the shift to LiFePO4, and because EV batteries typically retain 80% of their originally manufactured energy storage capacity when they are removed from functioning vehicles [4,5]. The 80% capacity estimation is a rule-of-thumb approximation that is used to roughly determine the condition of a Li-ion EV battery when it is removed from a vehicle. This particular rule-of-thumb is commonly used in research to help determine a benchmark for second-use battery performance [6,7,8,9]. As the voltage being drawn in the battery’s drive-use phase is constant, a similar decline in energy is observed due to the proportional relationship between capacity and energy. However, in practice, the repurposing of an EV battery would require the use of battery testing infrastructure that would be used to confirm the battery state-of-health (SOH) and energy storage capacity of the battery. This step would be essential as the SOH and remaining energy storage capacity of the battery would depend on the battery’s first use and capacity. A potential evaluation system is discussed in Section 3.
As EV batteries typically leave vehicles with most of their energy and capacity intact, it is essential that new applications are developed to better utilize EV batteries during their use phase are developed. To extend the useful life of the EV battery, the pack can be re-purposed for a secondary use which delays the battery recycling. In a battery re-purposing scheme, the Li-ion battery is used in a stationary application to provide energy storage for renewable energy integration, to charge other EVs or to provide backup power. In Table 1 below, a list of current EV batteries is given with their in-use and repurposed energy (kWh) for plug-in hybrid electric vehicles, (PHEV), electric vehicles (EV) and hybrid electric vehicles (HEV).
As the slow increase in Canadian sales of hybrid-electric vehicles (HEV), plug-in hybrid-electric vehicles (PHEV) and EVs continues, in conjunction with the increased penetration of renewable energy sources, there is a new scenario of electrical supply and demand instability [15]. The use of energy storage devices, such as re-purposed battery packs, can be used to help manage the electric loads on the grid. This load-shifting is a significant necessity of future smart-grid developments, which have been shown to have economic benefits for consumers [16].
The lifecycle of Li-ion batteries has been explored with a focus on comparing current practices for EV batteries at their EOL, to looking at the potential for second-use applications, as described in Figure 1 [8]. By re-purposing EV batteries for stationary energy storage application, there is a significant potential greenhouse gas emissions reduction of 56%, or 24 tonnes of CO2e, over the total 18-year lifetime of the battery [8]. The sources of greenhouse gas reduction primarily comes from the use of PHEVs over conventional gasoline vehicles and by offsetting the use of coal and natural gas power with the potential use of renewable power supported by a second-use EV battery.
Re-purposing EV battery packs for secondary applications can significantly increase their overall lifespan. When applied to a second use, there is a much more stable setting for the EV battery. During the automotive service life, the Li-ion batteries must meet rapidly fluctuating demands for acceleration and deceleration that are dependent on the vehicle’s driver. In the second use, however, the fluctuation in energy demand and charge is smaller, which helps the battery to maintain its energy storage capacity longer. Additionally, when the batteries are used in stationary applications, the batteries can be stored in a way that optimizes climate control as there are less size and weight restrictions.
Despite the many benefits of re-purposing Li-ion batteries, there are factors that impede the widespread adoption of this concept. One impediment is that a design methodology and certifications to ensure product safety are not currently available for repurposed EV batteries. Herein, the authors describe a design methodology for building a stationary energy storage system using re-purposed battery packs for use in Canada. A thorough analysis of the current standards is performed to determine the necessary criteria for the design, including the completion of a failure modes and effects analysis (FMEA) and fault tree analysis (FTA) to identify potential safety risks for construction, operation, and installation. Finally, a proof-of-concept of the design is built to ensure the functionality of the system.

1.1. Canadian Electricity Supply Mix

As the focus of this research is to develop a design for the application of re-purposed EV batteries to residential energy storage in Canada, it is important to understand Canada’s energy supply. In order to supply electricity to the millions of households, business, and industries in Canada, a wide variety of energy sources are utilized. Figure 2 details the Canada’s electricity generations mix.
The largest suppliers for electricity generation are provided by hydroelectricity and nuclear [18]. Although, the hydroelectricity supply can be somewhat increased and decreased depending on electricity demands, nuclear only provides a base load of power and cannot simply be “ramped up” or “down” depending on electricity demand transients. To account for these fluctuations, non-renewable energy sources are utilized during points of increased demand, but these sources typically produce greenhouse gases adding to the world climate change problem. Non-hydro renewable energy sources would be an excellent method of providing energy during transient demand conditions, but one of their greatest disadvantages is that supply and demand mismatches can occur. A mismatch in this context refers to the time that electricity is generated does not match the demand point and, thus, is not capable of being effectively utilized in Canada’s energy grid.
This demand and supply mismatch issue, though, can be remedied if the energy could be stored in a separate source after it has been produced. Technologies that can be utilized to store energy from renewable technologies include: flywheels, compressed gas, hydrogen gas production, and electrochemical techniques [19]. As the energy required for a single household is relatively small in comparison to the turbines and large-scale solar arrays that these technologies have been designed for, many of these energy storage techniques would not be economical and would require a significant architectural footprint. Battery technologies, such as lithium-ion, though, have a significant energy density, so they will be able to cover the energy requirements and only take up a small footprint within a household.
Industry leaders have seen the benefits of dedicated home battery packs for smoothing grid demands and have released their own products in the market. In April 2015, for example, Tesla announced the Powerwall, a 6.4 kWh battery pack that can be installed in a residence for daily cycle applications [20]. Combining the Powerwall with zero-emission power sources, such as solar, allows consumers to charge their battery pack using “clean” power to their homes and utilize it at the time it is demanded. After Tesla’s release of the Powerwall, Nissan released a design for vehicle-to-grid technology called xStorage [21]. Unlike other energy storage systems, xStorage differentiates itself by utilizing re-purposed batteries from Nissan’s electric fleet. As a result of the roll out of xStorage, Nissan has made a design change to their battery packs making them more modular so that they are easier to remove by technicians and be transferred over to second-life applications [21].

1.2. Identifying Canadian Household Demand

Two markets, which are most suitable for the use of repurposed batteries as energy storage are homes and small commercial installations. Both applications have previously been found to be appropriate application types for battery energy storage and can be powered using a relatively small number of battery packs [8,22]. To determine the size required for a battery pack energy storage system in a Canadian residence, the average daily consumption of energy by a Canadian household was determined. Every year, an average Canadian household uses approximately 4.3 × 104 kJ of electricity, which is approximately 117.73 kJ daily. Figure 3 displays the average household annual energy usage in Canada for various fuel types [23]. This electricity can be supplied, or offset at least, throughout the day by renewable or low carbon surplus nuclear energy stored within a re-purposed battery pack. Studies of the usage of an electric vehicle battery for residential applications have illustrated that these systems can help to reduce energy costs and greenhouse gas emissions [24,25]. The application of these systems depends on how the system controller is programmed.

1.3. Current Applicable Design Codes

To use repurposed EV batteries in residences, it is essential to understand the safety measures and applicable codes for their installation and use. As home energy storage is a relatively recent development, there are not many codes that refer specifically to this technology. Underwriters Laboratories have developed a code which details the specifications necessary for the design of stationary energy storage devices; however, the standard is meant to provide guidance for large Li-ion battery packs that store energy from massive photovoltaic systems or turbines [26]. Since there is no specific code for stationary energy storage devices used in homes, specifications for the battery pack are drawn from similar existing codes for lead-acid battery energy stationary storage applications and for the design of Li-ion batteries. Codes from the Pacific Northwest National Laboratory outline the application of energy storage systems in the United States [27]. In Table 2, below, are codes which are applicable to the re-purposed EV battery packs. Table 2 focuses on codes which are specific to the battery pack used in the stationary assembly, while Table 3 focuses on codes which outline design considerations for the re-purposed pack assembly.
The main take-aways from the codes given in Table 3, above, are that the battery should be stored in a secure manner, on a level surface, behind protection to protect personnel from leaks and fires, and at 25 °C. The temperature requirement for the repurposed EV battery pack is noted in the installation manual for Tesla’s Powerwall. Limiting the operating temperature of the battery limits where the battery can be placed, especially in cold locales, such as Canada or hotter ones, like the southern United States. If the final energy storage device is installed in a garage or outdoor area, thermal controllers are needed, in addition to insulation, heating units, or air-conditioning. Although thermal regulation adds to the total cost of the system, it will mitigate thermal runaway and contribute to the longer life of the battery. In a typical home, the battery should be operating at less than 50 V. As part of securing the battery, it is also important that the area be protected from vibrations to prevent disconnects and damage to the interior components of the battery pack casing [27]. Equipment shall be provided to control the charging process of the battery [28]. The battery pack itself must be secured and enclosed in a protective case only accessible to the appropriate personnel such as the installer or electrician.
Before being used in a given application, batteries must pass tests that determine the strength of the battery management system (BMS) and the potential for thermal runaway, overcharging, and/or overheating [29]. A standard by the International Electrotechnical Commission (IEC 62619 Ed. 1.0) is focused on the safe use of re-purposed Li-ion batteries in industry [27]. Because these secondary use batteries are being applied in a system that they were not designed for, a new controller must be used and the BMS must be re-tested to protect against faults. Several new codes are being developed for the use of Li-ion batteries in stationary energy storage installations [30]. These newly developed codes will provide requirements for the installation and use of energy storage systems. As such, the wording needs to be understood by those who will be reading it and cannot have erroneous information. Not all codes and standards are developed the same way, but there is a similar process that many codes developers use. It starts with the initial phase of creating a proposal. If accepted the internal council will prepare a draft, which is then sent out to committee to discuss and rework it to create an initial working draft. The draft standard is then sent out for public review, changes are made, and then it is finally published. Over time, the code or standard will go through editing iterations to maintain its relevance to new ideas and continual user reviews [31,32]. Currently, the Canadian Standards Association has developed safety guidelines for the use of Li-ion batteries in portable applications; however, this code does not apply to the type of stationary applications being examined here [33]. The Canadian Electrical Code, Canadian Standards Association C22.1, is the key standard used in Canada used for electrical equipment. [28]. Re-purposed EV battery packs can feed electricity into the grid or can store energy and therefore must meet the CSA standards for energy storage. Given this, the potential housing and energy storage system layout shown in Figure 4 must be in compliance with the Canadian Electrical Code. A list of some of the current design codes for installation of a re-purposed EV battery pack for energy storage are given in Table 3 below. In order for energy storage and the proliferation of electric vehicles to expand, it will be necessary to increase the number of applicable standards.

2. Analysis and Design of Repurposed EV Battery System

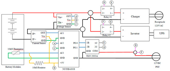
Without specific guidelines in place to regulate the use of repurposed electric vehicle batteries, the authors have developed an experimental set-up including casing and installation for using the system in a residence. Within the set-up, the electrician would install the repurposed electric vehicle battery which previously operated at 210 V, a charger, an inverter, and a controller, as shown in Figure 4.
EV batteries are made up of smaller battery modules. These modules can be split-off into 12 V sections that allow for greater flexibility when packaging the system. Additionally, this configuration reduces the overall operating voltage, making it safer to use. As most of the components in the solar industry run on this voltage, this makes the battery useful for offering energy storage from roof-mounted solar panels [34].

2.1. Failure Analysis

The use of battery packs for household energy storage applications is a relatively new technology. As detailed earlier in this work, there are a limited number of standards from which to draw upon for guidance on the design to ensure safety of the equipment. As a result, it was required to perform a failure analysis on the proposed design utilizing existing safety assessment techniques.

2.1.1. Failure Modes and Effects Analysis

In the absence of standards for the installation of re-purposed EV batteries, two assessments are performed to determine the greatest failure risks. The first risk analysis tool is failure modes and effects analysis (FMEA), in which a part of the system is examined for its possible failure modes, causes of failure, and potential effects. The risk associated is calculated using the risk priority number (RPN), which combines the risk severity, probability of occurrence, and detectability. Each of these three elements: severity, probability of occurrence, and ease of detection are measured on a 1–10 scale, with a score of 10 meaning the highest likelihood of failure. The calculation of the RPN is given in Equation (1), below.
RPN = Severity × Occurence × Detection
The severity value in the RPN calculation is a measure of the extent which a failure can damage a system or component. Table 4, below, shows how the severity, probability of occurrence, and detection criteria are assessed and classified and the associated rank that is used in the RPN calculation.
In order to determine the values of the criterion for ranking RPN, the statistical data for “fresh” cells of production quality was utilized and a degradation factor was introduced to account for the increased risk due to life-cycle aging. The factor was built upon the knowledge of the life-cycle of a cell under vehicle usage conditions. To fully define the potential failures that may occur, a higher level of system detail is required. This level of detail is obtained by performing an FMEA boundary diagram and detailing the use cases of the system in a graphical representation. The importance of developing an FMEA boundary diagram is that it defines the scope of the FMEA and breaks it down into different levels. A boundary diagram is a graphical illustration of the relationships between the subsystems, assemblies, subassemblies, and components within the object, as well as the interfaces with the neighboring systems and environments. The most important criteria to include when developing the diagram are: to identify major elements, define their interactions, and determine how they may interact with outside systems. Based on the above criteria, the following block diagram, Figure 5 was developed:
There are only four main components within the system so identifying the interactions between them does not require extensive networking. Another useful diagram for the FMEA is the use case diagram. Use cases define the roles between the users and the system to achieve a goal. The actions or event steps that lead up to this interaction are also defined within the use case for the system. In the case of the battery pack system, the primary role of the system is to provide power to the user when it is demanded. Once the power of the battery pack is depleted, it is charged using energy supplied from the grid. To accomplish this, though, the individual components have to all work in parallel and series to achieve this goal. These events are controlled using a control system which monitors the battery’s state-of-charge (SOC), as detailed in the following use case diagram shown in Figure 6.
As shown in Figure 6, the use cases for battery pack involve charging and discharging the battery, as well as making general repairs and the initial installation. The components involved in achieving the goals of these use cases are detailed in the diagram including the events that must transpire to reach either of the goals. Utilizing the FMEA boundary and use case diagrams, an FMEA is conducted on the re-purposed battery pack to determine the failure modes. The risks in the FMEA for the re-purposed EV battery pack are divided into the components of the system: charger, inverter, battery pack, controller, and battery pack casing. A list of the highest risk failures is shown in Reference Table 5.
Through the FMEA, it is determined that the two largest risks to the end user could occur due to overheating, and overcharge or over-discharge. Overheating, with an RPN of 180, can damage the electrical components such that the battery pack cannot be charged or discharged. In Table 5, three failure mechanisms are identified that can lead to overheating, including a loss of control input to the charger or inverter or a power surge to the unit. The probability of occurrence is reduced in the design by using redundant controls that use sensors to monitor the repurposed battery pack’s operation. Additionally, a thermal management system should be integrated into the system to regulate the temperature of the components.
Thermal runaway of a cell, also with an RPN of 180, can lead to catastrophic failure of the entire battery pack and potentially damage its surroundings such as the residence it is being used in and people. After thermal runaway occurs, the system would be unusable. Causes of thermal runaway include: operating temperature, mechanical abuse of the cells, incorrect voltage or current, and a failure of the cell caused by degradation. To reduce the risk of thermal runaway, a redundant controller design and circuit protection is needed.

2.1.2. Fault Tree Analysis

Next, a fault tree analysis (FTA) is conducted on the repurposed battery system. A FTA essentially takes a reversed view of the risks compared to the FMEA by breaking down a potential safety risk to its root failure [35]. The key safety risks for the re-purposed battery pack are electrocution, falling, inhalation, cuts or scrapes, and burns or explosions. To assess this, the FTA uses Boolean logic AND gates and OR gates to connect the safety risks [35]. The AND gates denote that multiple causes must occur together to case a resultant fault, while the OR gates denote that multiple causes acting independently can cause the related fault. For example, the authors used an FTA to examine the root causes of burns or explosions. The most prevalent root causes are determined based on a probability analysis of the FTA figure. This leads to the conclusion that root causes with more OR gates and less AND gates will be a leading fault condition [35]. In the analysis of the re-purposed battery systems, the most dominant root causes that cause burns or explosions include installation, improper maintenance, and catastrophic failure of the battery pack. To combat the potential for installation errors, a certified high-voltage electrician should be responsible for installing the system. Such a technician could also provide maintenance and test the equipment during the early part of the pack’s life in the residential application. Catastrophic risk, however, is an unavoidable risk of these types of systems and is best prevented through the use of controllers, as discussed previously, and through a well-designed system with redundancies. The FTA for burns or explosions is shown below in Figure 7.
As the repurposed battery packs will have to be configured differently according to the type of battery pack, it is difficult to create a precise repeatable assembly technique [7,8,36,37,38]. In addition to the variability of the battery the removal of cells from their original battery housing, and the installation of these cells in the re-purposed system, can cause damage to the system. These manufacturing problems can lead to short-circuits within the battery pack and possible overheating and thermal runaway [37,38].
In addition to the FMEA and the FTA, it is essential that operators or homeowners are trained in how to protect their device from avoidable risks. For example, the commercially available Tesla Powerwall, a battery pack intended for use with renewable power that can also be used to charge Tesla vehicles, comes with a set of guidelines for its installation and use [39]. Specifically, it is prescribed that the battery must be mounted high off the ground to avoid flood damage, that temperature be maintained between −30 °C and 60 °C and that high humidity or water sources are avoided.

2.2. Electrical Design

With the risk analysis and guidelines above, the design of the set-up illustrated in Figure 4 involves the careful evaluation and weighing of four criteria: size, energy, safety, and economics. The first criteria, size, refers to the storability of the equipment within a typical North American home. The second criteria, energy, refers to whether the set-up is able to meet the average North American residential energy use of 3–4 kWh per day [5]. The third criteria, safety, is not third in importance but is the focus of the FTA and FMEA. To meet safety requirements, a protective casing is designed to prevent mechanical damage and to reduce the impact of temperature variation. The final criteria, economics, dictates the systems must be affordable with a reasonable payback period, which is hopefully less than 5 years in some jurisdictions. To reduce the payback period, the authors propose using available electrical components and housings.
With the aforementioned criteria, and based on current codes and standards, and the completed failure analyses, three pack designs are proposed for the bench setup. The first design uses three full battery packs (201.6 V and 1.3 kWh for each battery pack), connected in parallel to increase the energy over the 3-kWh requirement. The high operating voltage for this particular design requires that specialized equipment be incorporated into the design. The Schneider Conext RL 3000E (Schneider Electric, Paris, France) inverter, used to convert the DC energy in the pack to AC energy for use in the grid, was selected. The unit is able to withstand input voltages ranging between 90 V and 550 V DC [40]; however, this inverter will only output to 230 V AC. An additional transformer would be needed to reduce the voltage to 110 V. The use of these components, though, adds to the overall cost of the unit. The second proposed design is based on a 65 V system. By breaking the battery modules within the pack into sections of nine, the 7.2 V (6.5 Ah) modules can be connected in series to reach a nominal operating voltage of 64.8 V. By connecting ten of these smaller packs in parallel the battery pack will have a total energy of 3 kWh. Due to the lower operating voltage, the capacity of this system is now 49.4 Ah. The chosen inverter, a Schneider Conext XW 4548 120 (Schneider Electric, Paris, France), is bidirectional, allowing the charging and discharging of the energy storage system [41]. The final design is based on a 29 V system. It is composed of four battery modules connected in series. To meet the necessary residential energy requirements, 22 of these battery modules would be connected in parallel to achieve the operating energy of 3.13 kWh. The capacity of the battery pack would be approximately 108.68 Ah. As the operating voltage is much lower in comparison to the first two designs, the setup can be combined with less complex equipment. As a result, the equipment is significantly cheaper, decreasing the cost of the overall system. For this design, the system will be charged with an Iota DLS-27-15 charger (Iota Engineering, Tucson, AZ, USA) and discharged with a Cotek S300-124 inverter (Cotek Electrical, Taoyuan City, Taiwan) [41].
Based on the described repurposed battery pack designs given above, a summary is given above in Table 6. Of the three designs, Design 3 is selected due to its low cost and operating voltage. The components for Design 3 are given in Reference Table 7 and the electrical schematic of the proposed systems is given in Figure 8.
Using the electrical schematic from Figure 8 and the list of components from Table 7, the authors built the system described by Design 3. The system proved functional, being able to charge the constructed 28.8 V pack using the charger and the energy supplied from a 110 V receptacle. Once the pack was charged, the charger was manually disconnected, and the system was connected to the inverter and universal power supply to act as a load. When connected, the small pack was able to charge the universal power supply and deliver energy. This manual process was repeated to prove the ability of the setup to function correctly.

3. Assessing Batteries for Second Use

Currently, there is no system or standard to classify re-purposed batteries. A comprehensive analysis of the remaining states-of-health (SOH) of batteries would enable the proper selection of batteries that are capable of being re-purposed and determine the best course of action for second-life of the cell. To assess the usability of electric vehicle batteries for a second use, the authors propose a five-level system based on the SOH of the battery. The condition of an end-of-life electric vehicle battery depends on the vehicle it was in, how aggressively the vehicle was driven, and where the vehicle was driven. Based on these varying constraints battery parks will degrade differently, creating a variety of different states of health.
Although there are some concerns about how to best evaluate the health of a battery, the current method compares the capacity, and other elements, to ideal conditions as a percentage [42]. In the automotive industry, it is generally accepted that if the capacity drops below 80% of its initial value, the SOH is also considered less than 80% and the user should change the batteries in their vehicle [4,8]. An important element of the health of a battery, the capacity, decreases over time resulting in age-related battery degradation [36]. The age-related battery degradation occurs in conjunction with the degradation that results from operating the battery. Together aging and cycling of the battery contribute to a general reduction in battery SOH. Additional impacts such as temperature or collisions can also impact the overall health of the battery [42]. Although the SOH of a battery is a complex metric which is dependent on numerous factors, for this simple system the batteries will be sorted based on the capacity of energy storage remaining, as shown in Table 8. This can be determined using diagnostic technologies available to electric vehicle dealers and manufacturers.
Batteries that fall into the first two levels can potentially be used in a vehicle again because they have over 80% capacity remaining, which is necessary for use in a vehicle. Batteries that are at the third level have less than 80% of their capacity remaining, but still have enough storage to be used in a re-purposed application. In such a scenario, a second battery would be installed in the donor vehicle to extend its life and the original battery would be used for a residential energy storage system. Batteries that are of the fourth and fifth levels are significantly degraded or have suffered catastrophic damage. In these states, the batteries cannot provide energy for a vehicle or stationary application and should be recycled.
Despite the usefulness of re-purposed Li-ion for energy storage applications, there are many technical and regulatory barriers to their use. Several types of cell degradation occur within the electric vehicle battery pack, which can reduce the energy and capacity of the battery or lead to failure. As a result, the safety risk to the consumer increases and limits the potential for cells to be re-purposed.
The following are barriers to the widespread adoption of the re-purposing of lithium-ion batteries for stationary applications. Insurance costs are a significant barrier to the use of repurposed electric vehicle batteries. As repurposed batteries carry with them an increased risk of failure, insurance premiums are higher for their use [43]. Because the use of repurposed electric vehicle batteries is a novel technology, there is a lack of statistical risk data for insurance companies to calculate premiums. As insurance companies are risk-averse, they may set high premiums for homeowners using this technology. Additionally, the lack of available data may disrupt the insurance market, if such technology becomes more common [27].
An additional barrier to the development of extensive repurposed battery use is the question of who owns the battery at its end-of-life. As defects to the repurposed battery may cause some damage to people or property through fires or leaks, the question of who would be liable in such a situation is important [44]. Battery and electric vehicle manufacturers develop the battery and related software and hardware to insure that the battery performs as intended in the vehicle. However, these corporations do not design their systems with the intent of third parties who would use the battery packs for second uses. If the second-life uses of the battery result in damages, then the automotive manufacturers may be liable as current regulations and standards are unclear. Because of this lack of clarity around their liability, original equipment manufacturers (OEMs) are hesitant to allow their EV batteries to be re-purposed for grid storage applications, resulting in them being recycled or sent to a wrecking yard [44].
Testing the battery for its SOH and determining whether it qualifies as a first through third level battery, as described in Table 5, is a significant barrier. Currently, electric vehicle batteries are sent to automotive recyclers at the end of a vehicle’s life, along with the rest of the vehicle. However, automotive recyclers are generally not as familiar with the hazards of storing and managing end-of-life electric vehicle batteries and are unable to determine the state of health of the battery packs [36,45]. To effectively manage electric vehicle batteries at the end of their use in vehicles, battery manufacturers may need to participate in the test for the loss of capacity and check for failed cells [45].
Currently, only vehicle manufacturers and dealers can check the diagnostic codes displayed by the packs to check their state-of-health. Although total plug-in electric vehicle sales reached 144,000 in the United States in 2016, there are significantly less of these vehicles in Canada [46]. The current Canadian fleet of electric vehicles is just over 18,000 vehicles, of which 54% are battery electric vehicles and the remainder are plug-in hybrids [47]. Although Canada has progressive environmental regulations, less than 1000 electric vehicles were sold in Canada in 2010 [48]. The increasing sales of electric vehicles within Canada is illustrated in Figure 9. In spite of the uptick in sales, the small number of electric vehicles currently on Canadian roads greatly reduces the supply of batteries that can be repurposed. It can be estimated that batteries in electric vehicles should last approximately 10 to 15 years, depending on the vehicle and the driver’s behavior, although previously batteries have had expected lives as short as 8 years [36,49]. Thus, of the 7000 electric vehicles sold in Canada in 2015, most of the batteries will not begin to be available from these vehicles until 2025 [47].
When these batteries are available for re-purposing, it is not known how many of them will have a SOH that will be adequate for re-purposing [7]. Thus, from the small supply of EVs in Canada, the number of viable batteries for re-purposing may be even smaller. On top of this issue of the small pool of available batteries, there is significant variability in the design and energy of electric vehicles batteries, as shown in Table 9.
Because of the variation in the design, energy, capacity, and chemistry of these common electric vehicle batteries, the repurposing process will require reassembling the batteries into different configurations with controllers that are unique to the application and battery. These variations make it more difficult to develop a uniform manufacturing process or controller logic [50]. To make this more difficult, the disassembly of the electric vehicle batteries can be dangerous and damaging to the equipment. Thus, using the packs in their manufactured form is preferred, which leads to further variation [7,8,36].

4. Conclusions

The work presented in this paper provides a design methodology for utilizing depleted lithium-ion batteries for stationary energy storage applications. This design process utilized existing failure analysis techniques to identify potential faults and how to remedy them in the design. In addition, existing standards on lithium-ion batteries and stationary energy storage devices were referenced to determine other potential design requirements. The developed design was built, proving feasibility of the system. In future studies, the authors propose an in-depth performance analysis and safety testing of multiple bench setups.
With additional safety measures in place, the battery pack built by the design team can present a viable option for utilizing depleted lithium-ion batteries, beyond simply sending them to be recycled. Additional work, though, needs to be completed to ensure that the entire system is safe for use by consumers. As the re-purposed EV batteries have been depleted there is a higher risk of a failure occurring. Thus, the employment of multiple layers of safeguards, such as those developed in the Failure Modes and Effects Analysis Action Plan, is crucial, and effective training and standard testing practices need to be developed to ensure personnel have the required knowledge and expertise to quantify the batteries’ SOH and classify which secondary use application that they should be used for.
Although this technology can offer many great benefits to the smoothing of grid supply fluctuations, and the bench testing done in the laboratory has shown the system to be viable, there are a variety of barriers that will prevent its widespread adoption if they are not rectified quickly. Supply chains that can distribute used batteries to a re-manufacturer need to be developed; legislation and standards needs to be drafted in order to properly regulate this market; and proper, standardized validation procedures for evaluating SOH need to be developed; as well as providing design methodologies to ensure the variability in battery designs does not affect the development of the systems.

Author Contributions

Conceptualization, M.F., R.A.F. and S.B.Y.; Funding acquisition, S.B.Y.; Investigation, J.W.A.C., P.M., M.F., R.A.F., S.B.Y. and B.G.; Writing—review & editing, S.B.W.

Funding

This research was funded by NSERC - Discovery Grant “Degradation and Failure Mode Analysis of PEM Fuel Cell Power Trains” number 261669-2013-RGPIN.

Conflicts of Interest

The authors declare no conflict of interest.

References

  1. Husain, I. Electric and Hybrid Vehicles: Design Fundamentals, 2nd ed.; CRC Press: Boca Raton, FL, USA, 2010. [Google Scholar]
  2. Linden, D.; Reddy, T.B. Chapter 1. Basic Concepts. In Handbook of Batteries; McGraw-Hill: New York, NY, USA, 2002; pp. 19–34. [Google Scholar]
  3. Boulanger, A.; Chu, A.; Maxx, S.; Waltz, D. Vehicle Electrification: Status and Issues; World Team Now: Malibu, CA, USA, 2011. [Google Scholar]
  4. Omar, N.; Monem, M.A.; Firouz, Y.; Salminen, J.; Smekens, J.; Hegazy, O.; Gaulous, H.; Mulder, G.; Bossche, P.V.D.; Coosemans, T.; et al. Lithium iron phosphate based battery—Assessment of the aging parameters and development of cycle life model. Appl. Energy 2014, 113, 1575–1585. [Google Scholar] [CrossRef]
  5. Cready, E.; Lippert, J.; Pihl, J.; Weinstock, I.; Symons, P.; Jungst, R. Final Report Technical and Economic Feasibility of Applying Used EV Batteries in Stationary Applications. A Study for the DOE Energy Storage Systems Program; Sandia National Laboratories: Albuquerque, NM, USA, 2003.
  6. Saxena, S.; le Floch, C.; MacDonald, J.; Moura, S. Quantifying EV battery end-of-life through analysis of travel needs with vehicle powertrain models. J. Power Sources 2015, 282, 265–276. [Google Scholar] [CrossRef]
  7. Ahmadi, L.; Fowler, M.; Young, S.; Fraser, R.; Gaffney, B.; Walker, S. Energy efficiency of Li-ion battery packs re-used in stationary power applications. Sustain. Energy Technol. Assess. 2014, 8, 9–17. [Google Scholar] [CrossRef]
  8. Ahmadi, L.; Yip, A.; Fowler, M.; Young, S.B.; Fraser, R.A. Environmental feasibility of re-use of electric vehicle batteries. Sustain. Energy Technol. Assess. 2014, 6, 64–74. [Google Scholar] [CrossRef]
  9. Charles, R.; Davies, M.; Douglas, P.; Hallin, I.; Mabbett, I. Sustainable energy storage for solar home systems in rural Sub-Saharan Africa—A comparative examination of lifecycle aspects of battery technologies for circular economy, with emphasis on the South African context. Energy 2019, 166, 1205–1215. [Google Scholar] [CrossRef]
  10. General Motors. 2016 Chevrolet Volt Battery System. 2016. Available online: https://media.gm.com/content/dam/Media/microsites/product/Volt_2016/doc/VOLT_BATTERY.pdf (accessed on 3 July 2016).
  11. Buchmann, I. BU-305: Building a Lithium-Ion Pack. 2016. Available online: http://batteryuniversity.com/learn/article/building_a_lithium_ion_pack (accessed on 23 January 2016).
  12. Nissan. 2010. Available online: http://www.nissanusa.com/leaf-electric-car/ (accessed on 24 January 2016).
  13. Tesla Motors. Impacts of Battery Charging Rates of Plug-In Electric Vehicle on Smart Grid Distribution Systems. 2010. Available online: http://www.teslamotors.com/ (accessed on 24 January 2016).
  14. Toyota. 2013. Available online: http://www.toyotapriusbattery.com/ (accessed on 23 January 2016).
  15. Hadley, S.W.; Tsvetkova, A.A. Potential Impacts of Plug-in Hybrid Electric Vehicles on Regional Power Generation. Electr. J. 2009, 22, 56–68. [Google Scholar] [CrossRef]
  16. Jiao, N.; Evans, S. Business models for sustainability: The case of second-life electric vehicle batteries. Procedia Cirp 2016, 40, 250–255. [Google Scholar] [CrossRef]
  17. National Renewable Energy Laboratory. Battery Second Use for Plug-In Electric Vehicles. 2015. Available online: http://www.nrel.gov/transportation/energystorage/use.html?print (accessed on 5 August 2016).
  18. Natural Resources Canada. Energy Fact Book 2015–2016; Natural Resources Canada: Ottawa, ON, Canada, 2015.
  19. Hadjipaschalis, I.; Poullikkas, A.; Efthimiou, V. Overview of current and future energy storage technologies for electric power applications. Renew. Sustain. Energy Rev. 2009, 13, 1513–1522. [Google Scholar] [CrossRef]
  20. Russel, J. Tesla’s $3,000 Powerwall Will Let Households Run Entirely on Solar Energy. Tech Crunch 2015. Available online: https://techcrunch.com/2015/04/30/tesla-powerwall-home-battery/#.uayvgx:LhV8 (accessed on 29 July 2016).
  21. Nissan Great Britain. Nissan and Eaton Make Home Energy Storage Reliable and Affordable to Everyone with ‘xStorage’. 2016. Available online: http://www.newsroom.nissan-europe.com/uk/en-gb/Media/Media.aspx?mediaid=145249 (accessed on 10 August 2016).
  22. Rastler, D. Electricity Energy Storage Technology Options; Electric Power Research Institute: Palo Alto, CA, USA, 2010. [Google Scholar]
  23. Natural Resources Canada, Office of Energy Efficiency. Energy Efficiency Trends in Canada, 1990 to 2009. 2012. Available online: http://oee.rncan.gc.ca/publications/statistics/trends11/appendix-1.cfm?graph=14&attr=0 (accessed on 17 August 2016).
  24. Heymans, C.; Walker, S.; Young, S.; Fowler, M. Economic analysis of second use electric vehicle batteries for residential energy storage and load-levelling. Energy Policy 2014, 71, 22–30. [Google Scholar] [CrossRef]
  25. Walker, S.; Heymans, C.; Fowler, M.; Young, S.; Fraser, R.; van Lanen, D. Incentives for the reuse of electric vehicle batteries for load-shifting in residences. Int. J. Process Syst. Eng. 2015, 3, 70–89. [Google Scholar] [CrossRef]
  26. Underwriters Laboratories. UL 1973: Standard for Batteries for Use in Stationary, Vehicle Auxiliary Power and Light Electric Rail (LER) Applications; UL: Northbrook, IL, USA, 2018. [Google Scholar]
  27. Conover, D. Inventory of Safety-Related Codes and Standards for Energy Stroage Systems; Department of Energy: Oak Ridge, TN, USA, 2014.
  28. Canadian Standards Association. Canadian Electrical Code, Part 1; Canadian Standards Association: Missisauga, ON, Canada, 2016. [Google Scholar]
  29. International Electrotechnical Commission. IEC 62619 ED1 NP Seconday Cells and Batteries Containing Alkaline or Other Non-Acid Electrolytes Safety Requirements for Secondary Lithium Cells and Batteries, for Use in Industrial Applications; IEC: Rosslyn, VA, USA, 2015. [Google Scholar]
  30. Conover, D. Overview of Development and Deployment of Codes, Standards and Regulations Affecting Energy Storage System Safety in the United States; U.S. Department of Energy: Richland, WA, USA, 2014.
  31. CSA Group. 2017. Available online: http://www.csagroup.org/services/codes-and-standards/standards-development/how-standards-are-developed/ (accessed on 21 February 2017).
  32. National Fire Protection Agency. 2017. Available online: http://www.nfpa.org/news-and-research/news-and-media/press-room/reporters-guide-to-fire-and-nfpa/about-codes-and-standards (accessed on 21 February 2017).
  33. CSA Group. CAN/CSA-E62133:13. 2013. Available online: http://shop.csa.ca/en/restofworld/component-standards/cancsa-e6213313/invt/27035982013 (accessed on 15 August 2016).
  34. Gevorkian, P. Solar Power in Building Design: The Engineer’s Complete Design Resource; McGraw-Hill Education: New York, NY, USA, 2008. [Google Scholar]
  35. Wood, R.K.; Stephens, K.G.; Barker, B.O. Fault Tree Analysis: An Emerging Methodology for Instructional Science; Instructional Science: Amsterdam, NL, USA, 1979; Volume 8, pp. 1–22. [Google Scholar]
  36. Ahmadi, L.; Young, S.B.; Fowler, M.; Fraser, R.A.; Achachlouei, M.A. A cascaded life cycle: Reuse of electric vehicle lithium-ion battery packs in energy storage systems. Int. J. Life Cycle Assess. 2017, 22, 111–124. [Google Scholar] [CrossRef]
  37. Woodbank Communications Ltd. 2005. Available online: http://www.mpoweruk.com/failure_modes.htm (accessed on 22 February 2017).
  38. Hendricks, C.; Williard, N.; Mathew, S.; Pecht, M. A failure modes, mechanisms, and effects analysis (FMMEA) of lithium-ion batteries. J. Power Sources 2015, 297, 113–120. [Google Scholar] [CrossRef]
  39. Tesla. Powerwall Support. 2016. Available online: https://www.tesla.com/en_CA/support/powerwall?redirect=no (accessed on 4 August 2016).
  40. Schneider Electric. Conext RL Single-Phase Inverters. 2015. Available online: http://solar.schneider-electric.com/product/conext-rl/ (accessed on 17 June 2015).
  41. Merocchi, M.; Rak, A.; Wierdsma, E.; Lavigne, C. Design of NiMH-EV Battery Pack for Stationary Power Storage; Waterloo Engineering: Waterloo, ON, Canada, 2014. [Google Scholar]
  42. Lu, L.; Han, X.; Li, J.; Hua, J.; Ouyang, M. A review on the key issues for lithium-ion battery management in electric vehicles. J. Power Sources 2013, 226, 272–288. [Google Scholar] [CrossRef]
  43. Will, J. Will buying a ‘green’ vehicle increase my insurance rates? The Globe and Mail. 10 September 2012. Available online: http://www.theglobeandmail.com/globe-drive/culture/commuting/will-buying-a-green-vehicle-increase-my-insurance-rates/article626015/ (accessed on 29 July 2016).
  44. UCLA BerkeleyLaw. Reuse and Repower, How to Save Money and Clean the Grid with Second-Life Electric Vehicle Batteries; UCLA Press: Los Angeles, CA, USA, 2014. [Google Scholar]
  45. Cimprich, A.; Skinner, D.; Oh, B.; Booth, K.; Leutenegger, A. Responsible Stewardship of Electrified Vehicles; University of Waterloo: Waterloo, ON, Canada, 2015. [Google Scholar]
  46. Alternative Fuels Data Center. U.S. Plug-In Electric Vehicle Sales by Model. 2017. Available online: https://www.afdc.energy.gov/data/10567 (accessed on 12 October 2018).
  47. Stevens, M. Electric Vehicle Sales in Canada: 2015 Final Numbers. 2016. Available online: http://www.fleetcarma.com/ev-sales-canada-2015/ (accessed on 4 August 2016).
  48. Cocking, J.; Lanen, D.V. Design of an Energy Hub with Energy Storage for a Commercial Building; Waterloo Engineering: Waterloo, ON, Canada, 2014. [Google Scholar]
  49. Vetter, J.; Novak, P.; Wagner, M.; Veit, C.; Moller, K.; Besenhard, J. Ageing mechanisms in lithium-ion batteries. J. Power Sources 2005, 147, 269–281. [Google Scholar] [CrossRef]
  50. Foster, M.; Isely, P.; Standridge, C.R.; Hasan, M.M. Feasibility assessment of remanufacturing, repurposing, and recycling of end of vehicle application lithium-ion batteries. J. Ind. Eng. Manag. 2014, 7, 698–715. [Google Scholar] [CrossRef]
Figure 1. Possible vehicle battery life cycle [17].
Figure 1. Possible vehicle battery life cycle [17].
Batteries 05 00014 g001
Figure 2. Canada’s energy mix for electricity generation 2014 [18].
Figure 2. Canada’s energy mix for electricity generation 2014 [18].
Batteries 05 00014 g002
Figure 3. Average household annual energy usage for 2009 in kJ per year [23].
Figure 3. Average household annual energy usage for 2009 in kJ per year [23].
Batteries 05 00014 g003
Figure 4. Bench test setup.
Figure 4. Bench test setup.
Batteries 05 00014 g004
Figure 5. FMEA boundary diagram.
Figure 5. FMEA boundary diagram.
Batteries 05 00014 g005
Figure 6. Use case diagram for a re-purposed battery pack system.
Figure 6. Use case diagram for a re-purposed battery pack system.
Batteries 05 00014 g006
Figure 7. Fault tree analysis (FTA) example for burns/explosions.
Figure 7. Fault tree analysis (FTA) example for burns/explosions.
Batteries 05 00014 g007
Figure 8. Electrical schematic of a re-purposed battery pack system.
Figure 8. Electrical schematic of a re-purposed battery pack system.
Batteries 05 00014 g008
Figure 9. EV sales in Canada from 2012 to 2015.
Figure 9. EV sales in Canada from 2012 to 2015.
Batteries 05 00014 g009
Table 1. Energy storage of battery packs (PHEV, EV, and HEV models) [10,11,12,13,14].
Table 1. Energy storage of battery packs (PHEV, EV, and HEV models) [10,11,12,13,14].
Energy First Use (kWh)Energy Second Use (kWh)
Toyota Prius PHEV4.43.5
Ford Fusion Energy86.4
Chevrolet Volt1612.8
Ford Focus2318.4
Nissan Leaf2419.2
Toyota RAV42721.6
Tesla Roadster5342.4
Tesla Model S6048.0
Table 2. Applicable codes for re-purposed Li-ion battery packs in a stationary application and the re-purposed battery pack assembly.
Table 2. Applicable codes for re-purposed Li-ion battery packs in a stationary application and the re-purposed battery pack assembly.
Code CategoryCode TitleConnection to Re-Purposed Packs
Battery PackIEC 61960 Ed 3: Secondary lithium cells and batteries for portable applicationsCovers criteria for the selection of secondary lithium cells for remanufacturing
IEC 62485-2: Safety requirements for secondary batteries and battery installations—Part 2: Stationary batteriesCovers protections from hazards with stationary battery packs with nominal voltages less than 1500 V
IEC CD 62619: Secondary cells and batteries containing alkaline or other non-acid electrolytes. Safety requirements for secondary lithium cells and batteries, for use in industrial applications.Under development; covers requirements on all aspects of stationary application use of Li-ion batteries including erection, use, inspection, maintenance, and disposal of cells
IEC CDV 62620: Secondary cells and batteries containing alkaline or other non-acid electrolytes—Secondary lithium cells and batteries for use in industrial applicationsCovers tests and requirements for Li-ion cells to be used in a stationary application
IEC 62620 Ed 1: Large format secondary lithium cells and batteries for use in industrial applicationsCovers specifications for cells in secondary industrial applications
IEEE 1660: Guide for Application and Management of Stationary Batteries Used in Cycling ServiceCovers battery management strategies, with changes relative to cycling for stationary applications
UL 1642: Lithium BatteriesCovers requirements for lithium batteries in stationary applications for safety of technicians, users, and other design features
UL 1973: Standard for Batteries for Use in Stationary, Vehicle Auxiliary Power and Light Electric Rail (LER) ApplicationsCovers requirements for battery systems for use as energy storage for stationary applications such as for PV, wind turbine storage, for uninterruptable power supply (UPS), etc., applications.
Entire AssemblyANSI C84.1: Electric Power Systems and Equipment—Voltage Ratings (60 Hertz)Standard covers nominal voltage ratings and operating conditions for 60-Hz systems above 100 V
IEC 62257-9-2: Recommendations for small renewable energy and hybrid systems for rural electrification—MicrogridsStandard covers requirements for how microgrids can be maintained and safety upheld
IEC 62897: Stationary energy storage systems with lithium batteries—Safety requirements (under development)Covers hazards that need to be mitigated for the use of a stationary pack with Li-ion cells
IEEE 1375: Guide for the protection of stationary battery systemsCovers guidelines for options of protecting stationary battery systems
NFPA 111-2013: Standard on stored electrical energy emergency and standby power systemsCovers safe operation of stationary energy storage systems with the grid in the event of service disruptions
UL 9540: Outline for investigation for safety for energy storage systems and equipmentCovers safety for all energy storage systems, being charged and discharged at a later point in time to shift demand
Table 3. Applicable codes for re-purposed Li-ion battery Canadian electrical codes.
Table 3. Applicable codes for re-purposed Li-ion battery Canadian electrical codes.
CodeDescription
CEC 26-544Batteries with exposed live parts shall be kept in a room or enclosure accessible only to authorized personnel.
CEC 26-546Storage batteries shall not be subjected to ambient temperatures greater than 45 °C or less than the freezing point of the electrolyte.
CEC 26-550
-
Battery trays, racks, and other surfaces on which batteries are mounted shall be
(a)
Level
(b)
Protected against corrosion from the battery electrolyte;
(c)
except as permitted in Subrule (5), covered with an insulating material having a dielectric strength of at least 1500 V;
(d)
of sufficient strength to carry the weight of the battery; and
(e)
designed to withstand vibration and sway where appropriate.
-
Battery cells shall be spaced a minimum of 10 mm apart.
-
Battery cells having conductive containers shall be installed on non-conductive surfaces.
-
Sealed cells and multi-compartment sealed batteries having conductive containers shall have an insulating support if a voltage is present between the container and ground.
-
Cells and multi-compartment vented storage batteries, with covers sealed to containers of non-conductive, heat-resistant material, shall not require additional insulating support.
-
Batteries having a nominal voltage greater than 150 V and with cells in rubber or composition containers shall be sectionalized into groups of 150 V or less.
CEC 64-800Storage batteries for dwelling units shall have the cells connected so as to operate at less than 50 V nominal.
CEC 64-812Equipment shall be provided to control the charging process of the battery.
Table 4. Criteria Ranking for RPN Calculation.
Table 4. Criteria Ranking for RPN Calculation.
RankSeverityOccurrenceDetection
CriteriaEffectCriteriaOddsCriteriaDescription
10Hazardous without warning Compromises safety without warning Inevitable≥1 in 2Absolute Uncertainty Controller cannot detect failure (or no controller)
9Hazardous with warning Compromises safety with warningAlmost Inevitable1 in 3Very Remote Controller has a very remote chance of detecting failure mode
8Very High Loss of Functionality Very High1 in 8Remote Controller has a remote chance of detecting failure mode
7HighReduced FunctionalityHigh1 in 20Very Low Controller has a very low chance of detecting failure mode
6Moderate Customer experiences discomfort. Moderate1 in 80Low Controller has a low chance of detecting failure mode
5Low Customer experiences some dissatisfaction. Low 1 in 400Moderate Controller has a moderate chance of detecting failure mode
4Very Low Defect noticed by most customers. Very Low1 in 2000Moderately High Controller has a moderately high chance of detecting failure mode
3Minor Defect noticed by average customer. Remote 1 in 15,000High Controller has a high chance of detecting failure mode
2Very Minor Defect noticed by discriminating customer. Very Remote1 in 150,000Very High Controller has a very high chance of detecting failure mode
1None No effect.Negligible1 in 1,500,000Almost CertainController is almost certain to detect failure mode
Table 5. Highest risks of design.
Table 5. Highest risks of design.
RankItemFunctionPotential FailureRPN
1ChargerThe charger/inverter shall convert power to charge/discharge the battery pack.Overheating180
2Battery packThe battery pack shall store and deliver energyOverheating180
3Battery management system/controllerThe controller shall direct pack components (charger/inverter)Overheating180
4Lithium-ion cellThe cell is a single unit within the battery pack and shall store and deliver energyThermal runaway180
Table 6. Proposed battery pack design summary.
Table 6. Proposed battery pack design summary.
Design 1Design 2Design 3
Operating Voltage (V)201.664.828.8
Parallel Units31022
Overall Capacity (Ah)14.849.4108.7
Overall Energy (kWh)33.23.13
Charge Current (A)1.24.19.1
Cost ($ Canadian)43872350925
Table 7. Make/model of components of re-purposed battery pack.
Table 7. Make/model of components of re-purposed battery pack.
ComponentMake/Model
Battery modulesToyota Prius (6.5 Ah)
InverterCotek S-Series 28
ChargerIota DLS-27-15
ControllerNational Instruments USB-6008
Table 8. Re-purposed battery pack classification.
Table 8. Re-purposed battery pack classification.
LevelDescription
Level 1Little or no degradation (≥80% capacity remaining) [4]
Level 2Some degradation, vehicle re-use (≥80% capacity remaining) [4]
Level 3Some degradation, stationary re-purposing
Level 4Significant degradation, material recycling
Level 5Catastrophic failure/damage, material recycling
Table 9. List of battery types and designs [10,11,12,13,14].
Table 9. List of battery types and designs [10,11,12,13,14].
Make and ModelDesign
Chevrolet Bolt, 60 kWh (2016)Prismatic/Pouch
Tesla S 85, 90 kWh (2015)18,650
Nissan Leaf, 30 kWh (2016) Pouch/Prismatic
Toyota Prius 4.4 kWh (2016)Prismatic

Share and Cite

MDPI and ACS Style

Catton, J.W.A.; Walker, S.B.; McInnis, P.; Fowler, M.; Fraser, R.A.; Young, S.B.; Gaffney, B. Design and Analysis of the Use of Re-Purposed Electric Vehicle Batteries for Stationary Energy Storage in Canada. Batteries 2019, 5, 14. https://doi.org/10.3390/batteries5010014

AMA Style

Catton JWA, Walker SB, McInnis P, Fowler M, Fraser RA, Young SB, Gaffney B. Design and Analysis of the Use of Re-Purposed Electric Vehicle Batteries for Stationary Energy Storage in Canada. Batteries. 2019; 5(1):14. https://doi.org/10.3390/batteries5010014

Chicago/Turabian Style

Catton, John W. A., Sean B. Walker, Paul McInnis, Michael Fowler, Roydon A. Fraser, Steven B. Young, and Ben Gaffney. 2019. "Design and Analysis of the Use of Re-Purposed Electric Vehicle Batteries for Stationary Energy Storage in Canada" Batteries 5, no. 1: 14. https://doi.org/10.3390/batteries5010014

APA Style

Catton, J. W. A., Walker, S. B., McInnis, P., Fowler, M., Fraser, R. A., Young, S. B., & Gaffney, B. (2019). Design and Analysis of the Use of Re-Purposed Electric Vehicle Batteries for Stationary Energy Storage in Canada. Batteries, 5(1), 14. https://doi.org/10.3390/batteries5010014

Note that from the first issue of 2016, this journal uses article numbers instead of page numbers. See further details here.

Article Metrics

Back to TopTop