Abstract
Results are presented from a series of small-scale laboratory experiments designed to model dense gas dispersion around an isolated cuboid building. Experiments were conducted for a broad range of flow Richardson numbers and source discharge rates, and the concentration field in the wake of the building was measured using light-induced fluorescence (LIF). Results show that, for low Richardson numbers, the concentration of dense fluid in the wake decreases slightly with distance above the ground. However, for Richardson numbers above , the vertical variation is qualitatively different, as a dense lower layer forms in the wake and the concentration above the layer is much lower than for the lower Ri experiments. For these higher Richardson number flows, the primary mechanism by which dense fluid is flushed from the building wake is by the wake flow skimming dense fluid from the top of the lower layer and then moving it upstream toward the building’s leeward face. It is then transported up the leeward face of the building and then downstream. The results also generally show that, as the release rate of dense fluid increases, the density and thickness of the lower layer increases. The LIF measurements and a series of visualization experiments highlight the complex interaction of a dense fluid discharge with the wake structure behind a building.
1. Introduction
In the industrial and commercial sector, hazardous and toxic substances are widely used and can produce toxic gases and vapors at unsafe levels [1]. Many industrial substances are stored in tanks or transported between storage compartments. Industrial complexes involve large open spaces; hence, industrial ventilation systems are very complicated compared with non-industrial ventilation due to having the potential for very high emission rates of pollutants [2], with dense gas ventilation being of particular interest [3]. These substances can cause severe harm to the population and the environment in the case of an accidental release. Unfortunately, such accidental releases are common. Just in the past four years, there have been accidental chlorine releases in Baton Rouge, LA [4]; Houston, TX [5]; Austin, TX [6] (all in the USA); and at a port facility in Jordan [7] that killed 13 people. A review of other releases and the health and environmental consequences can be found in [8].
Therefore, it is necessary to accurately predict the substance concentration distribution to mitigate risks and prepare for safety measures. As toxic gases and vapors are often denser than air, their negative buoyancy forces are more significant than that of air. The negative buoyancy force will cause the heavy cloud to descend and spread horizontally when it reaches the ground. However, many operational dense gas dispersion models [9,10,11] use the so-called flat earth approach [12], which treats surface topography as roughness that induces surface shear stresses on the spreading flow. That is, it does not model the complex flow around buildings and other obstacles. See, for example, [13]. The flat earth approach contains an implicit assumption that the cloud height is much higher than the building wake height. While this problem can be overcome with more complex CFD models [14] that explicitly model the details of the topography, they still require validation to ensure that they are accurately capturing the influence of the pollutant density with the ambient wind flow.
The interaction of the dispersing cloud with topography is particularly problematic for dense gas dispersion in urban areas, as the gas density keeps the spreading cloud at ground level [13] within the urban canopy formed by the surrounding buildings. Vertical mixing is suppressed by the density difference between the gas cloud and the ambient air [15]. Furthermore, the interaction of the wind flow and buildings can produce regions of low wind speed where this vertical mixing is suppressed, and residence times for the dense gas can be substantial.
The mixing of a dense fluid trapped by surrounding topography has been extensively studied for the two-dimensional urban canyon problem [16,17]. Experimental studies have been conducted for a range of canyon geometries [18,19,20] and a range of applications, from urban dispersion [21] to flushing of saline pools in freshwater coastal waterways [22]. In these studies, the rate of flushing is a function of the specific geometry of the flow, and the flow Richardson number () is defined as
where is a characteristic vertical length scale for the flow and is a characteristic flow speed. The reduced gravity of the dense fluid is given by , where is the density of the ambient flow and is the density difference between the dense fluid being flushed and the ambient flow fluid.
While the two-dimensional problem is an oversimplification of dense gas dispersion in urban areas, it does provide some insight into the types of behavior that could be observed in more complex three-dimensional problems. For example, in low flows, the density of the gas has minimal impact on the mixing, and the rate of flushing is proportional to the concentration of the pollutant. However, for higher , the density begins to suppress vertical mixing and the flushing rate decreases. The experiments have also been used to validate more complex CFD models for mixing [23].
Extending these results and models to three dimensions is likely to be of qualitative value only due to the significantly increased complexity of the 3D geometry. However, there are several large-scale experiments on this topic that provide insight. These field tests that have been conducted have limited spatial resolution and only a limited number of releases per configuration due to the large cost and hazards involved. In general, large volumes of dense gas (often chlorine) are released in a large, flat, open space and the dispersion measured at a range of points downwind of the release. Tests are run for purely open terrain and with downwind obstacles.
One of these large-scale field test experiments was conducted on Thorney Island (UK). The Thorney Island phase II experiments [24,25] aimed to study the dispersion of heavier-than-air gases around obstacles. The released gas was permitted to spread out in a flat setting before encountering an obstacle. This work yielded data that could be used for small-scale physical modeling validation [26] and dispersion modeling [27]. The interactive flow behaviors of the gases with a building and that building’s wake were also studied. The gas released had densities relative to air varying from 1.9 to 4.2, and the release took place over a very short period (around 1.5 s) [28]. Details of the relevant sub-set of experiments in the field tests are given in Table 1.
Table 1.
Details of trials 26–29 of the Thorney Island phase II field test.
The obstacle in the isolated building trials (26–29) was a 9 m cube made of plastic sheets fastened to a wooden frame. According to the wind direction record, the entire structure was mounted on a trailer and placed at the necessary location downstream of the source just before the gas was released. The heavy gas was stored in a cylindrical tent with a total volume capacity of 2000 m3, a diameter of 14 m, and a height of 13 m. The dense gas was released at the start of each trial by rapidly raising the sides of the tent [29]. Videos of some of the Thorney Island experiments are available online [30].
In phase II, four trials were performed using the same building block. In the trials (26–28), a mixture of Refrigerant-12 and nitrogen was released into the atmosphere, and the mobile cubical building was placed 50 m downwind from the cylindrical gas tent. An image from the test setup is shown in Figure 1a. In these tests, 68.4% of the gaseous mixture was nitrogen, and 31.6% of the mixture was Freon 12. The cloud was swept around the sides of the structure during the trial execution, with a reasonably modest wind speed (1.9 m/s) and with little elevation at the front of the cube. The downwind building face was splashed up by the cloud front. Measurements of concentration were taken on the obstacle’s front and back faces (with respect to wind direction) [28]. The concentration measurements on the front face of building at the height of 6.4 m and measurements at the back face of building at the height of 0.4 m are shown in Figure 1b [31].
Figure 1.
Thorney Island phase II trial 26. (a) Photograph of the setup (reprinted with permission from [28], 1985, Elsevier) and dense gas concentration measurements on the front and rear of the model building for (b) a release upwind of the building and (c) a release downwind of the building. Replotted with permission from [31], 2004, Elsevier.
The results for the front and back sides of the building are qualitatively similar. There is an initial spike in concentration followed by a slow decay. The downwind spike is smaller and occurs later than on the front face. However, the decay rate is much lower on the downwind side of the building. There are also significant fluctuations in the concentration over time.
Trial 29 was the only test in which the structure was located upwind of the gas source. The wind speed in this experiment was relatively high (5.6 m/s), and the gas discharged was identical to the mixture in trials 26–28. The distance between the cube’s rear face edge and the source container’s upwind surface edge was 27 m. It was observed that the building’s wake contained a low-pressure area that captured some of the dense gas mixture traveling upwind. This allowed gas to enter the wake and rise up the back face of the structure. It was also observed that a small amount of gas appeared to pass around the sides of the cube [32]. The results from this trial for the front and rear faces of the building are shown in Figure 1c.
Another set of large-scale dense gas dispersion experiments were the Jack Rabbit series. The Jack Rabbit trials [33] were a series of extensive chlorine and ammonia releases carried out by the US Army. In Jack Rabbit Phase I (JRI), one to two tons of pressurized liquid chlorine and ammonia (mixtures of about 20% gas and 80% liquid) were released into a depression of 50 m diameter and 2 m depth [34,35]. These field studies were designed to increase our knowledge of pressure-liquefied chlorine emissions and their atmospheric dispersion once they had formed into a dense gas cloud [36].
Jack Rabbit Phase II (JRII) was conducted in 2015 and 2016 at the Dugway Proving Ground in Utah [33]. Five tests for the JRII’s first phase were carried out in August and September 2015, each involving releasing 5 to 9 tons of chlorine from a vessel with a capacity of 10 tons. A 6-inch diameter opening at a height of 1 m was used to project the jet vertically downward onto a concrete pad. In the first phase, a grid of Conex cargo containers surrounded the discharge site to represent an urban landscape of buildings. At various distances up to 11 km from the discharge point, concentrations were observed along downstream circular arcs centered on the release point. The second set, with four trials performed in 2016, analyzed different release directions and concluded with the complete discharge of an approximately 10–20-ton road chlorine tanker without the grid of the Conex shipping containers for each run [37]. An array of instrumentation towers recorded gas concentrations over time at several locations within the model building array. Images from these tests can be found at [38].
Care was taken to characterize the upwind meteorologic data [39] and source conditions [40] and to provide details on the instrumentation topography locations so that the data could be used for dense gas dispersion model development and validation [36,41]. These data were also used to build and run smaller-scale experiments in an environmental wind tunnel [42].
The main advantage of Thorney Island and Jack Rabbit is the scale of the experiments. Tests were run with full-scale model buildings and large release volumes. However, they lack spatial resolution in their measurements. For example, the Thorney Island tests with the cubic building made point concentration measurements at only two locations near the building. The JR II tests had an order of magnitude more sensors [39], but this still represented only a handful of sensors per building. Given that the flows being measured are highly turbulent, temporal and spatial variations are likely important.
Further, given the cost and scale of the tests, they are run for only a limited range of parameters. The goal of this study is to address these problems through the application of small-scale laboratory experiments that provide high-resolution measurements of dense gas dispersion with a large number of steady releases over a wide range of relative buoyancies. The current study also provides extensive data for the validation of the computational models. This lab investigation of dense gas dispersion in urban areas will help us better understand the factors that lead to or hinder the ability of a dense gas release to spread out. By conducting experiments, it will allow us to understand how the wind conditions and flow obstacles effect the concentration of dense gases in urban areas. A secondary goal is to produce experimental results that can be used to validate CFD models of dense gas dispersion. The experimental results presented are for a bounded geometry with repeatable flow conditions.
This paper examines the trapping of dense fluid in the wake of a cubic building in a finite width channel. The study replicates much of the basic geometry of the Thorney Island finite release tests and seeks to quantify the retention for dense pollutants in the building wake. However, the focus of this study is on the concentration downstream of a cubic building due to a continuous release of dense fluid, as opposed to an instantaneous release. The goal is to quantify the steady-state concentration and the temporal variation about that mean concentration. Experimental measurements were made of the concentration field along a plane parallel to the flow in the wake of the building. The measurement plane was aligned with the center of the building. Experiments were run for a broad range of fluid densities, flow velocities, and release rates. The remainder of the paper is structured as follows. The experimental method is described in Section 2, including the experimental setup and measurement methods. The experimental parameter space and qualitative results are presented in Section 3. Quantitative results are shown in Section 4 and discussed in Section 5. Conclusions are drawn in Section 6.
2. Experimental Method
The experimental results presented herein are from a series of water channel experiments that are geometrically similar to those of the Thorney Island field experiments. However, the working fluid used herein is water, as water’s lower kinematic viscosity allows for higher Reynolds number flows than similar scale wind-tunnel tests. While full dynamics similarity is not achieved, the Reynolds number of the flow around the model building height places the experiments in the Reynolds number independent flow regime.
2.1. Experimental Setup
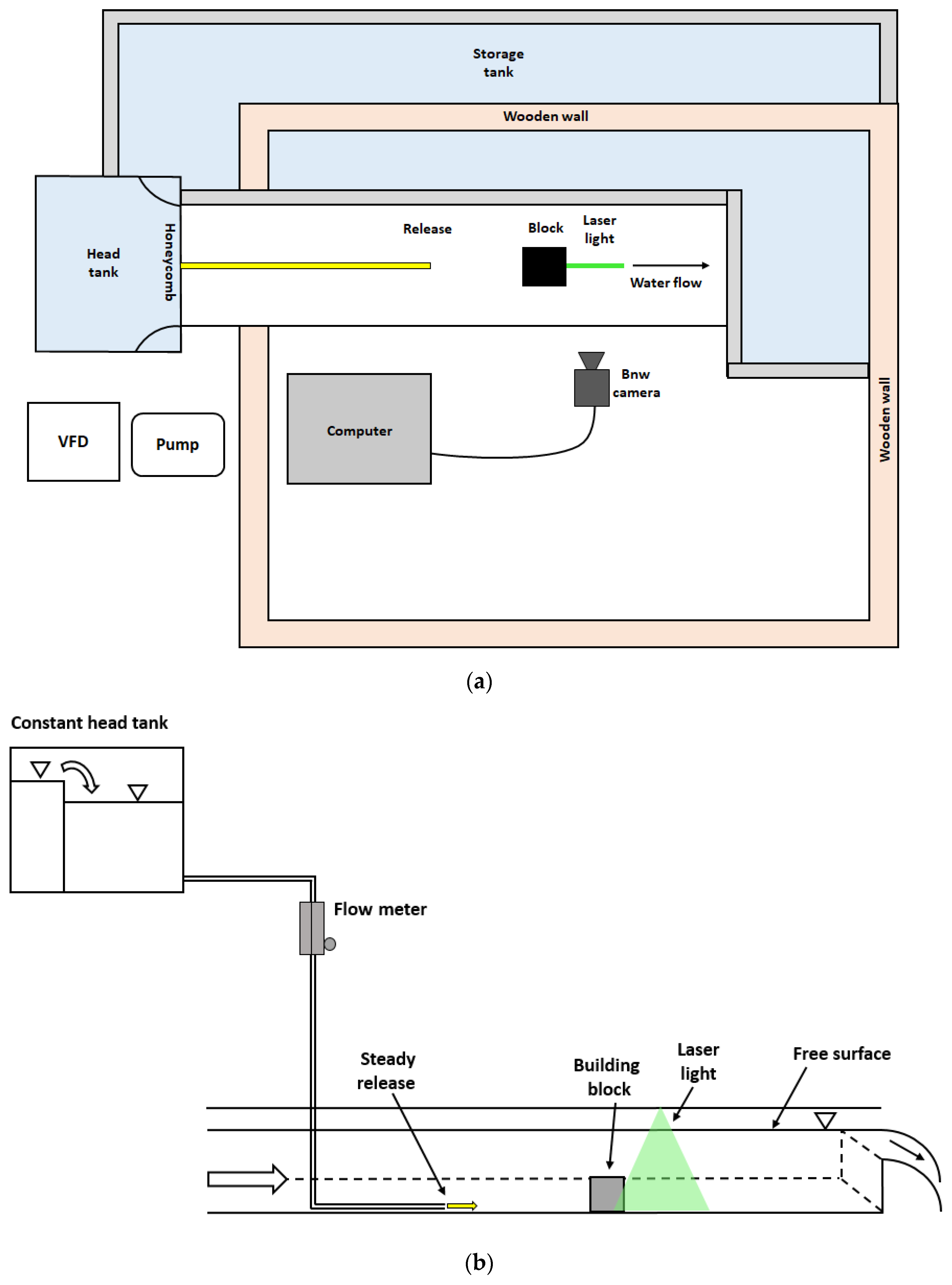
In all the experiments reported in this study, dyed saline water was used as the dense fluid and fresh water was the ambient fluid. The dyed saline was released upstream of the building block in an open channel filled with fresh water. The saline was drained from a constant head tank to ensure a constant release rate. The release rate was driven by a constant hydrostatic head and controlled by a needle valve integrated into a rotameter flow rate meter. This is shown schematically in Figure 2. Flow visualization was conducted using a fluorescent dye (sodium fluorescein) illuminated by a green diode laser light sheet at the leeward end of the building. Light-induced fluorescence (LIF) and acoustic Doppler velocimetry (ADV) techniques were used to measure the concentration of the dense fluid and velocity of the flow, respectively. The dense fluid then exited the 6.4 mm (0.25 inch) tube 10 cm (4 inches) upstream of the model building.
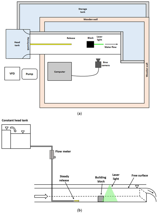
Figure 2.
Top view (a) and side view (b) of the experimental setup.
All the experiments were carried out in a water flume made with Plexiglas sidewalls for visualization. The flume is 490 cm long, 61 cm wide, and 40 cm deep from the floor to the weir crest. The flume is situated in the basement of the fluid mechanics lab of the Glenn Department of Civil Engineering at Clemson University. The flume test section is enclosed in a windowless room to provide the complete darkness required to use laser light. The flume was fed with fresh water from a storage tank with a capacity of 7.5 m3 (2000 gallons), which is located to the side of the flume, as seen in Figure 2a. A pump with a capacity of 0.08 m3/s, controlled by setting the frequency on the variable frequency drive (VFD), was used to drive the flume pump. The water was pumped from the storage tank to the head tank and then fed to the flume from the head tank by gravity. At the entrance to the flume, there was a flow contraction and flow straightener. The downstream end of the flume had a rectangular, sharp-crested weir to control the flow. The flume bed upstream of the test section was lined with gravel to generate a turbulent boundary layer.
The model building was a 10 cm cube filled with concrete to weigh it down so that it was not moved by the ambient flow. The cube was painted matte black to minimize reflections from the laser. The cube was placed 3 m downstream of the flume entrance, and the upstream 3 m of fetch was covered with coarse gravel to generate a turbulent boundary layer that fully immersed the model building. The blockage ratio, defined as the ratio of the frontal area of the model building to the flow cross-sectional area, was 4.1%.
The flume floor and rear wall were also painted matte black to prevent reflections from interfering with the light intensity measurements. The entire test section was enclosed in a wooden room (see Figure 2a for the locations of the room walls). The outside of the room and the whole of the flume, including the storage and head tanks, was covered with thick black plastic to prevent ambient light from entering the test section.
In this study, sodium chloride (NaCl) was dissolved in water to form the dense fluid. For the LIF experiments, a single fluorescent dye (sodium fluorescein) was dissolved in the dense fluid for visualization. There are several options available for water-soluble dyes with very high quantum efficiency, but fluorescein was chosen for this study because of its peak absorption at the wavelength of 490 nm, which is close to the wavelength of the laser used [43]. Moreover, the dye fluoresces at 515 nm, creating a good frequency partition between the excitation and emission wavelengths, and it is likewise less affected by temperature differences.
The dye solution was prepared in a bucket every time before performing the tests and was mixed thoroughly with salt until fully dissolved and well mixed. The density was then measured with a hydrometer. Various hydrometers were used. The ranges for the hydrometers used were 1.000–1.070, 1.060–1.130, 1.120–1.190, and 1.180–1.250. The dye concentration was approximately 20 µmol/L in the dense fluid. This concentration was sufficient to give a sharp interface between fresh water and salt water with no saturated images. A light filter was used on the camera to prevent reflected laser light from entering the camera and to allow the camera to record only the fluorescence of the dye.
A laser was chosen for flow visualization over other light sources because its beam can be collimated and is very narrow. Additionally, it emits light with a thin wavelength band, which ensures that the fluorescence created emerges only from the dye molecules energized by that band. The laser used in this study is a solid-state green diode laser with 532 nm wavelength and built-in optics that creates a thin light sheet with a 20° opening angle and a maximum power of 20 mW. The wavelength of this laser light is sufficient to excite the fluorescent dye used in this study. The laser was mounted above the flow such that the light sheet was parallel to the flow direction and aligned with the centerline of the model building. The laser sheet was placed so that the light sheet illuminated the entire height of the downstream face of the model building’s centerline. A Plexiglas block was placed directly below the laser with the top of the block above the water surface and the base of the block below the water surface. This ensured that the laser light sheet was not bent by any water surface disturbances.
A monochrome camera, Basler acA1300–60 gm GigE (Basler, Ahrensburg, Germany), was used to record the experiments. The camera was supported by a heavy-duty tripod and placed such that its line of sight was normal to the ambient flow and laser light sheet in the test section. The camera was placed 150 cm away from the flume face and 120 cm from the ground. The camera captures images between 1 and 60 frames per second with a resolution of 1280 × 1024 pixels. In this study, the experiments were captured at 1 frame per second as 12-bit TIFF files and written directly to the solid-state disk on the computer that controlled the camera. The frame rate was set to allow a long enough exposure time to capture the light fluorescing from the experiment while ensuring that the image never saturated. While the longer exposure time is not ideal, it was needed to capture the lower-concentration regions of the flow.
The camera was fitted with a red filter to remove light emitted by anything other than the fluorescence of the dye. It also minimized reflecting laser light directly entering the camera. As the dye concentration of the dense fluid was the same for all the experiments, the camera used one configuration that avoided saturation of the images. This configuration was saved to the computer and reloaded at the start of each set of tests.
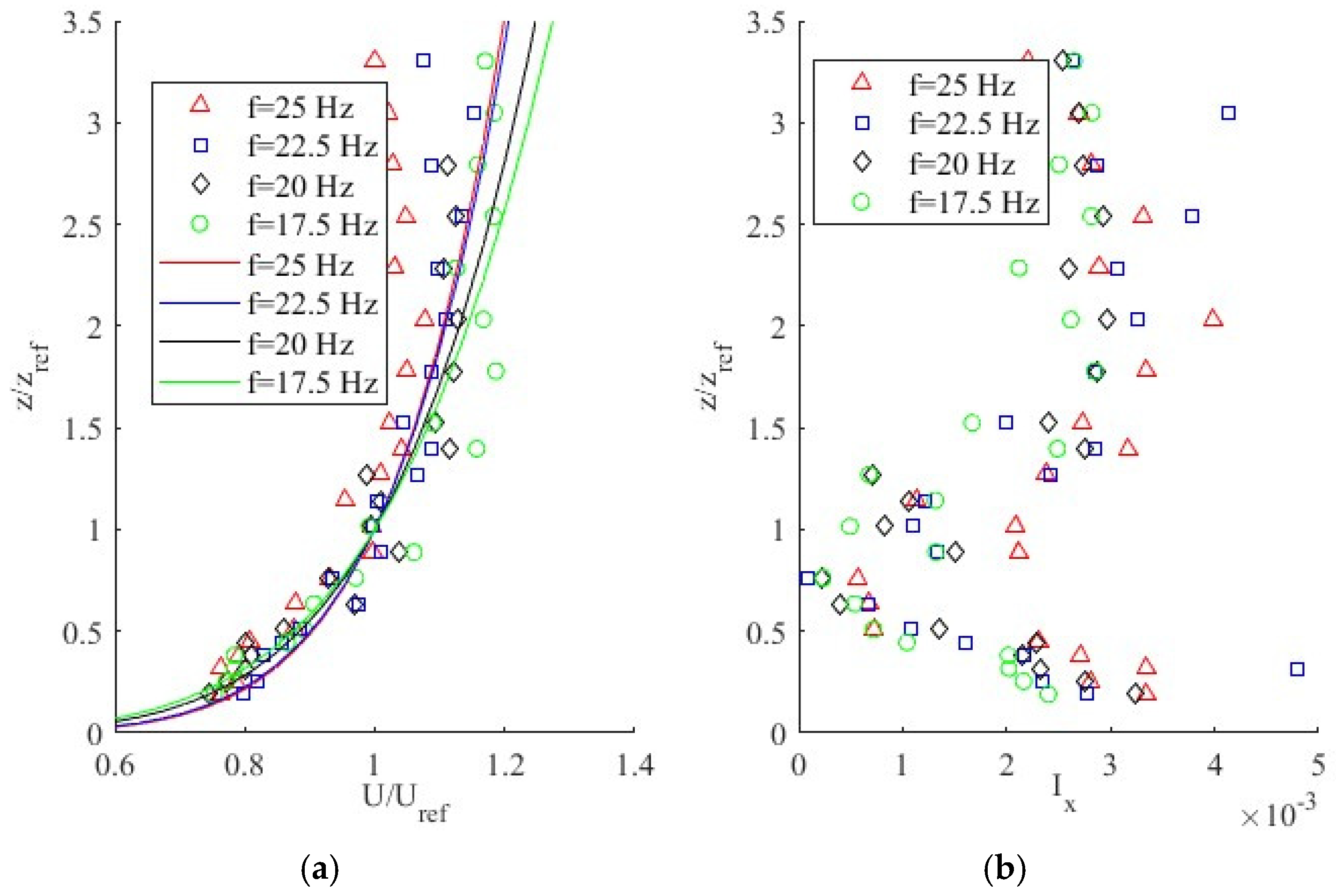
A Sontek FlowTracker2 (SonTek, San Diego, CA, USA) was used to measure the vertical velocity profile at a location between the block and the dense gas release point for different pump frequencies. The velocity range measured was 0.001 to 4.0 m/s (0.003 to 13 ft/s). The acoustic frequency was 10.0 MHz, and the velocity resolution was 0.0001 m/s (0.0003 ft/s). The sampling volume was nominally 10 cm (4 in) from the tip of the probe. The exact location varied ±1.0 cm (±0.4 in) from probe to probe. The physical size of the sampling volume was a cylinder 6 mm (0.24 in) in diameter by 9 mm (0.35 in) in length. Velocity data are accurate to 1% of measured velocity for each one-second sample. The sampling frequency for the ADV was 10 Hz, and measurements were taken for 120 s for each measurement height and pump frequency. The velocity profiles and turbulent intensity profiles are shown in Figure 3.
Figure 3.
(a) Velocity profile and corresponding fit. (b) Turbulent intensity profile at four different pump frequencies (f) given in Hertz in the legends.
In all experiments, the initial depth in the sump tanks was the same so that the flow rate for a given pump rotation frequency was consistent. To verify this, the head over the weir and the depth in the sump tank were checked during calibration and for each experiment to ensure that the flow rate corresponded to the velocity calibration measured for the pump frequency used in the experiment. The velocity profile data for each pump frequency were well fitted over the lower 20 cm (twice the building height) by a power-law function given by
where H is the building height, z is the height above the channel bed, α is the velocity coefficient, and is the time-averaged horizontal velocity at the reference height of 10 cm (the same height as the top of the model cuboid building.) The reference velocity at the top of the building and the velocity profile exponent for each pump frequency used in these tests are given in Table 2. In general, the streamwise turbulence intensity was quite low ( 0.5%, where is the rms of the streamwise velocity fluctuations and is the streamwise velocity). See Figure 3.
Table 2.
Velocity coefficient values with reference velocity at the top of the block.
2.2. Concentration Measurement Method
Visualization techniques have been widely used over the past several decades to improve the qualitative understanding of fluid flow. The evolution of image capturing and computer processing technology in the last twenty to thirty years has made it possible to extract quantitative measurements of flow properties using flow visualization, such as the differences in salinity, density, temperature, concentration, velocity field, and mixing of multi-fluid flows. In qualitative flow observations, tracers can be added to fluids or properties of the fluids can be used to visualize flow. To ensure no changes to the properties of the flow, the tracer is selected to be dynamically unimportant. Smoke/fog [44], dye [45], very small air bubbles [46], and small particles [46] have been used in previous studies.
The laser-induced fluorescence (LIF) technique has been used to conduct concentration measurements in fluid flows since it is a non-intrusive technique, and it has become a popular experimental flow visualization method. Numerous variations of LIF have been created throughout the years, expanding its applicability from one-point [47] and line estimations [48] to planar measurements (two-dimensional) [49] or even three-dimensional volumes [50]. Planar laser-induced fluorescence is the most well-known form of the technique [43]. However, LIF follows the same process regardless of dimensionality to determine the concentration of interest. In LIF, a soluble fluorescent dye is used. A fluorescent molecule absorbs light in a specific range of wavelengths, and then it discharges light at a different wavelength [51]. At the beginning, when the approaching light is absorbed, fluorescent molecules become excited. The emitted wavelength is greater than the absorbed one, since fluorescence takes place at the lowest vibrational level. It is necessary to keep in mind that the fluorescence arbitrarily diverges, and its intensity does not depend on direction.
Fundamentals of LIF have already been discussed in previous studies, and the materials discussed in this study largely follow that in [44]. The fluorescence of the dye is linearly proportional to the product of the concentration and the laser light intensity. Light attenuation due to the dye was negligible for the dye concentrations used in these experiments, such that the laser light intensity at any location was constant during each experiment. The light intensity measured by the camera is that due to the background light and that due to fluorescence of the dye. Therefore, the concentration of the (C) is given by
Here, Cn is the uniform dye concentration present in the background fluid, Y(r,θ) is the attenuation coefficient, r is the vertical distance from laser source to the bottom of the flume, θ is the angle of the light with the horizontal axis, I(x,z) is the light intensity measured by the camera, IA(x,z) is the ambient dye light intensity of the uniform background concentration, and D(x,z) is the response of the camera when all light sources are turned off. Herein, the camera response is taken to be linear; that is, the digitized signal is linearly proportional to the light intensity. To verify this linearity, the mean intensity measured by the camera vs. the dye concentration in the sump tank was plotted, which is given in Figure 4. It shows that the mean intensity of the fluorescence is approximately linearly proportional to the dye concentration with negligible zero offset. Hence, the light attenuation can be neglected, and the camera response can be taken as linear.
Figure 4.
Measured mean intensity vs concentration calculated in the test window.
Equation (3) can, therefore, be rewritten as
where is the ambient background intensity with the laser light switched on, and is the camera response with all light sources off (black offset). Before each experiment, a short video was taken with all the lights off to measure , and a second video was taken to measure the light intensity due to the dye in the ambient fluid IA. A third video was taken in which the source solution of dyed fluid was injected directly into the laser sheet to measure the light intensity for this solution (Iref). Noting that the buoyancy of the fluid is linearly proportional to the dye concentration, then, the buoyancy at any location is related by
where the buoyancy is defined as
The source buoyancy is given by
where is the intensity measured by injecting source fluid into the laser sheet. Therefore, the normalized buoyancy can be calculated using
The diffusivities of the salt (NaCl) and dye (sodium fluorescein) are both very low. The resulting Peclet numbers for both are on the order of 103, meaning that the flow and mixing is dominated by convective mixing. Therefore, molecular diffusion of the solutes can be ignored over the time scales of the experiments.
2.3. Experimental Procedure
A total of 30 experiments were run for a range of flow rates, ambient flow velocities, and densities. However, for each experiment, the same procedure was followed, as listed below:
- The dense saline solution was prepared. Salt was mixed with water in a bucket and the density measured. The volume was then measured, and the sodium fluorescein was added to obtain the desired dye concentration. The dyed salt solution was then placed in the constant head tank above the flume, and the tube passing through the rotameter flow rate meter to the outlet in the flume was flooded.
- The flume was prepared. The flume sump tank was filled with fresh water up to a prescribed depth that was determined during the flow rate calibration. A small amount of fluorescent dye was added to create a slight background concentration used for dye calibration. The flume was then turned on to the desired flow rate, which was checked by measuring the head over the downstream weir.
- Calibration images were taken. The camera configuration file was loaded, and then three images were taken using the video camera. These were the setup with all the lights and laser turned off, the setup with all the lights off and the laser on, and an image with the laser on and the source solution being injected into the laser sheet.
- The experiment was conducted. Once the flume was running and the calibration images had been taken, the experiment was run. The camera was set to record, and the needle valve was opened to the desired flow rate. The flow rate was constantly monitored during each test, and minor adjustments were made to the needle valve to ensure a constant discharge. After several minutes of recording, the flow rate of the dense saline solution was changed to begin another experiment. The flow rate changes were made every 5–6 min until the dyed salt solution had been exhausted, at which point the entire process was repeated. A typical experiment would include 20–30 frames recorded during the initial transient adjustment and between 300 and 600 frames recorded during the steady-state flow. The steady-state mean and standard deviation concentration values reported below are calculated using the last 300–600 frames of each experiment.
3. Qualitative Results
Experiments was run for a range of flow rates, fluid densities, and source locations. The density of the saline solution is quantified using a Richardson number, defined as
where is the building height, is the source buoyancy, and is the time-averaged velocity measured at a height above the channel bed. The parameters for each experiment in this study are given in Table 3.
Table 3.
Parameters for each experiment of the study.
Measurements were made of the concentration field in the wake of the building for a range of release densities and flow rates. Examples of the time-averaged concentration field are shown in Figure 5 for different Richardson numbers and flow rates. The figure shows , where is the ratio of the measured concentration () and the source concentration () and, given the linear mixing for low concentrations, is also the ratio of the measured buoyancy to the source buoyancy. The images show the concentration in a 10 cm square window directly downstream of the building along the building centerline. The vertical and horizontal coordinates are denoted in non-dimensional form by and , where cm is the building height, and the coordinate system has its origin at the base of the downstream face of the building. In all the results presented, the rate of release of dense fluid is reported in mL/min rather than as the non-dimensional ratio of the dense fluid exit velocity to the ambient flow velocity. This is done because it is the inflow rate of dense gas that is balanced by the flushing processes in the building wake. The reader is referred to Table 3 for the equivalent non-dimensional velocity ratios.
Figure 5.
Contour plots of for different Richardson numbers and flow rates for a square window the height of the block. (a) Ri = 1, Q = 500 mL/min; (b) Ri = 8.7, Q = 500 mL/min; (c) Ri = 25.7, Q = 500 mL/min; and (d) Ri = 8, Q = 200 mL/min.
As with the Thorney Island experiments (Figure 1), the concentrations are generally low. This is particularly true for the lowest Richardson number (Ri = 1, Figure 5a). As the Richardson number increases, a dense layer forms in the wake with a peak depth somewhere between the downstream wall and . The layer also becomes denser, as can be seen by comparing Figure 5b,c. Figure 5d shows a concentration field for an experiment with a similar Richardson number to Figure 5b but for a much lower source flow rate. When the source flow rate is reduced, the dense lower layer is observed to be thinner than for higher flow rates.
4. Quantitative Results
To further explore the layer formation, we examined vertical profiles of time-averaged concentrations at for a range of Richardson numbers and a source flow rate of 400 mL/min. See Figure 6. For lower Richardson numbers (Figure 6a), the profiles show a slow decrease in concentration with height above the channel bed and a gradual increase in concentration with the Richardson number. At Ri = 2.6, the concentration gradient starts to increase near the ground at a greater rate than for lower Ri. That is, the gradient is less uniform. For Ri = 4, there is a region of very high-density gradient just above the ground, and the concentration above is less than for most of the lower Richardson number tests. This suggests that around Ri = 3, there is a change in behavior with the layer formation and reduced concentration at greater heights. This behavior continues for higher Richardson numbers (Figure 6b) with a sharp, thin lower layer and very low concentrations above it. To illustrate this more clearly, we re-plot Figure 6b showing only up to = 0.1 (see Figure 7), which shows dense lower layers and very low concentrations above = 0.1.
Figure 6.
Time-averaged vertical profiles of at = 0.1 downstream of the cube for different Richardson numbers and a flow rate of 400 mL/min. (a) Richardson numbers from 0.7 to 4.0 and (b) Richardson numbers from 6.0 to 37. Note that the two horizontal axes are different.
Figure 7.
Time-averaged vertical profiles of at = 0.1 downstream of the cube for different Richardson numbers and a flow rate of 400 mL/min, showing only the bottom 10% of the cube height.
The data in Figure 6 and Figure 7 are for a fixed release rate of 400 mL/min, which corresponds to a source velocity of around 0.21 m/s and a source Reynolds number of 1300. The variation in vertical concentration profile with source flow rate is shown in Figure 8 for a Richardson number of 8.7 at the same downstream distance as in Figure 6 and Figure 7. In general, as the flow rate increases, the lower layer thickens and has a slightly higher concentration. However, for the highest flow rate of 600 mL/min, the layer thins and becomes less dense compared with the flow rate of 500 mL/min. This behavior is consistent across a broad range of Richardson numbers and is discussed in Section 5.
Figure 8.
Time-averaged vertical profiles of at = 0.1 downstream of the cube for Richardson number Ri = 8.7 and different flow rates. (a) Full height and (b) bottom 20% of the cube height.
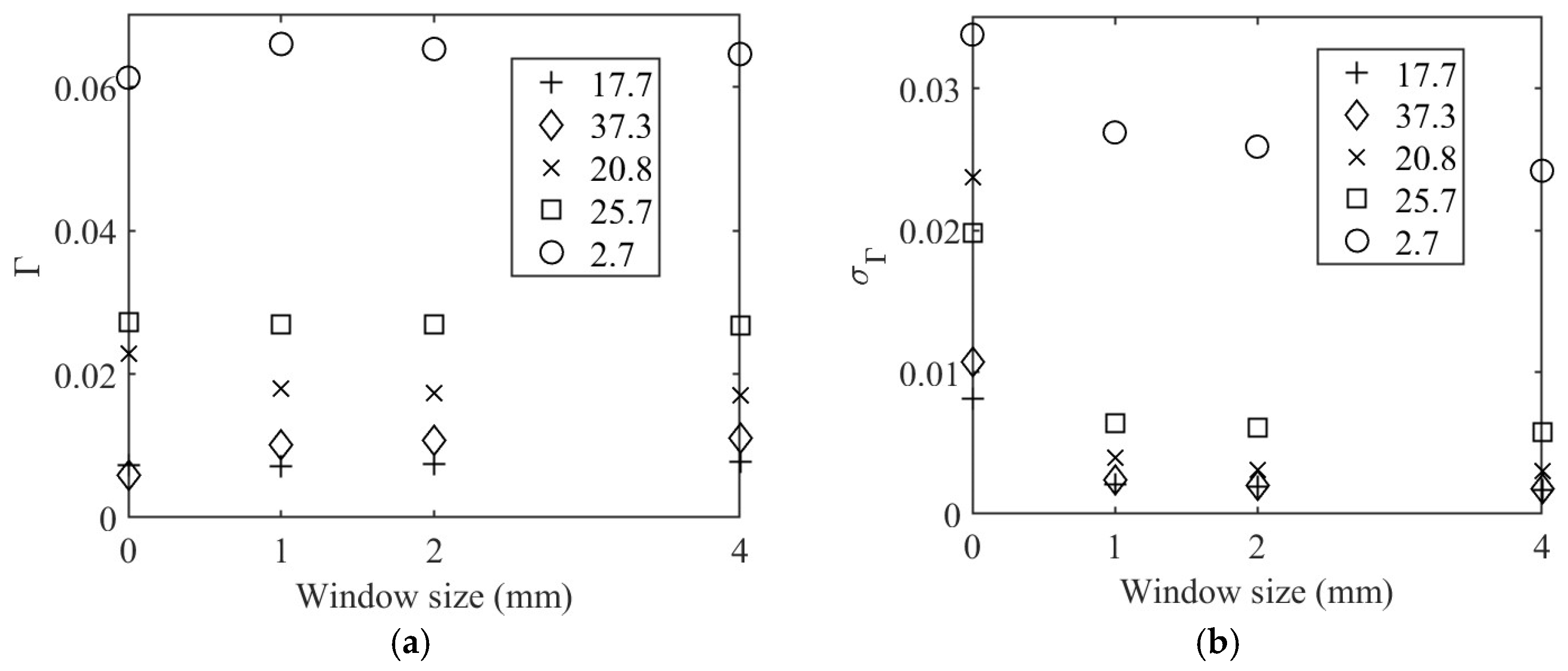
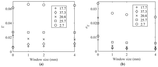
To better understand the variations in concentration with Richardson number and flow rate, we focus on a small area in the building wake centered at = 0.1 and = 0.1. Our goal is to examine how the mean and standard deviation of the concentration () vary with Ri and source flow rate. A secondary goal of this analysis is to establish data that could be used for LES model validation. Therefore, we first must establish an averaging area that will produce a reliable time average and standard deviation in that can be used for CFD validation without being so small that it would be below the resolution of the simulations. The influence of averaging area on the measured values of is explored in Figure 9, which presents plots of the time series of for four different window sizes and three different Richardson numbers. The data in the first column of Figure 9 are for a single pixel (approximately 0.13 mm) and show considerable variation over short periods of time. The data are distinctly different from those in the next three columns, which are time series of spatially averaged for square windows centered on = 0.1 and = 0.1 with sides of 1, 2, and 4 mm. The data for these three averaging windows are visually identical, suggesting that spatially averaging over these different window sizes will lead to similar estimates of the time-averaged concentration and standard deviation.
Figure 9.
Time series of concentrations for different Richardson numbers and different window sizes. Data are for a location above the floor and downstream of the building and a steady flow rate of 500 mL/min. Window sizes are, from left to right, a single pixel, 1 mm, 2 mm, and 4 mm. Richardson numbers are, from top to bottom, Ri = 1, 8.7, and 25.7.
The stability of the estimates of mean and standard deviation with window size is confirmed in Figure 10, which shows plots of mean and standard deviation of for five different Richardson numbers and four window sizes, ranging from a single pixel to a 4 mm square window, centered on = 0.1 and = 0.1. In all cases, the mean values are very consistent for all windows greater than or equal to 1 mm square (Figure 10a) and, in many cases, the time average is similar for the single pixel measurement. However, the standard deviation for the single-pixel measurement is always distinctly higher compared with the standard deviation for the various area averaging windows. Further, the variations in standard deviation with window size for all windows greater than or equal to 1 mm square are quite small compared with the change from a single pixel to a 1 mm square window (Figure 10b). For the remainder of this paper, results are reported for spatially averaged concentrations using a 1 mm averaging window centered on = 0.1 and = 0.1.
Figure 10.
Plot of the mean (a) and standard deviation (b) of concentration and as a function of average window size. Data for a location 1 cm above the floor and 1 cm downstream of the building and a steady flow rate of 400 mL/min and a range of Ri (see legend).
Experiments were conducted for a range of source flow rates and Richardson numbers. The bulk of the tests were conducted at a source flow rate of 400 mL/min (11 Richardson numbers) and for a smaller sub-set of Richardson numbers at other flow rates. Figure 11 shows the time-averaged concentration () and the concentration standard deviation (), centered on = 0.1 and = 0.1, for a range of Richardson numbers and two source flow rates (200 and 400 mL/min). For the 400 mL/min tests, there is a sharp rise in concentration with Ri to around at around Ri = 3, and then it drops considerably, to for larger Ri. The standard deviation in (Figure 11b) behaves in a similar manner.
Figure 11.
Plot of the mean (a) and standard deviation (b) of concentration and as a function of source Richardson number for different source flow rates. Data for a location 1 cm above the floor and 1 cm downstream of the building. Q = 400 mL/min—circle and Q = 200 mL/min—solid square.
The concentration measurements for the source flow rate of 200 mL/min (the second most common source flow rate tested) are much more consistent, with no sharp peak. However, no tests were run close to Ri = 3 (the approximate Ri for peak at 400 mL/min), so it is not clear whether or not there is a peak in the concentration for that source flow rate. Further, in the vast majority of cases, the mean and standard deviation in are smaller for the 200 mL/min flow rate compared with 400 mL/min.
Interestingly, despite the mean and standard deviation plots having similar shapes, the coefficient of variation () also varies significantly with the Richardson number. These data are plotted in Figure 12. The same basic behavior is observed. The CoV increases rapidly with Ri up to around Ri = 1 (), and then drops back to for larger Ri. The Ri for the peak CoV for 400 mL/min (Ri = 1) is lower than the Ri for the peak concentration (Ri = 3), driven mainly by the low concentration at lower Ri. Note that the CoV data are more similar for the two flow rates compared with the mean and standard deviation data, suggesting that the fluctuations about the mean are more dependent on the mean concentration than on the source Richardson number. This point is discussed in Section 5.
Figure 12.
Plot of the coefficient of variation as a function of Richardson number for different flow rates (Q). Q = 400 mL/min—circle and Q = 200 mL/min—solid square.
The impact of source flow rate on the concentration statistics is shown in Figure 13. In general, for flow rates up to 500 mL/min, the concentration increases with flow rate and then drops slightly when the flow rate reaches 600 mL/min. This is consistent with the concentration profiles shown in Figure 8. The main exception to this behavior is that, for the highest Richardson number plotted (diamonds for Ri = 25.7), the mean concentration drops slightly from when the source flow rate increases from 100 mL/min to 200 mL/min, while the standard deviation drops significantly at the same time. Possible reasons for this behavior are discussed in Section 5.
Figure 13.
Plot of the mean (a) and standard deviation (b) of concentration and as a function of source flow rate for different Richardson numbers. Data for a location 1 cm above the floor and 1 cm downstream of the building. Ri = 1—square, Ri = 8.7—circle, and Ri = 25.7—diamond.
5. Discussion
Based on the experimental results presented in the previous section, the following observations have been made:
- (1)
- For Richardson numbers less than approximately Ri = 3, the vertical concentration profile shows the concentration decreasing gradually with height and the mean vertical concentration increasing with Richardson number (Figure 6a).
- (2)
- For larger Richardson numbers, there is a change in behavior, with the formation of a thin lower layer of higher concentration and a lower concentration outside this layer. The layer thickens and becomes more concentrated with increasing Ri (though this behavior is not seen in the highest Richardson number tested). See Figure 6b.
- (3)
- The mean and standard deviation of concentration at a point located at above the floor and downstream of the building vary greatly with the Richardson number. For low Ri, the concentration increases rapidly, with Ri peaking around Ri = 3 and then dropping as Ri increases further (Figure 11).
- (4)
- The coefficient of variation peaks at , which is also close to the Richardson number at which there is a transition from a relatively uniform density gradient with height to having a thin, dense lower layer for higher Ri.
- (5)
- The concentration statistics also vary significantly with the dense fluid source flow rate. In general, the concentration and standard deviation increase with source flow rate up to a flow rate of 500 mL/min and then drop slightly when the source flow rate increases further to 600 mL/min (Figure 13a).
To understand these behaviors, we need to consider the structure of the flow field in the wake of the cube. The key features of this flow field are shown schematically in Figure 14. Note that this figure is adapted from [52] but highlights only the features in the wake of the building and leaves out some of the flow structures around the sides and over the top of the building. One of the keys to understanding the various behaviors described above is the horseshoe vortex in the building wake that drives the flow upstream toward the leeward face of the building and then up and to the sides of the building.
Figure 14.
Schematic diagram of some features of the flow in the wake of a surface-mounted cube showing the horseshoe vortex (dashed lines) and reverse flow back toward the cube. Adapted with permission from Gillies et al. [52] 2021, Springer Nature.
For the experiments described herein, the dense fluid is released at ground level upstream of the building. The dense fluid then flows around the building, and some of the dense solution is drawn into the wake and then driven upstream toward the leeward face of the building. For low Richardson number releases, the fluid’s density has little impact on transport, and the solution is easily mixed vertically. This leads to vertical profiles of concentration in the wake that are weakly linear, meaning that there is a small decrease in concentration with height. However, for higher Richardson numbers, the density of the release inhibits vertical mixing, and the saline solution spreads out upstream of the building in a thin, dense layer near ground level. This layer becomes thicker and denser as the Richardson number increases. For this flow regime, the primary transport mechanism by which dense fluid is removed from the wake is through the wake flow skimming fluid from the top of the dense layer and driving it upwind to the leeward face of the building, where the horseshoe vortex then draws it up the leeward face into the ambient flow above the building. This is seen in the vertical concentration profiles of Figure 6 and Figure 7.
The variation in concentration profile with flow rate is shown in Figure 8 and shows that the dense lower layer increases in thickness and density until the flow rate reaches 600 mL/min, at which point there is a slight drop in both thickness and density. The increase in thickness and density can be understood in terms of the balance between the rate of supply of dense fluid into the dense lower layer and the rate of flushing of the dense fluid by skimming off the top of the layer. As the source flow rate increases, so does the rate of supply into the building wake. Therefore, in the steady state, the rate of flushing (skimming) must increase to balance the additional inflow. Therefore, the layer density adjusts to become denser so that the flux of concentration generated by skimming denser fluid balances the increased inflow of dense fluid. This is also seen in Figure 13, which shows the mean concentration at a location just above the dense lower layer as a function of source flow rate. The increase in density with flow rate indicates that denser fluid is being skimmed from off the top of the lower layer into the ambient fluid above.
However, as noted earlier, once the flow rate reaches 600 mL/min, the concentration both above (Figure 13) and in (Figure 6 and Figure 7) the layer decreases. There are two possible explanations for this behavior. First, as the flow rate increases, so does the source momentum flux (as the source diameter is kept constant). Therefore, there is the possibility that the additional momentum drives the source flow into the upwind face of the building, generating additional mixing that was not present for the lower source flow rates. The transition from 500 to 600 mL/min represents a 44% increase in the source momentum flux. An alternative explanation is that the increase in source flow rate increases shear-driven mixing between the source fluid and the ambient flow near the source. The flow rate of 600 mL/min is the only flow rate for which the source Reynolds number is greater than 2000. Therefore, for this flow rate, the flow in the tube is in the transitional pipe flow regime as opposed to laminar flow for the lower discharge rates. However, detailed measurements within the source jet upwind of the building would be needed to fully understand this behavior. These measurements were not possible in the experimental setup available for this study.
The variation in the concentration with Richardson number at a location above the floor and downstream of the building (Figure 11) is also explained in the same manner. For , there is no dense lower layer, the concentration profile is weakly linear, and the concentration increases with source Ri. However, for , a dense lower layer forms, and the concentration at drops significantly as it is above the lower layer, and dense fluid at that location is from saline solution that has been skimmed off the top of the dense layer, not from the dense layer itself. This flow description also explains the peak in the coefficient of variation in the measured concentration at . At the transition point from linear concentration variation to a distinct dense lower layer, there likely will be large fluctuations as the dense lower layer forms but is then removed, as the Richardson number is not high enough to make the dense lower layer stable.
To better visualize these processes, a series of experiments was run using red food coloring to observe the flow. The goal of the visualization experiments was to observe the flow of dense saline solution around the building rather than making quantitative measurements in the building wake. The other major difference was that the visualization experiments were run for a finite volume release of dense fluid. A fixed volume of 300 mL of dense fluid was put into a balloon and placed in a small wire basket centered 10 cm upstream of the building. The balloon was then popped, and the transport of dense fluid around the building was recorded using an HD color video camera. Red food coloring was chosen as the dye for visualization as it provided a clear contrast with the surrounding flume, though the same results could have been generated with a monochrome camera and black dye [53,54,55].
Visualization tests were run for fresh water (Ri = 0) and three other Richardson numbers (Ri = 0.95, 9.5, and 24.5). Frames were extracted from each video every 5 s for 25 s. The first image (T = 0 s) was taken when the dense cloud was clearly visible upstream of the building. These images are shown in Figure 15.
Figure 15.
Images from a series of finite release flow visualization experiments taken every 5 s for a range of Richardson numbers.
For the two cases where , the dyed fluid goes around and over the cube as the fluid density has minimal impact on the transport and mixing. At later times, the dyed fluid fills the entire wake. However, for the cases, the dense fluid is held near ground level by its negative buoyancy and enters the wake only from the sides. At early times, there is vertical mixing above the layer for , but this is much lower for . At later times, one can see a thin layer in the building wake for both cases, with some red fluid being drawn up the leeward face, having been skimmed off the layer.
6. Conclusions
Experiments were conducted to mimic the geometry of the Thorney Island field experiments on dense gas dispersion around a cubic building. The experiments showed that there is a complex interaction between the ambient flow, the building wake, the density of the pollutant, and the rate of supply of the dense fluid. At low Richardson numbers (Ri), the wake is relatively well mixed, and the density increases with Ri. For higher Ri, the dense fluid occupies a layer at ground level within the wake. The thickness and density of this layer depend on the density of the inflow and the rate of supply of the dense fluid. The mixing is controlled by dense fluid being skimmed off the top of this layer and then up the leeward side of the building.
The data presented provide insight into the mechanisms by which dense fluids are flushed from the wake of a building. The quantitative results could be used for CFD model validation at a small scale. However, further research is required. Future work should include measurements of the velocity field within the building wake to measure the details of the mean and turbulent concentration fluxes. A detailed analysis of the role of the source conditions would also be beneficial, as the experimental results presented suggest that the source conditions can impact the in-wake transport. Finally, the results presented are for a continuous release of dense fluid near a building. However, much more rapid releases are also possible, such as due to the catastrophic rupture of a storage tank. Quantification of the mixing, transport, and retention time for an instantaneous release upstream of a building would also be of value.
There are also a couple of limitations to this study that should be kept in mind. First, while ambient flow around the model building is in the Reynolds number independent regime, the ambient turbulence intensity is quite low. A systematic investigation of the impact of turbulence intensity on dense gas dispersion would provide greater insight. Second, the geometry investigated is very simple and has limited immediate application to urban settings. However, it will be of value to computational fluid dynamics modelers, who can use the simple geometry for model validation. Finally, although the blockage ratio is small (4.1%), the flow around the model building can be influenced by the side walls and, therefore, the experiments should not be interpreted as being for an isolated building.
Author Contributions
Conceptualization, N.B.K.; methodology, N.B.K. and R.A.; software, R.A. and N.B.K.; validation, R.A.; formal analysis, R.A. and N.B.K.; investigation, R.A.; resources, N.B.K.; data curation, R.A.; writing—original draft preparation, R.A. and N.B.K.; writing—review and editing, N.B.K. and R.A.; visualization, R.A. and N.B.K.; supervision, N.B.K.; project administration, N.B.K.; funding acquisition, N.B.K. All authors have read and agreed to the published version of the manuscript.
Funding
This work was funded by the U.S. National Science Foundation (NSF) under Grant No. 1703548.
Data Availability Statement
The raw data supporting the conclusions of this article will be made available by the authors on request.
Acknowledgments
The authors would like to thank Daniel Metz, Scott Black, and Caleb Jackson for their technical support in building the test rigs. This material is based upon work supported by the National Science Foundation (NSF) under Grant No. 1703548. Any opinions, findings, and conclusions or recommendations expressed in the material are those of the authors and do not necessarily reflect the views of the NSF.
Conflicts of Interest
The authors declare no conflict of interest.
References
- ASHRAE Handbook—Fundamentals; American Society of Heating, Refrigerating and Air-Conditioning Engineers: Peachtree Corners, GA, USA, 2021.
- Industrial Ventilation Design Guidebook; Goodfellow, H., Tahti, E., Eds.; Elsevier: Amsterdam, The Netherlands, 2001. [Google Scholar]
- Zhang, Q.; Zhang, X.; Ye, W.; Liu, L.; Nielsen, P.V. Experimental study of dense gas contaminant transport characteristics in a large space chamber. Build. Environ. 2018, 138, 98–105. [Google Scholar] [CrossRef]
- Louisiana Illuminator. 2 Toxic Releases in Louisiana Under Federal Investigation for Safety Recommendations. 2024. Available online: https://lailluminator.com/2024/04/06/toxic-releases/ (accessed on 26 September 2024).
- ABC-13 Houston. At Least 7 Children Hospitalized After Chlorine Leak in Lazy River at Memorial Area Club, HFD Says. 2023. Available online: https://abc13.com/chemical-spill-chlorine-exposure-wilcrest-drive-club-westside/13423128/ (accessed on 26 September 2024).
- Winkle, K.; Ramkisson, J. Downtown Austin Building Evacuated After Chlorine Gas Released. KXAN News. 2020. Available online: https://www.kxan.com/news/breaking-news/downtown-austin-building-evacuated-after-chlorine-gas-released/ (accessed on 26 September 2024).
- Pannett, R. Chlorine Gas Leak at Jordan’s Aqaba Port Kills at Least 13, Injures Hundreds. Washington Post. 2022. Available online: https://www.washingtonpost.com/world/2022/06/28/jordan-toxic-gas-leak-chlorine-aqaba/ (accessed on 26 September 2024).
- Kay, J. Chlorine Accidents Take a Big Human Toll. Environmental Health News. 2011. Available online: https://www.ehn.org/chlorine-accidents-take-a-big-human-toll-2565934161.html (accessed on 26 September 2024).
- Fthenakis, V.M. HGSYSTEM: A review, critique, and comparison with other models. J. Loss Prev. Proc. Ind. 1999, 12, 525–531. [Google Scholar] [CrossRef]
- Spicer, T.; Havens, J. User’s Guide for the DEGADIS 2.1 Dense Gas Dispersion Model; Technical Report No. EPA-450/4-89-019; Environmental Protection Agency: New York, NY, USA, 1989.
- Morgan, D.L.; Morris, L.; Ermak, D. SLAB: A Time-Dependent Computer Model for the Dispersion of Heavy Gas Released in the Atmosphere; Technical Report No. UCRL-53383; Lawrence Livermore National Laboratory: Livermore, CA, USA, 1993.
- Brown, M.J.; Nelson, M.A.; Williams, M.D.; Gowardhan, A.; Pardyjak, E.R. A non-CFD modeling system for computing 3D wind and concentration fields in urban environments. In Proceedings of the Fifth International Symposium on Computational Wind Engineering (CWE2010), Chapel Hill, NC, USA, 23–27 May 2010. [Google Scholar]
- Buckley, R.L.; Hunter, C.H.; Addis, R.P.; Parker, M.J. Modeling dispersion from toxic gas released after a train collision in Graniteville, SC. J. Air Waste Manag. Assoc. 2007, 57, 268–278. [Google Scholar] [CrossRef] [PubMed]
- Hanna, S.R.; Hansen, O.R.; Ichard, M.; Strimaitis, D. CFD model simulation of dispersion from chlorine railcar releases in industrial and urban areas. Atmos. Environ. 2009, 43, 262–270. [Google Scholar] [CrossRef]
- Baratian-Ghorghi, Z.; Kaye, N.B. Modeling the purging of dense fluid from a street canyon driven by an interfacial mixing flow and skimming flow. Phys. Fluids 2013, 25, 076603. [Google Scholar] [CrossRef]
- Baratian-Ghorghi, Z.; Kaye, N.B. Shear driven flushing of dense fluid from a canyon. J. Vis. 2013, 16, 29–37. [Google Scholar] [CrossRef]
- Strang, E.J.; Fernando, H.J.S. Shear-induced mixing and transport from a rectangular cavity. J. Fluid Mech. 2004, 520, 23–49. [Google Scholar] [CrossRef]
- Baratian-Ghorghi, Z.; Kaye, N.B. The effect of canyon aspect ratio on flushing of dense pollutants from an isolated street canyon. Sci. Total Environ. 2013, 443, 112–122. [Google Scholar] [CrossRef] [PubMed]
- Debler, W.; Armfield, S.W. The purging of saline water from rectangular and trapezoidal cavities by an overflow of turbulent sweet water. J. Hydraul. Res. 1997, 35, 43–62. [Google Scholar] [CrossRef]
- Kirkpatrick, M.P.; Armfield, S.W.; Williamson, N. Shear driven purging of negatively buoyant fluid from trapezoidal depressions and cavities. Phys. Fluids 2012, 24, 025106. [Google Scholar] [CrossRef]
- Baratian-Ghorghi, Z.; Kaye, N.B. Flushing a finite volume of dense fluid from a square street canyon by a turbulent overflow. Atmos. Environ. 2012, 60, 392–402. [Google Scholar] [CrossRef]
- Armfield, S.W.; Debler, W. Purging of density stabilized basins. Int. J. Heat Mass Transf. 1993, 36, 519–530. [Google Scholar] [CrossRef]
- Kirkpatrick, M.P.; Armfield, S.W. Experimental and large eddy simulation results for the purging of salt water from a cavity by an overflow of fresh water. Int. J. Heat Mass Transf. 2005, 48, 341–359. [Google Scholar] [CrossRef]
- Puttock, J.S.; Colenbrander, G.W. Thorney island data and dispersion modelling. J. Hazard. Mater. 1985, 11, 381–397. [Google Scholar] [CrossRef]
- Johnson, D.R. Thorney Island trials: Systems development and operational procedures. J. Hazard. Mater. 1985, 11, 35–64. [Google Scholar] [CrossRef]
- Hall, D.J.; Waters, R.A. Wind tunnel model comparisons with the Thorney island dense gas release field trials. J. Hazard. Mater. 1985, 11, 209–235. [Google Scholar] [CrossRef]
- Spicer, T.O.; Havens, J.A. Modeling the Phase I Thorney Island experiments. J. Hazard. Mater. 1985, 11, 237–260. [Google Scholar] [CrossRef]
- Davies, M.E.; Singh, S. The phase II trials: A data set on the effect of obstructions. J. Hazard. Mater. 1985, 11, 301–323. [Google Scholar] [CrossRef]
- McQuaid, J.; Roebuck, B. Large Scale Field Trials on Dense Vapour Dispersion; Report No. EUR 10029 (EN); Commission of the European Communities: Luxembourg, 1985; pp. 200–204+262–267.
- Selected Video Clips of the Thorney Island Dense-Gas Dispersion Experiments. Available online: https://www.youtube.com/watch?v=z3zjh2NsdTU (accessed on 8 March 2024).
- Sklavounos, S.; Rigas, F. Validation of turbulence models in heavy gas dispersion over obstacles. J. Hazard. Mater. A 2004, 108, 9–20. [Google Scholar] [CrossRef] [PubMed]
- Deaves, D.M. Three-dimensional model predictions for the upwind building trial of Thorney Island phase II. J. Hazard. Mater. 1985, 11, 341–346. [Google Scholar] [CrossRef]
- Fox, S.; Hanna, S.; Mazzola, T.; Spicer, T.; Chang, J.; Gant, S. Overview of the Jack Rabbit II (JR II) field experiments and summary of the methods used in the dispersion model comparisons. Atmos. Environ. 2022, 269, 118783. [Google Scholar] [CrossRef]
- Hanna, S.R.; Chang, J.C.; Huq, P. Observed chlorine concentrations during Jack Rabbit I and Lyme Bay field experiments. Atmos. Environ. 2016, 125, 252–256. [Google Scholar] [CrossRef]
- Spicer, T.; Miller, D. Quantifying the mass discharge rate of flashing two phase releases through simple holes to the atmosphere. Proc. Saf. Prog. 2018, 37, 382–396. [Google Scholar] [CrossRef]
- Hanna, S.R.; Britter, R.; Argenta, E.; Chang, J. The Jack Rabbit chlorine release experiments: Implications of dense gas removal from a depression and downwind concentrations. Atmos. Environ. 2012, 213–214, 406–412. [Google Scholar] [CrossRef] [PubMed]
- Gant, S.; Weil, J.; Delle Monache, L.; McKenna, B.; Garcia, M.M.; Tickle, G.; Tucker, H.; Stewart, J.; Kelsey, A.; McGillivray, A.; et al. Dense gas dispersion model development and testing for the Jack Rabbit II phase 1 chlorine release experiments. Atmos. Environ. 2018, 192, 218–240. [Google Scholar] [CrossRef]
- The Jack Rabbit Program, Utah Valley University. Available online: https://www.uvu.edu/es/jack-rabbit/ (accessed on 16 May 2024).
- Hanna, S. Meteorological data recommendations for input to dispersion models applied to Jack Rabbit II trials. Atmos. Environ. 2020, 235, 117516. [Google Scholar] [CrossRef]
- Spicer, T.O.; Tickle, G. Simplified source description for atmospheric dispersion model comparison of the Jack Rabbit II chlorine field experiments. Atmos. Environ. 2021, 244, 117866. [Google Scholar] [CrossRef]
- Mazzola, T.; Hanna, S.; Chang, J.; Bradley, S.; Meris, R.; Simpson, S.; Miner, S.; Gant, S.; Weil, J.; Harper, M.; et al. Results of comparisons of the predictions of 17 dense gas dispersion models with observations from the Jack Rabbit II chlorine field experiment. Atmos. Environ. 2021, 244, 117887. [Google Scholar] [CrossRef]
- Fares, S.S. Wind Tunnel Modeling of Jack Rabbit II Mock Urban Environment Gas Concentration Measurements. In Graduate Theses and Dissertations; University of Arkansas: Fayetteville, AR, USA, 2022; Available online: https://scholarworks.uark.edu/etd/4621 (accessed on 8 February 2025).
- Crimaldi, J.P. Planar laser induced fluorescence in aqueous flows. Exp. Fluids 2008, 44, 851–863. [Google Scholar] [CrossRef]
- Mcgregor, I. The vapour-screen method of Flow Visualization. J. Fluid Mech. 1961, 11, 481–511. [Google Scholar] [CrossRef]
- Partridge, J.L.; Lefauve, A.; Dalziel, S.B. A versatile scanning method for volumetric measurements of velocity and density fields. Meas. Sci. Technol. 2019, 30, 055203. [Google Scholar] [CrossRef]
- Roos, F.W.; Willmarth, W.W. Hydrogen bubble flow visualization at low Reynolds numbers. AIAA J. 1969, 7, 1635–1637. [Google Scholar] [CrossRef]
- Prasad, R.R.; Sreenivasan, K.R. Scalar interfaces in digital images of turbulent flows. Exp. Fluids 1989, 7, 259–264. [Google Scholar] [CrossRef]
- Koochesfahani, M.M.; Dimotakis, P.E. Mixing and chemical reactions in a turbulent liquid mixing layer. J. Fluid Mech. 1986, 170, 83–112. [Google Scholar] [CrossRef]
- Dahm, W.; Dimotakis, P. Measurements of Entrainment and Mixing In Turbulent Jets. AIAA J. 1985, 25, 1216–1223. [Google Scholar] [CrossRef]
- Vliet, E.V.; Bergen, S.M.V.; Derksen, J.J.; Portela, L.M.; Van Den Akker, H.E.A. Time-resolved, 3D, laser-induced fluorescence measurements of fine-structure passive scalar mixing in a tubular reactor. Exp. Fluids 2004, 37, 1–21. [Google Scholar] [CrossRef]
- Coleman, J.C. Laser-Induced Fluorescence Measurements of Dual Plumes and Comparison of Laser-Induced Fluorescence and Conductivity Probe Measurements. Master’s Thesis, School of Civil and Environmental Engineering, Georgia Institute of Technology, Atlanta, GA, USA, 2012. [Google Scholar]
- Gillies, J.A.; McKenna Neuman, C.; O’Brien, P. Flow around surface-mounted permeable cubes on solid and deformable surfaces. Environ. Fluid Mech. 2021, 21, 619–641. [Google Scholar] [CrossRef]
- Chen, C.; Jonsson, L.T.I.; Tilliander, A.; Cheng, G.; Jonsson, P.G. A Mathematical Modeling Study of Tracer Mixing in a Continuous Casting Tundish. Metall. Mater. Trans. B 2015, 46, 169–190. [Google Scholar] [CrossRef]
- Wang, T.; Wang, J.; Chen, C.; Chen, L.; Geng, M.; Song, J.; Fan, J.; Lin, W. Physical and Numerical Study on Right Side and Front Side Gas Blowing at Walls in a Single-Strand Tundish. Steel Res. Int. 2024, 95, 2400037. [Google Scholar] [CrossRef]
- Chen, C.; Jonsson, L.T.I.; Tilliander, A.; Cheng, G.; Jönsson, P.G. A mathematical modeling study of the influence of small amounts of KCl solution tracers on mixing in water and residence time distribution of tracers in a continuous flow reactor-metallurgical tundish. Chem. Eng. Sci. 2015, 137, 914–937. [Google Scholar] [CrossRef]
Disclaimer/Publisher’s Note: The statements, opinions and data contained in all publications are solely those of the individual author(s) and contributor(s) and not of MDPI and/or the editor(s). MDPI and/or the editor(s) disclaim responsibility for any injury to people or property resulting from any ideas, methods, instructions or products referred to in the content. |
© 2025 by the authors. Licensee MDPI, Basel, Switzerland. This article is an open access article distributed under the terms and conditions of the Creative Commons Attribution (CC BY) license (https://creativecommons.org/licenses/by/4.0/).














