Cr (VI) and Pb (II) Removal Using Crosslinking Magnetite-Carboxymethyl Cellulose-Chitosan Hydrogel Beads
Abstract
1. Introduction
2. Results and Discussion
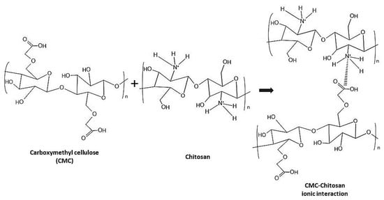
2.1. Crosslinking of CMC–Chitosan
2.2. Swelling Capacity of CMC-CS-Fe3O4 Hydrogel Beads
2.3. FTIR Characterization of CMC-Chitosan Hydrogel Beads
2.4. Morphological Analysis by SEM
2.5. Batch Adsorption of Cr (VI) and Pb (II) by Using CMC-CS-Fe3O4 Hydrogel Beads
2.5.1. Effect of CMC-Chitosan Ratio
2.5.2. Influence of pH on Cr (VI) and Pb (II) Adsorption
2.5.3. Influence of Initial Concentration
2.5.4. Adsorption Isotherms
2.5.5. Influence of Contact Time, and Adsorption Kinetics Studies
2.6. Desorption Studies
3. Conclusions
4. Materials and Method
4.1. Chemicals and Reagents
4.2. Preparation and Crosslinking of CMC-CS-Fe3O4 Hydrogel Beads
4.3. Swelling Capacity of CMC-CS-Fe3O4 Hydrogel Beads
4.4. Characterization of CMC-CS-Fe3O4 Hydrogel Beads
4.5. Batch Adsorption Experiment
4.6. Desorption and Regeneration
Author Contributions
Funding
Acknowledgments
Conflicts of Interest
References
- Escudero, L.B.; Quintas, P.Y.; Wuilloud, R.G.; Dotto, G.L. Biosorption of metals and metalloids. In Green Adsorbents for Pollutant Removal; Springer: Berlin/Heidelberg, Germany, 2018; pp. 35–86. [Google Scholar]
- Gheju, M. Progress in understanding the mechanism of CrVI Removal in Fe0-based filtration systems. Water 2018, 10, 651. [Google Scholar] [CrossRef]
- Prasad, S.; Yadav, K.K.; Kumar, S.; Gupta, N.; Cabral-Pinto, M.M.S.; Rezania, S.; Radwan, N.; Alam, J. Chromium contamination and effect on environmental health and its remediation: A sustainable approaches. J. Environ. Manag. 2021, 285, 112174. [Google Scholar] [CrossRef] [PubMed]
- Renu; Agarwal, M.; Singh, K. Heavy metal removal from wastewater using various adsorbents: A review. J. Water Reuse Desalination 2017, 7, 387–419. [Google Scholar] [CrossRef]
- WHO. Guidelines for Drinking-Water Quality; World Health Organization: Geneva, Switzerland, 2011; Volume 216, pp. 303–304. [Google Scholar]
- WHO (World Health Organization). IARC Monographs on the evaluation of carcinogenic risks to humans, Volume 87: Inorganic and organic lead compounds. In IARC Monographs on the Evaluation of Carcinogenic Risks to Humans/World Health Organization, International Agency for Research on Cancer; IARC Publications: Lyon, France, 2006; Volume 87, pp. 1–471. [Google Scholar]
- Zamora-Ledezma, C.; Negrete-Bolagay, D.; Figueroa, F.; Zamora-Ledezma, E.; Ni, M.; Alexis, F.; Guerrero, V.H. Heavy metal water pollution: A fresh look about hazards, novel and conventional remediation methods. Environ. Technol. Innov. 2021, 22, 101504. [Google Scholar] [CrossRef]
- Fu, F.; Wang, Q. Removal of heavy metal ions from wastewaters: A review. J. Environ. Manag. 2011, 92, 407–418. [Google Scholar] [CrossRef] [PubMed]
- Hussain, A.; Madan, S.; Madan, R. Removal of Heavy Metals from Wastewater by Adsorption. In Heavy Metals—Their Environmental Impacts and Mitigation; Intech Open: London, UK, 2021. [Google Scholar] [CrossRef]
- Tripathi, A.; Ranjan, M.R. Heavy Metal Removal from Wastewater Using Low Cost Adsorbents. J. Bioremediation Biodegrad. 2015, 6, 315. [Google Scholar] [CrossRef]
- Priya, A.K.; Yogeshwaran, V.; Rajendran, S.; Hoang, T.K.A.; Soto-Moscoso, M.; Ghfar, A.A.; Bathula, C. Investigation of mechanism of heavy metals (Cr6+, Pb2+& Zn2+) adsorption from aqueous medium using rice husk ash: Kinetic and thermodynamic approach. Chemosphere 2022, 286, 131796. [Google Scholar] [CrossRef]
- Abdelhafez, A.A.; Li, J. Removal of Pb(II) from aqueous solution by using biochars derived from sugar cane bagasse and orange peel. J. Taiwan Inst. Chem. Eng. 2016, 61, 367–375. [Google Scholar] [CrossRef]
- Rwiza, M.J.; Kleinke, M.; Kim, K.-W. A study on Pb removal kinetics using modified agricultural wastes from Tanzania. SN Appl. Sci. 2020, 2, 1921. [Google Scholar] [CrossRef]
- Oladoja, N.A.; Ololade, I.A.; Alimi, O.A.; Akinnifesi, T.A.; Olaremu, G.A. Iron incorporated rice husk silica as a sorbent for hexavalent chromium attenuation in aqueous system. Chem. Eng. Res. Des. 2013, 91, 2691–2702. [Google Scholar] [CrossRef]
- Kobayashi, Y.; Ogata, F.; Nakamura, T.; Kawasaki, N. Synthesis of novel zeolites produced from fly ash by hydrothermal treatment in alkaline solution and its evaluation as an adsorbent for heavy metal removal. J. Environ. Chem. Eng. 2020, 8, 103687. [Google Scholar] [CrossRef]
- De Almeida Neto, A.F.; Vieira, M.G.A.; da Silva, M.G.C. Adsorption and desorption processes for copper removal from water using different eluents and calcined clay as adsorbent. J. Water Process Eng. 2014, 3, 90–97. [Google Scholar] [CrossRef]
- Ferfera-Harrar, H.; Aouaz, N.; Dairi, N. Environmental-sensitive chitosan-g-polyacrylamide/carboxymethylcellulose superabsorbent composites for wastewater purification I: Synthesis and properties. Polym. Bull. 2016, 73, 815–840. [Google Scholar] [CrossRef]
- Mittal, H.; Ray, S.S.; Okamoto, M. Recent Progress on the Design and Applications of Polysaccharide-Based Graft Copolymer Hydrogels as Adsorbents for Wastewater Purification. Macromol. Mater. Eng. 2016, 301, 496–522. [Google Scholar] [CrossRef]
- Da, D.C.; Alves, S.; Healy, B.; De Almeida Pinto, L.A.; Sant’, T.R.; Cadaval, A.; Breslin, C.B. Recent Developments in Chitosan-Based Adsorbents for the Removal of Pollutants from Aqueous Environments. Molecules 2021, 26, 594. [Google Scholar] [CrossRef]
- Crini, G.; Badot, P.M. Application of chitosan, a natural aminopolysaccharide, for dye removal from aqueous solutions by adsorption processes using batch studies: A review of recent literature. Prog. Polym. Sci. 2008, 33, 399–447. [Google Scholar] [CrossRef]
- Aranaz, I.; Alcántara, A.R.; Civera, M.C.; Arias, C.; Elorza, B.; Heras Caballero, A.; Acosta, N. Chitosan: An Overview of Its Properties and Applications. Polymers 2021, 13, 3256. [Google Scholar] [CrossRef]
- Cai, B.; Zhong, T.; Chen, P.; Fu, J.; Jin, Y.; Liu, Y.; Huang, R.; Tan, L. Preparation, characterization and in vitro release study of drug-loaded sodium carboxy-methylcellulose/chitosan composite sponge. PLoS ONE 2018, 13, e0206275. [Google Scholar] [CrossRef]
- Singh, K.; Kumar, A.; Awasthi, S.; Pandey, S.K.; Mishra, P. Adsorption mechanism of carboxymethyl cellulose onto mesoporous mustard carbon: Experimental and theoretical aspects. Colloids Surf. A Physicochem. Eng. Asp. 2019, 581, 123786. [Google Scholar] [CrossRef]
- Nadagouda, M.N.; Varma, R.S. Synthesis of thermally stable carboxymethyl cellulose/metal biodegradable nanocomposites for potential biological applications. Biomacromolecules 2007, 8, 2762–2767. [Google Scholar] [CrossRef]
- Olad, A.; Bastanian, M.; Aber, S.; Zebhi, H. Ion-crosslinked carboxymethyl cellulose/polyaniline bio-conducting interpenetrated polymer network: Preparation, characterization and application for an efficient removal of Cr(VI) from aqueous solution. Iran. Polym. J. 2021, 30, 105–119. [Google Scholar] [CrossRef]
- Zhang, Z.; Tan, J.; Gu, W.; Zhao, H.; Zheng, J.; Zhang, B.; Ji, G. Cellulose-chitosan framework/polyailine hybrid aerogel toward thermal insulation and microwave absorbing application. Chem. Eng. J. 2020, 395, 125190. [Google Scholar] [CrossRef]
- Roy, J.C.; Ferri, A.; Giraud, S.; Jinping, G.; Salaün, F. Chitosan–Carboxymethylcellulose-Based Polyelectrolyte Complexation and Microcapsule Shell Formulation. Int. J. Mol. Sci. 2018, 19, 2521. [Google Scholar] [CrossRef] [PubMed]
- Kaihara, S.; Suzuki, Y.; Fujimoto, K. In situ synthesis of polysaccharide nanoparticles via polyion complex of carboxymethyl cellulose and chitosan. Colloids Surf. B Biointerfaces 2011, 85, 343–348. [Google Scholar] [CrossRef]
- Sharif, R.; Nour, A.H.; Ahmed, I.I.M. Capture and Removal of Heavy Metals from an Aqueous Media by Polymeric Adsorption. Int. J. Appl. Sci. 2023, 17, 16–49. [Google Scholar]
- Zhang, J.; Deng, R.j.; Ren, B.z.; Hou, B.; Hursthouse, A. Preparation of a novel Fe3O4/HCO composite adsorbent and the mechanism for the removal of antimony (III) from aqueous solution. Sci. Rep. 2019, 9, 13021. [Google Scholar] [CrossRef]
- Liu, L.; Liu, J.; Zhao, L.; Yang, Z.; Lv, C.; Xue, J.; Tang, A. Synthesis and characterization of magnetic Fe3O4 @CaSiO3 composites and evaluation of their adsorption characteristics for heavy metal ions. Environ. Sci. Pollut. Res. 2019, 26, 8721–8736. [Google Scholar] [CrossRef]
- Wang, K.; Zhang, F.; Xu, K.; Che, Y.; Qi, M.; Song, C. Modified magnetic chitosan materials for heavy metal adsorption: A review. RSC Adv. 2023, 13, 6713–6736. [Google Scholar] [CrossRef]
- Patrice Fato, F.; Li, D.-W.; Zhao, L.-J.; Qiu, K.; Long, Y.-T. Simultaneous Removal of Multiple Heavy Metal Ions from River Water Using Ultrafine Mesoporous Magnetite Nanoparticles. ACS Omega 2019, 4, 7543–7549. [Google Scholar] [CrossRef]
- Tytłak, A.; Oleszczuk, P.; Dobrowolski, R. Sorption and desorption of Cr(VI) ions from water by biochars in different environmental conditions. Environ. Sci. Pollut. Res. Int. 2015, 22, 5985. [Google Scholar] [CrossRef]
- Darban, Z.; Shahabuddin, S.; Gaur, R.; Ahmad, I.; Sridewi, N. Hydrogel-Based Adsorbent Material for the Effective Removal of Heavy Metals from Wastewater: A Comprehensive Review. Gels 2022, 8, 263. [Google Scholar] [CrossRef] [PubMed]
- Yang, S.; Fu, S.; Liu, H.; Zhou, Y.; Li, X. Hydrogel beads based on carboxymethyl cellulose for removal heavy metal ions. J. Appl. Polym. Sci. 2011, 119, 1204–1210. [Google Scholar] [CrossRef]
- Wang, K.; Du, L.; Zhang, C.; Lu, Z.; Lu, F.; Zhao, H. Preparation of chitosan/curdlan/carboxymethyl cellulose blended film and its characterization. J. Food Sci. Technol. 2019, 56, 5396. [Google Scholar] [CrossRef]
- Zhu, X.; Bao, L.; Wei, Y.; Ma, J.; Kong, Y. Removal of toxic indigo blue with integrated biomaterials of sodium carboxymethyl cellulose and chitosan. Int. J. Biol. Macromol. 2016, 91, 409–415. [Google Scholar] [CrossRef]
- Benghanem, S.; Chetouani, A.; Elkolli, M.; Bounekhel, M.; Benachour, D. Grafting of oxidized carboxymethyl cellulose with hydrogen peroxide in presence of Cu(II) to chitosan and biological elucidation. Biocybern. Biomed. Eng. 2017, 37, 94–102. [Google Scholar] [CrossRef]
- Wang, Y.; Li, B.; Zhou, Y.; Jia, D. Chitosan-induced synthesis of magnetite nanoparticles via iron ions assembly. Polym. Adv. Technol. 2008, 19, 1256–1261. Available online: https://www.academia.edu/25214547/Chitosan_induced_synthesis_of_magnetite_nanoparticles_via_iron_ions_assembly (accessed on 21 June 2023). [CrossRef]
- Pu, S.; Ma, H.; Zinchenko, A.; Chu, W. Novel highly porous magnetic hydrogel beads composed of chitosan and sodium citrate: An effective adsorbent for the removal of heavy metals from aqueous solutions. Environ. Sci. Pollut. Res. Int. 2017, 24, 16520–16530. [Google Scholar] [CrossRef]
- Peng, S.; Meng, H.; Ouyang, Y.; Chang, J. Nanoporous magnetic cellulose-chitosan composite microspheres: Preparation, characterization, and application for Cu(II) adsorption. Ind. Eng. Chem. Res. 2014, 53, 2106–2113. [Google Scholar] [CrossRef]
- Zhao, J.; Xing, T.; Li, Q.; Chen, Y.; Yao, W.; Jin, S.; Chen, S. Preparation of chitosan and carboxymethylcellulose-based polyelectrolyte complex hydrogel via SD-A-SGT method and its adsorption of anionic and cationic dye. J. Appl. Polym. Sci. 2020, 137, 48980. [Google Scholar] [CrossRef]
- He, X.; Xu, H.; Li, H. Cr(VI) Removal from Aqueous Solution by Chitosan/Carboxylmethyl Cellulose/Silica Hybrid Membrane. World J. Eng. Technol. 2015, 3, 234–240. [Google Scholar] [CrossRef]
- Liu, C.; Bai, R. Adsorptive removal of copper ions with highly porous chitosan/cellulose acetate blend hollow fiber membranes. J. Memb. Sci. 2006, 284, 313–322. [Google Scholar] [CrossRef]
- Uyanga, K.A.; Daoud, W.A. Carboxymethyl cellulose-chitosan composite hydrogel: Modelling and experimental study of the effect of composition on microstructure and swelling response. Int. J. Biol. Macromol. 2021, 181, 1010–1022. [Google Scholar] [CrossRef] [PubMed]
- Lu, J.; Li, B.; Li, W.; Zhang, X.; Zhang, W.; Zhang, P.; Su, R.; Liu, D. Nano iron oxides impregnated chitosan beads towards aqueous Cr(VI) elimination: Components optimization and performance evaluation. Colloids Surf. A Physicochem. Eng. Asp. 2021, 625, 126902. [Google Scholar] [CrossRef]
- Yavuz, A.G.; Dincturk-Atalay, E.; Uygun, A.; Gode, F.; Aslan, E. A comparison study of adsorption of Cr(VI) from aqueous solutions onto alkyl-substituted polyaniline/chitosan composites. Desalination 2011, 279, 325–331. [Google Scholar] [CrossRef]
- Poornachandhra, C.; Jayabalakrishnan, R.M.; Prasanthrajan, M.; Balasubramanian, G.; Lakshmanan, A.; Selvakumar, S.; John, J.E. Cellulose-based hydrogel for adsorptive removal of cationic dyes from aqueous solution: Isotherms and kinetics. RSC Adv. 2023, 13, 4757–4774. [Google Scholar] [CrossRef]
- Li, J.; Hu, Z.; Chen, Y.; Deng, R. Removal of Pb(II) by Adsorption of HCO–(Fe3O4)x Composite Adsorbent: Efficacy and Mechanism. Water 2023, 15, 1857. [Google Scholar] [CrossRef]
- Wan, M.W.; Kan, C.C.; Rogel, B.D.; Dalida, M.L.P. Adsorption of copper (II) and lead (II) ions from aqueous solution on chitosan-coated sand. Carbohydr. Polym. 2010, 80, 891–899. [Google Scholar] [CrossRef]
- Ren, H.; Gao, Z.; Wu, D.; Jiang, J.; Sun, Y.; Luo, C. Efficient Pb(II) removal using sodium alginate-carboxymethyl cellulose gel beads: Preparation, characterization, and adsorption mechanism. Carbohydr. Polym. 2016, 137, 402–409. [Google Scholar] [CrossRef]
- Hidayat, E.; Yoshino, T.; Yonemura, S.; Mitoma, Y.; Harada, H. A Carbonized Zeolite/Chitosan Composite as an Adsorbent for Copper (II) and Chromium (VI) Removal from Water. Materials 2023, 16, 2532. [Google Scholar] [CrossRef]
- Lian, Z.; Li, Y.; Xian, H.; Ouyang, X.k.; Lu, Y.; Peng, X.; Hu, D. EDTA-functionalized magnetic chitosan oligosaccharide and carboxymethyl cellulose nanocomposite: Synthesis, characterization, and Pb(II) adsorption performance. Int. J. Biol. Macromol. 2020, 165, 591–600. [Google Scholar] [CrossRef]
- Karthik, R.; Meenakshi, S. Removal of hexavalent chromium ions from aqueous solution using chitosan/polypyrrole composite. Desalination Water Treat. 2014, 56, 1587–1600. [Google Scholar] [CrossRef]
- Mobasherpour, I.; Salahi, E.; Pazouki, M. Comparative of the removal of Pb2+, Cd2+ and Ni2+ by nano crystallite hydroxyapatite from aqueous solutions: Adsorption isotherm study. Arab. J. Chem. 2012, 5, 439–446. [Google Scholar] [CrossRef]
- Abu-Daabes, M.A.; Abu Zeitoun, E.; Mazi, W. Competitive Adsorption of Quaternary Metal Ions, Ni2+, Mn2+, Cr6+, and Cd2+, on Acid-Treated Activated Carbon. Water 2023, 15, 1070. [Google Scholar] [CrossRef]
- Jiang, C.; Wang, X.; Wang, G.; Hao, C.; Li, X.; Li, T. Adsorption performance of a polysaccharide composite hydrogel based on crosslinked glucan/chitosan for heavy metal ions. Compos. Part B Eng. 2019, 169, 45–54. [Google Scholar] [CrossRef]
- Abin-Bazaine, A.; Trujillo, A.C.; Olmos-Marquez, M.; Abin-Bazaine, A.; Trujillo, A.C.; Olmos-Marquez, M. Adsorption Isotherms: Enlightenment of the Phenomenon of Adsorption. In Wastewater Treatment; IntechOpen: London, UK, 2022; ISBN 978-1-80355-847-9. [Google Scholar]
- Abdel Salam, O.E.; Reiad, N.A.; ElShafei, M.M. A study of the removal characteristics of heavy metals from wastewater by low-cost adsorbents. J. Adv. Res. 2011, 2, 297–303. [Google Scholar] [CrossRef]
- Azizian, S.; Eris, S. Adsorption isotherms and kinetics. Interface Sci. Technol. 2021, 33, 445–509. [Google Scholar] [CrossRef]
- Agbovi, H.K.; Wilson, L.D. Adsorption processes in biopolymer systems: Fundamentals to practical applications. In Natural Polymers-Based Green Adsorbents for Water Treatment; Elsevier: Amsterdam, The Netherlands, 2021; pp. 1–51. [Google Scholar] [CrossRef]
- de Andrade Neto, J.C.; Pereira, G.J.; de Morandim-Giannetti, A.A. Chitosan and corn stover derivative bioadsorbent: Characterization and application in hexavalent chromium adsorption processes. Cellulose 2020, 27, 6317–6331. [Google Scholar] [CrossRef]
- Campos, A.F.C.; de Oliveira, H.A.L.; da Silva, F.N.; da Silva, F.G.; Coppola, P.; Aquino, R.; Mezzi, A.; Depeyrot, J. Core-Shell Bimagnetic Nanoadsorbents for Hexavalent Chromium Removal from Aqueous Solutions. J. Hazard. Mater. 2019, 362, 82–91. [Google Scholar] [CrossRef]
- Sahoo, T.R.; Prelot, B. Adsorption processes for the removal of contaminants from wastewater: The perspective role of nanomaterials and nanotechnology. In Nanomaterials for the Detection and Removal of Wastewater Pollutants; Elsevier: Amsterdam, The Netherlands, 2020; pp. 161–222. [Google Scholar] [CrossRef]
- Zhu, Y.; Hu, J.; Wang, J. Removal of Co2+ from radioactive wastewater by polyvinyl alcohol (PVA)/chitosan magnetic composite. Prog. Nucl. Energy 2014, 71, 172–178. [Google Scholar] [CrossRef]
- Wang, L.Y.; Wang, M.J. Removal of Heavy Metal Ions by Poly(vinyl alcohol) and Carboxymethyl Cellulose Composite Hydrogels Prepared by a Freeze-Thaw Method. ACS Sustain. Chem. Eng. 2016, 4, 2830–2837. [Google Scholar] [CrossRef]
- Baiya, C.; Nannuan, L.; Tassanapukdee, Y.; Chailapakul, O.; Songsrirote, K. The Synthesis of Carboxymethyl Cellulose-Based Hydrogel from Sugarcane Bagasse Using Microwave-Assisted Irradiation for Selective Adsorption of Copper(II) Ions. Environ. Prog. Sustain. Energy 2019, 38, S157–S165. [Google Scholar] [CrossRef]
- Luo, X.; Zeng, J.; Liu, S.; Zhang, L. An effective and recyclable adsorbent for the removal of heavy metal ions from aqueous system: Magnetic chitosan/cellulose microspheres. Bioresour. Technol. 2015, 194, 403–406. [Google Scholar] [CrossRef] [PubMed]
- Li, Q.; Xu, B.; Zhuang, L.; Xu, X.; Wang, G.; Zhang, X.; Chen, J.; Tang, Y. Preparation, characterization, adsorption kinetics and thermodynamics of chitosan adsorbent grafted with a hyperbranched polymer designed for Cr(VI) removal. Cellulose 2018, 25, 3471–3486. [Google Scholar] [CrossRef]
- Bayuo, J.; Abukari, M.A.; Pelig-Ba, K.B. Desorption of chromium (VI) and lead (II) ions and regeneration of the exhausted adsorbent. Appl. Water Sci. 2020, 10, 171. [Google Scholar] [CrossRef]
- Benhalima, T.; Ferfera-Harrar, H.; Lerari, D. Optimization of carboxymethyl cellulose hydrogels beads generated by an anionic surfactant micelle templating for cationic dye uptake: Swelling, sorption and reusability studies. Int. J. Biol. Macromol. 2017, 105, 1025–1042. [Google Scholar] [CrossRef]














| Hydrogel Samples | (CMC:Chitosan) Ratio | Bead’s Shape upon Drying | Swelling Percentage (%) |
|---|---|---|---|
| R1 | (1:3) | Able to retain round shape | 510% |
| R2 | (2:2) | Able to retain round shape | 840% |
| R3 | (3:1) | Round shape and sometimes flat | 2400% |
| Adsorption Isotherm | Equation | Parameters | Cr (VI) | Pb (II) |
|---|---|---|---|---|
| Langmuir | R2 | 3.926188 0.30628 0.03162 0.9940 | 21.69197 0.03970 0.20122 0.9866 | |
| Freundlich | R2 | 1.2355 0.3368 0.8268 | 1.364 0.5784 0.9681 |
| Adsorption Kinetic Models | Parameters | Cr (VI) | Pb (II) |
|---|---|---|---|
| Pseudo-first order | R2 | 2.57 0.00115 0.9623 | 7.77 0.00138 0.9549 |
| Pseudo-second order | R2 | 3.85 0.00117 0.994 | 18.94 0.00068 0.9993 |
| Adsorbent Types | Heavy Metals | Adsorption Capacity | Desorption % | References |
|---|---|---|---|---|
| PVA/ chitosan magnetic composite | Co (II) | 14.39 mg/g | 97.5 | [66] |
| Chitosan/CMC bio-based composite | Cr (IV) Cu (II) Pb (II) Ni (II) Zn (II) | 0.537 mg/g 2.104 mg/g 16.35 mg/g 0.421 mg/g 1.198 mg/g | - | [29] |
| PVA/CMC | Ag Ni (II) Cu (II) Zn (II) | 8.40 mg/g 6.00 mg/g 5.50 mg/g 5.30 mg/g | - | [67] |
| CMC–ECH hydrogel beads | Cu (II) Ni (II) Pb (II) | 6.49 mmol/g 4.06 mmol/g 5.15 mmol/g | - | [36] |
| Carboxymethyl cellulose hydrogel | Cu (II) | 2.30 mg/g | 89.0 | [68] |
| Magnetic chitosan/cellulose microsphere | Cu (II) Pb (II) Cd (II) | 88.2 mg/g 45.8 mg/g 61.1 mg/g | 92.0 85.0 89.0 | [69] |
| Eluent Solvents | Heavy Metals | |
|---|---|---|
| Desorption % Cr (VI) | Desorption % Pb (II) | |
| 0.3 M HCl | 0.0 | - |
| 0.3 M NaOH | 70.43 | 13.08 |
| 0.2 M H2SO4 | 12.17 | 19.23 |
| EDTA | - | 83.85 |
| Hydrogel Samples | CMC:Chitosan Ratio |
|---|---|
| R1 | 1:3 |
| R2 | 2:2 |
| R3 | 3:1 |
Disclaimer/Publisher’s Note: The statements, opinions and data contained in all publications are solely those of the individual author(s) and contributor(s) and not of MDPI and/or the editor(s). MDPI and/or the editor(s) disclaim responsibility for any injury to people or property resulting from any ideas, methods, instructions or products referred to in the content. |
© 2023 by the authors. Licensee MDPI, Basel, Switzerland. This article is an open access article distributed under the terms and conditions of the Creative Commons Attribution (CC BY) license (https://creativecommons.org/licenses/by/4.0/).
Share and Cite
Mohamad Sarbani, N.M.; Hidayat, E.; Naito, K.; Mitoma, Y.; Harada, H. Cr (VI) and Pb (II) Removal Using Crosslinking Magnetite-Carboxymethyl Cellulose-Chitosan Hydrogel Beads. Gels 2023, 9, 612. https://doi.org/10.3390/gels9080612
Mohamad Sarbani NM, Hidayat E, Naito K, Mitoma Y, Harada H. Cr (VI) and Pb (II) Removal Using Crosslinking Magnetite-Carboxymethyl Cellulose-Chitosan Hydrogel Beads. Gels. 2023; 9(8):612. https://doi.org/10.3390/gels9080612
Chicago/Turabian StyleMohamad Sarbani, Nur Maisarah, Endar Hidayat, Kanako Naito, Yoshiharu Mitoma, and Hiroyuki Harada. 2023. "Cr (VI) and Pb (II) Removal Using Crosslinking Magnetite-Carboxymethyl Cellulose-Chitosan Hydrogel Beads" Gels 9, no. 8: 612. https://doi.org/10.3390/gels9080612
APA StyleMohamad Sarbani, N. M., Hidayat, E., Naito, K., Mitoma, Y., & Harada, H. (2023). Cr (VI) and Pb (II) Removal Using Crosslinking Magnetite-Carboxymethyl Cellulose-Chitosan Hydrogel Beads. Gels, 9(8), 612. https://doi.org/10.3390/gels9080612

