Optimum Conditions and Maximum Capacity of Amine-Based CO2 Capture Plant at Technology Centre Mongstad
Abstract
1. Introduction
2. Background
2.1. CO2 Emission and Climate Change
2.2. Amine Solution Technology
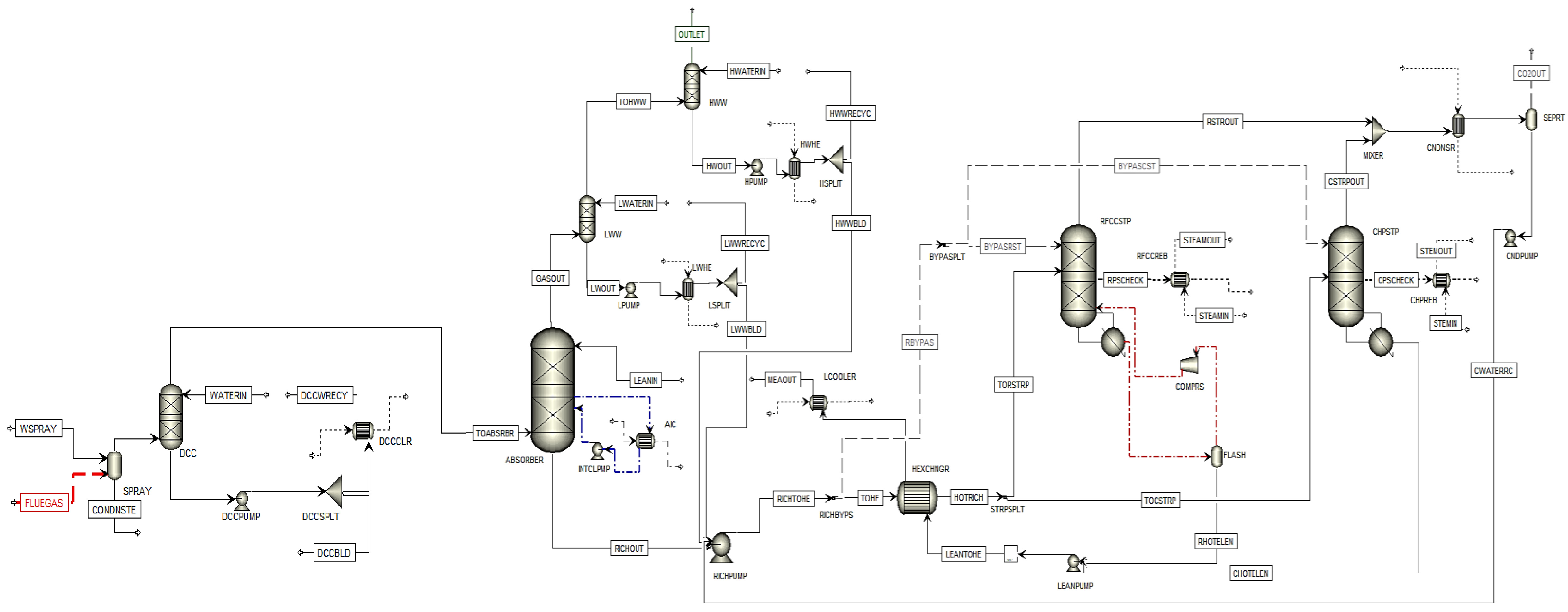
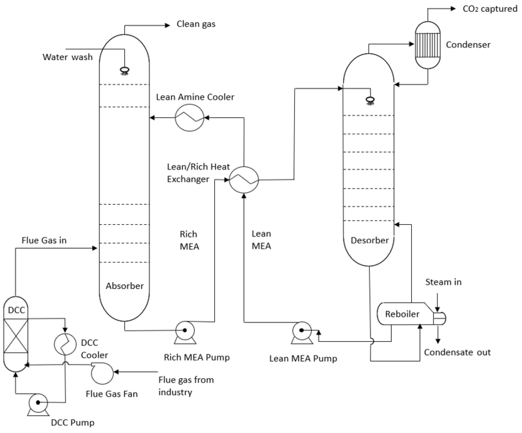
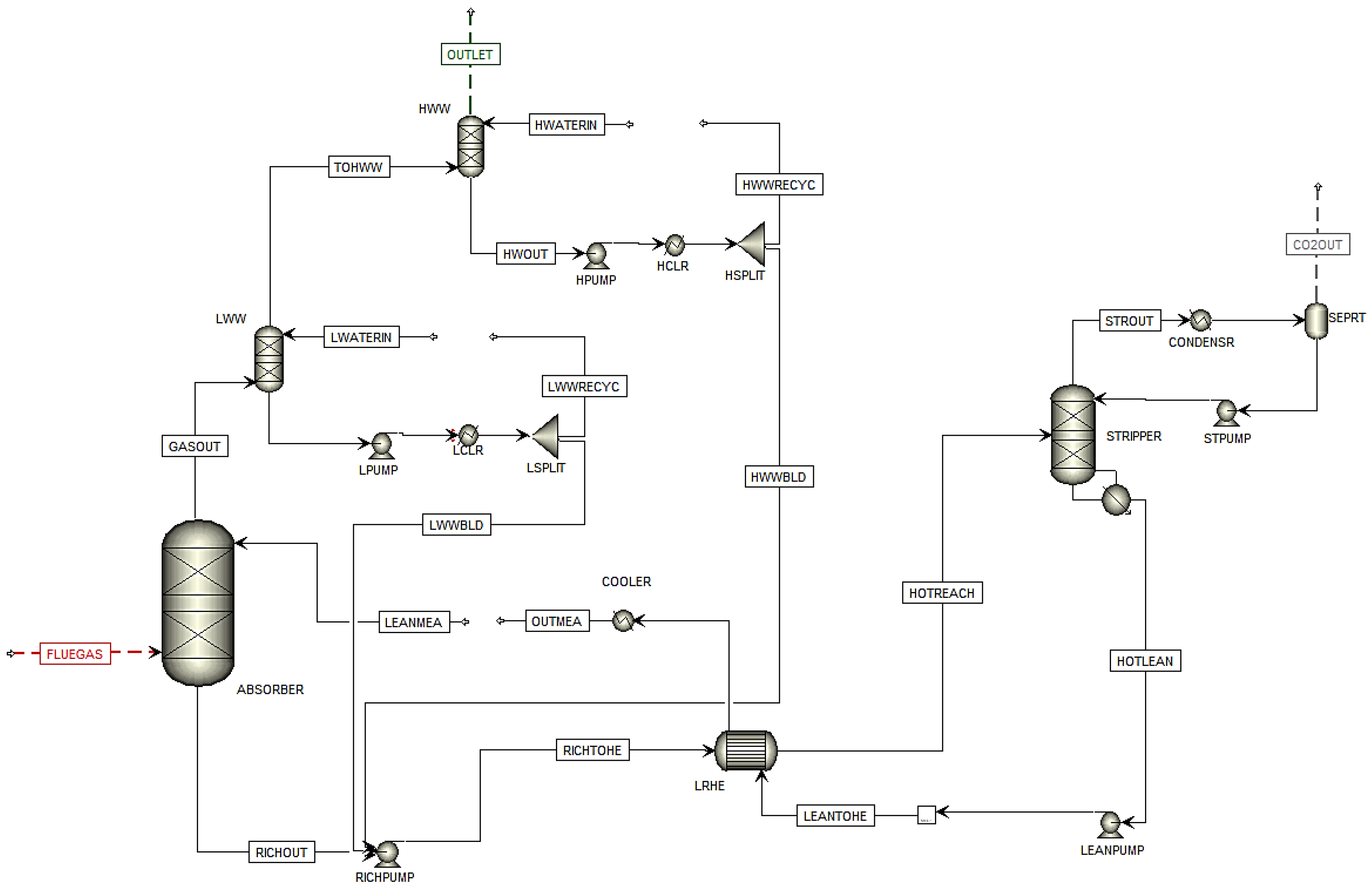
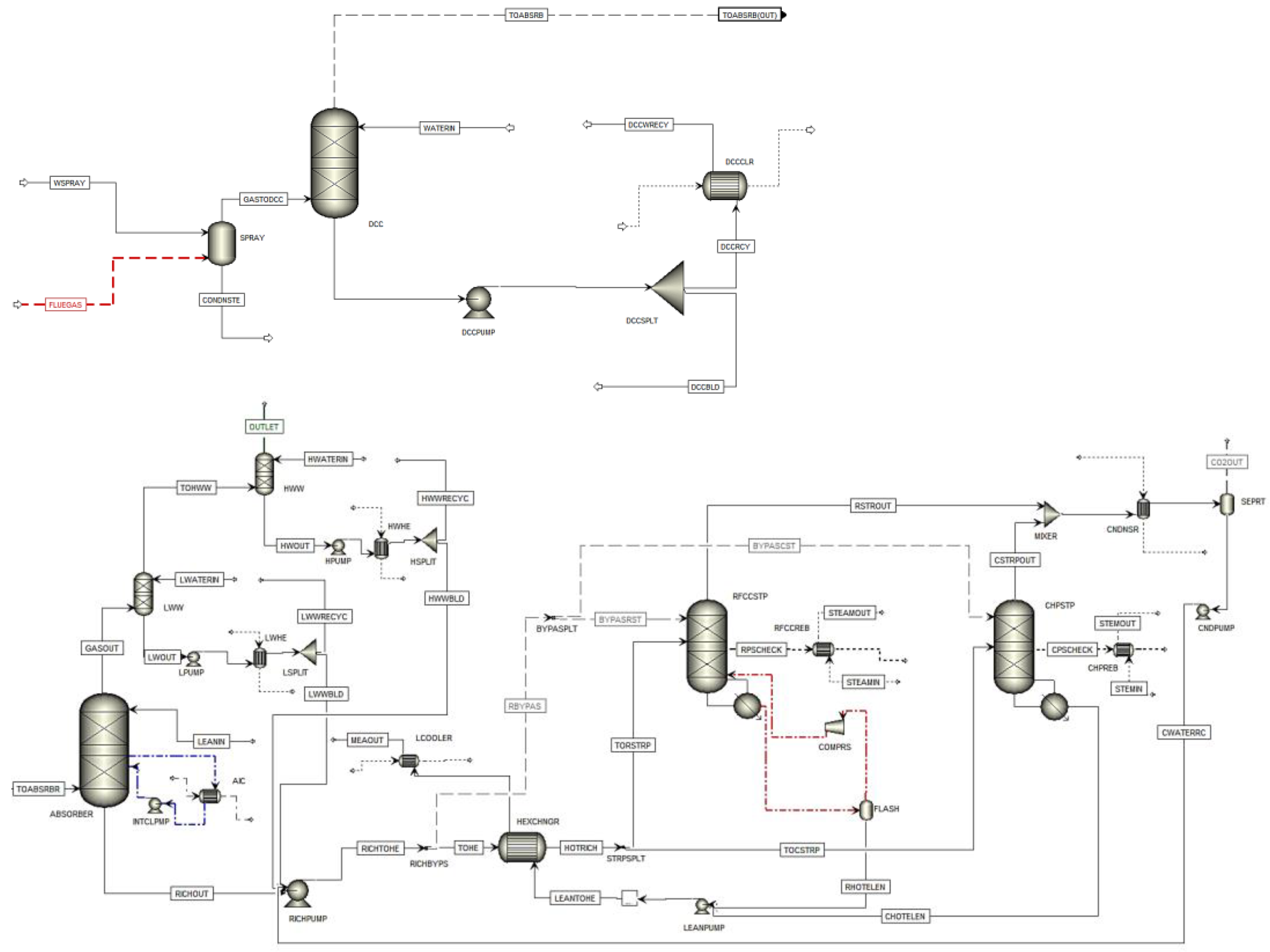
2.3. Process Description at TCM
2.4. Literature Review of Simulation of CO2 Capture Based on Performance Data
2.5. Problem Description
3. Methods
3.1. Simulation Methodology
3.1.1. Simulation Tools
3.1.2. Calculating CO2 Removal Efficiency
3.1.3. Specific Reboiler Duty (SRD)
3.1.4. Gas Flow Rate Unit Conversions
3.2. Simulation Specification
3.3. Equipment Specification
3.3.1. Direct-Contact Cooler (DCC) and Spray Tower
3.3.2. Absorber
3.3.3. Water Wash Systems
3.3.4. Stripper Columns
3.3.5. Condenser
3.3.6. Lean/Rich Heat Exchanger
4. Model Validation with Previous Test Campaigns
4.1. CHP Flue Gas Simulation
4.1.1. Scenario H14, Hamborg (2014)
4.1.2. Scenario F17, Faramarzi (2017)
4.1.3. CHP Flue Gas Model Validation Results
4.2. RFCC Flue Gas Simulation
4.2.1. Scenario S21, Hume (2021)
4.2.2. Scenario S6C, S6A, and S4, Ismail Shah (2019)
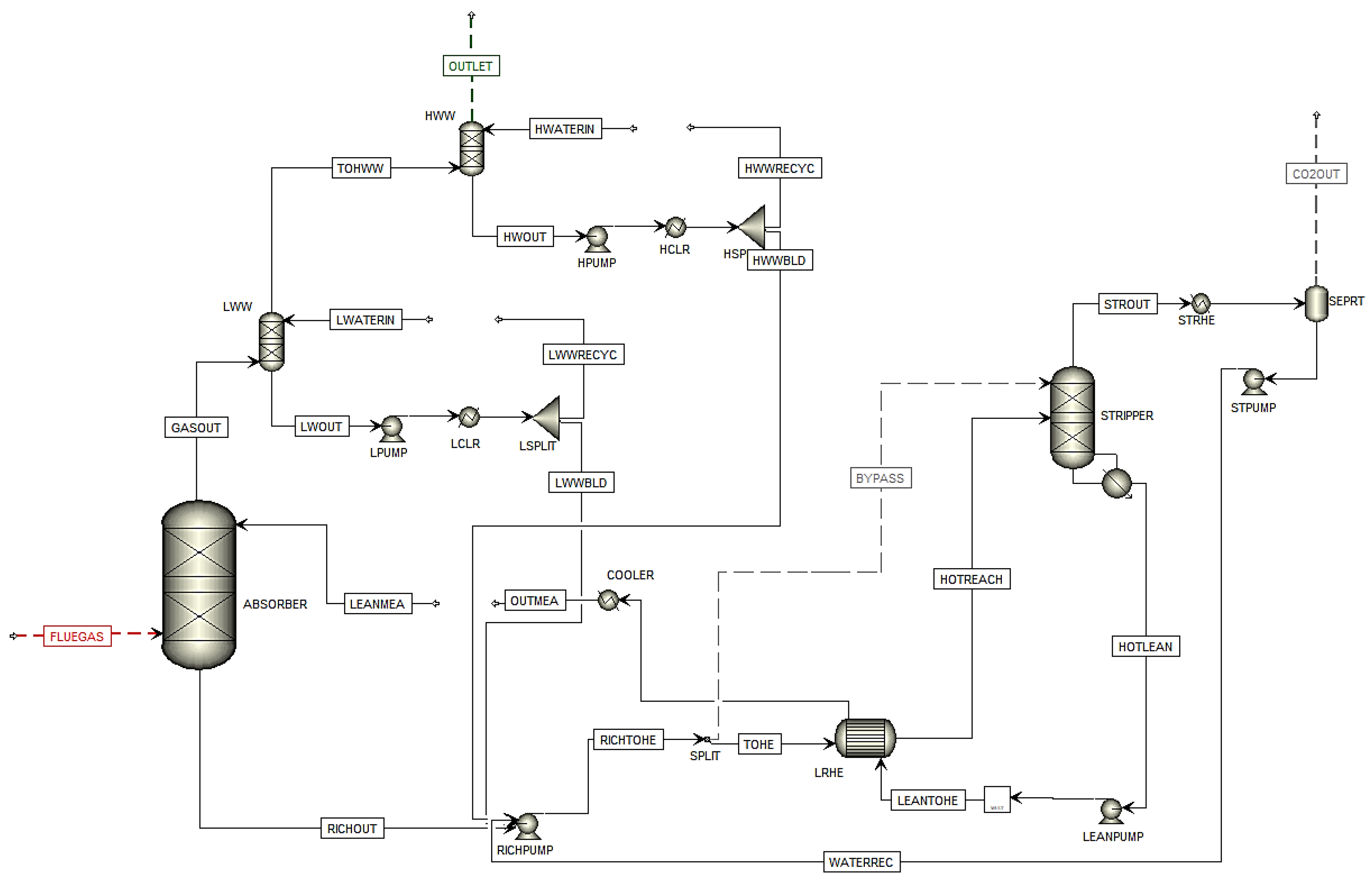
4.3. Rich Bypass Configuration Simulation
RFCC Flue Gas Model Validation Results
5. TCM Plant Simulation and Optimization
5.1. Designing the Real Heat Exchangers with Aspen EDR
5.2. Simulation Modifications
5.2.1. Process Flowsheet of the TCM Plant
5.2.2. Scenario MHP
5.2.3. Parameters to Be Fixed
5.2.4. Cold Rich-Solvent Bypass
5.2.5. Temperature Adjustment of the Outlet Gas
5.2.6. Other Considerations
- It is necessary to avoid flooding in the absorber and DCC column. As a result, in each simulation, the absorber hydraulic plot is monitored, so the flooding percentage (the approach to flooding) is not more than 70%. This amount is set by TCM as the warning limit for flooding;
- The outlet MEA of the lean cooler has the same temperature as the inlet MEA to the absorber. However, there is a pressure difference and a small difference in the flow rate of these two streams. This matter is not solved accurately in the simulations here, since it causes convergence problems, but at the TCM plant, it can be solved by using elevations before sending the lean amine from the lean cooler to the absorber;
- In addition to the rich-solvent bypass, a stripper separator is also implemented in the plant to be able to decide how much of the solvent should be directed to the CHP or RFCC stripper. There is the same amount of splitting percentage for the bypass flow to the strippers and the rich amine flow to the strippers, but it is not the same as the rich-solvent bypass fraction.
5.3. The Limitations of the TCM Plant
5.3.1. Absorber Column Flooding Approach
5.3.2. Reboiler Duty
5.3.3. Real Capacity of the Reboilers
5.3.4. The Capacity of the Heat Exchangers
5.3.5. Lean Amine Flow Rate
5.4. Plant Optimization for Maximum Gas Flow Rate
5.4.1. Cold Rich-Solvent Bypass Fraction Optimization
5.4.2. Using Both CHP and RFCC Stripper
5.5. Plant Optimization for Maximum CO2 Removal Efficiency
5.5.1. Maximum Achievable CO2 Removal Efficiency
5.5.2. Cold Rich-Solvent Bypass Optimization Using Maximum Capacity
6. Discussion
6.1. Model Accuracy
6.2. Cold Rich-Solvent Bypass Optimization for Minimum Energy Consumption
6.3. Energy Optimization
6.4. Future Work
- The same procedure for this study can be performed on RFCC flue gas or other future scenarios provided by TCM. Finding the plant capacity and maximum achievable CO2 removal efficiency can also be performed using other operating scenarios;
- The simulation can be extended by using the maximum heat exchanger area in the plant. There are physical possibilities at TCM to use multiple or larger heat exchangers in each piece of equipment of the plant, and the operating capacities can vary in a new heat exchanger configuration;
- The stripper pressure in this study was considered as a constant amount between 1.85 and 1.95 bar. Using a high-pressure stripper is another possibility at the TCM plant. A thorough study of different stripper pressures and their effect on lean loading can be performed for future work. Moreover, operating under higher pressure and possible effects on the overall cost should be considered;
- In general, it is recommended to continue working with parallel modeling to optimize the operating conditions and run performance tests at TCM.
7. Conclusions
Author Contributions
Funding
Data Availability Statement
Conflicts of Interest
Appendix A

References
- Technology Centre Mongstad|Test Centre for CO2 Capture. Available online: https://tcmda.com/about-tcm/ (accessed on 3 May 2023).
- Li, B.; Duan, Y.; Luebke, D.; Morreale, B. Advances in CO2 capture technology: A patent review. Appl. Energy 2013, 102, 1439–1447. [Google Scholar] [CrossRef]
- Øi, L.E.; Eldrup, N.; Aromada, S.; Haukås, A.; Hæstad, J.H.; Lande, A.M. Process Simulation, Cost Estimation and Optimization of CO2 Capture using Aspen HYSYS. In Proceedings of the SIMS Conference on Simulation and Modelling SIMS 2020, Virtual Conference, 22–24 September 2020; pp. 326–331. [Google Scholar] [CrossRef]
- Aromada, S.A.; Øi, L.E. Energy and Economic Analysis of Improved Absorption Configurations for CO2 Capture. Energy Procedia 2017, 114, 1342–1351. [Google Scholar] [CrossRef]
- Arshad, N.; Alhajaj, A. Process synthesis for amine-based CO2 capture from combined cycle gas turbine power plant. Energy 2023, 274, 127391. [Google Scholar] [CrossRef]
- Shah, M.I.; Silva, E.; Gjernes, E.; Åsen, K.I. Cost Reduction Study for MEA based CCGT Post-Combustion CO2 Capture at Technology Center Mongstad. In Proceedings of the 15th Greenhouse Gas Control Technologies Conference, Abu Dhabi, United Arab Emirates, 15–18 March 2021. [Google Scholar] [CrossRef]
- Luo, X.; Knudsen, J.; de Montigny, D.; Sanpasertparnich, T.; Idem, R.; Gelowitz, D.; Notz, R.; Hoch, S.; Hasse, H.; Lemaire, E.; et al. Comparison and validation of simulation codes against sixteen sets of data from four different pilot plants. Energy Procedia 2009, 1, 1249–1256. [Google Scholar] [CrossRef]
- Zhang, Y.; Chen, H.; Chen, C.-C.; Plaza, J.M.; Dugas, R.; Rochelle, G.T. Rate-Based Process Modeling Study of CO2 Capture with Aqueous Monoethanolamine Solution. Ind. Eng. Chem. Res. 2009, 48, 9233–9246. [Google Scholar] [CrossRef]
- Experimental Validation of a Rigorous Absorber Model for CO2 Postcombustion Capture. SINTEF. Available online: https://www.sintef.no/en/publications/publication/371103/ (accessed on 6 February 2023).
- Zhang, Y.; Chen, C.-C. Modeling CO2 Absorption and Desorption by Aqueous Monoethanolamine Solution with Aspen Rate-based Model. Energy Procedia 2013, 37, 1584–1596. [Google Scholar] [CrossRef]
- Erikøi, L. Comparison of Aspen HYSYS and Aspen Plus simulation of CO2 Absorption into MEA from Atmospheric Gas. Energy Procedia 2012, 23, 360–369. [Google Scholar] [CrossRef]
- Cousins, A.; Wardhaugh, L.T.; Feron, P.H. Preliminary analysis of process flow sheet modifications for energy efficient CO2 capture from flue gases using chemical absorption. Chem. Eng. Res. Des. 2011, 89, 1237–1251. [Google Scholar] [CrossRef]
- Kvam, S.H.P. Vapor Recompression in Absorption and Desorption Process for CO2 Capture. Master’s Thesis, Høgskolen i Telemark, Porsgrunn, Norway, 2013. Available online: https://openarchive.usn.no/usn-xmlui/handle/11250/2439010 (accessed on 6 February 2023).
- Aromada, S.A.; Øi, L. Simulation of improved absorption configurations for CO2 capture. In Proceedings of the 56th Conference on Simulation and Modelling, Linköping, Sweden, 7–9 October 2015. [Google Scholar] [CrossRef]
- Rehan, M.; Rahmanian, N.; Hyatt, X.; Peletiri, S.P.; Nizami, A.-S. Energy Savings in CO2 Capture System through Intercooling Mechanism. Energy Procedia 2017, 142, 3683. [Google Scholar] [CrossRef]
- Thimsen, D.; Maxson, A.; Smith, V.; Cents, T.; Falk-Pedersen, O.; Gorset, O.; Hamborg, E.S. Results from MEA testing at the CO2 Technology Centre Mongstad. Part I: Post-Combustion CO2 capture testing methodology. Energy Procedia 2014, 63, 5938–5958. [Google Scholar] [CrossRef]
- Chhaganlal, M.; Fostås, B.; Hamborg, E. Results from MEA testing at the CO2 Technology Centre Mongstad. Part II: Verification of baseline results. Energy Procedia 2014, 63, 5994–6011. [Google Scholar]
- Gjernes, E.; Pedersen, S.; Cents, T.; Watson, G.; Fostås, B.F.; Shah, M.I.; Lombardo, G.; Desvignes, C.; Flø, N.E.; Morken, A.K.; et al. Results from 30 wt% MEA Performance Testing at the CO2 Technology Centre Mongstad. Energy Procedia 2017, 114, 1146–1157. [Google Scholar] [CrossRef]
- Faramarzi, L.; Thimsen, D.; Hume, S.; Maxon, A.; Watson, G.; Pedersen, S.; Gjernes, E.; Fostås, B.F.; Lombardo, G.; Cents, T.; et al. Results from MEA Testing at the CO2 Technology Centre Mongstad: Verification of Baseline Results in 2015. Energy Procedia 2017, 114, 1128–1145. [Google Scholar] [CrossRef]
- Shah, M.I.; Lombardo, G.; Fostås, B.; Benquet, C.; Kolstad Morken, A.; de Cazenove, T. CO2 Capture from RFCC Flue Gas with 30w% MEA at Technology Centre Mongstad, Process Optimization and Performance Comparison. In Proceedings of the 14th Greenhouse Gas Control Technologies Conference Melbourne, Melbourne, Australia, 21–25 October 2018. [Google Scholar] [CrossRef]
- Meuleman, E.; Awtry, A.; Silverman, T.; Heldal, S.; Staab, G.; Kupfer, R.; Panaccione, C.; Brown, R.; Atcheson, J.; Brown, A.E. ION 6-Month Campaign at TCM with its Low-Aqueous Capture Solvent Removing CO2 from Natural Gas Fired and Residue Fluid Catalytic Cracker Flue Gases. In Proceedings of the 14th Greenhouse Gas Control Technologies Conference Melbourne, Melbourne, Australia, 21–25 October 2018. [Google Scholar] [CrossRef]
- Fosbøl, P.L.; Neerup, R.; Almeida, S.; Rezazadeh, A.; Gaspar, J.; Knarvik, A.B.N.; Flø, N.E. Results of the fourth Technology Centre Mongstad campaign: LVC testing. Int. J. Greenh. Gas Control. 2019, 89, 52–64. [Google Scholar] [CrossRef]
- Hume, S.; Shah, M.I.; Lombardo, G.; de Cazenove, T.; Feste, J.K.; Maxson, A.; Benquet, C. Results from MEA Testing at the CO2 Technology Centre Mongstad. Verification of Residual Fluid Catalytic Cracker (RFCC) Baseline Results. In Proceedings of the 15th Greenhouse Gas Control Technologies Conference, Abu Dhabi, United Arab Emirates, 15–18 March 2021. [Google Scholar] [CrossRef]
- Larsen, I.S. Simulation and Validation of CO2 Mass Transfer Processes in Aqueous MES Solution with Aspen Plus at CO2 Technology Centre Mongstad. Master’s Thesis, Faculty of Technology, Telemark University College, Porsgrunn, Norway, 2014. [Google Scholar]
- Desvignes, C. Simulation of Post-Combustion CO2 Capture Process with Amines at CO2 Technology Centre Mongstad. Master’s Thesis, CPE Lyon, Villeurbanne, France, 2015. [Google Scholar]
- Zhu, Y. Simulation of CO2 Capture at Mongstad Using Aspen HYSYS. Master’s Thesis, Faculty of Technology, Telemark University College, Porsgrunn, Norway, 2015. [Google Scholar]
- Sætre, K.A. Evaluation of Process Simulation Tools at TCM. Master’s Thesis, Faculty of Technology, University College of Southeastern Norway, Porsgrunn, Norway, 2016. [Google Scholar]
- Øi, L.E.; Sætre, K.A.; Hamborg, E.S. Comparison of simulation tools to fit and predict performance data of CO2 absorption into monoethanol amine at CO2 Technology Centre Mongstad (TCM). In Proceedings of the 59th Conference on Imulation and Modelling (SIMS 59), Oslo Metropolitan, Norway, 26–28 September 2018; pp. 230–235. [Google Scholar] [CrossRef]
- Fagerheim, S. Process Simulation of CO2 Absorption at TCM Mongstad. Master’s Thesis, University of South-Eastern Norway, Notodden, Norway, 2019. Available online: https://openarchive.usn.no/usn-xmlui/handle/11250/2644680 (accessed on 30 January 2023).
- Sæter, N. Process Simulation of CO2 Absorption Data Fitted to Performance Efficiency at TCM Mongstad. Master’s Thesis, Faculty of Technology, Natural Sciences, and Maritime Science, University of South-Eastern Norway, Porsgrunn, Norway, 2021. [Google Scholar]
- Montañés, R.M. Transient Performance of Combined Cycle Power Plant with Absorption Based Post-Combustion CO2 Capture: Dynamic Simulations and Pilot Plant Testing. Doctoral Thesis, NTNU, Trondheim, Norway, 2018. Available online: https://ntnuopen.ntnu.no/ntnu-xmlui/handle/11250/2506461 (accessed on 4 July 2024).
- Bui, M.; Flø, N.E.; de Cazenove, T.; Mac Dowell, N. Demonstrating flexible operation of the Technology Centre Mongstad (TCM) CO2 capture plant. Int. J. Greenh. Gas Control. 2020, 93, 102879. [Google Scholar] [CrossRef]
- Putta, K.R.; Saldana, D.; Campbell, M.; Shah, M.I. Development of CO2 Capture Process Cost Baseline for 555 MWe NGCC Power Plant Using Standard MEA Solution. In Proceedings of the 16th Greenhouse Gas Control Technologies Conference, Lyon, France, 23–27 October 2022. [Google Scholar] [CrossRef]
- Bravo, J.; Rocha, J.A.; Fair, J. Mass Transfer in Gauze Packings. Hydrocarbon Processing. 1985. Available online: https://www.semanticscholar.org/paper/Mass-transfer-in-gauze-packings-Bravo-Rocha/fbef768ce559366f045d9122cf39946f738b1186 (accessed on 4 July 2024).
- Bravo, J.; Rocha, J.A.; Fair, J. A comprehensive Model in the Performance of Columns Containing Structured packings, Distillation and Absorption. In Institution of Chemical Engineers Symposium Series; Hemsphere Publishing Corporation: London, UK, 1992; Volume 128. [Google Scholar]









| Specification—Absorber (Entity/ Parameter Value) | |
|---|---|
| Reaction ID | MEA-STP |
| Pressure at stage one [bar] | 1.01 |
| Column pressure drop [bar] | 0.02 |
| Packing type | Flexipac, KOCH, Metal, 2× |
| Number of sections | 3 |
| Section 1 | Packing height: 6 m Number of stages: 12 |
| Section 2 | Packing height: 6 m Number of stages: 12 |
| Section 3 | Packing height: 12 m Number of stages: 24 |
| Total number of stages | 48 |
| Total packing Height [m] | 24 |
| Diameter [m] | 3 |
| Holdup | 0.0001 for all stages |
| Holdup method | Bravo et al., (1992) [35] |
| Flow model | VPlug |
| Interfacial area factor | 1 |
| Interfacial area method | Bravo et al., (1985) [34] |
| Film liquid phase | Discretize film |
| Film vapor phase | Consider film |
| Mass transfer coefficient method | Bravo et al., (1985) [34] |
| Heat transfer coefficient method | Chilton and Colburn |
| Parameter | Experimental Data | Simulation Results | Unit |
|---|---|---|---|
| Lean amine loading | 0.23 | 0.23 | mol CO2/mol MEA |
| Rich amine loading | 0.48 | 0.49 | mol CO2/mol MEA |
| Reboiler duty | 10.98 on average | 11.5 | GJ/h |
| Stripper overhead temperature | 99.8 | 98.2 | °C |
| Produced CO2 flow rate | 2670 | 2897 | kg/h |
| Stripper Bottom temperature | 122.3 | 122.1 | °C |
| SRD | 4.1 on average | 3.77 | MJ/kgCO2 |
| CO2 removal efficiency | 90 | 91 | % |
| Parameter | Experimental Data | Simulation Results | Unit |
|---|---|---|---|
| Lean amine loading | 0.2 | 0.2 | mol CO2/mol MEA |
| Rich amine loading | 0.48 | 0.49 | mol CO2/mol MEA |
| Reboiler duty | 12 on average | 13 | GJ/h |
| Stripper overhead temperature | 96.1 | 99.4 | °C |
| Produced CO2 flow rate | 3325 | 3456 | kg/h |
| Stripper Bottom temperature | 121.3 | 121.2 | °C |
| SRD | 3.62 | 3.75 | MJ/kgCO2 |
| CO2 removal efficiency | 83.4 | 85.9 | % |
| Parameter | Experimental Data | Simulation Results | Unit |
|---|---|---|---|
| Lean amine loading | 0.23 | 0.23 | mol CO2/mol MEA |
| Rich amine loading | 0.48 | 0.5 | mol CO2/mol MEA |
| Reboiler duty | 28.3 on average | 28 | GJ/h |
| Produced CO2 flow rate | 8000 | 7443 | kg/h |
| Stripper Bottom temperature | 121 | 120.9 | °C |
| SRD | 3.55 | 3.75 | MJ/kgCO2 |
| CO2 removal efficiency | 91 | 88.62 | % |
| Parameter | Value | Unit |
|---|---|---|
| Maximum inlet flue gas flow rate to absorber | 52,157 2206 | Sm3/h kmol/h |
| Maximum flooding approach in all stages | 69.99 | % |
| Lean amine loading | 0.2 | mol CO2/mol MEA |
| Rich amine loading | 0.499 | mol CO2/mol MEA |
| Lean amine flow rate | 178,500 | kg/h |
| CO2 removal efficiency | 90 | % |
| Parameter | Value | Unit |
|---|---|---|
| Rich-solvent bypass fraction | 15 | % |
| RFCC stripper flow fraction | 91.35 | % |
| CHP stripper flow fraction | 8.65 | % |
| Outlet lean loading from RFCC stripper | 0.2 | mol CO2/mol MEA |
| Outlet lean loading from CHP stripper | 0.2 | mol CO2/mol MEA |
| Outlet lean loading from lean cooler | 0.2 | mol CO2/mol MEA |
| RFCC stripper reboiler duty | 8.16 | MW |
| CHP stripper reboiler duty | 1.1 | MW |
| Total reboiler duty | 9.16 | MW |
| Total SRD | 3.0 | MJ/kg CO2 |
| Rich amine loading | 0.498 | mol CO2/mol MEA |
| Parameter | Value | Unit |
|---|---|---|
| Inlet amine flow rate | 230 | ton/h |
| Rich-solvent bypass fraction | 15 | % |
| RFCC stripper flow fraction | 84.9 | % |
| CHP stripper flow fraction | 15.1 | % |
| Outlet lean loading from RFCC stripper | 0.2 | mol CO2/mol MEA |
| Outlet lean loading from CHP stripper | 0.201 | mol CO2/mol MEA |
| Outlet lean loading from lean cooler | 0.2 | mol CO2/mol MEA |
| Produced CO2 flow rate | 10,485 | kg/h |
| RFCC stripper reboiler duty | 8.4 | MW |
| CHP stripper reboiler duty | 2.22 | MW |
| Total reboiler duty | 10.62 | MW |
| Total SRD | 3.645 | MJ/kg CO2 |
| Rich amine loading | 0.417 | mol CO2/mol MEA |
| CO2 removal efficiency | 98 | % |
Disclaimer/Publisher’s Note: The statements, opinions and data contained in all publications are solely those of the individual author(s) and contributor(s) and not of MDPI and/or the editor(s). MDPI and/or the editor(s) disclaim responsibility for any injury to people or property resulting from any ideas, methods, instructions or products referred to in the content. |
© 2024 by the authors. Licensee MDPI, Basel, Switzerland. This article is an open access article distributed under the terms and conditions of the Creative Commons Attribution (CC BY) license (https://creativecommons.org/licenses/by/4.0/).
Share and Cite
Haji Kermani, S.; Putta, K.R.; Øi, L.E. Optimum Conditions and Maximum Capacity of Amine-Based CO2 Capture Plant at Technology Centre Mongstad. ChemEngineering 2024, 8, 114. https://doi.org/10.3390/chemengineering8060114
Haji Kermani S, Putta KR, Øi LE. Optimum Conditions and Maximum Capacity of Amine-Based CO2 Capture Plant at Technology Centre Mongstad. ChemEngineering. 2024; 8(6):114. https://doi.org/10.3390/chemengineering8060114
Chicago/Turabian StyleHaji Kermani, Shahin, Koteswara Rao Putta, and Lars Erik Øi. 2024. "Optimum Conditions and Maximum Capacity of Amine-Based CO2 Capture Plant at Technology Centre Mongstad" ChemEngineering 8, no. 6: 114. https://doi.org/10.3390/chemengineering8060114
APA StyleHaji Kermani, S., Putta, K. R., & Øi, L. E. (2024). Optimum Conditions and Maximum Capacity of Amine-Based CO2 Capture Plant at Technology Centre Mongstad. ChemEngineering, 8(6), 114. https://doi.org/10.3390/chemengineering8060114
