Nano-Iron Oxide Coating for Enhanced Heat Transfer in Gas–Solid Fluidized Bed Systems
Abstract
1. Introduction
2. Experimental Work
2.1. Materials
2.2. Experimental Methodology: Application of Iron Oxide Coating onto Glass Beads
2.2.1. Preparation of Glass Beads
2.2.2. Synthesis of Iron Oxide Precursor Solution
2.2.3. Iron Oxide Precipitation
2.2.4. Glass Bead Coating
2.2.5. Drying of Coated Beads
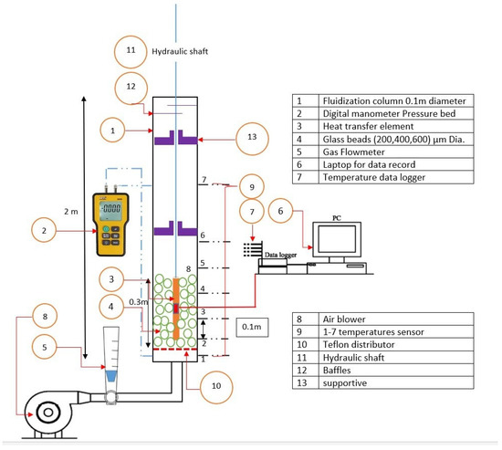
2.3. Description of the Experimental Setup
3. Results and Discussion
3.1. Nano Coating Characterization
3.1.1. Bet Surface Area Analysis
3.1.2. Scanning Electron Microscopy (SEM) Analysis
3.1.3. X-ray Diffraction (XRD)
3.2. The Influence of Coating on the Heat Transfer Characteristics of Glass Beads
3.3. Influence of Air Superficial Velocity and Heating Power on Heat Transfer Coefficient before and after Coating
3.4. The Formulation of a Heat Transfer Correlation for Fluidized Beds
4. Conclusions
- Iron oxide coatings led to a notable augmentation in the surface area of glass beads, as demonstrated by examining BET surface area. There was an observed increase in surface area from 1.3801 m2/g to 3.0511 m2/g following the coating process.
- Scanning electron microscopy facilitated the observation of iron oxide crystalline structures on the surfaces of the coated glass beads. These iron oxide crystals exhibited an average diameter of 27 nm.
- The presence of alpha Fe2O3 on the surfaces of the glass beads after coating was verified through the analysis of X-ray diffraction patterns.
- Applying a coating to the glass beads resulted in discernible enhancements in heat transfer coefficients. As an example, when the velocity was 0.27 m/s, and the heating flux was 125 W, the heat transfer coefficient for 600 µm glass beads rose from 336.4 W/m2·K to 390.3 W/m2·K.
- The heat transfer coefficients of the coated glass beads showed more pronounced improvements at elevated velocities and heating fluxes, suggesting efficacy in the coating, particularly in challenging industrial environments.
Author Contributions
Funding
Data Availability Statement
Acknowledgments
Conflicts of Interest
References
- Yang, X.; Wang, S.; He, Y. Review of catalytic reforming for hydrogen production in a membrane-assisted fluidized bed reactor. Renew. Sustain. Energy Rev. 2022, 154, 111832. [Google Scholar] [CrossRef]
- Gai, H.; Yang, P.; Zhang, Q.; Lin, M.; Song, H.; Xiao, M.; Huang, T.; Zhu, Q. Dual-dense gas-solid circulating fluidized bed reactor. Fuel 2023, 337, 126872. [Google Scholar] [CrossRef]
- Du, S.; Wang, J.; Yu, Y.; Zhou, Q. Coarse-grained CFD-DEM simulation of coal and biomass co-gasification process in a fluidized bed reactor: Effects of particle size distribution and operating pressure. Renew. Energy 2023, 202, 483–498. [Google Scholar] [CrossRef]
- Seckler, M.M. Crystallization in Fluidized Bed Reactors: From Fundamental Knowledge to Full-Scale Applications. Crystals 2022, 12, 1541. [Google Scholar] [CrossRef]
- Tregambi, C.; Bevilacqua, C.; Troiano, M.; Solimene, R.; Salatino, P. A novel autothermal fluidized bed reactor for concentrated solar thermal applications. Chem. Eng. J. 2020, 398, 125702. [Google Scholar] [CrossRef]
- Sabri, L.S.; Sultan, A.J.; Ali, J.M.; Majdi, H.S.; Al-Dahhan, M.H. Enhancing Heat Transfer Performance in Simulated Fischer–Tropsch Fluidized Bed Reactor through Tubes Ends Modifications. ChemEngineering 2023, 7, 85. [Google Scholar] [CrossRef]
- Lee, J.M.; Lim, E.W.C. Heat transfer in a pulsating turbulent fluidized bed. Appl. Therm. Eng. 2020, 174, 115321. [Google Scholar] [CrossRef]
- Wanchan, W.; Khongprom, P.; Limtrakul, S. Study of wall-to-bed heat transfer in circulating fluidized bed riser based on CFD simulation. Chem. Eng. Res. Des. 2020, 156, 442–455. [Google Scholar] [CrossRef]
- Garcia-Gutierrez, L.M.; Hernández-Jiménez, F.; Cano-Pleite, E.; Soria-Verdugo, A. Experimental evaluation of the convection heat transfer coefficient of large particles moving freely in a fluidized bed reactor. Int. J. Heat Mass Transf. 2020, 153, 119612. [Google Scholar] [CrossRef]
- Wu, Q.; Wang, S.; Zhang, K.; He, Y. Assessment of heat transfer performance in a swirling fluidized bed with binary mixture. Appl. Therm. Eng. 2021, 194, 117128. [Google Scholar] [CrossRef]
- Tawfik, M.H.M.; Diab, M.R.; Abdelmotalib, H.M. Heat transfer and hydrodynamics of particles mixture in swirling fluidized bed. Int. J. Therm. Sci. 2020, 147, 106134. [Google Scholar] [CrossRef]
- Bai, Y.; Qi, J.; Si, H. Analytical study on the Heat-Transfer Characteristics of a Fluidized Bed Reactor Heated by Multi-Stage Resistance. Chem. Eng. Process.-Process Intensif. 2021, 164, 108395. [Google Scholar] [CrossRef]
- Hasan, Z.W.; Sultan, A.J.; Sabri, L.S.; Ali, J.M.; Salih, H.G.; Majdi, H.S.; Al-Dahhan, M.H. Experimental investigation on the impact of tube bundle designs on heat transfer coefficient in gas-solid fluidized bed reactor for Fischer-Tropsch synthesis. Int. Commun. Heat Mass Transf. 2022, 136, 106169. [Google Scholar] [CrossRef]
- Abdulrahman, A.A.; Mahdy, O.S.; Sabri, L.S.; Sultan, A.J.; Al-Naseri, H.; Hasan, Z.W.; Majdi, H.S.; Ali, J.M. Experimental Investigation and Computational Fluid Dynamic Simulation of Hydrodynamics of Liquid–Solid Fluidized Beds. ChemEngineering 2022, 6, 37. [Google Scholar] [CrossRef]
- Hasan, Z.W.; Sultan, A.J.; Tariq, M.; Sabri, L.S.; Salih, H.G.; Ali, J.M.; Al-Dahhan, M.H. Experimental investigation on heat transfer in a gas-solid fluidized bed with a bundle of heat exchanging tubes. Eng. Technol. J. 2022, 40, 1105–1116. [Google Scholar] [CrossRef]
- Yang, M.; Jiang, F.; Qi, G.P.; Li, X.L. Heat transfer performance of a vapor–liquid–solid three-phase circulating fluidized bed evaporation system with different concentrations of Na2SO4 solutions. Appl. Therm. Eng. 2020, 180, 115833. [Google Scholar] [CrossRef]
- Hussein, A.T.; Abedalh, A.S.; Alomar, O.R. Enhancement performance of vapor compression system using nano copper oxide lubricant inside compressor and a fluidized bed for condenser cooling. Case Stud. Therm. Eng. 2023, 44, 102819. [Google Scholar] [CrossRef]
- Krzywanski, J.; Grabowska, K.; Sosnowski, M.; Zylka, A.; Kulakowska, A.; Czakiert, T.; Sztekler, K.; Wesolowska, M.; Nowak, W. Heat Transfer in Adsorption Chillers with Fluidized Beds of Silica Gel, Zeolite, and Carbon Nanotubes. Heat Transf. Eng. 2022, 43, 172–182. [Google Scholar] [CrossRef]
- Kasaeian, A.; Azarian, R.D.; Mahian, O.; Kolsi, L.; Chamkha, A.J.; Wongwises, S.; Pop, I. Nanofluid flow and heat transfer in porous media: A review of the latest developments. Int. J. Heat Mass Transf. 2017, 107, 778–791. [Google Scholar] [CrossRef]
- Alsabery, A.I.; Abosinnee, A.S.; Al-Hadraawy, S.K.; Ismael, M.A.; Fteiti, M.A.; Hashim, I.; Sheremet, M.; Ghalambaz, M.; Chamkha, A.J. Convection heat transfer in enclosures with inner bodies: A review on single and two-phase nanofluid models. Renew. Sustain. Energy Rev. 2023, 183, 113424. [Google Scholar] [CrossRef]
- Tsai, D.C.; Chang, Z.C.; Kuo, B.H.; Chen, E.C.; Huang, Y.L.; Hsieh, T.J.; Shieu, F.S. Thermal stability and optical properties of low emissivity multilayer coatings for energy-saving applications. Ceram. Int. 2020, 46, 7991–7997. [Google Scholar] [CrossRef]
- SN Ch Dattu, V.; Rao Roniki, V.; Reddy Prasad, P.; Raju Tupati, P.; Gayatri Devi, N.; Chavakula, R. Influence of Nano-Fe2O3 concentration on thermal characteristics of the water based Nano-fluid. Mater. Today Proc. 2022, 62, 2392–2395. [Google Scholar] [CrossRef]
- Assaf, Y.H.; Akroot, A.; Abdul Wahhab, H.A.; Talal, W.; Bdaiwi, M.; Nawaf, M.Y. Impact of Nano Additives in Heat Exchangers with Twisted Tapes and Rings to Increase Efficiency: A Review. Sustainability 2023, 15, 7867. [Google Scholar] [CrossRef]
- Liu, Y.; Wang, N.; Ding, Y. Preparation and properties of composite phase change material based on solar heat storage system. J. Energy Storage 2021, 40, 102805. [Google Scholar] [CrossRef]
- Rabizadeh, M.; Ehsani, M.H. Effect of heat treatment on optical, electrical and thermal properties of ZnO/Cu/ZnO thin films for energy-saving application. Ceram. Int. 2022, 48, 16108–16113. [Google Scholar] [CrossRef]
- Ellahi, R. Recent trends in coatings and thin film: Modeling and application. Coatings 2020, 10, 777. [Google Scholar] [CrossRef]
- Nguyen, D.H.; Ahn, H.S. A comprehensive review on micro/nanoscale surface modification techniques for heat transfer enhancement in heat exchanger. Int. J. Heat Mass Transf. 2021, 178, 121601. [Google Scholar] [CrossRef]
- Parida, K.; Bark, H.; Lee, P.S. Emerging Thermal Technology Enabled Augmented Reality. Adv. Funct. Mater. 2021, 31, 2007952. [Google Scholar] [CrossRef]
- Kumar, R.; Youssry, S.M.; Joanni, E.; Sahoo, S.; Kawamura, G.; Matsuda, A. Microwave-assisted synthesis of iron oxide homogeneously dispersed on reduced graphene oxide for high-performance supercapacitor electrodes. J. Energy Storage 2022, 56, 105896. [Google Scholar] [CrossRef]
- Slimani, S.; Meneghini, C.; Abdolrahimi, M.; Talone, A.; Murillo, J.P.M.; Barucca, G.; Yaacoub, N.; Imperatori, P.; Illés, E.; Smari, M.; et al. Spinel iron oxide by the co-precipitation method: Effect of the reaction atmosphere. Appl. Sci. 2021, 11, 5433. [Google Scholar] [CrossRef]
- Shukrie, A.; Anuar, S.; Oumer, A.N. Air Distributor Designs for Fluidized Bed Combustors: A Review. Eng. Technol. Appl. Sci. Res. 2016, 6, 1029–1034. [Google Scholar] [CrossRef]
- Devi, H.S.; Boda, M.A.; Shah, M.A.; Parveen, S.; Wani, A.H. Green synthesis of iron oxide nanoparticles using Platanus orientalis leaf extract for antifungal activity. Green Process. Synth. 2019, 8, 38–45. [Google Scholar] [CrossRef]
- Sakatani, N.; Ogawa, K.; Iijima, Y.; Honda, R.; Tanaka, S.; Science, A.; Agency, A.E. Thermal Conductivity of Glass Beads as A Model Material of Regolith. In Proceedings of the 43rd Lunar and Planetary Science Conference, Woodlands, TX, USA, 19–23 March 2012; p. 2000. [Google Scholar]
- Bisognin, P.C.; Câmara Bastos, J.C.S.; Meier, H.F.; Padoin, N.; Soares, C. Influence of different parameters on the tube-to-bed heat transfer coefficient in a gas-solid fluidized bed heat exchanger. Chem. Eng. Process.-Process Intensif. 2020, 147, 107693. [Google Scholar] [CrossRef]
- Feng, L.; Wu, Y.; Guo, H.; Hu, Z.; Zhang, S.; Zhou, H. Effect of fluctuation on heat transfer enhancement of a spherical particle. Int. Commun. Heat Mass Transf. 2022, 133, 105981. [Google Scholar] [CrossRef]
- Shrshab, M.A.; Abdulaziz, Y.I. Determination of Heat Transfer Coefficients in Air-Solid Fluidized Bed. IOP Conf. Ser. Mater. Sci. Eng. 2020, 928, 022067. [Google Scholar] [CrossRef]
- Kieckhefen, P.; Pietsch-Braune, S.; Heinrich, S. Product-Property Guided Scale-Up of a Fluidized Bed Spray Granulation Process Using the CFD-DEM Method. Processes 2022, 10, 1291. [Google Scholar] [CrossRef]







| Component | Value |
|---|---|
| SiO2 | 72.00–73.00% |
| Na2O | 13.30–14.30% |
| CaO | 7.20–9.20% |
| MgTiO | 3.50–4.00% |
| Al2O3 | 0.80–2.00% |
| K2O | 0.20–0.60% |
| SO3 | 0.20–0.30% |
| Typical Physical Properties | Value |
|---|---|
| Grain shape | Round |
| Melting point | 1200 °C |
| Specific gravity | 2.50 |
| Bulk density | 2.5 g/cm3 |
| Voidage | 0.45 |
| T Heater Surface, °C | Thermal Conductivity before Coating, W/m. K | T Heater Surface, °C | Thermal Conductivity after Coating, W/m. K |
|---|---|---|---|
| 98.7 | 0.00209615 | 101.5 | 0.002104568 |
| 85.6 | 0.002062722 | 90.3 | 0.002073631 |
| 75.9 | 0.002043725 | 78.5 | 0.002048374 |
| 66.7 | 0.002029674 | 68.4 | 0.002032001 |
| 61.8 | 0.002023603 | 62.4 | 0.002024297 |
| 57.9 | 0.00201941 | 59.6 | 0.002021171 |
| Researcher | Conditions | Correlations |
|---|---|---|
| Ranz-Marshall [35] | 100 < Re < 1000 | Nu = 2 + 1.8Re0.5Pr0.33 |
| Shrshab [36] | Nup = 0.0268(Rep)1.26 (Pr)0.48 (ks/kg)−0.0375(1 − e/e)−0.173 | |
| Das [37] | 0 < Re < 500 | Nu = (8.357.4e)(1 − 0.11Re0.2Pr0.33) + (3.92 − 7.67e + 3.96e2) Re0.7 Pr0.33 |
| Correlation with current study | 250 < Re < 700 | Nu = 23 Re0.46743 Pr3.242 |
Disclaimer/Publisher’s Note: The statements, opinions and data contained in all publications are solely those of the individual author(s) and contributor(s) and not of MDPI and/or the editor(s). MDPI and/or the editor(s) disclaim responsibility for any injury to people or property resulting from any ideas, methods, instructions or products referred to in the content. |
© 2024 by the authors. Licensee MDPI, Basel, Switzerland. This article is an open access article distributed under the terms and conditions of the Creative Commons Attribution (CC BY) license (https://creativecommons.org/licenses/by/4.0/).
Share and Cite
Faraj, F.H.; Ali, J.M.; Najim, S.T.; Sultan, A.J.; Alardhi, S.M.; Majdi, H.S. Nano-Iron Oxide Coating for Enhanced Heat Transfer in Gas–Solid Fluidized Bed Systems. ChemEngineering 2024, 8, 9. https://doi.org/10.3390/chemengineering8010009
Faraj FH, Ali JM, Najim ST, Sultan AJ, Alardhi SM, Majdi HS. Nano-Iron Oxide Coating for Enhanced Heat Transfer in Gas–Solid Fluidized Bed Systems. ChemEngineering. 2024; 8(1):9. https://doi.org/10.3390/chemengineering8010009
Chicago/Turabian StyleFaraj, Fadhl H., Jamal M. Ali, Sarmad T. Najim, Abbas J. Sultan, Saja M. Alardhi, and Hasan Sh. Majdi. 2024. "Nano-Iron Oxide Coating for Enhanced Heat Transfer in Gas–Solid Fluidized Bed Systems" ChemEngineering 8, no. 1: 9. https://doi.org/10.3390/chemengineering8010009
APA StyleFaraj, F. H., Ali, J. M., Najim, S. T., Sultan, A. J., Alardhi, S. M., & Majdi, H. S. (2024). Nano-Iron Oxide Coating for Enhanced Heat Transfer in Gas–Solid Fluidized Bed Systems. ChemEngineering, 8(1), 9. https://doi.org/10.3390/chemengineering8010009

