Evaluation of Microwave Heating Uniformity for Ready-to-Eat Rice in Metalized Packaging Structure
Abstract
1. Introduction
2. Materials and Methods
2.1. Microwave Reheating Model Establishment
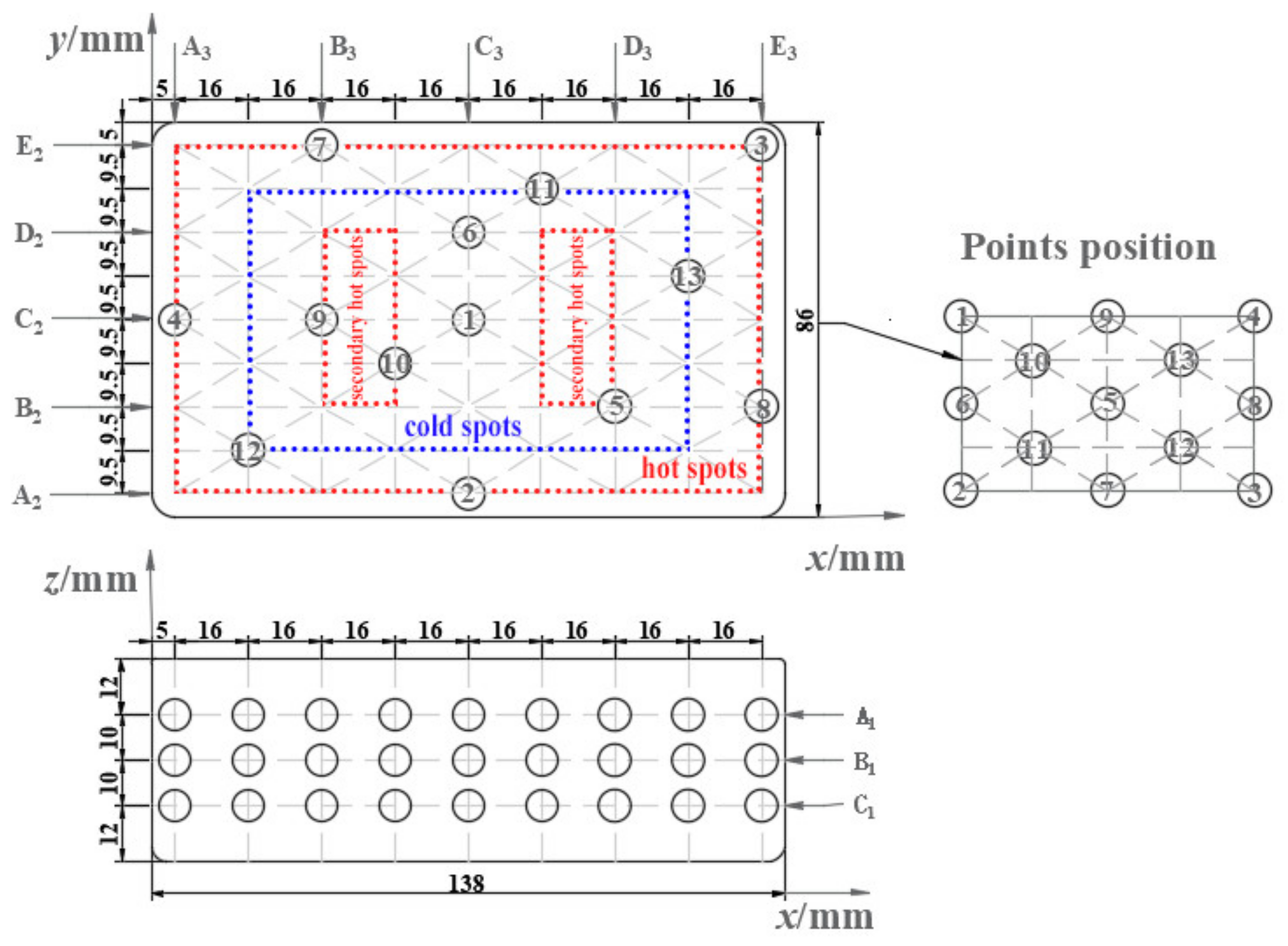
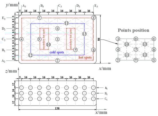
2.1.1. Geometric Model
2.1.2. Model Assumptions
2.1.3. Governing Equations
2.1.4. Input Parameter Setting
2.1.5. Meshing Scheme
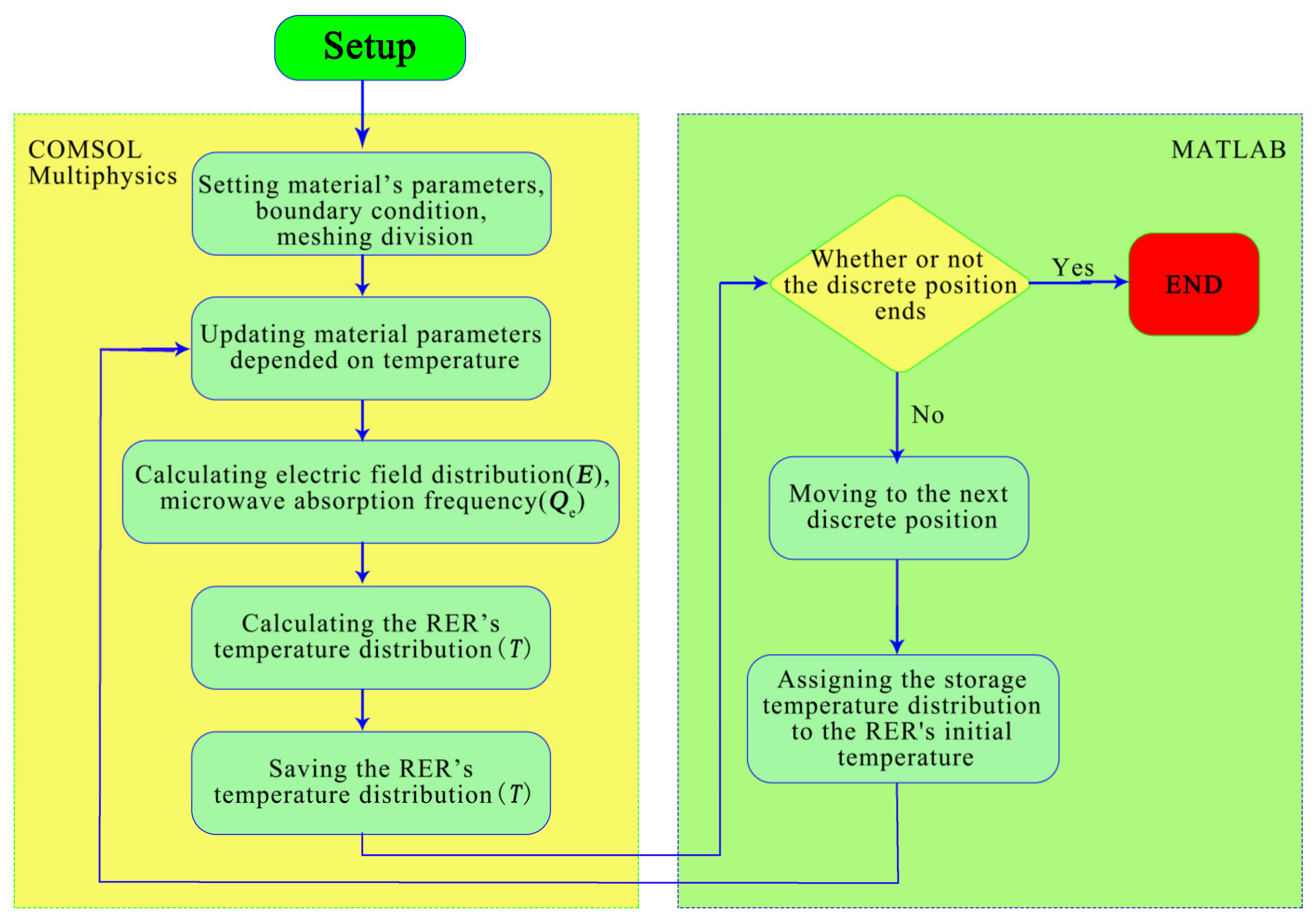
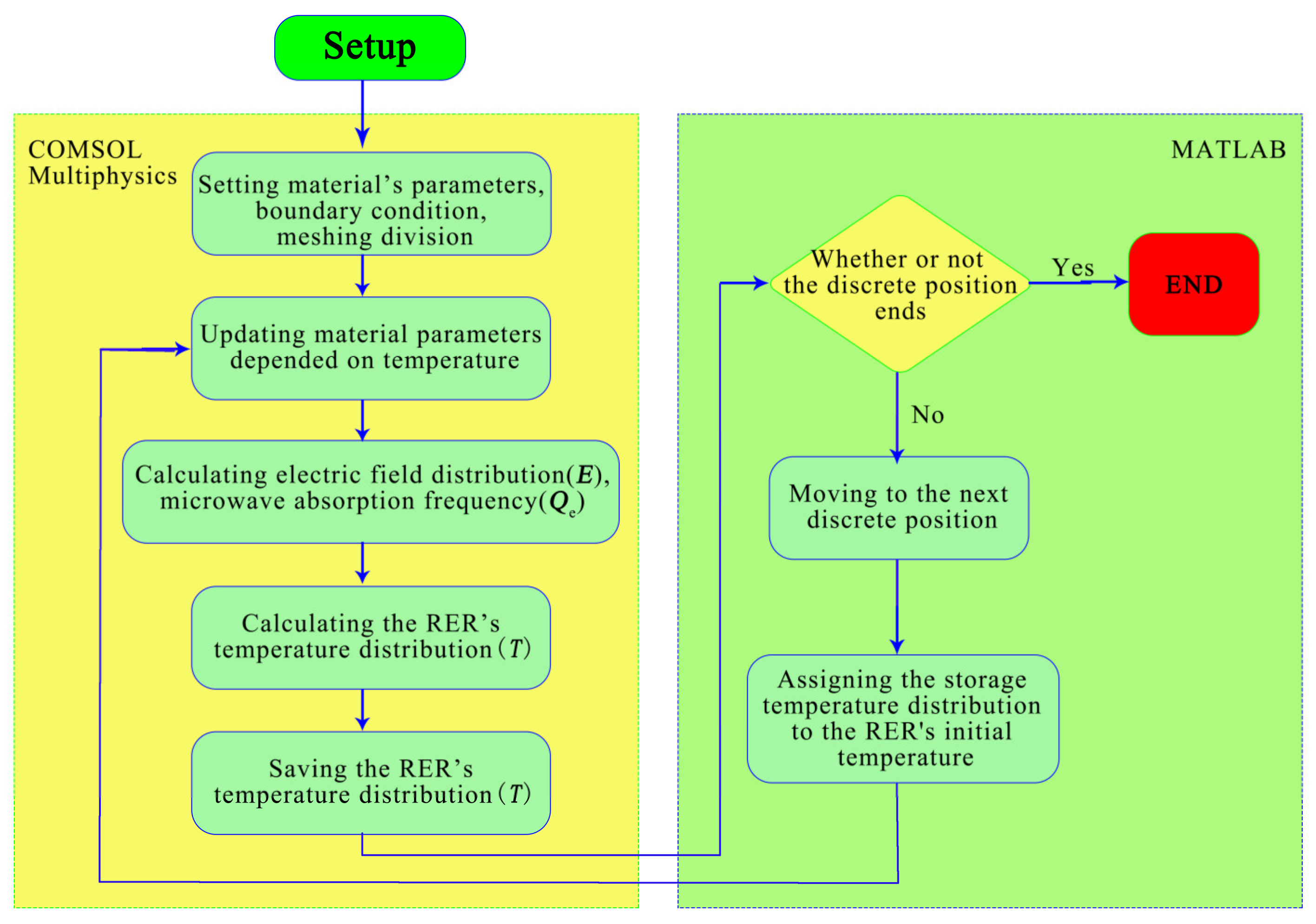
2.1.6. Simulation Method
2.2. Model Verification
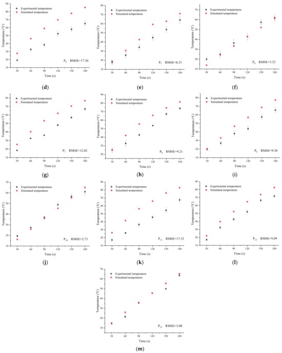
2.2.1. Evaluation Index for the Model
2.2.2. Model Accuracy Measurement
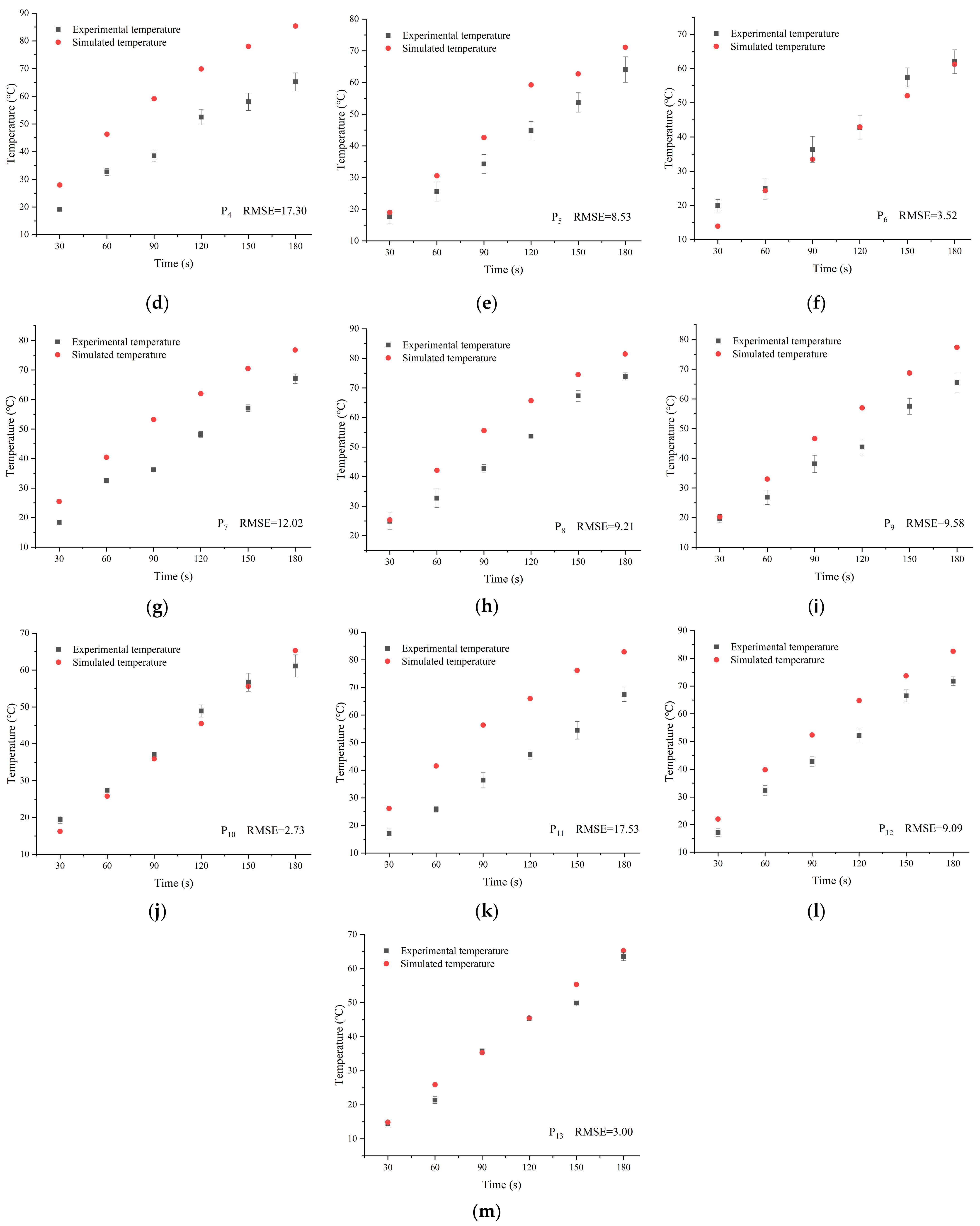
2.2.3. Model Verification Results
3. Results and Analysis
3.1. The Analysis of Temperature Distribution in RER Based on the Electric Field Distribution
3.2. The Influence of Metalized Packaging on RER Reheating
3.2.1. Identifying RER’s Metalized Packaging Structure
3.2.2. The Microwave Reheating Effect Verification of Metalized Packaging
4. Conclusions
Author Contributions
Funding
Data Availability Statement
Conflicts of Interest
References
- Montero, M.L.; Garrido, D.; Gallardo, R.K.; Tang, J.; Ross, C.F. Consumer Acceptance of a Ready-to-Eat Meal during Storage as Evaluated with a Home-Use Test. Foods 2021, 10, 1623. [Google Scholar] [CrossRef]
- Fan, D.C.; Xu, J.C.; Zhang, M.; Chen, J.J. Improved Flavor of Instant Rice for Airline Catering. J. Food Sci. Biotechnol. 2022, 41, 83–87. [Google Scholar] [CrossRef]
- Chandrasekaran, S.; Ramanathan, S.; Basak, T. Microwave Food Processing—A Review. Food Res. Int. 2013, 52, 243–261. [Google Scholar] [CrossRef]
- Liu, C.; Shen, L.; Liu, H.; Gong, X.; Liu, C.; Zheng, X.; Zhang, S.; Yang, C. Improvement of Temperature Distribution Uniformity of Ready-to-Eat Rice during Microwave Reheating via Optimizing Packaging Structure. Foods 2023, 12, 2938. [Google Scholar] [CrossRef]
- Zhang, Z.; Su, T.; Zhang, S. Shape Effect on the Temperature Field during Microwave Heating Process. J. Food Qual. 2018, 2018, 9169875. [Google Scholar] [CrossRef]
- Fan, D.M.; Chen, W.; Li, C.X.; Wang, L.Y.; Pang, K.; Zhao, J.X.; Zhang, H. Size effect on temperature distribution of instant rice during microwave reheating process. Trans. Chin. Soc. Agric. Eng. 2012, 28, 273–280+382. [Google Scholar] [CrossRef]
- Cao, H.; Fan, D.; Jiao, X.; Huang, J.; Zhao, J.; Yan, B.; Zhou, W.; Zhang, W.; Ye, W.; Zhang, H. Importance of Thickness in Electromagnetic Properties and Gel Characteristics of Surimi during Microwave Heating. J. Food Eng. 2019, 248, 80–88. [Google Scholar] [CrossRef]
- Cao, H.; Fan, D.; Jiao, X.; Huang, J.; Zhao, J.; Yan, B.; Zhou, W.; Zhang, W.; Zhang, H. Heating Surimi Products Using Microwave Combined with Steam Methods: Study on Energy Saving and Quality. Innov. Food Sci. Emerg. Technol. 2018, 47, 231–240. [Google Scholar] [CrossRef]
- Zheng, X.Z.; Lu, T.L.; Chen, Q.M.; Zhang, Y.H.; Shen, L.Y.; Fu, K.S.; Zhu, H.H.; Bai, C.Y. Effects of compound additives on the physicochemical properties of low-temperature spray drying Loniceraedulis powder. Trans. Chin. Soc. Agric. Eng. 2024, 4, 93–106. [Google Scholar] [CrossRef]
- Wang, L.; Zhao, Y.; Ma, W.; Shen, L.; Liu, C.; Liu, C.; Zheng, X.; Li, S. Utilization Efficiency of Microwave Energy for Granular Food in Continuous Drying: From Propagation Properties to Technology Parameters. Dry. Technol. 2022, 40, 1881–1900. [Google Scholar] [CrossRef]
- Ulrich, E. Development of Packaging and Products for Use in Microwave Ovens; Woodhead Publishing in Materials: Sawston, MI, USA, 2020; pp. 1–55. [Google Scholar]
- Suvi, R. Microwave Heating Uniformity of Multicomponent Prepared Foods. Ph.D. Thesis, University of Helsinki, Helsinki, Finland, 2002. [Google Scholar]
- Zhu, W.X.; Nie, Z.H.; Wang, H.D.; Wang, L. Simulation on Temperature Field of Microwave Reheating of Cold-chain Quick-frozen Food with Different Packaging Materials. Packag. Eng. 2022, 43, 198–204. [Google Scholar] [CrossRef]
- Wang, X.Q.; Du, P.; Wang, X.Y. Temperature Distribution on Cylindrical Shaped Food during Microwave Heating. Sci. Technol. Eng. 2014, 14, 51–56. [Google Scholar]
- Dai, M.H.; Guo, W.; Cheng, Y.D.; Jin, Y.Z. Three—Dimensional temperature distribution of the packaged foods with different shapes during microwave heating. Sci. Technol. Food Ind. 2015, 36, 82–86+102. [Google Scholar] [CrossRef]
- Pitchai, K.; Chen, J.; Birla, S.; Gonzalez, R.; Jones, D.; Subbiah, J. A Microwave Heat Transfer Model for a Rotating Multi-Component Meal in a Domestic Oven: Development and Validation. J. Food Eng. 2014, 128, 60–71. [Google Scholar] [CrossRef]
- Miran, W.; Palazoğlu, T.K. Development and Experimental Validation of a Multiphysics Model for 915 MHz Microwave Tempering of Frozen Food Rotating on a Turntable. Biosyst. Eng. 2019, 180, 191–203. [Google Scholar] [CrossRef]
- Huang, Z.; Datta, A.K.; Wang, S. Modeling Radio Frequency Heating of Granular Foods: Individual Particle vs. Effective Property Approach. J. Food Eng. 2018, 234, 24–40. [Google Scholar] [CrossRef]
- Klinbun, W.; Rattanadecho, P. A Computational Analysis of How the Design of Multicompartment Containers and Placement Angle Affect Heat and Mass Transfer during the Microwave Heating Process. Eng. Sci. 2023, 26, 970. [Google Scholar] [CrossRef]
- Zhu, H.; He, J.; Hong, T.; Yang, Q.; Wu, Y.; Yang, Y.; Huang, K. A Rotary Radiation Structure for Microwave Heating Uniformity Improvement. Appl. Therm. Eng. 2018, 141, 648–658. [Google Scholar] [CrossRef]
- Yang, R.; Morgan, M.; Fathy, A.; Luckett, C.; Wang, Z.; Chen, J. A Comprehensive Evaluation of Microwave Reheating Performance Using Dynamic Complementary-Frequency Shifting Strategy in a Solid-State System. Food Bioprocess. Technol. 2023, 16, 1061–1075. [Google Scholar] [CrossRef]
- Fia, A.Z.; Amorim, J. Heating of Biomass in Microwave Household Oven—A Numerical Study. Energy 2021, 218, 119472. [Google Scholar] [CrossRef]
- Du, Z.; Wu, Z.; Gan, W.; Liu, G.; Zhang, X.; Liu, J.; Zeng, B. Multi-Physics Modeling and Process Simulation for a Frequency-Shifted Solid-State Source Microwave Oven. IEEE Access 2019, 7, 184726–184733. [Google Scholar] [CrossRef]
- Zhang, S.; Ramaswamy, H.; Wang, S. Computer Simulation Modelling, Evaluation and Optimisation of Radio Frequency (RF) Heating Uniformity for Peanut Pasteurisation Process. Biosyst. Eng. 2019, 184, 101–110. [Google Scholar] [CrossRef]
- Jeong, C.H.; Ahn, S.H.; Lee, W.S. Four-kilowatt Homogeneous Microwave Heating System Using a Power-controlled Phase-shifting Mode for Improved Heating Uniformity. Electron. Lett. 2019, 55, 465–467. [Google Scholar] [CrossRef]
- Zhou, X.; Pedrow, P.D.; Tang, Z.; Bohnet, S.; Sablani, S.S.; Tang, J. Heating Performance of Microwave Ovens Powered by Magnetron and Solid-State Generators. Innov. Food Sci. Emerg. Technol. 2023, 83, 103240. [Google Scholar] [CrossRef]
- Wang, G.; Meng, J.; Zhang, K. Process Intensification of Non-Uniform Additive Pattern for Coal Slime Drying by Microwave Heating. Energy 2024, 302, 131859. [Google Scholar] [CrossRef]
- Chen, F.; Warning, A.D.; Datta, A.K.; Chen, X. Susceptors in Microwave Cavity Heating: Modeling and Experimentation with a Frozen Pie. J. Food Eng. 2017, 195, 191–205. [Google Scholar] [CrossRef]
- Song, W.H.; Wang, R.F.; Li, Z.Y.; Xu, Q. Improvement of electrically conductive bead on partial overheating phenomenon in microwave food heating. Food Mach. 2014, 30, 15–20. [Google Scholar]
- Ghimire, A.; Yang, R.; Chen, J. The Combined Effect of Active Packaging and Relative Phase Sweeping on Microwave Heating Performance in a Dual-Port Solid-State System. J. Microw. Power Electromagn. Energy 2024, 58, 170–185. [Google Scholar] [CrossRef]
- Prosetya, H.; Datta, A. Batch Microwave Heating of Liquids: An Experimental Study. J. Microw. Power Electromagn. Energy 2017, 26, 215–226. [Google Scholar] [CrossRef]
- Dou, R.B. Effect of Electrically Condrctive Beads on the Electromagnetic Field Distribution in a Microwave Cavity. Master’s Thesis, Tianjin University of Science & Technology, Tianjin, China, 2013. [Google Scholar]
- Zhang, K. Metallized Microwave Packaging Research to Improve the Effect of Microwave Heating of Food. Master’s Thesis, Jiangnan University, Wuxi, China, 2014. [Google Scholar]
- Lai, L.M.C.; Zeng, N.; Liu, B. Uniformly Heated Microwave Container. China Patent 200880002828.3, 24 April 2013. [Google Scholar]
- Ho, Y.C.; Yam, K.L. Effect of Metal Shielding on Microwave Heating Uniformity of a Cylindrical Food Model. J. Food Process. Preserv. 1992, 16, 337–359. [Google Scholar] [CrossRef]
- Wang, X.R. Study on the Temperature Distribution of Instant Rice During Microwave Reheating. Master’s Thesis, Northeast Agricultural University, Harbin, China, 2018. [Google Scholar]
- Chen, J.M. Research on Quality Control of Packed Rice During Hot Chain and Reheating of Cold Chain. Master’s Thesis, South China University of Technology, Guangzhou, China, 2014. [Google Scholar]
- Chen, D.W.; Zhang, Y.; Luo, M.L. The effect of home microwave oven on the nutritional components of cooked rice. Grain Processing 2018, 43, 46–48. [Google Scholar]
- Song, Y.Y. Studies on the Quality Holding and Shelf Life of Colde Distributional Cooked Rice. Master’s Thesis, Zhejiang Gongshang University, Hangzhou, China, 2011. [Google Scholar]
- Shen, L.Y.; Zhu, Y.; Liu, C.H.; Wang, L.; Liu, H.; Kamruzzaman, M.; Liu, C.; Zhang, Y.P.; Zheng, X.Z. Modelling of Moving Drying Process and Analysis of Drying Characteristics for Germinated Brown Rice under Continuous Microwave Drying. Biosyst. Eng. 2020, 195, 64–88. [Google Scholar] [CrossRef]
- Tepnatim, W.; Daud, W.; Kamonpatana, P. Simulation of Thermal and Electric Field Distribution in Packaged Sausages Heated in a Stationary Versus a Rotating Microwave Oven. Foods 2021, 10, 1622. [Google Scholar] [CrossRef] [PubMed]
- Liu, Z.M.; Du, H.; Shi, N.L.; Wen, L.S. Influence of Conductivity Size Effect on the Microwave Absorption Properties of Aluminium Films. Acta Metall. Sin. 2008, 44, 1099–1104. [Google Scholar]
- Bhattacharya, M.; Basak, T. A Review on the Susceptor Assisted Microwave Processing of Materials. Energy 2016, 97, 306–338. [Google Scholar] [CrossRef]
- Zhu, Y. Study on Improving Temperature Uniformity of Microwave-Reheated Instant Rice with Metallized Packaging Film. Master’s Thesis, Northeast Agricultural University, Harbin, China, 2021. [Google Scholar]
- Pitchai, K.; Birla, S.L.; Subbiah, J.; Jones, D.; Thippareddi, H. Coupled Electromagnetic and Heat Transfer Model for Microwave Heating in Domestic Ovens. J. Food Eng. 2012, 112, 100–111. [Google Scholar] [CrossRef]
- Ye, J.H.; Zhu, H.C.; Liao, Y.H.; Zhou, Y.P.; Huang, K.M. Implicit Function and Level Set Methods for Computation of Moving Elements During Microwave Heating. IEEE Trans. Microw. Theory Tech. 2017, 65, 4773–4784. [Google Scholar] [CrossRef]
- Chen, J.; Pitchai, K.; Jones, D.; Subbiah, J. Effect of Decoupling Electromagnetics from Heat Transfer Analysis on Prediction Accuracy and Computation Time in Modeling Microwave Heating of Frozen and Fresh Mashed Potato. J. Food Eng. 2015, 144, 45–57. [Google Scholar] [CrossRef]
- Sun, Y.; Sha, W.X.; Liu, W.; Huang, N.J.; Zhang, B.N.; Zhou, X.Y. Effect of Stewing Time on Edible Quality of Rice. Food Res. Dev. 2024, 45, 67–73. [Google Scholar]
- Geedipalli, S.S.R.; Rakesh, V.; Datta, A.K. Modeling the Heating Uniformity Contributed by a Rotating Turntable in Microwave Ovens. J. Food Eng. 2007, 82, 359–368. [Google Scholar] [CrossRef]
- Wang, L.; Shen, L.Y.; Liu, C.H.; Liu, C.; Zheng, X.Z. Effect of electric field distribution on energy use efficiency for berry puree under microwave drying. Trans. Chin. Soc. Agric. Eng. 2021, 37, 1–10. [Google Scholar] [CrossRef]
- Gu, M.M.; Yang, N.; Xu, X.M. Study on the properties of breads baked by microwave with susceptor. Sci. Technol. Food Ind. 2012, 33, 92–96. [Google Scholar] [CrossRef]
- Shen, L.Y.; Gao, M.; Feng, S.X.; Ma, W.Y.; Zhang, Y.H.; Liu, C.H.; Liu, C.; Zheng, X.Z. Analysis of Heating Uniformity Considering Microwave Transmission in Stacked Bulk of Granular Materials on a Turntable in Microwave Ovens. J. Food Eng. 2022, 319, 110903. [Google Scholar] [CrossRef]

















| Attribute | Materials | Value |
|---|---|---|
| Relative dielectric constant | Air | 1 |
| Glass turntable | 4.2 | |
| Copper | 1 | |
| Aluminum | 1 | |
| Relative permeability | Air | 1 |
| Glass turntable | 1 | |
| Copper | 1 | |
| Aluminum | 1 | |
| Conductivity (s/m) | Air | 0 |
| Glass turntable | 1 × 10−14 | |
| Copper | 5.998 × 107 | |
| Aluminum | 2.326 × 107 |
| Material Parameter | Value | Unit |
|---|---|---|
| Apparent density | 880 | |
| Absolute density | 1670 | |
| Porosity | 47.31 | % |
| Water content | 63.23 | % |
| Thermal conductivity | ||
| Specific heat | ||
| Dielectric constant | 1 | |
| Dielectric loss | 1 | |
| Penetration depth | mm |
| Mesh Number in a Single Wavelength | Maximum Size of Different Material Units | Mesh Number | Time (s) | |||
|---|---|---|---|---|---|---|
| RER | Turntable | Cavity | Dielectric | |||
| 0.5 | 53.78 | 119.42 | 244.73 | 173.04 | 80,659 | 995 |
| 1 | 26.89 | 59.71 | 122.37 | 86.52 | 82,120 | 976 |
| 2 | 13.45 | 29.86 | 61.19 | 43.26 | 84,843 | 849 |
| 3 | 8.97 | 19.91 | 40.79 | 28.84 | 98,475 | 601 |
| 4 | 6.73 | 14.93 | 30.6 | 21.63 | 135,313 | 710 |
| 5 | 5.38 | 11.95 | 24.48 | 17.30 | 195,884 | 950 |
| 6 | 4.49 | 9.96 | 20.4 | 14.42 | 290,244 | 1376 |
| 7 | 3.85 | 8.53 | 17.49 | 12.36 | 428,532 | 1910 |
| 8 | 3.37 | 7.47 | 15.3 | 10.81 | 593,810 | 3206 |
| 9 | 2.99 | 6.64 | 13.6 | 9.61 | 1,084,421 | 4286 |
| 10 | 2.69 | 5.98 | 12.24 | 8.65 | 1,448,047 | 5440 |
| 11 | 2.45 | 5.43 | 11.13 | 7.86 | 1,454,705 | 9656 |
Disclaimer/Publisher’s Note: The statements, opinions and data contained in all publications are solely those of the individual author(s) and contributor(s) and not of MDPI and/or the editor(s). MDPI and/or the editor(s) disclaim responsibility for any injury to people or property resulting from any ideas, methods, instructions or products referred to in the content. |
© 2024 by the authors. Licensee MDPI, Basel, Switzerland. This article is an open access article distributed under the terms and conditions of the Creative Commons Attribution (CC BY) license (https://creativecommons.org/licenses/by/4.0/).
Share and Cite
Liu, C.; Tian, B.; Liu, H.; Shen, L.; Zhu, Y.; Liu, C.; Zheng, X.; Deng, X.; Zhao, Y. Evaluation of Microwave Heating Uniformity for Ready-to-Eat Rice in Metalized Packaging Structure. Foods 2024, 13, 3979. https://doi.org/10.3390/foods13233979
Liu C, Tian B, Liu H, Shen L, Zhu Y, Liu C, Zheng X, Deng X, Zhao Y. Evaluation of Microwave Heating Uniformity for Ready-to-Eat Rice in Metalized Packaging Structure. Foods. 2024; 13(23):3979. https://doi.org/10.3390/foods13233979
Chicago/Turabian StyleLiu, Chai, Bo Tian, Huiran Liu, Liuyang Shen, Yong Zhu, Chenghai Liu, Xianzhe Zheng, Xiting Deng, and Yuxin Zhao. 2024. "Evaluation of Microwave Heating Uniformity for Ready-to-Eat Rice in Metalized Packaging Structure" Foods 13, no. 23: 3979. https://doi.org/10.3390/foods13233979
APA StyleLiu, C., Tian, B., Liu, H., Shen, L., Zhu, Y., Liu, C., Zheng, X., Deng, X., & Zhao, Y. (2024). Evaluation of Microwave Heating Uniformity for Ready-to-Eat Rice in Metalized Packaging Structure. Foods, 13(23), 3979. https://doi.org/10.3390/foods13233979

