Impact of Ultra-High-Pressure Homogenisation on the Inactivation of Bacillus pumilus and Bacillus subtilis Spores in Sheep and Cow Milk
Abstract
1. Introduction
2. Materials and Methods
2.1. Bacterial Strains and Sporulation
2.1.1. Preparation of Spore Suspensions
2.1.2. Monitoring Sporulation
2.2. Determination of Spore Inactivation
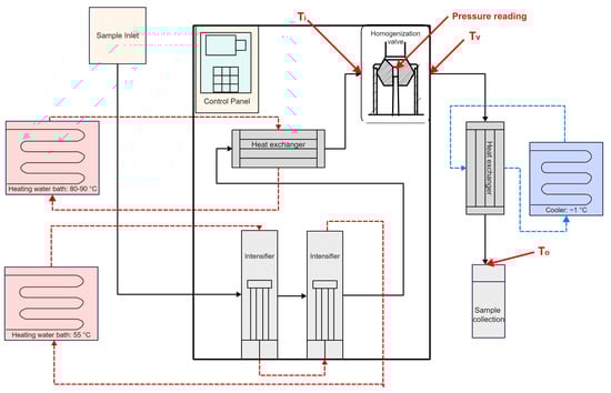
2.3. UHPH Unit and Treatment
2.4. Media/Food Matrix
2.5. Statistical Analysis
3. Results and Discussion
3.1. Temperature-Pressure Control
3.2. Spore Inactivation
3.2.1. Impact of Pressure and Temperature on Spore Inactivation
3.2.2. Effect of Bacillus Species on Spore Inactivation
3.2.3. Effect of Milk Type on Bacterial Spore Inactivation
4. Conclusions
Author Contributions
Funding
Institutional Review Board Statement
Informed Consent Statement
Data Availability Statement
Acknowledgments
Conflicts of Interest
References
- Martin, N.; Quintana-Pérez, F.M.; Evanowski, R.L. Sources, Transmission, and Tracking of Sporeforming Bacterial Contaminants in Dairy Systems*. JDS Commun. 2024, 5, 172–177. [Google Scholar] [CrossRef] [PubMed]
- Martin, N.H.; Kent, D.J.; Evanowski, R.L.; Zuber Hrobuchak, T.J.; Wiedmann, M. Bacterial Spore Levels in Bulk Tank Raw Milk Are Influenced by Environmental and Cow Hygiene Factors. J. Dairy Sci. 2019, 102, 9689–9701. [Google Scholar] [CrossRef] [PubMed]
- Doyle, C.J.; Gleeson, D.; Jordan, K.; Beresford, T.P.; Ross, R.P.; Fitzgerald, G.F.; Cotter, P.D. Anaerobic Sporeformers and Their Significance with Respect to Milk and Dairy Products. Int. J. Food Microbiol. 2015, 197, 77–87. [Google Scholar] [CrossRef] [PubMed]
- Mehta, D.S.; Metzger, L.E.; Hassan, A.N.; Nelson, B.K.; Patel, H.A. The Ability of Spore Formers to Degrade Milk Proteins, Fat, Phospholipids, Common Stabilizers, and Exopolysaccharides. J. Dairy Sci. 2019, 102, 10799–10813. [Google Scholar] [CrossRef]
- Deeth, H.C.; Lewis, M.J. High Temperature Processing of Milk and Milk Products; John Wiley & Sons: Hoboken, NJ, USA, 2017; ISBN 9781118460504. [Google Scholar]
- Jansson, T.; Rauh, V.; Danielsen, B.P.; Poojary, M.M.; Waehrens, S.S.; Bredie, W.L.P.; Sørensen, J.; Petersen, M.A.; Ray, C.A.; Lund, M.N. Green Tea Polyphenols Decrease Strecker Aldehydes and Bind to Proteins in Lactose-Hydrolyzed UHT Milk. J. Agric. Food Chem. 2017, 65, 10550–10561. [Google Scholar] [CrossRef]
- Liu, H.; Grosvenor, A.J.; Li, X.; Wang, X.L.; Ma, Y.; Clerens, S.; Dyer, J.M.; Day, L. Changes in Milk Protein Interactions and Associated Molecular Modification Resulting from Thermal Treatments and Storage. J. Food Sci. 2019, 84, 1737–1745. [Google Scholar] [CrossRef]
- Raynal-Ljutovac, K.; Park, Y.W.; Gaucheron, F.; Bouhallab, S. Heat Stability and Enzymatic Modifications of Goat and Sheep Milk. Small Rumin. Res. 2007, 68, 207–220. [Google Scholar] [CrossRef]
- Alonso, S.M.; Vera, J.M.; Donega, J.M.; Alvarez, J.B. Method for UHT Treatment of Milk with High Protein Content. EP2092832A1, 11 November 2009. [Google Scholar]
- Pan, Z.; Ye, A.; Dave, A.; Fraser, K.; Singh, H. PH-Dependent Sedimentation and Protein Interactions in Ultra-High-Temperature-Treated Sheep Skim Milk. J. Dairy Sci. 2023, 106, 1626–1637. [Google Scholar] [CrossRef]
- Walkstra, P. Physical Chemistry of Milk Fat Globules. In Developments in Dairy Chemistry—2; Fox, P.F., Ed.; Springer: Dordrecht, The Netherlands, 1983; pp. 119–158. ISBN 9789401092333. [Google Scholar]
- Thiebaud, M.; Dumay, E.; Picart, L.; Guiraud, J.P.; Cheftel, J.C. High-Pressure Homogenisation of Raw Bovine Milk. Effects on Fat Globule Size Distribution and Microbial Inactivation. Int. Dairy J. 2003, 13, 427–439. [Google Scholar] [CrossRef]
- Dong, P.; Georget, E.; Aganovic, K.; Heinz, V.; Mathys, A. Ultra High Pressure Homogenization (UHPH) Inactivation of Bacillus Amyloliquefaciens Spores in Phosphate Buffered Saline (PBS) and Milk. Front. Microbiol. 2015, 6, 712. [Google Scholar] [CrossRef]
- Vachon, J.F.; Kheadr, E.E.; Giasson, J.; Paquin, P.; Fliss, I. Inactivation of Foodborne Pathogens in Milk Using Dynamic High Pressure. J. Food Prot. 2002, 65, 345–352. [Google Scholar] [CrossRef] [PubMed]
- Smiddy, M.A.; Martin, J.E.; Huppertz, T.; Kelly, A.L. Microbial Shelf-Life of High-Pressure-Homogenised Milk. Int. Dairy J. 2007, 17, 29–32. [Google Scholar] [CrossRef]
- Hayes, M.G.; Kelly, A.L. High Pressure Homogenisation of Raw Whole Bovine Milk (a) Effects on Fat Globule Size and Other Properties. J. Dairy Res. 2003, 70, 297–305. [Google Scholar] [CrossRef] [PubMed]
- Picart, L.; Thiebaud, M.; René, M.; Guiraud, J.P.; Cheftel, J.C.; Dumay, E. Effects of High Pressure Homogenisation of Raw Bovine Milk on Alkaline Phosphatase and Microbial Inactivation. A Comparison with Continuous Short-Time Thermal Treatments. J. Dairy Res. 2006, 73, 454–463. [Google Scholar] [CrossRef]
- Briñez, W.J.; Roig-Sagués, A.X.; Hernández-Herrero, M.M.; Guamis-López, B. Inactivation of Two Strains of Escherichia Coli Inoculated into Whole and Skim Milk by Ultrahigh-Pressure Homogenisation. J. Food Prot. 2006, 72, 2162–2169. [Google Scholar]
- Dumay, E.; Chevalier-Lucia, D.; Picart-Palmade, L.; Benzaria, A.; Gràcia-Julià, A.; Blayo, C. Technological Aspects and Potential Applications of (Ultra) High-Pressure Homogenisation. Trends Food Sci. Technol. 2013, 31, 13–26. [Google Scholar] [CrossRef]
- Martínez-Monteagudo, S.I.; Yan, B.; Balasubramaniam, V.M. Engineering Process Characterization of High-Pressure Homogenization—From Laboratory to Industrial Scale. Food Eng. Rev. 2017, 9, 143–169. [Google Scholar] [CrossRef]
- Floury, J.; Desrumaux, A.; Lardières, J. Effect of High-Pressure Homogenization on Droplet Size Distributions and Rheological Properties of Model Oil-in-Water Emulsions. Innov. Food Sci. Emerg. Technol. 2000, 1, 127–134. [Google Scholar] [CrossRef]
- Floury, J.; Legrand, J.; Desrumaux, A. Analysis of a New Type of High Pressure Homogeniser. Part B. Study of Droplet Break-up and Recoalescence Phenomena. Chem. Eng. Sci. 2004, 59, 1285–1294. [Google Scholar] [CrossRef]
- Paquin, P. Technological Properties of High Pressure Homogenizers: The Effect of Fat Globules, Milk Proteins, and Polysaccharides. Int. Dairy J. 1999, 9, 329–335. [Google Scholar] [CrossRef]
- Feijoo, S.C.; Hayes, W.W.; Watson, C.E.; Martin, J.H. Effects of Microfluidizer® Technology on Bacillus Licheniformis Spores in Ice Cream Mix. J. Dairy Sci. 1997, 80, 2184–2187. [Google Scholar] [CrossRef] [PubMed]
- Pinho, C.R.G.; Franchi, M.A.; Tribst, A.A.L.; Cristianinia, M. Effect of High Pressure Homogenization Process on Bacillus Stearothermophilus and Clostridium Sporogenes Spores in Skim Milk. Procedia Food Sci. 2011, 1, 869–873. [Google Scholar] [CrossRef][Green Version]
- Reverter-Carrión, L.; Sauceda-Gálvez, J.N.; Codina-Torrella, I.; Hernández-Herrero, M.M.; Gervilla, R.; Roig-Sagués, A.X. Inactivation Study of Bacillus Subtilis, Geobacillus Stearothermophilus, Alicyclobacillus Acidoterrestris and Aspergillus Niger Spores under Ultra-High Pressure Homogenization, UV-C Light and Their Combination. Innov. Food Sci. Emerg. Technol. 2018, 48, 258–264. [Google Scholar] [CrossRef]
- Amador Espejo, G.G.; Hernández-Herrero, M.M.; Juan, B.; Trujillo, A.J. Inactivation of Bacillus Spores Inoculated in Milk by Ultra High Pressure Homogenization. Food Microbiol. 2014, 44, 204–210. [Google Scholar] [CrossRef]
- Deeth, H.C.; Lewis, M.J. Microbiological Aspects; Wiley: Hoboken, NJ, USA, 2017; ISBN 9781118460467. [Google Scholar]
- Diels, A.M.J.; Michiels, C.W. High-Pressure Homogenization as a Non-Thermal Technique for the Inactivation of Microorganisms. Crit. Rev. Microbiol. 2006, 32, 201–216. [Google Scholar] [CrossRef]
- Park, Y.W.; Juárez, M.; Ramos, M.; Haenlein, G.F.W. Physico-Chemical Characteristics of Goat and Sheep Milk. Small Rumin. Res. 2007, 68, 88–113. [Google Scholar] [CrossRef]
- Gupta, T.B.; Brightwell, G. Identification and Characterisation of Spore-Forming Bacteria in Bovine Raw Milk Collected from Four Dairy Farms in New Zealand. Dairy 2023, 4, 650–671. [Google Scholar] [CrossRef]
- Doll, E.V.; Scherer, S.; Wenning, M. Spoilage of Microfiltered and Pasteurized Extended Shelf Life Milk Is Mainly Induced by Psychrotolerant Spore-Forming Bacteria that Often Originate from Recontamination. Front. Microbiol. 2017, 8, 135. [Google Scholar] [CrossRef]
- Vithanage, N.R.; Dissanayake, M.; Bolge, G.; Palombo, E.A.; Yeager, T.R.; Datta, N. Biodiversity of Culturable Psychrotrophic Microbiota in Raw Milk Attributable to Refrigeration Conditions, Seasonality and Their Spoilage Potential. Int. Dairy J. 2016, 57, 80–90. [Google Scholar] [CrossRef]
- Huck, J.R.; Hammond, B.H.; Murphy, S.C.; Woodcock, N.H.; Boor, K.J. Tracking Spore-Forming Bacterial Contaminants in Fluid Milk-Processing Systems. J. Dairy Sci. 2007, 90, 4872–4883. [Google Scholar] [CrossRef]
- Miller, R.A.; Kent, D.J.; Watterson, M.J.; Boor, K.J.; Martin, N.H.; Wiedmann, M. Spore Populations among Bulk Tank Raw Milk and Dairy Powders Are Significantly Different. J. Dairy Sci. 2015, 98, 8492–8504. [Google Scholar] [CrossRef] [PubMed]
- Coorevits, A.; De Jonghe, V.; Vandroemme, J.; Reekmans, R.; Heyrman, J.; Messens, W.; De Vos, P.; Heyndrickx, M. Comparative Analysis of the Diversity of Aerobic Spore-Forming Bacteria in Raw Milk from Organic and Conventional Dairy Farms. Syst. Appl. Microbiol. 2008, 31, 126–140. [Google Scholar] [CrossRef] [PubMed]
- Fromm, H.I.; Boor, K.J. Characterization of Pasteurized Fluid Milk Shelf-life Attributes. J. Food Sci. 2004, 69, M207–M214. [Google Scholar] [CrossRef]
- Schmidt, V.S.J.; Kaufmann, V.; Kulozik, U.; Scherer, S.; Wenning, M. Microbial Biodiversity, Quality and Shelf Life of Microfiltered and Pasteurized Extended Shelf Life (ESL) Milk from Germany, Austria and Switzerland. Int. J. Food Microbiol. 2012, 154, 1–9. [Google Scholar] [CrossRef]
- Lücking, G.; Stoeckel, M.; Atamer, Z.; Hinrichs, J.; Ehling-Schulz, M. Characterization of Aerobic Spore-Forming Bacteria Associated with Industrial Dairy Processing Environments and Product Spoilage. Int. J. Food Microbiol. 2013, 166, 270–279. [Google Scholar] [CrossRef]
- Soni, A.; Oey, I.; Silcock, P.; Permina, E.; Bremer, P.J. Differential Gene Expression for Investigation of the Effect of Germinants and Heat Activation to Induce Germination in Bacillus Cereus Spores. Food Res. Int. 2019, 119, 462–468. [Google Scholar] [CrossRef]
- Fan, L.; Hou, F.; Muhammad, A.I.; Ruiling, L.V.; Watharkar, R.B.; Guo, M.; Ding, T.; Liu, D. Synergistic Inactivation and Mechanism of Thermal and Ultrasound Treatments against Bacillus Subtilis Spores. Food Res. Int. 2019, 116, 1094–1102. [Google Scholar] [CrossRef]
- Evelyn; Silva, F.V.M. Thermosonication versus Thermal Processing of Skim Milk and Beef Slurry: Modeling the Inactivation Kinetics of Psychrotrophic Bacillus Cereus Spores. Food Res. Int. 2015, 67, 67–74. [Google Scholar] [CrossRef]
- Soni, A.; Oey, I.; Silcock, P.; Bremer, P.J. Impact of Temperature, Nutrients, PH and Cold Storage on the Germination, Growth and Resistance of Bacillus Cereus Spores in Egg White. Food Res. Int. 2018, 106, 394–403. [Google Scholar] [CrossRef]
- Datta, N.; Hayes, M.G.; Deeth, H.C.; Kelly, A.L. Significance of Frictional Heating for Effects of High Pressure Homogenisation on Milk. J. Dairy Res. 2005, 72, 393–399. [Google Scholar] [CrossRef]
- Pereda, J.; Ferragut, V.; Quevedo, J.M.; Guamis, B.; Trujillo, A.J. Effects of Ultra-High Pressure Homogenization on Microbial and Physicochemical Shelf Life of Milk. J. Dairy Sci. 2007, 90, 1081–1093. [Google Scholar] [CrossRef] [PubMed]
- Georget, E.; Miller, B.; Aganovic, K.; Callanan, M.; Heinz, V.; Mathys, A. Bacterial Spore Inactivation by Ultra-High Pressure Homogenization. Innov. Food Sci. Emerg. Technol. 2014, 26, 116–123. [Google Scholar] [CrossRef]
- Roig-Sagués, A.X.; Velázquez, R.M.; Montealegre-Agramont, P.; López-Pedemonte, T.J.; Briñez-Zambrano, W.J.; Guamis-López, B.; Hernandez-Herrero, M.M. Fat Content Increases the Lethality of Ultra-High-Pressure Homogenization on Listeria Monocytogenes in Milk. J. Dairy Sci. 2009, 92, 5396–5402. [Google Scholar] [CrossRef] [PubMed]
- Roig-Sagués, A.X.; Asto, E.; Engers, I.; Hernández-Herrero, M.M. Improving the Efficiency of Ultra-High Pressure Homogenization Treatments to Inactivate Spores of Alicyclobacillus spp. in Orange Juice Controlling the Inlet Temperature. Lwt 2015, 63, 866–871. [Google Scholar] [CrossRef]
- Levy, R.; Okun, Z.; Shpigelman, A. High-Pressure Homogenization: Principles and Applications Beyond Microbial Inactivation. Food Eng. Rev. 2021, 13, 490–508. [Google Scholar] [CrossRef]
- Shirgaonkar, I.Z.; Lothe, R.R.; Pandit, A.B. Comments on the Mechanism of Microbial Cell Disruption in High-Pressure and High- Speed Devices. Biotechnol. Prog. 1998, 14, 657–660. [Google Scholar] [CrossRef]
- Amador-Espejo, G.G.; Suàrez-Berencia, A.; Juan, B.; Bárcenas, M.E.; Trujillo, A.J. Effect of Moderate Inlet Temperatures in Ultra-High-Pressure Homogenization Treatments on Physicochemical and Sensory Characteristics of Milk. J. Dairy Sci. 2014, 97, 659–671. [Google Scholar] [CrossRef]
- Osaili, T.M.; Shaker, R.R.; Al-Haddaq, M.S.; Al-Nabulsi, A.A.; Holley, R.A. Heat Resistance of Cronobacter Species (Enterobacter Sakazakii) in Milk and Special Feeding Formula. J. Appl. Microbiol. 2009, 107, 928–935. [Google Scholar] [CrossRef]
- Casadei, M.A.; De Matos, R.E.; Harrison, S.T.; Gaze, J.E. Heat Resistance of Listeria Monocytogenes in Dairy Products as Affected by the Growth Medium. J. Appl. Microbiol. 1998, 84, 234–239. [Google Scholar] [CrossRef]
- MacDonald, F.; Sutherland, A.D. Effect of Heat Treatment on Listeria Monocytogenes and Gram-negative Bacteria in Sheep, Cow and Goat Milks. J. Appl. Bacteriol. 1993, 75, 336–343. [Google Scholar] [CrossRef]
- Kheadr, E.E.; Vachon, J.F.; Paquin, P.; Fliss, I. Effect of Dynamic High Pressure on Microbiological, Rheological and Microstructural Quality of Cheddar Cheese. Int. Dairy J. 2002, 12, 435–446. [Google Scholar] [CrossRef]
- Diels, A.M.J.; Callewaert, L.; Wuytack, E.Y.; Masschalck, B.; Michiels, C.W. Inactivation of Escherichia Coli by High-Pressure Homogenisation Is Influenced by Fluid Viscosity but Not by Water Activity and Product Composition. Int. J. Food Microbiol. 2005, 101, 281–291. [Google Scholar] [CrossRef] [PubMed]



| Target Pressure/Valve Temperature | Pressure (MPa ± SD) | Initial Milk Temperature (°C ± SD) | Inlet Temperature, Ti (°C ± SD) | Valve Temperature, Tv (°C ± SD) | Outlet Temperature, To (°C ± SD) |
|---|---|---|---|---|---|
| 250 MPa/127 °C | 257.8 ± 2.9 | 10.5 ± 1.5 | 84.6 ± 2.5 | 127.2 ± 2 | 19.5 ± 2.3 |
| 200 MPa/117 °C | 205.0 ± 18.4 | 9.8 ± 1.3 | 83.6 ± 1.1 | 117.3 ± 1.8 | 17.6 ± 2.5 |
| 250 MPa/117 °C | 258.0 ± 4.7 | 10.4 ± 1.4 | 71.0 ± 4.2 | 118.3 ± 2.6 | 17.4 ± 0.5 |
Disclaimer/Publisher’s Note: The statements, opinions and data contained in all publications are solely those of the individual author(s) and contributor(s) and not of MDPI and/or the editor(s). MDPI and/or the editor(s) disclaim responsibility for any injury to people or property resulting from any ideas, methods, instructions or products referred to in the content. |
© 2024 by the authors. Licensee MDPI, Basel, Switzerland. This article is an open access article distributed under the terms and conditions of the Creative Commons Attribution (CC BY) license (https://creativecommons.org/licenses/by/4.0/).
Share and Cite
Antony, A.; Soni, A.; Samuelsson, L.M.; Weeks, M.; Woo, M.W.; Quek, S.-Y.; Farid, M.; Gupta, T. Impact of Ultra-High-Pressure Homogenisation on the Inactivation of Bacillus pumilus and Bacillus subtilis Spores in Sheep and Cow Milk. Foods 2024, 13, 3452. https://doi.org/10.3390/foods13213452
Antony A, Soni A, Samuelsson LM, Weeks M, Woo MW, Quek S-Y, Farid M, Gupta T. Impact of Ultra-High-Pressure Homogenisation on the Inactivation of Bacillus pumilus and Bacillus subtilis Spores in Sheep and Cow Milk. Foods. 2024; 13(21):3452. https://doi.org/10.3390/foods13213452
Chicago/Turabian StyleAntony, Anila, Aswathi Soni, Linda M. Samuelsson, Mike Weeks, Meng Wai Woo, Siew-Young Quek, Mohammed Farid, and Tanushree Gupta. 2024. "Impact of Ultra-High-Pressure Homogenisation on the Inactivation of Bacillus pumilus and Bacillus subtilis Spores in Sheep and Cow Milk" Foods 13, no. 21: 3452. https://doi.org/10.3390/foods13213452
APA StyleAntony, A., Soni, A., Samuelsson, L. M., Weeks, M., Woo, M. W., Quek, S.-Y., Farid, M., & Gupta, T. (2024). Impact of Ultra-High-Pressure Homogenisation on the Inactivation of Bacillus pumilus and Bacillus subtilis Spores in Sheep and Cow Milk. Foods, 13(21), 3452. https://doi.org/10.3390/foods13213452

