Abstract
In this paper, we investigate the optical absorption and luminescence spectra of rare-earth garnets activated by the terbium (Tb3+) ion, as well as their magneto-optical properties. Crystals of terbium gallium garnet (TbGaG) and terbium aluminum garnet (TbAlG) are considered. The focus is on the physical and optical properties and structural features of the energy levels of rare-earth ions in the crystal field of garnets. This work highlights the importance of studying intraconfigurational 4f-4f and interconfigurational 4f-5d transitions, as well as the influence of the crystal field on the magnetic and optical properties of materials. Integrated methods are used, including absorption spectroscopy, luminescence and magneto-optical studies, which allows us to obtain detailed information on the excited states of rare-earth ions. The experimental results show the presence of significant Zeeman shifts, as well as anisotropy of the absorption and luminescence spectra, depending on the orientation of the crystal lattice and the external magnetic field. This work contributes to our understanding of the mechanisms of light absorption and emission in rare-earth garnets, which may facilitate the development of new optoelectronic devices based on them.
1. Introduction
Among crystals activated by rare-earth (RE) ions or including RE ions in their stoichiometric composition, crystals of RE garnets are of great theoretical and practical interest, for example, crystals of RE garnets—gallates (R3Ga5O12) (RGaG) and aluminates R3Al5O12 (RAG). At present, it is assumed that chemically stable, mechanically strong and optically homogeneous single crystals of terbium gallate garnets Tb3Ga5O12 (TbGaG) can be used to create functional optoelectronic devices (optical isolators and modulators, highly efficient laser matrices, elements of integrated optics devices, etc.). Further progress in the development of rare-earth garnet applications in optics requires a more in-depth study of the energy spectrum of RE3+ ions in the crystal field in the garnet structure, since a number of issues concerning both the features of the microscopic description of the main mechanisms of the absorption and emission of light in rare-earth garnets for a particular region of the optical range, and the microscopic mechanisms of the magneto-optical activity (MOA) of rare-earth ions in garnet crystals, remain relatively poorly understood to date. In this regard, the problem of identifying forbidden (in the electric dipole approximation) intraconfiguration 4f→4f transitions and allowed (by spin and parity) interconfiguration 4f→5d transitions of non-Kramers (with an even number of electrons in the unfilled 4f shell) RE ions, which include Tb3+, seems to be very relevant. On the one hand, the solution to this problem is associated with certain difficulties, connected with the non-trivial features of the Stark splitting of the energy states of non-Kramers RE ions in the garnet structure, often formed of so-called quasi-doublet states (formed of two closely located Stark singlets) that are not directly resolved in optical experiments. On the other hand, the complex behavior of the observed optical spectra can be caused by the effect of the superposition of optical transitions occurring in rare-earth ions occupying different crystallographically nonequivalent positions (D2 symmetries) [1,2,3,4].
The integrated use of optical and magneto-optical research methods allows us to obtain important experimental information, practically inaccessible using other physical research methods, about excited electronic states of non-Kramers RE ions in garnet crystals, and to substantially deepen and clarify existing ideas about the relationship between magneto-optical effects and the Stark structure of the energy spectra of non-Kramers RE ions in garnet crystals.
To understand the nature of magnetic, optical, magneto-optical and other properties of rare-earth gallate garnets and aluminate garnets, it is necessary to know the energy spectrum of RE ions in these crystals. Rare-earth ions are characterized by a large value of spin–orbit interaction, and for their total orbital L and spin S moments of 4f electrons, the Russell–Saunders approximation is satisfied [5,6,7].
In this case, the energy spectrum of the RE ion is split into terms characterized by the given L and S, and the main term, determined by Hund’s rules, is degenerated (2L+1)⋅(2S+1) times and is separated from the excited terms by an energy interval of ~104–105 cm−1 [8]. The spin–orbit interaction leads to splitting of the terms into multiplets with certain values of the total angular momentum J, where each multiplet is (2J+1)-fold degenerated, and its wave functions are well-known spherical harmonics [8]. The degeneracy of multiplets is removed only due to the Coulomb (or so-called configurational) interaction external to the electron system of the RE ion—for example, the energy intervals from the ground multiplet of the RE ion to the first excited one are ~103 cm−1 [8,9]. In the garnet crystal lattice, the RE ions are affected (with the exception of the Gd3+ ion) by the crystalline field (CF) created by the oxygen ions, which, along with the exchange and dipole–dipole interactions, leads to the splitting of their multiplets. Strong screening of the internal 4f electrons by the external 5s2 and 5p6 shells of the RE ion determines the magnitude of their interaction with the crystal field, which is significantly less than the magnitude of the spin–orbit interaction.
In this case, the above scheme for constructing the energy spectrum of a free RE ion is not violated, and the crystal field can be considered a perturbation that removes (partially or completely) the (2J+1)-fold degeneracy of multiplets and weakly mixes (in the second order of perturbation theory) states with different J. In this case, the total angular momentum approximately remains a “good” quantum number. The interaction of RE ions with the crystal field in garnets is significantly greater in magnitude than the exchange and dipole–dipole interactions of RE ions with each other. The splitting of the main multiplet of the RE ion by the crystal field in garnets is ~102–103 cm−1, while the splitting caused by dipole–dipole and exchange interactions is ~1 cm−1 [1]. Therefore, when considering the energy spectrum of rare-earth ions in these compounds, the influence of exchange and dipole–dipole interactions in the high-temperature region (T~100 K) is usually neglected.
2. Results and Discussion
Based on the data presented in Table 1, we constructed the optical absorption and the luminescence spectrum (Figure 1) for paramagnetic TbGaG garnet.
Table 1.
Optical interaction and luminescence spectra of paramagnetic TbGaG garnet. Wavelength (nm): 10 nm steps from 480 to 560 nm as an example. Absorption: absorption intensity values for the spectrum 7F6→5D4. Luminescence (units): intensity values for the spectrum 5D4→7F6.
Figure 1.
The spectrum of the absorption band 7F6→5D4 (left) and the spectrum of the luminescence band 5D4→7F6 (right) in TbGaG, recorded at T = 78 K.
Figure 1 presents the absorption spectrum of the transition from the 4f sublevel to the 4f ground state of the Tb3+ ion in the TbGaG compound. This spectrum was obtained at a temperature of 78 Kelvin in the absence of an external field. The figure also displays the corresponding emission spectrum. The vertical lines indicate the characteristic features of both the absorption and emission bands, which exhibit remarkable correspondence in terms of their energy levels. It is evident from Figure 2 that absorption lines 1, 4, 5, 6 and 7 appear as singlets and are believed to originate from the fundamental state of the 7F6 multiplet of the rare-earth ion Tb3+. Furthermore, the absorption lines with energies of approximately ~20,550 cm−1 (~486.6 nm) and ~20,428 cm−1 (~489.5 nm) correspond to doublet lines 2 and 3 and doublet lines 8 and 9, respectively. Lines 2 and 3 are likewise attributable to optical transitions originating from the ground state. Conversely, lines 8 and 9 can be attributed to optical transitions occurring from excited Stark sub-levels of the fundamental 7F6 multiplet of the Tb3+ ion in the structure of terbium gallium garnet.
Figure 2.
Absorption bands 7F6→5D4 at T = 1.8 K. TbGaG. Characteristic features of absorption and luminescence bands are indicated by numbered vertical arrows.
Figure 2 shows the absorption lines corresponding to the 7F6→5D4 transitions for the material TbGaG (terbium gallium garnet) at T = 1.8 K. The characteristic features of the absorption and luminescence bands in these spectral lines are indicated by numbered vertical arrows. Such images usually help to determine the characteristics of the quantum transitions between the energy levels of the material and the processes of energy absorption and emission.
Figure 3 shows the spectral dependences of the 7F6→5D4 absorption band recorded in the right σ+ and left σ− circular polarizations at T = 90 K in isomorphic TbAG garnets with an external field-oriented H =7 kOe along the crystallographic direction [001]. It is interesting to note that, although the significant Zeeman shifts in the resonance frequencies of lines 1 and 3 of the 7F6→5D4 absorption band in TbAG have different signs, the nature of the change in their intensities in the σ+ and σ− polarizations is completely analogous to the behavior of the intensities of lines 5 and 6 in the absorption spectrum of TbGaG (from the literature data).
Figure 3.
A Spectrum of the absorption band 7F6→5D4 in TbAlG, recorded in the right σ+ (solid lines) and left σ− (dashed lines) polarizations at T = 90K in an external magnetic field H = 7 kOe parallel to the crystallographic axis [001]. In the inset: the field dependence of the Zeeman splitting of the absorption line 1 at T = 90 K.
Figure 4 shows the luminescence spectrum of TbGaG at a temperature of 78 K on the radiative 4f-4f transition. A sufficiently high optical resolution of the spectrofluorometer used made it possible to record the fine structure of a number of emission lines (especially for the radiative 4f-4f transitions 5D4→7F6 and 5D4→7F5) of the Tb3+ rare-earth ion in the structure of terbium gallium garnet in the [111] direction at the radiative 4f-4f transition 5D4→7F5. The figure shows the numbers of the corresponding luminescence lines.
Figure 4.
Luminescence spectrum of paramagnetic garnet Tb3Ga5O12, recorded at T = 78 K.
The results of studying the optical absorption and luminescence spectra of paramagnetic garnet TbGa demonstrate a number of significant patterns regarding the transitions of terbium ions Tb3+ between their energy levels.
- (a)
- Absorption and luminescence spectroscopy: The analysis of the data, the results of which are presented in Table 1 and Figure 1, reveals a clear correlation between the wavelengths corresponding to maximum absorption and luminescence. Maximum absorption occurs at a wavelength of 510 nm, corresponding to an intensity of 1.00. Peak luminescence is observed at a wavelength of 520 nm and reaches a maximum value of one. This correspondence confirms the coherence of the energy states involved in the transitions 7F6→5D4 (absorption) and 5D4→7F8 (luminescence).
- (b)
- Analysis of the structure of absorption lines: Figure 2 shows detailed absorption spectra recorded at ultralow temperatures of 1.8 K. It can be seen that absorption bands at 1, 4, 5, 6 and 7 are single-peaked, indicating their origin from the ground state 9F5. Doublet bands 2 and 3 (with energies of ≈20,550 cm−1 and ≈204.28 cm−1) also correspond to ground-state transitions, while bands 8 and 9 are associated with excited sublevels. This result is consistent with the multiplet structure of Tb3+, confirming the reliability of the observed transitions.
- (c)
- Influence of an external magnetic field: The absorption spectra show a clear dependence on crystal orientation, indicating the significant influence of the crystal field on the spectral characteristics of terbium in its trivalent state. This confirms the strong effect of local symmetry on energy levels, resulting in sharp splitting.
- (d)
- Fine luminescent structures: Figure 4 presents a close-up view of the TbGa luminescent spectrum at a temperature of 7 K. High optical resolution allowed for the detection of fine structures corresponding to the 5D3→7F7 and 5F5→7D8 transitions, indicating weak interactions between energy states and the possible influence of the crystal environment on the spectral properties of terbium. The luminescent spectra reveal that the most intense emission is associated with the 5D→7F transition characteristic of terbium in the trivalent state, with the intensity depending on the wavelength of exciting radiation. The spectra exhibit a complex band structure, which can be explained by the splitting of energy levels under the action of the crystal field.
3. Materials and Methods
At present, there are no sufficiently accurate methods for calculating the parameters of the crystal field (); therefore, in general, it is not possible to directly determine the structure of the energy spectrum of RE ions in garnets.
To construct the energy levels of RE ions, we usually start from a certain model, within the framework of which HΚp is considered as an effective Hamiltonian, and the coefficients () are considered phenomenological parameters determined by fitting the spectrum HΚp to the energy spectrum of the ion in the crystal, obtained directly from optical measurements or found by indirect methods using data from magnetic, magneto-optical and magnetoelastic studies [10,11,12,13]. This approach allows us to unambiguously decipher and interpret the structure of the energy states of rare-earth ions in garnet crystals formed under the influence of a crystal field. Measurements of absorption spectra, luminescence, Raman scattering and some other effects in rare-earth garnets made it possible to obtain information about the nature of the splitting of multiplets of rare-earth ions in a crystal field and to determine the number and location of their energy levels [14,15,16].
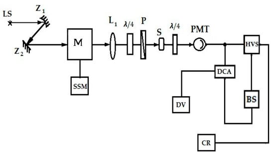
The measuring setup used provided the ability to record the optical absorption spectrum (or more precisely, the optical density D) of the paramagnetic garnet under study, TbYAlG (Tb0.2Y2.8Al5O12). A modified method of measuring the optical density (or absorption coefficient) was used α based on the principle of stabilizing the average current of the photodetector of a single-beam spectrophotometer, which made it possible to implement the recording of absorption spectra in wide spectral ranges in a relatively simple version [17,18]. A characteristic feature of this technique (see Figure 5) is that During continuous recording of an analog signal on a measuring recorder, while scanning the wavelengths of the absorption spectrum (or more precisely, the optical density) of the sample being studied, a signal proportional to the high voltage supplied to the dynodes of the photomultiplier is recorded.
Figure 5.
Schematic diagram of a modified single-beam spectrophotometer with continuous signal recording: LS—light source; M—monochromator; Z1—spherical; Z2—flat mirrors of the mirror illuminator; P—polarizer; L1—collecting lens; S—sample; PMT—photomultiplier; BS—PMT average current stabilization unit; HVS—high-voltage source (high-voltage rectifier); DCA—direct current amplifier; DV—digital voltmeter; CR—chart recorder; SSM—spectrum scan motor.
It has been reliably established that the ground state of Kramers ions (Dy3+, Er3+, etc.) in the structure of garnets is a doublet separated from the first excited sublevels of the ground multiplet of the RE ion by an energy interval of ~30–500 cm−1. At the same time, the ground states of non-Kramers RE ions are either fairly well-isolated Stark singlets (Pr3+, Ho3+), or so-called quasi-doublets formed of closely located Stark singlets (the “gap” value does not exceed ~1 cm−1), also fairly clearly separated from the excited Stark sublevels of the ground multiplet of the RE ion (Tb3+, Ho3+); the ground state of the Gd3+ ion is an orbital singlet (S ion, since, in this case, L = 0).
A similar energy structure of the energy spectrum of the rare-earth ion in the garnet structure leads to certain (and very nontrivial) features in the behavior of the magnetic properties and magneto-optical rare-earth garnets.
When conducting optical, magneto-optical and magnetic measurements of rare-earth orthoaluminates and garnets, a number of experimental measuring setups were used:
- (a)
- Installation for measuring the spectra of the degree of MCPL and luminescence.
- (b)
- A modified single-beam spectrophotometer with continuous recording of the optical absorption signal.
All the above-mentioned measuring devices made it possible to carry out reliable experimental studies of the optical, magnetic and magneto-optical characteristics of rare-earth orthoaluminates and garnets in a wide temperature range of 78–300 K with good hardware resolution.
Various methods for measuring the degree of polarization (in particular, circular) are based on the modulation of the state of polarization with subsequent transformation into modulation of the intensity of the light flux.
The principles of using the modulated polarization method in precision optical experiments are thoroughly explained in references [19,20]. These sources also highlight the significant advantages of using a method based on the modulation of the ellipticity of a light beam. This modulation occurs during high-frequency (20–100 kHz) modulation of the birefringence of a homogeneous block of isotropic material. One of the main strengths of this technique is the ability to use light radiation with almost 100% depth of modulation of the polarization state. This is particularly important when studying highly absorbing, poorly reflecting or weakly luminous media. Traditional polarimetric techniques have a relatively low signal-to-noise ratio in such cases. Currently, fused silica is commonly used as a polarization modulator. The polarization modulation is caused by a change in the optical anisotropy of fused quartz, which is, in turn, caused by its periodic deformation. The degree of optical anisotropy of quartz is directly proportional to its mechanical deformation, as explained in [21]. When longitudinal oscillations with a frequency Ω are excited in quartz, the phase shift between the orthogonal components of the electric vector of the light wave is given by the equation
It is clear that in this experimental geometry, measuring the degree of MCPL (modulation of circular polarization) is reduced to determining the degree of circularity of the secondary (partially polarized) glow. This glow is caused by the magnetization of the sample in a longitudinal magnetic field H using a phase-controlled “circular analyzer” [22]. The magnitude and sign of the ratio of the alternating and constant signals completely determine the magnitude and sign of the degree of MCPL, denoted as P.
Consequently, the measurement of the mean circular polarization (MCPL) is reduced to the determination of the degree of circularity in partially polarized radiation. This is achieved by subjecting the sample to a longitudinal magnetic field H and using a phase-controlled ”circular analyzer“ to magnetize the sample. The first-order Bessel function has a direct influence on the experimentally measured value of p [22,23,24,25,26].
4. Conclusions
The main results of this work are as follows:
- (a)
- The experiments conducted on terbium gallium garnet (TbGaG) and terbium aluminum garnet (TbAlG) show the presence of significant Zeeman shifts and spectral anisotropy depending on the orientation of the crystal lattice and the external magnetic field. These observations allow us to deepen our understanding of the mechanisms of light absorption and emission in rare-earth garnets, opening up new prospects for the development of highly efficient optoelectronic devices.
- (b)
- The key aspects of this study were the identification of the structure of energy levels of rare-earth ions in a crystal field, as well as the use of complex spectroscopy methods.
- (c)
- The results of this work show that rare-earth garnets, such as TbGaG and TbAlG, have significant potential for use in the field of optics and magneto-optics, which makes them promising materials for the creation of new technologies.
Author Contributions
Conceptualization, R.R.S.; Methodology, I.M.K.; Software, I.M.K. and F.O.D.; Validation, R.R.S.; Formal analysis, A.M.M., M.X.K. and K.K.K.; Resources, A.M.M., M.X.K. and K.K.K.; Data curation, N.Z.M.; Writing—review & editing, N.S.B., M.M. and S.R.K.; Supervision, M.X.K.; Project administration, K.F.M.; Funding acquisition, K.F.M. All authors have read and agreed to the published version of the manuscript.
Funding
This research received no external funding.
Data Availability Statement
The original contributions presented in this study are included in the article. Further inquiries can be directed to the corresponding authors.
Conflicts of Interest
The authors declare no conflict of interest.
References
- Rustamov, U.R. Optical and Magneto-Optical Spectra of Rare Earth Ions Ho3+ and Tb3+ in Garnet Crystals Monograph; Olmaliq kitob biznes: Chirchik, Uzbekistan, 2024; 106p. [Google Scholar]
- Zhiyuan, W.; Zhang, F.; Datsenko, O.I.; Golovynskyi, S.; Sun, Z.; Li, B.; Wu, H. High-sensitive optical thermometry via thermally coupled levels of Er in AlN thin film. J. Alloys Compd. 2023, 946, 169350. [Google Scholar]
- Zhao, L.; Li, W.; Fan, Z.; Cao, Y.; Zhang, F.; Qin, Z.; Li, B.; Sun, Z.; Wu, H. Self-powered solar-blind photodetectors based on AlN/a-Ga2O3 heterojunction with nanocolumnar structure on various substrates. CrystEngComm 2024, 26. [Google Scholar] [CrossRef]
- Baranovskaya, V.B.; Yu, K.; Petrova, K.V.; Korotkova, N.A. Topical trends in the application of rare-earth metals and their compounds in the production of magnetic and luminescent materials. Izv. Non-Ferr. Metall. 2020, 4–23. (In Russian) [Google Scholar] [CrossRef]
- Lexovsky, A.M.; Borovikov, V.A.; Bazarov, N.S.; Abdumanonov, A.A. Detection of microcracks in rock samples using luminescent microscopy. Lett. ZHTF 1996, 22, 6–9. [Google Scholar]
- Shcherbakov, I.P.; Vettegren, V.I.; Mamalimov, R.I.; Makhmudov, K.F. The influence of stress on electron emission initiated by a shock wave from a heterogeneous material (granite). Phys. Solid State 2017, 59, 575–577. [Google Scholar] [CrossRef]
- Chunhui, H.; Zhu, Z. The effect of trace Fe3+ on the magneto-optical properties of Tb3+ doped B2O3-GeO2-Al2O3-ZnO-BaO glass. Opt. Mater. 2024, 154, 115706. [Google Scholar]
- Belov, K.P.; Zvezdin, A.K.; Kadomtseva, A.M.; Levitin, R.Z. Orientation Transitions in Rare Earth Magnets; Springer: Moscow, Russia, 1979; 317p. [Google Scholar]
- Valiev, U.V.; Gruber, J.B.; Burdick, G.W.; Mukhammadiev, A.; Fu, D.; Pelenovich, V.O. Some interesting features of the Tb3+ magnetooptics in the paramagnetic garnets. Opt. Mater. 2014, 36, 1101–1111. [Google Scholar] [CrossRef]
- Koningstein, J.A.; Kane-Maguire, C.J. Electronic Raman spectroscopy and magnetic susceptibility. Can. J. Chem. 1974, 52, 3445–3450. [Google Scholar] [CrossRef]
- Feihong, Z.; Golovynskyi, S.; Datsenko, O.I.; Wang, Z.; Wang, P.; Luo, J.; Kravchenko, V.M.; Sun, Z.; Li, B.; Jin, L.; et al. Photoluminescence thermometry using broadband multi-peak detection in Eu2+/Eu3+-codoped oxygen-rich AlN film. Opt. Mater. 2024, 149, 115095. [Google Scholar]
- Sagar, R.; Shyam, Y.; Rai, B. Concentration and wavelength dependent frequency downshifting photoluminescence from a Tb3+ doped yttria nano-phosphor: A photochromic phosphor. J. Phys. Chem. Sol. 2018, 114, 179–186. [Google Scholar]
- Bartos, J.; Ba Tis, T.; Mingming, N.; Huang, S.-W.; Park, W. High-Verdet Constant and Low-Optical Loss Tb3+ Doped Magnetite Nanoparticles. Nano Lett. 2024, 24, 9163–9168. [Google Scholar] [CrossRef] [PubMed]
- Gavignet-Tillard, A.; Hamman, J.; De Seze, L. Crystal-field splitting of the fundamental multiplet of Tb3+ in terbium aluminum garnet. J. Phys. Chem. Solids 1973, 34, 241–248. [Google Scholar] [CrossRef]
- Bingyan, L.; Zhu, Z. The effect of Tb3+ on magneto-optical properties of GeO2-B2O3-Li2O-MgO glasses. J. Non-Cryst. Solids 2023, 609, 122265. [Google Scholar]
- Lee, Y.I.; Wong, Y.J.; Chang, H.W.; Chang, W.C. Coercivity enhancement of hot-deformed NdFeB magnets by doping R80Ga20 (R = Pr, Dy, Tb) alloys. J. Magn. Magn. Mater. 2019, 478, 43–47. [Google Scholar] [CrossRef]
- Gao, G.; Winterstein-Beckmann, A.; Surzhenko, O.; Dubs, C.; Dellith, J.; Schmidt, M.A.; Wondraczek, L. Faraday rotation and photoluminescence in heavily Tb3+-doped GeO2-B2O3-Al2O3-Ga2O3 glasses for fiber-integrated magneto-optics. Sci. Rep. 2015, 5, 8942. [Google Scholar] [CrossRef]
- Han, X.; Liu, C.; Niu, L.; Zheng, X.; Duan, C.; Sun, X.; Ren, J.; Zhang, J. Tb3+-doped fluoro-borosilicate magneto-optical glass with a large Verdet constant for current sensing. Ceram. Int. 2024, 51, 1096–1102. [Google Scholar] [CrossRef]
- Franco, D.F.; Fernandes, R.G.; Felix, J.F.; Mastelaro, V.R.; Eckert, H.; Afonso, C.R.M.; Messaddeq, Y.; Messaddeq, S.H.; Morency, S.; Nalin, M. Fundamental studies of magneto-optical borogermanate glasses and derived optical fibers containing Tb3+. J. Mater. Res. Technol. 2021, 11, 312–327. [Google Scholar] [CrossRef]
- Elyashevich, M.A. Spectra of Rare Earths; State Publishing Company of Technical and Theoretical Literature: Moscow, Russia, 1953; 456p. [Google Scholar]
- Franco, D.F.; Ledemi, Y.; Correr, W.; Morency, S.; Afonso, C.R.M.; Messaddeq, S.H.; Messaddeq, Y.; Nalin, M. Magneto-optical borogermanate glasses and fibers containing Tb3+. Sci. Rep. 2021, 11, 9906. [Google Scholar] [CrossRef]
- Gruber, J.B.; Zandi, B.; Valiev, U.V.; Rakhimov, S.A. Crystal Field Splitting of Some Quintet States of Tb3+ in Aluminum Garnets. Phys. Rev. 2004, 69, 115103. [Google Scholar] [CrossRef]
- Jia, H.; Zhu, Z. Concentration-wavelength dependence of magneto-optical properties in Tb3+-doped BGAP Glass. J. Non-Cryst. Solids 2021, 552, 120456. [Google Scholar] [CrossRef]
- Nosova, D.A.; Kashaeva, M.A.; Zarochentseva, E.P.; Vysotskaya, S.O.; Klemesheva, N.A.; Tsyganenko, A.A. Spectral-Luminescent Studies of Impurity Crystals of Triptycene; Bulletin of St. Petersburg State University: St. Petersburg, Russia, 2016. [Google Scholar]
- Shcherbakov, I.P.; Vettegren, V.I.; Mamalimov, R.I.; Makhmudov, K.F. Shockwave-Initiated Emission of Ions from Stressed Granite. Tech. Phys. 2019, 64, 352–355. [Google Scholar] [CrossRef]
- Kolobanov, V.N.; Mikhaylin, V.V.; Petrovnin, N.N.; Spassky, D.A.; Zorenko, Y.V. Investigation of luminescence spectra of the Y3Al5O12 and Y3Al5O12:Ce single-crystal films. Mosc. Univ. Phys. Bull. 2007, 62, 34–36. [Google Scholar] [CrossRef]
Disclaimer/Publisher’s Note: The statements, opinions and data contained in all publications are solely those of the individual author(s) and contributor(s) and not of MDPI and/or the editor(s). MDPI and/or the editor(s) disclaim responsibility for any injury to people or property resulting from any ideas, methods, instructions or products referred to in the content. |
© 2025 by the authors. Licensee MDPI, Basel, Switzerland. This article is an open access article distributed under the terms and conditions of the Creative Commons Attribution (CC BY) license (https://creativecommons.org/licenses/by/4.0/).




