Frequency Dependence of a Piezo-Resistive Method for Pressure Measurements of Laser-Induced Shock Waves in Solids
Abstract
1. Introduction
The Principle of the Shock Wave Induction
2. Materials and Methods
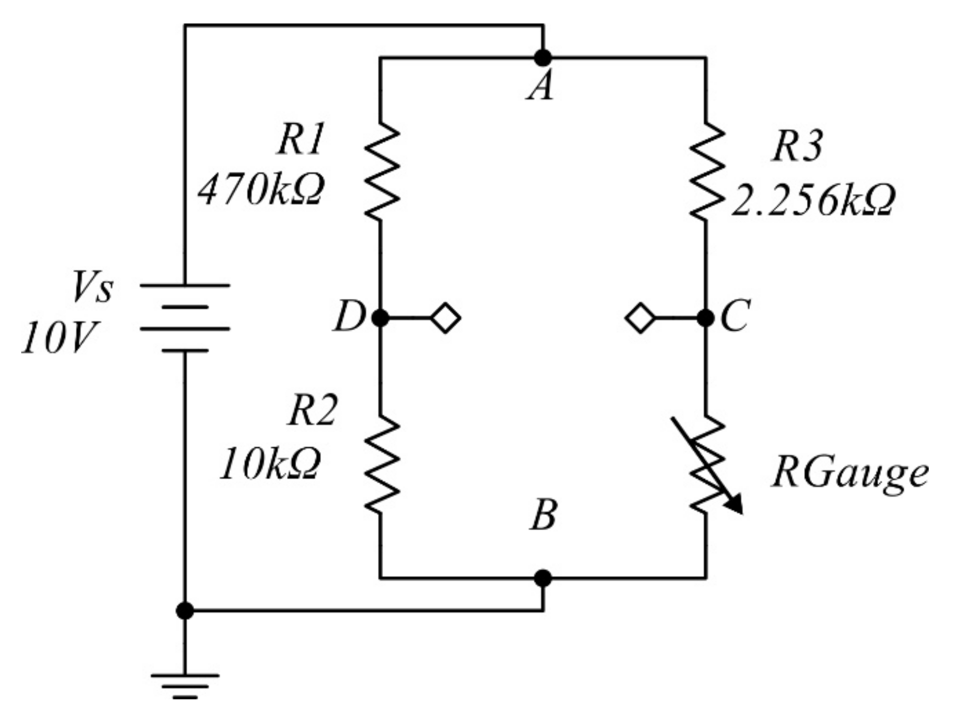
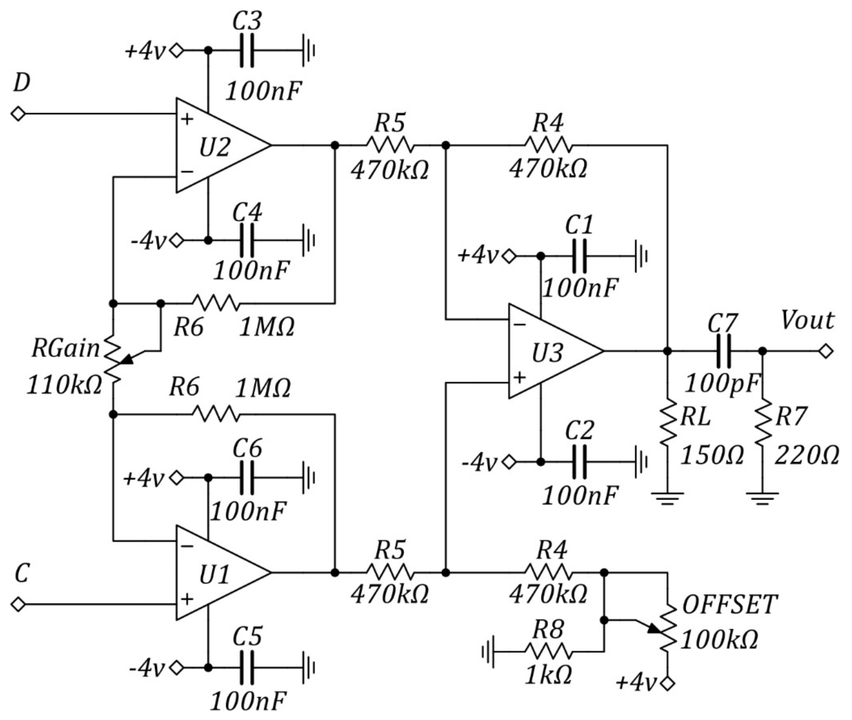
2.1. Experimental Setup
2.2. Frequency Dependence Correction
3. Results and Discussions
3.1. Frequency Dependence Correction
3.2. Shock Wave Pressure
4. Conclusions
Author Contributions
Funding
Data Availability Statement
Acknowledgments
Conflicts of Interest
Appendix A


References
- Romero, J.R.G.; Gomez-Rosas, G.; Garcia-Torales, G.; Strojnik, M. Piezoresistive Method for a Laser Induced Shock Wave Detection on Solids. In Proceedings of the SPIE Optical Engineering Applications, San Diego Convention Center, San Diego, CA, USA, 30 August 2017; Strojnik, M., Kirk, M.S., Eds.; SPIE: San Diego, CA, USA, 2017. [Google Scholar]
- Berthe, L.; Fabbro, R.; Peyre, P.; Tollier, L.; Bartnicki, E. Shock waves from a water-confined laser-generated plasma. J. Appl. Phys. 1997, 82, 2826–2832. [Google Scholar] [CrossRef]
- Fabbro, R.; Fournier, J.; Ballard, P.; Devaux, D.; Virmont, J. Physical study of laser-produced plasma in confined geometry. J. Appl. Phys. 1990, 68, 775–784. [Google Scholar] [CrossRef]
- Peyre, P.; Berthe, L.; Fabbro, R.; Sollier, A. Experimental determination by PVDF and EMV techniques of shock amplitudes induced by 0.6–3 ns laser pulses in a confined regime with water. J. Phys. D Appl. Phys. 2000, 33, 498–503. [Google Scholar] [CrossRef]
- Kiran, P.P.; Chelikani, L.; Bagchi, S.; Tewari, P.S. Direction-dependent asymmetric expansion of laser-induced shock waves in air. Proc. SPIE 2010, 7721, 772124. [Google Scholar]
- Gomez-Rosas, G.; Rubio-Gonzalez, C.; Ocaña, J.L.; Molpeceres, C.; Porro, J.A.; Morales, M.; Casillas, F.J. Laser Shock Processing of 6061-T6 Al alloy with 1064 nm and 532 nm wavelengths. Appl. Surf. Sci. 2010, 256, 5828–5831. [Google Scholar] [CrossRef]
- Montross, C.S.; Wei, T.; Ye, L.; Clark, G.; Mai, Y. Laser shock processing and its effects on microstructure and properties of metal alloys: A review. Int. J. Fatigue 2002, 24, 1021–1036. [Google Scholar] [CrossRef]
- Gujba, A.K.; Mamoun, M. Laser peening process and its impact on materials properties in comparison with shot peening and ultrasonic impact peening. Materials 2014, 7, 7925–7974. [Google Scholar] [CrossRef]
- Cao, Y.; Feng, A.; Hua, G. Influence of interaction parameters on laser shock wave induced dynamic strain on 7050 aluminum alloy surface. J. Appl. Phys. 2014, 116, 153105. [Google Scholar] [CrossRef]
- Cranch, G.A.; Lunsford, R.; Grün, J.; Weaver, J.; Compton, S.; May, M.; Kostinski, N. Characterization of laser-driven shock waves in solids using a fiber optic pressure probe. Appl. Opt. 2013, 52, 7791–7796. [Google Scholar] [CrossRef] [PubMed]
- Zou, X.; Wu, N.; Tian, Y.; Zhang, Y.; Fitek, J.; Maffeo, M.; Niezrecki, C.; Chen, J.; Wang, X. Ultrafast Fabry-Perot fiber-optic pressure sensors for multimedia blast event measurements. Appl. Opt. 2013, 52, 1248–1254. [Google Scholar] [CrossRef]
- Rosenberg, Z.; Yaziv, D.; Partom, Y. Calibration of foil-like manganin gauges in planar shock wave experiments. J. Appl. Phys. 1980, 51, 3702–3705. [Google Scholar] [CrossRef]
- Rosenberg, Z.; Brar, N.S. The influence of the elasto-plastic properties of piezoresistance gauges on their loading-unloading characteristics as lateral shock stress transducers. J. Appl. Phys. 1995, 77, 1443–1448. [Google Scholar] [CrossRef]
- Bourne, N.K.; Rosenberg, Z. Simultaneous manganin gauge and visar measurements of shock wave profiles. Proc. Am. Inst. Phys. 1980, 429, 849–852. [Google Scholar]
- Bruun, E. Constant-bandwidth current mode operational amplifier. Electron. Lett. 1991, 27, 1673. [Google Scholar] [CrossRef]
- Romero, J.R.G.; Garcia-Torales, G.; Rosas, G.G.; Ocaña, J.L.; Flores, J.L. Characterization of mechanical shock waves in aluminum 6061-T6 using a high power laser pulse. Infrared Remote Sens. Instrum. XXIV 2016, 9973, 99730. [Google Scholar] [CrossRef]
- Peyre, P.; Fabbro, R. Laser shock processing: A review of the physics and applications. Opt. Quantum Elect. 1995, 27, 1213–1229. [Google Scholar]
- Zhang, Z.; Nian, Q.; Doumanidis, C.C.; Liao, Y. First-principles modeling of laser-matter interaction and plasma dynamics in nanosecond pulsed laser shock processing. J. Appl. Phys. 2018, 123, 054901. [Google Scholar] [CrossRef]
- Scholl, M.S. Spatial and temporal effects due to target irradiation: A study. Appl. Opt. 1982, 21, 1615–1620. [Google Scholar] [CrossRef] [PubMed]
- Morales, M.; Porro, J.; Blasco, M.; Molpeceres, C.; Ocaña, J.L. Numerical simulation of plasma dynamics in laser shock processing experiments. Appl. Surf. Sci. 2009, 255, 5181–5185. [Google Scholar] [CrossRef]
- Trdan, U.; Porro, J.A.; Ocaña, J.L.; Grum, J. Laser shock peening without absorbent coating (LSPwC) effect on 3D surface topography and mechanical properties of 6082-T651 Al alloy. Surf. Coat. Technol. 2012, 208, 109–116. [Google Scholar] [CrossRef]
- Rubio-González, C.; Gomez-Rosas, G.; Ocaña, J.; Molpeceres, C.; Banderas, A.; Porro, J.; Morales, M. Effect of an absorbent overlay on the residual stress field induced by laser shock processing on aluminum samples. Appl. Surf. Sci. 2006, 252, 6201–6205. [Google Scholar] [CrossRef]
- Trdan, U.; Skarba, M.; Grum, J. Laser shock peening effect on the dislocation transitions and grain refinement of Al–Mg–Si alloy. Mater. Charact. 2014, 97, 57–68. [Google Scholar] [CrossRef]
- Scholl, M.S. Measured spatial properties of the cw Nd:YAG laser beam. Appl. Opt. 1980, 19, 3655–3659. [Google Scholar] [CrossRef] [PubMed]
- Gonzalez-Romero, R.; Garcia-Torales, G.; Gomez Rosas, G.; Strojnik, M. Spatial Dependence of a Laser-Induced Shock Wave Mitigator Matrix: A Numerical Study. In Proceedings of the SPIE Optical Engineering Applications, San Diego Convention Center, San Diego, CA, USA, 20 August 2020; Strojnik, M., Ed.; SPIE: San Diego, CA, USA, 2020. [Google Scholar]
- Duan, Z.; Liu, Y.; Pi, A.; Huang, F. Foil-like manganin gauges for dynamic high pressure measurements. Meas. Sci. Technol. 2011, 22, 075206. [Google Scholar] [CrossRef]
- Hu, H.; Liu, T.; Zhai, H. Comparison of femtosecond laser ablation of aluminum in water and in air by time-resolved optical diagnosis. Opt. Express 2015, 23, 628–635. [Google Scholar] [CrossRef] [PubMed]







| Aluminum Alloy | Tensile Strength | Elastic Limit | Elongation | Young’s Modulus | Fatigue Strength | Thermal Shock Resistance |
|---|---|---|---|---|---|---|
| MPa | MPa | % | GPa | MPa | ||
| 6061-T6 | 290 | 241 | 10 | 69 | 96 | 14 |
| 6063-T5 | 160 | 97 | 11 | 68 | 70 | 8 |
| IA Voltage Source | WB Voltage Source | Output Impedance | Current Consumption |
|---|---|---|---|
| [Vdc] | [Vdc] | [Ω] | [mA] |
| ±4 | 10 | 50 | 205 |
Publisher’s Note: MDPI stays neutral with regard to jurisdictional claims in published maps and institutional affiliations. |
© 2021 by the authors. Licensee MDPI, Basel, Switzerland. This article is an open access article distributed under the terms and conditions of the Creative Commons Attribution (CC BY) license (https://creativecommons.org/licenses/by/4.0/).
Share and Cite
Gonzalez-Romero, R.; Strojnik, M.; Garcia-Torales, G.; Gomez-Rosas, G. Frequency Dependence of a Piezo-Resistive Method for Pressure Measurements of Laser-Induced Shock Waves in Solids. Photonics 2021, 8, 120. https://doi.org/10.3390/photonics8040120
Gonzalez-Romero R, Strojnik M, Garcia-Torales G, Gomez-Rosas G. Frequency Dependence of a Piezo-Resistive Method for Pressure Measurements of Laser-Induced Shock Waves in Solids. Photonics. 2021; 8(4):120. https://doi.org/10.3390/photonics8040120
Chicago/Turabian StyleGonzalez-Romero, Ricardo, Marija Strojnik, Guillermo Garcia-Torales, and Gilberto Gomez-Rosas. 2021. "Frequency Dependence of a Piezo-Resistive Method for Pressure Measurements of Laser-Induced Shock Waves in Solids" Photonics 8, no. 4: 120. https://doi.org/10.3390/photonics8040120
APA StyleGonzalez-Romero, R., Strojnik, M., Garcia-Torales, G., & Gomez-Rosas, G. (2021). Frequency Dependence of a Piezo-Resistive Method for Pressure Measurements of Laser-Induced Shock Waves in Solids. Photonics, 8(4), 120. https://doi.org/10.3390/photonics8040120

