A 5 Gb/s Optoelectronic Receiver IC in 180 nm CMOS for Short-Distance Optical Interconnects
Abstract
1. Introduction
2. Circuit Description
2.1. On-Chip P+/NW APD
2.2. Cross-Coupled Differential Transimpedance Amplifier (CCD-TIA)
2.3. 3-Bit Continuous-Time Linear Equalizer (CTLE)
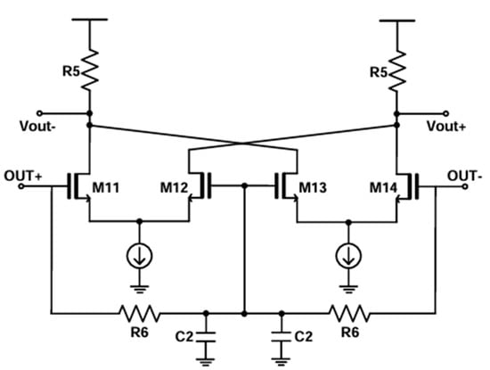
2.4. -Doubler
3. Chip Layout and Post Layout Simulation Results
4. Conclusions
Author Contributions
Funding
Institutional Review Board Statement
Informed Consent Statement
Data Availability Statement
Acknowledgments
Conflicts of Interest
References
- Lu, T.; Yue, L.; Lu, B.; Feng, X.; Han, H. Research and Application System Design of Intelligent Inspection of Multispectral Segment Optoelectronic Devices Based on 5G. In Proceedings of the 2022 IEEE 7th Optoelectronics Global Conference (OGC), Shenzhen, China, 6–11 December 2022. [Google Scholar]
- Kachris, C.; Kanonakis, K.; Tomkos, I. Optical interconnection networks in data centers: Recent trends and future challenges. IEEE Commun. Mag. 2013, 51, 39–45. [Google Scholar] [CrossRef]
- Chen, J. Optical Networks in Data Centers. In Proceedings of the 2019 24th OptoElectronics and Communications Conference (OECC) and 2019 International Conference on Photonics in Switching and Computing (PSC), Fukuoka, Japan, 7–11 July 2019. [Google Scholar]
- Taghavi, M.; Belostotski, L.; Haslett, J. A Bandwidth Enhancement Technique for CMOS TIA Driven by Large Photodiodes. In Proceedings of the 10th IEEE International NEWCAS Conference, Montreal, QC, Canada, 17–20 June 2012. [Google Scholar]
- Hasebe, K.; Zhao, X.; Sakaguchi, T.; Koyama, F.; Chang-Hasnain, C.J.; Nishiyama, N.; Caneau, C.; Zah, C.-E. Bandwidth Enhancement with Tunable Optical Equalizer for High-Speed Intensity Modulation. In Proceedings of the 2008 Conference on Lasers and Electro-Optics and 2008 Conference on Quantum Electronics and Laser Science, San Jose, CA, USA, 4–9 May 2008. [Google Scholar]
- Lakshmikumar, K.R.; Kurylak, A.; Nandwana, R.K.; Das, B.; Pampanin, J.; Boccuzzi, V.; Hanumolu, P.K. High-Performance CMOS TIA for Data Center Optical Interconnects. In Proceedings of the 2022 IEEE BiCMOS and Compound Semiconductor Integrated Circuits and Technology Symposium (BCICTS), Phoenix, AZ, USA, 16–19 October 2022. [Google Scholar]
- Joo, J.-E.; Lee, M.-J.; Park, S.M. CMOS Fully Differential Optoelectronic Receiver for Short-Range LiDAR Sensors. IEEE Sens. J. 2023, 23, 4930–4939. [Google Scholar] [CrossRef]
- Pan, Q.; Wang, Y.; Lu, Y.; Yue, C.P. An 18-Gb/s Fully Integrated Optical Receiver with Adaptive Cascaded Equalizer. IEEE J. Sel. Top. Quantum Electron. 2016, 22, 361–369. [Google Scholar] [CrossRef]
- Song, Y.; Choi, Y.; Jung, D.; Choi, S.; Park, S.-M. A Complementary Metal-Oxide-Semiconductor Optoelectronic Analog Front-End Preamplifier with Cross-Coupled Active Loads for Short-Range LiDARs. Sensors 2025, 25, 1040. [Google Scholar] [CrossRef] [PubMed]
- Joo, J.-E.; Lee, M.-J.; Park, S.M. A CMOS Optoelectronic Receiver IC with an On-Chip Avalanche Photodiode for Home-Monitoring LiDAR Sensors. Sensors 2021, 21, 4364. [Google Scholar] [CrossRef] [PubMed]
- Lee, M.-J.; Choi, W.-Y. Effects of Parasitic Resistance on the Performance of Silicon APDs in Standard CMOS Technology. IEEE Electron Device Lett. 2016, 37, 60–63. [Google Scholar] [CrossRef]
- Beyene, W.T. The Design of Continuous-Time Linear Equalizers using Model Order Reduction Techniques. In Proceedings of the 2008 IEEE-EPEP Electrical Performance of Electronic Packaging, San Jose, CA, USA, 27–29 October 2008. [Google Scholar]
- Kim, W.-S.; Seong, C.K.; Choi, W.-Y. A 5.4-Gbit/s Adaptive Continuous-Time Linear Equalizer Using Asynchronous Undersampling Histograms. IEEE Trans. Circuits Syst. II Express Briefs 2012, 59, 553–557. [Google Scholar] [CrossRef]
- Razavi, B. Design of Integrated Circuits for Optical Communications, 2nd ed.; Wiley: Hoboken, NJ, USA, 2012. [Google Scholar]
- Jang, J.; Lim, H.; Kim, T.W. A CMOS Complementary Common Gate Capacitive Cross-Coupled Frequency Doubler. IEEE Trans. Circuits Syst. II Express Briefs 2022, 69, 3694–3698. [Google Scholar] [CrossRef]
- Kim, Y.-H.; Lee, S.-S. A 72dBO 11.43mA novel CMOS regulated cascode TIA for 3.125Gb/s optical communications. In Proceedings of the 2013 IEEE International SOC Conference, Erlangen, Germany, 4–6 September 2013. [Google Scholar]
- Atef, M.; Elrahman, D.A. 2.5 Gbit/s Compact Transimpedance Amplifier using Active Inductor in 130nm CMOS technology. In Proceedings of the 21st International Conference Mixed Design of Integrated Circuits and Systems (MIXDES), Lublin, Poland, 19–21 June 2014. [Google Scholar]
- Chien, Y.-H.; Fu, K.-L.; Liu, S.-I. A 3–25 Gb/s Four-Channel Receiver with Noise-Canceling TIA and Power-Scalable LA. IEEE Trans. Circuits Syst. II Express Briefs 2014, 61, 845–849. [Google Scholar] [CrossRef]
- Hsu, S.S.H.; Cho, W.-H.; Chen, S.-W.; Jin, J.-D. CMOS Broadband Amplifiers for Optical Communications and Optical Interconnects. In Proceedings of the 2011 IEEE International Symposium on Radio-Frequency Integration Technology, Beijing, China, 30 November–2 December 2011. [Google Scholar]
- Jung, H.-Y.; Lee, J.-M.; Choi, W.-Y. A High-Speed CMOS Integrated Optical Receiver with an Under-Damped TIA. IEEE Photon-Technol. Lett. 2015, 27, 1367–1370. [Google Scholar] [CrossRef]










| Parameters | [16] | [17] | [18] | [19] | [20] | This work | |
|---|---|---|---|---|---|---|---|
| CMOS technology (nm) | 180 | 130 | 40 | 180 | 65 | 180 | |
| PD | Type | Off-chip (Equiv. PD) | Off-chip (Equiv. PD) | Off-chip (Equiv. PD) | Off-chip (Equiv. PD) | On-chip (APD) | On-chip (APD) |
| Cpd (pF) | 0.5 | 2 | 0.2 | 0.22 | - | 0.5 | |
| Responsivity (A/W) | - | 1 | - | - | - | 2.72 | |
| Wavelength (nm) | - | - | - | - | 850 | 850 | |
| Input configuration | RGC | AP ‡ | Diff. | CS ‡ | Diff. | Diff. | |
| Max. TZ gain (dBΩ) | 72 | 76.8 | 64 | 54.5 | 60 | 53.2 | |
| Gain control | No | No | No | No | No | Yes | |
| Bandwidth (GHz) | 2.4 | 1.6 | 14.5 | 4.3 | 6.0 | 4.83 | |
| Input noise current density (pA/) | 18.12 | 26.55 | 22.4 | 25.3 | - | 47.9 | |
| Dynamic range (dB) | - | - | - | - | - | 60 | |
| Power dissipation per channel (mW) | § 20.6 @ 1.8 V | 47.3 @ 1.8 V | 103 @ 1.2 V | § 11.5 @ 1.5 V/3.0 V | § 13.7 @ 1.2 V | 33.7 @ 1.8 V | |
| Chip area (mm2) | 0.173 | § 0.00035 | 1.1625 | § 0.0077 | 0.024 | 0.026 | |
Disclaimer/Publisher’s Note: The statements, opinions and data contained in all publications are solely those of the individual author(s) and contributor(s) and not of MDPI and/or the editor(s). MDPI and/or the editor(s) disclaim responsibility for any injury to people or property resulting from any ideas, methods, instructions or products referred to in the content. |
© 2025 by the authors. Licensee MDPI, Basel, Switzerland. This article is an open access article distributed under the terms and conditions of the Creative Commons Attribution (CC BY) license (https://creativecommons.org/licenses/by/4.0/).
Share and Cite
Song, Y.; Park, S.-M. A 5 Gb/s Optoelectronic Receiver IC in 180 nm CMOS for Short-Distance Optical Interconnects. Photonics 2025, 12, 624. https://doi.org/10.3390/photonics12060624
Song Y, Park S-M. A 5 Gb/s Optoelectronic Receiver IC in 180 nm CMOS for Short-Distance Optical Interconnects. Photonics. 2025; 12(6):624. https://doi.org/10.3390/photonics12060624
Chicago/Turabian StyleSong, Yunji, and Sung-Min Park. 2025. "A 5 Gb/s Optoelectronic Receiver IC in 180 nm CMOS for Short-Distance Optical Interconnects" Photonics 12, no. 6: 624. https://doi.org/10.3390/photonics12060624
APA StyleSong, Y., & Park, S.-M. (2025). A 5 Gb/s Optoelectronic Receiver IC in 180 nm CMOS for Short-Distance Optical Interconnects. Photonics, 12(6), 624. https://doi.org/10.3390/photonics12060624
