Analysis of Multi-Stacked Dielectric Resonator Antenna with Its Equivalent R-L-C Circuit Modeling for Wireless Communication Systems
Abstract
1. Introduction
- Understanding and analyzing antenna performance characteristics using a stacked R-L-C network. The multi-stacked DRA used in this paper was designed and examined using HFSS and MATLAB tools;
- This describes how the main mode propagates as an equivalent transmission line using an aperture-coupled slot. The reactance responsible for the reactive power due to feed, termination, and resistances exactly shows the radiated waves in space. The proposed circuit illustration yields positive results for the internal impedance and loads of multiple stacked DRAs;
- An equivalent circuit model was used to represent the circuit bandwidth, resonance, and other radiation field parameters. Multi-stacked radiation patterns and other field behaviors can be predicted using the suggested method and resonant mode circuit models;
- The presented research work accurately develops a simple and absolute ‘physics-based’ circuit for resonant modes. The equivalent circuit model can extrapolate the resonance parameters, such as bandwidth, quality factor, resonant frequency, frequency impedance at the resonance frequency, and the radiation pattern of multi-stacked DRA.
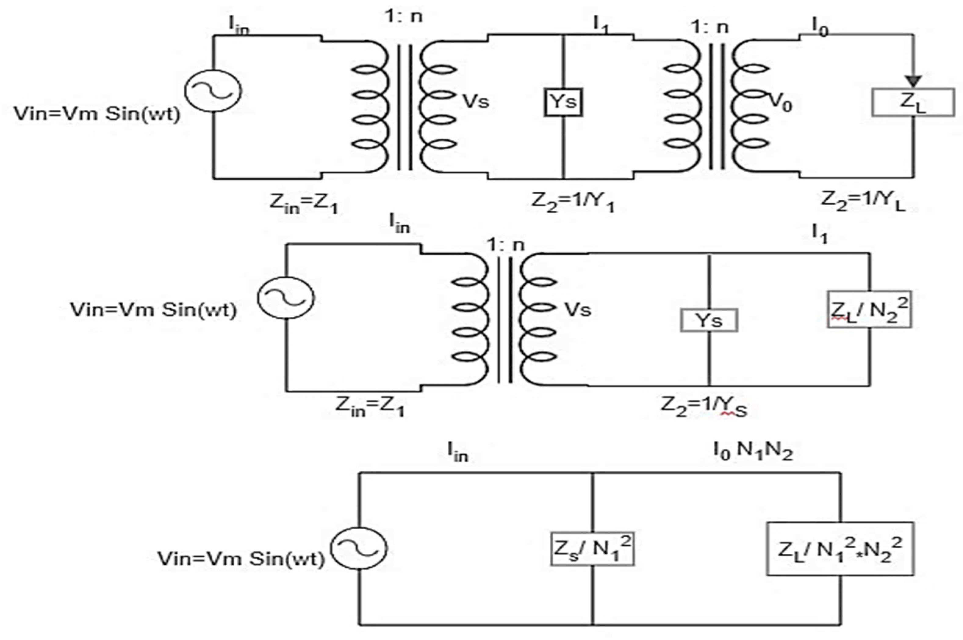
2. Proposed Methodology for Designing of Multi-Stacked DRA
2.1. Multi-Stacked DRA Impedance (ZL)
2.1.1. Cut-Off Frequency of Multi-Stacked DRA
2.1.2. Bandwidth of Multi-Stacked DRA
2.1.3. Resonance Frequency of Multi-Stacked DRA
2.2. Designing of Multi-Stacked DRA as Parallel R, L, and C Circuit
2.2.1. Quality Factor of Multi-Stacked DRA
2.2.2. Dynamic Impedance () of Multi-Stacked DRA
2.2.3. Reflection Coefficient of Multi-Stacked DRA
3. Implementation of Proposed Multi-Staked DRA (MSDRA)
3.1. Simulation Results of Proposed Multi-Stacked DRA (MSDRA) Using MATLAB
3.1.1. Hardware Design and Evaluation of a Multi-Stacked DRA Using HFSS
3.1.2. Multi-Stacked DRA Radiation Theory
- Magnetic Vector Potential
- Boundary Conditions of Electric Wally (PEC)
- TE Mode ()
3.2. Simulation and Corresponding Parameters of Proposed MSDRA Using HFSS
4. Conclusions
Author Contributions
Funding
Data Availability Statement
Conflicts of Interest
References
- Ansarizadeh, M.; Ghorbani, A.; Abd-Alhameed, R.A. An approach to equivalent circuit modeling of rectangular microstrip antennas. Prog. Electromagn. Res. 2008, 8, 77–86. [Google Scholar] [CrossRef]
- Van Schelven, R.M.; Cavallo, D.; Neto, A. Equivalent circuit models of finite slot antennas. IEEE Trans. Antennas Propag. 2019, 67, 4367–4376. [Google Scholar] [CrossRef]
- Sun, S.; Rappaport, T.S.; Shafi, M.; Tang, P.; Zhang, J.; Smith, P.J. Propagation models and performance evaluation for 5G millimeter-wave bands. IEEE Trans. Veh. Technol. 2018, 67, 8422–8439. [Google Scholar] [CrossRef]
- Medbo, J.; Kyosti, P.; Kusume, K.; Raschkowski, L.; Haneda, K.; Jamsa, T.; Nurmela, V.; Roivainen, A.; Meinila, J. Radio propagation modeling for 5G mobile and wireless communications. IEEE Commun. Mag. 2016, 4, 144–151. [Google Scholar] [CrossRef]
- Hur, S.; Kim, T.; Love, D.J.; Krogmeier, J.V.; Thomas, T.A.; Ghosh, A. Millimeter wave beamforming for wireless backhaul and access in small cell networks. IEEE Trans. Commun. 2013, 61, 4391–4403. [Google Scholar] [CrossRef]
- Zebiri, C.E.; Lashab, M.; Sayad, D.; Elfergani, I.T.E.; Sayidmarie, K.H.; Benabdelaziz, F.; Abd-Alhameed, R.A.; Rodriguez, J.; Noras, J.M. Offset aperture-coupled double-cylinder dielectric resonator antenna with extended wideband. IEEE Trans. Antennas Propag. 2017, 65, 5617–5622. [Google Scholar] [CrossRef]
- Yaduvanshi, R.S.; Parthasarathy, H. Rectangular Dielectric Resonator Antennas; Springer: New Delhi, India, 2016; pp. 1–365. [Google Scholar]
- Varshney, G.; Pandey, V.S.; Yaduvanshi, R.S.; Kumar, L. Wideband circularly polarized dielectric resonator antenna with stair-shaped slot excitation. IEEE Trans. Antennas Propag. 2016, 65, 1380–1383. [Google Scholar] [CrossRef]
- Oleiwi, H.W.; Saeed, N.; Al-Raweshidy, H. Cooperative SWIPT-Hybrid-NOMA pairing scheme considering SIC im-perfection for THz communications. In Proceedings of the IEEE 4th Global Power, Energy and Communication Conference (GPECOM), Cappadocia, Turkey, 14–17 June 2022; pp. 638–643. [Google Scholar]
- Kremer, H.I.; Leung, K.W.; Wong, W.C.; Lo, K.K.W.; Lee, M.W.K. Design of Dielectric Resonator Antenna Using Dielectric Paste. Sensors 2021, 21, 4058. [Google Scholar] [CrossRef]
- Chauhan, M.; Mukherjee, B. Wideband circular polarized cylindrical segmented dielectric resonator antenna for ISM band applications. Int. J. RF Microw. Comput. Aided Eng. 2020, 30, e22134. [Google Scholar] [CrossRef]
- Oleiwi, H.W.; Saeed, N.; Al-Raweshidy, H. SWIPT-Pairing mechanism for channel-aware cooperative H-NOMA in 6G Terahertz communications. Sensors 2022, 22, 6200. [Google Scholar] [CrossRef]
- Gupta, S.; Kshirsagar, P.; Mukherjee, B. A Low-Profile Multilayer Cylindrical Segment Fractal Dielectric Resonator Antenna: Usage for wideband applications. IEEE Antennas Propag. Mag. 2019, 61, 55–63. [Google Scholar] [CrossRef]
- Wang, F.; Zhang, C.; Sun, H.; Xiao, Y. Ultra-Wideband Dielectric Resonator Antenna Design Based on Multilayer Form. Int. J. Antennas Propag. 2019, 43, 1–11. [Google Scholar] [CrossRef]
- Chauhan, M.; Mukherjee, B. High Gain Fractal Cylindrical Dielectric Resonator Antenna for UWB Application. In Proceedings of the 2018 IEEE Radio and Antenna Days of the Indian Ocean (RADIO), Wolmar, Mauritius, 15–18 October 2018; pp. 1–2. [Google Scholar]
- Singh, M.; Yaduvanshi, R.S.; Vaish, A. Design for enhancing gain in multimodal cylindrical dielectric resonator antenna. In Proceedings of the 2015 Annual IEEE India Conference (INDICON), New Delhi, India, 17–20 December 2015; pp. 1–4. [Google Scholar]
- Gotra, S.; Varshney, G.; Yaduvanshi, R.S.; Pandey, V.S. Dual-band circular polarization generation technique with the miniaturization of a rectangular dielectric resonator antenna. IET Microw. Antennas Propag. 2019, 13, 1742–1748. [Google Scholar] [CrossRef]
- Singh, M.; Gautam, A.K.; Yaduvanshi, R.S.; Vaish, A. An investigation of resonant modes in rectangular dielectric resonator antenna using transcendental equation. Wirel. Pers. Commun. 2017, 95, 2549–2559. [Google Scholar] [CrossRef]
- Bakshi, G.; Vaish, A.; Yaduvanshi, R.S. Two-Layer sapphire rectangular dielectric resonator antenna for rugged communications. Prog. Electromagn. Res. 2019, 85, 73–80. [Google Scholar] [CrossRef]
- Kumar, G.; Singh, M.; Ahlawat, S.; Yaduvanshi, R.S. Design of stacked rectangular dielectric resonator antenna for wideband applications. Wirel. Pers. Commun. 2019, 97, 1661–1672. [Google Scholar] [CrossRef]
- Khan, R.; Jamaluddin, M.H.; Kazim, J.U.R.; Nasir, J.; Owais, O. Multiband-dielectric resonator antenna for LTE application. IET Microw. Antennas Propag. 2016, 10, 595–598. [Google Scholar] [CrossRef]
- Ambrosio, L.A.; Hernández-Figueroa, H.E. RLC circuit model for the scattering of light by small negative refractive index spheres. IEEE Trans. Nanotechnol. 2012, 11, 1217–1222. [Google Scholar] [CrossRef]
- Tzarouchis, D.P.; Ylä-Oijala, Y.; Sihvola, A. Resonant scattering characteristics of homogeneous dielectric sphere. IEEE Trans. Antennas Propag. 2017, 65, 3184–3191. [Google Scholar] [CrossRef]
- Mongia, R.K.; Bhartia, P. Dielectric resonator antennas—Are view and general design relations for resonant frequency and bandwidth. Int. J. Microw. Millim. Wave Comput. Aided Eng. 1994, 4, 230–247. [Google Scholar] [CrossRef]
- Guo, Y.; Zhang, T.; Yin, W.Y.; Wang, X.H. Improved hybrid FDTD method for studying tunable graphene frequency-selective surfaces (GFSS) for THz-wave applications. IEEE Trans. THz Sci. Technol. 2015, 5, 358–367. [Google Scholar] [CrossRef]
- Cao, Y.S.; Jiang, L.J.; Ruehli, A.E. An equivalent circuit model for graphene-based terahertz antenna using the PEEC method. IEEE Trans. Antennas Propag. 2016, 64, 1385–1393. [Google Scholar] [CrossRef]
- Christensen, T.; Jauho, A.P.; Wubs, M.; Mortensen, N.A. Localized plasmons in graphene-coated nanospheres. Phys. Rev. B 2015, 91, 125414. [Google Scholar] [CrossRef]
- Zou, L.; Withayachumnankul, W.; Shah, C.; Mitchell, A.; Bhaskaran, M.; Sriram, S.; Fumeaux, C. Dielectric resonator nano antennas at visible frequencies. Opt. Express 2013, 21, 1344–1352. [Google Scholar] [CrossRef] [PubMed]
- Malheiros-Silveira, G.N.; Wiederhecker, G.S.; Hernández-Figueroa, H.E. Dielectric resonator antenna for applications in nano photonics. Opt. Express 2013, 21, 1234–1239. [Google Scholar] [CrossRef]
- Mühlschlegel, P.; Eisler, H.; Martin, O.J.F.; Hecht, B.; Pohl, D.W. Resonant Optical Antennas. Science 2005, 308, 1607–1609. [Google Scholar] [CrossRef]
- Yaduvanshi, R.S.; Parthasarathy, H. Coupled Solution of Boltzmann Transport Equation, Maxwell’s and Navier Stokes equations. IJACSA 2010, 19, 114–124. [Google Scholar] [CrossRef]
- Zou, L.; Withayachumnankul, W.; Shah, C.; Mitchell, A.; Klemm, M.; Bhaskaran, M.; Sriram, S.; Fumeaux, C. Efficiency and scalability of dielectric resonator antennas at optical frequencies. IEEE Photon. J. 2014, 6, 4600110. [Google Scholar]
- Watts, C.M.; Liu, X.; Padilla, W.J. Metamaterial electromagnetic wave absorbers. Adv. Mater. 2012, 24, OP98–OP120. [Google Scholar] [CrossRef]
- Yadav, R.; Katiyar, S.; Yaduvanshi, R.S.; Nishtha, N.; Hecht, B. Principles of Nano-Optics. J. Inf. Optim. Sci. 2020, 41, 1375–1393. [Google Scholar]
- Fakhte, S.; Oraizi, H.; Matekovits, L. Gain improvement of rectangular dielectric resonator antenna by engraving grooves on its side walls. Antennas Wirel. Propag. Lett. 2017, 16, 2167–2170. [Google Scholar] [CrossRef]
- Altaf, A.; Seo, M. Dual-Band Circularly Polarized Dielectric Resonator Antenna for WLAN and WiMAX Applications. Sensors 2020, 20, 1137. [Google Scholar] [CrossRef]
- Liu, H.; Liu, Y.; Wei, M.; Gong, S. Dual-broadband dielectric resonator antenna based on modified sierpinski fractal geometry. Electron. Lett. 2015, 51, 806–808. [Google Scholar] [CrossRef]
- Awais, Q.; Jin, Y.; Chattha, H.T.; Jamil, M.; Qiang, H.; Khawaja, B.A. A compact rectenna system with high conversion efficiency for wireless energy harvesting. IEEE Access 2018, 6, 35857–35866. [Google Scholar] [CrossRef]
- Guo, L.; Li, X.; Sun, W.; Yang, W.; Zhao, Y.; Wu, K. Designing and modeling of a dual-band rectenna with compact dielectric resonator antenna. IEEE Antennas Wirel. Propag. Lett. 2022, 21, 1046–1050. [Google Scholar] [CrossRef]
- Shi, Y.; Fan, Y.; Li, Y.; Yang, L.; Wang, M. An efficient broadband slotted rectenna for wireless power transfer at LTE band. IEEE Trans. Antennas Propag. 2019, 67, 814–822. [Google Scholar] [CrossRef]
- Khan, K.; Mehmood, A.; Khan, S.; Khan, M.A.; Iqbal, Z.; Mashwani, W.K. A survey on intrusion detection and prevention in wireless ad-hoc networks. J. Syst. Archit. 2020, 105, 101701. [Google Scholar] [CrossRef]
















| Name of Parameter | Dimensions (Millimeters) |
|---|---|
| Length of Microstrip line | 64 |
| Width of Microstrip line | 31 |
| Ground Plane | 111 × 101 |
| Substrate Height | 1.5 |
| Length of Slot | 14 |
| Width of Slot | 3 |
| Length of Stub | 24 |
| Width of Stub | 14 |
| Size of DRA (slab-wise size) | 21 × 21 × 8 |
| Symbol | Nomenclature |
|---|---|
| (t) | Current through shunt R-L-C circuit |
| Resonant frequency in Hz | |
| Zd | Dynamic impedance |
| Zin | Input impedance |
| Q | Quality factor |
| BW | Bandwidth |
| ,,,,, | Individual admittance of each DRA |
| ,,,,, | Individual Resistance of each DRA |
| ,,,,, | Individual coupling impedance between DRAs |
| ,,,,, | Laplacian capacitance of each DRA |
| ,,,,, | Laplacian Inductance of each DRA |
| ,,,,, | Laplacian inductance & coupling of capacitance of each DRA |
| DRA load and input impedance | |
| Ys and | Slot and input admittance |
| N1 and N2 | Number of terns in the primary winding |
| A & B | Real and imaginary part of input admittance |
| H | Equivalent transformer coupler reactance of all stacked DRA |
| L | Equivalent reactance of all stacked DRA |
| P & M | Real and Imaginary part of Input Impedance |
| Current through the load impedance | |
| Current through source | |
| Resonant frequency in radian per sec. | |
| & | Higher and lower resonant frequency in radians per sec. |
| Bandwidth | |
| Ls | Slot inductance |
| Equivalent resistance of all stacked DRA | |
| Equivalent capacitance of each DRA with coupling capacitor between stacked DRA. | |
| Equivalent inductance of each DRA with coupling inductor between stacked DRA. | |
| Magnitude of the complex reflection coefficient | |
| Time-varying field | |
| , | Wavelength of free space and guided medium |
| and | Dielectric constant of the rectangular DRA and substrate |
Disclaimer/Publisher’s Note: The statements, opinions and data contained in all publications are solely those of the individual author(s) and contributor(s) and not of MDPI and/or the editor(s). MDPI and/or the editor(s) disclaim responsibility for any injury to people or property resulting from any ideas, methods, instructions or products referred to in the content. |
© 2022 by the authors. Licensee MDPI, Basel, Switzerland. This article is an open access article distributed under the terms and conditions of the Creative Commons Attribution (CC BY) license (https://creativecommons.org/licenses/by/4.0/).
Share and Cite
Krishna, R.; Imoize, A.L.; Yaduvanshi, R.S.; Singh, H.; Rana, A.K.; Pani, S.K. Analysis of Multi-Stacked Dielectric Resonator Antenna with Its Equivalent R-L-C Circuit Modeling for Wireless Communication Systems. Math. Comput. Appl. 2023, 28, 4. https://doi.org/10.3390/mca28010004
Krishna R, Imoize AL, Yaduvanshi RS, Singh H, Rana AK, Pani SK. Analysis of Multi-Stacked Dielectric Resonator Antenna with Its Equivalent R-L-C Circuit Modeling for Wireless Communication Systems. Mathematical and Computational Applications. 2023; 28(1):4. https://doi.org/10.3390/mca28010004
Chicago/Turabian StyleKrishna, Ram, Agbotiname Lucky Imoize, Rajveer Singh Yaduvanshi, Harendra Singh, Arun Kumar Rana, and Subhendu Kumar Pani. 2023. "Analysis of Multi-Stacked Dielectric Resonator Antenna with Its Equivalent R-L-C Circuit Modeling for Wireless Communication Systems" Mathematical and Computational Applications 28, no. 1: 4. https://doi.org/10.3390/mca28010004
APA StyleKrishna, R., Imoize, A. L., Yaduvanshi, R. S., Singh, H., Rana, A. K., & Pani, S. K. (2023). Analysis of Multi-Stacked Dielectric Resonator Antenna with Its Equivalent R-L-C Circuit Modeling for Wireless Communication Systems. Mathematical and Computational Applications, 28(1), 4. https://doi.org/10.3390/mca28010004

