Removal of Phenol from Aqueous Solution Using Internal Microelectrolysis with Fe-Cu: Optimization and Application on Real Coking Wastewater
Abstract
1. Introduction
2. Materials and Methods
2.1. Fabrication of Cu-Fe Material
2.2. Characterization of Structure, Composition, Physical Properties, Surface Characteristics of Fe-Cu Materials
2.3. Study on Decomposition of Phenol
3. Results and Discussion
3.1. Survey Results on Surface Characteristics and Physical Properties of Fe-Cu Materials
3.2. Decomposition of Phenol
3.2.1. Effect of pH
3.2.2. Effect of Time
3.2.3. Effect of Dosage of Material
3.2.4. Effect of Shaking Speed
- (1)
- When the shaking rate increases, the dissolved oxygen concentration in the electrolyte solution will also increase, in turn accelerating the subsequent cathode process when the pH changes to a neutral medium. This contributes to the corrosion rate as well as the rate of reaction with electrolytic internal materials [22].
- (2)
- Oxygen could combine with H+ to forms H2O2 hyperoxides, which then react with newly generated Fe2+ ions to form Fe(OH)2 and Fe(OH)3 ions. These are good phenol flocculation agents and intermediate products of phenol degradation.
- (3)
- One previous study [22] suggested that the increased shaking speed caused the decomposition of substance molecules and dispersion of the intermediate decomposition products in the solution. At that time, the possibility of contact between the decomposed substances and the intermediate products with the surface of the Fe-Cu electrode system are increased, causing oxidation in the solution, improving electrochemical reduction on the cathode surface, and improving processing speed and efficiency.
3.2.5. Effect of Initial Phenol Concentration
3.2.6. Decomposition Analysis Phenol Concentrations by HPLC
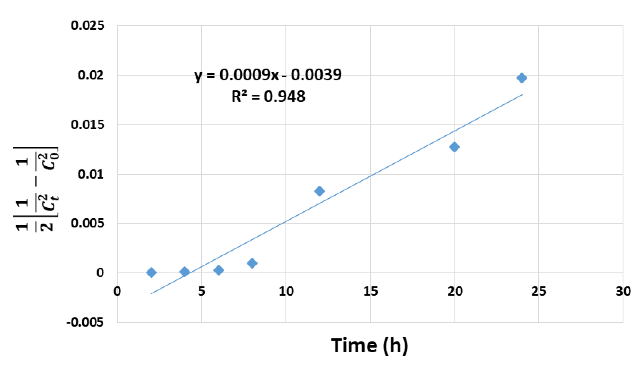
3.2.7. Degradation Kinetics of Phenol Using Fe-Cu Material
3.2.8. Real Sample Analysis
4. Conclusions
Author Contributions
Funding
Institutional Review Board Statement
Informed Consent Statement
Data Availability Statement
Acknowledgments
Conflicts of Interest
References
- Ma, L.; Zhang, W. Enhanced Biological Treatment of Industrial Wastewater with Bimetallic Zero-Valent Iron. Environ. Sci. Technol. 2008, 42, 5384–5389. [Google Scholar] [CrossRef]
- El-Gohary, F.A.; Kamel, G. Characterization and biological treatment of pre-treated landfill leachate. Ecol. Eng. 2016, 94, 268–274. [Google Scholar] [CrossRef]
- Visvanathan, C.; Abeynayaka, A. Developments and future potentials of anaerobic membrane bioreactors (AnMBRs). Membr. Water Treat. 2012, 3, 1–23. [Google Scholar] [CrossRef]
- Fan, J.-H.; Ma, L.-M. The pretreatment by the Fe–Cu process for enhancing biological degradability of the mixed wastewater. J. Hazard. Mater. 2009, 164, 1392–1397. [Google Scholar] [CrossRef]
- Yang, X.; Xue, Y.; Wang, W. Mechanism, kinetics and application studies on enhanced activated sludge by interior microelectrolysis. Bioresour. Technol. 2009, 100, 649–653. [Google Scholar] [CrossRef]
- Jin, Y.-Z.; Zhang, Y.-F.; Li, W. Micro-electrolysis technology for industrial wastewater treatment. J. Environ. Sci. 2003, 15, 334–338. [Google Scholar]
- Fan, L.; Ni, J.; Wu, Y.; Zhang, Y. Treatment of bromoamine acid wastewater using combined process of micro-electrolysis and biological aerobic filter. J. Hazard. Mater. 2009, 162, 1204–1210. [Google Scholar] [CrossRef]
- Zhu, Y.; Fang, Z.; Xia, Z. Study on the reaction materials for micro-electrolysis treatment of wastewater. Membr. Sci. Technol. Lanzhou 2001, 21, 56–60. [Google Scholar]
- Pan, L.; Wu, J.; Wang, J. Treatment of high mass concentration coking wastewater using enhancement catalytic iron carbon internal-electrolysis. J. Jiangsu Univ. Nat. Sci. Ed. 2010, 31, 348–352. [Google Scholar]
- Oh, S.-Y.; Chiu, P.C.; Kim, B.J.; Cha, D.K. Enhancing Fenton oxidation of TNT and RDX through pretreatment with zero-valent iron. Water Res. 2003, 37, 4275–4283. [Google Scholar] [CrossRef]
- Huang, L.; Sun, G.; Yang, T.; Zhang, B.; He, Y.; Wang, X. A preliminary study of anaerobic treatment coupled with micro-electrolysis for anthraquinone dye wastewater. Desalination 2013, 309, 91–96. [Google Scholar] [CrossRef]
- Yin, X.; Bian, W.; Shi, J. 4-chlorophenol degradation by pulsed high voltage discharge coupling internal electrolysis. J. Hazard. Mater. 2009, 166, 1474–1479. [Google Scholar] [CrossRef]
- Cui, D.; Guo, Y.-Q.; Lee, H.-S.; Wu, W.-M.; Liang, B.; Wang, A.-J.; Cheng, H.-Y. Enhanced decolorization of azo dye in a small pilot-scale anaerobic baffled reactor coupled with biocatalyzed electrolysis system (ABR–BES): A design suitable for scaling-up. Bioresour. Technol. 2014, 163, 254–261. [Google Scholar] [CrossRef] [PubMed]
- Li, G.; Guo, S.; Li, F. Treatment of oilfield produced water by anaerobic process coupled with micro-electrolysis. J. Environ. Sci. 2010, 22, 1875–1882. [Google Scholar] [CrossRef]
- Chen, R.; Chai, L.; Wang, Y.; Liu, H.; Shu, Y.; Zhao, J. Degradation of organic wastewater containing Cu–EDTA by Fe–C micro-electrolysis. Trans. Nonferrous Met. Soc. China 2012, 22, 983–990. [Google Scholar] [CrossRef]
- Qin, L.; Zhang, G.; Meng, Q.; Xu, L.; Lv, B. Enhanced MBR by internal micro-electrolysis for degradation of anthraquinone dye wastewater. Chem. Eng. J. 2012, 210, 575–584. [Google Scholar] [CrossRef]
- Zhu, Q.; Guo, S.; Guo, C.; Dai, D.; Jiao, X.; Ma, T.; Chen, J. Stability of Fe–C micro-electrolysis and biological process in treating ultra-high concentration organic wastewater. Chem. Eng. J. 2014, 255, 535–540. [Google Scholar] [CrossRef]
- Guan, X.; Xu, X.; Lu, M.; Li, H. Pretreatment of Oil Shale Retort Wastewater by Acidification and Ferric-Carbon Micro-Electrolysis. Energy Procedia 2012, 17, 1655–1661. [Google Scholar] [CrossRef][Green Version]
- Yang, X. Interior microelectrolysis oxidation of polyester wastewater and its treatment technology. J. Hazard. Mater. 2009, 169, 480–485. [Google Scholar] [CrossRef] [PubMed]
- Cheng, H.; Xu, W.; Liu, J.; Wang, H.; He, Y.; Chen, G. Pretreatment of wastewater from triazine manufacturing by coagulation, electrolysis, and internal microelectrolysis. J. Hazard. Mater. 2007, 146, 385–392. [Google Scholar] [CrossRef]
- Ruan, X.C.; Liu, M.Y.; Zeng, Q.F.; Ding, Y.H. Degradation and decolorization of reactive red X-3B aqueous solution by ozone integrated with internal micro-electrolysis. Sep. Purif. Technol. 2010, 74, 195–201. [Google Scholar] [CrossRef]
- Bo, L.; Zhang, Y.; Chen, Z.Y.; Yang, P.; Zhou, Y.X.; Wang, J.L. Removal of p-nitrophenol (PNP) in aqueous solution by the micron-scale iron-copper (Fe/Cu) bimetallic particles. Appl. Catal. B Environ. 2014, 144, 816–830. [Google Scholar]
- Gang, Q.; Dan, G. Pretreatment of petroleum refinery wastewater by microwaveenhanced Fe0/GAC micro-electrolysis. Desalination Water Treat. 2014, 52, 2512–2518. [Google Scholar] [CrossRef]
- Xiaoying, Z.; Mengqi, J.; Xiang, Z.; Wei, C.; Dan, L.; Yuan, Z.; Xiaoyao, S. Enhanced removal mechanism of iron carbon micro-electrolysis constructed wetland on C, N, and P in salty permitted effluent of wastewater treatment plant. Sci. Total Environ. 2019, 1, 21–30. [Google Scholar]
- Weiwei, M.; Yuxing, H.; Chunyan, X.; Hongjun, H.; Wencheng, M.; Hao, Z.; Kun, L.; Dexin, W. Enhanced degradation of phenolic compounds in coal gasification wastewater by a novel integration of micro-electrolysis with biological reactor (MEBR) under the micro-oxygen condition. Bioresour. Technol. 2018, 251, 303–310. [Google Scholar] [CrossRef]
- Peng, L.; Zhipeng, L.; Xuegang, W.; Yadan, G.; Lizhang, W. Enhanced decolorization of methyl orange in aqueous solution using ironecarbon micro-electrolysis activation of sodium persulfate. Chemosphere 2017, 180, 100–107. [Google Scholar]
- Tianguo, L.; Zhengyang, D.; Ronggao, Q.; Xiaojun, X.; Bo, L.; Yue, L.; Ming, J.; Fangdong, Z.; Yongmei, H. Enhanced characteristics and mechanism of Cu(II) removal from aqueous solutions in electrocatalytic internal micro-electrolysis fluidized-bed. Chemosphere 2020, 126225. [Google Scholar] [CrossRef]
- Cwiertny, D.M.; Bransfield, S.J.; Livi, K.J.T.; Fairbrother, D.H.; Roberts, A.L. Exploring the Influence of Granular Iron Additives on 1,1,1- Trichloroethane Reduction. Environ. Sci. Technol. 2006, 40, 6837–6843. [Google Scholar] [CrossRef]
- Xu, W.Y.; Gao, T.Y. Dechlorination of carbon tetrachloride by the catalyzed Fe-Cu process. J. Environ. Sci. 2007, 19, 792–799. [Google Scholar] [CrossRef]
- Ma, L.M.; Ding, Z.G.; Gao, T.Y.; Zhou, R.F.; Xu, W.Y.; Liu, J. Discoloration of methylene blue and wastewater from a plant by a Fe/Cu bimetallic system. Chemosphere 2004, 55, 1207–1212. [Google Scholar] [CrossRef]
- Xu, W.Y.; Gao, T.Y.; Fan, J.H. Reduction of nitrobenzene by the catalyzed Fe/Cu process. J. Environ. Sci. 2008, 20, 915–992. [Google Scholar] [CrossRef]
- Yang, Z.; Ma, Y.; Liu, Y.; Li, Q.; Zhou, Z.; Ren, Z. Degradation of organic pollutants in near-neutral pH solution by Fe-C micro-electrolysis system. Chem. Eng. J. 2017, 315, 403–414. [Google Scholar] [CrossRef]
- Wu, S.; Qi, Y.; Fan, C.; Dai, B.; Huang, J.; Zhou, W.; He, S.; Gao, L. Improvement of anaerobic biological treatment effect by catalytic micro-electrolysis for monensin production wastewater. Chem. Eng. J. 2016, 296, 260–267. [Google Scholar] [CrossRef]
- Huong, D.T.; Nguyen, V.T.; Ha, X.L.; Nguyen Thi, H.L.; Duong, T.T.; Nguyen, D.C.; Nguyen Thi, H.-T. Enhanced Degradation of Phenolic Compounds in Coal Gasification Wastewater by Methods of Microelectrolysis Fe-C and Anaerobic-Anoxic—Oxic Moving Bed Biofilm Reactor (A2O-MBBR). Processes 2020, 8, 1258. [Google Scholar] [CrossRef]
















| Investigation | pH | Time (h) | Fe-Cu Dosage (g) | Shaking Speed (rpm) | Initial Phenol Concentration (mg/L) |
|---|---|---|---|---|---|
| Effect of pH | 2, 3, 4, 5, 6, 7 and 8 | 12 | 1 | 200 | 100 |
| Effect of time | 3 | 2, 4, 6, 8, 12, 20 and 24 | 1 | 200 | 100 |
| Effect of material dosage | 3 | 12 | 0.25, 0.5, 0.75, 1.0, 1.25 and 1.5 | 200 | 100 |
| Effect of shaking speed | 3 | 12 | 1 | 100, 120, 150, 180 and 200 | 100 |
| Effect of initial phenol concentration | 3 | 12 | 1 | 200 | 50, 100, 150, 200, 250 and 300 |
| Elements | % Mass | % Atom |
|---|---|---|
| O | 8.95 | 25.55 |
| Fe | 91.05 | 74.45 |
| Total | 100.00 | 100.00 |
| Elements | % Mass | % Atom |
|---|---|---|
| O | 12.11 | 24.97 |
| Fe | 18.59 | 21.83 |
| Cu | 69.30 | 53.20 |
| Total | 100.00 | 100.00 |
| Parameters | Unit | Method of Analysis | Result (mg/L) | Efficiency H (%) | |
|---|---|---|---|---|---|
| Before | After | ||||
| DO | mg/L | TCVN 7325:2004 | 0.6 | 2.8 | - |
| TSS | mg/L | SMEWW 2540 D:2012 | 124 | 63.4 | 48.87 |
| BOD5(20 °C) | mg/L | TCVN 6001-1:2008 | 1215 | 540.6 | 55.50 |
| COD | mgO2/L | SMEWW 5220C:2012 | 2379 | 1189 | 50.02 |
| Phenol | mg/L | TCVN 6216:1996 | 173.70 | 50.86 | 70.07 |
| CN− | mg/L | SMEWW4500 CN−B:2012 | 0.05 | <0.01 | - |
| Total N | mg/L | TCVN 6638:2000 | 876 | 644 | 26.48 |
| -N | mg/L | TCVN 6179-1:1996 | 473 | 165.2 | 65.07 |
| Total P | mg/L | TCVN 6202:2008 | 15.6 | 9.3 | 40.38 |
Publisher’s Note: MDPI stays neutral with regard to jurisdictional claims in published maps and institutional affiliations. |
© 2021 by the authors. Licensee MDPI, Basel, Switzerland. This article is an open access article distributed under the terms and conditions of the Creative Commons Attribution (CC BY) license (https://creativecommons.org/licenses/by/4.0/).
Share and Cite
Huong, D.T.; Van Tu, N.; Anh, D.T.T.; Tien, N.A.; Ngan, T.T.K.; Van Tan, L. Removal of Phenol from Aqueous Solution Using Internal Microelectrolysis with Fe-Cu: Optimization and Application on Real Coking Wastewater. Processes 2021, 9, 720. https://doi.org/10.3390/pr9040720
Huong DT, Van Tu N, Anh DTT, Tien NA, Ngan TTK, Van Tan L. Removal of Phenol from Aqueous Solution Using Internal Microelectrolysis with Fe-Cu: Optimization and Application on Real Coking Wastewater. Processes. 2021; 9(4):720. https://doi.org/10.3390/pr9040720
Chicago/Turabian StyleHuong, Do Tra, Nguyen Van Tu, Duong Thi Tu Anh, Nguyen Anh Tien, Tran Thi Kim Ngan, and Lam Van Tan. 2021. "Removal of Phenol from Aqueous Solution Using Internal Microelectrolysis with Fe-Cu: Optimization and Application on Real Coking Wastewater" Processes 9, no. 4: 720. https://doi.org/10.3390/pr9040720
APA StyleHuong, D. T., Van Tu, N., Anh, D. T. T., Tien, N. A., Ngan, T. T. K., & Van Tan, L. (2021). Removal of Phenol from Aqueous Solution Using Internal Microelectrolysis with Fe-Cu: Optimization and Application on Real Coking Wastewater. Processes, 9(4), 720. https://doi.org/10.3390/pr9040720
