Proton Exchange Membrane Electrolyzer Emulator for Power Electronics Testing Applications
Abstract
1. Introduction
2. The Role of Emulators in RES Exploitation
3. Static and Dynamic Characterization of the Electrolyzer
3.1. Static Operation
3.2. Dynamic Operation and Analysis
3.3. Discussion
4. PEM Electrolyzer Emulator
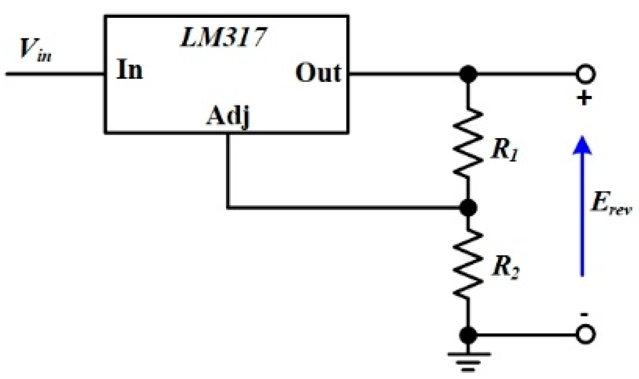
4.1. Equivalent Electrical Scheme
- ηF = Faraday’s efficiency resulting in the ratio between the measured hydrogen flow rate and the theoretical hydrogen flow rate which could be produced according to the input energy. Based on experiments, ηF = 0.96.
- nc = number of cells of the EL.
- iel = EL current (A).
- z = number of electrons exchanged during the reaction. For H2, z = 2.
- F = Faraday’s constant, 96,485 (C.mol−1).
4.2. Equivalent Electrical Scheme
5. Errors Analysis
6. Experimental Validation of the PEM Electrolyzer Emulator
6.1. Description of the Experimental Test Bench
6.2. Experimental Results
7. Conclusions
Author Contributions
Funding
Institutional Review Board Statement
Informed Consent Statement
Data Availability Statement
Acknowledgments
Conflicts of Interest
References
- Nikolaidis, P.; Poullikkas, A. A comparative overview of hydrogen production processes. Renew. Sustain. Energy Rev. 2017, 67, 597–611. [Google Scholar] [CrossRef]
- Available online: https://www.hydrogen.energy.gov/annual_review19_report.htm (accessed on 21 January 2021).
- Kumar, S.S.; Himabindu, V. Hydrogen production by PEM water electrolysis—A review. Mater. Sci. Energy Technol. 2019, 2, 442–454. [Google Scholar] [CrossRef]
- David, M.; Ocampo-Martínez, C.; Sánchez-Peña, R. Advances in alkaline water electrolyzers: A review. J. Energy Storage 2019, 23, 392–403. [Google Scholar] [CrossRef]
- Millet, P.; Grigoriev, S. Water Electrolysis Technologies. Renew. Hydrog. Technol. 2013, 19–41. [Google Scholar] [CrossRef]
- Mohammadi, A.; Mehrpooya, M. A comprehensive review on coupling different types of electrolyzer to renewable energy sources. Energy 2018, 158, 632–655. [Google Scholar] [CrossRef]
- Lee, C.-Y.; Chen, C.-H.; Li, S.-C.; Wang, Y.-S. Development and application of flexible integrated microsensor as real-time monitoring tool in proton exchange membrane water electrolyzer. Renew. Energy 2019, 143, 906–914. [Google Scholar] [CrossRef]
- Sharifian, S.; Kolur, N.A.; Harasek, M. Transient simulation and modeling of photovoltaic-PEM water electrolysis. Energy Sources Part A Recover. Util. Environ. Eff. 2019, 42, 1097–1107. [Google Scholar] [CrossRef]
- Heris, M.-N.; Mirzaei, M.A.; Asadi, S.; Mohammadi-Ivatloo, B.; Zare, K.; Jebelli, H.; Marzband, M. Evaluation of hydrogen storage technology in risk-constrained stochastic scheduling of multi-carrier energy systems considering power, gas and heating network constraints. Int. J. Hydrog. Energy 2020, 45, 30129–30141. [Google Scholar] [CrossRef]
- Szima, S.; Cormos, C.-C. Techno—Economic assessment of flexible decarbonized hydrogen and power co-production based on natural gas dry reforming. Int. J. Hydrog. Energy 2019, 44, 31712–31723. [Google Scholar] [CrossRef]
- Acar, C.; Dincer, I. The potential role of hydrogen as a sustainable transportation fuel to combat global warming. Int. J. Hydrog. Energy 2020, 45, 3396–3406. [Google Scholar] [CrossRef]
- Li, Q.; Yang, W.; Yin, L.; Chen, W. Real-Time Implementation of Maximum Net Power Strategy Based on Sliding Mode Vari-able Structure Control for Proton-Exchange Membrane Fuel Cell System. IEEE Trans. Transp. Electrif. 2020, 6, 288–297. [Google Scholar] [CrossRef]
- Laghrouche, S.; Liu, J.; Ahmed, F.S.; Harmouche, M.; Wack, M. Adaptive Second-Order Sliding Mode Observer-Based Fault Reconstruction for PEM Fuel Cell Air-Feed System. IEEE Trans. Control. Syst. Technol. 2015, 23, 1098–1109. [Google Scholar] [CrossRef]
- Li, Q.; Su, B.; Pu, Y.; Han, Y.; Wang, T.; Yin, L.; Chen, W. A State Machine Control Based on Equivalent Consumption Mini-mization for Fuel Cell/ Supercapacitor Hybrid Tramway. IEEE Trans. Transp. Electrif. 2019, 5, 552–564. [Google Scholar] [CrossRef]
- Liu, J.; Gao, Y.; Su, X.; Wack, M.; Wu, L. Disturbance-Observer-Based Control for Air Management of PEM Fuel Cell Systems via Sliding Mode Technique. IEEE Trans. Control Syst. Technol. 2019, 27, 1129–1138. [Google Scholar] [CrossRef]
- Samosir, A.S.; Anwari, M.; Yatim, A.H.M. A simple PEM fuel cell emulator using electrical circuit model. In Proceedings of the 2010 Conference Proceedings IPEC, Singapore, 27–29 October 2010. [Google Scholar]
- Marsala, G.; Pucci, M.; Vitale, G.; Cirrincione, M.; Miraoui, A. A prototype of a fuel cell PEM emulator based on a buck con-verter. Appl. Energy 2009, 86, 2192–2203. [Google Scholar] [CrossRef]
- Fei, G.; Blunier, B.; Miraoui, A. PEM Fuel Cell Stack Modeling for Real-Time Emulation in Hardware-in-the-Loop Applica-tions. IEEE Trans. Energy Convers. 2011, 26, 184–194. [Google Scholar]
- Rezzak, D.; Khoucha, F.; Benbouzid, M.; Kheloui, A.; Mamoune, A. A DC-DC converter-based PEM fuel cell system emulator. In Proceedings of the 2011 International Conference on Power Engineering, Energy and Electrical Drives, Malaga, Spain, 11–13 May 2011. [Google Scholar]
- García-Vite, P.M.; Reyes-García, B.L.; Valdez-Hernández, C.L.; Martínez-Salazar, A. Microcontroller-based emulation of a PEM fuel cell. Int. J. Hydrog. Energy 2020, 45, 13767–13776. [Google Scholar] [CrossRef]
- Ruuskanen, V.; Koponen, J.; Huoman, K.; Kosonen, A.; Niemelä, M.; Ahola, J. PEM water electrolyzer model for a pow-er-hardware-in-loop simulator. Int. J. Hydrog. Energy 2017, 42, 10775–10784. [Google Scholar] [CrossRef]
- Zhou, T.; Francois, B. Modeling and control design of hydrogen production process for an active hydrogen/wind hybrid power system. Int. J. Hydrog. Energy 2009, 34, 21–30. [Google Scholar] [CrossRef]
- Guilbert, D.; Vitale, G. Dynamic Emulation of a PEM Electrolyzer by Time Constant Based Exponential Model. Energies 2019, 12, 750. [Google Scholar] [CrossRef]
- Guilbert, D.; Sorbera, D.; Vitale, G. A stacked interleaved DC-DC buck converter for proton exchange membrane electrolyzer applications: Design and experimental validation. Int. J. Hydrog. Energy 2020, 45, 64–79. [Google Scholar] [CrossRef]
- Ayop, R.; Tan, C.W. A comprehensive review on photovoltaic emulator. Renew. Sustain. Energy Rev. 2017, 80, 430–452. [Google Scholar] [CrossRef]
- Mai, T.D.; De Breucker, S.; Baert, K.; Driesen, J. Reconfigurable emulator for photovoltaic modules under static partial shading conditions. Sol. Energy 2017, 141, 256–265. [Google Scholar] [CrossRef]
- Di Piazza, M.C.; Vitale, G. Photovoltaic field emulation including dynamic and partial shadow conditions. Appl. Energy 2010, 87, 814–823. [Google Scholar] [CrossRef]
- Di Piazza, M.; Ragusa, A.; Vitale, G. Identification of photovoltaic array model parameters by robust linear regression methods. Renew. Energy Power Qual. J. 2009, 1, 143–149. [Google Scholar] [CrossRef]
- Ayop, R.; Tan, C.W. Rapid Prototyping of Photovoltaic Emulator Using Buck Converter Based on Fast Convergence Resistance Feedback Method. IEEE Trans. Power Electron. 2019, 34, 8715–8723. [Google Scholar] [CrossRef]
- Schofield, D.; Foster, M.; Stone, D. Low-cost solar emulator for evaluation of maximum power point tracking methods. Electron. Lett. 2011, 47, 208–209. [Google Scholar] [CrossRef]
- Kim, Y.; Lee, W.; Pedram, M.; Chang, N. Dual-mode power regulator for photovoltaic module emulation. Appl. Energy 2013, 101, 730–739. [Google Scholar] [CrossRef]
- De Beer, C.; Barendse, P.; Khan, A. Development of an HT PEM Fuel Cell Emulator Using a Multiphase Interleaved DC–DC Converter Topology. IEEE Trans. Power Electron. 2012, 28, 1120–1131. [Google Scholar] [CrossRef]
- Kwan, T.H.; Yao, Q. A Cost Effective Experimental Emulator for Fuel Cell Based Combined Heat and Power Systems. Energy Procedia 2019, 158, 1437–1448. [Google Scholar] [CrossRef]
- Li, T.; Chen, Y.; Gou, H.Y.; Chen, X.Y.; Tang, M.G.; Lei, Y. A DC Voltage Swell Compensator Based on SMES Emulator and Lead-Acid Battery. IEEE Trans. Appl. Supercond. 2019, 29, 1–4. [Google Scholar] [CrossRef]
- Farag, S.; Lerman, C.; Lineykin, S.; Kuperman, A. Off-the-Shelf Power Supply-Based Battery/Supercapacitor Emulator for Charger Functionality Testing. IEEE Trans. Transp. Electrif. 2016, 2, 129–139. [Google Scholar] [CrossRef]
- Cirrincione, M.; Pucci, M.; Vitale, G. Growing Neural Gas (GNG)-Based Maximum Power Point Tracking for High-Performance Wind Generator With an Induction Machine. IEEE Trans. Ind. Appl. 2011, 47, 861–872. [Google Scholar] [CrossRef]
- Mohammadi, E.; Fadaeinedjad, R.; Naji, H.R. Using a new wind turbine emulator to analyze tower shadow and yaw error effects. Energy Convers. Manag. 2018, 174, 378–387. [Google Scholar] [CrossRef]
- Ashourianjozdani, M.; Lopes, L.; Pillay, P. Power Electronic Converter Based PMSG Emulator: A Testbed for Renewable En-ergy Experiments. IEEE Trans. Ind. Appl. 2018, 54, 3626–3636. [Google Scholar] [CrossRef]
- Wollz, D.H.; da Silva, S.A.O.; Sampaio, L.P. Real-time monitoring of an electronic wind turbine emulator based on the dynamic PMSG model using a graphical interface. Renew. Energy 2020, 155, 296–308. [Google Scholar] [CrossRef]
- Duran, E.; Andújar, J.; Segura, F.; Barragán, A.; Andujar-Márquez, J.M.; Piña, A.J.B. A high-flexibility DC load for fuel cell and solar arrays power sources based on DC–DC converters. Appl. Energy 2011, 88, 1690–1702. [Google Scholar] [CrossRef]
- Rao, Y.S.; Chandorkar, M.C. Real-Time Electrical Load Emulator Using Optimal Feedback Control Technique. IEEE Trans. Ind. Electron. 2009, 57, 1217–1225. [Google Scholar] [CrossRef]
- Wang, J.; Yang, L.; Ma, Y.; Wang, J.; Tolbert, L.M.; Wang, F.; Tomsovic, K. Static and dynamic power system load emulation in a converter-based reconfigurable power grid emulator. In Proceedings of the 2014 IEEE Energy Conversion Congress and Exposition (ECCE), Pittsburgh, PA, USA, 14–18 September 2014. [Google Scholar]
- Kesler, M.; Ozdemir, E.; Kisacikoglu, M.C.; Tolbert, L.M. Power Converter-Based Three-Phase Nonlinear Load Emulator for a Hardware Testbed System. IEEE Trans. Power Electron. 2014, 29, 5806–5812. [Google Scholar] [CrossRef]
- Vijay, A.S.; Chandorkar, M.C.; Doolla, S. A System Emulator for AC Microgrid Testing. IEEE Trans. Ind. Appl. 2019, 55, 6538–6547. [Google Scholar] [CrossRef]
- Yodwong, B.; Guilbert, D.; Phattanasak, M.; Kaewmanee, W.; Hinaje, M.; Vitale, G. AC-DC Converters for Electrolyzer Ap-plications: State of the Art and Future Challenges. Electronics 2020, 9, 912. [Google Scholar] [CrossRef]
- Yodwong, B.; Guilbert, D.; Phattanasak, M.; Kaewmanee, W.; Hinaje, M.; Vitale, G. Proton Exchange Membrane Electrolyzer Modeling for Power Electronics Control: A Short Review. C J. Carbon Res. 2020, 6, 29. [Google Scholar] [CrossRef]
- Falcão, D.; Pinto, A. A review on PEM electrolyzer modelling: Guidelines for beginners. J. Clean. Prod. 2020, 261, 121184. [Google Scholar] [CrossRef]
- Fontes, G.; Turpin, C.; Astier, S.; Meynard, T.A. Interactions Between Fuel Cells and Power Converters: Influence of Current Harmonics on a Fuel Cell Stack. IEEE Trans. Power Electron. 2007, 22, 670–678. [Google Scholar] [CrossRef]
- Wahdame, B.; Girardot, L.; Hissel, D.; Harel, F.; François, X.; Candusso, D.; Péra, M.C.; Dumercy, L. Impact of power converter current ripple on the durability of a fuel cell stack. In Proceedings of the 2008 IEEE International Symposium on Industrial Electronics, Cambridge, UK, 30 June–2 July 2008. [Google Scholar]
- Gemmen, R.S. Analysis for the Effect of Inverter Ripple Current on Fuel Cell Operating Condition. J. Fluids Eng. 2003, 125, 576–585. [Google Scholar] [CrossRef]
- Zhan, Y.; Guo, Y.; Zhu, J.; Liang, B.; Yang, B. Comprehensive influences measurement and analysis of power converter low frequency current ripple on PEM fuel cell. Int. J. Hydrog. Energy 2019, 44, 31352–31359. [Google Scholar] [CrossRef]
- Ursúa, A.; Marroyo, L.; Gubía, E.; Gandia, L.M.; Dieguez, P.M.; Sanchis, P. Influence of the power supply on the energy efficiency of an alkaline water electrolyser. Int. J. Hydrog. Energy 2009, 34, 3221–3233. [Google Scholar] [CrossRef]
- Ursúa, A.; Sanchis, P.; Marroyo, L. Electric Conditioning and Efficiency of Hydrogen Production Systems and Their Integra-tion with Renewable Energies. In Renewable Hydrogen Technologies; Elsevier: Amsterdam, The Netherlands, 2013; pp. 333–360. Available online: https://www.sciencedirect.com/science/article/pii/B9780444563521000143 (accessed on 9 March 2021).
- Guilbert, D.; Vitale, G. Variable Parameters Model of a PEM Electrolyzer Based Model Reference Adaptive System Approach. In Proceedings of the 2020 IEEE International Conference on Environment and Electrical Engineering and 2020 IEEE Industrial and Commercial Power Systems Europe (EEEIC/I&CPS Europe), Madrid, Spain, 9–12 June 2020. [Google Scholar]
- Pukrushpan, J.T. Modeling and Control of Fuel Cell Systems and Fuel Processors. Ph.D. Thesis, The University of Michigan, Ann Arbor, MI, USA, 2003. [Google Scholar]
- Ayivor, P.; Torres, J.; van der Meijden, M.A.M.M.; van der Pluijm, R.; Stouwie, B. Modelling of Large Size Electrolyzer for Electrical Grid Stability Studies in Real Time Digital Simulation. In Proceedings of the 3rd International Hybrid Power Systems Workshop, Tenerife, Spain, 8–9 May 2018. [Google Scholar]
- Ulleberg, O. Modeling of advanced alkaline electrolyzers: A system simulation approach. Int. J. Hydrog. Energy 2003, 28, 21–33. [Google Scholar] [CrossRef]















| Parameters | Value | Unit |
|---|---|---|
| Rated electrical power | 400 | W |
| Stack current range | 8 | V |
| Stack current range | 0–50 | A |
| Max. outlet pressure | 10.5 | bar |
| Cells number, N | 3 | - |
| Active area Section | 50 | cm2 |
| Max. Hydrogen flow rate at STP (Standard Temperature and Pressure, 20 °C and 1 bar) | 1 | slpm (standard liter per minute) P = 1 bar, T = 15 °C |
| Parameters | Value | Unit |
|---|---|---|
| Erev | 4.38 | V |
| Rm | 0.088 | Ω |
| Ra | 0.318 | Ω |
| Rc | 0.035 | Ω |
| Ca | 37.26 | F |
| Cc | 37.26 | F |
| Parameters | Estimated Values | Real Values | Error |
|---|---|---|---|
| Rm | 0.088 Ω | 0.09 Ω | 0.002 Ω |
| Ra | 0.318 Ω | 0.333 Ω | 0.015 Ω |
| Rc | 0.035 Ω | 0.033 Ω | 0.002 Ω |
| Ca | 37.26 F | 33.33 F | 3.93 F |
| Cc | 37.26 F | 33.30 F | 3.96 F |
| CURRENT STEP | Maximum % Error | nRMSE | CV(RMSE) |
|---|---|---|---|
| From 2 to 8 A | 8.75% | 0.1162 | 0.0451 |
| From 8 to 2 A | 3.125% | 0.0948 | 0.0225 |
| From 3 to 4 A | 2.375% | 0.2797 | 0.0204 |
| From 4 to 5 A | 3.625% | 0.1830 | 0.0125 |
| From 5 to 6 A | 4.375% | 0.2196 | 0.0141 |
| From 6 to 7 A | 2.867% | 0.2268 | 0.0151 |
| From 7 to 6 A | 3.375% | 0.1851 | 0.0113 |
| From 6 to 5 A | 2.212% | 0.2017 | 0.0138 |
| From 5 to 4 A | 4.075% | 0.4512 | 0.0331 |
| From 4 to 3 A | 3.125% | 0.1861 | 0.0162 |
Publisher’s Note: MDPI stays neutral with regard to jurisdictional claims in published maps and institutional affiliations. |
© 2021 by the authors. Licensee MDPI, Basel, Switzerland. This article is an open access article distributed under the terms and conditions of the Creative Commons Attribution (CC BY) license (http://creativecommons.org/licenses/by/4.0/).
Share and Cite
Yodwong, B.; Guilbert, D.; Hinaje, M.; Phattanasak, M.; Kaewmanee, W.; Vitale, G. Proton Exchange Membrane Electrolyzer Emulator for Power Electronics Testing Applications. Processes 2021, 9, 498. https://doi.org/10.3390/pr9030498
Yodwong B, Guilbert D, Hinaje M, Phattanasak M, Kaewmanee W, Vitale G. Proton Exchange Membrane Electrolyzer Emulator for Power Electronics Testing Applications. Processes. 2021; 9(3):498. https://doi.org/10.3390/pr9030498
Chicago/Turabian StyleYodwong, Burin, Damien Guilbert, Melika Hinaje, Matheepot Phattanasak, Wattana Kaewmanee, and Gianpaolo Vitale. 2021. "Proton Exchange Membrane Electrolyzer Emulator for Power Electronics Testing Applications" Processes 9, no. 3: 498. https://doi.org/10.3390/pr9030498
APA StyleYodwong, B., Guilbert, D., Hinaje, M., Phattanasak, M., Kaewmanee, W., & Vitale, G. (2021). Proton Exchange Membrane Electrolyzer Emulator for Power Electronics Testing Applications. Processes, 9(3), 498. https://doi.org/10.3390/pr9030498

