Evaluation of Process Control Schemes for Sour Water Strippers in Petroleum Refining
Abstract
1. Introduction
2. Process Simulation and Prediction Model Development
2.1. Steady and Dynamic Simulation
2.2. Feed Composition Estimator
2.3. Minimum Reboiler Duty Predictor
2.4. Minimum Reboiler Duty Tray Temperature Predictor
3. Control Schemes
3.1. Feedforward Control
3.2. Feedback Control
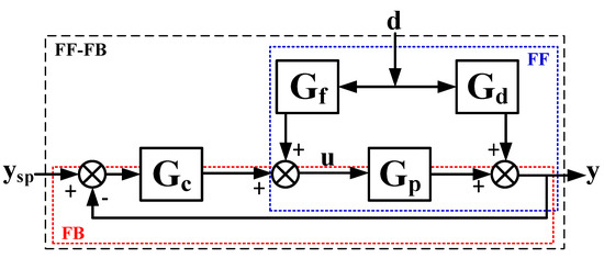
3.3. Feedforward-Feedback Control
4. Performance of Control Schemes
4.1. Dynamic Responses
4.2. Performance Index
4.2.1. Settling Time
4.2.2. Integrated Absolute Error of Ammonia Concentration
4.2.3. Integrated Absolute Error of Specific Reboiler Duty
5. Conclusions
- FFT and FBA-DT3 are the best control schemes considering all three performance indices.
- FBAT is the next best choice with slightly worse performance in settling time.
- FFT must be implemented with the feed concentration estimators and its final steady state value might exhibit small deviation from the target setpoint.
Author Contributions
Funding
Conflicts of Interest
Nomenclature
| A | Composition |
| D | Diameter (m) |
| DT | Measurement time delay (min) |
| ER | External reset |
| F | Flow rate (m3/h) |
| FB | Feedback |
| FF | Feedforward |
| G | Transfer function |
| H | Height (m) |
| IAE | Integrated absolute error |
| K | Gain (%/%) |
| ORC | Override controller |
| pH | pH value (-) |
| Q | Heat duty (GJ/h) |
| Specific reboiler duty (GJ/m3) | |
| R2 | Coefficient of determination |
| SSW | Stripped sour water |
| SWS | Sour water stripper |
| T | Temperature (°C) |
| X | Mass fraction |
| Greek symbol | |
| α | Dead time (h) |
| β | Lead time (h) |
| θ | Dead time (h) |
| ρ | Density (kg/m3) |
| τ | Time constant (h) |
| Subscript | |
| d | Disturbance |
| f | Feedforward |
| p | Process |
| R | Reboiler |
| SW | Sour water |
References
- Sun, P.; Elgowainy, A.; Wang, M.; Han, J.; Henderson, R.J. Estimation of U.S. refinery water consumption and allocation to refinery products. Fuel 2018, 221, 542–557. [Google Scholar] [CrossRef]
- Das, S.; Singh, N.K. Configuration study and design of sour water stripper units for a refinery revamp. Hydrocarb. Process. 2018, 5, 89–93. [Google Scholar]
- Weiland, R.H.; Hatcher, N.A. Sour water strippers exposed. In Proceedings of the Laurence Reid Gas Conditioning Conference, Norman, OK, USA, 28 February 2012. [Google Scholar]
- Lieberman, N. Sour Water Strippers: Design and Operation. 2013. Available online: www.digitalrefining.com/article/1000799 (accessed on 22 July 2020).
- Kazemi, A.; Mehrabani-Zeinabad, A.; Beheshti, M. Development of a novel processing system for efficient sour water stripping. Energy 2017, 125, 449–458. [Google Scholar] [CrossRef]
- Zahid, U. Techno-economic evaluation and design development of sour water stripping system in the refineries. J. Clean. Prod. 2019, 236, 117633. [Google Scholar] [CrossRef]
- Gai, H.; Chen, S.; Lin, K.; Zhang, X.; Wang, C.; Xiao, M.; Huang, T.; Song, H. Conceptual design of energy-saving stripping process for industrial sour water. Chin. J. Chem. Eng. 2020, 28, 1277–1284. [Google Scholar] [CrossRef]
- Armstrong, T. Optimize sour water treatment. Hydrocarb. Process. 2003, 6, 77–79. [Google Scholar]
- Graziani, S.; Xibilia, M.G. A deep learning based soft sensor for a sour water stripping plant. In Proceedings of the 2017 IEEE International Instrumentation and Measurement Technology Conference, Turin, Italy, 22–25 May 2017. [Google Scholar]
- Barros, D.J.S.; Barros, E.S.; Zanoelo, E.F. Soft-sensor models to estimate the efficiency of H2S removal from an oil refinery stream of nonphenolic sour water. Chem. Eng. Commun. 2018, 205, 1050–1059. [Google Scholar] [CrossRef]
- Bellen, J. Design of sour water stripping system. In Proceedings of the 70th Philippine Institute of Chemical Engineers Annual National Convention, Davao City, Philippine, 25–27 February 2009. [Google Scholar]
- Morado, H.P.M.C.; de Medeiros, J.L.; Araújo, O.Q.F. Emission minimization of a two-stage sour water stripping unit using surrogate models for improving heat duty control. J. Sustain. Dev. Energy Water Environ. 2019, 7, 305–324. [Google Scholar] [CrossRef]
- Aspen Technology. Aspen Plus® V10; Aspen Technology Inc.: Bedford, UK, 2018. [Google Scholar]
- Newman, S.A. Sour water design by charts. Hydrocarb. Process. 1991, 70, 145–150. [Google Scholar]
- Montgomery, D.C. Design and Analysis of Experiments, 9th ed.; John Wiley & Sons: New York, NY, USA, 2017. [Google Scholar]
- Seborg, D.E.; Edgar, T.F.; Mellichamp, D.A.; Doyle, F.J. Process Dynamics and Control, 4th ed.; John Wiley & Sons: Hoboken, NJ, USA, 2017. [Google Scholar]
- Luyben, W.L. Plantwide Dynamic Simulators in Chemical Processing and Control; Taylor & Francis: Abingdon, UK, 2002. [Google Scholar]
- Ziegler, J.G.; Nichols, N.B. Optimum settings for automatic controllers. Trans. ASME 1942, 64, 759–768. [Google Scholar] [CrossRef]
- Shinskey, F.G. Process Control Systems, 4th ed.; McGraw-Hill: New York, NY, USA, 1996. [Google Scholar]
- Luyben, W.L. Distillation Design and Control Using AspenTM Simulation, 2nd ed.; John Wiley & Sons: Hoboken, NJ, USA, 2013. [Google Scholar]














| Case | (m3/h) | (wt%) | T (°C) | Case | (m3/h) | (wt%) | T (°C) | ||
|---|---|---|---|---|---|---|---|---|---|
| 1 | 165 | 2.5 | 1.25 | 85 | 14 | 255 | 3.5 | 1.25 | 95 |
| 2 | 165 | 2.5 | 1.25 | 95 | 15 | 255 | 3.5 | 1.75 | 85 |
| 3 | 165 | 2.5 | 1.75 | 85 | 16 | 255 | 3.5 | 1.75 | 95 |
| 4 | 165 | 2.5 | 1.75 | 95 | 17 | 120 | 3 | 1.5 | 90 |
| 5 | 165 | 3.5 | 1.25 | 85 | 18 | 300 | 3 | 1.5 | 90 |
| 6 | 165 | 3.5 | 1.25 | 95 | 19 | 210 | 2 | 1.5 | 90 |
| 7 | 165 | 3.5 | 1.75 | 85 | 20 | 210 | 4 | 1.5 | 90 |
| 8 | 165 | 3.5 | 1.75 | 95 | 21 | 210 | 3 | 1 | 90 |
| 9 | 255 | 2.5 | 1.25 | 85 | 22 | 210 | 3 | 2 | 90 |
| 10 | 255 | 2.5 | 1.25 | 95 | 23 | 210 | 3 | 1.5 | 80 |
| 11 | 255 | 2.5 | 1.75 | 85 | 24 | 210 | 3 | 1.5 | 100 |
| 12 | 255 | 2.5 | 1.75 | 95 | 25 | 210 | 3 | 1.5 | 90 |
| 13 | 255 | 3.5 | 1.25 | 85 |
| Parameter | Value | p-Value | Parameter | Value | p-Value |
|---|---|---|---|---|---|
| Constant | 0.023 | ||||
| 0.03 | |||||
| 0.005 |
| Disturbance | (h) | (h) | ||
|---|---|---|---|---|
| 0.849 | 3.795 | 3.72 | 0.068 | |
| 0.103 | 3.773 | 3.72 | 0.084 | |
| 0.257 | 0.782 | 3.72 | 0.360 | |
| 0.122 | 1.268 | 3.72 | 0.450 |
Publisher’s Note: MDPI stays neutral with regard to jurisdictional claims in published maps and institutional affiliations. |
© 2021 by the authors. Licensee MDPI, Basel, Switzerland. This article is an open access article distributed under the terms and conditions of the Creative Commons Attribution (CC BY) license (http://creativecommons.org/licenses/by/4.0/).
Share and Cite
Ho, C.-D.; Chen, Y.-H.; Chang, C.-M.; Chang, H. Evaluation of Process Control Schemes for Sour Water Strippers in Petroleum Refining. Processes 2021, 9, 363. https://doi.org/10.3390/pr9020363
Ho C-D, Chen Y-H, Chang C-M, Chang H. Evaluation of Process Control Schemes for Sour Water Strippers in Petroleum Refining. Processes. 2021; 9(2):363. https://doi.org/10.3390/pr9020363
Chicago/Turabian StyleHo, Chii-Dong, Yih-Hang Chen, Chao-Min Chang, and Hsuan Chang. 2021. "Evaluation of Process Control Schemes for Sour Water Strippers in Petroleum Refining" Processes 9, no. 2: 363. https://doi.org/10.3390/pr9020363
APA StyleHo, C.-D., Chen, Y.-H., Chang, C.-M., & Chang, H. (2021). Evaluation of Process Control Schemes for Sour Water Strippers in Petroleum Refining. Processes, 9(2), 363. https://doi.org/10.3390/pr9020363

