Abstract
A factor influencing the effectiveness of CO2 injection is miscibility. Besides the miscible injection, CO2 may also contribute to oil recovery improvement by immiscible injection through modifying several properties such as oil swelling, viscosity reduction, and the lowering of interfacial tension (IFT). Moreover, CO2 immiscible injection performance is also expected to be improved by adding some solvent. However, there are a lack of studies identifying the roles of solvent in assisting CO2 injection through observing those properties simultaneously. This paper explains the effects of CO2–carbonyl and CO2–hydroxyl compounds mixture injection on those properties, and also the minimum miscibility pressure (MMP) experimentally by using VIPS (refers to viscosity, interfacial tension, pressure–volume, and swelling) apparatus, which has a capability of measuring those properties simultaneously within a closed system. Higher swelling factor, lower viscosity, IFT and MMP are observed from a CO2–propanone/acetone mixture injection. The role of propanone and ethanol is more significant in Sample A1, which has higher molecular weight (MW) of C7+ and lower composition of C1–C4, than that in the other Sample A9. The solvents accelerate the ways in which CO2 dissolves and extracts oil, especially the extraction of the heavier component left in the swelling cell.
1. Introduction
The development of an oil field can be carried out in up to three stages: primary, secondary, and tertiary recovery. The last stage is also known as enhanced oil recovery (EOR). It is believed that one of the conditions influencing the effectiveness of CO2 EOR processes is CO2–oil miscibility. The identification of a miscibility condition between the injected gas and the oil is important for oil recovery in EOR.
Miscibility is described as the ability of two or more substances to form a single homogeneous phase when mixed in all proportions [1]. Miscibility is also defined as a physical condition between two or more liquids that allows mixing in all proportions in the absence of an interface contact. If two liquid phases are formed after the addition of an amount of one liquid, then the liquids are considered immiscible [2]. Higher oil recovery from reservoirs can be achieved by CO2 displacement if the injection pressure is greater than a certain minimum pressure. This minimum pressure is defined as the CO2 minimum miscibility pressure, hereafter abbreviated as MMP [3]. Other authors define the MMP as the lowest pressure at which the CO2 injection fluid can develop miscibility with reservoir crude oil at reservoir temperature [4]. The MMP will determine whether the CO2 gas injection is a miscible or an immiscible process.
Yuan et al. [5], Chen et al. [6], Glaso [7], and Zhang et al. [8] generated correlations to predict the MMP and implicitly described that the molecular weight of heavy component of crude oil (in this case is C7+) contributes to the MMP. On the other hand, Alston [9] and Emera and Sarma [10], attempted to approach MMP determination by using correlations which are functions of the molecular weight of C5+. Thus, it confirms that intermediate to heavy components of oil have a major contribution to the MMP value. The heavier the component, the higher the MMP between oil and CO2. Higher MMP will be a major concern to the operating procedure of CO2 EOR for implementation either in heavy oil reservoirs or mature fields that have low reservoir pressure.
The magnitude of MMP is strongly influenced by the fluid composition, either that in injection stream or in the reservoir [11,12]. In some cases, e.g., in mature fields, it is difficult to reach the MMP because either the reservoir pressure is too low or the MMP is above the fracture pressure. Regardless of its miscibility, CO2 injection may contribute to increased oil recovery through viscosity reduction, crude oil swelling, interfacial tension lowering effect, internal solution of CO2 gas drive, and light-hydrocarbon extraction [13].
The swelling factor has also been known as one of the main mechanisms of CO2 immiscible flooding process [14]. After injection of CO2 into the reservoir, the oil will be swollen, and a larger volume of oil will be recovered. In such case, the density becomes less and the volume increases. The swelling factor measures the ratio between the volume of oil after the CO2 is injected at a certain mole percent and the volume of oil before the injection process [15].
It has been found that the main controlling parameters of CO2 EOR are the interactions among the injected CO2, oil, brine, and rock. The interaction characteristics include interfacial tension (IFT), wettability, and interfacial mass transfer [16]. When the IFT of CO2 and the crude oil decreases and approaches zero, as the pressure increases, the capillary pressure drops to the minimum value [17]. This condition creates a massive mobilization of oil trapped in pores by the CO2 [1].
Several authors had studied the role of CO2 injection into heavy oil to reduce the viscosity. Viscosity becomes a significant property that influences the mobility of oil in the reservoir. The lower the oil viscosity, the easier the oil flows through the pores. According to Chung et al. [18], lowering oil viscosity in CO2 injection into heavy oil is better than increasing the temperature. They did three experiments at three different temperatures, i.e., 75 °F, 140 °F, and 200 °F. The CO2 injection could reduce the viscosity of heavy oil by more than ten times the original viscosity. Another study by Kokal and Sayegh [19] tried to explain that injecting CO2 at higher temperature reduces the oil viscosity considerably while the pressure increases, indicating that CO2 keeps dissolving into the oil. The phenomenon is different at lower temperatures, where there is a threshold pressure when the CO2 solubility begins to reduce.
Solvents in the oil industry are also commonly used to lower oil viscosity. Issues in oil transferring, especially for heavy oil, such as transport difficulties in pipelines can be solved by adding a proper solvent to the crude oil. Gateau et al. [20] found that the dilution efficiency of solvent depends on its polar functional group. The higher the polarity parameter or the hydrogen bonding parameter of the solvent, the lower the resultant oil viscosity [20]. The way that solvent polarity works is expected to give more advantage to the CO2 injection performance, especially for heavy oils and mature fields.
Previous studies have found that alkane solvent addition to the CO2 stream generally accelerates the processes of heavy oil swelling, viscosity reduction, and lowering the IFT between the CO2 and the oil. In such case, it leads to enhanced oil recovery through vapor-extraction processes [21]. Higher oil recovery has also been observed with less consumption of solvent by using CO2 enriched by C3H8 flooding rather than using pure CO2 [22]. Those previous studies discussed the role of solvents added to the CO2 injection for higher recovery in heavy oils.
Other studies have explored the swelling factor, the viscosity, and the IFT of oil injected by CO2 separately. Harmon and Grigg [23], Abdurrahman et al. [24], and Tsau et al. [25] have studied the swelling factor of oil injected by CO2; Kokal and Sayegh [19] and Chung et al. [18] have observed the viscosity behavior of oil injected by CO2; and Golkari and Riazi [26], Zolghadr et al. [27], Nobakht et al. [28] and Rao [29] have investigated the IFT between oil (crude and/or pure oil component) and CO2 to predict the behavior and the MMP. Their experiments, however, lack in observing the behavior of swelling factor, viscosity and IFT simultaneously at a closed system during the CO2 injection.
Motivated by studies investigating the parameters separately mentioned above, this paper attempts to explain the effects of CO2–solvent mixture injection, in this case by adding carbonyl and hydroxyl compounds, on the swelling factor, the IFT, the viscosity and the MMP experimentally using VIPS (which refers to viscosity, interfacial tension, pressure–volume, and swelling) apparatus which has a capability of measuring the three parameters simultaneously within a closed system. The apparatus was invented by Hakim [30], and has been proven to be able to observe those properties at the same time. The advantage of the apparatus is its ability to observe the interaction of CO2–crude oil directly. This paper tries to further the understanding about the mutual interaction between CO2 and crude oil on the specific relationship which has not been well understood, and then to see the role of CO2–carbonyl and CO2–hydroxyl compounds mixture injections to aromatic oils rather than heavy oils. The experiment was conducted at different equilibrium pressures at 104 °F. Two kinds of aromatic oils taken from an Indonesian oil field were used to analyze the relationship of different oil properties on the swelling factor, the viscosity, and the IFT between CO2 and the crude oil.
2. Materials and Methods
2.1. Materials
Crude oil samples were collected from the stock tank of two different structures of the M Field located in Jambi Province, Indonesia. The properties and composition of both samples are shown in Table 1 and Table 2. The characteristics of the samples are generalized because they came from the same formation (see Table 2). The solvents used in this experiment were propanone/acetone and ethanol as a representative of carbonyl and hydroxyl compounds, respectively. The densities of propanone and ethanol at 68 °F are 0.793 g/mL and 0.789 g/mL, respectively.
Table 1.
Crude oil sample properties.
Table 2.
Crude oil sample composition and generalized characteristics.
2.2. Procedures
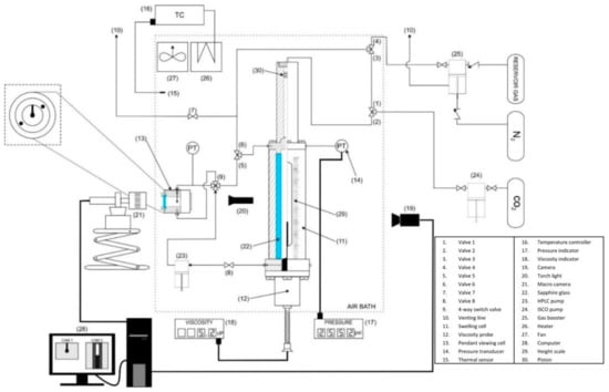
VIPS apparatus is designed to be a multifunctional instrument for several measurement methods, such as PVT cell/synthetic live oil generation, swelling apparatus/viewing cell, high pressure and temperature viscosity measurements, and vanishing interfacial tension (VIT)/pendant drops method that can be used to measure several properties to determine the MMP. They are simultaneously measured on the same sample composition. This apparatus can operate up to 5000 psi and 212 °F. The novel apparatus diagram is shown in Figure 1.
Figure 1.
Schematic diagram of the experimental apparatus used for measuring swelling factor, viscosity and interfacial tension between oil samples and CO2.
The swelling cell consists of a set of a see-through windowed high-pressurized cells built by tubing-formed sapphire glass and thick stainless steel around the glass. This cell is 0.82 inches in inner diameter and 8.27 inches in height. Some part of the steel has holey windows to give a space for visual observation. For the cleaning step, the swelling cell and the lines flowed by oil were initially flushed using toluene to ensure no residue was left inside. Before commencing experiments, the heater was turned on earlier for several hours to ensure all materials had a similar temperature to the air bath. The swelling cell was first loaded by amounts of oil sample, then the solvents were introduced afterward for the solvent addition case. Solvent addition was set to be 10% of the oil weight. To complete the loading step, the cell was then injected by certain amount of CO2 using a syringe pump (260D, Teledyne ISCO Inc., Lincoln, NE, USA) until it reached a minimum desired pressure. Pressurizing processes can be conducted by either injecting CO2 into the piston tube or introducing CO2 into the swelling cell.
After reaching a certain pressure and temperature, the sample was circulated through valve 8 to valve 5 (Figure 1) and flowed back into the swelling cell until equilibrium condition was reached. The circulation was accomplished by two cycles of oil volume to meet stabilized pressure. The swelling factor and the viscosity were measured directly after equilibrium by using the height scale and the viscosity probe. This probe used mechanisms of vibrating-type viscometer at resonance frequency (MIVI 7000, Sofraser, Villemandeur, France). The active part of the sensor was a vibrating rod which maintains oscillation at its resonance frequency by a constant electrical power.
The sample inside the swelling cell was then pumped into the pendant viewing cell by using the HPLC pump (Waters 501, Waters Corp, Milford, MA, USA). The macro-camera (Basler AG, Ahrensburg, Germany) was connected to the personal computer for measuring the IFT through digital images of dynamic pendant oil drops captured by the camera. The IFT was measured from the captured image by using DROPimage software (ramé-hart Instrument Co., Succasunna, NJ, USA). The drop shape was determined by a contour-fitting algorithm and resulted in linear polynomials. The final calculation was accomplished using the theoretical profiles produced by a numerical integration of the Young–Laplace equation.
3. Results and Discussion
3.1. Swelling Factor
Due to a limitation of the viewing window, calibration was calculated periodically at the first time a dataset was executed. The purpose was to observe an unseen volume of oil sample below the lowest part of the viewing window in the swelling cell. The height scale at the wall of steel helped to observe the swelling process, which was indicated by the increase in oil column height. The swelling factor measurement results for Samples A1 and A9 are shown in Figure 2.
Figure 2.
The swelling factor results for (a) Sample A1 and (b) Sample A9.
The swelling factor of Sample A1 reached a maximum value through the condensation stage, then it decreased gently; known as the beginning of the extraction stage (see Figure 2a). The similar form of swelling factor curve is also found in other studies, such as that of Abdurrahman et al. [24] and Tsau et al. [25]. Abdurrahman et al. [24] stated that there is a near-miscible condition when light-to-moderate components vaporize rapidly. They called it the condensation-extraction stage. This stage occurs when there is a significant drop of the swelling factor after it reaches maximum value, then the curve turns to decrease gently as the extraction stage begins. In this experiment, the condensation-extraction stage was found for the propanone addition case but not in the other cases. The condensation-extraction stage occurred in between 1020 psi and 1230 psi of the working pressure. Another interesting finding was that the swelling factor curves of CO2–ethanol and –propanone mixed injections to Sample A1 in the condensation stage were always higher than that of pure CO2 injection at the same working pressure. For the propanone addition case, the swelling factor of Sample A1 decreased more significantly at the extraction stage than those of CO2–ethanol mixed and pure CO2 injections. Furthermore, when the swelling factors of CO2–ethanol mixed and pure CO2 injections reach the maximum value at the most likely similar pressure, the swelling factor of CO2–propanone mixed injection began to decrease (see Figure 2a).
There is a different trend in the swelling factor curves for Sample A1. The two curve trends (shown in Figure 2a) indicate the extraction and condensation-extraction stages that are represented by the decreasing swelling factor curve after it reaches its maximum value. Differently from Sample A1, there were no such distinctive curves in any cases using Sample A9 (see Figure 2b). These curves are similar to the experimental results published by Simon and Graue [15] which showed only the increasing swelling factor curve, i.e., the condensation stage. Miscibility conditions were observed in Sample A9 after a pressure at which each set of experiment reached the highest swelling factor and there was no contact between oil and CO2 seen in the chamber (Figure 3). By definition, under this condition, the swelling factor is unidentified. In contrast, oil column and contact between CO2 and oil was clearly observed during the experiment of Sample A1, where the swelling factor could be measured even at a pressure as high as 2500 psi. The views from the chamber for both immiscible and miscible conditions of Sample A9 for pure CO2 injection are shown in Figure 3.
Figure 3.
Views from the swelling cell for both immiscible and miscible condition of Sample A9 for pure CO2 injection.
According to Figure 2b, the swelling factor of the CO2–propanone mixed injection was still higher than those of the CO2–ethanol mixed and pure CO2 injections. The results clearly demonstrate the similarity of how propanone and ethanol work in both samples; they increase the swelling factor more than that of CO2 injection without any solvent addition. The results also clearly show that propanone works better than ethanol in increasing the swelling factor of oil.
3.2. Interfacial Tension (IFT)
As also found in the swelling factor experiment, the plot of the measured IFT resulted in two distinct curves for Sample A1. Two kinds of straight line slopes are clearly noticeable. The first slope (at lower pressure) is steeper than the second one (at higher pressure), as shown in Figure 4a. The second slope of the IFT curve, which decreases more gently, indicates significant differences in the oil composition being extracted compared to that of the condition of the first slope. This second slope is commonly known as the stage at which either heavier the component of the oil is being extracted [31], or the asphaltene deposition is occurring [26,28]. Sample A1 was an aromatic oil and absent of asphaltene content, therefore the most possible explanation for this phenomenon is that the CO2 was extracting the heavier component of the oil. This proves that the light to intermediate components of the oil are extracted first by the CO2, then these components become scarce as the second slope of IFT curve begins. Under this condition, the CO2 tries to extract the heavier component of the oil as the residue of the previous extractions [32,33]. According to Zolghadr et al. [27], this means that when the first slope of the IFT curves occurs, the light to intermediate components are present at the interface of the droplet while the pendant drop is in contact with the CO2. The second slope indicates the presence of the heavier components at the interface of the droplet after the lighter ones are extracted. This will be analyzed further by combining the results from the swelling factor and the IFT.
Figure 4.
The interfacial tension (IFT) results for (a) Sample A1 and (b) Sample A9.
The IFT results of Sample A9 show only one straight line for each case. It was not possible to measure the IFT at higher pressure after each experiment reached the minimum value of IFT (see Figure 4b). Under this condition, the contact between CO2 and Sample A9 could not be observed through the window of the swelling cell. This phenomenon confirms that the system reached its miscible condition. These results look similar to the IFT of CO2 injection to a pure hydrocarbon component, which created only one slope of the IFT curve, such as that of the study by Zolghadr et al. [27]. Basically, the miscible condition can be observed almost at the same pressure of about 1200 psi for all three cases. Thus, the role of solvents addition did not significantly reduce the MMP for Sample A9. When the pressure was higher than 1080 psi, the IFT could not be measured further because no droplet formed at the tip of the pendant drop. As can be seen in Figure 5, this is similar to what has been found by Rao and Lee [34] at their miscible conditions.
Figure 5.
Digital images captured for immiscible and miscible condition from this experiment for CO2 injection to Sample A9 without any solvent addition.
3.3. Viscosity
Calibration to the viscosity probe was first conducted to assure correct measurements. When there is no fluid present, the cell is dry, and the viscosity probe indicate its measurement of 0 cP. After calibration, the original viscosities of oil samples are measured at the atmospheric condition. The initial viscosity of Samples A1 and A9 were 8.5 cP and 2.5 cP, respectively. Figure 6 shows the results of viscosity measurements for both samples.
Figure 6.
The viscosity results for (a) Sample A1 and (b) Sample A9.
According to Figure 6a, pure CO2 injection reduced the viscosity of Sample A1 by more than half of its original viscosity at 610 psi. The existence of ethanol and propanone can reduce the viscosity of Sample A1 even more than that by pure CO2 injection, especially when it reached the threshold pressure. This result shows similar trends to the viscosity curve studied by Chung et al. [18] and Kokal and Sayegh [19]. Propanone worked better than ethanol in reducing the viscosity of Sample A1. However, the viscosity reached the similar lowest value for both solvent addition cases after the threshold pressure was reached. Propanone reached the threshold pressure earlier than that of ethanol, which was 1020 psi compared to the latter value of 1215 psi. Adding propanone and ethanol into the CO2 injection reduced the viscosity of Sample A1 by about 18% of the initial viscosity after reaching the threshold pressure, whereas pure CO2 injection reduced the viscosity to about 25% of the initial value. In all cases, with or without addition of any solvents, the viscosity of Sample A1 after reaching threshold pressure was considerably constant. Very small magnitudes of viscosity reduction in Sample A1 might happen in the order of 10−2 cP but it certainly could not be observed by the probe tool.
The viscosity reduction that occurred in Sample A9 does not seem as significant as that in Sample A1 (see Figure 6a,b). However, the CO2–propanone mixed injection still reduced the Sample A9 viscosity more than those of the CO2–ethanol mixed and pure CO2 injections. At the pressure which the miscible condition was about to begin, some small deposition was formed around the vibrating rod of the viscosity probe and distorted the working procedure of the probe. The deposition was formed earlier for the CO2–propanone mixed injection than all other cases which occurred before the pressure reached 1000 psi.
3.4. Analysis
The swelling factor of Sample A1 showed two different lines to represent condensation (increasing swelling factor) and extraction (decreasing swelling factor) stages (Figure 2a). The two slopes also occurred in the IFT and the viscosity curves (see Figure 7), the point of change of which occurred almost at the same pressure as with that of the swelling factor curve. There is a discontinuity in the swelling factor curves between the condensation and the extraction stages of CO2–propanone mixed injection (see the dot-marked green line in Figure 2a). This discontinuity of the curves is known as the start point of condensation-extraction stage based on the analysis presented by Abdurrahman et al. [24]. On the other hand, the strong light-component extraction was observed by Nobakht et al. [35] before this kind of discontinuity was clearly understood. This phenomenon, i.e., the extraction of the oil phase to the “upper phase,” could also be observed in our experiment through the window of the swelling cell when the injection took place inside the cell. This process occurred in a very short period of pressure increment. Note that the term “upper phase” is used to define the existence of the two phases inside the cell, i.e., the oil and the upper one. In this case, the phase above the oil was no longer pure CO2 because slight extraction had begun, therefore the phase contained the extracted oil. According to the study by Siagian and Grigg [32], this indicates a phenomenon of which the density of the upper phase increases rapidly. This rapid increase in density corresponds to the rapid increase in the extraction capacity of the CO2. Thus, after the swelling factor reached its maximum value through condensation stage, the light-component of the oil was extracted either with strong or weak extraction (indicated by sudden drop of the swelling factor) and then followed by the extraction of the heavier component of the oil (indicated by low-slope curve) as the lighter one became scarce. In our experiment, the phenomenon was indicated by a significant drop in the value of the swelling factor, exposing some kind of discontinuity. The swelling factor of CO2–ethanol mixed and pure CO2 injections did not have this kind of discontinuity in their curves between the condensation and the extraction stages. This may be due to the condensation stage not being strong enough to indicate the light-component extraction, or the extraction capacity of the CO2–propanone mixed injection indeed being much stronger.
Figure 7.
Minimum miscibility pressure (MMP) determination based on Hakim [30] for Sample A1 with (a) pure CO2 injection, (b) CO2–ethanol mixed injection, and (c) CO2–propanone mixed injection.
The method to estimate MMP based on swelling test data has been improved by Abdurrahman et al. [24] by identifying the intersection between the strong light-component extraction and the extraction stages in the swelling factor curve. On the other hand, because the extraction is the principal mechanism in the development of multi-contact miscibility by vaporization, Siagian and Grigg [26] found that the MMP can be estimated at the range of transition pressure when the extraction capacity increases drastically representing the strong light-component extraction. The two studies proved their observations and methods by comparing their results with those of slim tube tests. Trying to compare the previous studies to this experiment in which the swelling factor of both CO2–ethanol mixed and pure CO2 injections reached the maximum value at the most likely similar pressure, the swelling factor of the CO2–propanone mixed injection began to decrease at lower pressure (see again Figure 2a). In other words, the strong light-component extraction in the CO2–propanone mixed injection case was observed earlier than those in the other cases. Therefore, adding propanone to CO2 injection reduces the MMP and increases the CO2 EOR performance.
Another study by Hakim [30] attempted to determine the MMP by using the combination of swelling factor, IFT and viscosity curves. The author determined that the MMP occurs at the pressure where the curves of those three properties start to turn into the second slope, such as that described in Figure 7a–c. The MMPs between Sample A1 and CO2 for the case of pure CO2 injection, CO2–ethanol mixed injection, and CO2–propanone mixed injection were 1300 psi, 1215 psi, and 1025 psi, respectively. According to these results, propanone and ethanol are proven to be able to reduce the MMP of Sample A1.
The swelling factor of Sample A9 did not have the strong light-component extraction stage (see Figure 2b). The mechanism leading to its miscible condition is still uncertain as to whether it is a condensation or vaporization/extraction process. During circulation at the pressure where the miscibility occurred, the interaction between the oil and the “upper phase” resulted in a new kind of fluid which kept its form after one cycle of circulation (see Figure 8). There was no fluid phase that changed after the equilibrium pressure had been reached. The similar phenomena were found for all other three cases in our experiment using Sample A9. However, addition of propanone to the CO2 injection still made Sample A9 have higher swelling factor than those of the other two cases during the condensation stage. This phenomenon shows that propanone increases the CO2 solubility into the oil during the condensation stage better than that by ethanol.
Figure 8.
View through swelling cell window during circulation process. t0: initial condition, t1 & t2: circulation process, t3: after a cycle of oil circulated, t4: after equilibrium condition reached.
On the other hand, after the miscible condition was reached, the IFT of Sample A9 could not be measured further for all three cases. Thus, it made the IFT curves for those three experiments consist of one slope only. This was also the case for the swelling factor and viscosity curves. The first indication of this phenomenon was that all components of Sample A9, even the heavier component, had been miscible with CO2 [27]. Due to this reason, we can say that Sample A1 had a kind of heavier component of hydrocarbon which had not been extracted by the CO2. Thus, the results of Sample A1 show the second slope of the swelling factor and IFT curves, while there is only one slope shown by those of Sample A9. Secondly, it may be a matter of step pressure used in this experiment which was probably too large to identify such a phenomenon.
Another thing found in our experiment was that the viscosity of Sample A1 after CO2–propanone and CO2–ethanol mixed injections remained lower than that of pure CO2 injection, even after the pressure threshold was achieved. This means that the solvents, i.e., propanone and ethanol, worked and reacted chemically with the oil to keep the Sample A1 viscosity lower. On the other hand, after the pressure threshold of these three properties was reached, the swelling factor and the IFT of Sample A1 started to decrease (i.e., when the extraction stage occurred) as the pressure increased, while the viscosity remains constant. The constant viscosity during CO2 extraction indicated an almost similar oil composition that remained, and this should have been the heavier component of the oil. These findings confirm that after the strong–light component extraction, only the heavier component was extracted slightly. Then, if we compare the slope of the extraction stage in the swelling factor curves for those three cases (Figure 2a), propanone and ethanol addition cases had a steeper second slope than that of pure CO2 injection. This means that using these solvents will accelerate the mechanism of CO2 extracting the oil, especially the heavier component left in the column of the swelling cell.
4. Conclusions
Based on our experiment using the novel apparatus of VIPS that was able to acquire the swelling factor, viscosity and IFT simultaneously, the following conclusions may be drawn:
- Propanone and ethanol have been demonstrated to improve CO2 injection performance through simultaneous observations of swelling factor, viscosity, and IFT. Propanone is better than ethanol as an additive to CO2 injection, because it results in a higher swelling factor, lower viscosity, lower IFT, and at the same time reduces the MMP.
- The roles of propanone and ethanol are more significant for Sample A1 which had a higher molecular weight of C7+ components and lower composition of C1–C4 than those of Sample A9.
- Solvents used in the present study have been proven to accelerate the ways of CO2 in dissolving and extracting the oil samples, especially that of heavier components left in the column of the swelling cell during the extraction stage.
Author Contributions
A.K.P. and A.L.L.H. developed the research concept and designed the experimental work. E.A.P. and A.L.L.H. conducted the experiment and acquired all necessary data. The paper was written by A.K.P. and E.A.P. D.A. proof-read and assessed the concept. All authors reviewed the paper. All authors have read and agreed to the published version of the manuscript.
Funding
This research was funded by Lembaga Penelitian dan Pengabdian Masyarakat (LPPM) Institut Teknologi Bandung under grant no. 265.B/I1.C04/KU/2020 and the APC was funded by the same institution.
Institutional Review Board Statement
Not applicable.
Informed Consent Statement
Not applicable.
Data Availability Statement
The data presented in this study are available on request from the corresponding author. The data are not publicly available due to privacy.
Acknowledgments
The authors wish to express their appreciation for the Program Penelitian, Pengabdian Kepada Masyarakat, dan Inovasi (P3MI) Institut Teknologi Bandung funding provided by Lembaga Penelitian dan Pengabdian Kepada Masyarakat (LPPM) ITB (265.B/I1/C04/KU/2020) and research facility provided by Bass Oil Limited.
Conflicts of Interest
The authors declare no conflict of interest.
References
- Green, D.W.; Willhite, G.P. Enhanced Oil Recovery; SPE Textbook Series; Society of Petroleum Engineers: Richardson, TX, USA, 1998; Volume 6, p. 1. [Google Scholar]
- Holm, L.W. Miscibility and miscible displacement. J. Pet. Technol. 1986, 38, 817–818. [Google Scholar] [CrossRef]
- Stalkup, F.I. Carbon dioxide miscible flooding: Past, present and outlook for the future. J. Pet. Technol. 1978, 30, 102–106. [Google Scholar] [CrossRef]
- Mungan, N. Carbon dioxide flooding-fundamental. J. Can. Pet. Technol. 1981, 20, 87–92. [Google Scholar] [CrossRef]
- Yuan, H.; Johns, R.T.; Egwuenu, A.M.; Dindoruk, B. Improved MMP correlations for CO2 floods using analytical gas flooding theory. SPE Reserv. Eval. Eng. 2005, 8, 418–425. [Google Scholar] [CrossRef]
- Chen, B.L.; Huang, H.D.; Zhang, Y. An improved predicting model for minimum miscibility pressure (MMP) of CO2 and crude oil. J. Oil Gas Technol. 2013, 35, 126–130. [Google Scholar]
- Glaso, O. Generalized minimum miscibility pressure correlation. SPE J. 1985, 25, 927–934. [Google Scholar]
- Zhang, H.; Hou, D.; Li, K. An improved CO2-crude oil minimum miscibility pressure correlation. J. Chem. 2015, 2015, 1–10. [Google Scholar] [CrossRef]
- Alston, R.B.; Kokolis, G.P.; James, C.F. CO2 minimum miscibility pressure: A correlation for impure CO2 streams and live oil systems. SPE J. 1985, 25, 268–274. [Google Scholar] [CrossRef]
- Emera, M.K.; Sarma, H.K. A genetic algorithm-based model to predict CO2-oil physical properties for dead and live oil. J. Can. Pet. Technol. 2008, 47, 52–61. [Google Scholar] [CrossRef]
- Holm, L.W.; Josendal, V.A. Effect of oil composition on miscible-type displacement by carbon dioxide. SPE J. 1982, 22, 87–98. [Google Scholar] [CrossRef]
- Metcalf, R.S. Effects of impurities on minimum miscibility pressure and minimum enrichment levels for CO2 and rich-gas displacements. SPE. J. 1982, 22, 219–225. [Google Scholar] [CrossRef]
- Lake, L.W.; Johns, R.T.; Rossen, W.R.; Pope, G.A. Fundamentals of Enhanced Oil Recovery; Society of Petroleum Engineers: Richardson, TX, USA, 2015. [Google Scholar]
- Sohrabi, M.; Emadi, A. Novel insights into the pore-scale mechanisms of enhanced oil recovery by CO2 injection. In Proceedings of the EAGE Annual Conference and Exhibition, Copenhagen, Denmark, 4–7 June 2012. [Google Scholar]
- Simon, R.; Graue, D.J. Generalized correlations for predicting solubility, swelling and viscosity behavior of CO2-crude oil system. J. Pet. Technol. 1965, 17, 102–106. [Google Scholar] [CrossRef]
- Yang, D.; Tontiwachwuthikul, P.; Gu, Y. Interfacial tensions of the crude oil + reservoir brine + CO2 systems at pressure up to 31 MPa and temperatures of 27 °C and 58 °C. J. Chem. Eng. Data 2005, 50, 1242–1249. [Google Scholar] [CrossRef]
- Danesh, A. PVT and Phase Behaviour of Petroleum Reservoir Fluids; Elsevier: Amsterdam, The Netherlands, 1998. [Google Scholar]
- Chung, F.T.H.; Jones, R.A.; Nguyen, H.T. Measurements and correlations of the physical properties of CO2/heavy-crude-oil mixture. In Proceeding of the SPE California Regional Meeting, Oakland, CA, USA, 2–4 April 1988. [Google Scholar]
- Kokal, S.L.; Sayegh, S.G. Phase behavior and physical properties of CO2-saturated heavy oil and its constitutive fractions: Experimental data and correlations. J. Pet. Sci. Eng. 1993, 9, 289–302. [Google Scholar] [CrossRef]
- Gateau, P.; Henaut, I.; Barre, L.; Argillier, J.F. Heavy-oil dilution. Oil Gas Sci. Technol. 2004, 59, 503–509. [Google Scholar] [CrossRef]
- Talbi, K.; Maini, B.B. Experimental investigation of CO2-based VAPEX for recovery of heavy oils and bitumen. J. Can. Pet. Technol. 2008, 47, 1–8. [Google Scholar] [CrossRef]
- Luo, P.; Zhang, Y.; Wang, X.; Huang, S. Propane-enriched CO2 immiscible flooding for improved heavy oil recovery. Energy Fuels 2012, 26, 2124–2135. [Google Scholar] [CrossRef]
- Harmon, R.A.; Grigg, R.B. Vapor-density measurement for estimating minimum miscibility pressure. SPE Reserv. Eng. 1988, 3, 1215–1220. [Google Scholar] [CrossRef]
- Abdurrahman, M.; Permadi, A.K.; Bae, W.S. An improved method for estimating minimum miscibility pressure through condensation-extraction process under swelling tests. J. Pet. Sci. Eng. 2015, 131, 165–171. [Google Scholar] [CrossRef]
- Tsau, J.S.; Bui, L.; Willhite, G.P. Swelling/extraction test of a small sample size for phase behavior study. In Proceeding of the SPE Symposium on Improved Oil Recovery, Tulsa, OK, USA, 24–28 April 2010. [Google Scholar]
- Golkari, A.; Riazi, M. Experimental investigation of miscibility conditions of dead and live asphaltenic crude oil-CO2 systems. J. Pet. Explor. Prod. Technol. 2017, 7, 597–609. [Google Scholar] [CrossRef]
- Zolghadr, A.; Escrochi, M.; Ayatollahi, S. Temperature and composition effect on CO2 miscibility by interfacial tension measurement. J. Chem. Eng. Data 2013, 58, 1168–1175. [Google Scholar] [CrossRef]
- Nobakht, M.; Moghadam, S.; Gu, Y. Mutual interactions between crude Oil and CO2 under different pressure. Fluid Phase Equilibria 2008, 265, 94–103. [Google Scholar] [CrossRef]
- Rao, D.N. A new technique of vanishing interfacial tension for miscibility determination. Fluid Phase Equilibria 1997, 139, 311–324. [Google Scholar] [CrossRef]
- Hakim, A.L. Minimum miscibility pressure reduction in CO2 gas mixture injection. Ph.D Thesis, Institut Teknologi Bandung, Bandung, Indonesia, 13 March 2020. [Google Scholar]
- Wang, X.; Zhang, S.; Gu, Y. Four important onset pressures for mutual interactions between each of three crude oils and CO2. J. Chem. Eng. Data 2010, 55, 4390–4398. [Google Scholar] [CrossRef]
- Siagian, U.W.R.; Grigg, R.B. The extraction of hydrocarbons from crude oil by high pressure CO2. In Proceeding of SPE/DOE Improved Oil Recovery Symposium, Tulsa, OK, USA, 19–22 April 1998. [Google Scholar]
- Cao, M.; Gu, Y. Oil recovery mechanisms and asphaltene precipitation phenomenon in immiscible and miscible CO2 flooding process. Fuel 2013, 109, 157–166. [Google Scholar] [CrossRef]
- Rao, D.N.; Lee, J.I. Determination of gas-oil miscibility conditions by interfacial tension measurements. J. Colloid Interface Sci. 2003, 262, 474–482. [Google Scholar] [CrossRef]
- Nobakht, M.; Moghadam, S.; Gu, Y. Determination of CO2 minimum miscibility pressure from measured and predicted equilibrium interfacial tensions. Ind. Eng. Chem. Res. 2008, 47, 8918–8925. [Google Scholar] [CrossRef]
Publisher’s Note: MDPI stays neutral with regard to jurisdictional claims in published maps and institutional affiliations. |
© 2020 by the authors. Licensee MDPI, Basel, Switzerland. This article is an open access article distributed under the terms and conditions of the Creative Commons Attribution (CC BY) license (http://creativecommons.org/licenses/by/4.0/).







