Two-Layer Optimization Model for the Siting and Sizing of Energy Storage Systems in Distribution Networks
Abstract
1. Introduction
2. Mathematical Problem Formulation
2.1. Objective Function
2.2. Equality Constraints
2.3. Inequality Constraints
3. Outer Layer Optimization Model
3.1. ILS Strategy
3.2. SIW Strategy
3.3. Balance Strategy
3.4. Non-Dominant Sorting and Elite Preservation Strategy
- (1)
- For each bat xi, set two parameters np and sp, where np is the number of solutions that dominate the solution p; sp is a set of solutions that the solution p dominates.
- (2)
- Find the non-dominated solution set with np = 0 and set the non-dominated rank as Rank1.
- (3)
- For each individual xj in Rank1, check the corresponding sj. For each xk in sj, set the parameter np = np−1; if np = 0, set xk as Rank2. Then repeat the above steps until the non-dominated ranks of all bats are determined.
- (4)
- Crowding distance is introduced to characterize the distance between two bats, to make the distribution of bats more uniform in space, which can be formulated as follows:
- (5)
- Elite strategy. Elite preservation strategy combines the parents and individuals generated by improved bat algorithm and genetic algorithm to form a set with the size of 3N and selects N individuals with better performance to form the offspring generation. In the selection operation, the solution with the smaller non-dominated Rank and the bigger crowding distance have priority to be chosen than others when the non-dominated Rank is the same. The main idea of elite strategy is given in Figure 3.
4. Internal Layer Optimization Model
4.1. Analytic Hierarchy Process (AHP)
- (1)
- Construct a judge matrix. In order to make the scheme have a unified standard, the numbers 1–9 and their inverses are used as scales to define the judge. The comparative important scale of criteria is given in Table 1.
- (2)
- Arithmetic mean estimated weight vector.
4.2. Fuzzy Entropy Weight
- (1)
- Normalization is represented as follows:
- (2)
- The entropy is represented as follows:
- (3)
- The entropy method weight is represented as follows:
- (4)
- The fuzzy entropy weight is represented as follows:
4.3. Fuzzy Entropy Weight of Vague Set
- (1)
- Determine the positive and negative ideal solutions P+, P−, and then calculate the solution of vague set A = ([tAij, fAij])n×m.Here, P+ and P− are the best and worst solution for each attribute to reach candidate solution, respectively; the true and false membership of Pij relative to the positive ideal index P+ and the negative ideal index P− are shown in (35). The comprehensive vague membership is shown in (36).
- (2)
- Determine the comprehensive vague value of each ideal solution in the Pareto optimal front, which can be described as follows:
- (3)
- Sort the solutions by a new score function to choose the best solution.
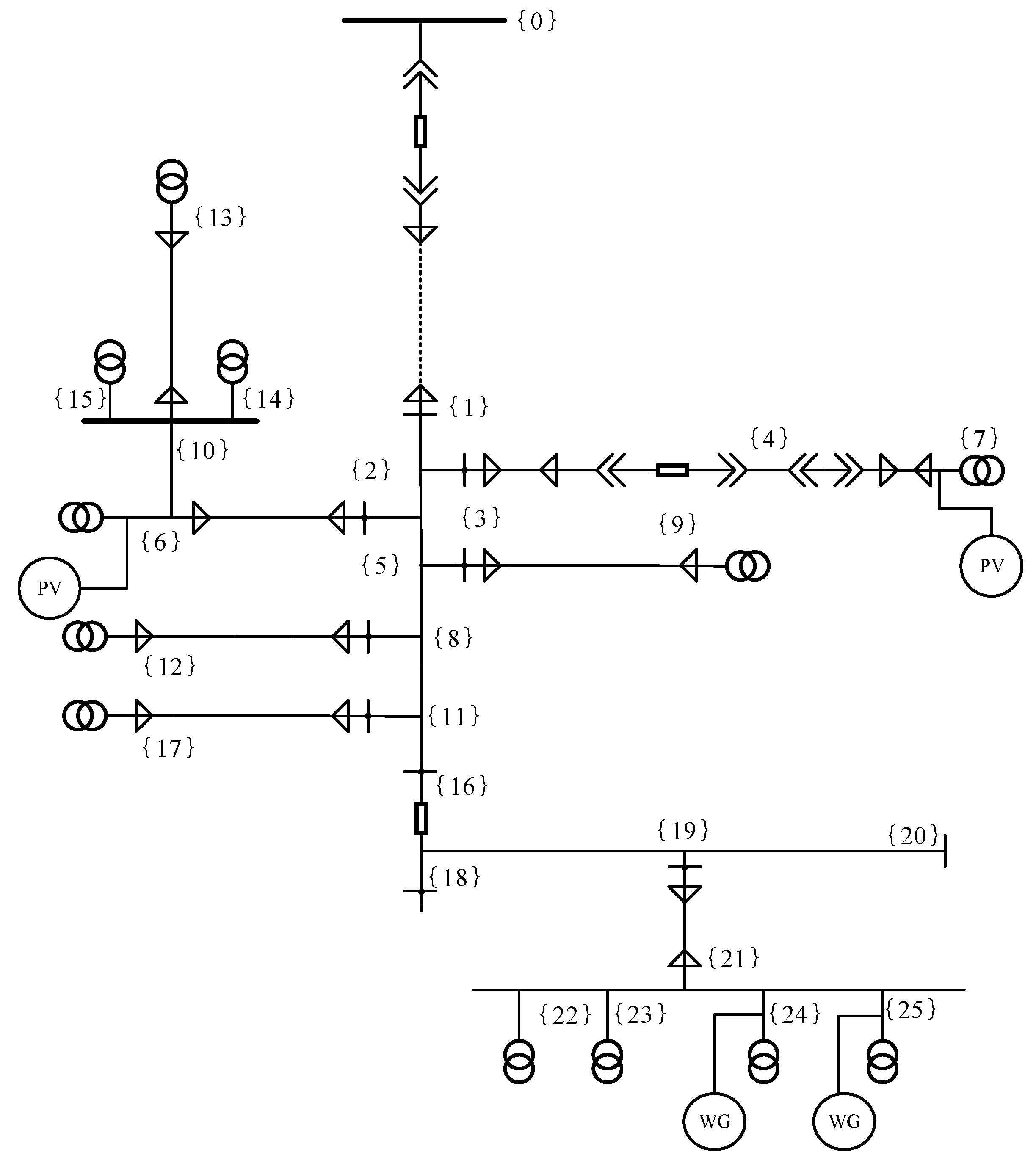
5. Simulation Results and Discussion
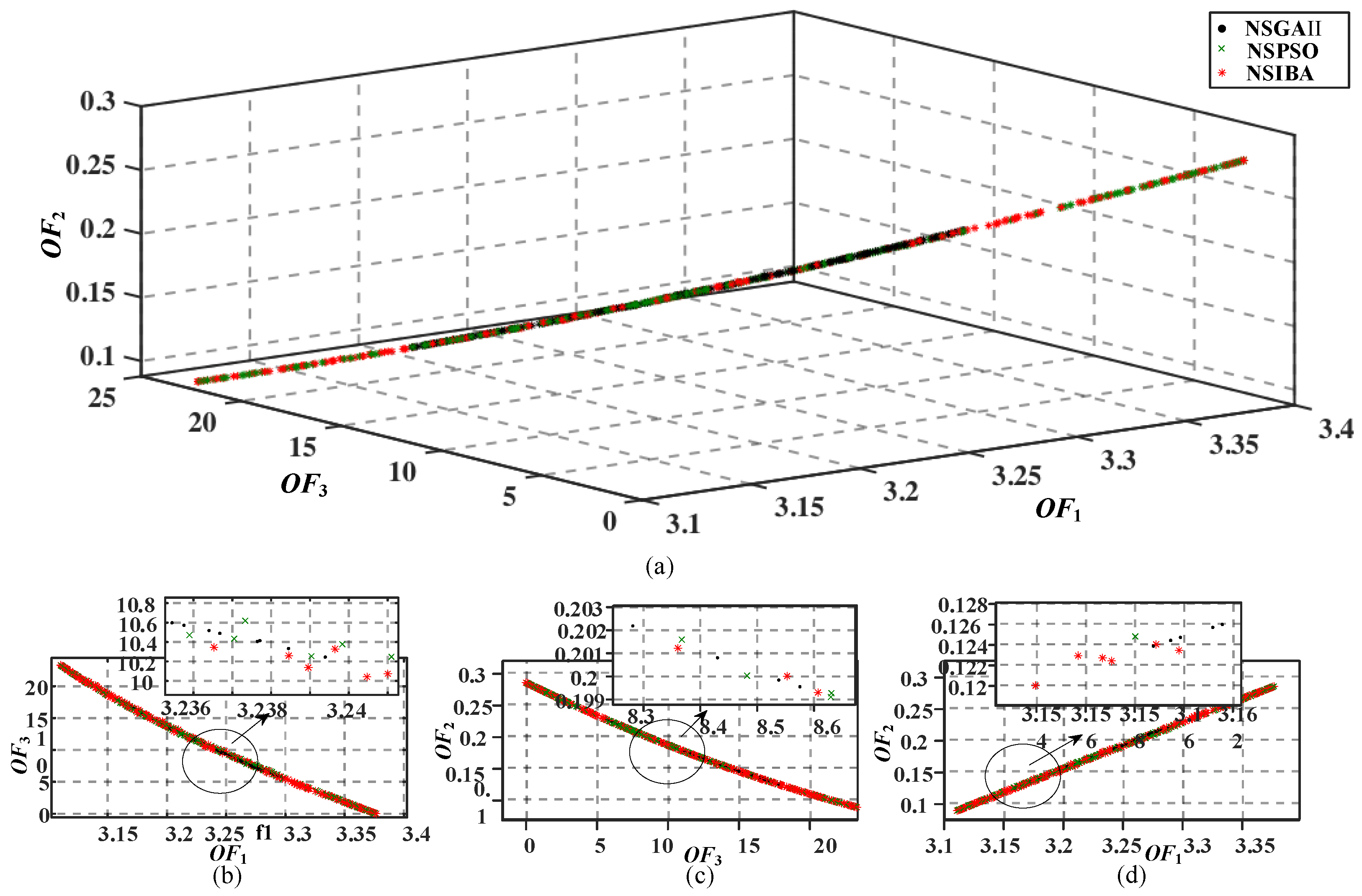
5.1. Algorithm Performance Analysis
5.2. Scheme Economic Analysis
5.3. Scheme Effectiveness Analysis
- Scenario 1: The network without DGs and ESSs.
- Scenario 2: The network with DGs only.
- Scenario 3: The network with both DGs and ESSs.
6. Conclusions
- (1)
- This paper establishes a two-layer optimization model by integrating NSIBA and fuzzy entropy weight of the vague set. The proposed NSIBA can keep the population evolving during the search and jump out of the local optimal solution due to the integration of ILS strategy, SIW strategy, and balance strategy within it. The proposed fuzzy entropy weight of the vague set can strengthen the influence of unknown information on decision-making due to the integration of the new score function. The two-layer optimization model can fairly and reasonably give decision-makers a comprehensive plan.
- (2)
- The proposed method is tested on a real 26-bus distribution system. The convergence curve and Pareto optimal front show that NSIBA has the quicker convergence speed and better search accuracy than NSGA II and NSPSO. The simulation in different scenarios demonstrates that the proposed scheme not only can achieve arbitrage of USD 2612.22 by “ESSs high storage and low generation”, but also improve the power quality when accessing the DGs. Hence, it may be concluded that the proposed two-layer optimization model is a good choice over the other algorithm for determining the optimal siting and sizing of ESSs in distribution networks. It will be very useful for decision-making in the optimal configuration of ESSs using simulation tools.
Author Contributions
Funding
Conflicts of Interest
References
- Mohamed, A.; Mohammad, A. Two Stage Methodology for Optimal Siting and Sizing of Distributed Generation in Medium Voltage Network. In Proceedings of the IEEE Green Technol. Conference, Kansas City, MO, USA, 6–8 April 2016. [Google Scholar]
- Jia, H.; Mu, Y.; Yu, X. Thought about the Integrated Energy System in China. Power Constr. 2015, 36, 16–25. [Google Scholar]
- Shi, J.; Qiao, Y.; Wang, Y.; Wen, J.; Tong, J.; Zhang, J. The Planning of Distribution Network Containing Distributed Generators Based on Mixed Integer Linear Programming. In Proceedings of the International Conference on Electric Utility Deregulation & Restructuring & Power Technologies, Changsha, China, 26–29 November 2015; pp. 449–453. [Google Scholar]
- Kaur, S.; Kumbhar, G.; Sharma, J. A MINLP Technique for Optimal Placement of Multiple DG Units in Distribution System. Int. J. Electr. Power Energy Syst. 2014, 63, 609–617. [Google Scholar] [CrossRef]
- Mena, A.J.G.; García, J.A.M. An Efficient Approach for the Siting and Sizing Problem of Distributed Generation. Int. J. Electr. Power Energy Syst. 2015, 69, 167–172. [Google Scholar] [CrossRef]
- Rueda-Medina, A.C.; Franco, J.F.; Rider, M.J.; Padilha-Feltrin, A.; Romero, R. A mixed-integer linear programming approach for optimal type, size and allocation of distributed generation in radial distribution systems. Electr. Power Syst. Res. 2013, 97, 133–143. [Google Scholar] [CrossRef]
- De Quevedo, P.M.; Contreras, J. Optimal Placement of Energy Storage and Wind Power under Uncertainty. Energies 2016, 9, 528. [Google Scholar] [CrossRef]
- Ochoa, L.F.; Harrison, G.P. Minimizing energy losses: Optimal accommodation and smart operation of renewable distributed generation. IEEE Trans. Power Syst. 2011, 26, 198–205. [Google Scholar] [CrossRef]
- Chen, C.; Duan, S.; Cai, T.; Liu, B.; Hu, G. Optimal Allocation and Economic Analysis of Energy Storage System in Microgrids. Power Electron. IEEE Trans. 2011, 26, 2762–2773. [Google Scholar] [CrossRef]
- Zheng, L.; Hu, W.; Lu, Q.; Min, Y.; Yuan, F.; Gao, Z.H. Research on planning and operation model for energy storage system to optimize wind power integration. Proc. Chin. Soc. Electr. Eng. 2014, 34, 2533–2543. [Google Scholar]
- Carpinelli, G.; Mottola, F.; Proto, D.; Russo, A.; Varilone, P. A Hybrid Method for Optimal Siting and Sizing of Battery Energy Storage Systems in Unbalanced Low Voltage Microgrids. Appl. Sci. 2018, 8, 455. [Google Scholar] [CrossRef]
- Arabali, A.; Ghofrani, M.; Etezadi-Amoli, M. Cost analysis of a power system using probabilistic optimal power flow with energy storage integration and wind generation. Int. J. Electr. Power Energy Syst. 2013, 53, 832–841. [Google Scholar] [CrossRef]
- Mukherjee, V.; Saha, S. Optimal placement and sizing of DGs in RDS using chaos embedded SOS algorithm. IET Gener. Transm. Distrib. 2016, 10, 3671–3680. [Google Scholar]
- Fathy, A.; Abdelaziz, A.Y. Grey Wolf Optimizer for Optimal Sizing and Siting of Energy Storage System in Electric Distribution Network. Electr. Power Compon. Syst. 2017, 45, 601–614. [Google Scholar] [CrossRef]
- Wang, Y.; Wang, X.; Yu, H.; Huang, Y.; Dong, H.; Qi, C.; Baptiste, N. Optimal design of integrated energy system considering economics, autonomy and carbon emissions. J. Clean. Prod. 2019, 225, 563–578. [Google Scholar] [CrossRef]
- Sheng, W.; Liu, K.Y.; Liu, Y.; Meng, X.; Li, Y. Optimal Placement and Sizing of Distributed Generation via an Improved Nondominated Sorting Genetic Algorithm II. Power Deliv. IEEE Trans. 2015, 30, 569–578. [Google Scholar] [CrossRef]
- Zhang, S.; Liu, Y.M.; Gao, F.; Tian, B. Optimal Placement and Sizing of Distributed Generation in Smart Distribution System. Appl. Mech. Mater. 2014, 513–517, 3322–3327. [Google Scholar] [CrossRef]
- Phonrattanasak, P. Optimal placement of DG using multiobjective particle swarm optimization. In Proceedings of the International Conference on Mechanical and Electrical Technology, Singapore, 10–12 September 2010; pp. 342–346. [Google Scholar]
- Sheng, S.; Zhang, J. Capacity configuration optimisation for stand-alone micro-grid based on an improved binary bat algorithm. J. Eng. 2017, 2017, 2083–2087. [Google Scholar] [CrossRef]
- Zhang, J.Y.; Liu, Y.; Huo, M.L. The Maintenance Decision Optimization for Distribution Networks Based on the Fuzzy Entropy Weight of Vague Set. Trans. China Electrotech. Soc. 2015, 30, 37–45. [Google Scholar]
- Gan, C.; Cao, W.H.; Wu, M. A New Bat Algorithm Based on Iterative Local Search and Stochastic Inertia Weight. Expert Syst. Appl. 2018, 104, 202–212. [Google Scholar] [CrossRef]
- Brito, J.; Ochi, L.; Montenegro, F.; Maculan, N. An Iterative Local Search Approach Applied to the Optimal Stratification Problem. Int. Trans. Oper. Res. 2010, 17, 753–764. [Google Scholar] [CrossRef]
- Wang, Z.; Zhang, J.H.; Si, J.F. Application of Particle Swarm Optimization with Stochastic Inertia Weight Strategy to Resources Scheduling and Assignment Problem in Cloud Manufacturing Environment. In Proceedings of the Chinese Control Conference, Nanjing, China, 28–30 July 2014; pp. 7567–7572. [Google Scholar]
- Ren, Z.L.; Xu, Z.S.; Wang, H. The Strategy Selection Problem on Artificial Intelligence with an Integrated VIKOR and AHP Method under Probabilistic Dual Hesitant Fuzzy Information. IEEE Access 2019, 7, 103979–103999. [Google Scholar] [CrossRef]
- Gau, W.-L.; Buehrer, D.J. Vague Set. IEEE Trans. Syst. Man Cybern. 1993, 32, 610–614. [Google Scholar] [CrossRef]
- Guo, M.F. Distribution Automaion Technology; China Machine Press: Beijing, China, 2012. [Google Scholar]
- Li, Z.W. New Electrician’s Manual; Anhui Science & Technology Press: Hefei, China, 2012. [Google Scholar]
- Wu, X.; Liu, Z.; Tian, L.; Ding, D.; Yang, S. Energy storage device locating and sizing for distribution network based on improved multi-objective particle swarm optimizer. Power Syst. Technol. 2014, 38, 3405–3411. [Google Scholar]










| Scale | Meaning |
|---|---|
| 1 | Two factors are equally important |
| 3 | One factor is weakly important than another |
| 5 | One factor is strongly important than another |
| 7 | One factor is demonstrably important than another |
| 9 | One factor is absolutely important than another |
| 2, 4, 6, 8 | The median of two adjacent judgments |
| Scenario | Buses | Retrofit Scheme | Cost ($) | Revenue Expense ($) | |||
|---|---|---|---|---|---|---|---|
| G1 | G2 | G3 | G4 | ||||
| transformer expansion | 7,17,22,25 | 315 kVA to 500 kVA | 2076.93 | 11.086 | 6857.14 | / | −8945.16 |
| ESSs | 7,17,22,25 | 7(0.3319 MWh) | 2072.54 | 11.087 | 62,018.57 | 66,714.20 | 2612.22 |
| 17(0.2571 MWh) | |||||||
| 22(1 MWh) | |||||||
| 25(0.6477 MWh) | |||||||
© 2020 by the authors. Licensee MDPI, Basel, Switzerland. This article is an open access article distributed under the terms and conditions of the Creative Commons Attribution (CC BY) license (http://creativecommons.org/licenses/by/4.0/).
Share and Cite
Sun, T.; Zeng, L.; Zheng, F.; Zhang, P.; Xiang, X.; Chen, Y. Two-Layer Optimization Model for the Siting and Sizing of Energy Storage Systems in Distribution Networks. Processes 2020, 8, 559. https://doi.org/10.3390/pr8050559
Sun T, Zeng L, Zheng F, Zhang P, Xiang X, Chen Y. Two-Layer Optimization Model for the Siting and Sizing of Energy Storage Systems in Distribution Networks. Processes. 2020; 8(5):559. https://doi.org/10.3390/pr8050559
Chicago/Turabian StyleSun, Tao, Linjun Zeng, Feng Zheng, Ping Zhang, Xinyao Xiang, and Yiqiang Chen. 2020. "Two-Layer Optimization Model for the Siting and Sizing of Energy Storage Systems in Distribution Networks" Processes 8, no. 5: 559. https://doi.org/10.3390/pr8050559
APA StyleSun, T., Zeng, L., Zheng, F., Zhang, P., Xiang, X., & Chen, Y. (2020). Two-Layer Optimization Model for the Siting and Sizing of Energy Storage Systems in Distribution Networks. Processes, 8(5), 559. https://doi.org/10.3390/pr8050559
