Research on Frequency Control of Islanded Microgrid with Multiple Distributed Power Sources
Abstract
1. Introduction
2. Isolated Microgrid with Wind, Light, Diesel Power Generation, and Storage
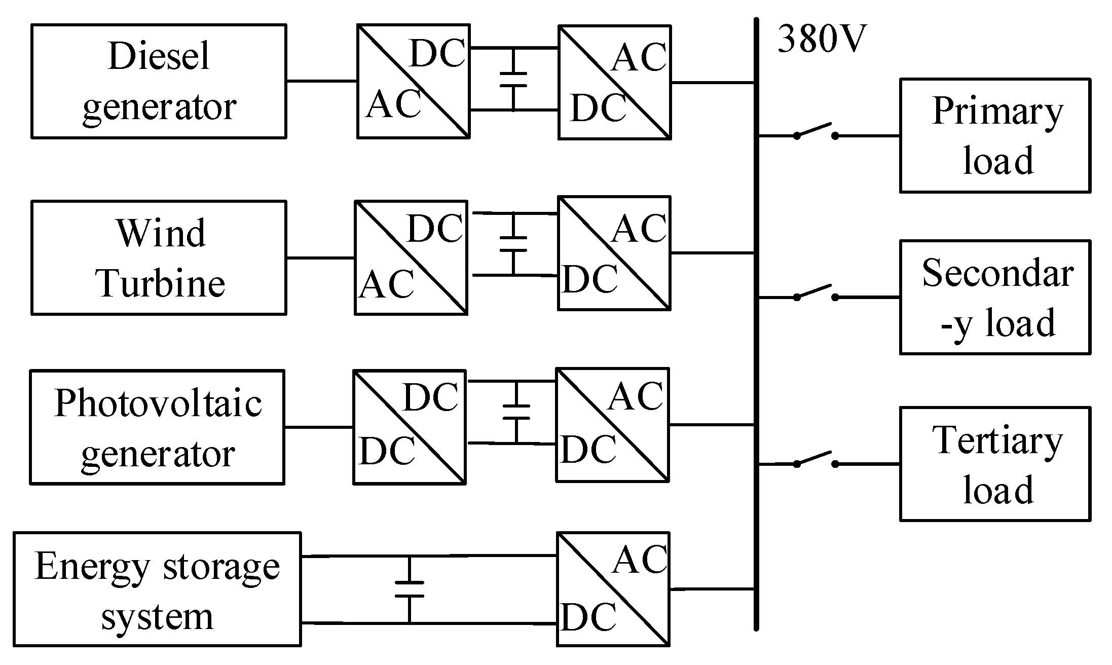
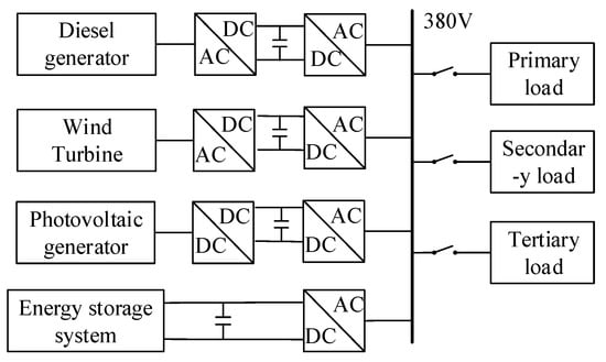
2.1. Microgrid Topology Introduction
2.2. Distributed Power and Load Priority Classification
3. Frequency Stability Control Strategy of Islanded AC Microgrid
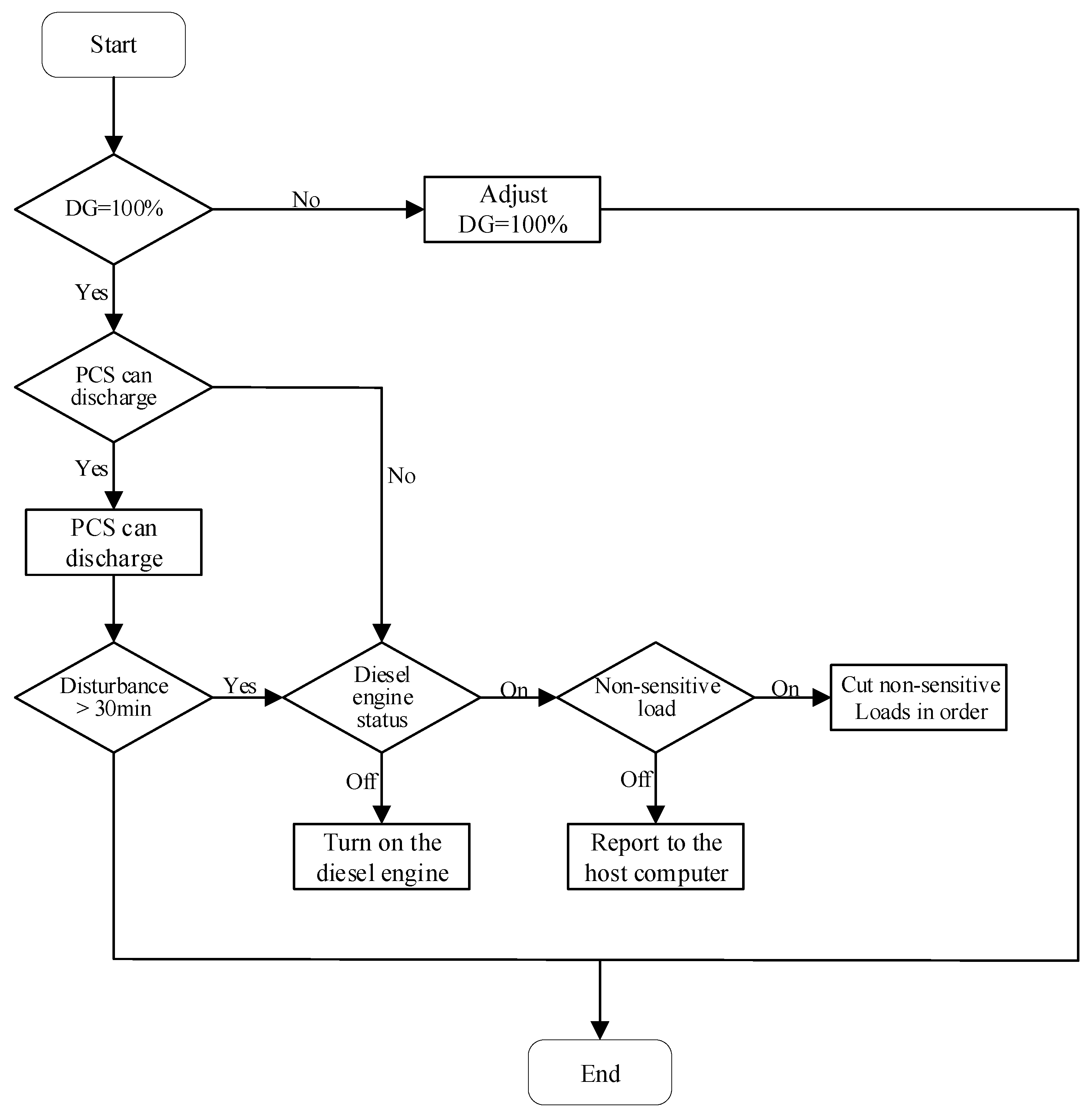
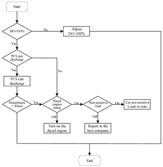
3.1. Frequency Control Strategy for Area A
3.2. Frequency Control Strategy for Area B
- (1)
- Estimate the charge state of the PCS. If the PCS is in a chargeable state and is not full, go to step (2). If the PCS is already full and cannot be charged, then go to step (3).
- (2)
- Control the PCS for charging control, absorb excess active power, and jump to step (3).
- (3)
- If the disturbance lasts for more than 30 min, jump to step (4). Otherwise, end the control of the cycle and wait for the next cycle data.
- (4)
- If the diesel gensets is powered on at this moment, go to step (5), otherwise jump to step (6).
- (5)
- A simple evaluation of the power generated by the diesel gensets at this time. If the Equation (6) is satisfied, then jump to step (6), otherwise jump to step (8).
- (6)
- is the charging power limit that PCS can withstand, and is the discharge power limit that PCS can withstand.
- (7)
- Turn off the diesel gensets and reduce the PCS discharge power appropriately. End the control of the cycle and wait for the next cycle of data to make a judgment.
- (8)
- Decrease the power generation of the DG one by one according to the order of the DG priority. End the control of the cycle and wait for the next cycle of data to make a judgment.
- (9)
- If there is unloaded load in the system, go to step (9), otherwise jump to step (7).
- (10)
- Connect the load to the system one by one according to the order of priority of the load. End the control of the cycle and wait for the next cycle data to make a judgment.
- (1)
- If the system frequency drops to the BL area, firstly check whether the distributed power supply in the system, such as photovoltaics, fans, etc., is 100% of the maximum output. If it is not 100% output, gradually increase its output coefficient to 100%. End the cycle control and wait for the next cycle data to judge, otherwise jump to step (2).
- (2)
- When the BL zone disturbance occurs, the PCS state is judged. If the PCS does not reach the lower discharge limit, the process jumps to step (3), otherwise it jumps to step (4).
- (3)
- Control the PCS to quickly release power, suppress system frequency fluctuations and jump to step (5).
- (4)
- If the disturbance is less than 30 min, the PCS discharge state is maintained, end the cycle control and wait for the next cycle data to judge. Otherwise jump to step (5).
- (5)
- If the diesel gensets is on, skip to step (6), otherwise turn on the diesel gensets, end the cycle control and wait for the next cycle data to judge.
- (6)
- Judging the load condition in the system. If there is still non-sensitive load access, the non-sensitive load is cut off in order of power reduction. End the cycle control and wait for the next cycle data to judge. If the non-sensitive load is completely cut off, go to step (7).
- (7)
- Report the upper-level monitoring system “system energy shortage in BL area”, and maintain the output of all distributed generators in the system to maximize, waiting for the control command of the upper control system. End the cycle control and wait for the next cycle data to judge.
3.3. Frequency Control Strategy for Area C
- (1)
- When the system detects that the frequency enters the CH zone, firstly check the status of the diesel gensets, and turn off the diesel generator if it’s on. End the cycle control and wait for the next cycle data to judge, otherwise jump to step (2).
- (2)
- Check each DG for failures one by one, and cut off DG if anything goes wrong. End the cycle control and wait for the next cycle data to make judge, otherwise jump to step (3).
- (3)
- According to the descending power order of the generators, the DGs are cut one by one and reported to the upper-level monitoring system “System CH-zone failure”, and jump to step (4).
- (4)
- Check if the CH zone disturbance exceeds the specified time. If the specified time is not exceeded, maintain the system status and keep the system frequency as stable as possible. End the cycle control and wait for the next cycle data to judge. If the specified time is exceeded, skip to step (5).
- (5)
- Shut down the microgrid system to protect critical equipment and generator equipment within the microgrid. Evaluate the power of the PCS and prepare for the black start plan. Report to the upper monitoring system “The system has a serious fault and has been shut down”, waiting for the upper monitoring system black start command.
- (1)
- When the system detects of the system is in the CL area, it immediately performs discharge control on the PCS because the PCS has a fast transient response performance and jump to step (2).
- (2)
- Detect the state of the diesel genset. If it is off, turn on the diesel genset to supply power to the system, end the control cycle and wait for the next cycle of data to judge. If the diesel genset is on, go to step (3).
- (3)
- Check if other DGs are in 100% output state, if they are not in 100% output state, adjust their MTTP coefficient to 100% immediately, end the control cycle, and wait for the next cycle data to judge. If it is in the 100% output state, go to step (4).
- (4)
- If there is a non-sensitive load currently connected to the microgrid system, immediately remove all non-sensitive loads, end the control cycle, and wait for the next cycle of data for judgement. If no non-sensitive load is connected to the system, jump to step (5).
- (5)
- Check whether the system DG is faulty, whether there is a fault in the primary load and take the operation of cutting out the system for the corresponding faulty equipment then jump to step (6).
- (6)
- Estimate the stability of the system. If the Equations (7) and (8) are satisfied, the frequency of the system is still in the offset state and the situation is deteriorated.It indicates that the frequency of the system is still in the offset state and the situation is deteriorating. At this point, it should be transferred to step (7), and report “system frequency CL area fault” to the upper monitoring system, try to maintain the stable state of the system, and wait for the command of the upper monitoring system. End the cycle operation and wait for the next cycle data to make a decision.
- (7)
- If the system frequency is in a state of continuous deterioration, the microgrid system is shut down in order to avoid equipment damage inside the system. Reported to the host computer “The system has been stopped, in the CL area frequency failure”, while assessing the PCS status, do a black start plan, waiting for the upper monitoring system boot command.
4. Verification Analysis
5. Conclusions
Author Contributions
Funding
Acknowledgments
Conflicts of Interest
References
- Chen, L.Y.; Yin, Y.T.; Ho, T.Y.; Chen, Y.Z. Sensitized solar cells via nanomaterials: A recent development in quantum dots-based solar cells. IEEE Nanotechnol. Mag. 2014, 8, 16–21. [Google Scholar] [CrossRef]
- Blaabjerg, F.; Yang, Y.; Yang, D.; Wang, X. Distributed Power-Generation Systems and Protection. Proc. IEEE 2017, 105, 1311–1331. [Google Scholar] [CrossRef]
- Xie, H.; Zheng, S.; Ni, M. Microgrid development in China: A method for renewable energy and energy storage capacity configuration in a megawatt-level isolated microgrid. IEEE Electrif. Mag. 2017, 5, 28–35. [Google Scholar] [CrossRef]
- Li, J.; Liu, Y.; Wu, L. Optimal operation for community-based multi-party microgrid in grid-connected and Islanded modes. IEEE Trans. Smart Grid 2018, 9, 756–765. [Google Scholar] [CrossRef]
- Lede, A.M.R.; Molina, M.G.; Martinez, M.; Mercado, P.E. Microgrid Architectures for Distributed Generation: A Brief Review. In Proceedings of the 2017 IEEE PES Innovative Smart Grid Technologies Conference—Latin America (ISGT Latin America), Quito, Ecuador, 20–22 September 2017; pp. 1–6. [Google Scholar]
- Foley, A.M.; Leahy, P.G.; Marvuglia, A.; McKeogh, E.J. Current methods and advances in forecasting of wind power generation. Renew. Energy 2012, 37, 1–8. [Google Scholar] [CrossRef]
- Yatsubo, O.; Miyake, S.; Takada, N. Technologies for estimation and forecasting of photovoltaic generation output supporting stable operation of electric power system. IEEJ Trans. Electr. Electron. Eng. 2018, 13, 350–355. [Google Scholar] [CrossRef]
- Mohamed, E.A.; Magdy, G.; Shabib, G.; Elbaset, A.A.; Mitani, Y. Digital coordination strategy of protection and frequency stability for an islanded microgrid. IET Gener. Transm. Distrib. 2018, 12, 3637–3646. [Google Scholar] [CrossRef]
- Farrokhabadi, M.; Solanki, B.V.; Canizares, C.A.; Bhattacharya, K.; Koenig, S.; Sauter, P.S.; Leibfried, T.; Hohmann, S. Energy Storage in Microgrids: Compensating for Generation and Demand Fluctuations while Providing Ancillary Services. IEEE Power Energy Mag. 2017, 15, 81–91. [Google Scholar] [CrossRef]
- Tonkoski, R.; Lopes, L.A.C.; EL-Fouly, T.H.M. Droop-Based Active Power Curtailment for Overvoltage Prevention in Grid Connected PV Inverters. In Proceedings of the 2010 IEEE International Symposium on Industrial Electronics, Bari, Italy, 4–7 July 2010; pp. 2388–2393. [Google Scholar]
- Camacho, A.; Castilla, M.; Miret, J.; Guzman, R.; Borrell, A. Reactive power control for distributed generation power plants to comply with voltage limits during grid faults. IEEE Trans. Power Electron. 2014, 29, 6224–6234. [Google Scholar] [CrossRef]
- Kim, Y.S.; Kim, E.S.; Moon, S. Il Distributed Generation Control Method for Active Power Sharing and Self-Frequency Recovery in an Islanded Microgrid. IEEE Trans. Power Syst. 2017, 32, 544–551. [Google Scholar] [CrossRef]
- Karimi, Y.; Oraee, H.; Golsorkhi, M.S.; Guerrero, J.M. Decentralized Method for Load Sharing and Power Management in a PV/Battery Hybrid Source Islanded Microgrid. IEEE Trans. Power Electron. 2017, 32, 3525–3535. [Google Scholar] [CrossRef]
- Leng, D.; Polmai, S.; Soontorntaweesub, K. Experiment on Hierarchical Control Based Power Quality Enhancement for Standalone Microgrid. In Proceedings of the 2018 International Power Electronics Conference (IPEC-Niigata 2018 -ECCE Asia), Niigata, Japan, 20–24 May 2018; pp. 1764–1770. [Google Scholar]
- Xu, Z.; Yang, P.; Zheng, C.; Zhao, Z.; Zheng, Q. Operation analysis of isolated microgrid including wind turbine, diesel generator and battery storage. Dianwang Jishu/Power Syst. Technol. 2016, 40, 1978–1984. [Google Scholar]
- Guo, L.; Fu, X.; Li, X.; Wang, C. Coordinated Control of Battery Storage System and Diesel Generators in AC Island Microgrid. In Proceedings of the 7th International Power Electronics and Motion Control Conference1, Harbin, China, 2–5 June 2012; pp. 112–117. [Google Scholar]









| Priority | Load Nature | Description |
|---|---|---|
| Primary load | Sensitive load | Important loads, such as military medical facilities, give priority to ensuring stable operation |
| Secondary load | Non-sensitive load | Non-critical loads, such as residential electricity, can be removed at critical moments |
| Tertiary load | Non-sensitive load | Non-critical loads, such as industrial production, electricity, and other facilities, can be removed at critical moments |
| DG | Diurnal | Night | Description |
|---|---|---|---|
| PV | 1 | 3 | Power generation is stable during the sunshine period, affected by illumination, stable energy, no impact |
| WT | 2 | 1 | Power generation during windy periods, unstable power generation, easy to impact the system |
| Diesel genset | 3 | 2 | Expensive secondary energy generation, uneconomical, stable and reliable, not affected by weather factors |
| Interval Name | Frequency Variation Range |
|---|---|
| CH | Above 52 Hz |
| BH | 50.5–52 Hz |
| AH | 50–50.5 Hz |
| AL | 49.5–50 Hz |
| BL | 48–49.5 Hz |
| CL | Below 48 Hz |
© 2020 by the authors. Licensee MDPI, Basel, Switzerland. This article is an open access article distributed under the terms and conditions of the Creative Commons Attribution (CC BY) license (http://creativecommons.org/licenses/by/4.0/).
Share and Cite
Liu, Y.; Wang, X.; Wang, S. Research on Frequency Control of Islanded Microgrid with Multiple Distributed Power Sources. Processes 2020, 8, 193. https://doi.org/10.3390/pr8020193
Liu Y, Wang X, Wang S. Research on Frequency Control of Islanded Microgrid with Multiple Distributed Power Sources. Processes. 2020; 8(2):193. https://doi.org/10.3390/pr8020193
Chicago/Turabian StyleLiu, Yirong, Xiaoli Wang, and Shilin Wang. 2020. "Research on Frequency Control of Islanded Microgrid with Multiple Distributed Power Sources" Processes 8, no. 2: 193. https://doi.org/10.3390/pr8020193
APA StyleLiu, Y., Wang, X., & Wang, S. (2020). Research on Frequency Control of Islanded Microgrid with Multiple Distributed Power Sources. Processes, 8(2), 193. https://doi.org/10.3390/pr8020193
