Dynamic Modeling and Calibration of an Industrial Delayed Coking Drum Model for Digital Twin Applications
Abstract
1. Introduction
- Accounts for the essential heat and mass transfer and cracking kinetics along the drum height;
- Can be calibrated using a limited set of industrial data (temperature, pressure, feedstock flow rate, and final coke bed height);
- Provides acceptable accuracy at a reasonable computational cost.
2. Materials and Methods
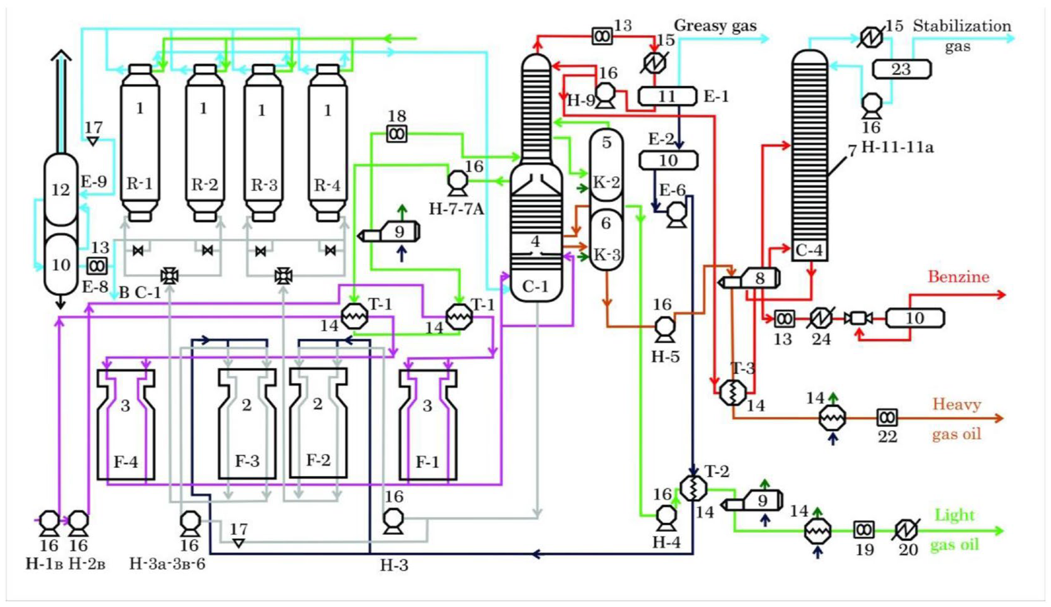
2.1. Industrial Case Study and Available Measurements
2.2. Base One-Dimensional Delayed Coker Drum Model
2.2.1. Model Assumptions and Phases
- 1.
- Geometry and dimensionality.
- 2.
- Phases.
- A liquid phase consisting of vacuum residue and heavy intermediate products;
- A gas phase of distillate vapors;
- A solid phase representing the porous coke bed.
- 3.
- Hydrodynamics.
- 4.
- Thermal description.
- 5.
- Chemistry.
2.2.2. Governing Mass and Energy Balances
2.2.3. Kinetic Scheme and Temperature-Dependent Reaction Order
- T < 487.8 °C: first-order kinetics, n = 1.0;
- 487.8 °C ≤ T < 570.1 °C: 1.5-order kinetics, n = 1.5;
- T ≥ 570.1 °C: second-order kinetics, n = 2.0.
- scale_dist—multiplies the nominal rate of distillate formation;
- scale_coke—multiplies the nominal rate of coke formation.
2.2.4. Heat Transfer and Wall Temperature
- Nominal characteristic heating times of τbottom = 2 h and τtop = 4 h to represent slower heating at the top;
- An empirical profile exponent β = 2.5 to interpolate between bottom and top heating dynamics;
- A gas-phase enhancement factor and mixing coefficient to account for increased convective heat transfer in zones with high vapor flow.
2.2.5. Accounting for Residence Time Variation
2.3. Parameter Calibration Procedure
2.3.1. Decision Variables and Bounds
- scale_dist ∈ [10−4, 10−1]—kinetic scaling factor for distillate formation;
- scale_coke ∈ [0.1, 1.0]—kinetic scaling factor for coke formation;
- Twall ∈ [415, 480] °C—effective (equivalent) wall temperature boundary condition (assumed constant in time and uniform along the drum height). It should not be lower than the kinetic cut-off and not higher than the maximum furnace temperature.
2.3.2. Objective Function
- The overhead vapor temperature (drum outlet);
- The upper head temperature;
- The final coke bed height.
2.3.3. Optimization Algorithm
- 1.
- Coarse grid search.
- 2.
- Local refinement.
2.4. Numerical Implementation and Validation Metrics
- Time-series plots comparing simulated and measured overhead (drum outlet) and top head temperatures;
- Comparison of the predicted and measured final coke bed height;
- Calculation of the MAPE separately for each measured quantity and overall;
- Calculation of the coefficient of determination (R2) for each temperature trajectory to evaluate trend agreement.
3. Results and Discussion
3.1. Calibration on Industrial Data
3.2. Reproduction of Head Temperature Profiles
3.3. Prediction of Coke Bed Growth
3.4. Quantitative Accuracy Metrics
3.5. Scenario Analysis and Optimization of Operating Temperature
- T + 20 °C—increased severity, with the effective wall temperature raised by 20 °C;
- T − 20 °C—reduced severity, with the effective wall temperature lowered by 20 °C;
- Optimal—an operating point obtained from a simple optimization problem that minimizes the time needed to reach a target coke yield and bed height, subject to constraints on the maximum allowable bed height.
3.6. Limitations and Implications for Digital Twin Applications
- Soft sensing of unmeasured variables (e.g., internal phase holdups and the coke front position);
- Offline analysis of alternative operating strategies and drum-switching times;
- Providing a mechanistic core for hybrid models in which first-principles dynamics are complemented by data-driven corrections;
- Residence time and coking severity tracking (e.g., coke age and time–temperature integrals) to support coke specification monitoring and cycle time optimization.
4. Conclusions
- The rapid off-line evaluation of alternative operating scenarios and cycle scheduling;
- The soft sensing of internal drum variables that are difficult or impossible to measure directly;
- Embedding into hybrid MPC/APC frameworks where mechanistic predictions are complemented by data-driven corrections;
- The preliminary multi-objective optimization of the coking severity with respect to product yields, energy use, and environmental constraints.
Author Contributions
Funding
Data Availability Statement
Conflicts of Interest
Abbreviations
| DC | Delayed Coking |
| DCU | Delayed Coking Unit |
| VR | Vacuum Residue |
| CFD | Computational Fluid Dynamics |
| SOL | Structure-Oriented Lumping |
| ML | Machine Learning |
| APC | Advanced Process Control |
| MPC | Model Predictive Control |
| MAPE | Mean Absolute Percentage Error |
| MAE | Mean Absolute Error |
| RMSE | Root Mean Square Error |
| 1D | One-Dimensional |
| R2 | Coefficient of Determination |
References
- Gomaa, S.; Salem, K.G.; El-Hoshoudy, A.N. Enhanced heavy and extra heavy oil recovery: Current status and new trends. Petroleum 2024, 10, 399–410. [Google Scholar] [CrossRef]
- Yang, J.; Yang, X.; Zhang, Z.; Qin, H.; Wang, C.; Shen, H.; Zhou, X. Optimizing engineering strategies for delayed coking applications: A machine learning-based multi-objective framework. J. Clean. Prod. 2025, 520, 146093. [Google Scholar] [CrossRef]
- Hussain, M.; Alamri, A.H.; Zhang, T.; Jamil, I. Application of artificial intelligence in the oil and gas industry. In Engineering Applications of Artificial Intelligence; Chakir, A., Andry, J.-F., Ullah, A., Bansal, R., Ghazouani, M., Eds.; Springer: Cham, Switzerland, 2024; pp. 341–373. [Google Scholar] [CrossRef]
- Sawarkar, A.N.; Pandit, A.B.; Samant, S.D.; Joshi, J.B. Petroleum residue upgrading via delayed coking: A review. Can. J. Chem. Eng. 2007, 85, 1–24. [Google Scholar] [CrossRef]
- Valyavin, G.G.; Khukhrin, E.A.; Valyavin, K.G. The place of delayed coking in modern oil refineries. Chem. Technol. Fuels Oils 2007, 43, 191–196. [Google Scholar] [CrossRef]
- Borodin, E.V.; Zhirnov, B.S.; Vedernikov, O.S.; Kleymenov, A.V.; Golovachev, V.A.; Demin, A.M.; Bessonov, V.V. Optimization of the delayed coking process for the production of premium petroleum cokes. Chem. Technol. Fuels Oils 2025, 61, 7–15. [Google Scholar] [CrossRef]
- Chen, Q.L.; Yin, Q.H.; Wang, S.P.; Hua, B. Energy-use analysis and improvement for delayed coking units. Energy 2004, 29, 2225–2237. [Google Scholar] [CrossRef]
- Ren, J.; Meng, X.; Xu, C.; Song, Z.; Jiang, Q.; Liu, Z. Analysis and calculation model of energy consumption and product yields of delayed coking units. Pet. Sci. 2012, 9, 100–105. [Google Scholar] [CrossRef][Green Version]
- Fuentes-García, J.T.; Rivera-Toledo, M. Multiobjective sustainability optimisation of a delayed coking unit processing heavy Mexican crude using Aspen Plus. Processes 2025, 13, 3151. [Google Scholar] [CrossRef]
- Yatimi, Y.; Mendil, J.; Marafi, M.; Alalou, A.; Al-Dahhan, M.H. Advancement in heavy oil upgrading and sustainable exploration emerging technologies. Arab. J. Chem. 2024, 17, 105610. [Google Scholar] [CrossRef]
- Edwards, L. The history and future challenges of calcined petroleum coke production and use in aluminum smelting. JOM 2015, 67, 308–321. [Google Scholar] [CrossRef]
- Zhu, F.; Song, W.-L.; Ge, J.; Wang, Z.; Huang, Z.; Li, S.; Wang, M.; Zuo, H.; Jiao, S.; Zhu, H. High-purity graphitic carbon for energy storage: Sustainable electrochemical conversion from petroleum coke. Adv. Sci. 2023, 10, 2205269. [Google Scholar] [CrossRef] [PubMed]
- Cabral, R.L.B.; Galvão, E.R.V.P.; Fechine, P.B.A.; Galvão, F.M.F.; do Nascimento, J.H.O. A minireview on the utilization of petroleum coke as a precursor for carbon-based nanomaterials (CNMs): Perspectives and potential applications. RSC Adv. 2024, 14, 19953–19968. [Google Scholar] [CrossRef] [PubMed]
- Ancheyta, J.; Speight, J.G. Hydroprocessing of Heavy Oils and Residua; CRC Press: Boca Raton, FL, USA, 2007. [Google Scholar] [CrossRef]
- Tian, L.; Shen, B.; Liu, J. Building and application of delayed coking structure-oriented lumping model. Ind. Eng. Chem. Res. 2012, 51, 3923–3931. [Google Scholar] [CrossRef]
- Ye, L.; Qin, X.; Murad, A.; Liu, J.; Ying, Q.; Xie, J.; Hou, L.; Yu, W.; Zhao, J.; Sun, H.; et al. Calculation of reaction network and product properties of delayed coking process based on structural increments. Chem. Eng. J. 2022, 431, 133764. [Google Scholar] [CrossRef]
- Chen, Z.; Yao, X.; Guan, D.; Zhao, S.; Zhang, L.; Xu, C. Vacuum residue coking process simulation using molecular-level kinetic model coupled with vapor–liquid phase separation. Chin. J. Chem. Eng. 2022, 42, 301–310. [Google Scholar] [CrossRef]
- Han, W.; Yue, Y.; Jia, Y.; Xiong, X.; Zhang, Y.; Liu, Y.; Ge, W. Dynamically coupling computational fluid dynamics (CFD) and steady-state model (SSM) for simulating industrial coke drum and temperature prediction. Chem. Eng. Sci. 2025, 320, 122678. [Google Scholar] [CrossRef]
- Chen, B.; Cao, Y.; Zhang, Y.; Sun, G.; Liu, Y.; Wang, L. CFD simulation and temperature regulation of the coke drum. Chin. J. Process Eng. 2024, 24, 414–424. [Google Scholar] [CrossRef]
- Zahedi, G.; Lohi, A.; Karami, Z. A neural network approach for identification and modeling of delayed coking plant. Int. J. Chem. React. Eng. 2009, 7. [Google Scholar] [CrossRef]
- Chen, X.; Wang, N. Modeling a delayed coking process with GRNN and double-chain based DNA genetic algorithm. Int. J. Chem. React. Eng. 2010, 8, 47–54. [Google Scholar] [CrossRef]
- Saghir, H.; Ahmad, I.; Kano, M.; Caliskan, H.; Hong, H. Prediction and optimisation of gasoline quality in petroleum refining: The use of machine learning model as a surrogate in optimisation framework. CAAI Trans. Intell. Technol. 2024, 9, 1185–1198. [Google Scholar] [CrossRef]
- Alzahawi, A.H.; Issa, H.M. Intelligent petroleum processing: A short review on applying AI/ML to petroleum products optimization. Preprints 2024, 2024040442. [Google Scholar] [CrossRef]
- Al-Jamimi, H.A.; BinMakhashen, G.M.; Saleh, T.A. Multiobjectives optimization in petroleum refinery catalytic desulfurization using machine learning approach. Fuel 2022, 322, 124088. [Google Scholar] [CrossRef]
- Orazbayev, B.; Orazbayeva, K.; Uskenbayeva, G.; Dyussembina, E.; Shukirova, A.; Rzayeva, L.; Tuleuova, R. System of models for simulation and optimization of operating modes of a delayed coking unit in a fuzzy environment. Sci. Rep. 2023, 13, 14102. [Google Scholar] [CrossRef]
- Sircar, A.; Nair, A.; Bist, N.; Yadav, K. Digital twin in hydrocarbon industry. Pet. Res. 2023, 8, 270–278. [Google Scholar] [CrossRef]
- Meza, E.B.M.; Souza, D.G.B.D.; Copetti, A.; Sobral, A.P.B.; Silva, G.V.; Tammela, I.; Cardoso, R. Tools, technologies and frameworks for digital twins in the oil and gas industry: An in-depth analysis. Sensors 2024, 24, 6457. [Google Scholar] [CrossRef] [PubMed]
- Jiangang, W.; Lei, S.; Ding, F.; Jinli, L.; Lingxia, H.; Enming, M. A digital twin modeling and application for gear rack drilling rigs lifting system. Sci. Rep. 2024, 14, 18445. [Google Scholar] [CrossRef]
- Díaz, F.A.; Chaves-Guerrero, A.; Gauthier-Maradei, P.; Fuentes, D.; Guzmán, A.; Picón, H. CFD simulation of a pilot plant delayed coking reactor using an in-house CFD code. CTF-Cienc. Tecnol. Y Futuro 2017, 7, 85–100. [Google Scholar] [CrossRef][Green Version]
- Orazbayev, B.; Dyussembina, E.; Uskenbayeva, G.; Shukirova, A.; Orazbayeva, K. Methods for modeling and optimizing the delayed coking process in a fuzzy environment. Processes 2023, 11, 450. [Google Scholar] [CrossRef]





| Parameter | Unit of Measurement | Range |
|---|---|---|
| Furnace Feed Flow Rate | m3/h | 10–60 |
| Drum Inlet Pressure | kgf/cm2 | 0–4.2 |
| Drum Inlet Temperature | °C | 460–475 |
| Drum Outlet Temperature | °C | 360–430 |
| Top Head Temperature | °C | <450 |
| Bottom Head Temperature | °C | <475 |
| Cycle Duration | h | 32 |
| Feedstock | - | Vacuum residue (100 wt.%) |
| Feedstock Coking Capacity | wt.% | 10.4 |
| Parameter | MAPE, % | MAE, °C | RMSE, °C | R2 |
|---|---|---|---|---|
| Drum Outlet Temperature | 2.51 | 11.40 | 12.20 | –4.31 |
| Top Head Temperature | 1.63 | 6.24 | 7.40 | 0.930 |
| Bottom Head Temperature | 9.05 | 23.71 | 27.36 | 0.726 |
| Scenario | H Final, m | Y Final, % | t (95% H), h | t (95% Y), h |
|---|---|---|---|---|
| Base case | 16.69 | 22.0 | 27.8 | 31.7 |
| T + 20 °C | 16.92 | 24.6 | 23.9 | 23.9 |
| T − 20 °C | 16.03 | 17.9 | 32 | 32 |
| Optimal | 16.86 | 22.4 | 25.5 | 29.4 |
Disclaimer/Publisher’s Note: The statements, opinions and data contained in all publications are solely those of the individual author(s) and contributor(s) and not of MDPI and/or the editor(s). MDPI and/or the editor(s) disclaim responsibility for any injury to people or property resulting from any ideas, methods, instructions or products referred to in the content. |
© 2026 by the authors. Licensee MDPI, Basel, Switzerland. This article is an open access article distributed under the terms and conditions of the Creative Commons Attribution (CC BY) license.
Share and Cite
Bukhtoyarov, V.V.; Nekrasov, I.S.; Gorodov, A.A.; Tynchenko, Y.A.; Kolenchukov, O.A.; Buryukin, F.A. Dynamic Modeling and Calibration of an Industrial Delayed Coking Drum Model for Digital Twin Applications. Processes 2026, 14, 375. https://doi.org/10.3390/pr14020375
Bukhtoyarov VV, Nekrasov IS, Gorodov AA, Tynchenko YA, Kolenchukov OA, Buryukin FA. Dynamic Modeling and Calibration of an Industrial Delayed Coking Drum Model for Digital Twin Applications. Processes. 2026; 14(2):375. https://doi.org/10.3390/pr14020375
Chicago/Turabian StyleBukhtoyarov, Vladimir V., Ivan S. Nekrasov, Alexey A. Gorodov, Yadviga A. Tynchenko, Oleg A. Kolenchukov, and Fedor A. Buryukin. 2026. "Dynamic Modeling and Calibration of an Industrial Delayed Coking Drum Model for Digital Twin Applications" Processes 14, no. 2: 375. https://doi.org/10.3390/pr14020375
APA StyleBukhtoyarov, V. V., Nekrasov, I. S., Gorodov, A. A., Tynchenko, Y. A., Kolenchukov, O. A., & Buryukin, F. A. (2026). Dynamic Modeling and Calibration of an Industrial Delayed Coking Drum Model for Digital Twin Applications. Processes, 14(2), 375. https://doi.org/10.3390/pr14020375

