Abstract
This study employs advanced numerical simulation to investigate the influence of shelf temperature on the freeze-drying kinetics and product quality of Cordyceps militaris. Emphasis is placed on the glass transition and structural collapse mechanisms during the primary drying stage. A detailed computational model was developed to predict temperature profiles, glass transition temperature, collapse temperature, and moisture distribution under varying process conditions. Simulation results indicate that maintaining the shelf temperature below 10 °C minimizes the risk of structural collapse and volume shrinkage while improving drying efficiency and product stability. Based on the model, an optimal freeze-drying protocol is proposed: shelf heating at 0 °C, condenser plate at −32 °C, and chamber pressure at 35 Pa. Experimental validation confirmed the feasibility of this regime, yielding a shrinkage of 9.52%, a color difference (ΔE) of 4.86, water activity of 0.364 ± 0.018, and a rehydration ratio of 55.14 ± 0.789%. Key bioactive compounds, including adenosine and cordycepin, were well preserved. These findings underscore the critical role of simulation in process design and optimization, contributing to the development of efficient and high-quality freeze-dried functional food products.
1. Introduction
Cordyceps militaris is a species of fungus in the genus Cordyceps, which comprises more than 300 species. In recent years, Cordyceps militaris has been widely used in traditional medicine across East Asian countries due to its high content of bioactive compounds, including cordycepin, adenosine, and polysaccharides. Given its significant medicinal value, effective post-harvest preservation is essential. Fresh Cordyceps militaris contains a high moisture content (often exceeding 80%), making it highly perishable with a short shelf life, typically retaining its quality for only 1 to 2 weeks. As a result, drying has become the preferred method for extending its shelf life to 6–12 months. Furthermore, drying serves as a crucial step in the production of value-added products such as pharmaceuticals, powders, and teas derived from Cordyceps militaris.
In addition to preserving bioactive compounds, the drying process must also maintain desirable physical attributes, including minimal shrinkage, color retention, and good rehydration capacity [1,2,3]. These factors, which represent the sensory attributes of dried products, are important indicators of overall quality and directly influence both price and consumer purchasing decisions [2].
Many studies have demonstrated that freeze-drying yields dried products of superior quality, particularly in terms of color retention and the preservation of valuable bioactive compounds. Xiao-Fei Wu et al. [1] reported that convection drying at 50–70 °C significantly reduced drying time compared to 40 °C; however, drying at 40 °C was more effective in preserving color and volatile compounds. Thitiphan Chimsook [3] observed that freeze-drying resulted in higher levels of cordycepin, adenosine, total phenolics, and antioxidant activity in dried Cordyceps compared to hot air drying. Yueyue Li et al. [4] also concluded that freeze-drying produced products with more stable color and better retention of active ingredients such as cordycepin and polysaccharides than other drying methods.
Freeze-drying is highly effective in preserving valuable bioactive compounds; however, it is typically time-consuming. To shorten the duration of freeze-drying, several strategies have been explored, including the application of infrared radiation [5], microwave-assisted freeze-drying [6], and increasing the temperature of the heating shelf. The shelf temperature plays a pivotal role in determining both drying efficiency and the structural stability of the product. While higher temperatures promote sublimation and reduce drying time, they also increase the risk of structural collapse, decrease porosity, alter product volume, impair rehydration capacity, and cause undesirable color changes [7].
Investigations into the freeze-drying of materials such as potatoes, carrots, and bananas conducted by Sabalnı, Rahman, and Krokida et al. have shown that elevating the shelf temperature reduces porosity and increases the apparent density of the final product. Importantly, shrinkage also intensifies as shelf temperature rises, a phenomenon directly linked to the glass transition temperature and structural collapse [7]. As highlighted by Welti-Chanes et al. [8], maintaining the product temperature below its glass transition temperature (Tg) throughout the drying process is critical to preserving structural integrity and overall product quality.
Numerous studies have demonstrated that the glass transition temperature (Tg) plays a critical role in food processing and preservation, particularly during freezing and drying operations. At Tg, not only do the mechanical and thermal properties of the material change abruptly, but molecular mobility and diffusion rates are also significantly reduced. Research by S. Balasubramanian et al. [9], Krokida et al. [10], and Sagar Bhatta has confirmed that glass transition during freeze-drying is associated with undesirable phenomena such as volume reduction, decreased porosity, material shrinkage, structural collapse, the loss of volatile compounds, and poor rehydration ability. Moreover, Tg has been shown to correlate closely with the collapse temperature (Tc)—the temperature at which the material structure fails, leading to deterioration in quality. For most food materials, structural collapse typically occurs at a temperature 2 to 20 K above Tg.
In the freeze-drying process, it is essential to maintain the appropriate temperature of the material throughout each stage [11]. Specifically, during the primary drying stage, the material temperature must be kept 2 to 3 K lower than the collapse temperature (Tc). In contrast, the secondary drying stage is conducted at a higher temperature but must remain below the glass transition temperature (Tg) of the dried material (see Figure 1).
Figure 1.
Temperature profile of the product during freeze-drying. Tc denotes the collapse temperature, and Tg refers to the glass transition temperature of the dried solid. This figure was created by the authors of this study based on general freeze-drying concepts described in Ratti [11] and Bhatta et al. [12].
As reported by Bhatta et al. [12], Perdon (2000) and Yang (2003) demonstrated that the glassy state of starch helps preserve rice quality during drying, whereas the rubbery state accelerates moisture loss and leads to grain cracking. Meister E. [13] also emphasized that the glass transition and structural collapse are critical factors influencing the quality of freeze-dried products.
Therefore, accurately identifying the temperature profile of Cordyceps militaris, particularly its glass transition temperature, is essential for determining the optimal heating regime during the freeze-drying process. This parameter plays a critical role in selecting appropriate drying conditions, especially the shelf temperature, in order to shorten processing time, reduce energy consumption, and maintain product quality. Addressing this issue constitutes the primary objective of the present study.
To address this issue, numerical simulation was employed as a powerful tool to analyze the heat and mass transfer phenomena during freeze-drying. Modeling approaches in this domain vary in complexity, ranging from lumped-parameter (0D) models to detailed 2D and 3D simulations. Lumped models (0D) assume uniform temperature and moisture distribution and are suitable for rapid predictions and control applications [14,15]. One-dimensional (1D) models, on the other hand, account for spatial gradients and are widely used for materials with regular geometries such as slabs or cylinders [16,17], offering a balance between accuracy and computational cost. For more complex scenarios, 2D and 3D models provide spatially resolved predictions and help assess heterogeneity and uncertainty, as demonstrated by Ravnik et al. [18] through stochastic modeling of lyophilization.
In this study, a one-dimensional radial model was developed to simulate the heat and mass transfer within cylindrical Cordyceps militaris fruiting bodies. This approach captures the dominant physical mechanisms while maintaining computational efficiency, supporting the design of effective freeze-drying regimes.
2. Materials and Methods
2.1. Materials
The research material used in this study was the fruiting bodies of Cordyceps militaris, cultivated in Vinh Ngoc Ward, Nha Trang City, Vietnam. The samples exhibited a cylindrical shape with an orange coloration, measuring 30–80 mm in length and 3–6 mm in diameter. After harvesting, the samples were transported to the cold laboratory at Nha Trang University. The fruiting bodies were separated from the growth substrate, sorted by size, cleaned, and selected for morphological uniformity. They were then arranged on trays, pre-frozen, and transferred to a freeze dryer operated under different experimental drying conditions. The drying process continued until the final moisture content reached 7% (dry basis), at which point the process was terminated.
2.2. Numerical Modeling of the Heat and Mass Transfer Process
The sublimation stage is the most critical phase of the drying process. It is time-consuming and plays a decisive role in determining the final product quality. Inappropriate process parameters can lead to structural collapse—manifested as reduced porosity decreases and shrinkage increases—which decreases the specific surface area of the product. Consequently, the secondary drying stage is prolonged, the rehydration capacity is compromised, the final moisture content remains high, and the sensory quality is reduced. Furthermore, inadequate control at this stage may negatively affect the product’s long-term stability during storage. Therefore, this study focuses on developing a mathematical model to describe the heat and mass transfer phenomena occurring during the primary drying stage, which serves as a foundation for optimizing technological parameters and effectively controlling the drying process.
Numerical simulations were carried out to analyze heat and mass transfer phenomena during the primary drying stage of Cordyceps militaris freeze-drying, using the mathematical model (Equation (1)) presented below [17]. A detailed description of the model is provided in Appendix A.
The symbols used in the formulas are explained in detail in Appendix B. To solve the heat and mass transfer model, the finite difference method was employed, and a computational program was developed using MATLAB 2021b.
2.3. Method for Determining the Glass Transition and Collapse Temperatures
The mathematical model developed by Couchman and Karasz [19,20,21], which is regarded as an extension of the Gordon–Taylor equation [19], was employed to predict the glass transition temperature of Cordyceps militaris. The model is expressed as follows [19,20,21]:
In this equation, Tg is the glass transition temperature of Cordyceps militaris (K); xᵢ and Tgi represent the mass fraction and the glass transition temperature of component i, respectively; and ΔCpi denotes the change in specific heat capacity of component i between the glassy and rubbery states.
For food materials, in addition to moisture, sugar content plays a critical role in determining the glass transition temperature [22,23,24,25]. Therefore, it is essential to determine the moisture and sugar content in Cordyceps in order to accurately predict its Tg. According to Sagar Bhatta et al. [12], the collapse temperature (Tc) is typically 2 to 20 K higher than Tg. Meister et al. [13] reported a narrower range, with Tc exceeding Tg by 2 to 5 K. To ensure structural stability and prevent shrinkage during drying, this study estimates the collapse temperature (Tc) based on the glass transition temperature using the following empirical relationship:
2.4. Experimental Method
2.4.1. The Experimental Freeze-Drying
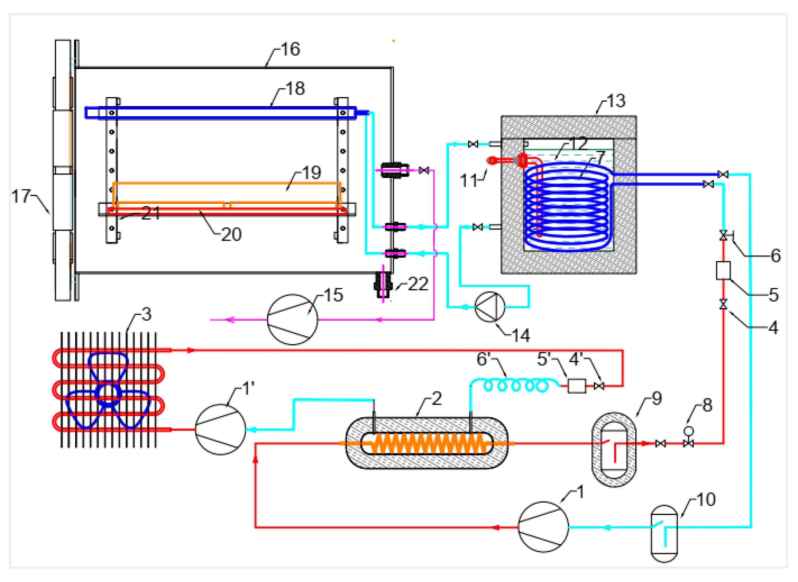
The freeze-drying experiments were conducted using a custom-built, laboratory-scale freeze dryer designed and fabricated by the research team at Nha Trang University, Viet Nam. A schematic diagram of the system is presented in Figure 2. The apparatus consists of a vacuum chamber, a heated shelf with adjustable temperature control ranging from −35 °C to 70 °C, and a condenser plate maintained at −35 °C. The chamber pressure was regulated and maintained at approximately 20 Pa during the primary drying stage. This system was specifically developed to facilitate experimental investigations of heat and mass transfer phenomena in the freeze-drying of biological materials. Additional technical details of the equipment can be found in our previous study [26].
Figure 2.
Schematic diagram of the freeze dryer: 1. Compressor; 2. Cascade heat exchanger; 3. Condenser unit; 4. Valve; 5. Filter; 6. Expansion valve; 7. Evaporator unit; 8. Solenoid valve; 9. High-pressure tank; 10. Liquid separator; 11. Heater; 12. Coolant; 13. Coolant tank; 14. Pump; 15. Vacuum pump; 16. Drying chamber; 17. Door; 18. Condenser plate; 19. Dryer tray; 20. Heating shelf; 21. Shelf frame; and 22. Drain valve. Note: Numbers with primes (e.g., 5’) denote similar components located in different stages of the cascade refrigeration system: the low-temperature stage and the high-temperature stage.
The freeze-drying experiments were conducted under various shelf temperature conditions ranging from −10 °C to 10 °C, with the aim of evaluating their influence on drying performance and product quality. In each trial, approximately 50 g of fresh Cordyceps militaris samples were loaded onto trays and subjected to primary drying. The endpoint of the drying process was defined by a target final moisture content of approximately 7% (wet basis), which is considered suitable for product stability. The condenser plate temperature was maintained at −32 °C, and the chamber pressure was kept constant at 35 Pa throughout the drying process. Drying time was not fixed in advance, as it served as a response variable in this study. Instead, it was determined experimentally for each shelf temperature condition and used to assess the efficiency of the corresponding drying regime.
2.4.2. Method for Determining Volume Shrinkage
The volume displacement method was employed to determine the volume of Cordyceps militaris samples before and after drying [27,28]. A graduated volumetric cylinder and 0.1 mm diameter 304 stainless steel beads were used for the measurements. The obtained data were then used to calculate the product shrinkage using the following formula:
where Vfr and Vdry represent the initial and dried volumes of Cordyceps militaris fiber, respectively (in mL).
2.4.3. Method for Determining Rehydration Ratio
The rehydration (water absorption) rate of dried Cordyceps militaris was determined by soaking the sample in distilled water at 25–30 °C. At 30 s intervals, the sample was removed, surface water was gently blotted, and the sample was weighed. This process was repeated until the difference between two consecutive weight measurements became negligible. The rehydration rate was then calculated using the equation provided in [6]:
where mr is the mass of water absorbed after soaking in water [g], and msub is the mass of sublimated water during the drying process [g].
2.4.4. Method for Determining Water Activity in Dried Cordyceps militaris
The water activity of the dried Cordyceps product was measured using a ROTRONIC HYGROLAB C1 device.
2.4.5. Method for Evaluating Color Difference in Cordyceps militaris
The color of both fresh and dried Cordyceps militaris samples was measured using a KONICA MINOLTA CR-400 colorimeter. The measurements were used to evaluate the color change before and after freeze-drying. The total color difference (∆E) was calculated according to the method described in [4,29,30,31], using the following equation:
where L0*, a0*, and b0* are the color values representing the lightness (whiteness/darkness), redness/greenness, and yellowness/blueness of fresh Cordyceps militaris, respectively; and L*, a*, and b* are the corresponding values for the dried samples.
2.4.6. Method for Determining Cordycepin and Adenosine Content in Cordyceps militaris
High-performance liquid chromatography (HPLC) was employed to determine the adenosine and cordycepin contents in both fresh and freeze-dried Cordyceps militaris. This method has been widely adopted by other researchers for quantifying these bioactive compounds in Cordyceps species [6,32,33,34]. Chromatographic separation was performed on a Phenomenex C18 column (250 mm × 4.6 mm, 5 µm particle size) under isocratic conditions. The mobile phase consisted of acetonitrile and distilled water (10:90, v/v), delivered at a flow rate of 0.5 mL/min for 35 min. Detection was carried out using a diode array detector (DAD) at 260 nm, with an injection volume of 10 μL.
3. Results and Discussion
3.1. Numerical Simulation of Heat and Mass Transfer During Freeze-Drying of Cordyceps militaris
The freeze-drying process was simulated by solving the mathematical model presented in Section 2, using the initial parameters listed in Table 1. To enhance clarity, the key process parameters for the simulations are summarized in Table 2. Specifically, five different shelf temperature conditions (−10 °C, −5 °C, 0 °C, 5 °C, and 10 °C) were tested, while the condenser plate temperature (−32 °C) and chamber pressure (35 Pa) were kept constant throughout the experiments. These values were selected to evaluate the influence of shelf heating temperature on the primary drying performance. The variations in surface temperature and moisture content during drying are illustrated in Figure 3.
Table 1.
Physical properties and parameters used for simulation.
Table 2.
Operating parameters for freeze-drying simulations under varying shelf temperatures.
Figure 3.
Changes in temperature (a) and moisture content (b) of Cordyceps militaris over time under different shelf temperatures during the freeze-drying process.
The results showed that reducing the initial moisture content from 79% to a final moisture content of 7% (wet basis), corresponding to a decrease from 3.762 kg/kg dry basis to 0.074 kg/kg dry basis, required approximately 11,340 to 22,340 s, depending on the heating shelf temperature. Correspondingly, the surface temperature of Cordyceps militaris increased from −16.54 °C to −3.0 °C as Tshelf rose from −10 °C to 10 °C. As expected, increasing the shelf temperature (Tshelf) reduced the drying time due to enhanced sublimation rates. However, this was accompanied by a rise in product temperature, which may lead to structural changes such as volume shrinkage.
Specifically, at Tshelf = 10 °C, the drying time was reduced by approximately 49% compared to that at −10 °C. According to Xiao-Fei Wu et al. [5], drying Cordyceps militaris from 80% to 5% moisture content at drying chamber temperatures of 40–70 °C and a pressure of 80 Pa required a total drying time of 6 to 9.3 h, with the primary drying stage lasting from 3 to 5.83 h depending on the drying conditions. Thus, compared with high-temperature drying modes, the drying time reported by Xiao-Fei Wu et al. is shorter, whereas under low-temperature conditions, it is longer than the results obtained in this study. This difference is attributed to the variations in drying conditions between the two studies. Increasing the drying temperature can accelerate the sublimation rate; however, it may also lead to structural collapse, increased shrinkage, and reduced product quality.
3.2. Determination of Glass Transition and Collapse Temperatures
Previous studies have shown that moisture and sugars are key components influencing the glass transition temperature (Tg) of food materials. Therefore, the moisture and sugar contents in Cordyceps militaris samples were analyzed. The results indicated the presence of two major sugar components—sucrose and polysaccharides—with mass fractions of 3.96% and 4.47%, respectively. According to Sebastian Linnenkugel [35], the change in specific heat capacity (ΔCp) of polysaccharides is 0.43 J/(kg·K). Studies by Thitiphan Chimsook [3], Fan Yin [36], Miao Miao [37], and Liping Chen [38] have shown that the polysaccharides in Cordyceps are primarily glucans. Saadet Özen [39] reported that glucans have a Tg of 398.2 K. In addition, the ΔCp and Tg of water are 1.94 J/(kg·K) and 136 K, respectively, while those of sucrose are 0.57 J/(kg·K) and 335 K [40], as summarized in Table 3.
Table 3.
Tg and ΔCp values of individual components in Cordyceps militaris.
The dry region, which is in direct contact with the heating shelf, with the surface of the cordyceps fibers experiencing the greatest thermal exposure. Therefore, it is essential to determine both the surface temperature and the structural collapse temperature of the dry region as a basis for selecting an appropriate shelf temperature. In this study, after the primary drying (sublimation) stage, the material reaches a moisture content of approximately 7%, which corresponds to the moisture level in the dry layer during the process. Applying Equation (2), the glass transition temperature (Tg) at 7% moisture content is approximately −3.6 °C. According to Equation (3), the corresponding structural collapse temperature (Tc) is −1.6 °C.
To prevent shrinkage, the maximum temperature of the product during the primary drying stage must remain at least 3 °C below Tc [12]. This threshold is considered the “no-shrinkage condition” for maintaining volume stability during the sublimation drying of Cordyceps militaris.
In order to determine the appropriate shelf temperature, a heat and mass transfer simulation was conducted to calculate the maximum material temperature corresponding to various shelf temperature settings. The results were then compared with the structural collapse temperature. If the drying condition satisfies ΔT = Tc − Ts,max > 3 °C, the risk of shrinkage is considered low, and the corresponding shelf temperature can be selected.
Under fixed condenser temperature and chamber pressure, the shelf temperature was varied from −10 °C to 10 °C. The results from the numerical model based on the coupled heat and mass transfer equations provided the temperature distribution and maximum temperature in the dry layer for five drying modes, as presented in Table 4 and Figure 4 and Figure 5. The results indicate that to ensure ΔT > 3 °C, the shelf temperature should not exceed 5 °C. Among the five investigated modes, the one with a shelf temperature of 10 °C presents a high risk of structural collapse and product shrinkage. At that point, the surface temperature of the drying material has exceeded the shrinkage avoidance condition.
Table 4.
Evaluation of product temperature relative to glass transition temperature under different freeze-drying conditions.
Figure 4.
Comparison of the dry layer temperature of Cordyceps militaris with the glass transition temperature (Tg) and collapse temperature (Tc) under different shelf temperature conditions: (a) Tshelf = −10 °C; (b) Tshelf = −5 °C; (c) Tshelf = 0 °C; (d) Tshelf = 5 °C; and (e) Tshelf = 10 °C. The Tr(i) curves represent the temperature distribution across the sample radius at different time points.
Figure 5.
Comparison of surface dry layer temperature, collapse temperature (Tc), and no-shrinkage threshold (Tc−3) for Cordyceps militaris under varying shelf temperatures.
3.3. Shrinkage of Cordyceps militaris During Drying
Shrinkage is a key indicator for evaluating the sensory quality of food products. Dried samples that retain a size similar to their original state are generally considered to have higher sensory quality [41]. In this study, Cordyceps militaris was frozen at −40 °C for 1.2 h, then freeze-dried under the following conditions: shelf temperature (Tshelf) ranging from −10 °C to 10 °C, condenser temperature (Tconde) of −32 °C, and drying chamber pressure (Pchamb) of 35 Pa. At each drying condition, the volumes of the fresh samples and the corresponding dried products were measured to determine the extent of volume shrinkage. The experimental results are presented in Figure 6.
Figure 6.
Results of determining the shrinkage of Cordyceps militaris in different drying modes.
The results of measuring the volume of Cordyceps militaris fibers before and after the drying process showed a decrease in volume compared to the original, with shrinkage ranging from 8.33 % to 16.28 %, depending on the drying mode. According to Xiao-Fei Wu [5], a volume shrinkage below 15% is indicative of good product quality. Therefore, the findings of this study suggest that the dried Cordyceps militaris achieved a good quality level under most drying conditions (as shown in Figure 7).
Figure 7.
Images of fresh (a1,b1) and dried (a2,b2) Cordyceps militaris under two drying conditions: (a1,a2) correspond to Tshelf = −10 °C, Pchamb = 35 Pa, Tconde = −32 °C; and (b1,b2) correspond to Tshelf = 10 °C, Pchamb = 35 Pa, Tconde = −32 °C.
In addition, the experimental results indicate that the heating shelf temperature has a significant impact on the volume shrinkage of the product. When Tshelf < 0 °C, the volume of Cordyceps militaris fibers shows minimal change compared to the original state, with shrinkage remaining below 10%. In contrast, at Tshelf = 10 °C, the fiber volume is substantially reduced, with shrinkage reaching up to 16.28%. This finding suggests the occurrence of glass transition and subsequent structural collapse, leading to volume loss. These results are consistent with the collapse temperature (Tc) and the heating shelf temperature determined based on the “shrinkage avoidance condition” described in Section 3.2. Accordingly, a heating shelf temperature of Tshelf = 0 °C (equivalent to 273.2 K) can be selected for the primary drying stage of the freeze-drying process of Cordyceps militaris to simultaneously shorten the drying time and minimize volume shrinkage. At this Tshelf, the required drying time is approximately 15,060 s, and the observed shrinkage is 9.52%.
3.4. Evaluation of Product Quality
Cordyceps militaris was first frozen at −40 °C for 1.2 h, then subjected to freeze-drying at a shelf temperature (Tshelf) of 0 °C, a condenser temperature (Tconde) of −32 °C, and a chamber pressure (Pchamb) of 35 Pa. The quality of the resulting dried product was evaluated based on several criteria, including water activity, rehydration capacity, color change, and the retention of key bioactive compounds (adenosine and cordycepin).
3.4.1. Color Changes
The color of fresh and dried Cordyceps militaris samples was analyzed using a KONICA MINOLTA CR-400 colorimeter. Color parameters (L*, a*, b*) of fresh and dried Cordyceps militaris samples are shown in Figure 8. The average L*, a*, and b* values of fresh samples were 53.26 ± 0.01, 17.91 ± 0.21, and 50.76 ± 1.56, respectively. After freeze-drying, these values changed to 54.21 ± 0.91, 23.25 ± 1.57, and 50.71 ± 1.68, respectively. Statistical variability is shown as standard deviation (SD), with n = 3 for fresh and n = 9 for dried samples. Based on these values, the color difference was calculated using Equation (7) [29,30,31], ΔE = 4.86.
Figure 8.
The color parameters of fresh and freeze-dried Cordyceps militaris samples (a) and (b) color changes between fresh and dried samples.
The total color change (∆E) of Cordyceps militaris observed during freeze-drying in this study was significantly lower than that reported for other drying methods. Specifically, ∆E was 5.6 for freeze-drying, compared to 14 for hot-air drying at 50 °C, 24 for microwave drying, and 30 for sun drying, as reported by Yueyue Li et al. [4]. These results are also consistent with the findings of Xiao-Fei Wu et al. [6], who observed better color retention with freeze-drying compared to microwave-assisted methods. Furthermore, a comprehensive comparison by Thanh Viet Nguyen et al. [41] confirmed that freeze-drying resulted in the best overall color stability among various techniques.
These results indicate that Cordyceps militaris retains much of its original color after freeze-drying. The minimal darkening observed suggests that freeze-drying is an appropriate method for preserving the appearance and nutritional quality of the product [2,42,43].
3.4.2. Water Activity
The water activity values of the dried samples obtained from five independent experiments ranged from 0.344 to 0.384, with an average of 0.364 ± 0.018 (n = 5) (shown in Figure 9). This value is quite similar to the water activity of dried Cordyceps militaris reported by Xiao-Fei Wu et al. [6], which ranged from 0.35 to 0.36. With a water activity of 0.364, food safety is ensured. At this level, the growth of bacteria, molds, and pathogenic microorganisms is inhibited, along with the reduction of risks such as oxidation, loss of micronutrients (e.g., vitamins C, A, and B1), and color degradation, thereby extending the product’s shelf life. Therefore, the dried product meets the criteria for good quality and long-term storage [2,42,43].
Figure 9.
Measurement results of water activity in dried Cordyceps militaris.
3.4.3. Water Rehydration Capacity
The rehydration ratio Rw measured from three independent experiments ranged from 54.595% to 56.047%, with an average value of Rw = 55.142 ± 0.789% (n = 3). Figure 10 illustrates the variation in rehydration capacity, with error bars representing the standard deviation of the dataset. These results demonstrate that the dried samples exhibited good rehydration capacity, with an average recovery rate of 55.14% relative to the amount of water lost during drying. This value is slightly higher than the 54% reported by Xiao-Fei Wu [6]. Moreover, the rehydration process occurred rapidly, with most water uptake completed within approximately 150 s, underscoring one of the key advantages of the freeze-drying method.
Figure 10.
Results of rehydration tests for dried Cordyceps militaris.
3.4.4. Cordycepin and Adenosine Contents
The HPLC extraction results indicated that the Cordyceps militaris sample exhibited a high adenosine content, while the cordycepin content was lower than some previously published results [1,2,5]. This discrepancy may be attributed to differences in substrate composition and cultivation methods. Notably, the adenosine and cordycepin contents extracted from the dried Cordyceps militaris sample were higher than those from the fresh sample (shown in Figure 11). Specifically, the adenosine content in the dried and fresh Cordyceps militaris samples was 1571.3 and 1503.4 mg/kg, respectively, while the cordycepin content in the dried and fresh samples was 640.5 and 449.8 mg/kg, respectively. These findings suggest that the freeze-drying method, along with this specific drying mode, does not diminish the active ingredients adenosine and cordycepin but rather enhances their extraction efficiency. Similar results were reported by Nguyen Thien Thao and colleagues [33]. In contrast, Zhu S.J. et al. [44] found that the levels of adenosine and cordycepin were comparable between dried and fresh samples. This discrepancy could be due to variations in the origin of the biological materials, differences in the freeze-drying parameters, or the specific techniques employed during processing.
Figure 11.
Determination of the active ingredients adenosine and cordycepin in Cordyceps militaris.
4. Conclusions
This study investigated the impact of shelf heating temperature on the primary drying stage of Cordyceps militaris by integrating one-dimensional radial numerical simulations and experimental validation. The simulation results revealed that increasing the shelf temperature from −10 °C to 10 °C significantly reduced drying time but raised the product temperature, potentially exceeding the collapse temperature and compromising product structure.
Among the tested conditions, a shelf temperature of 0 °C was identified as optimal. At this setting, drying duration was shortened without exceeding the collapse threshold, and the resulting product exhibited minimal shrinkage (9.52 %), moderate color change (∆E = 4.86), low water activity (0.364 ± 0.018), and high rehydration capacity (55.142 ± 0.789%). Importantly, the contents of bioactive compounds—adenosine (1571.3 mg/kg) and cordycepin (640.5 mg/kg)—were well preserved, indicating that product quality was effectively maintained.
The proposed model accurately captured the heat and mass transfer behavior during primary drying, demonstrating its potential as a predictive and optimization tool for freeze-drying of cylindrical biological materials. These findings support the selection of appropriate thermal parameters for high-quality production and can be extended to other heat-sensitive biomaterials.
Future work should focus on refining the model to include secondary drying and validating its applicability to different product geometries or larger-scale systems.
Author Contributions
Conceptualization, P.N.V.; methodology, P.N.V.; formal analysis, P.N.V. and A.N.N.; investigation, P.N.V.; writing—original draft, P.N.V.; writing—review and editing, P.N.V. and A.N.N.; visualization, P.N.V. and A.N.N.; supervision, A.N.N. All authors have read and agreed to the published version of the manuscript.
Funding
This research received no external funding.
Data Availability Statement
The data presented in this study are available on request from the corresponding author due to privacy.
Conflicts of Interest
The authors declare no conflicts of interest.
Appendix A
Developing Mathematical Models of Heat and Mass Transfer
Based on the heat and mass transfer diagram (Figure A1) and the initial assumptions, a mathematical model can be developed to describe the drying process of Cordyceps militaris fiber using the sublimation method.
- ✓
- Heat transfer equations in the freeze-drying process of Cordyceps militaris:
Energy balance equation:
where Qcont is heat transferred from the drying tray to the Cordyceps militaris fiber, defined by:
where Rcont is the heat transfer resistance due to contact. It is expressed as follows:
Figure A1.
Schematic diagram Heat transfer and mass transfer of Cordyceps militaris in the drying tray.
Figure A1.
Schematic diagram Heat transfer and mass transfer of Cordyceps militaris in the drying tray.

Heat required to change the temperature of the dried region Qu is calculated as follows [25]:
The internal energy of the dry region in the Cordyceps militaris fiber is determined by the following equation [45]:
The temperature distribution in the dried region of the Cordyceps militaris fiber is assumed to follow quasi-steady radial heat conduction in a cylindrical geometry, neglecting axial conduction. Accordingly, the temperature at a radial position r can be calculated by the following logarithmic expression [45]:
Considering the surface of the fiber, we have r = rs and Tdry = Ts. In this case, Equation (A6) becomes the following:
Substituting Equation (A7) into Equation (A6), we obtain the following:
Heat supplied for sublimating ice at the sublimation front Qsub is defined by:
Heat transfer resistance between the surface of the fiber and sublimation front Rcond,sub is calculated as follows [45]:
The heat Qsub is also the energy required for sublimation, and the sublimation rate is given by the following expression:
Heat radiated by the fiber to the vapor condenser plate Qrad is defined by:
- ✓
- Moisture transfer equation in the freeze-drying process of Cordyceps militaris:
The sublimation rate of the ice in the Cordyceps militaris fiber, determined by Fick’s first law, is expressed as follows [16]:
The mass of water vapor moving from the sublimation interface through the dry region to the outside of the fiber is as follows:
where cw is the moisture vapor concentration [kg/m3]:
Mass balance equation at the sublimation interface:
The position of the moving sublimation interface is determined based on the following mass balance equation [16]:
Appendix B
Table A1.
Symbols, significance, and units.
Table A1.
Symbols, significance, and units.
| Symbol | Significance | Units |
|---|---|---|
| r | Radius | m |
| rs | Radius of fiber | m |
| rsub | Radius of sublimation front | m |
| Asub | Sublimation area | m2 |
| aw | Water activity | - |
| aw,avg | Average water activity | - |
| Ls | Length of fiber | m |
| Lsub | Latent heat of sublimation | J/kg |
| Tconde | Temperature of condenser | °C or K |
| Ts | Temperature of surface fiber | °C or K |
| Tfroze | Temperature of frozen region | °C or K |
| Tsub | Temperature of sublimation front | °C or K |
| Tshelf | Temperature of shelf | °C or K |
| Tdry | Temperature of the dried region | °C or K |
| Tg | Glass transition temperature | °C or K |
| Cdry | Specific heat capacity | J/kg·K |
| ρdry | Density of dried region | kg/m3 |
| ρice,eff | Density of ice | kg/m3 |
| kdry | Thermal conductivity of the dry region | W/m·K |
| cw | Concentration of water | kg/m3 |
| MR0 | Moisture content initial | kg/kgdb |
| MRend | Moisture content end | kg/kgdb |
| Cdry | Specific heat capacity | J/kg·K |
| ρdry | Density of dried region | kg/m3 |
| ρice,eff | Density of ice | kg/m3 |
| kdry | Thermal conductivity of the dry region | W/m·K |
| cw | Concentration of water | kg/m3 |
| Mw | Molecular weight of water | kg/kmol |
| Rg | Gas constant | J/kmol.K |
| Pw = Psat(T) | Saturation pressure | Pa |
| Pchamb | Pressure at drying chamber | Pa |
| Rcont | Contact heat transfer resistance | K/W |
| Rcond | Conduct heat transfer resistance | K/W |
| Rcond,sub | Conduct heat transfer resistance of dried region | K/W |
| Rcond,tr | Conduct heat transfer resistance between tray and fiber | K/W |
| Rrad,tr | Radiation heat transfer resistance between tray and fiber | K/W |
| Rrad | Radiation heat transfer resistance between fiber and condenser | K/W |
| Udry | Internal energy of the dry region | J |
| Deff | Mass diffusivity coefficient | m2/s |
| Jw | Mass flux | kg/m2·s |
| Mass flux | kg/s | |
| Vfr | Volume of fresh Cordyceps militaris | mL |
| Vdry | Volume of dried Cordyceps militaris | mL |
| ΔV | Volume shrinkage | % |
| ΔCp | Change in specific heat capacity | J/kg·K |
| xi | Mass fraction | - |
| Rw | Rehydration capacity | % |
| Rw,avg | Average rehydration capacity | % |
| mr | Recovered moisture mass | g |
| msub | Sublimated moisture mass | g |
| L*0 | Lightness of fresh Cordyceps militaris | |
| L*0 | Lightness of dried Cordyceps militaris | s |
| a*0 | Red–green coordinate of fresh Cordyceps militaris | - |
| a* | Red–green coordinate of dried Cordyceps militaris | - |
| b*0 | Yellow–blue coordinate of fresh Cordyceps militaris | - |
| b* | Yellow–blue coordinate of dried Cordyceps militaris | - |
| ΔE | Total color difference | - |
| τ | Time | s |
References
- Wu, X.-F.; Zhang, M.; Li, Z. Influence of infrared drying on the drying kinetics, bioactive compounds and flavor of Cordyceps militaris. LWT 2019, 111, 790–798. [Google Scholar] [CrossRef]
- Wu, W.; Li, H.; Chen, Y.; Luo, Y.; Zeng, J.; Huang, J.; Gao, T. Recent advances in drying processing technologies for aquatic products. Processes 2024, 12, 942. [Google Scholar] [CrossRef]
- Chimsook, T.; Hamontree, C. Effect of freeze drying and hot air drying methods on quality of cordycepin production. MATEC Web Conf. 2018, 192, 03001. [Google Scholar] [CrossRef]
- Li, Y.; Yang, H.; Yang, H.; Wang, J.; Chen, H. Assessment of drying methods on the physiochemical property and antioxidant activity of Cordyceps militaris. J. Food Meas. Charact. 2018, 13, 513–520. [Google Scholar] [CrossRef]
- Wu, X.-F.; Zhang, M.; Bhandari, B. A novel infrared freeze drying (IRFD) technology to lower the energy consumption and keep the quality of Cordyceps militaris. Innov. Food Sci. Emerg. Technol. 2019, 54, 34–42. [Google Scholar] [CrossRef]
- Wu, X.; Zhang, M.; Bhandari, B.; Li, Z. Effects of microwave-assisted pulse-spouted bed freeze-drying (MPSFD) on volatile compounds and structural aspects of Cordyceps militaris. J. Sci. Food Agric. 2018, 98, 4634–4643. [Google Scholar] [CrossRef] [PubMed]
- Nowak, D.; Jakubczyk, E. The freeze-drying of foods—The characteristic of the process course and the effect of its parameters on the physical properties of food materials. Foods 2020, 9, 1488. [Google Scholar] [CrossRef] [PubMed]
- Welti-Chanes, J.; Vergara-Balderas, F.; Pérez-Pérez, E.; Reyes-Herrera, A. Fundamentals and new tendencies of freeze-drying foods. J. Food Eng. 2005, 67, 113–128. [Google Scholar] [CrossRef]
- Balasubramanian, S.; Devi, A.; Singh, K.K.; Bosco, S.J.D.; Mohite, A.M. Application of glass transition in food processing. Crit. Rev. Food Sci. Nutr. 2014, 56, 919–936. [Google Scholar] [CrossRef] [PubMed]
- Krokida, M.K.; Karathanos, V.T.; Maroulis, Z.B. Effect of freeze-drying conditions on shrinkage and porosity of dehydrated agricultural products. J. Food Eng. 1998, 35, 369–380. [Google Scholar] [CrossRef]
- Ratti, C. Freeze drying for food powder production. In Handbook of Food Powders: Processes and Properties; Woodhead Publishing: Cambridge, UK, 2013; pp. 57–84. [Google Scholar]
- Bhatta, S.; Janezic, T.S.; Ratti, C. Freeze-drying of plant-based foods. Foods 2020, 9, 87. [Google Scholar] [CrossRef] [PubMed]
- Meister, E.; Gieseler, H. A significant comparison between collapse and glass transition temperatures. Eur. Pharm. Rev. 2008, 13, 73–77. [Google Scholar]
- Pikal, M.J. Use of Laboratory Data in Freeze-Drying Process Design: Heat and Mass Transfer Coefficients and the Computer Simulation of Freeze-Drying. PDA J. Pharm. Sci. Technol. 1985, 39, 115–139. [Google Scholar]
- Hubble, D.; Patel, S.M.; Searles, J.A. A Comparison of 0D, 1D and 3D Numerical Models for Simulation of Heat Transfer during Lyophilization. J. Pharm. Sci. 2021, 110, 331–342. [Google Scholar] [CrossRef]
- Trelea, I.C.; Delalonde, M.; Fonseca, F.; Marin, M. Analysis of Heat and Mass Transfer in Freeze-Drying: Modeling and Simulation of Drying Kinetics in Vials and Pellets. Chem. Eng. Process. 2009, 48, 408–417. [Google Scholar] [CrossRef]
- Nguyen, P.V.; Nguyen, A.N. Numerical and Experimental Study of Primary Drying Stage in Freeze-Drying of Cordyceps militaris. Edelweiss Appl. Sci. Technol. 2025, 9, 1905–1917. [Google Scholar] [CrossRef]
- Ravnik, J.; Trček, D.; Zadravec, M. Experimental and Stochastic Analysis of Lyophilisation. Eur. J. Pharm. Biopharm. 2021, 163, 160–170. [Google Scholar] [CrossRef] [PubMed]
- Katkov, I.I.; Levine, F. Prediction of the glass transition temperature of water solutions: Comparison of different models. Cryobiology 2004, 49, 62–82. [Google Scholar] [CrossRef] [PubMed]
- Arvanitoyannis, I.; Blanshard, J.M.V.; Izzard, M.J.; Lillford, P.J.; Ablett, S. Calorimetric study of the glass transition occurring in aqueous glucose: Fructose solutions. J. Sci. Food Agric. 1993, 63, 177–188. [Google Scholar] [CrossRef]
- Bhandari, B.R.; Howes, T. Implication of glass transition for the drying and stability of dried foods. J. Food Eng. 1999, 40, 71–79. [Google Scholar] [CrossRef]
- Caparino, O.A.; Sablani, S.S.; Tang, J.; Syamaladevi, R.M.; Nindo, C.I. Water sorption, glass transition, and microstructures of refractance window– and freeze-dried mango (Philippine “Carabao” Var.) powder. Dry. Technol. 2013, 31, 1969–1978. [Google Scholar] [CrossRef]
- Khalloufi, S.; Ratti, C. Quality deterioration of freeze-dried foods as explained by their glass transition temperature and internal structure. J. Food Sci. 2003, 68, 892–903. [Google Scholar] [CrossRef]
- Khalloufi, S.; El-Maslouhi, Y.; Ratti, C. Mathematical model for prediction of glass transition temperature of fruit powders. J. Food Sci. 2000, 65, 842–848. [Google Scholar] [CrossRef]
- Jaya, S.; Das, H. Glass transition and sticky point temperatures and stability/mobility diagram of fruit powders. Food Bioprocess Technol. 2009, 2, 89–95. [Google Scholar] [CrossRef]
- Nguyen, V.P.; Nguyen, A.N.; Le, N.C. Design and fabrication of a freeze dryer for Cordyceps militaris and seafood. J. Fish. Sci. Technol. Nha Trang Univ. 2023, 1, 59–68. [Google Scholar] [CrossRef]
- Wu, X.-F.; Zhang, M.; Li, Z. Dehydration modeling of Cordyceps militaris in mid-infrared-assisted convection drying system: Using low-field nuclear magnetic resonance with the aid of ELM and PLSR. Dry. Technol. 2019, 37, 2072–2086. [Google Scholar] [CrossRef]
- Vilas, C.; Alonso, A.A.; Balsa-Canto, E.; López-Quiroga, E.; Trelea, I.C. Model-based real time operation of the freeze-drying process. Processes 2020, 8, 325. [Google Scholar] [CrossRef]
- Kim, Y.-Y.; Lee, K.-S. Comparative numerical study of freeze drying of solution and spray-frozen particles in trays and vials. Numer. Heat Transf. Part A Appl. 2008, 54, 406–425. [Google Scholar] [CrossRef]
- Dadali, G.; Apar, D.K.; Ozbek, B. Color change kinetics of okra undergoing microwave drying. Dry. Technol. 2007, 25, 925–936. [Google Scholar] [CrossRef]
- Tian, Y.; Zhao, Y.; Huang, J.; Zeng, H.; Zheng, B. Effects of different drying methods on the product quality and volatile compounds of whole shiitake mushrooms. Food Chem. 2016, 197, 714–722. [Google Scholar] [CrossRef] [PubMed]
- Quy, N.N.; Nhut, P.T.; Nhi, T.T.Y.; Tien, N.M.; Chung, D.D.; Van Thanh, L.; Phuong, T.T.M. Effect of Time and Temperature on the Extraction of Cordyceps militaris in Pilot Scale. Conf. Ser. Mater. Sci. Eng. 2021, 1092, 012079. [Google Scholar] [CrossRef]
- Nguyen, T.T.; Nguyen, N.T.; Nguyen, T.T.H. Evaluation of the Impact of Freeze-Drying Method and the Ability to Extract Cordycepin and Adenosine from Cordyceps militaris Using Water Solvent. Ind. Trade Mag. 2022, 374, 10–15. [Google Scholar]
- Valdez-Solana, M.A.; Corral-Guerrero, I.A.; Téllez-Valencia, A.; Avitia-Domínguez, C.; Meza-Velázquez, J.A.; de Casa, A.G.; Sierra-Campos, E. Cordyceps militaris Inhibited Angiotensin-Converting Enzyme through Molecular Interaction between Cordycepin and ACE C-Domain. Life 2022, 12, 1450. [Google Scholar] [CrossRef] [PubMed]
- Linnenkugel, S.; Paterson, A.H.; Huffman, L.M.; Bronlund, J.E. Prediction of the glass transition temperature of low molecular weight components and polysaccharide mixtures. J. Food Eng. 2021, 292, 110345. [Google Scholar] [CrossRef]
- Yin, F.; Lin, P.; Yu, W.-Q.; Shen, N.; Li, Y.; Guo, S.-D. The Cordyceps militaris-derived polysaccharide CM1 alleviates atherosclerosis in LDLR(−/−) mice by improving hyperlipidemia. Front. Mol. Biosci. 2021, 8, 783807. [Google Scholar] [CrossRef] [PubMed]
- Miao, M.; Yu, W.-Q.; Li, Y.; Sun, Y.-L.; Guo, S.-D. Structural elucidation and activities of Cordyceps militaris-derived polysaccharides: A review. Front. Nutr. 2022, 9, 898674. [Google Scholar] [CrossRef] [PubMed]
- Chen, L.; Liu, X.; Zheng, K.; Wang, Y.; Li, M.; Zhang, Y.; Cui, Y.; Deng, S.; Liu, S.; Zhang, G.; et al. Cordyceps Polysaccharides: A Review of Their Immunomodulatory Effects. Molecules 2024, 29, 5107. [Google Scholar] [CrossRef] [PubMed]
- Özen, S.; Ünlü, A.; Özbek, H.N.; Göğüş, F. β-glucan extraction from hull-less barley by a novel approach: Microwave-assisted pressurized CO2/H2O. Food Bioprocess Technol. 2024, 17, 4781–4793. [Google Scholar] [CrossRef]
- Li, H.; Li, L.; Jiao, X.; Qin, X. Analysis of heat and mass transfer mechanism of vacuum freeze-drying in the primary drying. J. Adv. Chem. 2007, 3, 183–191. [Google Scholar] [CrossRef]
- Nguyen, T.V.; Tran, H.L.; Pham, Q.D.; Le, M.T. Assessing the Effects of Various Drying Techniques on the Nutritional and Antioxidant Properties of Cordyceps militaris. J. Food Process. Preserv. 2025, 49, 9911661. [Google Scholar] [CrossRef]
- Radojčin, M.; Pavkov, I.; Kovačević, D.B.; Putnik, P.; Wiktor, A.; Stamenković, Z.; Kešelj, K.; Gere, A. Effect of selected drying methods and emerging drying intensification technologies on the quality of dried fruit: A review. Processes 2021, 9, 132. [Google Scholar] [CrossRef]
- Raponi, F.; Moscetti, R.; Monarca, D.; Colantoni, A.; Massantini, R. Monitoring and optimization of the process of drying fruits and vegetables using computer vision: A review. Sustainability 2017, 9, 2009. [Google Scholar] [CrossRef]
- Zhu, S.-J.; Pan, J.; Zhao, B.; Liang, J.; Ze-Yu, W.; Yang, J.-J. Comparisons on enhancing the immunity of fresh and dry Cordyceps militaris in vivo and in vitro. J. Ethnopharmacol. 2013, 149, 713–719. [Google Scholar] [CrossRef] [PubMed]
- Bergman, T.L. Fundamentals of Heat and Mass Transfer, 8th ed.; John Wiley & Sons: Hoboken, NJ, USA, 2017. [Google Scholar]
Disclaimer/Publisher’s Note: The statements, opinions and data contained in all publications are solely those of the individual author(s) and contributor(s) and not of MDPI and/or the editor(s). MDPI and/or the editor(s) disclaim responsibility for any injury to people or property resulting from any ideas, methods, instructions or products referred to in the content. |
© 2025 by the authors. Licensee MDPI, Basel, Switzerland. This article is an open access article distributed under the terms and conditions of the Creative Commons Attribution (CC BY) license (https://creativecommons.org/licenses/by/4.0/).










