Abstract
The increasing deployment of renewable energy sources is reshaping power systems and presenting new challenges for the integration of distributed generation and energy storage. Power converters have become essential to manage energy flows, coordinate storage systems, and maintain grid stability. This study presents a literature review following the PRISMA 2020 methodology, covering 71 peer-reviewed articles published between 2014 and 2024. The analysis organizes current research into five main areas: converter topologies, storage integration, grid interaction, advanced control strategies, and renewable energy applications. Recent developments include progress in multilevel and bidirectional converter designs, the use of wide-bandgap semiconductors (SiC, GaN), and the application of advanced control techniques such as model predictive control, fuzzy logic, and reinforcement learning. However, several challenges remain unresolved, including the lack of standardized validation protocols, limited implementation of modular and scalable converter solutions, and insufficient integration of hybrid storage technologies such as hydrogen and second-life batteries. Future efforts should focus on developing interoperable control platforms, extending field validation studies, and incorporating digital twins and AI-based supervisory systems to improve the reliability, efficiency, and scalability of converter-based energy storage solutions under high renewable energy scenarios.
1. Introduction
Over the past decade, the accelerated deployment of renewable energy sources (RESs) has driven a structural transformation in power systems, increasing the demand for technologies that enable flexible, efficient, and reliable integration of distributed generation and energy storage. In this context, power converters have emerged as critical components, e.g., for managing energy dynamics in hybrid systems, microgrids, and standalone configurations [1,2,3]. The literature has demonstrated that modern converters must fulfill multiple simultaneous functions, such as enabling bidirectional coupling between RESs and storage systems [1,4], facilitating real-time charging and discharging control [5,6], and improving power quality in low-inertia grids [7,8,9]. This multifunctionality has been enhanced by recent advances in wide-bandgap (WBG) devices such as SiC and GaN, and in soft-switching strategies, which have significantly increased energy efficiency, power density, and thermal reliability [1,10,11,12]. At the same time, the use of intelligent control methods has expanded, including neural networks [13], fuzzy logic [9], and reinforcement learning [10,14] capable of optimizing converter performance under uncertain or dynamic conditions. The increasing complexity of energy architectures, particularly in hybrid AC/DC microgrids, islanded systems, and V2G platforms, has revealed control, coordination, and scalability challenges that must be addressed to ensure the resilience, modularity, and sustainability of future energy solutions [3,15,16,17]. In this context, converters are also becoming active nodes in cyber-physical energy systems, contributing ancillary services such as virtual inertia [9,18], black start capabilities [17,19], and reactive power support [20]. Given this technological evolution and the diversity of applications, there is a pressing need for a systematic review that integrates, classifies, and critically analyzes recent advancements in power converter technologies applied to energy storage systems, with special attention to their implications for renewable energy integration, grid stability, and the optimization of distributed control. This motivation underpins the present study, which is structured according to the Preferred Reporting Items for Systematic Reviews and Meta-Analyses—PRISMA methodology, with the objective of synthesizing the state of the art, identifying key research gaps, and outlining future directions in this interdisciplinary domain. To strengthen the analysis of converter-based systems under realistic operational conditions, recent efforts have increasingly turned to digital twins and hardware-in-the-loop (HIL) validation platforms. Digital twins provide a virtual representation of converter hardware, allowing real-time monitoring of thermal behavior, fault development, and dynamic responses without physical intervention. These models have enabled predictive diagnostics and optimization of control strategies in various applications, including grid-tied inverter systems and Modular Multilevel Converters. In parallel, HIL testing connects physical controllers to simulated grid environments, supporting the safe evaluation of control algorithms—such as neural networks or reinforcement learning—under fault conditions, voltage fluctuations, and varying load profiles. For instance, recent studies have validated supervisory control schemes for hybrid microgrids using HIL setups [21], while others have employed digital twins to forecast degradation patterns in converter modules and inform adaptive control adjustments [22]. The incorporation of these tools enhances the reliability and scalability of converter solutions by closing the gap between simulation and field deployment.
Numerous studies have addressed the role of power converters in the transformation of modern energy systems, particularly in the context of increasing renewable energy penetration. A broad review conducted by Blaabjerg et al. [23] outlines the evolution of power electronics for large-scale renewable energy systems, emphasizing the growing need for advanced control, bidirectional operation, and grid compliance. This foundational work establishes the critical position of converters in enabling scalable and intelligent renewable integration. Further emphasizing this trend, Jiang et al. [4] investigate cascaded multilevel converter-based energy storage systems, highlighting their potential for active power control and dynamic response. Their study points to the flexibility of converter topologies in energy storage applications but does not address multi-source coordination or real-time optimization. Similarly, Wang et al. [24] propose voltage balancing control for Modular Multilevel Converters with integrated battery systems, contributing to improved operation under multi-mode scenarios but lacking discussion on hybrid storage integration or cyber-physical control architectures.
A significant contribution to the stability analysis of low-inertia grids is provided by Fang et al. [25], who developed an adaptive control strategy for grid-forming inverters. Their approach improves frequency stability in islanded power systems, showing the importance of converter-based control in environments lacking traditional mechanical inertia. Complementing this, Pahasa et al. [26] introduce a model predictive control (MPC)-based virtual energy storage system that leverages PV and air conditioning systems to emulate inertia and frequency regulation in low-inertia microgrids. While both studies focus on stability enhancement, they remain limited in addressing hardware-level converter innovations or hybrid energy storage coordination. In the field of power quality and reliability, Mian et al. [10] developed an optimized nonlinear control approach for hybrid electric vehicles combining fuel cells, supercapacitors, and photovoltaic sources. Their focus is on vehicular applications, but the proposed multi-source converter architecture has direct relevance for broader microgrid contexts. Similarly, García-Triviño et al. [14] designed a supervisory control system for a medium-voltage DC microgrid integrating PV, batteries, green hydrogen, and EV charging using Z-source converters. This work represents a significant step toward unified energy management, although it does not deeply explore the converter topologies themselves or their impact on performance metrics such as efficiency or thermal resilience. In terms of intelligent control, Damodaran et al. [27] present a four-quadrant buck converter architecture suitable for both AC and DC conversion in microgrid environments, offering greater flexibility in load and source management. The use of neural control frameworks in feedforward mode is demonstrated by Song et al. [28], where GaN-based converters are deployed with intelligent switching strategies to extend system lifespan and efficiency. These studies reveal the rise of embedded intelligence in converter design, although they often focus on single-device performance rather than system-level integration. Soft-switching and WBG technologies are analyzed in depth by Zheng et al. [29], who present a solid-state transformer (SST) with reduced conduction loss using advanced switching techniques. Their findings are corroborated by Liang et al. [21], who explore the active power disparity in submodules of modular converters for battery systems, revealing challenges related to power sharing and thermal balancing. Still, both works stop short of exploring how such technologies function under coordinated hybrid storage systems or within distributed microgrids.
Applications of converter-controlled hybrid storage systems are explored by Hou et al. [3], who propose a partial power processing structure for integrating RESs and storage in islanded DC microgrids. Their design enhances energy efficiency by processing only the required portion of the power flow. Likewise, Akter et al. [30] implement model predictive control in bidirectional converters for energy storage, enabling high dynamic response. However, neither study addresses scalability or fault-tolerant features, which are crucial in real-world implementations. More recently, Mohseni et al. [8] analyzed an off-grid microgrid design optimized for Stewart Island (New Zealand), where converters coordinate energy flows among multiple carriers. This study approaches real-life complexity but focuses more on system layout than on converter-centric innovation. Complementing this, Wang et al. [31] explore the co-optimization of wind turbine integration with storage through enhanced converter control, providing insights into distributed coordination strategies but without extensive hardware validation. Among the most relevant contributions, Monteiro et al. [32] propose a bidirectional three-level DC–DC converter for smart grid applications. The converter is validated experimentally and demonstrates adaptive behavior, positioning it close to the technical focus of this review. Similarly, Tabart et al. [33] integrate second-order sliding mode control into a multilevel NPC inverter within a hybrid energy storage system, addressing power quality challenges. These implementations exemplify the convergence of advanced topologies, adaptive control, and storage integration yet still present limited exploration of digital twin or hardware-in-the-loop validation methods.
Despite these advancements, several research gaps persist. First, existing studies on converter coordination in hybrid storage configurations—such as systems combining batteries, hydrogen, and supercapacitors—remain dispersed and lack integration frameworks. Second, while modular converter architectures are frequently mentioned, there is limited comparative discussion on their scalability and applicability in field conditions, especially in rural or high-reliability settings. Third, although AI-based control strategies are increasingly explored, few studies address their compatibility with real-time platforms, such as digital twins and hardware-in-the-loop (HIL) environments. Finally, performance comparisons across converter topologies, control methods, and operating conditions are relatively scarce, limiting efforts to establish broadly applicable design principles. This review does not seek to provide solutions to these challenges but rather to identify current knowledge boundaries, synthesize fragmented findings, and outline areas where more targeted experimental and theoretical work is needed. To address these challenges, this article presents a comprehensive systematic review of power converter technologies applied to integrated energy storage systems, based on the PRISMA 2020 methodology. The main contributions of this work are summarized as follows:
- A thematic classification of current research is developed, encompassing converter topologies, control strategies, grid stability mechanisms, and emerging applications;
- The role of converters in enabling hybrid storage configurations and coordinating energy flow across multiple technologies is critically examined;
- Special attention is given to the integration of intelligent control techniques—such as model predictive control, fuzzy logic, and machine learning—into converter operations;
- Key gaps in validation tools (e.g., digital twins and hardware-in-the-loop platforms) and challenges related to modularity and scalability are identified and discussed;
- This review outlines future research directions to advance the development of resilient, intelligent, and efficient converter-based energy storage systems under high-penetration renewable energy scenarios.
The remainder of this manuscript is organized as follows: Section 2 describes the methodology applied for the systematic literature review, detailing the identification, screening, eligibility assessment, and synthesis phases based on the PRISMA 2020 framework. Section 3 presents the results and thematic analysis of the selected studies, which are grouped into five focal areas: power converter topologies, converter-based energy storage integration, grid interaction and stability, advanced control strategies, and renewable energy applications. Section 4 offers a critical discussion of current trends, technological challenges, and research gaps identified across these domains. Finally, Section 5 concludes the review with a synthesis of the main findings and recommendations for future research directions.
2. Methodology for Systematic Literature Review
2.1. Introduction to PRISMA Methodology
This review follows the PRISMA 2020 framework [34], which was selected for its structured approach to organizing and evaluating the scientific literature in technical fields such as energy systems engineering. Unlike narrative reviews, PRISMA enables reproducibility and reduces bias by clearly outlining each phase of the selection process. The procedure consists of four stages: identification, screening, eligibility and inclusion, and synthesis. The literature was retrieved from academic databases using targeted search expressions aligned with the review scope. Titles and abstracts were screened using strict inclusion and exclusion criteria. Full-text analysis was then performed to verify methodological quality and thematic relevance. Finally, the included studies were categorized and examined to identify research patterns and current directions. A visual summary of the methodology is shown in Figure 1, and further details are provided in Section 2.2, Section 2.3, Section 2.4 and Section 2.5.
Figure 1.
PRISMA-based literature review workflow.
2.2. Identification Phase
The literature was compiled through structured searches in Scopus and Web of Science (WoS), two databases with broad coverage of peer-reviewed work in engineering and energy-related fields. To ensure thematic and methodological consistency, the search was limited to journal articles and conference papers published in English between 2014 and 2024. This ten-year window captures recent developments in converter technologies and integrated energy storage. Editorials, theses, and non-peer-reviewed documents were excluded. The search expressions were designed to reflect the main topics of this review, including converter topologies, renewable integration, hybrid storage systems, and grid interaction. Table 1 summarizes the queries and results obtained from each database.
Table 1.
Search terms and summary of database query results.
The initial search returned 569 documents—463 from Scopus and 106 from WoS. After removing 57 duplicates using DOI-based reference management tools, a total of 512 unique records were retained for screening. The overlap between databases highlights the value of using multiple sources to ensure comprehensive coverage and reduce the risk of omission or redundancy.
2.3. Screening Phase
A set of predefined criteria was applied to the 512 unique records to assess their relevance and suitability. Each document was evaluated based on title, abstract, and metadata to determine its alignment with the scope of this review, which focuses on converter technologies in integrated energy storage and their role in renewable integration and grid support. The criteria included (1) publication date (2014–2024), (2) type (peer-reviewed journal articles or conference papers), (3) language (English), (4) full-text availability, and (5) thematic focus on converter architectures, control strategies, renewable-storage integration, grid interface challenges, or hybrid ESS implementations. Editorials, book chapters, patents, preprints, and other non-validated sources were excluded. A total of 419 studies met these requirements and advanced to the eligibility phase. The screening was performed independently by two reviewers, with disagreements resolved by consensus. The selected works include 246 journal articles and 173 conference papers. Figure 2 shows the annual distribution of publications, which remained modest until 2016 and then increased steadily, peaking in 2023 (82 studies) and 2024 (64). This trend reflects growing academic activity in converter-based approaches for storage and distributed energy systems. The next phase reviews these studies in detail to identify technical directions and research patterns.
Figure 2.
Annual distribution of selected publications (2014–2024).
2.4. Eligibility and Inclusion Phase
The 419 studies that passed the screening stage were evaluated in full to determine their alignment with the review objectives, analytical depth, and methodological soundness. A five-criterion rubric guided the assessment, with each study scored on a three-level scale across the following dimensions: (1) thematic relevance to converter applications in energy storage and grid interaction, (2) rigor of methodology and validation approach, (3) originality of converter designs or control strategies, (4) clarity and reliability of data and analysis, and (5) relevance for future research in the field. Each article was independently reviewed by two evaluators, with consensus reached through discussion or, when necessary, by a third reviewer. The maximum possible score was 15, and only studies scoring 13 or above were included. This filtering process led to the selection of 71 studies—61 journal articles and 10 conference papers. Figure 3 summarizes the scoring criteria and the distribution of the final selection, which forms the analytical base for the subsequent synthesis and discussion.
Figure 3.
Evaluation matrix for eligibility and inclusion and score distribution of evaluated studies.
2.5. Synthesis Phase
This phase summarizes the 71 studies selected after the eligibility process, offering a structured view of recent contributions on power converters applied to integrated energy storage in systems dominated by renewable sources. The selected works span a wide range of journals and conferences, reflecting the technical diversity of the field (Figure 4). Journal articles represent the majority, with IEEE Transactions on Power Electronics contributing 11 studies, followed by Energies (7) and IEEE Transactions on Industrial Electronics (5). Other recurring sources include Applied Energy, IEEE Access, and IEEE Transactions on Industry Applications. Conference proceedings, though fewer, are valuable for capturing early developments, with IECON and PEDS among the key venues.
Figure 4.
Bibliometric summary of selected studies.
The selected publications span from 2014 to 2024, with marked increases from 2017 onwards. Publication peaks in 2021, 2023, and 2024 suggest an intensified research focus on power converters for storage and grid applications. Figure 4 also includes a keyword-based word cloud used to identify the five analytical categories that structure the following review.
- Power Converter Technologies and Topologies: This group includes studies on both conventional and emerging configurations, such as DC-DC converters, multilevel inverters, bidirectional interfaces, and topologies like NPC, MMC, DAB, and qZSI. Emphasis is placed on wide-bandgap devices (SiC, GaN), soft-switching methods, and compact high-frequency designs aimed at reducing losses and improving performance in constrained environments.
- Energy Storage Systems Enabled by Power Converters: These works explore converter interfaces for BESSs, supercapacitors, hydrogen-based systems, and hybrid storage configurations. Topics include bidirectional energy control, SoC/SoH estimation, second-life battery use, V2G schemes, and off-grid setups. Control strategies are analyzed in terms of operational flexibility, coordination, and reliability.
- Grid Integration and Stability Through Power Conversion: This category covers grid-connected and islanded operation modes, with a focus on voltage and frequency control, harmonic suppression, and ancillary services like inertia emulation and black start. Grid-forming and grid-following modes are discussed alongside synchronization techniques such as PLLs and adaptive control schemes.
- Advanced Control Strategies for Power Converter Performance: Studies include classical methods as well as adaptive, predictive, and AI-based approaches. Control techniques such as MPC, fuzzy logic, and reinforcement learning are analyzed for their real-time response capabilities. Validation platforms, including digital twins and hardware-in-the-loop (HIL) setups, are reviewed for their role in controller testing and refinement.
- Renewable Energy Integration Enabled by Power Converters: This group addresses the interface between converters and variable RESs like solar PV and wind, including MPPT techniques, fault ride-through mechanisms, and inverter design for grid compatibility. Hybrid renewable systems are examined for their coordination schemes, and several case studies illustrate practical deployments in centralized and decentralized contexts.
Together, these categories reflect the main technical directions in converter-supported storage and renewable integration. The following section builds on this foundation to examine technical trends and areas requiring further exploration.
Figure 5 displays the country-level distribution of institutional affiliations linked to the 71 studies reviewed. While the dataset reveals a wide geographic spread, certain patterns emerge in terms of frequency and thematic alignment. China stands out with 18 studies, followed by Brazil (9), Australia and Denmark (7 each), and a range of other countries including France, Malaysia, India, the United States, the United Kingdom, Italy, Spain, Romania, Canada, Japan, and Pakistan. Among the institutions represented, public universities in China—such as Xi’an Jiaotong University, Southeast University, Tsinghua University, Tianjin University, and Shanghai Jiao Tong University—are frequently associated with research on converter design, real-time control, and synchronization strategies for microgrids with reduced inertia. Their recurring presence reflects a consistent national agenda focused on advanced energy systems. Aalborg University in Denmark contributes to studies on decentralized energy coordination and harmonic compensation in DC-based microgrids, often exploring adaptive control under high renewable input. This line of work aligns with Denmark’s academic efforts in distributed energy system planning. In Latin America, the University of Campinas (UNICAMP) in Brazil contributes to a study on power flow management in DC microgrids, emphasizing applied research in power electronics and industrial systems. These three institutions—representing Asia, Europe, and South America—illustrate the variety of perspectives and technical approaches that inform current research in power converter applications for energy storage and microgrid operation.
Figure 5.
Geographical distribution of institutional affiliations among the selected studies (2014–2024).
3. Results and Discussions
3.1. Power Converter Technologies and Topologies
3.1.1. Fundamentals and Evolution of Power Converters in Renewable Energy Systems
The role of power converters in the modern energy landscape has transitioned from auxiliary interface devices to central enablers of advanced energy systems. At the core of distributed generation (DG) and microgrids, power electronic converters serve as the backbone for energy conversion, regulation, and control. They are responsible for interfacing renewable energy sources with loads and the grid, managing voltage and frequency levels, and enabling bidirectional power flow [1,16]. The evolution of power converter design has been tightly coupled with the increasing penetration of renewable energy sources (RESs). As highlighted in [35], the growing complexity of multi-energy systems requires converters to handle dynamic power exchange, seamless source/load balancing, and grid synchronization. These requirements are echoed in [4], where the authors explore advanced converter functionalities such as power flow optimization and energy routing within hybrid DC-AC architectures. In [36], converters are framed as enablers of microgrid self-sufficiency, enabling seamless islanding and reconnection without compromising stability. Similarly, Ref. [24] investigates their contribution to load sharing and fault management in modular grid structures, emphasizing their impact on operational continuity.
The transition from conventional centralized systems to decentralized smart grids has further amplified the demands on converters. In [31], the integration of converters into distributed control architectures is shown to support adaptive system response and real-time decision-making. The capacity of converters to act as nodes in an intelligent energy network is central to their value in next-generation grid infrastructures [13]. Moreover, several studies have stressed their relevance in maintaining power quality under fluctuating generation and load conditions. For example, Ref. [26] evaluates the response of converters to voltage sags and frequency drifts, while Ref. [10] discusses how virtual synchronous machine (VSM) functionalities, implemented via converter control, help mimic inertia and damp system oscillations. Converters also enable system modularity and scalability, which are essential features in today’s heterogeneous energy ecosystems. In [14], modular converter units are employed in photovoltaic systems to improve fault tolerance and ease of maintenance. Likewise, Ref. [37] reports on the deployment of plug-and-play converter configurations in community microgrids, reducing installation time and facilitating system expansion. The adaptability of converters to different operational modes, including on-grid and off-grid scenarios, is examined in [38], where control flexibility is a key attribute. The study in [39] complements this by exploring the role of power converters in renewable-based nanogrids, noting their importance in achieving high reliability and autonomy.
With the proliferation of RESs and energy storage systems, converters must also act as power quality guardians. In [40], converters are shown to filter harmonics and stabilize voltage profiles, especially in weak grid scenarios. Their multi-functional role is further explored in [27], which emphasizes their dual role in both energy regulation and grid service provision. Recent developments in control hardware and embedded systems, as demonstrated in [29], have significantly enhanced the computational capability of converters, enabling real-time execution of complex control algorithms. This is critical for achieving self-healing and reconfiguration in fault scenarios, as explored in [19]. Additionally, studies such as [5,20] explore the interoperability of converters with communication systems, which is vital for demand–response applications and remote system diagnostics. The capacity of converters to act as intelligent, communicative agents reflects a shift towards cyber-physical energy systems. Other works, such as [23,41], have discussed the regulatory frameworks and grid codes that modern converters must comply with, emphasizing the challenge of ensuring compatibility without sacrificing innovation. The review in [42] also considers the economic aspects, comparing centralized and distributed converter deployment in terms of lifecycle cost and operational flexibility. Moreover, advanced converter functionalities, such as black start capability, reactive power support, and voltage ride-through, are explored in [17,22,43], confirming that converters are no longer passive elements but active participants in energy resilience and grid restoration.
3.1.2. Advanced Topologies for High-Efficiency Power Conversion
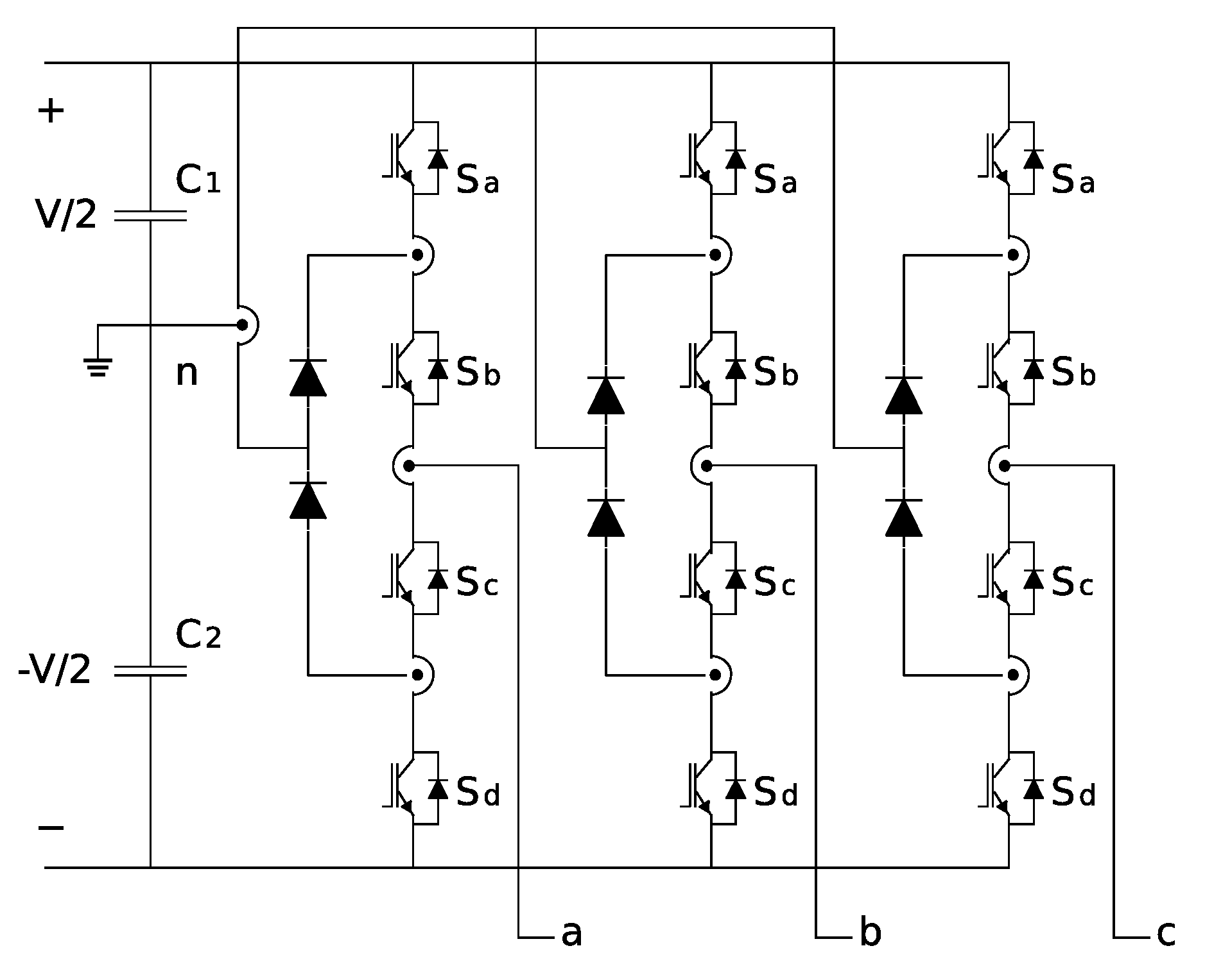
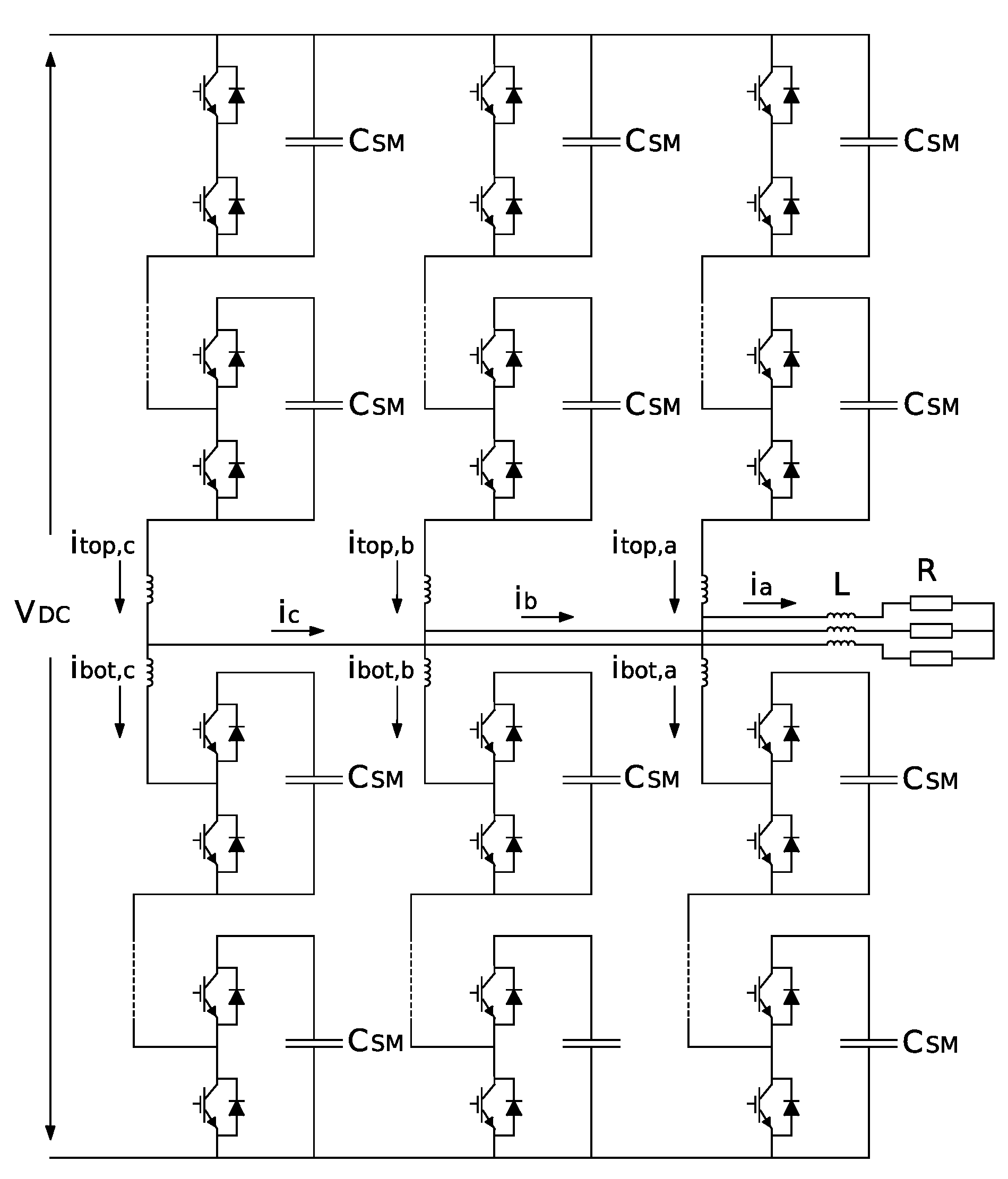
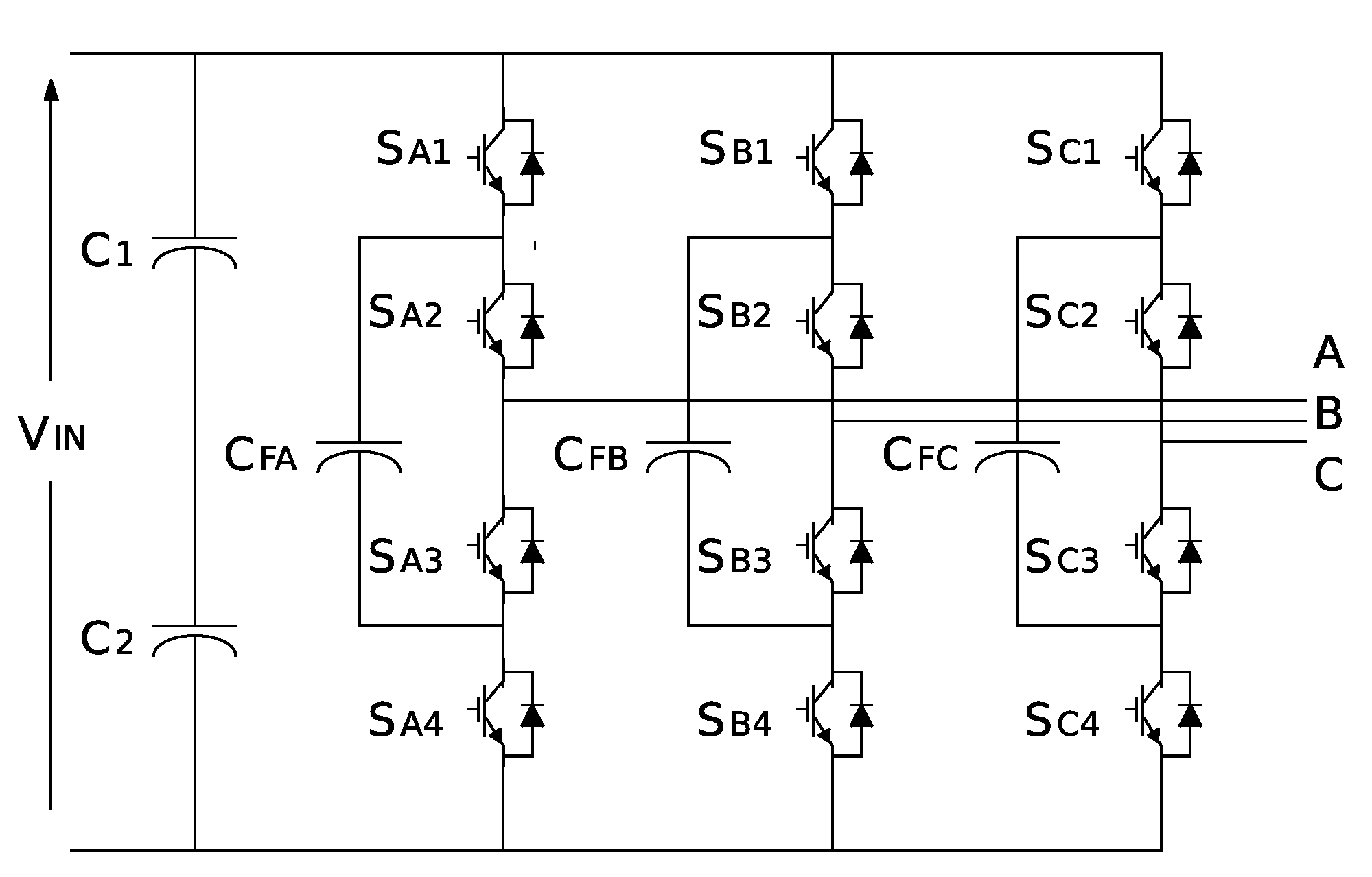
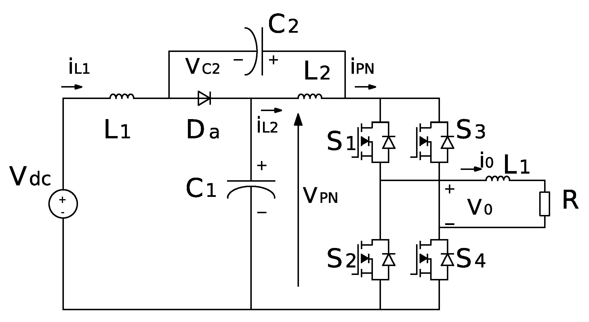
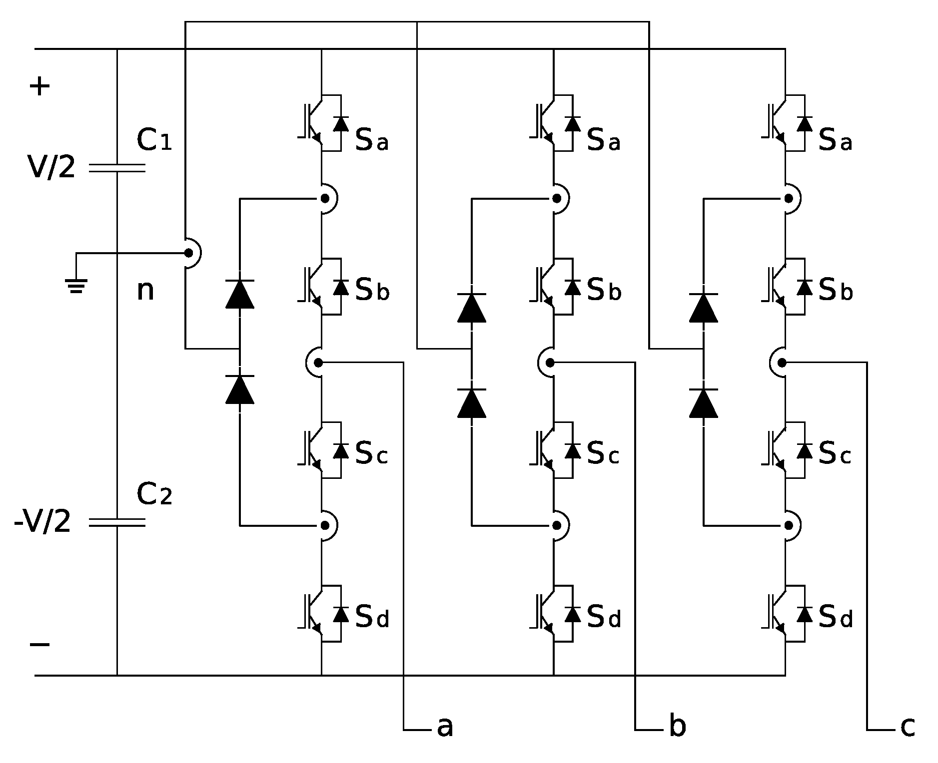
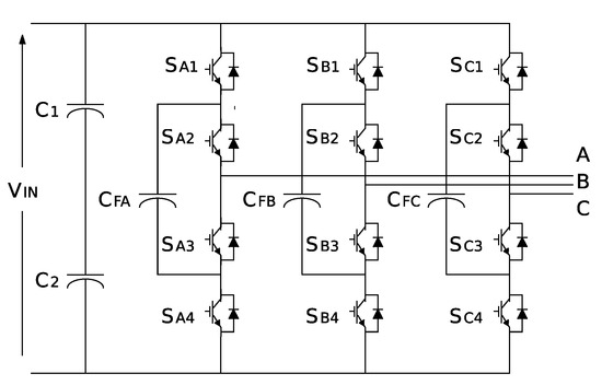
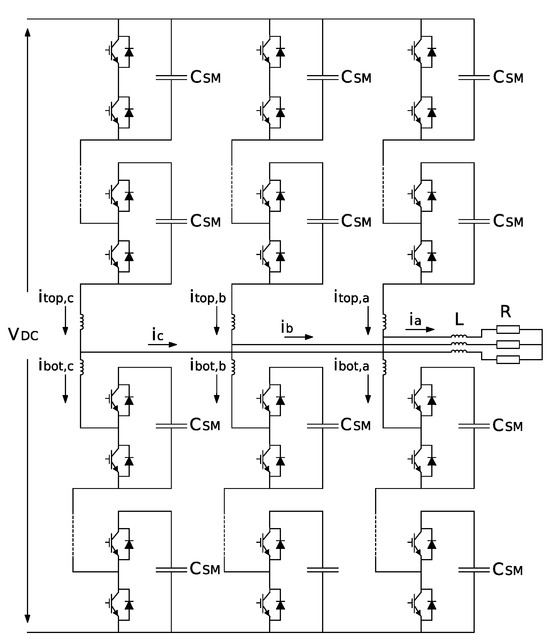
To address the demands of modern energy systems, particularly in terms of efficiency, scalability, and fault resilience, a diverse range of advanced power converter topologies has been developed. Notably, multilevel structures such as the Neutral Point Clamped (NPC, Figure 6), Modular Multilevel Converter (MMC, Figure 7), and Flying Capacitor (FC, Figure 8) configurations have received significant attention due to their improved output quality, reduced voltage stress, and suitability for medium- and high-power applications, as extensively analyzed in [3,39,44]. These topologies enable operation at higher voltages with reduced switching losses and improved harmonic performance. In [29], NPC topologies are applied in solar PV inverters to minimize total harmonic distortion (THD) and improve power quality. Similarly, Ref. [43] demonstrates how MMCs can be scaled for high-power wind energy conversion systems, ensuring modularity and robustness. Bidirectional topologies have also garnered attention, particularly DAB converters, which are highlighted in [8,9,40] for their suitability in DC-DC conversion and energy storage applications. DABs offer inherent galvanic isolation, soft-switching operation, and fast dynamic response, making them ideal for V2G systems and battery management.
Figure 6.
Schematic of a Neutral Point Clamped (NPC) converter illustrating clamping diodes and voltage level division for reduced stress and improved harmonic mitigation.
Figure 7.
Modular Multilevel Converter (MMC) topology is composed of cascaded submodules, providing high scalability, improved harmonic performance, and fault-tolerant operation.
Figure 8.
Flying Capacitor (FC) multilevel converter featuring cascaded capacitors for voltage balancing, offering improved power quality and dynamic performance.
Quasi-Z-Source Inverters (Figure 9) and full Z-Source Inverters (ZSIs) (Figure 10) have emerged as promising alternatives to traditional inverters. Studies like [13,20] present their advantages in shoot-through capability, fault tolerance, and elimination of the need for boost converters, which reduce the number of stages and improve efficiency. Topologies are also evolving toward reconfigurability. In [5], reconfigurable inverter topologies are proposed for hybrid microgrids, enabling seamless switching between operational modes. Meanwhile, Ref. [45] discusses the integration of cascaded H-bridge inverters in multilevel systems, offering modular redundancy and control flexibility. Interleaved converters are explored in [33] for their ripple reduction and thermal balance features, particularly in fast-charging infrastructure. Hybrid structures that combine the benefits of various topologies are covered in [46,47], where fault resilience and cost optimization are balanced. Field-validated prototypes in [48,49] confirm the practical feasibility of these advanced designs, while [50,51] analyze their reliability under grid disturbances. Studies like [18,30] add further insight into component aging and redundancy design in modular structures.
Figure 9.
Quasi-Z-Source Inverter (qZSI) architecture integrates an impedance network for shoot-through capability, enhancing fault tolerance and eliminating separate boost stages.
Figure 10.
Full Z-Source Inverter (ZSI) configuration provides high voltage boosting capability and fault-tolerant operation for renewable energy and storage integration.
To meet the increasing demands for efficiency, scalability, and fault tolerance in modern energy systems, researchers have developed a wide range of advanced converter topologies. Among the most prominent are multilevel topologies, such as the NPC converter, which is particularly effective in medium- and high-voltage applications. As illustrated in Figure 6, the NPC topology employs clamping diodes to divide the DC bus voltage, allowing each power switch to operate at a fraction of the total voltage. This configuration reduces voltage stress across components, lowers switching losses, and enhances harmonic performance, as demonstrated in [29], for solar PV inverters to minimize THD and improve overall power quality.
In high-power applications, such as wind energy conversion systems, the MMC has gained considerable attention due to its inherent scalability and modular design. Figure 7 depicts the MMC structure, composed of cascaded submodules that allow independent control of each module’s capacitor voltage. This design supports fault-tolerant operation and smooth voltage waveforms with reduced harmonic content, as explored in [43] for large-scale wind farms. The modularity of MMCs facilitates easier maintenance and adaptation to varying power levels, making them suitable for grid-scale renewable energy integration.
Another important multilevel architecture is the FC converter, shown in Figure 8. This topology uses a series of capacitors that serve both as energy storage and voltage balancing components, enabling multiple voltage levels at the output. FC converters offer enhanced redundancy and power quality but require complex control strategies to maintain capacitor voltage balance, as discussed in [3,39,44]. Their fast response and ripple reduction capabilities make them suitable for dynamic applications, including hybrid microgrids and renewable energy interfaces.
Beyond multilevel converters, bidirectional topologies such as the DAB have attracted significant research interest for DC-DC conversion and energy storage systems [8,9,40]. DAB converters inherently provide galvanic isolation, soft-switching operation, and rapid dynamic response, making them ideal for V2G systems and advanced battery management architectures.
Alternative inverter configurations have also emerged to address the limitations of conventional designs. The qZSI, depicted in Figure 9, introduces an impedance network that allows shoot-through states without damaging the inverter. This feature enhances fault tolerance and eliminates the need for separate DC-DC boost stages, leading to more compact and efficient designs. Studies such as [13,20] highlight the suitability of qZSIs for renewable energy integration and resilient microgrid applications.
The Full ZSI further extends these advantages, as shown in Figure 10. This topology provides improved voltage-boosting capability and enhanced immunity to short-circuit faults. It allows direct integration with renewable sources and energy storage systems, offering a simplified architecture with fewer conversion stages. These characteristics make ZSI a strong candidate for applications requiring high reliability and efficiency under fluctuating power conditions [13,20].
Recent research also explores reconfigurable inverter topologies for hybrid microgrids [5], enabling seamless switching between operational modes. Cascaded H-bridge inverters, discussed in [45], provide modular redundancy and flexible control for multilevel systems, while interleaved converters [33] reduce current ripple and improve thermal balance, which is particularly valuable for fast-charging infrastructure. Hybrid structures, combining the benefits of various topologies [46,47], seek to optimize the trade-offs between fault resilience and cost efficiency. Field-validated prototypes [48,49] confirm the practicality of these designs, and reliability assessments under grid disturbances [50,51] further validate their robustness. Studies such as [18,30] offer additional insights into component aging and redundancy strategies in modular converter architectures.
To provide a clearer comparison among the converter topologies discussed, Table 2 summarizes key features including efficiency, relative cost, bidirectional capability, scalability, and application context. This comparative overview aims to support a better understanding of their suitability for various energy storage and integration scenarios.
Table 2.
Comparative summary of converter topologies for energy storage applications.
3.1.3. Technological Enablers: Wide-Bandgap Devices and Soft-Switching Techniques
Recent advances in semiconductor materials and switching techniques have dramatically transformed converter performance. The use of wide-bandgap semiconductors such as Silicon Carbide (SiC) and Gallium Nitride (GaN) allows for higher switching frequencies, lower conduction losses, and better thermal performance compared to traditional silicon-based devices. This trend is exemplified in [1], where SiC-based converters demonstrate improved efficiency and power density in DC microgrid applications. In [19], GaN transistors are used in high-frequency inverters to reduce volume and weight, particularly for aerospace and portable applications. The benefits of these materials are further confirmed in [21], which presents a comparative analysis of Si, SiC, and GaN converters under the same load conditions. Studies such as [11,52] investigate the thermal behavior of WBG devices, demonstrating that their higher breakdown voltages and thermal conductivity enable reliable operation under harsh environmental conditions. This is especially relevant in PV systems located in tropical or desert climates.
Soft-switching strategies have also played a vital role in enhancing efficiency and extending the converter lifespan. In [53], Zero-Voltage Switching (ZVS) is implemented in DAB converters, achieving low EMI and smooth transitions across variable loads. Similarly, Ref. [12] applies Zero-Current Switching (ZCS) in high-frequency DC-DC converters for battery applications. These methods are often combined with advanced magnetics, as described in [54,55], where planar magnetic designs and high-saturation materials reduce core losses and increase switching frequency capabilities. High-frequency transformers and resonant switching circuits are explored in [56,57], highlighting their role in reducing system size and enhancing dynamic performance. Practical implementations in [28,32,58] demonstrate the effectiveness of these strategies in commercial converter prototypes. In this sense, lifecycle and economic analyses in [25,59] confirm that WBG-based and soft-switching-enabled converters offer technical superiority and contribute to reduced maintenance costs and extended service life, making them suitable for remote or mission-critical applications.
3.2. Energy Storage Systems Enabled by Power Converters
3.2.1. Converter-Based Integration of Diverse Storage Technologies
The integration of diverse energy storage technologies into modern power systems relies fundamentally on power converters, which act as adaptive interfaces between storage units and the grid or loads. BESSs, supercapacitors, hydrogen-based systems, and hybrid configurations all require tailored converter designs to function efficiently within dynamic microgrid architectures. In [1], converters are implemented in DC microgrids to facilitate seamless coordination between PV generation and BESS units. The topology ensures fast response and accurate voltage regulation under varying load conditions. Similarly, Ref. [7] presents a control scheme for plug-in storage integration, demonstrating the flexibility of converters in modular storage architectures. Hybrid energy storage systems (HESSs), which combine batteries with fast-response devices such as supercapacitors, are explored in [8,16]. These configurations require multi-input converters that can manage energy flow prioritization and real-time coordination between different storage elements. In [36], the authors implement a power electronic interface that manages a hybrid system combining lithium-ion batteries and hydrogen storage, improving long-term sustainability. In [9], converters are designed to manage second-life batteries, where the aging profiles vary significantly between modules. The converter adapts charging strategies to ensure balanced power sharing and maximize residual capacity utilization. Moreover, Ref. [26] presents a converter that supports ultra-capacitor integration into vehicular and grid applications, offering fast charge/discharge capabilities for high-power demands.
For hydrogen storage systems, Refs. [14,38] discusses converter roles in interfacing electrolyzers and fuel cells with microgrids, handling dynamic load changes, and ensuring voltage stability. These applications are sensitive to both current ripple and power conversion efficiency, which are addressed through specialized converter topologies. The flexibility of converters is also evident in remote and off-grid systems. The study in [27] details a converter-based storage interface for rural electrification using a combination of batteries and micro-hydro generation. The system prioritizes autonomous operation and minimal maintenance through robust and simplified converter designs. Additionally, Ref. [5] explores a system in which a single converter interfaces multiple storage elements and provides both grid support and black start capability. The importance of converter modularity and fault resilience is emphasized in [41], where distributed storage units are connected via interleaved converter structures. This ensures continued operation under partial failures and supports hot-swapping of storage modules. Work in [17] further supports the role of multilevel converter topologies in improving efficiency and reducing stress across storage-integrated systems. On the other hand, Refs. [30,33] highlights the scalability of converter-based storage systems, showing their adaptability from residential to utility-scale implementations. Figure 11 summarizes the Converter-Based Integration of Energy Storage Technologies, highlighting the key roles of advanced converter topologies in enabling efficient, flexible, and reliable interaction between diverse storage systems and renewable energy sources.
Figure 11.
Converter-based integration of energy storage technologies.
3.2.2. Converter-Controlled Charging, Discharging, and System Optimization
The effectiveness of energy storage systems heavily depends on how converters manage charging and discharging operations, ensuring both optimal energy utilization and extended system life. Converters must regulate current and voltage precisely to avoid thermal degradation and capacity loss. In [15], a dual-stage bidirectional converter is designed to handle high-efficiency charging and discharging across varying current profiles. Its adaptive modulation reduces losses under partial load conditions. The estimation of State of Charge (SoC) and State of Health (SoH) is addressed in [3], which integrates real-time sensor data into converter control loops to dynamically adjust charging rates and balance cell temperatures. The study in [60] introduces a predictive control framework embedded within the converter logic to preemptively adjust energy dispatch based on forecasted demand. This is echoed in [35], where machine learning is used within converter firmware to recognize usage patterns and extend battery lifespan.
Converters can also perform self-balancing between cells and modules. In [24], a matrix converter topology with individual cell-level control is proposed to achieve voltage equalization without the need for external balancing circuits. Similarly, Ref. [13] discusses active balancing via DC-DC converters integrated with SoC monitoring, allowing underused cells to contribute more actively during peak demand. In [10], multi-layered control hierarchies are deployed within converter architectures to manage storage at different scales—from cell level to pack level and system level—enhancing global optimization. Ref. [37] applies fuzzy logic to adapt converter responses during abnormal conditions such as over-temperature or deep discharge, thereby protecting the system. Work in [39] proposes a modular converter with built-in SoH tracking that can isolate degraded modules during operation. This extends the lifespan of the remaining system while ensuring power continuity. The authors in [19,20] present examples of high-efficiency partial power processing converters, where only the required portion of the energy is processed, reducing overall losses in charging cycles. Furthermore, Refs. [22,42] explore converter-enhanced scheduling algorithms that coordinate multiple storage units based on efficiency, age, and availability. This type of coordinated control is critical in large installations with heterogeneous storage technologies.
3.2.3. Emerging Applications: V2G Interfaces and Off-Grid Storage Solutions
As electric mobility and decentralized systems proliferate, converters are increasingly applied in emerging energy storage configurations [61]. One of the most significant is V2G, in which EV batteries interact with the grid via bidirectional converters. In [2], a bidirectional converter enables V2G participation through synchronized control with grid frequency variations. This allows parked EVs to contribute reactive power and frequency support. A similar application is discussed in [4], where the converter also provides battery protection by managing charge cycles based on vehicle usage patterns. The use of second-life batteries—recovered from EVs—is addressed in [31,46], where converters are adapted to handle degraded cell behavior. Intelligent switching and adaptive SoC tracking ensure safe operation while extracting maximum usable capacity. These converters are designed to detect weak cells and reroute power, maintaining performance over time. Isolated microgrid and off-grid systems are also expanding, particularly in developing regions. In [43], a converter is used to control a standalone battery bank in a remote hybrid microgrid composed of wind and solar generation. The converter ensures energy autonomy during extended outages or low generation periods.
Converter-supported off-grid solutions are also applied in disaster response scenarios. In [21], portable energy units equipped with battery storage and modular converters are deployed for emergency power, with rapid setup and automatic grid-forming capability. The study in [62] presents a marine-based off-grid converter for shipboard power management using hybrid storage. Then, Refs. [53,63] explore how converters enable peer-to-peer energy sharing within isolated microgrids. Storage units can be dispatched among users through converter-mediated negotiations, forming the basis for decentralized energy markets.
3.3. Grid Integration and Stability Through Power Conversion
3.3.1. Converter Roles in Grid-Connected and Islanded Microgrid Operations
Power converters play a decisive role in maintaining stability and power quality in both grid-connected and islanded microgrids. Their ability to regulate frequency, control voltage, and manage power flows makes them indispensable in systems with high penetration of renewable energy. In [1], converters are integrated into a DC microgrid to ensure stable voltage levels and fast dynamic response under varying generation conditions. Similarly, Ref. [2] explores the stabilization role of converters in islanded microgrids, where their fast control dynamics compensate for the absence of traditional inertia. A detailed strategy for islanded operation is presented in [3], emphasizing how converters enforce voltage and frequency references in isolated networks. Converters in hybrid AC/DC microgrids are discussed in [16], where they regulate interlinking power exchange and coordinate source-side voltage stabilization. The same challenge is addressed in [8], focusing on converter interactions with weak grids and variable load profiles. In [36], the use of converters in a multi-agent control structure is analyzed, enabling decentralized decision-making to enhance system resilience. Moreover, Ref. [24] applies adaptive control strategies to converters operating under fault conditions, ensuring voltage quality even in the presence of partial failures.
The ability of converters to ensure seamless transitions between grid-connected and islanded modes is central to [9,13]. These works present converters that detect faults and autonomously switch operational modes while maintaining stable output. In grid-connected contexts, converters are tasked with maintaining power factor, minimizing harmonic distortion, and ensuring compatibility with grid codes. The study in [10] explores how converters maintain power quality during grid disturbances, while Ref. [37] analyzes their contribution to dynamic voltage control during low-voltage events. In [39], real-time coordinated control is applied to converters in a clustered microgrid, enabling energy exchange and voltage regulation through peer-to-peer control. Similarly, Ref. [29] implements a droop-controlled converter architecture in islanded mode, maintaining load sharing without centralized supervision. Converters are also increasingly deployed in mission-critical applications. In [5], their use in hospital microgrids ensures uninterrupted power through fast switching and redundant topologies. In [41], the converter is integrated into industrial systems with high sensitivity to frequency and voltage deviations, demonstrating excellent disturbance rejection. In this context, Refs. [30,33,45] offer case studies where converters act as central regulators of power quality and energy routing in urban smart microgrids, showing consistent performance across varied topologies and load dynamics.
3.3.2. Synchronization Strategies and Inverter Control Modes
Synchronization is a core requirement in grid-tied converter operation, especially under unbalanced or distorted grid conditions. Various strategies have been developed to ensure reliable synchronization and improve the dynamic response of inverters. In [7], the authors develop a phase-locked loop (PLL)-based strategy for converter synchronization, enabling rapid detection of frequency shifts and phase misalignments. Similarly, Ref. [7] investigates advanced PLL algorithms that improve tracking accuracy under harmonic distortion and voltage sags. The distinction between grid-following and grid-forming modes is critical. In [60], grid-following inverters are deployed in distributed PV systems to maintain synchronization under weak grid conditions. Conversely, Ref. [35] explores grid-forming inverters that act as virtual voltage sources, defining system references in islanded networks. A hybrid mode of operation is described in [4], where the converter dynamically switches between following and forming modes based on grid status. This flexibility is vital for microgrids with frequent islanding events. In [31], inverter synchronization with the main grid is achieved using adaptive control, enabling robust performance even with fluctuating system impedance. The study in [26] proposes a predictive synchronization strategy that anticipates grid events and pre-adjusts inverter parameters accordingly.
A multi-agent control synchronization scheme is presented in [14], where each converter maintains its own reference but aligns with others via communication. This distributed approach enhances scalability and fault tolerance. In [38], neural networks are used within the inverter’s control layer to improve phase detection and reduce latency. In practical implementations, synchronization methods must also consider control hardware limitations. In [27], low-cost DSP-based converters achieve stable operation through simplified PLLs, while [19] evaluates the impact of computational delay on synchronization accuracy. The studies in [23,42] demonstrate that synchronization quality directly affects inverter contributions to grid support functions, including frequency regulation and reactive power control. Similarly, Refs. [21,22,62] show experimental results validating synchronization algorithms in real-world conditions, confirming their robustness in both utility-scale and residential microgrids.
3.3.3. Ancillary Services and Resilience Capabilities of Power Converters
Modern power converters are no longer passive interfaces but active contributors of ancillary services essential to power system stability. These include reactive power support, inertia emulation, harmonic mitigation, and black start capability. In [44], converters are configured to provide reactive power on demand, stabilizing grid voltage during load transitions. This is further expanded in [14], where a coordinated fleet of converters supplies reactive power based on location and system requirements. Inertia emulation is a growing trend in converter design. The study in [40] implements virtual synchronous generator behavior in grid-tied inverters, allowing them to contribute synthetic inertia to frequency stability. Similarly, Ref. [20] uses control loops to mimic inertial response, improving damping during frequency transients.
Black start capability is another vital service in isolated or backup systems. In [46], converters initiate power supply after total grid failure by bootstrapping voltage references and enabling sequential source activation. A similar implementation is found in [43], focused on disaster recovery microgrids. Converters also mitigate harmonics caused by nonlinear loads or switching events. In [17], active filtering techniques within the converter reduce total harmonic distortion to meet IEEE standards. The study in [11] applies selective harmonic compensation using real-time control, achieving near-sinusoidal waveforms under complex load profiles. In [63], converters are deployed with fault ride-through capabilities, maintaining operation during voltage dips and short interruptions. This resilience is essential in renewable-dominant grids with limited inertia. Converters further enhance system robustness through self-healing and reconfiguration features. In [53], a modular converter array detects faults and reroutes power flows autonomously. The study in [45] applies AI-based diagnostics to preemptively identify degradation and initiate correction routines. The case studies in [47,52,64] validate these ancillary service capabilities in solar, wind, and hybrid microgrids, confirming their practical relevance and scalability. Figure 12 provides a systematic overview of the findings related to Power Converters for Grid Integration and Stability, emphasizing their roles in voltage and frequency regulation, harmonic mitigation, inertia emulation, and the provision of ancillary services under high renewable penetration scenarios.
Figure 12.
Power Converters for Grid Integration and Stability.
3.4. Advanced Control Strategies for Optimizing Power Converter Performance
3.4.1. Classical and Model-Based Control Techniques
Traditional control approaches such as PI and PR controllers have long served as the foundation for power converter regulation, particularly in applications requiring fast and robust dynamic responses. In [7], a classical PI-based strategy is adapted for plug-in storage systems in microgrids, emphasizing its simplicity and effective transient behavior. Meanwhile, Ref. [2] applies PR control in a DC microgrid context to improve voltage tracking and minimize steady-state errors during rapid load changes. As systems grow in complexity, model-based techniques offer greater precision and predictive capability. In [35], MPC is implemented in isolated systems to anticipate system dynamics and optimize control actions in real time, reducing energy losses and overshoot. The study in [31] also applies MPC to manage converter performance under variable renewable inputs, demonstrating improvements in both stability and efficiency. In [9], a state-space model is used to derive a linear quadratic regulator (LQR) for converter control in a wind-integrated microgrid, showing enhanced disturbance rejection. Similarly, Ref. [13] proposes a sliding mode controller adapted to nonlinear load profiles, ensuring system robustness in the presence of parametric uncertainties.
Hybrid approaches, combining traditional and model-based elements, are discussed in [26], where adaptive PI control is tuned online using system identification routines. This improves the response under fluctuating conditions without requiring full real-time optimization, balancing computational demand with performance. The need for real-time response is also addressed in [14], where observers and feedforward compensation are integrated with PI controllers to mitigate measurement delays. In addition, Ref. [38] presents a predictive resonant controller that combines the tracking advantages of PR control with the forecasting capabilities of MPC, optimizing converter operation under harmonic-rich conditions.
3.4.2. Intelligent Control: AI, Fuzzy Logic, and Reinforcement Learning
The application of intelligent control methods has gained momentum due to their adaptive capabilities and robustness in complex environments. In [40], a fuzzy logic controller is implemented in a grid-forming converter, enabling adaptive voltage regulation without precise mathematical modeling. This approach proves effective under varying load conditions and partial knowledge of system parameters. Artificial intelligence techniques, particularly neural networks, are explored in [27], where a feedforward neural controller is trained to predict and correct voltage deviations in real time. This model-free strategy provides high accuracy with low computational overhead once trained. Reinforcement learning is applied in [19], where an agent-based controller learns optimal dispatch policies through interaction with the converter environment. The strategy adapts to system changes over time, improving efficiency without requiring predefined models. In [5], deep Q-learning is used to control switching sequences in multilevel inverters, optimizing waveform quality and reducing switching losses.
A hybrid AI-fuzzy system is proposed in [23], where rule-based logic is enhanced with data-driven learning to adapt converter behavior in uncertain grid conditions. This combination outperforms conventional fuzzy controllers in terms of response speed and resilience to noise. In [41], an expert system integrates historical performance data and real-time diagnostics to tune converter parameters during operation. This allows converters to self-optimize under multiple objectives, including thermal limits, energy efficiency, and service continuity. These approaches often require significant training and validation. The study in [46] provides a structured methodology for training neural networks offline and validating them in digital twin environments before deployment. Meanwhile, Ref. [17] explores online learning, where the controller continuously updates its policy based on observed performance, making it suitable for evolving grid conditions.
3.4.3. Digital Twins and Hardware-in-the-Loop for Real-Time Validation
Validation of converter control strategies in real-world conditions is increasingly carried out using digital twin (DT) frameworks and HIL platforms. In [22], a DT is developed for a three-level inverter system, enabling real-time prediction of thermal behavior and aging under different control strategies. The digital replica helps optimize control logic without risking physical components. The study in [43] integrates a DT with a supervisory control system, allowing for predictive maintenance and fault forecasting in hybrid microgrids. The model mirrors both electrical and environmental dynamics, providing a powerful tool for stress-testing advanced control strategies under realistic scenarios. HIL simulation is emphasized in [21], where converter firmware is tested against virtual grid conditions, including faults, voltage sags, and frequency variations. The platform allows the safe evaluation of novel control schemes before field deployment. In [33], HIL testing is applied to validate AI-based controllers, ensuring stability and safety prior to grid integration.
A multilevel HIL framework is presented in [11], combining real-time converter emulation with communication interfaces for coordinated control. This is particularly useful in multi-agent systems, where latency, synchronization, and decision hierarchies affect performance. Further extending DT applications, Ref. [63] introduces a self-adaptive twin that continuously updates its parameters using real-time sensor data. This allows the controller to remain synchronized with physical deviations due to aging, environmental changes, or unmodeled dynamics. Moreover, Ref. [48] reports on field experiments where HIL-based validation was useful in certifying a converter control strategy for grid code compliance, demonstrating the importance of these tools in bridging the gap between theoretical design and practical deployment. Figure 13 outlines Validation Tools for Converter Control Strategies, illustrating the application of digital twins, HIL platforms, and advanced simulation environments to ensure robust performance and reliable control under dynamic grid conditions.
Figure 13.
Validation Tools for Converter Control Strategies.
3.5. Renewable Energy Integration Enabled by Power Converters
3.5.1. Converter Applications in Solar and Wind Energy Systems
The deployment of power converters in solar and wind systems enables the electrical adaptation of renewable energy to grid standards and advanced functionalities such as grid support, protection, and optimization. In [1], the role of DC-DC and DC-AC converters is highlighted in microgrids based on PV systems, ensuring stable voltage under variable irradiance. Similarly, Ref. [7] presents a converter-integrated control strategy for PV arrays that allows plug-in modular operation with rapid response. Wind energy systems also benefit significantly from power electronics. In [2], back-to-back converters are used to decouple the wind generator from the grid, providing frequency control and reactive power support. The authors in [7] deal with harmonic issues in converter-based systems, proposing strategies for improving waveform quality in both PV and wind applications. Converter-enhanced maximum power point tracking techniques are explored in [3,16], improving energy capture under partial shading and variable wind speeds. In [60], a hybrid topology is implemented in a wind–solar system with converters optimizing both energy paths in real time.
Similarly, Ref. [44] focuses on multilevel inverters in PV systems, which reduce THD and improve voltage control. In [8], a bidirectional converter is applied to a wind–PV integrated battery system, allowing flexible energy routing and improved peak shaving. The authors in [35] investigate frequency control using power converters with advanced droop algorithms, ensuring grid stability under fluctuating generation. The integration of these systems in isolated grids is demonstrated in [4], where converter-based control compensates for intermittent wind and solar availability. In [36], converters play a critical role in adapting diverse renewable sources to centralized bus voltages, especially in HRES configurations. In [24], the authors apply dual-stage topologies to facilitate independent optimization of renewable generation and energy dispatch. Advanced modulation techniques in converters, as detailed in [31], improve the efficiency of energy conversion under varying environmental and load conditions.
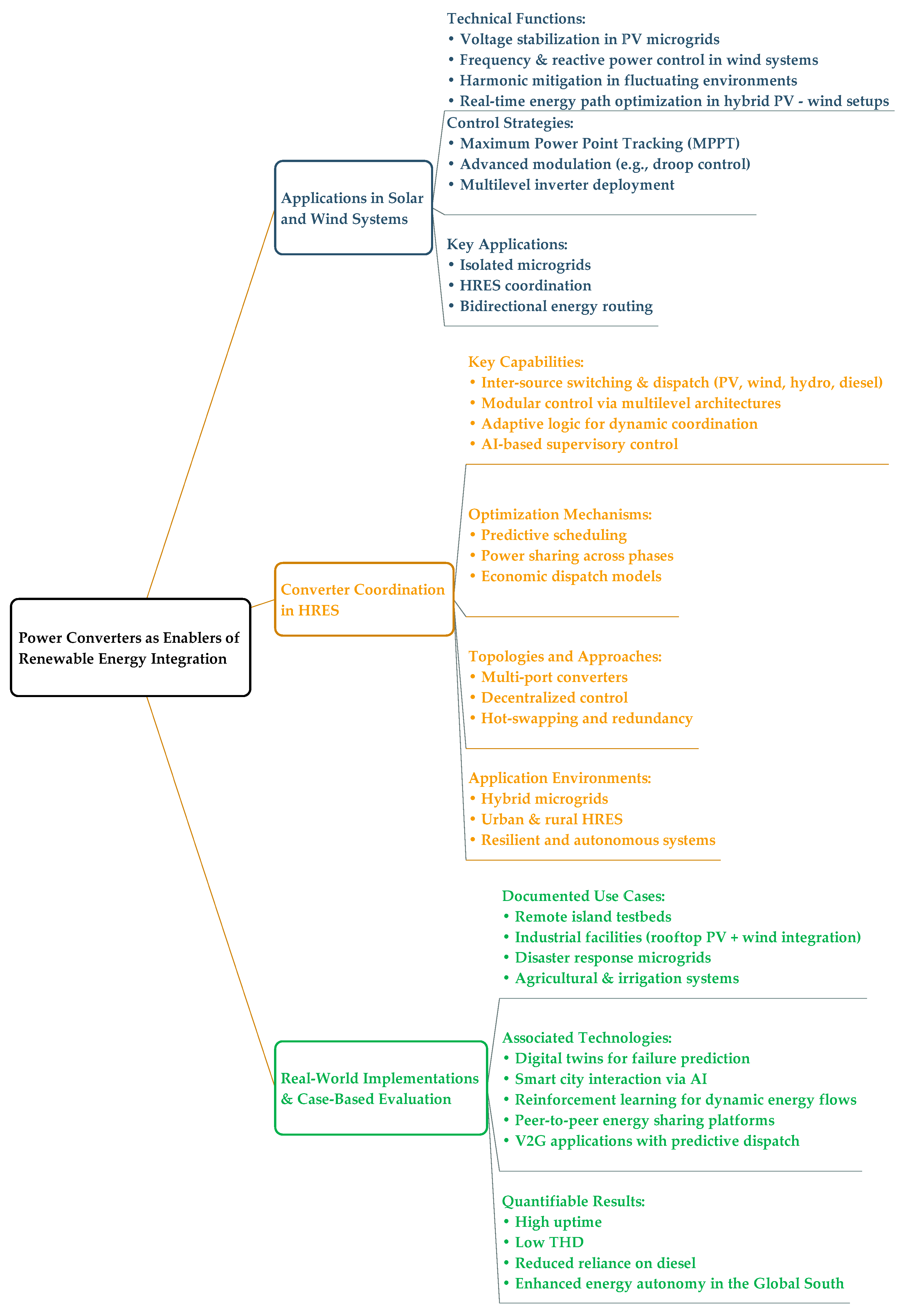
3.5.2. Hybrid Renewable Energy Systems and Converter Coordination
HRESs require converter coordination across multiple levels—generation, storage, and load—to enable effective and intelligent power management. In [31], a supervisory controller coordinates converters interfacing wind, solar, and hydro sources, ensuring prioritized dispatch and dynamic load sharing. The authors in [13] describe converter-based logic for hybrid source switching and backup generation activation, avoiding system interruptions. In [26], a Modular Multilevel Converter enables fine-grained control over distributed renewable inputs, while [10] applies adaptive fuzzy logic within converters for real-time source coordination. In [14], power converters are central to the management of multiple input sources, using an AI-based supervisory layer to optimize operation. An economic dispatch model driven by converter coordination is detailed in [37], optimizing cost and fuel use in HRESs with diesel backup. Converter-based integration of renewables and storage is covered in [38], where predictive control is implemented to anticipate renewable availability and adjust converter behavior. The authors in [39] introduce a power-sharing mechanism between solar and wind generators using interleaved converters to balance power across phases. Similarly, Ref. [40] shows that integrating predictive weather data into converter control enhances generation scheduling and reliability.
The studies in [27,29] highlight the use of modular converter systems to enable hot-swapping and scalability in hybrid microgrids, while [19] explores the resilience of converter systems to component degradation and failures through reconfiguration and redundancy. In [5], multi-port converters allow seamless management of PV, wind, and battery sources using single integrated units. Decentralized control for converter coordination is discussed in [20,23], enabling each converter to make local decisions while maintaining global system objectives through distributed optimization. In [41], a robust consensus algorithm is used for communication between converters, improving fault tolerance.
3.5.3. Real-World Implementations and Case-Based Evaluations
Field deployments and case studies validate the impact of converters in enabling renewable energy integration across diverse geographies and application scales. In [42], a rural electrification project uses converter-based PV microgrids to supply critical loads with 24/7 reliability. The study in [46] presents an industrial facility equipped with multilevel converters to integrate rooftop solar and wind power, achieving power quality compliance and operational savings. In [17], a remote island testbed implements a converter-driven control platform to balance wind, PV, and storage, reducing reliance on diesel fuel. Refs. [22,43] document residential HRESs with smart inverters that track load behavior and renewable profiles to maximize self-consumption. In [30], AI-enhanced converters support smart agricultural irrigation, synchronizing pump schedules with solar availability. Similarly, Ref. [21] presents a hybrid PV–diesel–converter setup in disaster response microgrids, where converters allow seamless mode switching and black start operation.
Microgrid implementations in high-altitude and marine environments are covered in [33,62], with converters adapting to rapid environmental changes such as temperature shifts and salinity exposure. In [11], converter-driven frequency restoration services are integrated into a regional microgrid, enhancing grid support under high renewable penetration. In [53,63], field-deployable containerized converter systems are used in humanitarian missions, bringing energy to off-grid clinics and shelters. Modular converters used in education and research are outlined in [48], where scalable platforms replicate real-world HRES behaviors. Long-term monitoring in [47] reveals that converter failures can be preempted through digital twin forecasting, while [52] confirms that robust converter control extends the lifespan of aging PV modules. Field tests in [18,64] demonstrate that synchronized converter operation supports both voltage regulation and anti-islanding protection. In [57], AI-enabled converters in a smart city microgrid interact with building management systems, adjusting power delivery based on real-time occupancy data. The case studies in [32,49] examine grid-connected and standalone converter configurations in mountainous and equatorial regions, respectively, noting minimal maintenance and high efficiency. The work in [50] applies fault-tolerant converters to a university microgrid, maintaining power continuity during grid outages. The authors in [12] describe a mobile microgrid powered by renewable converter systems for defense logistics. In [28], a commercial HRES implements reinforcement learning within converters to continuously optimize energy flows. The long-term stability and low THD performance of grid-tied PV systems with advanced converters are evaluated in [51], while [6] reports on a PV–wind hybrid site where converter-based harmonic suppression improves power factor. In [54], second-life EV batteries are used in a community solar farm, with converters managing safety and performance issues.
In [65], a weather-adaptive control system linked to converters allows dynamic reconfiguration of PV arrays. The studies in [56,66] show how data-driven converter control improves dispatch forecasting and fault detection. Converters supporting V2G interactions and peer-to-peer energy sharing are explored in [67,68]. In [55], a commercial pilot uses AI-predictive converter dispatch in a solar-plus-storage system to reduce energy bills. The studies in [69,70] examine microgrids in the Global South where low-cost converters enhance energy access and community resilience. The studies in [25,71,72] offer quantitative performance metrics from extended deployments, confirming high uptime, low maintenance, and excellent integration of multi-source renewable generation. Table 3 presents a structured summary of the main research themes identified in this systematic review, including representative references, core contributions, and current challenges that open avenues for future investigations. Figure 14 classifies Power Converters for Renewable Energy Integration, organizing them according to their suitability for solar PV, wind, and hybrid renewable systems, and highlighting their key features in terms of efficiency, grid compliance, and fault-tolerant operation.
Table 3.
Summary of key research themes, representative references, and research gaps.
Figure 14.
Power Converters for Renewable Energy Integration.
4. Discussion
The systematic synthesis of recent contributions in power converter technologies applied to integrated energy storage systems reveals a dynamic and rapidly evolving research landscape characterized by innovation across topologies, control strategies, and application contexts. However, this progression is far from uniform. While several subdomains have achieved significant technological maturity, others remain fragmented or underdeveloped, highlighting persistent challenges in system integration, scalability, and operational robustness.
One of the most salient observations concerns the multifunctional role of converters in modern energy infrastructures. Originally conceived as auxiliary power interfaces, converters now operate as core intelligence nodes within distributed architectures, managing not only energy conversion but also regulation, synchronization, diagnostics, and protection. The literature reveals this transformation by emphasizing converter contributions to self-healing networks, cyber-physical energy systems, and mission-critical microgrids. However, this expansion in functionality often comes at the cost of increased control complexity and the need for more powerful embedded systems—raising questions about long-term reliability, hardware aging, and cost-effectiveness under real-world constraints.
The proliferation of advanced converter topologies, such as multilevel, bidirectional, and quasi-Z-source configurations, reflects a collective effort to meet the conflicting requirements of efficiency, modularity, and fault tolerance. Studies show clear improvements in harmonic performance, power density, and reconfigurability, particularly through the use of WBG devices and soft-switching techniques. However, the transition from prototype to field deployment remains limited. While experimental validations exist, there is a scarcity of large-scale comparative analyses that assess converter behavior under diverse grid conditions, environmental stressors, or across varying control strategies. Furthermore, thermal management and electromagnetic interference (EMI) in high-frequency converters, though recurrently mentioned, lack consistent modeling frameworks, especially in hybrid AC/DC contexts.
In terms of energy storage integration, converters are rightly positioned as the linchpin of system coordination, particularly in architectures that combine batteries, supercapacitors, and hydrogen-based storage. The reviewed studies demonstrate how converters regulate charging/discharging profiles, enable SoC and SoH estimation, and ensure dynamic energy dispatch. Nonetheless, the literature reveals an imbalance in the depth of exploration among storage technologies. Battery integration, particularly with Li-ion chemistries, dominates the discourse, while the converter requirements for hydrogen storage, second-life batteries, and modular hybrid configurations receive comparatively less attention. This asymmetry poses a risk to holistic system design, especially in off-grid or decentralized applications that demand energy source diversification and control flexibility.
A central theme emerging from the review is the criticality of control strategies in ensuring converter adaptability and resilience. While classical controllers remain prevalent in commercial systems due to their simplicity and real-time responsiveness, more sophisticated approaches—such as MPC, fuzzy logic, and reinforcement learning—are increasingly proposed in academic studies. These strategies show promise in enhancing efficiency, fault tolerance, and predictive decision-making. However, integration barriers remain substantial, especially regarding their computational demands, generalizability across topologies, and robustness in the face of incomplete system models or sensor inaccuracies. Few studies rigorously compare these controllers in standard testbeds or using standardized performance metrics, limiting their transferability to industry.
The emergence of digital twins and HIL platforms introduces a valuable paradigm for real-time validation, yet their adoption is still incipient. Although select works demonstrate the ability of DTs to anticipate thermal stress or system faults, the lack of standardized modeling frameworks, communication protocols, and real-time data integration mechanisms impedes broader deployment. Moreover, existing implementations are often hardware-specific, reducing their applicability in modular or vendor-agnostic microgrids. This gap presents a fertile ground for future research focused on scalable and interoperable DT environments tailored for converter-centric systems.
From a grid integration standpoint, the literature confirms that converter-enabled resilience services—such as virtual inertia, black start, and harmonic compensation—are no longer peripheral add-ons but essential capabilities in high-renewable contexts. However, few studies provide long-term field data validating these functionalities under realistic fault scenarios or within utility-scale deployments. Furthermore, synchronization strategies and inverter control modes remain vulnerable to harmonic distortion, grid impedance variability, and communication delays, particularly in hybrid or weak grid environments. While advances in PLL algorithms and hybrid grid-forming/following operation are notable, the lack of universal control hierarchies and coordination standards undermines seamless multi-converter operation, especially in decentralized settings.
This review also reveals a growing interest in real-world applications, ranging from V2G systems to community microgrids and disaster relief platforms. These cases provide valuable evidence of the practical viability of converter-based architectures. Nevertheless, most implementations rely on customized solutions, often lacking scalability, cyber-resilience, or alignment with international interoperability standards. The limited availability of long-term operational data and cost–benefit analyses further restricts the generalization of these solutions to broader contexts.
In summary, while the field has made remarkable progress in developing high-performance converter technologies for integrated ESS, several structural gaps persist. These include the following:
- Fragmentation in validation methodologies, with limited use of benchmarking platforms or unified performance indicators;
- Underrepresentation of hydrogen and hybrid storage scenarios, both in modeling and control architecture;
- Insufficient exploration of fault-tolerant, modular, and plug-and-play converter designs suitable for rural or rapidly deployable systems;
- Lack of harmonization across control frameworks, which hinders multi-converter coordination and system-level optimization;
- Gaps in long-term field performance data, especially under dynamic load profiles and intermittent RES generation.
5. Conclusions
This systematic literature review examined recent advancements in power converter technologies for integrated energy storage systems, with a specific emphasis on optimizing renewable energy integration and grid-level performance. The review followed the PRISMA 2020 methodology, yielding a final selection of 71 high-quality studies—61 journal articles and 10 conference papers—published between 2014 and 2024. The selected works were analyzed through bibliometric and thematic synthesis and organized into five core research areas: converter topologies and architectures; storage system integration, grid interaction and stability; advanced control strategies; and renewable energy applications. The findings reveal a field in rapid evolution, marked by innovations in multilevel and bidirectional topologies, wide-bandgap device integration (SiC, GaN), and soft-switching techniques that enable high efficiency, modularity, and fault tolerance. Converters have moved beyond basic interfacing roles to become intelligent agents in cyber-physical energy systems, capable of managing synchronization, reactive power, inertia emulation, and dynamic energy dispatch. Control strategies have diversified from conventional PI/PR schemes to include predictive control, fuzzy logic, reinforcement learning, and digital twin-based validation platforms.
Furthermore, real-world applications such as vehicle-to-grid systems, second-life battery integration, off-grid electrification, and disaster-resilient microgrids demonstrate the practical viability of these technologies. Despite these advancements, several research gaps remain: the absence of standardized benchmarking protocols; limited field data on long-term performance under variable conditions; underrepresentation of hydrogen and hybrid storage integration; insufficient exploration of modular, plug-and-play converter designs for off-grid and rural contexts; and a lack of harmonized control architectures for multi-converter coordination. Future research must address these shortcomings through system-level approaches that prioritize scalability, interoperability, real-time validation, and resilience. Specific directions include the development of open benchmarking frameworks, standardization of digital twin architectures, integration of AI-based supervisory control in heterogeneous energy systems, and longitudinal field studies to validate performance and economic viability. Power converters are now central to the decarbonization and decentralization of energy systems, and their continued evolution will be critical to achieving scalable, intelligent, and sustainable infrastructure for high-penetration renewable energy scenarios.
Author Contributions
Conceptualization, E.V.-Á., P.A. and D.O.-C.; data curation, P.A. and D.O.-C.; formal analysis, E.V.-Á., P.A. and D.O.-C.; funding acquisition, P.A.; investigation, E.V.-Á. and P.A.; methodology, E.V.-Á., P.A. and D.O.-C.; project administration, E.V.-Á.; resources, P.A. software, E.V.-Á., P.A. and D.O.-C.; supervision, E.V.-Á.; validation, E.V.-Á., P.A. and D.O.-C.; visualization, E.V.-Á.; writing—original draft, E.V.-Á., P.A. and D.O.-C.; writing—review and editing, P.A. and D.O.-C. All authors have read and agreed to the published version of the manuscript.
Funding
This research received no external funding.
Data Availability Statement
Data will be made available upon request.
Acknowledgments
The author Edisson Villa Ávila expresses his sincere gratitude for the opportunity to partially present the findings of his research, conducted as part of his doctoral studies in the Ph.D. program in Advances in Engineering of Sustainable Materials and Energies at the University of Jaen, Spain. The authors thank the Universidad de Cuenca, Ecuador, for easing access to the facilities of the Microgrid Laboratory and the Physics Laboratory of the Faculty of Engineering, for allowing the use of its equipment, and for authorizing members of its staff the provision of technical support necessary to carry out the experiments described in this article. The authors thank the Dirección de Investigación y Desarrollo (DIDE) of the Universidad Técnica de Ambato, Ecuador, for supporting this work through the research project PFISEI36, “Development of Computational Tools for the Management and Optimization of Smart Microgrids”. Finally, the results of this research document the partial findings of the project titled “Implicaciones energéticas de la transformación urbana en ciudades intermedias: Caso de estudio Cuenca-Ecuador”, winner of the Convocatoria Fondo I + D + i XIX, Project Code IDI No. 007, by Corporación Ecuatoriana para el Desarrollo de la Investigación y la Academia—CEDIA and cofinanced by the Vicerrectorado de Investigación e Innovación of the Universidad de Cuenca, Ecuador.
Conflicts of Interest
The authors declare no conflicts of interest.
Abbreviations
The following abbreviations are used in this manuscript:
| AC | Alternating Current |
| AI | Artificial Intelligence |
| BESS | Battery Energy Storage System |
| CP | Conference Proceedings (Scopus Filter) |
| DC | Direct Current |
| DT | Digital Twin |
| DAB | Dual Active Bridge |
| EV | Electric Vehicle |
| ESS | Energy Storage System |
| FC | Flying Capacitor |
| GaN | Gallium Nitride |
| HESS | Hybrid Energy Storage System |
| HIL | Hardware-in-the-Loop |
| IEEE | Institute of Electrical and Electronics Engineers |
| LD | Linear Dichroism (irrelevant here, possibly a formatting error) |
| Li-ion | Lithium-Ion |
| MDPI | Multidisciplinary Digital Publishing Institute |
| MMC | Modular Multilevel Converter |
| MPC | Model Predictive Control |
| NPC | Neutral Point Clamped (Converter Topology) |
| PLL | Phase-Locked Loop |
| PR | Proportional–Resonant (Controller) |
| PV | Photovoltaic |
| qZSI | Quasi-Z-Source Inverter |
| RESs | Renewable Energy Sources |
| Si | Silicon |
| SiC | Silicon Carbide |
| SoC | State of Charge |
| SoH | State of Health |
| SST | Solid-State Transformer |
| THD | Total Harmonic Distortion |
| V2G | Vehicle-to-Grid |
| VSM | Virtual Synchronous Machine |
| WBG | Wide-Bandgap (Semiconductor Devices) |
| WoS | Web of Science (Database) |
| ZCS | Zero-Current Switching |
| ZSI | Z-Source Inverter |
| ZVS | Zero-Voltage Switching |
References
- Xuan, Y.; Yang, X.; Chen, W.; Liu, T.; Hao, X. A Novel NPC Dual-Active-Bridge Converter with Blocking Capacitor for Energy Storage System. IEEE Trans. Power Electron. 2019, 34, 10635–10649. [Google Scholar] [CrossRef]
- Dos Santos Neto, P.J.; Barros, T.A.S.; Silveira, J.P.C.; Ruppert Filho, E.; Vasquez, J.C.; Guerrero, J.M. Power Management Techniques for Grid-Connected DC Microgrids: A Comparative Evaluation. Appl. Energy 2020, 269, 115057. [Google Scholar] [CrossRef]
- Hou, N.; Ding, L.; Gunawardena, P.; Wang, T.; Zhang, Y.; Li, Y.W. A Partial Power Processing Structure Embedding Renewable Energy Source and Energy Storage Element for Islanded DC Microgrid. IEEE Trans. Power Electron. 2023, 38, 4027–4039. [Google Scholar] [CrossRef]
- Jiang, W.; Huang, L.; Zhang, L.; Zhao, H.; Wang, L.; Chen, W. Control of Active Power Exchange with Auxiliary Power Loop in a Single-Phase Cascaded Multilevel Converter-Based Energy Storage System. IEEE Trans. Power Electron. 2017, 32, 1518–1532. [Google Scholar] [CrossRef]
- Ma, C.-T.; Yao, B.-H. Design and Implementation of an Integrated Control Scheme for GaN-Based Multiple Power Converters. Micromachines 2023, 14, 833. [Google Scholar] [CrossRef]
- Sarojini, R.K.; Kaliannan, P.; Teekaraman, Y.; Nikolovski, S.; Baghaee, H.R. An Enhanced Emulated Inertia Control for Grid-Connected PV Systems with HESS in a Weak Grid. Energies 2021, 14, 1721. [Google Scholar] [CrossRef]
- Saleem, S.; Ahmad, I.; Ahmed, S.H.; Rehman, A. Artificial Intelligence-Based Robust Nonlinear Controllers Optimized by Improved Gray Wolf Optimization Algorithm for Plug-In Hybrid Electric Vehicles in Grid-to-Vehicle Applications. J. Energy Storage 2024, 75, 109332. [Google Scholar] [CrossRef]
- Mohseni, S.; Brent, A.C.; Burmester, D. Off-Grid Multi-Carrier Microgrid Design Optimisation: The Case of Rakiura–Stewart Island, Aotearoa–New Zealand. Energies 2021, 14, 6522. [Google Scholar] [CrossRef]
- Kazme, H.Z.; Basumatary, K. Frequency Control Support in Low Inertia Power Grid by Energy Storage Systems: A Techno-Economic Analysis. In Proceedings of the 2022 IEEE International Conference on Power Electronics, Drives and Energy Systems (PEDES), Jaipur, India, 14–17 December 2022; pp. 1–6. [Google Scholar] [CrossRef]
- Mian, S.H.; Nazir, M.S.; Ahmad, I.; Khan, S.A. Optimized Nonlinear Controller for Fuel Cell, Supercapacitor, Battery, Hybrid Photoelectrochemical and Photovoltaic Cells Based Hybrid Electric Vehicles. Energy 2023, 283, 129121. [Google Scholar] [CrossRef]
- Xing, W.; Wang, H.; Lu, L.; Wang, S.; Ouyang, M. An Adaptive Droop Control for Distributed Battery Energy Storage Systems in Microgrids with DAB Converters. Int. J. Electr. Power Energy Syst. 2021, 130, 106944. [Google Scholar] [CrossRef]
- Liu, Y.; Chen, H.; Fang, R. Virtual Inertia Implemented by Quasi-Z-Source Power Converter for Distributed Power System. Energies 2023, 16, 6667. [Google Scholar] [CrossRef]
- Veneri, O.; Capasso, C.; Iannuzzi, D. Experimental Evaluation of DC Charging Architecture for Fully-Electrified Low-Power Two-Wheeler. Appl. Energy 2016, 162, 1428–1438. [Google Scholar] [CrossRef]
- García-Triviño, P.; De Oliveira-Assís, L.; Soares-Ramos, E.P.P.; Sarrias-Mena, R.; García-Vázquez, C.A.; Fernández-Ramírez, L.M. Supervisory Control System for a Grid-Connected MVDC Microgrid Based on Z-Source Converters with PV, Battery Storage, Green Hydrogen System and Charging Station of Electric Vehicles. IEEE Trans. Ind. Appl. 2023, 59, 2650–2660. [Google Scholar] [CrossRef]
- Zhao, X.; Meng, L.; Xie, C.; Guerrero, J.M.; Wu, X.; Vasquez, J.C.; Savaghebi, M. A Voltage Feedback Based Harmonic Compensation Strategy for Current-Controlled Converters. IEEE Trans. Ind. Appl. 2018, 54, 2616–2627. [Google Scholar] [CrossRef]
- Fang, J.; Zhang, R.; Li, H.; Tang, Y. Frequency Derivative-Based Inertia Enhancement by Grid-Connected Power Converters with a Frequency-Locked-Loop. IEEE Trans. Smart Grid 2019, 10, 4918–4927. [Google Scholar] [CrossRef]
- Akter, M.P.; Mekhilef, S.; Tan, N.M.L.; Akagi, H. Model Predictive Control of Bidirectional AC–DC Converter for Energy Storage System. J. Electr. Eng. Technol. 2015, 10, 165–175. [Google Scholar] [CrossRef]
- Guacaneme, J.; Garcerá, G.; Figueres, E.; Patrao, I.; González-Medina, R. Dynamic Modeling of a Dual Active Bridge DC to DC Converter with Average Current Control and Load-Current Feed-Forward. Int. J. Circuit Theory Appl. 2015, 43, 1311–1332. [Google Scholar] [CrossRef]
- Xu, X.; Bishop, M.; Oikarinen, D.G.; Chen, H. Application and Modeling of Battery Energy Storage in Power Systems. CSEE J. Power Energy Syst. 2016, 2, 82–90. [Google Scholar] [CrossRef]
- Meraj, M.; Bhaskar, M.S.; Reddy, B.P.; Iqbal, A. Non-Isolated DC–DC Power Converter with High Gain and Inverting Capability. IEEE Access 2021, 9, 62084–62092. [Google Scholar] [CrossRef]
- Liang, G.; Tafti, H.D.; Farivar, G.G.; Pou, J.; Townsend, C.D.; Konstantinou, G.; Ceballos, S. Analytical Derivation of Intersubmodule Active Power Disparity Limits in Modular Multilevel Converter-Based Battery Energy Storage Systems. IEEE Trans. Power Electron. 2021, 36, 2864–2874. [Google Scholar] [CrossRef]
- Garcia, P.; Garcia, C.A.; Fernandez, L.M.; Llorens, F.; Jurado, F. ANFIS-Based Control of a Grid-Connected Hybrid System Integrating Renewable Energies, Hydrogen and Batteries. IEEE Trans. Ind. Inform. 2014, 10, 1107–1117. [Google Scholar] [CrossRef]
- Blaabjerg, F.; Yang, Y.; Kim, K.A.; Rodriguez, J. Power Electronics Technology for Large-Scale Renewable Energy Generation. Proc. IEEE 2023, 111, 335–355. [Google Scholar] [CrossRef]
- Wang, Z.; Lin, H.; Ma, Y. Improved Capacitor Voltage Balancing Control for Multimode Operation of Modular Multilevel Converter with Integrated Battery Energy Storage System. IET Power Electron. 2019, 12, 2751–2760. [Google Scholar] [CrossRef]
- Fang, J.; Tang, Y.; Li, H.; Li, X. A Battery/Ultracapacitor Hybrid Energy Storage System for Implementing the Power Management of Virtual Synchronous Generators. IEEE Trans. Power Electron. 2018, 33, 2820–2824. [Google Scholar] [CrossRef]
- Pahasa, J.; Potejana, P.; Ngamroo, I. MPC-Based Virtual Energy Storage System Using PV and Air Conditioner to Emulate Virtual Inertia and Frequency Regulation of the Low-Inertia Microgrid. IEEE Access 2022, 10, 133708–133719. [Google Scholar] [CrossRef]
- Damodaran, R.V.; Shareef, H.; Errouissi, R.; Eslami, M. A Common Ground Four Quadrant Buck Converter for DC-AC Conversion. IEEE Access 2022, 10, 44855–44868. [Google Scholar] [CrossRef]
- Song, S.; Li, W.; Ni, K.; Xu, H.; Hu, Y.; Si, J. Modular Multi-Port Ultra-High Power Level Power Converter Integrated with Energy Storage for High Voltage Direct Current (HVDC) Transmission. Energies 2018, 11, 2711. [Google Scholar] [CrossRef]
- Zheng, L.; Kandula, R.P.; Divan, D. Soft-Switching Solid-State Transformer with Reduced Conduction Loss. IEEE Trans. Power Electron. 2021, 36, 5236–5249. [Google Scholar] [CrossRef]
- Akter, M.P.; Mekhilef, S.; Tan, N.M.L.; Akagi, H. Stability and Performance Investigations of Model Predictive Controlled Active-Front-End (AFE) Rectifiers for Energy Storage Systems. J. Power Electron. 2015, 15, 202–215. [Google Scholar] [CrossRef]
- Wang, Y.; Wang, Z.; Sheng, H. Optimizing Wind Turbine Integration in Microgrids Through Enhanced Multi-Control of Energy Storage and Micro-Resources for Enhanced Stability. J. Clean. Prod. 2024, 444, 140965. [Google Scholar] [CrossRef]
- Oliveira, C.F.; Afonso, J.L.; Monteiro, V. A Bidirectional Multilevel DC–DC Converter Applied to a Bipolar DC Grid: Analysis of Operation Under Fault Conditions. In Proceedings of the 2021 International Young Engineers Forum (YEF-ECE), Caparica/Lisboa, Portugal, 9 July 2021; pp. 38–43. [Google Scholar] [CrossRef]
- Tabart, Q.; Vechiu, I.; Etxeberria, A.; Bacha, S. Hybrid Energy Storage System Microgrids Integration for Power Quality Improvement Using Four-Leg Three-Level NPC Inverter and Second-Order Sliding Mode Control. IEEE Trans. Ind. Electron. 2018, 65, 424–435. [Google Scholar] [CrossRef]
- Page, M.J.; McKenzie, J.E.; Bossuyt, P.M.; Boutron, I.; Hoffmann, T.C.; Mulrow, C.D. The PRISMA 2020 Statement: An Updated Guideline for Reporting Systematic Reviews. BMJ 2021, 372, n71. [Google Scholar] [CrossRef] [PubMed]
- Gouveia, J.; Moreira, C.L.; Lopes, J.A.P. Rule-Based Adaptive Control Strategy for Grid-Forming Inverters in Islanded Power Systems for Improving Frequency Stability. Electr. Power Syst. Res. 2021, 197, 107339. [Google Scholar] [CrossRef]
- Haq, S.; Biswas, S.P.; Jahan, S.; Islam, R.; Rahman, A.; Mahmud, M.A.P.; Kouzani, A.Z. An Advanced PWM Technique for MMC Inverter Based Grid-Connected Photovoltaic Systems. IEEE Trans. Appl. Supercond. 2021, 31, 0601605. [Google Scholar] [CrossRef]
- Capasso, C.; Veneri, O. Experimental Study of a DC Charging Station for Full Electric and Plug-In Hybrid Vehicles. Appl. Energy 2015, 152, 131–142. [Google Scholar] [CrossRef]
- Rengasamy, M.; Gangatharan, S.; Elavarasan, R.M.; Mihet-Popa, L. Incorporation of Microgrid Technology Solutions to Reduce Power Loss in a Distribution Network with Elimination of Inefficient Power Conversion Strategies. Sustainability 2021, 13, 13882. [Google Scholar] [CrossRef]
- Wingelaar, B.; Deroualle, J. Power Management System with Load Power Regulation for Zonal Secondary DC-Grids Survivability: A Load Priority-Based Approach. In Proceedings of the International Ship Control Systems Symposium (iSCSS), Liverpool, UK, 5–7 November 2024. [Google Scholar] [CrossRef]
- Rathika, N.; Natarajan, K.; Matcha, M.; Revathi, V. Seagull-Optimized Artificial Neural Network-Based Innovative Energy Management System Using Improvised Boost Converter and Coupled Inductor. Electr. Eng. 2024, 107, 5207–5230. [Google Scholar] [CrossRef]
- Vahid, S.; Abarzadeh, M.; Weise, N.; El-Refaie, A. A Novel Three-Port DC–DC Power Converter with Adaptive Boundary Current Mode Controller for a Residential PV-Battery System. In Proceedings of the IECON 2020—46th Annual Conference of the IEEE Industrial Electronics Society, Singapore, 18–21 October 2020; pp. 4263–4268. [Google Scholar] [CrossRef]
- Asish, J.; Ts, M.; Laqueta, N.; Seethur, R. A Comprehensive Design and Analysis of the Split Inductor Buck-Boost Converter for Automotive Applications. In Proceedings of the 2024 IEEE International Conference on Electronics, Computing and Communication Technologies (CONECCT), Bangalore, India, 12–14 July 2024; pp. 1–6. [Google Scholar] [CrossRef]
- Vechiu, I.; Etxeberria, A.; Tabart, Q. Power Quality Improvement Using an Advanced Control of a Four-Leg Multilevel Converter. In Proceedings of the 2015 IEEE 16th Workshop on Control and Modeling for Power Electronics (COMPEL), Vancouver, BC, Canada, 12–15 July 2015; pp. 1–6. [Google Scholar] [CrossRef]
- Bizon, N.; Oproescu, M.; Raceanu, M. Efficient Energy Control Strategies for a Standalone Renewable/Fuel Cell Hybrid Power Source. Energy Convers. Manag. 2015, 90, 93–110. [Google Scholar] [CrossRef]
- Eren, S.; Pahlevani, M.; Bakhshai, A.; Jain, P. A Digital Current Control Technique for Grid-Connected AC/DC Converters Used for Energy Storage Systems. IEEE Trans. Power Electron. 2017, 32, 3970–3988. [Google Scholar] [CrossRef]
- Oureilidis, K.O.; Bakirtzis, E.A.; Demoulias, C.S. Frequency-Based Control of Islanded Microgrid with Renewable Energy Sources and Energy Storage. J. Mod. Power Syst. Clean Energy 2016, 4, 54–62. [Google Scholar] [CrossRef]
- Bernet, D.; Hiller, M. A Cascaded H-Bridge-Based Multilevel Converter with Low Energy Pulsation for High-Power Grid Applications. IEEE Trans. Power Electron. 2024, 39, 2305–2321. [Google Scholar] [CrossRef]
- Jadidi, S.; Badihi, H.; Zhang, Y. Passive Fault-Tolerant Control Strategies for Power Converter in a Hybrid Microgrid. Energies 2020, 13, 5625. [Google Scholar] [CrossRef]
- Singh, S.A.; Carli, G.; Azeez, N.A.; Williamson, S.S. Modeling, Design, Control, and Implementation of a Modified Z-Source Integrated PV/Grid/EV DC Charger/Inverter. IEEE Trans. Ind. Electron. 2018, 65, 5213–5220. [Google Scholar] [CrossRef]
- Neira, S.; Pereda, J.; Rojas, F. Three-Port Full-Bridge Bidirectional Converter for Hybrid DC/DC/AC Systems. IEEE Trans. Power Electron. 2020, 35, 13077–13084. [Google Scholar] [CrossRef]
- Serna-Garcés, S.; Gonzalez Montoya, D.; Ramos-Paja, C. Sliding-Mode Control of a Charger/Discharger DC/DC Converter for DC-Bus Regulation in Renewable Power Systems. Energies 2016, 9, 245. [Google Scholar] [CrossRef]
- Rana, M.J.; Abido, M.A. Energy Management in DC Microgrid with Energy Storage and Model Predictive Controlled AC–DC Converter. IET Gener. Transm. Distrib. 2017, 11, 3694–3702. [Google Scholar] [CrossRef]
- Park, J.-Y.; Chang, J.-W. Novel Autonomous Control of Grid-Forming DGs to Realize 100% Renewable Energy Grids. IEEE Trans. Smart Grid 2024, 15, 2866–2880. [Google Scholar] [CrossRef]
- Errigo, F.; Chedot, L.; Venet, P.; Sari, A.; Dworakowski, P.; Morel, F. Assessment of the Impact of Split Storage within Modular Multilevel Converter. In Proceedings of the IECON 2019—45th Annual Conference of the IEEE Industrial Electronics Society, Lisbon, Portugal, 14–17 October 2019; pp. 4785–4792. [Google Scholar] [CrossRef]
- Suvorov, A.; Askarov, A.; Bay, Y.; Ufa, R. Freely Customized Virtual Generator Model for Grid-Forming Converter with Hydrogen Energy Storage. Int. J. Hydrogen Energy 2022, 47, 34739–34761. [Google Scholar] [CrossRef]
- Fang, J.; Li, H.; Tang, Y.; Blaabjerg, F. Distributed Power System Virtual Inertia Implemented by Grid-Connected Power Converters. IEEE Trans. Power Electron. 2018, 33, 8488–8499. [Google Scholar] [CrossRef]
- Cupertino, A.F.; Amorim, W.C.S.; Pereira, H.A.; Seleme Junior, S.I.; Chaudhary, S.K.; Teodorescu, R. High Performance Simulation Models for ES-STATCOM Based on Modular Multilevel Converters. IEEE Trans. Energy Convers. 2020, 35, 474–483. [Google Scholar] [CrossRef]
- Zhang, J.; Wu, H.; Qin, X.; Xing, Y. PWM Plus Secondary-Side Phase-Shift Controlled Soft-Switching Full-Bridge Three-Port Converter for Renewable Power Systems. IEEE Trans. Ind. Electron. 2015, 62, 7061–7072. [Google Scholar] [CrossRef]
- Fang, J.; Lin, P.; Li, H.; Yang, Y.; Tang, Y. An Improved Virtual Inertia Control for Three-Phase Voltage Source Converters Connected to a Weak Grid. IEEE Trans. Power Electron. 2019, 34, 8660–8670. [Google Scholar] [CrossRef]
- Monteiro, V.; Sousa, T.J.C.; Sepulveda, M.J.; Couto, C.; Lima, A.; Afonso, J.L. A Proposed Bidirectional Three-Level DC–DC Power Converter for Applications in Smart Grids: An Experimental Validation. In Proceedings of the 2019 International Conference on Smart Energy Systems and Technologies (SEST), Porto, Portugal, 9–11 September 2019; pp. 1–6. [Google Scholar] [CrossRef]
- Zhong, Q.-C. Virtual Synchronous Machines: A Unified Interface for Grid Integration. IEEE Power Electron. Mag. 2016, 3, 18–27. [Google Scholar] [CrossRef]
- Li, X.; Chen, G.; Saqib Ali, M. Improved Virtual Synchronous Generator with Transient Damping Link and Its Seamless Transfer Control for Cascaded H-Bridge Multilevel Converter-Based Energy Storage System. IET Electr. Power Appl. 2019, 13, 1535–1543. [Google Scholar] [CrossRef]
- De Matos, J.; E Silva, F.; Ribeiro, L. Power Control in AC Isolated Microgrids with Renewable Energy Sources and Energy Storage Systems. IEEE Trans. Ind. Electron. 2014, 62, 3490–3498. [Google Scholar] [CrossRef]
- Karbozov, A.; Majumder, M.G.; Krishnamoorthy, H.S.; Rajashekara, K. Triple Active Bridge Based Multiport Energy Router for Subsea–Renewable Interconnection. IEEE Trans. Ind. Appl. 2023, 59, 4528–4538. [Google Scholar] [CrossRef]
- Wang, M.; Zhang, Y.; Li, Y.; Ma, K.; Cai, X. Mission Profile Emulator for Individual Sub-Module in Cascaded H-Bridge Converter-Based Battery Energy Storage Systems. In Proceedings of the 2023 IEEE 2nd International Power Electronics and Application Symposium (PEAS), Guangzhou, China, 10–13 November 2023; pp. 1086–1089. [Google Scholar] [CrossRef]
- Akter, M.P.; Mekhilef, S.; Tan, N.M.L.; Akagi, H. Modified Model Predictive Control of a Bidirectional AC–DC Converter Based on Lyapunov Function for Energy Storage Systems. IEEE Trans. Ind. Electron. 2016, 63, 704–715. [Google Scholar] [CrossRef]
- Dimna Denny, C.; Shahin, M. Analysis of Bidirectional SEPIC/Zeta Converter with Coupled Inductor. In Proceedings of the 2015 International Conference on Technological Advancements in Power and Energy (TAP Energy), Kollam, India, 24–26 June 2015; pp. 103–108. [Google Scholar] [CrossRef]
- Almutairi, A.; Sayed, K.; Albagami, N.; Abo-Khalil, A.G.; Saleeb, H. Multi-Port PWM DC-DC Power Converter for Renewable Energy Applications. Energies 2021, 14, 3490. [Google Scholar] [CrossRef]
- Brando, G.; Dannier, A.; Del Pizzo, A.; Di Noia, L.P.; Pisani, C. Grid Connection of Wave Energy Converter in Heaving Mode Operation by Supercapacitor Storage Technology. IET Renew. Power Gener. 2016, 10, 88–97. [Google Scholar] [CrossRef]
- Salama, H.S.; Bakeer, A.; Magdy, G.; Vokony, I. Virtual Inertia Emulation Through Virtual Synchronous Generator Based Superconducting Magnetic Energy Storage in Modern Power System. J. Energy Storage 2021, 44, 103466. [Google Scholar] [CrossRef]
- He, X.; Geng, H.; Li, R.; Pal, B.C. Transient Stability Analysis and Enhancement of Renewable Energy Conversion System During LVRT. IEEE Trans. Sustain. Energy 2020, 11, 1612–1623. [Google Scholar] [CrossRef]
- Cecati, C.; Khalid, H.A.; Tinari, M.; Adinolfi, G.; Graditi, G. DC Nanogrid for Renewable Sources with Modular DC/DC LLC Converter Building Block. IET Power Electron. 2017, 10, 536–544. [Google Scholar] [CrossRef]
Disclaimer/Publisher’s Note: The statements, opinions and data contained in all publications are solely those of the individual author(s) and contributor(s) and not of MDPI and/or the editor(s). MDPI and/or the editor(s) disclaim responsibility for any injury to people or property resulting from any ideas, methods, instructions or products referred to in the content. |
© 2025 by the authors. Licensee MDPI, Basel, Switzerland. This article is an open access article distributed under the terms and conditions of the Creative Commons Attribution (CC BY) license (https://creativecommons.org/licenses/by/4.0/).













