A Bidirectional Isolated DC-to-DC Converter with Hybrid Control of Pulse Width Modulation and Pulse Frequency Modulation
Abstract
1. Introduction
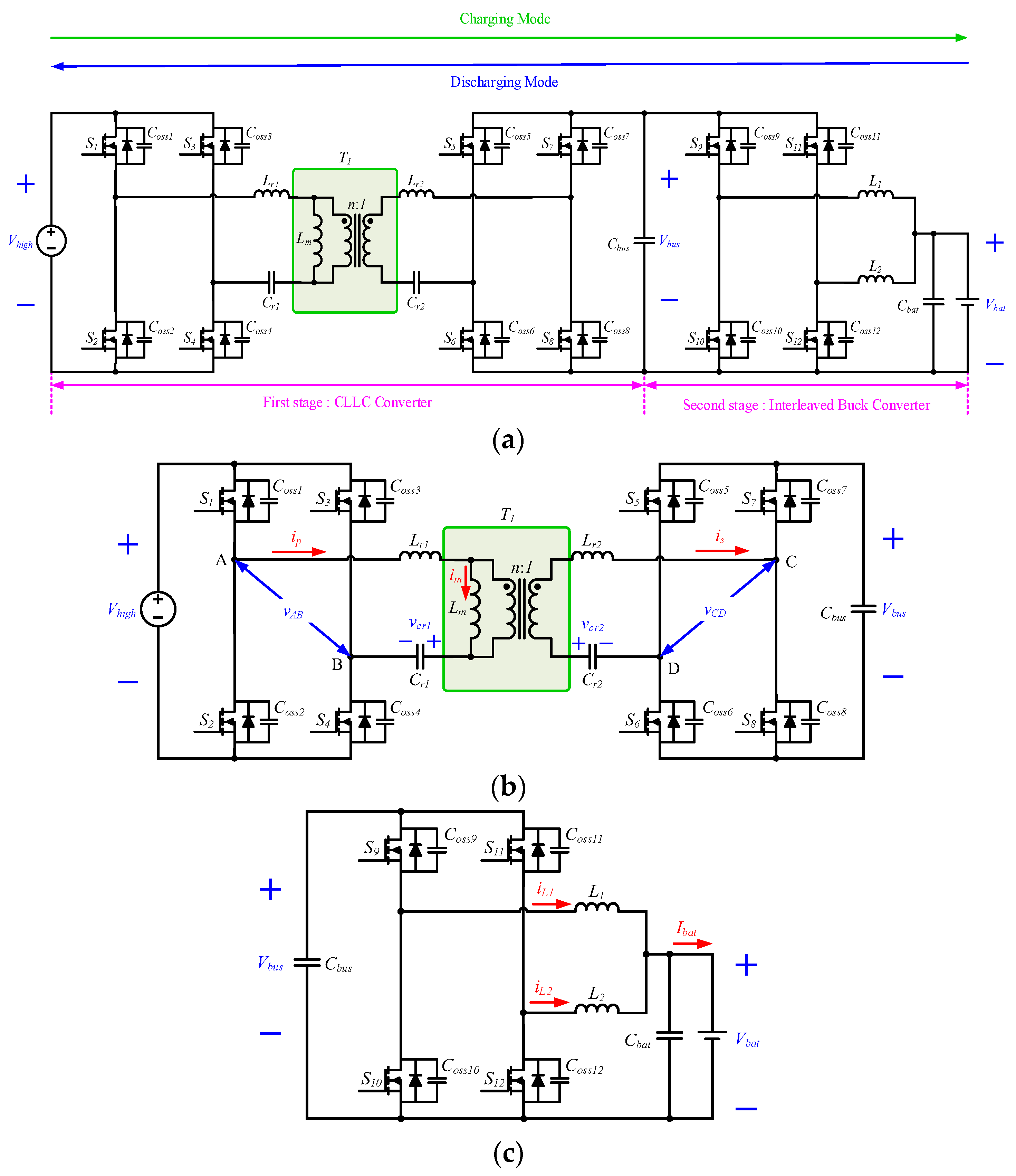
2. Proposed Bidirectional Converter and Operation Principle
2.1. CLLC Resonant Converter
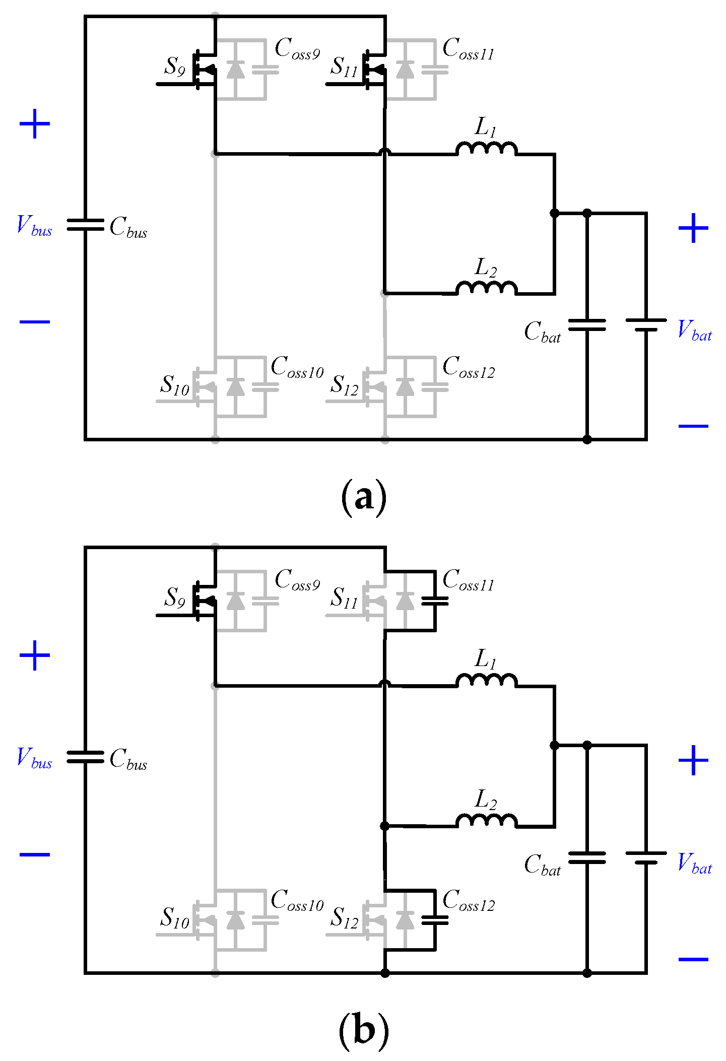
2.2. Interleaved Buck Converter
2.3. Proposed Digital Hybrid Control
3. Experimental Results
4. Conclusions
Author Contributions
Funding
Data Availability Statement
Conflicts of Interest
Abbreviations
| IL,avg | Average current of each phase |
| Ibat | Battery current |
| Vbat | Battery voltage |
| Vbus | Bus voltage |
| Zr | Characteristic impedance |
| iL(n) | Current of nth inductance |
| Dbuck | Duty cycle of interleaved buck converter |
| Efficiency of CLLC converter | |
| Efficiency of interleaved buck converter | |
| Efficiency of proposed converter | |
| Ro,e | Equivalent resistance of CLLC converter |
| vgs(n) | Gate-source voltage of nth switch |
| Vhigh | High side voltage |
| k | Inductance ratio |
| Ro | Load resistance of CLLC converter |
| Lm | Magnetizing inductance |
| im | Magnetizing inductance current |
| fsw,min | Minimum switching frequency of interleaved buck converter |
| Nphase | Number of phases used in interleaved buck converter |
| Po | Output power |
| Coss(n) | Parasitic capacitance of n-th switch |
| IL,peak | Peak inductor current |
| IR | Peak inductor reverse current |
| ip | Primary side current |
| Q | Quality factor |
| Cr(n) | Resonant capacitance with nth |
| fr | Resonant frequency of CLLC resonant converter |
| Lr(n) | Resonant inductance with n-th |
| is | Secondary side current |
| fsw,CLLC | Switching frequency of CLLC resonant converter |
| fsw,buck | Switching frequency of interleaved buck converter |
| T1 | Transformer of CLLC converter |
| n | Transformer turn ratio |
| vcr(n) | Voltage of nth resonant capacitance |
References
- Dobakhshari, A.S.; Azizi, S.; Ranjbar, A.M. Control of microgrids: Aspects and prospects. In Proceedings of the 2011 International Conference on Networking, Sensing and Control, Delft, The Netherlands, 11–13 April 2011; pp. 38–43. [Google Scholar]
- Kanjiya, P.; Khadkikar, V. Enhancing power quality and stability of future smart grid with intermittent renewable energy sources using electric springs. In Proceedings of the 2013 International Conference on Renewable Energy Research and Applications (ICRERA), Madrid, Spain, 20–23 October 2013; pp. 918–922. [Google Scholar]
- Bal, S.; Yelaverthi, D.B.; Rathore, A.K.; Srinivasan, D. Improved Modulation Strategy Using Dual Phase Shift Modulation for Active Commutated Current-Fed Dual Active Bridge. IEEE Trans. Power Electron. 2018, 33, 7359–7375. [Google Scholar] [CrossRef]
- Zeng, J.; Yan, Z.; Liu, J.; Huang, Z. A High Voltage-Gain Bidirectional DC–DC Converter with Full-Range ZVS Using Decoupling Control Strategy. IEEE J. Emerg. Sel. Top. Power Electron. 2020, 8, 2775–2784. [Google Scholar] [CrossRef]
- Hu, J.; Cui, S.; Wang, S.; De Doncker, R.W. Instantaneous Flux and Current Control for a Three-Phase Dual-Active Bridge DC–DC Converter. IEEE Trans. Power Electron. 2020, 35, 2184–2195. [Google Scholar] [CrossRef]
- Zhang, Y.; Hou, N.; Li, Y. An Alternative-Fed Dual-Active-Bridge DC/DC Converter with Wide Voltage Gains and Low Current Ripples. IEEE Trans. Power Electron. 2024, 39, 7823–7827. [Google Scholar] [CrossRef]
- Costinett, D.; Zane, R.; Maksimovic, D. Automatic Voltage and Dead Time Control for Efficiency Optimization in a Dual Active Bridge Converter. In Proceedings of the 2012 Twenty-Seventh Annual IEEE Applied Power Electronics Conference and Exposition (APEC), Orlando, FL, USA, 5–9 February 2012; pp. 1104–1111. [Google Scholar]
- Ma, X.; Tong, A.; Li, B.; Hang, L.; Li, G.; Shen, P. ZVS Operation of DAB Converter Based on Triple-phase-shift Modulation Scheme with Optimized Inductor Current. In Proceedings of the IECON 2017—43rd Annual Conference of the IEEE Industrial Electronics Society, Beijing, China, 29 October–1 November 2017; pp. 4702–4707. [Google Scholar]
- Chen, X.; Xu, G.; Xie, S.; Han, H.; Su, M.; Sun, Y. A Natural Bidirectional Input-Series–Output-Parallel LLC-DCX Converter with Automatic Power Sharing and Power Limitation Capability for Li-Ion Battery Formation and Grading System. IEEE J. Emerg. Sel. Top. Power Electron. 2020, 8, 3618–3632. [Google Scholar] [CrossRef]
- Jiang, T.; Zhang, J.; Wu, X.; Sheng, K.; Wang, Y. A Bidirectional LLC Resonant Converter with Automatic Forward and Backward Mode Transition. IEEE Trans. Power Electron. 2015, 30, 757–770. [Google Scholar] [CrossRef]
- Li, H.; Zhang, Z.; Wang, S.; Tang, J.; Ren, X.; Chen, Q. A 300-kHz 6.6-kW SiC Bidirectional LLC Onboard Charger. IEEE Trans. Ind. Electron. 2020, 67, 1435–1445. [Google Scholar] [CrossRef]
- Emamalipour, R.; Lam, J. A Multi-Mode Full-Bridge/Modified-Stacked- Switches Structured CLLC Resonant Converter for Energy Storage Applications. IEEE Trans. Power Electron. 2024, 39, 5967–5981. [Google Scholar] [CrossRef]
- Jung, J.-H.; Kim, H.-S.; Ryu, M.-H.; Baek, J.-W. Design Methodology of Bidirectional CLLC Resonant Converter for High-Frequency Isolation of DC Distribution Systems. IEEE Trans. Power Electron. 2013, 28, 1741–1755. [Google Scholar] [CrossRef]
- Zahid, Z.U.; Dalala, Z.M.; Chen, R.; Chen, B.; Lai, J.-S. Design of Bidirectional DC–DC Resonant Converter for Vehicle-to-Grid (V2G) Applications. IEEE Trans. Transp. Electrif. 2015, 1, 232–244. [Google Scholar] [CrossRef]
- Zhu, H.; Hu, S.; Tahir, M.; Bai, Y.; Wu, X. CLLC Modelling and Control in V2G Mode to Mitigate Double-Line Frequency Current for High-Power Density On-Board Charger. IEEE J. Emerg. Sel. Top. Power Electron. 2024, 12, 219–230. [Google Scholar] [CrossRef]
- Chen, W.; Rong, P.; Lu, Z. Snubber-less Bidirectional DC–DC Converter with New CLLC Resonant Tank Featuring Minimized Switching Loss. IEEE Trans. Ind. Electron. 2010, 57, 3075–3086. [Google Scholar] [CrossRef]
- Tang, C.-Y.; Wang, C.-W.; Chien, H.-C. A Dynamic Smooth Transition Control Integrated with Hybrid Modulation for Wide Output Voltage Range Bidirectional CLLC Resonant Converters. IEEE Trans. Power Electron. 2023, 38, 13587–13593. [Google Scholar] [CrossRef]
- Alemdar, Ö.Ş.; Keysan, O. Design and implementation of an unregulated DC-DC transformer (DCX) module using LLC resonant converter. In Proceedings of the 8th IET International Conference on Power Electronics, Machines and Drives (PEMD 2016), Glasgow, UK, 19–21 April 2016; pp. 1–6. [Google Scholar]
- Fei, C.; Ahmed, M.H.; Lee, F.C.; Li, Q. Two-Stage 48 V-12 V/6 V-1.8 V Voltage Regulator Module with Dynamic Bus Voltage Control for Light-Load Efficiency Improvement. IEEE Trans. Power Electron. 2017, 32, 5628–5636. [Google Scholar] [CrossRef]
- Ma, H.; Liu, W.; Wang, J.; Zheng, C.; Lu, G. Two-stage power supply based on double resonant tank LLC-DCX for magnetic levitation control system applications. In Proceedings of the 2015 IEEE Applied Power Electronics Conference and Exposition (APEC), Charlotte, NC, USA, 15–19 March 2015; pp. 3195–3200. [Google Scholar]
- Liu, Y.-C.; Chen, C.; Chen, K.-D.; Syu, Y.-L.; Dung, N.A. High-Frequency and High-Efficiency Isolated Two-Stage Bidirectional DC–DC Converter for Residential Energy Storage Systems. IEEE J. Emerg. Sel. Top. Power Electron. 2020, 8, 1994–2006. [Google Scholar] [CrossRef]
- Baek, J.-B.; Choi, W.-I.; Cho, B.-H. Digital Adaptive Frequency Modulation for Bidirectional DC–DC Converter. IEEE Trans. Ind. Electron. 2013, 60, 5167–5176. [Google Scholar] [CrossRef]
- Cao, Y.; Ngo, M.; Dong, D.; Burgos, R. The ZVS Transition Analysis and Optimization for CLLC-Type Resonant DC Transformer. In Proceedings of the 2021 IEEE Energy Conversion Congress and Exposition (ECCE), Vancouver, BC, Canada, 10–14 October 2021; pp. 3126–3133. [Google Scholar]
- Mishima, T.; Koga, Y. Variable Frequency Phase-Difference Controlled CLLC Resonant Bidirectional DC-DC Converter Featuring Wide-Range ZVS Performance and Reactive Power Reduction. In Proceedings of the 2018 IEEE Energy Conversion Congress and Exposition (ECCE), Portland, OR, USA, 23–27 September 2018; pp. 6283–6290. [Google Scholar]
- Chen, W.; Wang, S.; Hong, X.; Lu, Z.; Ye, S. Fully soft-switched bidirectional resonant dc-dc converter with a new CLLC tank. In Proceedings of the 2010 Twenty-Fifth Annual IEEE Applied Power Electronics Conference and Exposition (APEC), Palm Springs, CA, USA, 21–25 February 2010; pp. 1238–1242. [Google Scholar]
- Bhajana, V.V.S.K.; Drabek, P. A novel ZCS bidirectional buck-boost DC-DC converters for energy storage applications. In Proceedings of the 2015 IEEE International Conference on Industrial Technology (ICIT), Seville, Spain, 17–19 March 2015; pp. 872–877. [Google Scholar]
- Tania, H.M.; Patra, J.K.; Raghuraj, N.; Niveditha, R.; Manavaalan, G. Efficiency improvement of a 24V DC nanogrid system with ZCS technique. In Proceedings of the 2017 IEEE International Conference on Power, Control, Signals and Instrumentation Engineering (ICPCSI), Chennai, India, 21–22 September 2017; pp. 479–482. [Google Scholar]
- Rasoulinezhad, R.; Abosnina, A.; Moschopoulos, G. A novel AC-DC interleaved ZCS-PWM boost converter. In Proceedings of the 2018 IEEE Applied Power Electronics Conference and Exposition (APEC), San Antonio, TX, USA, 4–8 March 2018; pp. 716–722. [Google Scholar]
- Li, W.; Wu, H.; Yu, H.; He, X. Isolated Winding-Coupled Bidirectional ZVS Converter with PWM Plus Phase-Shift (PPS) Control Strategy. IEEE Trans. Power Electron. 2011, 26, 3560–3570. [Google Scholar] [CrossRef]
- Ma, X.; Wang, P.; Bi, H.; Wang, Z. A Bidirectional LLCL Resonant DC-DC Converter with Reduced Resonant Tank Currents and Reduced Voltage Stress of the Resonant Capacitor. IEEE Access 2020, 8, 125549–125564. [Google Scholar] [CrossRef]
- Li, Y.; Wang, Y.; Guan, Y.; Xu, D. Optimized Bidirectional DC-DC Converter Adapted to High Voltage Gain and Wide ZVS Range. IEEE Trans. Power Electron. 2023, 38, 3486–3499. [Google Scholar] [CrossRef]
















| High side voltage Vhigh | 380–400 V |
| Bus voltage Vbus | 100 V |
| Battery voltage Vbat | 40–58 V |
| Rated power Po | 1.5 kW |
| Switching frequency fsw,CLLC | 130 kHz |
| Switching frequency fsw,buck | 40~110 kHz |
| Magnetizing inductor Lm | 208 μH |
| Resonant inductor Lr1 | 77 μH |
| Resonant inductor Lr2 | 5.5 μH |
| Resonant capacitor Cr1 | 18.56 nF |
| Resonant capacitor Cr2 | 291.3 nF |
| Transformer turn ratio n:1 | 4:1 |
| Inductor L1, L2 | 20 μH |
| Condition | Proposed Converter | [3] | [10] | [17] | [29] | [30] | [31] |
|---|---|---|---|---|---|---|---|
| Rated Power (W) | 1500 | 1000 | 1000 | 2000 | 1000 | 500 | 500 |
| Number of Switches | 12 | 8 | 8 | 8 | 6 | 8 | 10 |
| Output Current Ripple | low | high | high | high | low | high | high |
| Implementation Complexity | medium | medium | simple | medium | medium | simple | medium |
| Peak Efficiency (%) | 94 | 97 | 97 | 97 | 96 | 97 | 94 |
Disclaimer/Publisher’s Note: The statements, opinions and data contained in all publications are solely those of the individual author(s) and contributor(s) and not of MDPI and/or the editor(s). MDPI and/or the editor(s) disclaim responsibility for any injury to people or property resulting from any ideas, methods, instructions or products referred to in the content. |
© 2024 by the authors. Licensee MDPI, Basel, Switzerland. This article is an open access article distributed under the terms and conditions of the Creative Commons Attribution (CC BY) license (https://creativecommons.org/licenses/by/4.0/).
Share and Cite
Hua, C.-C.; Lai, J.-B. A Bidirectional Isolated DC-to-DC Converter with Hybrid Control of Pulse Width Modulation and Pulse Frequency Modulation. Processes 2024, 12, 2866. https://doi.org/10.3390/pr12122866
Hua C-C, Lai J-B. A Bidirectional Isolated DC-to-DC Converter with Hybrid Control of Pulse Width Modulation and Pulse Frequency Modulation. Processes. 2024; 12(12):2866. https://doi.org/10.3390/pr12122866
Chicago/Turabian StyleHua, Chih-Chiang, and Jian-Bin Lai. 2024. "A Bidirectional Isolated DC-to-DC Converter with Hybrid Control of Pulse Width Modulation and Pulse Frequency Modulation" Processes 12, no. 12: 2866. https://doi.org/10.3390/pr12122866
APA StyleHua, C.-C., & Lai, J.-B. (2024). A Bidirectional Isolated DC-to-DC Converter with Hybrid Control of Pulse Width Modulation and Pulse Frequency Modulation. Processes, 12(12), 2866. https://doi.org/10.3390/pr12122866

