Study of Adaptive Frequency Compensated Droop Control for Microgrid Inverters
Abstract
1. Introduction
2. Droop Control
3. Mathematical Modeling of Shunt Inverters for Microgrids
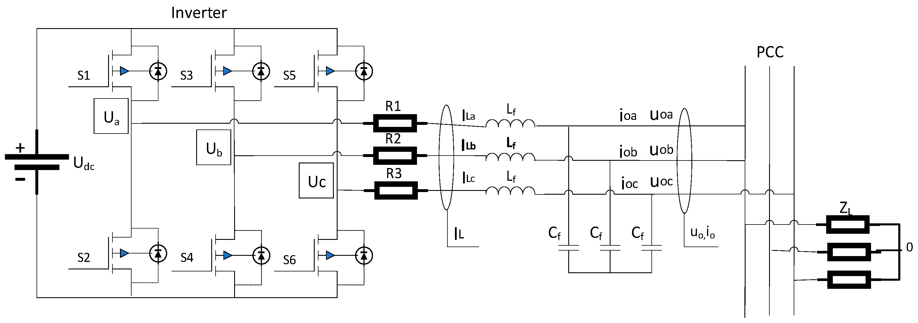
3.1. Inverter Main Circuit Structure
3.2. Vector Space Coordinate Transformation
3.3. Three-Phase Stationary Coordinate System to a Two-Phase Stationary Coordinate System
3.4. Two-Phase Stationary Coordinat System to Two-Phase Rotating Coordinate System
4. Voltage and Current Double Closed-Loop Control
4.1. Modeling of the Dual Closed-Loop Inverter Control System
4.2. Adaptive PI Frequency Compensation Control
5. Simulation Analysis
5.1. Simulation Model Building
5.2. Simulation Waveforms and Analysis
6. Conclusions
Author Contributions
Funding
Data Availability Statement
Acknowledgments
Conflicts of Interest
References
- Wu, X.; Panda, S.K.; Xu, J. Effect of Pulse-Width Modulation Schemes on the Performance of Three-Phase Voltage Source Converter. In Proceedings of the 33rd Annual Conference of the IEEE Industrial Electronics Society (IECON), Taipei, Taiwan, 5–8 November 2007; pp. 168–173. [Google Scholar]
- Midtsund, T.; Suul, J.A.; Undeland, T. Evaluation of current controller performance and stability for voltage source converters connected to a weak grid. In Proceedings of the 2nd International Symposium on Power Electronics for Distributed Generation Systems, Hefei, China, 16–18 June 2010; IEEE: New York, NY, USA, 2010; pp. 382–388. [Google Scholar]
- Borup, U.; Blaabjerg, F.; Enjeti, P.N. Sharing of Nonlinear Load in Parallel-Connected Three-Phase Converters. IEEE Trans. Ind. Appl. 2001, 37, 1817–1823. [Google Scholar] [CrossRef]
- Su, H.; Dong, Z.; Wang, X. Improved Droop Control Strategy for Microgrids Based on Auto Disturbance Rejection Control and LSTM. Processes 2024, 12, 2535. [Google Scholar] [CrossRef]
- Zhang, W.; Wang, Y.; Han, F.; Yang, R. Composite Sliding Mode Control of Phase Circulating Current for the Parallel Three-Phase Inverter Systems. Energies 2024, 17, 1389. [Google Scholar] [CrossRef]
- Ward, L.; Subburaj, A.; Demir, A.; Chamana, M.; Bayne, S.B. Analysis of Grid-Forming Inverter Controls for Grid-Connected and Islanded Microgrid Integration. Sustainability 2024, 16, 2148. [Google Scholar] [CrossRef]
- Xu, Z.; Chen, F.; Chen, K.; Lu, Q. Research on Adaptive Droop Control Strategy for a Solar-Storage DC Microgrid. Energies 2024, 17, 1454. [Google Scholar] [CrossRef]
- Xu, X.; Gu, Y.; Guo, J.; Song, Y. Research on Improved Droop Control Strategy of Microgrid in Island Mode. In Proceedings of the 2023 6th International Conference on Energy, Electrical and Power Engineering (CEEPE), Guangzhou, China, 14–16 April 2023; pp. 480–484. [Google Scholar] [CrossRef]
- Xu, L.; Zeng, J.; Liu, J.; Zheng, J.; Li, Y. Research on a Novel Repetitive Control Strategy for Multi-Functional Grid-Connected Inverters. J. Power Supply 2025, 10, 40. [Google Scholar]
- Xu, Q.; Fu, Y.; Miao, Y.; Zhao, Y.; Luo, L. Modulation and Control Strategy of Novel Sigle-phase Grid-connected Current Source Inverter. Acta Energiae Solaris Sin. 2025, 46, 412–420. [Google Scholar] [CrossRef]
- Chen, L.; Chen, M.; Li, B.; Sun, X.; Jiang, F. Harmonic Current Suppression of Dual Three-Phase Permanent Magnet Synchronous Motor with Improved Proportional-Integral Resonant Controller. Energies 2025, 18, 1340. [Google Scholar] [CrossRef]
- Zhang, Y.; Zhao, Z. A New Fractional-order Internal Model PID Control Method for DC Speed Regulation System. Fire Control Command Control 2025, 50, 56–61 + 70. [Google Scholar]
- Zhang, D.; Li, W. Research on Six-Degree-of-Freedom Series Manipulator Based Fractional Order Sliding Mode Active Disturbance Rejection Control. Journal of Dynamics and Control 2025, 23, 49–58. [Google Scholar] [CrossRef]
- Tu, B.; Xu, X.; Gu, Y.; Deng, K.; Xu, Y.; Zhang, T.; Gao, X.; Wang, K.; Wei, Q. Improved Droop Control Strategy for Islanded Microgrids Based on the Adaptive Weight Particle Swarm Optimization Algorithm. Electronics 2025, 14, 893. [Google Scholar] [CrossRef]
- Rong, H.; Chen, Y. Improved Droop Control Strategy of Microgrid Based on Optimized Particle Swarm Algorithm. In Proceedings of the 2020 Chinese Automation Congress (CAC), Shanghai, China, 6–8 November 2020; pp. 2324–2329. [Google Scholar] [CrossRef]
- Zhang, L.; Zheng, H.; Hu, Q.; Su, B.; Lyu, L. An Adaptive Droop Control Strategy for Islanded Microgrid Based on Improved Particle Swarm Optimization. IEEE Access 2020, 8, 3579–3593. [Google Scholar] [CrossRef]
- Huang, X.; Chen, C. Improved Droop Control Scheme for Reactive Power Sharing of Parallel Inverter System. In Proceedings of the 2020 IEEE 1st China International Youth Conference on Electrical Engineering (CIYCEE), Wuhan, China, 8–10 November 2020; pp. 1–6. [Google Scholar] [CrossRef]
- Kaewnukultorn, T.; Hegedus, S. Impact of Impedances and Solar Inverter Grid Controls in Electric Distribution Line with Grid Voltage and Frequency Instability. Energies 2024, 17, 5503. [Google Scholar] [CrossRef]
- Vekić, M.; Rapaić, M.; Todorović, I.; Grabić, S. Decentralized Goal-Function-Based Microgrid Primary Control with Voltage Harmonics Compensation. Energies 2024, 17, 4961. [Google Scholar] [CrossRef]
- Qiu, L.; Gu, M.; Chen, Z.; Du, Z.; Zhang, L.; Li, W.; Huang, J.; Fang, J. Oscillation Suppression of Grid-Following Converters by Grid-Forming Converters with Adaptive Droop Control. Energies 2024, 17, 5230. [Google Scholar] [CrossRef]
- Zhou, Z.; Zou, H. Improved Droop Control Strategy Based on Consensus Algorithm. In Proceedings of the 2023 3rd International Conference on Electrical Engineering and Control Science (IC2ECS), Hangzhou, China, 20–22 October 2023; pp. 1696–1700. [Google Scholar] [CrossRef]
- Khooban, M.H.; Gheisarnejad, M. A Novel Deep Reinforcement Learning Controller Based Type-II Fuzzy System: Frequency Regulation in Microgrids. IEEE Trans. Emerg. Top. Comput. Intell. 2021, 5, 689–699. [Google Scholar] [CrossRef]
- Zeng, H.; Zhao, E.; Zhou, S.; Han, Y.; Yang, P.; Wang, C. Adaptive droop control of a DC microgrid based on current consistency. Power Syst. Prot. Control 2022, 50, 11–21. [Google Scholar]
- Kim, D.-Y.; Lee, J.-H. Compensation of Interpolation Error for Look-Up Table-Based PMSM Control Method in Maximum Power Control. Energies 2021, 14, 5526. [Google Scholar] [CrossRef]
- Ding, M.; Tao, Z.; Hu, B.; Tan, S.; Yokoyama, R. Parallel Operation Strategy of Inverters Based on an Improved Adaptive Droop Control and Equivalent Input Disturbance Approach. Electronics 2024, 13, 486. [Google Scholar] [CrossRef]
- Ma, J.; Wang, X.; Liu, J.; Gao, H. An Improved Droop Control Method for Voltage-Source Inverter Parallel Systems Considering Line Impedance Differences. Energies 2019, 12, 1158. [Google Scholar] [CrossRef]
- Ren, B.; Sun, X.; Chen, S.; Liu, H. A Compensation Control Scheme of Voltage Unbalance Using a Combined Three-Phase Inverter in an Islanded Microgrid. Energies 2018, 11, 2486. [Google Scholar] [CrossRef]

















| Adaptive PI Control Combined with Fal Function | Traditional PI Control | |
|---|---|---|
| Control accuracy | The nonlinear gain adjustment mechanism of the Fal function enhances the adaptability to perturbations, with high control accuracy. | Suitable for linear systems, the control accuracy decreases when the parameters change, and steady-state errors are prone to occur. |
| Dynamic response capability | Good dynamic response performance. | Lower dynamic response performance and large overshoot and steady-state errors. |
| Anti-interference ability | Strong anti-interference ability, applicable to complex conditions and non-linear systems. | Limited immunity to interference and susceptibility to external disturbances. |
| Steady-state performance | Good steady-state performance. | Stability depends on the system parameters. |
| Costs and resources | High realization costs and high resource requirements. | Low realization costs and low resource requirements. |
| Simulation Model Parameters | |
| Lf, Cf | 1.5 mH, 30 uF |
| Switching frequency | 10 kHz |
| DC side voltage | 700 v |
| Pn | 10 KW |
| fn | 50 Hz |
| UO | 311 V |
| Droop factor: m | 2 × 10−5 |
| Droop factor: n | 3 × 10−4 |
| Load | active power, P: 12 KW; reactive power Q: 0 KVar |
| δ0, δ1 | 0.01, 0.015 |
| α0, α1 | 0.15, 0.30 |
Disclaimer/Publisher’s Note: The statements, opinions and data contained in all publications are solely those of the individual author(s) and contributor(s) and not of MDPI and/or the editor(s). MDPI and/or the editor(s) disclaim responsibility for any injury to people or property resulting from any ideas, methods, instructions or products referred to in the content. |
© 2025 by the authors. Licensee MDPI, Basel, Switzerland. This article is an open access article distributed under the terms and conditions of the Creative Commons Attribution (CC BY) license (https://creativecommons.org/licenses/by/4.0/).
Share and Cite
Fang, L.; Liu, H.; Fang, Z. Study of Adaptive Frequency Compensated Droop Control for Microgrid Inverters. Processes 2025, 13, 1626. https://doi.org/10.3390/pr13061626
Fang L, Liu H, Fang Z. Study of Adaptive Frequency Compensated Droop Control for Microgrid Inverters. Processes. 2025; 13(6):1626. https://doi.org/10.3390/pr13061626
Chicago/Turabian StyleFang, Li, Hanzhong Liu, and Zhou Fang. 2025. "Study of Adaptive Frequency Compensated Droop Control for Microgrid Inverters" Processes 13, no. 6: 1626. https://doi.org/10.3390/pr13061626
APA StyleFang, L., Liu, H., & Fang, Z. (2025). Study of Adaptive Frequency Compensated Droop Control for Microgrid Inverters. Processes, 13(6), 1626. https://doi.org/10.3390/pr13061626
