Next Article in Journal
Substrate and Doping Effects on the Growth Aspects of Zinc Oxide Thin Films Developed on a GaN Substrate by the Sputtering Technique
Previous Article in Journal
Carbon Footprint Analysis of Chemical Production: A Case Study of Blue Hydrogen Production
 
 
Font Type:
Arial Georgia Verdana
Font Size:
Aa Aa Aa
Line Spacing:
Column Width:
Background:
Article

Pipeline Inspection Gauge Trap Integrity Estimation for Upcoming Pigging Activities on Midstream Pipeline

1
Innovation Centre of Faculty of Mechanical Engineering, University of Belgrade, Kraljice Marije 16, 11000 Belgrade, Serbia
2
The Institute of General and Physical Chemistry of Belgrade, Studentski Trg 11/V, 11158 Belgrade, Serbia
3
NIS, a.d., Narodnog fronta 12, 21102 Novi Sad, Serbia
4
National Museum of Serbia, Trg Republike 1a, 11000 Belgrade, Serbia
5
Research and Development Institute Lola, Kneza Višeslava 70a, 11030 Belgrade, Serbia
*
Author to whom correspondence should be addressed.
Processes 2025, 13(4), 1255; https://doi.org/10.3390/pr13041255
Submission received: 8 March 2025 / Revised: 7 April 2025 / Accepted: 15 April 2025 / Published: 21 April 2025
(This article belongs to the Section Process Control and Monitoring)

Abstract

This paper focuses on a midstream pipeline to help us develop a better understanding of Pipeline Inspection Gauge (PIG) operation. A methodological combination of non-destructive testing (NDT), non-destructive evaluation (NDE), and risk-based inspection (RBI) was applied within an engineering system compatible with industry standards. In this sense, the implementation of the protocol and an assessment of the effectiveness of the proposed research model for solving problems that occur during a PIG’s working life, such as damage mechanisms and methods for its repair, are presented. The RBI methodology is derived using two mutually validating approaches to provide a result with low uncertainty. The result of this research confirms the expediency of the multi-perspective research approach and demonstrates the applicability of this methodology through a model study in the area of protocol creation—an essential aspect of ensuring the safety of pipeline inspections.

1. Introduction

Upstream facilities are designed to encompass as many oil and gas wells as possible, with water wells placed as close to these facilities as possible. The method for investigating problems that arise during the working life of PIGs (Pipeline Inspection Gauges) serves as a powerful tool for minimizing risk. This protocol should address several key aspects, including pipeline integrity and safety, load capacity, and similar factors. Problems encountered during the working life of PIGs—particularly during the preparation and execution phases—have not been extensively explored in the available literature sources. Therefore, there is a need to gather information on the underground medium flow’s condition and maintain these lines, as detailed in various case studies. Research related to systems for locating and/or tracking PIGs within the generic pipeline, as well as developing a high-precision inertial navigation system, is particularly significant. Additionally, establishing procedures for PIG localization/tracking with precise synchronization of measuring units, using high-sensitivity sensors, the accurate selection of useful bandwidth, real-time data transmission, and multi-channel data processing, is of great importance. The risk-based API methodology (RBI API) is also an area of research focus, as it aids in identifying and understanding risks. Consequently, this paper investigates the implementation of a protocol that integrates, from multiple perspectives, the stages necessary for inspecting, evaluating, detecting, and repairing PIG-related defects, alongside assessing the remaining lifespan of process equipment through RBI analysis.
Nowadays, this pipeline is commonly referred to as the midstream pipeline. A launching PIG trap is installed immediately before the pipeline enters the ground, while a receiving PIG trap is positioned at the upstream plant where the line exits the ground [1,2].
The primary function of these devices (PIG traps) is to facilitate the operation of appropriate PIG devices that provide insight into the condition of the underground medium flow and assist with the maintenance of these pipelines.
A pig is inserted into the pipeline being serviced, and fluid is pumped upstream of the pig to remove scale from the pipe wall, displace water from the pipeline, flush out trapped product, and clean the interior surfaces [3,4]. It is also utilized for pipeline examination, identifying dents, wrinkles, buckles, welding faults, and fractures and ensures product flow [5]. The pig is most effective when it runs at a nearly constant speed. Therefore, selecting the appropriate pig, estimating its speed and required pressure, and modeling its operations are very important for successful pig activities [6,7]. Detection techniques can identify pipeline deformation, and based on these findings, appropriate measures can be taken to prevent serious damage [8].
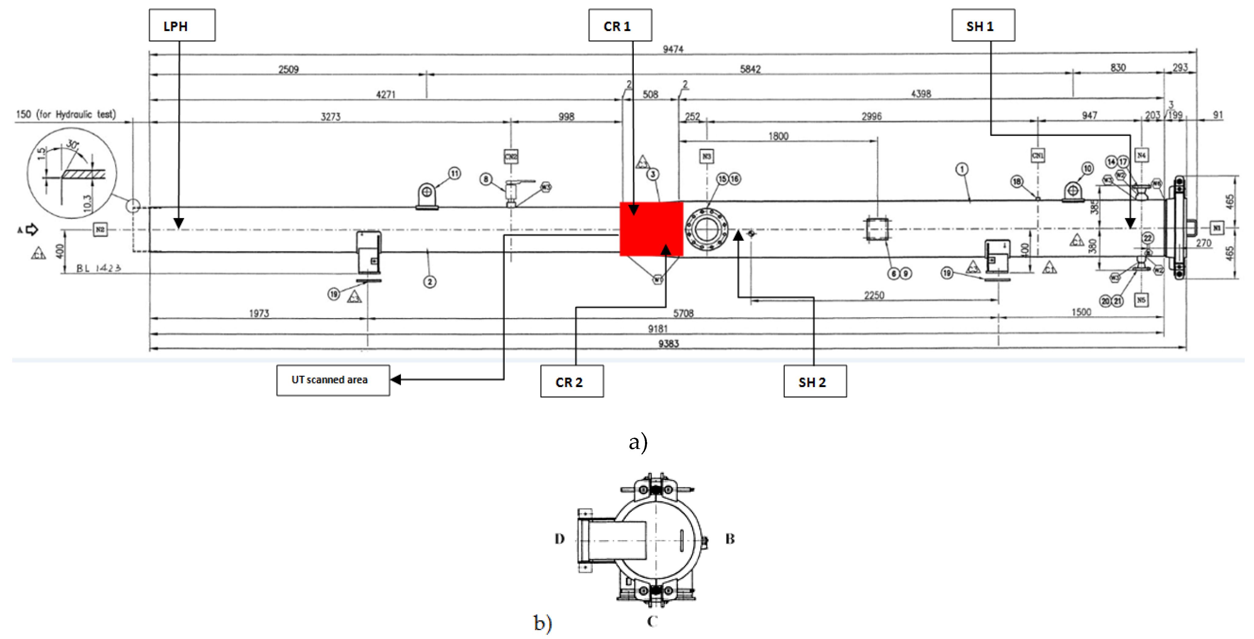
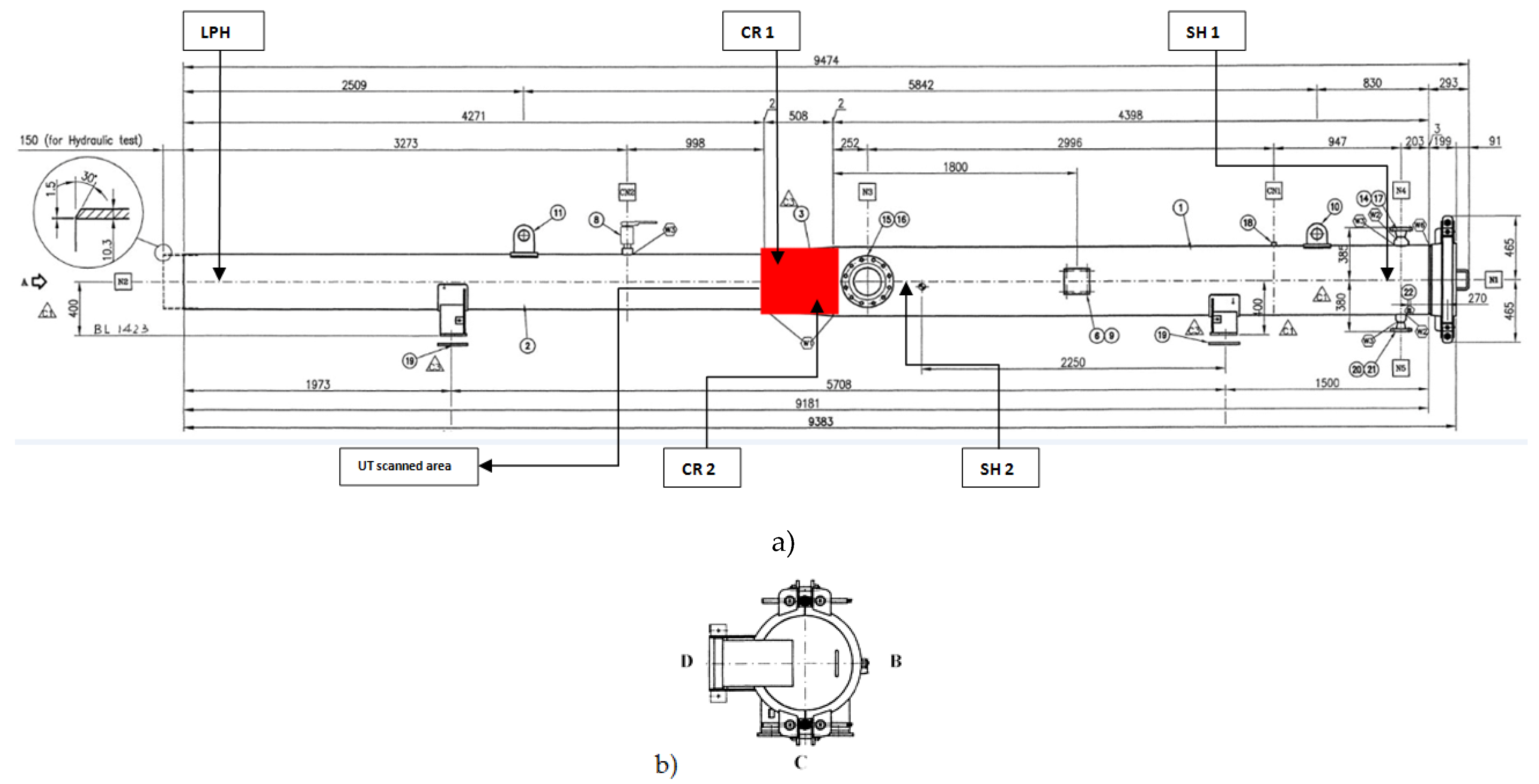
The basic configuration of the launcher–receiver system is depicted in Figure 1.
Although PIG release/reception traps have been utilized in the industry for over 80 years, particularly in the oil and gas sector, limited research addresses the problems encountered during their service life. Multiple threats affect the integrity and safety of pipelines, including corrosion, cracks, mechanical damage, material and manufacturing anomalies, geohazards, external disturbances, and dents [9,10,11].
There is a fatal risk of an accident due to pipeline defects, corrosion, and/or deformation [12,13]. Therefore, automated routine pipeline inspections are essential [14,15]. Al-Masri et al. [16] proposed a high-precision inertial navigation system for pipeline inspection, using two approaches: a full INS dynamic model and a 3-D reduced inertia sensor system. Various non-destructive inspection methods are used for pipelines, and among them, PIGs emerge as a very powerful tool for minimizing risks [14,17,18,19]. Piao et al. [20] described the high-sensitivity detection and real-time implementation of a high-speed PIG tracking system. Farh et al. [21] discussed internal corrosion protection techniques, and Piri et al. [22] investigated firewater pipeline failure mechanisms and remaining life. Ho et al. [23] presented different types of intelligent pigs used in inline inspection, including ultrasound, magnetic flux leakage, eddy current, radiation caliper/geometry, and imaging (optopig).
Regular cleaning and inspection are necessary to ensure safe and efficient pipeline operation [24,25,26]. Coramic and Ege [13] emphasized the importance of pipeline inspection, outlined the purposes of PIGs, and provided samples of pipeline applications.
However, problems during their working life (and particularly during the preparation and performance of PIG activities) have not been fully investigated in the available literature sources, and the main goal of this work is to describe and analyze them in the right way.
This paper presents our obtained results and an analysis of a visual examination, as well as surface and volumetric nondestructive methods performed on a receiving pig trap aimed at determining the extent of damage caused by previously identified damage mechanisms. Further investigations include determining the relevant corrosion rate and remaining life, conducted simultaneously with RBI calculation. The risk-based API methodology [27,28] is employed to identify and comprehend risks [29,30,31]. This includes evaluating the probability of failure and risk level of the vessel. Two different approaches are proposed: one based on API 581 and the other on OREDA, 2016 [32]. The corrosion rate and remaining life of the vessel are also calculated.

2. Design and Material Data of Receiving PIG Trap

Receiving pig traps belong to the process apparatus used to keep process lines clean, ensuring the proper operation of the production process over extended periods. Maintaining clean process lines (especially oil and gas pipelines) is crucial so that process parameters such as temperature, pressure, and mass flow/velocity remain within the required limits, preventing interruptions in the rectification of oil, gas, and other valuable fluids.
The use of pig trap devices is highly risky, as there is always a risk of the pig becoming stuck in the line during operation. This can result in prolonged downtine and significant material losses in any production process. Therefore, the proper preparation of pig traps and other instrumentation equipment (valves, gauges, transmitters, bypasses) is essential to prevent the negative consequences of pigging operations.
Considering these factors, the main objective of this article is to conduct an in-depth analysis of the proper methods for examining receiving pig traps to avoid the aforementioned issues. It should also be emphasized that the preparation of the launching station for pigging operations should be analyzed with equal attention. Furthermore, as a direction for future research, pigging devices should always be treated simultaneously.
For the detailed examination of the pig trap’s condition, a methodology was adopted that includes visual control, a surface NDT method, a volumetric NDT method, the calculation of corrosion rate and remaining life, and RBI analyses. This approach was implemented with the goal of identifying potential damage, including door deformation and cracking of the pig stopper caused by impacts from the pig and pig basket during pigging activities. It is important to note that such cracks can be microscopic in size and are often not visible to the naked eye.
In this paper, a 20″ receiving PIG trap is analyzed. This equipment has been in continuous service for nearly 15 years. The equipment is examined to determine the need for upcoming pigging activities for the line connecting the well collector to the plant. The design data and materials for the receiving trap are shown in Table 1.
Table 1 presents the most relevant data, including the materials used in the pig device, the actual values of their properties, information about the environment in which this process equipment is installed, and details regarding the fluid within the system.
It is important to note that during pigging operations, these parameters are crucial, especially because this type of apparatus is often exposed to high hammering loads. This is particularly significant for receiving pig traps, but not for launching pig traps, where the pig begins its journey.
Special attention should be given to the hammering loads acting on the door and pig stopper, since in frequent pigging operations, these components are often subjected to cyclic (fatigue) loading. Additionally, cracks may occasionally develop in the pig stopper and door hinges.
The transported medium is natural gas with the following flow conditions: the max working pressure is 37 barg, the max working temperature is 70 °C, and the max velocity of the medium is 45 m/s.
In addition to the values listed in Table 1, the following are the maximum allowable stresses for the material used in the main metal elements of the receiving PIG trap:
Shell header material API 5L-X65-S = 448.16 MPa;
Line pipe header material API 5L-X65-S = 448.16 MPa;
Concentric reducer material MSS-SP-75-S = 405 MPa.
The minimum required thicknesses (MRT) of the shell header and the line pipe header are calculated using the Barlow formula [33], and the estimated required thicknesses are listed in Table 2.
It should also be noted that the Receiving PIG trap is fabricated with quick-opening clamp ring closures.

3. Performed Examination Activities and Findings

Considering that pig traps are very important parts of midstream pipeline systems, special attention should be given to their examination and their preparation for pigging activities. To enhance pipeline safety, particular focus should be placed on the maintenance and testing of the following equipment: kicker valves, side valves, barrel isolation valves, pressure safety valves (PSVs), and pig signalers.
Company procedures should explicitly require the inspection and testing of this equipment before initiating any activities on the launching/receiving pig traps. This approach ensures that pig trap examinations are carried out properly and safely. Involving HSE personnel from the very beginning can be highly beneficial in developing and refining these company procedures.
The damage mechanisms that appeared during the working life of receiving PIG traps are as follows:
  • Atmospheric corrosion (AC);
  • Microbiologically influenced corrosion (MIC).
Considering the fact that the working fluid is gas, the likelihood of scale, wax, and other deposits forming is low. However, another potential damage mechanism involves the formation of cracks in the door or pig stopper due to the large hammering loads expected during pigging operations.
Pigging activity on the line that connects the well collector and upstream plant is planned to be performed in the near future. On the well, the collector placed a PIG launcher vessel, while the plant placed a receiving PIG station. This receiving PIG station consists of 6 receiving PIG traps, and in this paper, we will analyze one of them. An estimation of the integrity of the Receiving PIG trap was performed to avoid any unplanned bad consequences during pigging activities. On that occasion, a detailed visual examination was performed with penetrant tests of the relevant weld joints as well as ultrasonic examination. The visual testing included visual checking of external metal surfaces before and after the cleaning process. On that occasion, it was observed that the external metal surfaces were found to be generally in good condition and without visible traces of corrosion, as shown in Figure 2a. Further inspection included examining the quick-open closure and area for the ring joint gasket. In addition, the quick-open closure was found to be in good condition, and the bevel for the ring joint gasket was in good shape. The mentioned examination was conducted to check the necessary sealing during pigging activities. In addition to this, the PIG signaler was visually inspected and found to be in good condition at the moment of examination.
Figure 2b presents the PIG tray and internal surfaces after the cleaning process.
Insight into the status of the internal metal surfaces has revealed that they were (in the accessible places) in good condition.
Further examination of the receiving PIG trap has included checking the status of relevant weld joints according to the previously adopted plan of penetrant examination. On that occasion, we performed penetrant tests of the circular (butt) weld joint, which connects the shell header and quick-open closure and angle weld joint between the PIG tray (basket) stop and shell header, as shown in Figure 3.
Dye-colored penetrant garniture was used during the penetrant examination, as shown in Figure 4.
The results of the penetrant tests of the examined weld joints revealed that a circular weld joint was found without weld defects, while a crack was noted at the PIG tray stop (Figure 5).
Further examination of the pressure equipment (receiving PIG trap with quick-opening clamp ring closure) included an ultrasonic examination of metal surfaces according to the previously established orientation and a prepared ultrasonic scheme according to relevant standards from this area.
A review of the measured thicknesses values is presented in Figure 6. The measured values are listed in Table 3.
During ultrasonic measuring, extensive metal thinning was noted on the lower part of the cone reducer. Hence, detailed scanning of the cone reducer was conducted, and the minimum measured values in all four quadrants are presented in Table 3. For measuring, a Gilardoni flaw detector was used and device calibration was performed using a step wedge with a range of 0–25 mm and steps of 6.25 mm.
The mentioned research was conducted on a pig trap, but the strategy outlined can be applied (or adopted) for the examination of all types of launching/receiving pig traps. In addition, special attention should be paid when examining launching/receiving pig traps installed on offshore plants or those that are vertically installed. In these cases, the focus should be on preventing intrusion by examination personnel and tools in the apparatus. HSE personnel should be fully involved in creating procedures for these activities. Additionally, gas testing activities should be performed more frequently than during inspection for pig traps in a horizontal position. This is especially important in cases where the presence of H2S is expected, as its density is higher than that of air.

4. Estimation of Process Equipment’s Remaining Life

The relevant corrosion rates for the main metal elements were calculated to estimate the remaining life.
In general, the corrosion rate is calculated in the following ways. For a long time (LT) period, the corrosion rate (CR) is
CR(LT) = (tinitial − tactual)/(years between them),
where the elements are defined as follows:
tinitial is the initial thickness at the same CML as tactual. It is either the first thickness measurement at this CML or the thickness at the start of a new corrosion rate environment in inches or in mm.
tactual is the actual thickness of a CML, in inches or mm, measured during the most recent inspection.
For a short time (ST) period, the corrosion rate (CR) is
CR(ST) = (tpreviously − tactual)/(years between them),
where tpreviously is the previous thickness measured during prior inspection. It is in mm or inches and in the same location as tactual measured during the previous inspection.
On the other hand, the remaining life (RL) of the vessels (in years) is calculated from the following formula:
RL = (tactual − trequired)/(relevant corrosion rate),
where trequired is the minimum required thickness at the same CML or component, in mm (inches), as the tactual measurement.
It is computed based on the design formulas (e.g., pressure and structure) and does not include the corrosion allowance or manufacturer’s tolerances. Here, it should be highlighted that remaining-life calculations have a significant impact on the efficiency and effectiveness of the inspection and maintenance process. The corrosion rate and thickness data used in remaining-life calculations should be validated, as they will be used to determine the next inspection dates [34,35].
Incorrect data can lead to an increased likelihood of unanticipated equipment failure or the premature retirement of vessels. In our case, only CR(LT) could be calculated because the vessel has been in continual service for around 14 years, and there are no data about previous inspections and thickness measurements. Also, to increase accuracy in the remaining-life estimation of the vessel, one very important approximation was adopted. Namely, considering that ultrasonic thickness measuring was conducted on metal surfaces with a coating and that the device had no precise opportunity for measuring the paint thickness, based on the relevant datasheet, we adopted a value of dry paint thickness of 0.3 mm. The receiving pig trap analyzed in this article was painted on its external surface. The painting system used for this process was selected based on the material of the pig trap and the environmental conditions (particularly relative humidity and temperature) to which the apparatus is exposed during operational service.
For this purpose, the Penguard painting system was chosen in accordance with ISO 8501-1-3 standards. The paint was applied in the following four layers:
  • Primer coat: inorganic zinc primer (dry film thickness (DFT) = 50 microns).
  • Intermediate coat: epoxy primer (DFT = 50 microns).
  • Intermediate coat: epoxy undercoat (DFT = 150 microns).
  • Topcoat: polyurethane topcoat (DFT = 150 microns).
Summing up the dry film thickness values, the total coating thickness was 300 microns (0.3 mm). This thickness was subtracted from the measured values during ultrasonic thickness testing.
Hence, for further calculations, the minimum measured thickness value for the cone reducer was 6.69 mm, while the minimum measured thickness for line pipe header was 9.65 mm. Consequently, the corrosion rate (LT) for the cone reducer was
CR(LT) = 0.2579 mm/year
The corrosion rate (LT) for line pipe header was
CR(LT) = 0.0464 mm/year
A higher corrosion rate value was used to estimate the vessel’s remaining life. Finally, the remaining life was
RL = 17.29 years.

5. Remediation of Crack on the Receiving PIG Trap

As shown in the analysis in the previous section, penetrant tests noted a crack on the angle weld joint at the connection of the shell header and basket stop. So, the remediation of this item is necessary to meet the needs of upcoming pigging activities. For this purpose, the basket stop was removed through a grinding process, and this area of the shell header was examined in detail on existing possible residual cracks in the base material, as shown in Figure 7a,b.
The reinstallation of the basket stop at the appropriate location was performed using an approved and tested WPS by an appropriate PQR with the GTAW welding process. On that occasion, ER80S-D2 wire was used (with a wire diameter of 2.4 mm). The voltage during the welding process was in the range of 9–12 V, while the welding current was in the range of 90–110 A.
With the aim of comprehensively checking the new weld joint after finishing the welding process, we first conducted a detailed visual examination. A penetrant test of this weld joint was also performed, as shown in Figure 7c,d. Radiographic and metallographic examination showed no defects in the repaired weld joint.
Vickers hardness tests were performed with an applied load of 10 kgf (HV10). The hardness in the heat-affected zone (max value 236 HV10) and weld metal (max value 221 HV10) was higher than in the base metal (max value 187 HV10), suggesting that the reparation of the weld joint was performed well.
According to the examination results that were obtained, we have concluded that the fabricated weld joint was without weld defects.
Typically, the intervals for the internal inspection of pressure equipment are 5 or 10 years, depending on the materials and working fluids. However, for pig traps, an inspection interval of no more than 5 years should be adopted. This interval should align with the inspection and testing for the following equipment: kicker valves, side valves, barrel isolations valves, pressure safety valves (PSVs), and pig signalers. It is important to note that testing of the listed equipment should be performed before any activities are carried out on the launching/receiving pig traps.

6. RBI Analysis of the Pressure Equipment

A risk-based inspection methodology was performed according to API 580 [27] and API 581 [28]. In this paper, two approaches are employed: the first one, PoFg, includes the generic failure frequency (gff), and its determination requires more complex data, while the second one, PoFw, uses the Weibull parameter and is more suitable for use when conducting RBI analysis to perform a basic inspection [28,32,36,37].
RBI is calculated according to API 581 [28] as the product of the probability of failure (PoF) and the consequence of failure (CoF), presented in the following equations:
R(t) = P(t) * C(t),
R(t) = gff * D_f (t) * F_MS,
The most important results are summarized in Table 4. The risk is calculated at the RBI date. The age at the RBI date is 14 years. The damage thinning factor is calculated according to API 581.
Art = 0.2372699 and Inspection Effectiveness Category = B are usually effective.
The probability of failure at the RBI date is 0.023715.
The final consequence area is 61,500 m2, and the total damage factor is 2851.6 at the RBI date.
The categories of the presented vessel from the standpoints of area-based and financial consequences are determined from standard API 581 [28], according to the probability of failure, damage factor, and area-based or financial consequence of failure. The pig trap belongs to category C4 on the RBI date for the consequence area and D4 for the financial consequence. This analysis took these values as reference values for the ISO-risk plot and risk matrix.
The results are presented in an ISO-risk plot for the consequence area and financial consequence in Figure 8a,b, respectively, and according to the results, the vessel incurs a medium–high level of risk.
The second approach considers the Weibull parameters and is calculated as follows [32].
P o F w = 1 e x p t η β ,
where
t is time, years;
η is the Weibull characteristic life parameter, years;
β is the Weibull shape parameter.
The Weibull characteristic life parameter is calculated according to [28,37]
η = M T T F Γ 1 + 1 β
MTTF is the mean time to failure and is calculated as the reciprocal value of the mean failure rate. Γ (1 + 1/β) is the Gamma function of (1 + 1/β).
The mean failure rate is taken from OREDA—Offshore and onshore reliability data [32]—and presented in Table 5. OREDA contains data related to the failure frequency and failure rate for various process equipment used in the offshore and onshore oil and gas industry.
For the given values presented in Table 4, the obtained results are as follows:
FR = 0.0266;
MTTF = 37.55;
η = 42.191;
PoF = 0.062499.
The calculated risks were 32.99947 m2/yr and 1,572,673 EUR/yr.
The second approach that uses OREDA data confirms the PoFg calculation using the generic failure frequency.
The two different approaches to the problem of risk determination mutually confirm each other. The presented calculations indicate the need to monitor and measure the wall thickness of all similar PIG devices operating in similar conditions.
Table 6 presents the numerical values for the probability of failure (POF), Area-Based Consequence of Failure (COF), and Financial-Based COF categories, as defined in the API 581 standard. These values are used to construct the balanced risk matrix shown in Figure 9. The POF (or damage factor) is used to determine the probability level, while the Area-Based COF and Financial-Based COF are used to determine the consequence level.
The risk category of the pig trap is C4 for Area-Based COF and D4 for Financial-Based COF, both of which fall into the medium–high risk category. This is illustrated in the risk matrix shown in Figure 9. In the balanced risk matrix, blue squares represent a low level of risk, green squares indicate medium risk, gray squares correspond to medium–high risk, and red squares signify a high risk level. The red-colored letters in the matrix denote the risk level of the pig trap analyzed in this study.
Figure 9 presents a risk matrix for the area of consequence and financial consequence.
The results of the applied NDT methods and risk analysis provide guidelines for further dealing with pressure equipment and reducing the risk of breakdown and damage. The inspection plan will include the type and schedule/frequency of NDT and common risk-reducing activities: changing materials, applying corrosion-resistant coatings or injecting corrosion-inhibiting chemicals, changing operating conditions, etc.
One of the biggest challenges in these types of inspections occurs with pig traps of smaller dimensions, where direct inspection of internal surfaces is practically impossible. In such cases, a strategy of remote (indirect) inspection should be used, but the uncertainty factor in the obtained results must always be considered. The research presented in this paper should be adopted as a general strategy that can be incorporated into pipeline maintenance. This strategy can be applied regardless of whether the pipelines are aboveground, underground, or underwater. It is important to note that at offshore plants, pig traps are usually installed in vertical positions. Therefore, more attention should be given during the examination process to prevent personnel and tools from intruding into the pig trap while performing inspection activities. Safety precautions should be strictly followed during these tasks, and adequately skilled HSE personnel should be present at all times.

7. Conclusions

  • This paper proposed and tested a multi-perspective research protocol for the application of Pipeline Inspection Gauges (PIGs), through a combination of non-destructive testing (NDT), non-destructive evaluation (NDE), and inspection based on risk assessment (API RBI), in preparation for upcoming pig activities using a 20″ receiving pig trap, conducting a detailed examination.
  • The damage mechanisms that mostly influenced the analyzed receiving PIG trap are atmospheric and microbiologically influenced corrosion. Based on the results of ultrasonic measuring, the relevant corrosion rate is 0.2579 mm/year, and the remaining life is estimated to be 17 years. The date of the next inspection is in 8.6 years.
  • The RBI methodology revealed that the vessel falls under the medium–highly risk category.
  • Within the selected case study, the function of which was to provide a realistic representation of the process for the testing and verification of the integral NDT, NDE, and API RBI (API 580, API 581) approaches to process control, inspections were carried out, diagnostics were carried out, and then reparation of the observed damage was carried out, which tested the selected protocol and demonstrated its effectiveness.
  • The multi-perspective protocol of the integration of NDT, NDE, and RBI presented in this paper represents an improved procedure for equipment safety and failure risk reduction and is suitable for implementation in the context of sustainable development and environmental protection.
Future research related to pig traps could involve measuring pig velocity to analyze the impact of pig devices and pig baskets on the pig stopper and receiving pig trap door. In cases where small cracks are observed, future research could focus on measuring crack propagation after subsequent pigging activity. Specifically, after a small crack is observed, it should not be repaired immediately; instead, its propagation should be analyzed after the next pigging operation. The RBI approach will be applied to other pressure equipment units in gas and oil plants and compared and analyzed to understand their interrelations and to propose the safest operational protocol.

Author Contributions

Conceptualization, M.J. and S.P. (Sanja Petronić); methodology, M.J. and S.P. (Sanja Petronić); investigation, M.J and Z.B.; writing—original draft preparation, M.J. and S.P. (Sanja Petronić); writing—review and editing, Z.B., S.P. (Suzana Polić) and I.V.M.; supervision, I.V.M.; project administration, Z.B. and S.P. (Suzana Polić). All authors have read and agreed to the published version of the manuscript.

Funding

This research was funded by the ministry of science, technological development and innovation of the republic of Serbia through contracts Nos. 451-03-136/2025-03/200213, 451-03-136/2025-01/200051, and 451-03-136/2025-03/200066.

Data Availability Statement

The original contributions presented in this study are included in the article. Further inquiries can be directed to the corresponding author.

Conflicts of Interest

Author Zagorka Brat was employed by NIS, a.d. The remaining authors declare that the research was conducted in the absence of any commercial or financial relationships that could be construed as a potential conflict of interest.

References

  1. Jaric, S.M.; Budimir, J.N.; Petronic, S.Z.; Sedmak, A.S. Analysis of remediation of manifold line damaged by longitudinal crack on the piping elbow at oil&gas well collector. Struct. Integr. Life 2024, 1, 111–115. [Google Scholar]
  2. Tiratsoo, J.N.H. Pipeline Pigging Technology; Gulf Publishing Company: Houston, TX, USA, 1999. [Google Scholar]
  3. Tolmasquim, T.; Nieckele, A.O. Design and control of pig operations through pipelines. J. Pet. Sci. Eng. 2008, 62, 102–110. [Google Scholar] [CrossRef]
  4. Hiltscher, G.; Muhlthaler, W.; Smits, J. Industrial Pigging Technology: Fundamentals, Components, Applications; Wiley VCH: Weinhem, Germany, 2003. [Google Scholar] [CrossRef]
  5. Nath, A. A Critical Review of Pigging Operations in the Pipeline. I-Manag. J. Mech. Eng. 2023, 13, 42–51. [Google Scholar] [CrossRef]
  6. Esmaeilzadeh, F.; Mowla, D.; Asemani, M.; Shiraz, U. Modeling of Pig Operations in Natural Gas and Liquid Pipeline. In Proceedings of the SPE Annual Technical Conference and Exhibition, San Antonio, TX, USA, 24–27 September 2006. [Google Scholar] [CrossRef]
  7. Li, L.Z.; Rosli, M.I.; Panuh, D. Velocity Modelling for Pipeline Inspection Gauge. J. Kejuruter. 2019, 31, 275–280. [Google Scholar] [CrossRef]
  8. Haniffa, M.A.; Hashim, F.M. Recent Developments in Speed Control System of Pipeline PIGs for Deepwater Pipeline Applications. World Acad. Sci. Eng. Technol. 2012, 62, 394–397. [Google Scholar]
  9. Yuan, J.; Tian, L.; Zhu, W.; Tan, S.; Xin, T.; Li, D.; Feng, W.; Zhang, H.; Li, X.; Huang, J.; et al. Internal localized corrosion of X65-grade crude oil pipeline caused by the synergy of deposits and microorganisms. Eng. Fail. Anal. 2023, 149, 107276. [Google Scholar] [CrossRef]
  10. Alamri, H.A. Localized corrosion and mitigation approach of steel materials used in oil and gas pipelines—An overview. Eng. Fail. Anal 2020, 116, 104735. [Google Scholar] [CrossRef]
  11. Zhao, J.; Yun-Rong, L.; Cheng, Y.F. Standards and methods for dent assessment and failure prediction of pipelines. Pet. Sci. 2022, 19, 3029–3045. [Google Scholar] [CrossRef]
  12. Feng, Q.; Li, R.; Nie, B.; Liu, S.; Zhao, L.; Zhang, H. Literature Review: Theory and Application of In-LineInspection Technologies for Oil and Gas Pipeline Girth Weld Defection. Sensors 2016, 17, 50. [Google Scholar] [CrossRef]
  13. Coramik, M.; Ege, Y. Discontinuity Inspection in Pipelines: A Comparison Review. Measurement 2017, 111, 359–373. [Google Scholar] [CrossRef]
  14. Liu, Z.; Kleiner, Y. State of the art review of inspection technologies for condition assessment of water pipes. Measurement 2013, 46, 1–15. [Google Scholar] [CrossRef]
  15. Archila, J.F.; Becker, M. Study of robots to pipelines, mathematical models and simulation. In Proceedings of the 2013 Latin American Robotics Symposium and Competition, Arequipa, Peru, 21–27 October 2013; pp. 18–23. [Google Scholar]
  16. Al-Masri, W.F.M.; Abdel-Hafez, M.F.; Jaradat, M.A. Inertial Gauge Navigation System for Pipeline Inspection. IEEE Trans. Control. Syst. Technol. 2018, 28, 609–616. [Google Scholar] [CrossRef]
  17. Kim, H.M.; Park, G.S.A. New Sensitive Excitation Technique in Nondestructive Inspection for Underground Pipelines by Using Differential Coils. IEEE Trans. Magn. 2017, 53, 6202604. [Google Scholar] [CrossRef]
  18. Rodríguez-Olivares, N.; Cruz-Cruz, J.; Gómez-Hernández, A.; Hernández-Alvarado, R.; Nava-Balanzar, L.; Salgado-Jiménez, T.; Soto-Cajiga, J. Improvement of Ultrasonic Pulse Generator for Automatic Pipeline Inspection. Sensors 2018, 18, 2950. [Google Scholar] [CrossRef]
  19. Miro, J.V.; Hunt, D.; Ulapane, N.; Behrens, M. Towards Automatic Robotic NDT Dense Mapping for Pipeline Integrity Inspection. In Field and Service Robotics; Springer Proceedings in Advanced Robotics; Springer: Cham, Switzerland, 2018; Volume 5, pp. 319–333. [Google Scholar]
  20. Piao, G.; Guo, J.T.; Hu, Y.; Deng, Y. High-Sensitivity Real-Time Tracking System for High-Speed Pipeline Inspection Gauge. Sensors 2019, 19, 731. [Google Scholar] [CrossRef]
  21. Farh, H.M.H.; Ben Seghier, M.; El, A.; Zayed, T. A comprehensive review of corrosion protection and control techniques for metallic pipelines. Eng. Fail. Anal. 2023, 143, 106885. [Google Scholar] [CrossRef]
  22. Piri, B.; Amini, R.; Asadinia, E.; Vardak, S.; Mehdilouee, R.; Mojarrad, A. Investigation of failure mechanisms and remaining life prediction of firewater pipelines used in industrial applications. Eng. Fail. Anal. 2021, 124, 105301. [Google Scholar] [CrossRef]
  23. De Freitas, C.G.V.; De Aruajo, G.V.; De Carvalho Crisostomo, C.D.; De Lima, F.G.; Neto, D.D.A.; Salazar, O.A. Velocity prediction of a pipeline inspection gauge (PIG) with machine learning. Sensors 2022, 22, 9162. [Google Scholar] [CrossRef]
  24. Liu, H.; Zhang, H.; Zhang, X.; Chen, M.O.; Gao, M. Theoretical research of impact vibration of multi-section serial pipeline inspection gauge in large drop pipeline. Eng. Fail. Anal. 2024, 162, 108430. [Google Scholar] [CrossRef]
  25. Tiratsoo, J.N.H. Pipeline Pigging and Integrity Technology, 4th ed.; Clarion Technical Conferences LLC: Houston, TX, USA, 2013. [Google Scholar]
  26. Ho, M.; El-Borgi, S.; Patil, D.; Song, G. Inspection and monitoring systems subsea pipelines: A review paper. Struct. Health Monit. 2020, 19, 606–645. [Google Scholar] [CrossRef]
  27. API 580; Risk Based Inspection. American Petroleum Institute: Washington, DC, USA, 2016.
  28. API 581; Risk Based Inspection Methodology. American Petroleum Institute: Washington, DC, USA, 2016.
  29. Babaeian, A.; Eslami, A.; Ashrafizadeh, F.; Golozar, M.A.; Samadzadeh, M.; Abbasian, F. Risk-based inspection (RBI) of a gas pressure reduction station. J. Loss Prev. Process Ind. 2023, 84, 105100. [Google Scholar] [CrossRef]
  30. Bhatia, K.; Khan, F.; Patel, H.; Abbassi, R. Dynamic risk-based inspection methodology. J. Loss Prev. Process Ind. 2019, 62, 103974. [Google Scholar] [CrossRef]
  31. Li, Y.T.; He, X.N.; Shuai, J. Risk analysis and maintenance decision making of natural gas pipelines with external corrosion based on Bayesian network. Pet. Sci. 2022, 19, 1250–1261. [Google Scholar] [CrossRef]
  32. OREDA. Offshore and Onshore Reliability Data Handbook, Volume 1—Topside Equipment, 6th ed.; OREDA Participants: London, UK, 2015. [Google Scholar]
  33. API 574; Inspection Practices for Piping System Components, 4th ed. American Petroleum Institute: Washington, DC, USA, 2016.
  34. ASME-BPVC-Section VIII-Division 1; American Society of Mechanical Engineers: New York, NY, USA, 2023.
  35. Jarić, M.S.; Petronić, S.Z.; Budimir, N.J.; Colic, K.G.; Jeremić, L.D. Analysis of the estimated remaining service life of gas rectification columns. Therm. Sci. 2021, 25, 3813–3833. [Google Scholar] [CrossRef]
  36. Petronic, S.; Jaric, M.; Stevic, Z.; Maslarevic, A.; Vasovic, I. Analysis of remaining life assessment of three-phase gravity separator for oil rectification with the simultaneous usean RBI matrix. Int. J. Press. Vessel. Pip. 2024, 209, 105206. [Google Scholar] [CrossRef]
  37. Prayoga, D.G.S.; Priyanta, D.; Siswantoro, N. Comparative Analysis of Probability of Failure Determination Using Weibull Distribution and Generic Failure Frequencies on Heat Exchanger Tube Bundles Based on API 581. Int. J. Mar. Eng. Innov. Res. 2018, 2, 210–215. [Google Scholar] [CrossRef]
Figure 1. Launcher–receiver PIG trap configuration.
Figure 1. Launcher–receiver PIG trap configuration.
Processes 13 01255 g001aProcesses 13 01255 g001b
Figure 2. (a) Receiving PIG trap—general view. (b) Internal metal surfaces post cleaning process.
Figure 2. (a) Receiving PIG trap—general view. (b) Internal metal surfaces post cleaning process.
Processes 13 01255 g002
Figure 3. Adopted scheme for penetrant examination.
Figure 3. Adopted scheme for penetrant examination.
Processes 13 01255 g003
Figure 4. Circular joint of shell header after spraying PT.
Figure 4. Circular joint of shell header after spraying PT.
Processes 13 01255 g004
Figure 5. Angle weld joint of Shell header at PIG tray stop.
Figure 5. Angle weld joint of Shell header at PIG tray stop.
Processes 13 01255 g005
Figure 6. The spots of UT measurements listed in Table 3: (a) front view; (b) left side view. Results of ultrasonic measuring.
Figure 6. The spots of UT measurements listed in Table 3: (a) front view; (b) left side view. Results of ultrasonic measuring.
Processes 13 01255 g006
Figure 7. (a) Shell header after spraying penetrant; (b) shell header after spraying developer; (c) basket stop—new weld joint after spraying PT; (d) new weld joint after spraying developer.
Figure 7. (a) Shell header after spraying penetrant; (b) shell header after spraying developer; (c) basket stop—new weld joint after spraying PT; (d) new weld joint after spraying developer.
Processes 13 01255 g007aProcesses 13 01255 g007b
Figure 8. (a) Iso-risk plot for the consequence area. The vessel incurs a medium–high risk. (b) Iso-risk plot for financial consequence. The vessel incurs a medium-high risk.
Figure 8. (a) Iso-risk plot for the consequence area. The vessel incurs a medium–high risk. (b) Iso-risk plot for financial consequence. The vessel incurs a medium-high risk.
Processes 13 01255 g008
Figure 9. Balanced risk matrix for consequence area and financial consequence—red colored squares.
Figure 9. Balanced risk matrix for consequence area and financial consequence—red colored squares.
Processes 13 01255 g009
Table 1. Design data of 20″/16″ receiving PIG trap.
Table 1. Design data of 20″/16″ receiving PIG trap.
NoItemValueParameter
1Shell headerAPI5L-X65CS
2Line pipe headerAPI5L-X65CS
3Concentric reductionMSS-SP-75WPHY-65
4Basket stopFE 360 BUNI7070
5Shell header—size20″ × 4398Inches × mm
6Line pipe header—size16″ × 4271Inches × mm
7Shell header—thicknesses12.70mm
8Line pipe header—thickness10.30mm
9Cone reducer—bigger sidefi482.6 × 12.70mm
10Cone reducer—lower sidefi385.8 × 10.30mm
11Cone reducer—length508.0mm
12Cone reducer—angle5.44°
13Basket stop—size20 × 30 × 10mm
14PIG signaler + bossAISI 316/F52fi2 cl.600
15Working mediumNatural gas-
16Design pressure46.3/671.5barg/psi
17Test pressure50.9barg
18Design temperature−28/+100°C
19InsulationNo-
20Joint efficiency1.0-
21Stress relievingNo-
22Corrosion allowance6.35mm
23Radiographic testing100%
24Net weight1650kg
25Net weight basket100kg
26Capacity1450Liters
27Weight full of water3100kg
28Operating weight3070kg
29Test methodhydrotestWater
30Design standardsASME and API-
Table 2. The minimum required thickness of particular parts of the PIG.
Table 2. The minimum required thickness of particular parts of the PIG.
Part of EquipmentMRT
shell header2.62 mm
pipeline header2.62 mm
bigger part of the cone reducer2.79 mm
lower part of the cone reducer2.23 mm
Table 3. Measured wall thickness at spots depicted in Figure 6.
Table 3. Measured wall thickness at spots depicted in Figure 6.
PositionLine Pipe Header (LPH)Cone Reducer 1
(CR1)
Shell Header 1
(SH 1)
Cone Reducer 2
(CR2)
Shell Header 2
(SH2)
A11.786.9913.1415.2412.58
B10.4810.4513.3515.3312.76
C9.959.3413.5914.4412.88
D11.4310.4113.3416.1013.05
Table 4. Calculation results summarized for separator.
Table 4. Calculation results summarized for separator.
@ RBI Date
Art0.2372699
Inspection Effectiveness CategoryB
Damage stage1
Total damage factor775
POF with inspection, failures/yr0.023715
Final consequence area m2528
The final financial consequence, EUR9,325,836.60
Risk, m2/yr12.52152
Risk, EUR/yr596,744.65
Table 5. Mean failure rate for specific failure models.
Table 5. Mean failure rate for specific failure models.
Failure ModesMean Failure Rate (106 h)
Fail to start on demand0.42
Fail to stop on demand0.42
Plugged/choked2.2
Total3.04
Table 6. Numerical values associated with POF and Area-Based COF and Financial-Based COF (API 581).
Table 6. Numerical values associated with POF and Area-Based COF and Financial-Based COF (API 581).
CategoryProbability CategoryConsequence Category
Probability RangeDamage FactorRange CategoryRange
(m2)
Consequence Category
Range (EUR)
1Pf (t) ≤ 3.06 × 10−5Df ≤ 1ACA ≤ 9.29FC ≤ 10,000
23.06 × 10−5 < Pf (t) ≤ 3.06 × 10−41 < Df ≤ 10B9.29 < CA ≤ 92.910,000 < FC ≤ 100,000
33.06 × 10−4 < Pf (t) ≤ 3.06 × 10−310 < Df ≤ 100C92.9 < CA ≤ 929100,000 < FC ≤ 1,000,000
43.06 × 10−3 < Pf (t) ≤ 3.06 × 10−2100 < Df ≤ 1000D929 < CA ≤ 92901,000,000 < FC ≤ 10,000,000
5Pf (t) > 3.06 × 10−2Df > 1000ECA > 9290FC > 10,000,000
Disclaimer/Publisher’s Note: The statements, opinions and data contained in all publications are solely those of the individual author(s) and contributor(s) and not of MDPI and/or the editor(s). MDPI and/or the editor(s) disclaim responsibility for any injury to people or property resulting from any ideas, methods, instructions or products referred to in the content.

Share and Cite

MDPI and ACS Style

Jarić, M.; Petronić, S.; Brat, Z.; Polić, S.; Maksimović, I.V. Pipeline Inspection Gauge Trap Integrity Estimation for Upcoming Pigging Activities on Midstream Pipeline. Processes 2025, 13, 1255. https://doi.org/10.3390/pr13041255

AMA Style

Jarić M, Petronić S, Brat Z, Polić S, Maksimović IV. Pipeline Inspection Gauge Trap Integrity Estimation for Upcoming Pigging Activities on Midstream Pipeline. Processes. 2025; 13(4):1255. https://doi.org/10.3390/pr13041255

Chicago/Turabian Style

Jarić, Marko, Sanja Petronić, Zagorka Brat, Suzana Polić, and Ivana Vasović Maksimović. 2025. "Pipeline Inspection Gauge Trap Integrity Estimation for Upcoming Pigging Activities on Midstream Pipeline" Processes 13, no. 4: 1255. https://doi.org/10.3390/pr13041255

APA Style

Jarić, M., Petronić, S., Brat, Z., Polić, S., & Maksimović, I. V. (2025). Pipeline Inspection Gauge Trap Integrity Estimation for Upcoming Pigging Activities on Midstream Pipeline. Processes, 13(4), 1255. https://doi.org/10.3390/pr13041255

Note that from the first issue of 2016, this journal uses article numbers instead of page numbers. See further details here.

Article Metrics

Back to TopTop