Study on Energy Efficiency Characteristics of Ground Source Heat Pump with Coupled Evaporative Condensers in Different Regions
Abstract
1. Introduction
2. Mathematical Model and Method
2.1. The Theoretical Model of EC-GSHP
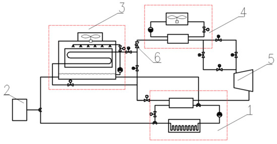
2.1.1. The Principle Model of EC-GSHP
2.1.2. The Numerical Calculation Model of EC-GSHP
2.2. The Simulation Model
2.3. The Building Load Model
2.3.1. Design of Operating Conditions
2.3.2. Design of Working Conditions
2.4. Mathematical Model and Method Analysis
3. Results and Discussions
3.1. Operation Energy Consumption in Balanced Heating–Cooling Region
3.2. Operation Energy Consumption in Non-Uniform Heating–Cooling Regions
3.3. Comparison of Operation Energy Consumption in Different Typical Regions
4. Conclusions
- (1)
- In terms of energy saving, the energy-saving coefficients of the EC-GSHP system are 21.09%, 22.98%, and 21.41% in the balanced cooling–heating load region, the region with more cooling and less heating, and the region with less cooling and more heating, respectively. It can be seen that the EC-GSHP system achieves a significant reduction in energy consumption in each region.
- (2)
- In terms of the comprehensive COP, the EC-GSHP system has a comprehensive COP of 5.95, 6.50, and 6.05 in the balanced cooling–heating load region, the region with more cooling and less heating, and the region with less cooling and more heating, respectively. It can be seen that there is a significant increase in the comprehensive COP across the various climatic regions, with the greatest increase observed in the region with more cooling and less heating.
Author Contributions
Funding
Data Availability Statement
Acknowledgments
Conflicts of Interest
References
- Zhao, H.; Zheng, J.P.; Wang, H.Y. The causes, countermeasures and implications of the international energy crisis-A comparative analysis based on the perspective of historical evolution. Price Theory Pract. 2021, S1, 28–31. [Google Scholar]
- Ruan, X. A study on Energy Consumption and Reduction Technology in Buildings’ HVAC. J. World Archit. 2019, 3, 5–8. [Google Scholar] [CrossRef]
- Liu, S.; Taleghani, A.D. Factors affecting the efficiency of closed-loop geothermal wells. Appl. Therm. Eng. 2023, 222, 119947. [Google Scholar] [CrossRef]
- Liu, S.; Taleghani, A.D. Analysis of an enhanced closed-loop geothermal system. Geoenergy Sci. Eng. 2023, 231, 212296. [Google Scholar] [CrossRef]
- Liu, S.; Taleghani, A.D.; Ji, K. An advanced closed-loop geothermal system to substantially enhance heat production. Energy Convers. Manag. 2024, 322, 119168. [Google Scholar] [CrossRef]
- Lai, Y.; Gao, Y. Impact of Energy System Optimization Based on Different Ground Source Heat Pump Models. Energies 2024, 17, 6023. [Google Scholar] [CrossRef]
- Wang, Z.Z.; Ou, C.H.; Wang, H.Y.; Jin, P.P.; Li, D.; Zhang, Y.P. Type characteristics and development and utilization progress of geothermal resources in China. Water Resour. Hydropower Eng. 2019, 50, 187–195. [Google Scholar]
- Wang, Z.G.; Fan, Z.; Chen, X.; Fan, Z.; Wei, Q.; Wang, X.; Yue, W.; Liu, B.; Wu, Y. Global oil and gas development status, situation and enlightenment in 2022. Pet. Explor. Dev. 2023, 50, 1016–1031+1040. [Google Scholar] [CrossRef]
- Sun, W. Coupling simulation of groundwater seepage and heat transfer of ground source heat pump. Acta Energiae Solaris Sin. 2021, 42, 16–23. [Google Scholar]
- Xiao, Y.M.; Liu, X.C.; Zhang, H.T.; Fu, X.Z. Contrast Experiments on Three Different Types of Underground Heat Exchangers of GSHP System. J. Harbin Inst. Technol. 2015, 47, 92–97. [Google Scholar]
- Zhou, Y.; Bidarmaghz, A.; Makasis, N.; Narsilio, G. Ground-Source Heat Pump Systems: The Effects of Variable Trench Sep arations and Pipe Configurations in Horizontal Ground Heat Exchangers. Energies 2021, 14, 3919. [Google Scholar] [CrossRef]
- Yuping, Z.; Xiao, Y.; Jun, L.; Boyang, L.; Fujiao, T.; Yiqiu, T. Overview of solutions to improve efficiency of ground source heat pump system. Pet. Reserv. Eval. Dev. 2023, 13, 726–740. [Google Scholar]
- Wang, Y.; Quan, Z.; Zhao, Y.; Wang, L.; Jing, H. Operation mode performance and optimization of a novel coupled air and ground source heat pump system with energy storage: Case study of a hotel building. Renew. Energy 2022, 201, 889–903. [Google Scholar] [CrossRef]
- Yu, C.Y. Solar Seasonal Heat Storage Ground Source Heat Pump Agricultural Greenhouse Heating Systems Research. Master’s Thesis, Beijing Institute of Petrochemical Technology, Beijing, China, 2020. [Google Scholar]
- Xue, X.J.; Hou, Z.H.; Zhang, H.C.; Xu, G.; Chen, H.; Chen, H.G. Research on the coupling of gas-fired cogeneration and ground source heat pump to replace gas boiler heating under the background of carbon neutrality. J. Power Eng. 2022, 42, 359–364+386. [Google Scholar]
- Guo, H.X.; Wang, T.L.; Chen, X.H. Case Study on Long-term Stability and Operation Strategy of Ground Source Heat Pump System. J. Tsinghua Univ. (Nat. Sci. Ed.) 2024, 64, 1–9. [Google Scholar]
- Liang, K.; Huang, X.; Jiang, S.X. Evaporative cooling (condensation) technology application analysis. Refrig. Air Cond. 2024, 2, 1–6. [Google Scholar]
- Fu, J.P.; Liu, Z.Y.; He, Y.C.; Shi, P. Experimental study on energy consumption of evaporative condenser for air conditioning. J. Civ. Environ. Eng. 2018, 40, 129–133. [Google Scholar]
- Liu, H.; Zhou, Q.; Zhao, H. Experimental study on cooling performance and energy saving of gas engine-driven heat pump system with evaporative condenser. Energy Convers. Manag. 2016, 123, 200–208. [Google Scholar] [CrossRef]
- Feng, T. Performance Analysis and Improvement of the Core Components of Ground Source Heat Pump Unit. Master’s Thesis, Liaoning University of Engineering and Technology, Jinzhou, China, 2011. [Google Scholar]
- Qu, Y.X. Model and Simulation of Ground Source Heat Pump System. Ph.D. Thesis, Xian University of Architecture and Technology, Xi’an, China, 2004. [Google Scholar]
- Wang, S.S. Dynamic Simulation of Ground Source Heat Pump Unit. Master’s Thesis, Huazhong University of Science and Technology, Wuhan, China, 2008. [Google Scholar]
- Dai, L.S.; Liu, J.X.; Sheng, J.J. Performance analysis of ground source heat pump variable flow system based on TRNSYS. J. HVAC 2014, 44, 89–93. [Google Scholar]
- Maria, F.; Giuseppe, S. Experimental Investigations on Evaporative Condensers Performance. Energy Procedia 2017, 140, 458–466. [Google Scholar]
- Wang, P.P.; Long, W.D. Simulation analysis of annual dynamic thermal performance of small energy bus system. J. Refrig. 2015, 36, 59–64. [Google Scholar]
- Gao, Y.H.; Hessam, T.; Li, L.J. A predictive TRNSYS model for long-term operation of a hybrid ground source heat pump system with innovative horizontal buried pipe type. Renew. Energy 2020, 151, 1046–1054. [Google Scholar]



















| Abbreviation | Full Name |
|---|---|
| EC-GSHP | Ground source heat pump with coupled evaporative condenser |
| GSHP | Ground source heat pump |
| EC | Evaporative condenser |
| NEC | Contains no evaporative condenser |
| DBT | Dry bulb temperature |
| COP | Coefficient of performance |
| WBT | Wet bulb temperature |
| MC | Moisture content |
| TC-EC | The calculated energy consumption |
| TA-EC | The actual energy consumption |
| TC-COP | The calculated COP |
| TA-COP | The actual COP |
| TCTEC | The calculated total energy consumption |
| TATEC | The actual total energy consumption |
| TSSP | Soil source-side pump |
| AC | Compressor |
| D-Value | Differential value |
| P | Energy consumption |
| F | Flow value |
| GSI | Ground source interface |
| BEI | Building end interface |
| Cond | Condenser |
| Evap | Evaporator |
| EV | Expansion valve |
| Content | Parameter |
|---|---|
| Heating and cooling region | 28,000 m2 |
| Building heating load | ~8000 kW |
| Building cooling load | ~12,000 kW |
| GSHP installed capacity | ~2000 kW |
| Total length of boreholes | 43,625 m |
| Hole depth | 120 m |
| Number of boreholes | 364 |
| Drainage hole spacing | ~4 m |
| Buried pipe method of underground heat exchanger | Double U type |
| Cooling | Heating | ||
|---|---|---|---|
| Load side import and export | Ground source side import and export | Load side import and export | Ground source side import and export |
| 12 °C/7 °C | 13 °C/18 °C | 40 °C/45 °C | 23 °C/18 °C |
| T/(M) | DBT/°C | WBT/°C | MC/g/kg | Loading/kW | State |
|---|---|---|---|---|---|
| 1 | 5.8 | 4.10 | 4.69 | 290 | Heating |
| 2 | 8.2 | 6.40 | 5.56 | 180 | Heating |
| 3 | 12.8 | 10.1 | 7.23 | 60 | Heating |
| 4 | 16.1 | 13.3 | 9.08 | −10 | Stop |
| 5 | 21.2 | 17.6 | 12.15 | −130 | Cooling |
| 6 | 23.8 | 20.8 | 15.48 | −160 | Cooling |
| 7 | 25.8 | 23.4 | 18.73 | −330 | Cooling |
| 8 | 25.1 | 23.0 | 18.36 | −320 | Cooling |
| 9 | 21.5 | 19.6 | 14.56 | −120 | Cooling |
| 10 | 17.9 | 15.8 | 11.15 | −3 | Stop |
| 11 | 13.6 | 11.5 | 8.12 | 40 | Heating |
| 12 | 7.10 | 5.40 | 5.19 | 230 | Heating |
| T/(M) | DBT/°C | WBT/°C | MC/g/kg | Loading/kW | State |
|---|---|---|---|---|---|
| 1 | 13.9 | 11.23 | 7.43 | 50 | Heating |
| 2 | 14.2 | 11.49 | 7.63 | 30 | Stop |
| 3 | 18.3 | 16.86 | 11.33 | −8 | Stop |
| 4 | 22.4 | 19.64 | 14.38 | −150 | Cooling |
| 5 | 26.1 | 23.08 | 17.04 | −340 | Cooling |
| 6 | 27.2 | 24.90 | 19.45 | −380 | Cooling |
| 7 | 28.8 | 26.04 | 20.73 | −420 | Cooling |
| 8 | 28.0 | 25.49 | 20.16 | −400 | Cooling |
| 9 | 27.4 | 24.13 | 18.10 | −390 | Cooling |
| 10 | 24.3 | 18.93 | 12.13 | −190 | Cooling |
| 11 | 20.1 | 16.06 | 10.18 | −15 | Stop |
| 12 | 15.4 | 11.01 | 6.59 | 20 | Stop |
| T/(M) | DBT/°C | WBT/°C | MC/g/kg | Loading/kW | State |
|---|---|---|---|---|---|
| 1 | −3.8 | −6.48 | 1.17 | 550 | Heating |
| 2 | −1.6 | −4.9 | 1.23 | 470 | Heating |
| 3 | 7.7 | 1.96 | 2.17 | 260 | Heating |
| 4 | 14.4 | 0 | 4.83 | 90 | Heating |
| 5 | 19.4 | 14.07 | 8.24 | −30 | Stop |
| 6 | 24.5 | 17.88 | 10.65 | −310 | Cooling |
| 7 | 26.5 | 23.35 | 17.36 | −340 | Cooling |
| 8 | 25.6 | 21.88 | 15.57 | −300 | Cooling |
| 9 | 20.4 | 15.72 | 9.55 | −80 | Cooling |
| 10 | 12.9 | 8.29 | 5.18 | 60 | Heating |
| 11 | 5.4 | 1.90 | 3.01 | 310 | Heating |
| 12 | −0.5 | −3.66 | 1.56 | 490 | Heating |
Disclaimer/Publisher’s Note: The statements, opinions and data contained in all publications are solely those of the individual author(s) and contributor(s) and not of MDPI and/or the editor(s). MDPI and/or the editor(s) disclaim responsibility for any injury to people or property resulting from any ideas, methods, instructions or products referred to in the content. |
© 2025 by the authors. Licensee MDPI, Basel, Switzerland. This article is an open access article distributed under the terms and conditions of the Creative Commons Attribution (CC BY) license (https://creativecommons.org/licenses/by/4.0/).
Share and Cite
Pei, Y.; Zeng, L.; Xue, Z.; Qin, S.; Luo, X. Study on Energy Efficiency Characteristics of Ground Source Heat Pump with Coupled Evaporative Condensers in Different Regions. Processes 2025, 13, 524. https://doi.org/10.3390/pr13020524
Pei Y, Zeng L, Xue Z, Qin S, Luo X. Study on Energy Efficiency Characteristics of Ground Source Heat Pump with Coupled Evaporative Condensers in Different Regions. Processes. 2025; 13(2):524. https://doi.org/10.3390/pr13020524
Chicago/Turabian StylePei, Yingju, Lei Zeng, Zhezhong Xue, Songhai Qin, and Xu Luo. 2025. "Study on Energy Efficiency Characteristics of Ground Source Heat Pump with Coupled Evaporative Condensers in Different Regions" Processes 13, no. 2: 524. https://doi.org/10.3390/pr13020524
APA StylePei, Y., Zeng, L., Xue, Z., Qin, S., & Luo, X. (2025). Study on Energy Efficiency Characteristics of Ground Source Heat Pump with Coupled Evaporative Condensers in Different Regions. Processes, 13(2), 524. https://doi.org/10.3390/pr13020524

