Coordinated FRT Control for Paralleled Grid-Following and Grid-Forming Generators Connected to Weak Grid
Abstract
1. Introduction
- (1)
- The transient model of the paralleled GFM and GFL DERs system under weak grids is established. It is revealed that the PLL of GFL DERs has deeper coupling with the terminal voltage vector of GFM DER under large grid-side impedance.
- (2)
- The transient interaction mechanisms among paralleled GFM and GFL DER systems are revealed to guide the stability enhancement-oriented method design.
- (3)
- Under weak grids, the transient stability of GFL DERs is worse than that of the GFM DERs. In the proposed CFRT control method, the GFL DER is supported by the stable angular frequency of GFM DER, which is different from the traditional conclusion.
2. Transient Model Establish
2.1. System Description
- (1)
- Principle of the PLL: When a grid-side fault occurs, the current amplitude of the GFL DER could be directly limited. Therefore, the transient process of a GFL DER is mainly determined by the phase θPLL locked by the PLL, since θPLL is used for abc/dq coordinate transformation. As shown in Figure 3, first, the PCC voltage uPCC is transmitted to the PLL module through the sampling stage. The obtained Q-axis voltage component Uq generates an angular frequency offset Δω through the PI controller. The internal angular frequency ωPLL will pass through an integration unit to generate the internal phase angle θPLL. By designing the controller parameters of the current inner loop, it is ensured that the current inner loop can achieve rapid tracking of the reference current, and its control bandwidth is much greater than that of the PLL. According to Figure 3, the mathematical equation of PLL can be expressed as follows:where ω0, Kp, Ki, and Upccq represent the rated angular frequency, PI parameters, and the Q-axis component of uPCC, respectively.
- (2)
- Definition of weak grid: In engineering, we often use the short-circuit ratio (SCR) to quantitatively assess the strength of a power grid. It is the ratio of the short-circuit capacity Ssc of the power grid to the rated capacity Prated of the generators or DERs connected to this point. It is described in the following (5):where Ssc represents the apparent power at the short-circuit point. Un and Xeq are the rated pre-fault voltage and system equivalent impedance, including the impedance of lines, transformer, and generator, respectively. Hence, the most prominent feature of a weak power grid is that the equivalent impedance of the grid side is relatively large and the short-circuit capacity is relatively small. This means that the power-supporting capacity of the system is insufficient. When there are power fluctuations or disturbances, the voltage and frequency of the power grid are more likely to fluctuate, and the system stability is relatively poor, as is concluded in Table 1.
2.2. Model of Paralleled System
3. Proposed CFRT Control
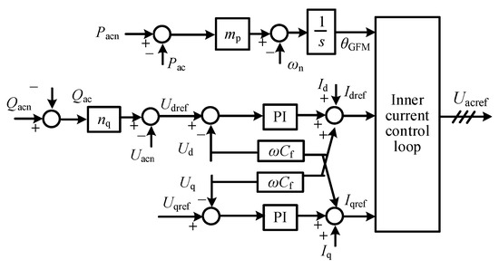
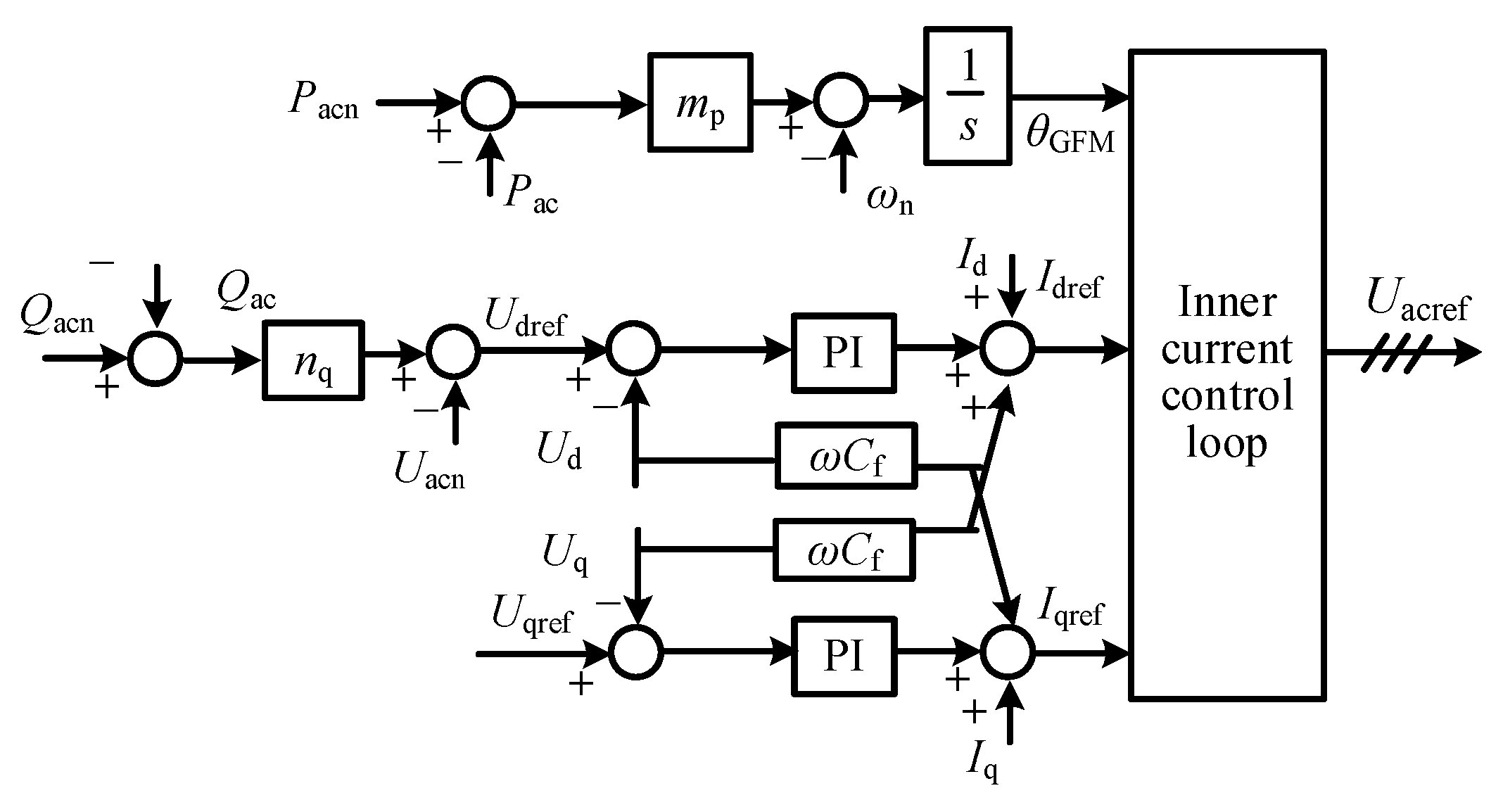
3.1. Basic Principle
- (1)
- Control scheme of GFL DER
- (2)
- Control scheme of GFM DER
3.2. Implementation Process
4. Case Studies
4.1. Theoretical Model Validation
4.2. CFRT Performance Validation of Paralleled GFM and GFL DERs Under Weak Grid
4.3. Comparison with Conventional Method
5. Conclusions
- (1)
- When the grid-side impedance is greater, the GFL DER will be more easily affected by the GFM DER. During grid-side fault transience, the PLL of the GFL DER is prone to oscillation instability.
- (2)
- Under a transient state, in a parallel system, the GFL DER is more prone to instability than the GFM DER. The GFM DER should give priority to supporting the GFL DER, which is inconsistent with the traditional conclusion.
- (3)
- In the proposed method, during the transient period, the GFM DER shares the frequency it generates with the GFL DER. Meanwhile, both of them need to regulate the active and reactive power references to enhance the system stability.
Author Contributions
Funding
Data Availability Statement
Conflicts of Interest
References
- Qu, Y.; Bai, F.; Yan, R. Adaptive Controller Based on Stability Boundaries for Grid-Forming and Grid-Following Inverters under Varying Grid Impedance. IEEE Trans. Sustain. Energy, 2025; early access. [Google Scholar] [CrossRef]
- Saha, D.; Bazmohammadi, N.; Lashab, A.; Vasquez, J.C.; Guerrero, J.M. Power and Energy Management System of a Lunar Microgrid—Part II: Optimal Sizing and Operation of ISRU. IEEE Trans. Aerosp. Electron. Syst. 2024, 60, 1376–1385. [Google Scholar] [CrossRef]
- Fan, B.; Wang, X. Equivalent Circuit Model of Grid-Forming Converters with Circular Current Limiter for Transient Stability Analysis. IEEE Trans. Power Syst. 2022, 37, 3141–3144. [Google Scholar] [CrossRef]
- Almesri, Z.M.; Hussain, H.A.; Kamel, R.M. Low Voltage Ride-Through Capability of Grid-Connected PV Systems: A Comparative Study of Grid-Following and Grid-Forming Converters Under Current Limits. IEEE Access 2025, 13, 105590–105607. [Google Scholar] [CrossRef]
- Liu, N.; Wang, H.; Zhou, W.; Song, J.; Zhang, Y.; Prieto-Araujo, E.; Chen, Z. Hybrid Frequency-domain Modeling and Stability Analysis for Power Systems with Grid-following and Grid-forming Converters. J. Mod. Power Syst. Clean Energy 2025, 13, 15–28. [Google Scholar] [CrossRef]
- Sati, T.E.; Azzouz, M.A. Optimal Protection Coordination for Inverter Dominated Islanded Microgrids Considering N-1 Contingency. IEEE Trans. Power Deliv. 2022, 37, 2256–2267. [Google Scholar] [CrossRef]
- Wu, Y.; Wu, H.; Zhao, F.; Li, Z.; Wang, X. Influence of PLL on Stability of Interconnected Grid-Forming and Grid-Following Converters. IEEE Trans. Power Electron. 2024, 39, 11980–11985. [Google Scholar] [CrossRef]
- Shen, C.; Gu, W.; Sheng, W.; Liu, K. Transient stability analysis and design of VSGs with different DC-link voltage controllers. CSEE J. Power Energy Syst. 2024, 10, 593–604. [Google Scholar] [CrossRef]
- IEEE Std 1547-2018; IEEE Standard for Interconnection and Interoperability of Distributed Energy Resources with Associated Electric Power Systems Interfaces. IEEE: New York, NY, USA, 2018; pp. 1–227.
- Liu, P.; Xie, X.; Shair, J. Adaptive Hybrid Grid-Forming and Grid-Following Control of IBRs With Enhanced Small-Signal Stability Under Varying SCRs. IEEE Trans. Power Electron. 2024, 39, 6603–6607. [Google Scholar]
- Yu, C.; Wang, Q.; Fang, W.; Wang, Y.; Diao, H.; Xu, H.; Guo, L. Research on Dynamic and Steady-State Characteristics of Grid-Following/Grid-Forming Hybrid Control Based on Model Predictive Control. IEEE Open J. Power Electron. 2025, 6, 909–918. [Google Scholar] [CrossRef]
- Han, F.; Zhang, X.; Li, M.; Li, F.; Zhao, W. Stability Control for Grid-Connected Inverters Based on Hybrid-Mode of Grid-Following and Grid-Forming. IEEE Trans. Ind. Electron. 2024, 71, 10750–10760. [Google Scholar] [CrossRef]
- Li, F.; Ma, J. Stability Studies of Grid-Forming and Grid-Following Inverter Penetrated Systems with Different External Power System Models. IEEE Trans. Power Deliv. 2024, 39, 2580–2591. [Google Scholar] [CrossRef]
- Shen, X.; Shen, C.; Huang, W.; Xu, Y. Dynamic mater-slave control strategy for transient coordination of inverter based microgrids under asymmetric faults. Int. J. Electr. Power Energy Syst. 2024, 161, 190–213. [Google Scholar] [CrossRef]
- Shen, C.; Gu, W.; Luo, E. Transient performance comparison of grid-forming converters with different FRT control strategies. Frontiers in Energy. Front. Energy 2023, 17, 239–250. [Google Scholar] [CrossRef]
- Shen, C.; Shen, X.; Zhao, B.; Chen, Z.; Zhang, X.; Lin, D.; Gu, W. Coordinated FRT Control for Paralleled Grid-Forming Converters with Enhanced Transient Stability and Current Control Flexibility. IEEE Trans. Ind. Appl. 2024, 60, 3653–3663. [Google Scholar] [CrossRef]
- Shen, C.; Shuai, Z.; Shen, Y.; Peng, Y.; Liu, X.; Li, Z.; Shen, Z.J. Transient Stability and Current Injection Design of Paralleled Current-Controlled VSCs and Virtual Synchronous Generators. IEEE Trans. Smart Grid 2021, 12, 1118–1134. [Google Scholar] [CrossRef]
- Chen, S.; Wang, Y.; Tian, Z.; Xiao, X.; Xie, X.; Gomis-Bellmunt, O. Understanding a Type of Forced Oscillation in Grid-Forming and Grid-Following Inverter Connected Systems. IEEE Trans. Power Electron. 2025, 40, 11628–11640. [Google Scholar] [CrossRef]
- Wang, S.; Jiang, A.; Ma, J.; Wang, P.; Zhang, R.; Liu, T. Transient Stability Analysis for Hybrid Parallel-Connected Converters by Two-Dimensional Phase Portrait. IEEE Trans. Power Electron. 2025, 40, 7765–7776. [Google Scholar] [CrossRef]
- Yang, C.; Huang, L.; Xin, H.; Ju, P. Placing Grid-Forming Converters to Enhance Small Signal Stability of PLL-Integrated Power Systems. IEEE Trans. Power Syst. 2021, 36, 3563–3573. [Google Scholar] [CrossRef]
- Shen, X.; Shuai, Z.; Huang, W.; Shen, C.; Shen, Y.; Shen, Z.J. Transient Characteristics and Accommodative Current Limiting Strategy for Bidirectional Interlinking Converters in Hybrid AC/DC Microgrids. CSEE J. Power Energy Syst. 2024, 10, 1575–1588. [Google Scholar] [CrossRef]













| SCR | Strength of Grid | System Feature |
|---|---|---|
| SCR ≥ 10 | Strong | Low impedance, stable voltage and frequency, and strong anti-disturbance ability. |
| 3 ≤ SCR < 10 | Weak | Larger impedance, poor voltage and frequency stability, and is easily affected by disturbances. |
| SCR < 3 | Extremely weak | High impedance, highly sensitive to voltage and frequency, and poses significant stability challenges. |
| Key Term | sin(θ3) | cos(θ3) | Pac2 | Qac2 | Transient Stability | |
|---|---|---|---|---|---|---|
| δ − φac2 | ||||||
| =0 | 0 | 1 | ↑ | 0 | Middle | |
| [0, π/2] | positive | positive | ↑ | ↑ | Low | |
| [−π/2, 0] | negative | positive | ↓ | ↑ | High | |
| Key Term | sin(θ3) | cos(θ3) | Pac2 | Qac2 | Transient Stability | |
|---|---|---|---|---|---|---|
| φ21 + δ − φac2 | ||||||
| =0 | 0 | 1 | ↑ | 0 | Middle | |
| [0, π/2] | positive | positive | ↑ | ↑ | Low | |
| [−π, 0] | negative | [−1, 1] | ↓ or ↑ | ↑ | High | |
| Parameters | Values | Parameters | Values |
|---|---|---|---|
| fn | 50 Hz | Pn1 + jQn1 | 30 kW + 10 kvar |
| Un | 311 V | Pn2 + jQn2 | 20 kW + 2 kvar |
| Dp | 1.5 × 10−5 | Z1 | 0.067 + j0.25 pu |
| Dq | 4 × 10−5 | Z3 | 0.082 + j0.03 pu |
| Z2 (SCR > 10) | 0.01 + j0.12 pu | Z2 (3 < SCR < 10) | 0.038 + j0.98 pu |
Disclaimer/Publisher’s Note: The statements, opinions and data contained in all publications are solely those of the individual author(s) and contributor(s) and not of MDPI and/or the editor(s). MDPI and/or the editor(s) disclaim responsibility for any injury to people or property resulting from any ideas, methods, instructions or products referred to in the content. |
© 2025 by the authors. Licensee MDPI, Basel, Switzerland. This article is an open access article distributed under the terms and conditions of the Creative Commons Attribution (CC BY) license (https://creativecommons.org/licenses/by/4.0/).
Share and Cite
Tan, T.; He, S.; Gao, Y.; Xiao, H.; Shen, X. Coordinated FRT Control for Paralleled Grid-Following and Grid-Forming Generators Connected to Weak Grid. Processes 2025, 13, 3816. https://doi.org/10.3390/pr13123816
Tan T, He S, Gao Y, Xiao H, Shen X. Coordinated FRT Control for Paralleled Grid-Following and Grid-Forming Generators Connected to Weak Grid. Processes. 2025; 13(12):3816. https://doi.org/10.3390/pr13123816
Chicago/Turabian StyleTan, Tao, Shengli He, Yuqin Gao, Hao Xiao, and Xia Shen. 2025. "Coordinated FRT Control for Paralleled Grid-Following and Grid-Forming Generators Connected to Weak Grid" Processes 13, no. 12: 3816. https://doi.org/10.3390/pr13123816
APA StyleTan, T., He, S., Gao, Y., Xiao, H., & Shen, X. (2025). Coordinated FRT Control for Paralleled Grid-Following and Grid-Forming Generators Connected to Weak Grid. Processes, 13(12), 3816. https://doi.org/10.3390/pr13123816

