Previous Article in Journal
Dynamic Escape Path Optimization Model Study Based on Spatio-Temporal Evolution of Coal Mine Water Inrush
Previous Article in Special Issue
Frequency Regulation Performance of a Wind–Energy Storage Hybrid System During Turbine Shutdown Due to Extreme Wind
 
 
Font Type:
Arial Georgia Verdana
Font Size:
Aa Aa Aa
Line Spacing:
Column Width:
Background:
Review

Three-Phase Transformerless Buck-Inverter Topologies for PV Grid-Tied Systems: A Review

by
Sherif A. Zaid
1,2,*,
Husam S. Samkari
2,3 and
Mohammed F. Allehyani
2
1
Renewable Energy and Environmental Technology Centre (REETC), University of Tabuk, Tabuk 47913, Saudi Arabia
2
Electrical Engineering Department, Faculty of Engineering, University of Tabuk, Tabuk 47913, Saudi Arabia
3
Artificial Intelligence and Sensing Technologies Research Center, University of Tabuk, Tabuk 47913, Saudi Arabia
*
Author to whom correspondence should be addressed.
Processes 2025, 13(11), 3667; https://doi.org/10.3390/pr13113667 (registering DOI)
Submission received: 5 October 2025 / Revised: 31 October 2025 / Accepted: 11 November 2025 / Published: 12 November 2025

Abstract

With an emphasis on common-mode voltage (CMV) and leakage current suppression, this research offers a thorough examination of three-phase, two-level buck inverter topologies for transformerless (TL) grid-tied photovoltaic (PV) systems. A comprehensive classification and comparative evaluation of modern voltage-source inverter (VSI) and current-source inverter (CSI) topologies, such as H6, H7, H8, H10, and hybrid setups, constitute the paper’s main contribution. The main conclusions show that CSIs naturally offer better leakage current suppression, albeit at the expense of cost and complexity, while sophisticated VSIs (such as specific H8 and H10 topologies) in conjunction with specialized modulation techniques (like modified discontinuous PWM) provide balanced performance. The study finds intriguing research possibilities for further work in this area and indicates that the ideal topology depends on the specific application.

1. Introduction

In recent years, solar photovoltaic (PV) energy sources have become increasingly significant. One of the most promising renewable energy sources for supplying the future’s growing electrical energy needs is this one. PV resources’ common benefits include their widespread availability, dependability, lack of maintenance, longevity, lack of acoustic noise, and lack of environmental contamination [1]. Based on earlier benefits, PV systems are now widely used globally. Figure 1a presents the installed solar energy capacity worldwide [2].
Noticeably, has increased rapidly. PV systems can be used to supply electricity to isolated loads or the utility grid. Typically, standalone photovoltaic systems are designed for remote locations without access to the utility grid. Grid-connected PV probably constitutes >95% (perhaps ~98–99%) of the total solar electricity generation capacity [3,4]. The growing demand for PV installations, particularly grid-connected PV systems, suggests that more thorough research and development is required [5]. Figure 1b presents the research papers’ yearly increase in the “PV TL grid tied” topic. Other than that, grid-connected PV systems are favored over freestanding ones because of their high efficiency, affordability, optimal PV panel use, and lack of storage needs [6]. To match the voltage level to the grid, prevent direct current (DC) currents from being injected into the grid, provide galvanic isolation between the PV panel and the grid, and guarantee the quality of the grid-injected power, grid-connected PV systems have historically used power transformers. These transformers, however, result in large, expensive, and inefficient PV systems. To address the shortcomings of transformers, transformerless grid-connected photovoltaic systems have recently been proposed [7,8,9]. Table 1 shows the comparison between transformer and transformerless PV systems.
The comparison in Table 1 emphasizes that transformer-based inverters offer inherent galvanic isolation and minimal leakage current, making them reliable for large-scale or isolated PV systems; however, they suffer from higher losses, weight, and cost [12]. In contrast, transformerless inverters achieve higher efficiency (96–99%) and compactness, making them ideal for residential and commercial applications [13]. However, they require advanced control and modulation strategies to suppress common-mode voltage, leakage current, and EMI for safe grid integration [10].
These systems eliminate the need for power transformers and alter the topologies and modulations of the power inverters to function without one. The inverters are hence known as transformerless inverters. Depending on the system power level, its architecture might be either single- or three-phase. For power levels higher than 5 kW, three-phase transformerless inverters are often utilized. However, the earth leakage current is a significant safety issue with transformerless inverters. This current exceeds the guidelines that [14] recommends. The lack of power transformers and the PV panel’s high parasitic capacitance are the primary reasons for the earth leakage current. According to earlier studies, the earth leakage current is driven by the variations in the inverter’s common-mode voltage (CMV) [12]. Numerous solutions to the earth leakage current issue are presented for 1-φ systems [12,13,15,16]. However, the 3-φ topology and high operational power in 3-φ systems make the situation more complex. Reducing or, ideally, stabilizing CMV fluctuations is the key to problem-solving [13]. Either changing the inverter topology or using a modulation scheme that restricts the CMV fluctuations are the two methods to accomplish this goal.
To address the issue of ground leakage current, several transformerless inverter topologies have been proposed in the literature [17,18,19,20,21,22]. Numerous modulation techniques for the traditional two-level 3-φ inverter architecture (H6) were suggested in the references [17]. It has been determined that without altering the H6 topology, the leakage current cannot be eliminated.
Refs. [23,24,25,26,27] are review papers for the grid-connected TL inverters. The content and evaluation of those works compared to the present research are summarized in Table 2.
Refs. [28,29,30,31,32,33] provide evaluations and comparisons between some specified topologies of the 3-φ TL inverters. Ref. [28] evaluates how well the suggested modified discontinuous pulse width modulation (PWM) performs in lowering switching losses, guaranteeing CMV stability, minimizing device stress, and improving reactive power management in PV-fed systems in comparison to various hybrid TL setups. On the other hand, a comprehensive review and comparison of the performance of different 3-φ TL inverter topologies has been suggested by [29]. Also, modified discontinuous PWM has been applied to the topologies under test. The state-of-the-art technologies of commercial-scale PV inverters in the United States are reviewed and evaluated in [30], which also suggests future trends for transformerless solar inverters of the next generation. We talk about and evaluate current standards, leakage current, and transformerless inverter topologies. This research aims to tackle the novel obstacles of integrating transformerless solar inverters with 99% efficiency into commercial-scale photovoltaic systems. Three voltage-boost topologies for 3-φ TL PV systems are compared in [31]: the traditional two-stage converter (DC–DC boost + VSI) and two modified Z-source inverters. Using device models and datasheet information, it examines PWM techniques, switching and diode losses, and overall efficiency. According to the results, the two-stage converter has the lowest cost and the highest efficiency. Its appropriateness for three-phase transformerless PV applications is confirmed by simulations and experiments. Ref. [32] compares three TL PV inverter topologies for 3-φ grid connection, focusing on safety issues due to a lack of galvanic isolation. The topologies are the H6, the split capacitor H6, and the modularized neutral-point-clamped topology. A common-mode model is used to study leakage current paths, and simulation and experimental results are used to explain the influence of system unbalance and neutral conductor inductance. The primary goal of the research in [33] is to examine how clamping and unclamping DC-bypass switches affect 3-φ transformerless inverters’ capacity to reduce leakage current. The previous paragraph is summarized in Table 3.
This paper offers a thorough analysis of several CMV reduction three-phase two-level inverters in order to present the development of transformerless PV inverters, particularly in three-phase buck inverter systems. Also, the study highlights conclusions and future work. In contrast to similar publications, this overview paper’s primary contributions are as follows: (i) it offers a thorough investigation of the 3-φ buck-VSI and buck-CSI transformerless inverter topologies; (ii) it investigates a thorough classification of the TL grid-tied inverter topologies; (iii) it introduces detailed comparisons of the different topologies. This paper presents and discusses each of these subjects in a logical manner.
Transformerless inverter topologies have been reviewed in a number of review studies [23,24,25,26,27], as Table 2 summarizes, but this study fills in some of the gaps. Specifically, this review is novel in that carried out the following:
  • Provides a comprehensive analysis: In contrast to previous evaluations that mostly concentrate on VSIs, it offers a thorough and parallel analysis of both three-phase buck voltage-source inverters (VSIs) and buck current-source inverters (CSIs).
  • Targets a crucial niche: It provides a targeted resource that is unavailable in more general surveys that include boost and multilevel topologies by providing a detailed, specialized examination of two-level buck inverters for CMV reduction.
  • Features new advanced topologies: It includes a detailed explanation and categorization of new and uncommon topologies that were left out or not fully discussed in previous comparison studies, including H10, four-leg, ZVR, DCM-232, and hybrid configurations.
This review functions as a specialized reference for scientists and engineers creating the upcoming generation of safe and effective three-phase transformerless photovoltaic systems by compiling this analysis.
The manuscript is organized as follows: the preliminary of 3-φ transformerless PV inverters is introduced in Section 2. Section 3 provides a comprehensive discussion of the different 3-φ transformerless topologies. Section 4 discusses the conclusions and the future work.

2. Preliminary of Three-Phase Transformerless PV Inverters

Transformer and transformerless systems are two types of grid-tied photovoltaic systems. However, because of their compact size, cheap cost, and excellent efficiency, transformerless grid-connected PV systems are recommended [7,9,34]. Transformerless inverters are a common type of inverter seen in grid-tied PV installations. The modulation methods and topologies of these inverters vary [8]. Nevertheless, this kind of inverter has several issues, including the earth leakage current not meeting the standards’ suggested limit and the absence of galvanic separation from the grid [14]. The two main causes of earth leakage current are the PV array’s leakage capacitance and the lack of galvanic separation from the grid. Variations in the inverter’s common-mode voltage (CMV) are the source of ground leakage current for any transformerless inverter design [12]. Reducing or, ideally, making constant the CMV fluctuations is the path to problem-solving [13]. Either changing the inverter architecture or using a modulation technique that restricts the CMV variations are the two options to accomplish this goal.
The first step of finding the solution is the study of the CMV and leakage current paths of transformerless inverters, which will be discussed in the next paragraph.

2.1. Common-Mode Voltage and Leakage Current Concerns

To study the CMV of the general 3-φ transformerless inverter, consider the power circuit shown in Figure 2a. Where Lg is the grid’s ground inductance, Cl is the PV panel’s stray capacitance, and LB is the boost converter’s inductance. Three voltage sources (VAN, VBN, and VCN) can be used to represent the inverter [8]. Keep in mind that the voltages are known as the “N” common point. The PWM modulation method employed for the inverter switches determines the square wave character of these voltage sources. ZA, ZB, and ZC are assumed to be phase-equivalent impedances. Figure 2b displays the common TL topology H6 system’s model. This circuit was altered in earlier studies utilizing common-mode and differential model approaches [8,35]. This paper employs a different analytical approach, which is described below. We apply Thevenin’s theorem to the positions N-O, assuming a balanced 3-φ system (va, vb, and vc are balanced and ZA = ZB = ZC where ZA = ωLA). The circuit’s three parallel branches may be simplified to a single voltage source and impedance using the following formula:
V T h = V N O = V A N + V B N + V C N 3  &  Z T h = Z A 3 .
Thus, Figure 2c depicts the reduced comparable circuit. This simple circuit represents the earth leakage current path. Observe that the common-mode voltage CMV is the current voltage source. As a result, the earth leakage current will decrease when CMV fluctuations decrease. The modulation method and the inverter switching frequency are the primary determinants of the CMV value. Increasing the route impedances XB, ZA, and XCG, where XCG = ωLCG, is another method of lowering the leakage current. Nevertheless, XCG and ZA have critical values that cannot be raised. However, the earth leakage current can be significantly impacted by the value of XB, the reactance of the boost inverter inductor. Generally speaking, the 3-φ transformerless inverter’s CMV may be computed as follows [36]:
V C M V = V u M + V v M + V w M 3 + V M N .
However, 3-φ transformerless inverter terminal voltages and the voltage VMN depend on the topology and the switching state. Table 4 illustrates how to calculate the relevant CMV value based on the switching state for some common topologies [12,13,15,16,17,18,19,20,21,22,23,24,25,26,27,28,29,30,31,32,33,35,36,37,38].

2.2. Utility Constraints and Standards

The global standards have provided regulations for the PV system designs and solar inverter topologies. For transformerless solar inverters, the rules and laws pertaining to voltage requirements, leakage current, and DC current injection control are very crucial. Section 690.7 of the National Electrical Code (NEC) of 2011 prohibits PV source and output circuits from operating at voltages higher than 600 V. The greatest alternating current (AC) voltage that may be obtained at the inverter output without a transformer is thus limited. Since 1984, when PV requirements first appeared in the National Electrical Code (NEC), PV systems built in the United States have been required to include a grounded circuit conductor since the country’s PV systems are grounded electrical systems. If the PV system’s maximum system voltage is 50 V or less, a grounded circuit wire is not necessary. To allow the use of ungrounded PV arrays with minimal voltage constraints, Section 690.35 was introduced to the code [39]. These grounding requirements and voltage restrictions are crucial factors to take into account while choosing the transformerless inverter topologies in the next section. VDE-0126-1-1 contains the leakage current control for the PV systems. When the leakage current exceeds 300 mA, according to Table 5, it is advised to unplug in 0.3 s [40]. To mitigate the leakage current for inverters under 30 kVA, UL offers similar recommendations. In terms of DC current injection requirements, most utility interconnection standards (such as IEEE 929-2000, IEC 61727, IEEE 1547, and EN 61000-3-2) include a section on the level of DC current that can be injected, which ranges between 0.5% and 1% of the rated current [41].

2.3. Clarification of Common-Mode Voltage and Leakage Current Relationship

When it comes to the issue of leakage current, it is crucial to differentiate between cause and effect. The reason is the CMV. Driven by the inverter’s switching states, a high-frequency voltage potential manifests between the ground and the neutral point of the output. A fluctuating electric field is produced by this fluctuating voltage.
The unwanted impact is the leakage current. The intrinsic parasitic capacitance of the PV panel to the ground is subject to this CMV fluctuation. In accordance with the basic equation [16],
i l e a k = C p v d V C M V d t .
Hence, the leakage current is directly proportional to the rate of change of the CMV. Therefore, reducing or eliminating the changes in the CMV (either by utilizing inverter topologies that generate a constant CMV or by applying modulation techniques that limit its range of fluctuation) is the main strategy for limiting leakage current. Previous research indicates that the inverter’s CMV fluctuations are what drive the earth leakage current [12,13,15,16].

3. Three-Phase Transformerless PV Inverter Topologies

In general, 3-φ transformerless inverters can be classified according to the output voltage levels into two-level inverters and multilevel inverters. However, the two-level inverters can be categorized according to the power circuit topology into VSIs, CSIs, and ZSIs. Due to its advantages of being a mature technology, easy to regulate, and cost-effective, VSIs will be more prevalent in PV-grid-connected inverter systems than CSIs [21,35,36,42,43,44,45,46,47,48]. Nevertheless, the boost capacity cannot be supplied by the conventional three-phase, two-level voltage-source H6 inverter. Therefore, the low input DC voltage may be raised to a high DC-link voltage using a DC–DC converter or innovative topologies with additional components [49,50,51,52,53]. To prevent the DC-link bus from short-circuiting, a deadtime should also be added to the H-bridge switches. The THD value at the AC output voltage rises as a result [54,55]. Single-stage, impedance-source inverter topologies [56,57,58,59,60,61,62,63,64,65,66] have been developed recently, offering the ability to increase reliability and provide buck-boost capability.
Furthermore, these inverters may be divided into passive [67,68,69,70,71,72,73,74,75] and active types [76,77,78,79] based on the quantity of active switches in the impedance-source network. Figure 3 provides a summary and presentation of the many topologies that are currently in use. The sections that follow will provide thorough comparison and debate.
A systematic assessment of inverter configurations utilized in grid-tied PV systems, divided into transformer-based and TL categories, is presented in Section 3. The circuit topology, operating principle, control strategy, and performance behavior in terms of efficiency, CMV, and leakage current are all examined for each configuration. An index of all inverter categories and their related subsections is provided in Table 6 to help the reader navigate the evaluation and ensure a smooth and consistent flow.

3.1. Buck Voltage Source Inverter Topologies

In these categories, the input source is a voltage source. It can be classified according to the capability of the output voltage boosting or reducing into buck-type and boost-type TL inverters.
Usually, traditional 3-φ TL inverters have an ultimate limit for the AC output voltage corresponding to the square wave mode. The AC output voltage of the inverters can only be reduced. Hence, those types of inverters are called buck-type TL inverters [80].
Nevertheless, the PV voltage in grid-connected PV systems often varies widely and is typically lower than the output’s peak voltage. Because single-stage buck-type TL inverters have a very narrow input voltage range and need the input DC voltage to be higher than the output voltage peak, they might not be sufficient. For situations where the input voltage is less than the output voltage peak, two-power-stage topologies, cascaded topologies, and multilevel topologies are thus documented. In addition to an inverter for DC/AC conversion, one DC–DC power stage is usually needed to enhance the DC voltage, which results in more complicated circuitry. To make the system simpler, one-stage inverters for converting low DC voltage to high AC voltage have been introduced [80].

3.1.1. Three-Phase Full Bridge (H6)

A three-phase full bridge is the commonly used topology for 3-φ inverter applications in the real world. It has the structure shown in Figure 4. When it is used as a 3-φ TL inverter, it has high distortion and a high leakage current [32] due to non-galvanic isolation. The operation of this topology as a TL grid-connected inverter is compared to its operation as a grid-connected inverter with an isolation transformer in [32]. The study indicated that there is no leakage current through the leakage capacitance when an isolation transformer is used. Nevertheless, high leakage current (about 10 times the standard value) occurred when using TL. Also, it is observed that the CMV fluctuates between ±Vd at the switching frequency. It is concluded that a high rate of change of the CMV is the reason behind the high leakage current.

3.1.2. Three-Phase Full Bridge with Split Capacitor (NPC H6)

With the exception of the input dc-link capacitor and PV array, the split capacitor architecture shown in Figure 5 is comparable to the previous one. It is divided in half, with the center point being linked to the grid’s neutral point. Three separate single-phase half-bridge inverters are the equivalent of this topology. In this instance, the switches are controlled using the same current control that the complete bridge uses. We shall employ two methods for PWM modulation. In the first PWM, a single triangular carrier signal is used for all three phases. In the second PWM, known as interleaved PWM, three triangular signals are displaced by 2π/3. The goal is to have the switching harmonics in the grid current cancel out. The three phases of CMV can be decreased by employing the PWM’s interleaved triangle signals. Hence, the leakage current is greatly reduced and becomes within the standards compared to the H6 topology [32].
The basic, often used three-phase topology is the H6 inverter. Its cost-effectiveness, simplicity, and low component count are its main advantages. Its main flaw, meanwhile, is the large CMV variation (from 0 to Vdc), which leads to undesirable leakage currents that do not adhere to transformerless system safety regulations. As a result, without considerable modification or filtering, the H6 is not a good option for contemporary, high-performance transformerless PV systems, even though it represents an essential benchmark.

3.1.3. Three-Phase H7 Topologies

H7 is a novel topology that was recently presented [36,38,81,82,83,84] (see Figure 6a). With the exception of a new series power switch, the architecture is identical to the traditional three-phase inverter. The well-known single-phase transformerless inverter H5 may be viewed as its marketed three-phase equivalent. The H7 topology was obtained with a novel space vector modulation in Refs. [36,81]. Efficiency was reduced even if the leakage current was only marginally reduced. However, the transformerless H7 inverter’s current source inverter version has been proposed [82,83,84]. The current source H7 inverter improves the PV’s utilization factor and offers superior current protection. Unfortunately, the system dynamics are worse, and its size is increased by its big inductance [38].
As seen from the H7 topology, the CMV fluctuates throughout the freewheeling phase, as was previously mentioned. By including the clamping branch, as seen in Figure 6b, oscillation may be prevented. It is the 3-φ version of the 1-φ topology and is named oH7. During the freewheeling switching period, the clamping circuit’s job is to clamp the voltage at points u, v, and w to 0.5 Vd. Q7 and Q8 are complementary clamping switches. Nevertheless, this topology has low performance compared to the original H7 [33]. The efficiency, number of components, and leakage current are better with the H7 topology than that of H7.
Another topology called the seven-switch structure [81], as shown in Figure 6c. It has the same structure as the standard H6 inverter with the presented integrated circuit. To reduce the CMV fluctuation, a switch Q7 with a 3-ϕ diode bridge rectifier is added to the inverter’s output terminals. The switch Q7 reduces the CMV fluctuation in the Vdc/3 range to 2 × Vdc/3 upon entering conduction in both zero states. Table 7 illustrates a comparison of H6, NPC H6, and different H7 topologies.
In order to separate the DC source during freewheeling states, the H7 family adds an additional switch. Its main benefit is that, in comparison to the H6, it has a moderately lower CMV range and leakage current without significantly increasing the number of components. The main trade-off is a minor decrease in efficiency brought on by the additional switching device. As a result, between the more complicated H8/H10 inverters and the more conventional H6, the basic H7 topology offers a good mid-performance choice.

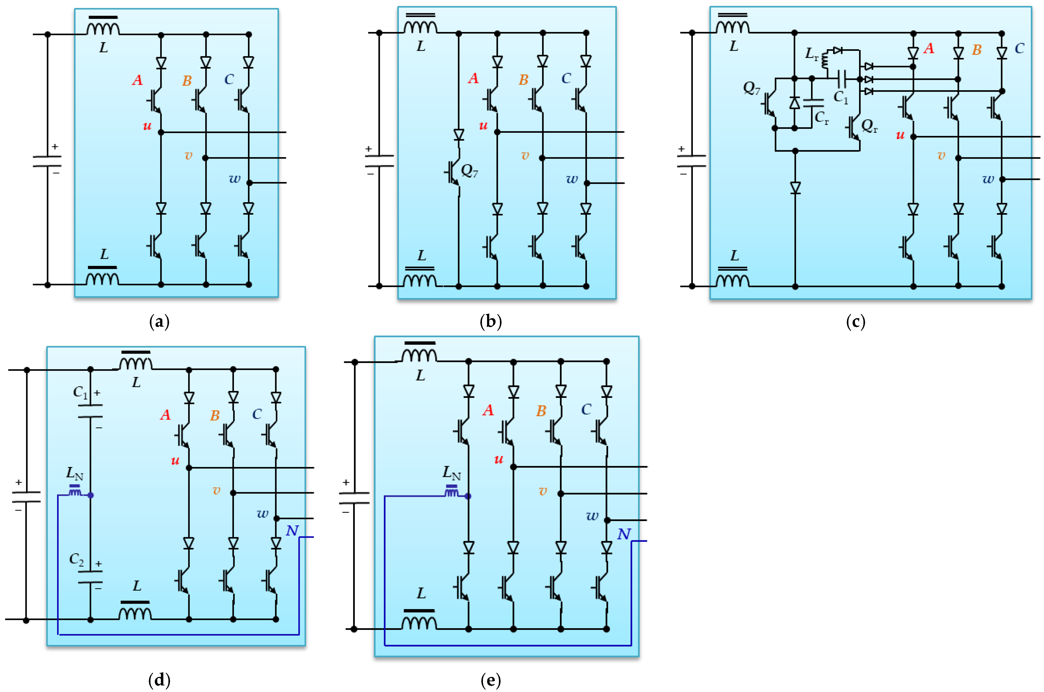
3.1.4. Three-Phase H8 Topologies

H8, a more modern topology, is shown in Figure 7a [35,85,86,87]. It is made up of two power transistors that link the conventional 3-arm transformerless inverter to the DC bus. One may consider it to be the three-phase counterpart of the well-known 1-φ H6 transformerless inverter scheme. To lower the common mode voltage (CMV) for electrical drives, the first suggested H8 inverter architecture was developed [35,85]. The concept was then applied to grid-connected transformerless PV systems. The suggested design in [21] combined the advantages of DC bypass structures with AC bypass circuits. The findings revealed a tiny THD of the grid current and a low leakage current. Nevertheless, the controller employed had a low response, and the modulation was the conventional method. In [44], the H8 topology’s performance was contrasted with that of the traditional H6-type voltage source inverter. However, the system’s dynamic reaction was subpar, and its efficiency was low. The H8 was altered in [33] to achieve 0% CMV mutations. The method relied on the control strategy and a changed configuration to enter and exit the zero-voltage vector. Because of the 50% decrease in CMV amplitude, the H8 architecture performed better than H7 according to the results of [86]. As a result, the H8 architecture enhanced the attenuation of leakage current.
Another variation of the H8 topology is presented in Figure 7b, called oH8 [87]. It is the extended 3-φ version of the 1-φ topology oH6, and it contains more diodes and capacitors. However, the leakage current, THD of the grid current, number of devices, and efficiency are worse than the original H8 [33,87].
Figure 7c provides another version of the H8 topology, sometimes called the eight-switch topology. Although it has slightly better efficiency than the traditional H8 topology, it has not reduced the earth leakage current as much as the original H8 [33]. An improved H8 topology, illustrated in Figure 7d, was introduced by [21]. It has been tested with induction motor drives using a new PWM switching to reduce CMV variations. It provides a 66.6% reduction in the variation of the CMV [88]. Table 8 demonstrates the comparison of different H8 topologies.
In H8 topologies, the inverter is disconnected from the DC source during zero states by means of two DC-bypass switches. Their main benefit is that the CMV range can be effectively reduced (for example, to 0–2 Vdc/3 or 1/3–2 Vdc/3), which results in much lower leakage currents that can still reach acceptable limits. Higher switching losses, additional gate drivers, and increased complexity are the trade-offs. As a result, the H8 is a high-performance VSI choice where safety and the suppression of leakage current are of utmost importance and where the complexity and cost involved are reasonable.

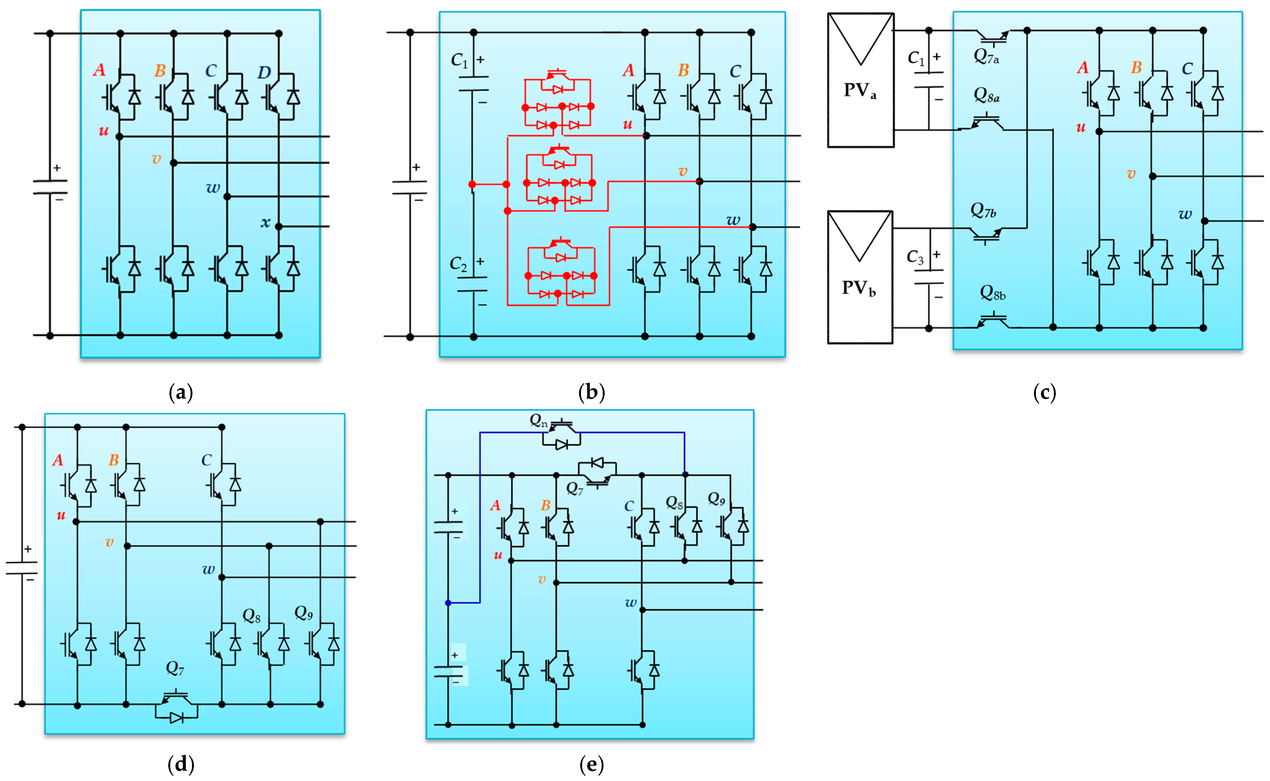
3.1.5. Three-Phase H10 Topologies

The H10 three-phase inverter may be classified into clamped and non-clamped topologies [89]. The clamped topologies have different versions named forward-clamped (FC-H10) and reverse-clamped H10 (RC-H10) inverters, as presented in Figure 8a,b. Although two DC bus switches, a clamping circuit, and a conventional three-phase inverter make up each topology, these two topologies employ different clamping techniques. For these two topologies, a general control strategy that combines logic operation and carrier modulation is suggested. The control strategy allows the common-mode voltage of these two topologies to vary between one-third and two-thirds of the DC bus voltage, but the frequency of the CMV of the reverse-clamped inverter is three times that of the forward-clamped inverter. The loop impedance of the reverse-clamped inverter increases greatly at high frequency; therefore, the leakage current suppression performance is improved.
To lower the leakage current, a novel nonclamped H10 inverter architecture for PV applications was introduced in [90], as shown in Figure 8c. The H10 inverter in [90] isolates the grid during zero vector states and permits CMV variation between Vdc/3 and 2 Vdc/3. However, the CMV’s dv/dt stays the same as in the two-level inverter (Vdc/3), suggesting that a larger drop in leakage current and fewer current harmonics in the grid current should follow from further dv/dt reduction. Ref. [91] proposes a different nonclamped H10 inverter architecture for PV grid-connected system applications, as presented in Figure 8d. In grid-connected photovoltaic (PV) systems, the new H10 inverter has the ability to lower leakage current and grid current harmonics [91]. Similar to three-level inverters with fewer switches, the common mode voltage (CMV) ranges from Vdc/3 to 2 Vdc/3 with a dv/dt of Vdc/6. The comparison of different H10 topologies is demonstrated in Table 9.
H10 topologies control freewheeling routes by using either non-clamped structures or clamping circuits (forward or reverse). The capacity to firmly confine the CMV to a narrow band (such as Vdc/3 to 2 Vdc/3) and, in certain versions, lower the CMV’s dv/dt, which results in superior leakage current suppression, is their main advantage. The primary disadvantage is that, in comparison to other common VSI families, it has the most components and control complexity. As a result, H10 inverters are leading the way in VSI performance for reducing leakage currents, but their higher cost and more complicated design limit their use.

3.1.6. Three-Phase Four-Leg Topology

Note that the majority of the three-phase solutions listed above are only applicable to three-leg PV inverters, and there hasn’t been much focus on solutions for transformerless three-phase four-leg PV inverters [18,92]. To get rid of the CMV, a four-leg inverter with a phase-shifting modulation was introduced in [93], as shown in Figure 9a. However, a modulation index of less than 0.666 or greater than 1.108 limits its operation. For an effective DC-link voltage consumption and linear-modulation operation range, the modulation index in most PV system applications is typically higher than 0.666 and lower than 1.0. Therefore, more research is required on the proposed modulation approach with leakage current removal for three-phase, four-leg PV inverters. According to [19], the high-frequency CMV makes it impossible for the three conventional modulation techniques (PWM, SVPWM, and DPWM) to completely eradicate the leakage current. In order to attain a constant CMV, the modulation technique for a three-phase, four-leg PV inverter was explored. As a result, it is possible to significantly reduce the leakage current.

3.1.7. Three-Phase ZVR Topology

Ref. [47] proposed a novel modulation approach and 3-φ topology, as presented in Figure 9b. Although its functioning mechanism differs greatly from that of the single-phase ZVR (zero-voltage state rectifier) architecture, it is developed from it. To reduce the leakage current, a novel modulation technique based on the Boolean logic function is suggested in order to create a constant common mode voltage. Using a predefined group of switching states, the CMV can be made constant at 0.5 Vd. Future studies will focus on a thorough theoretical examination of the suggested solution’s capacitor voltage-balancing mechanism.

3.1.8. Three-Phase DCM-232 Topology

To eliminate the CMV fluctuation, the DCM-232 inverter design, as seen in Figure 9c, is suggested with two separate sources for odd and even vectors [94]. The H6 inverter is often made up of two CMVs connected to non-zero vectors, such as Vd/3 in odd states or 2/3 × Vd in even states. The inner H6 still functions similarly to a traditional inverter. The lower PV source (Vb) is linked to the H6 inverter during non-zero even vectors, while the upper PV source (Va) is connected during non-zero odd vectors to eliminate the CMV fluctuation across the stray capacitors. The Q7 and Q8 switches separate the sources from the load while they are in zero states. Thus, we may essentially apply zero voltage and all of the active vectors while keeping the voltage across the corresponding panels’ parasitic capacitance constant. Consequently, in the DCM-232 inverter architecture, the CMV over the stray capacitance of both sources is constant, resulting in zero or low leakage current [27,95].

3.1.9. Three-Phase Hybrid Transformerless Inverter Topologies

Another topology class called hybrid TL inverters was introduced [28]. The area is still being advanced by recent studies, which are increasingly focusing on sophisticated control algorithms for CMV suppression [96] and complicated hybrid and multi-port systems that incorporate energy storage [97]. Recent hybrid transformerless inverter families, for example, have completely eliminated leakage current in experimental setups [98], and validated prototypes using contemporary modulation and predictive control approaches have significantly reduced CMV [99,100]. AC- and DC-decoupled power devices on the positive and negative legs of a traditional inverter H6 setup make up the hybrid transformerless inverter arrangement. The benefits of reducing switching loss in a DC-decoupled topology and maintaining CMV fluctuations in an AC-decoupled topology are combined in this inverter arrangement. It can be implemented by two arrangements: non-NPC hybrid and NPC hybrid.
Figure 9d shows the hybrid transformerless arrangement II. The negative DC bus side of this architecture is linked to the decoupling circuit. In a balanced operational condition, this setup functions as a traditional H6 inverter. The Q7 switch is on in this instance, but the Q8 and Q9 switches are off. The Q7 will turn off in order to separate the source and grid when imbalanced conditions arise during a fault state or freewheeling period. Additionally, the switches Q8 and Q9 will be turned on to preserve the CMV fluctuations and provide the inverter setup with the capacity to flow current in both directions. Nevertheless, under balanced conditions, this arrangement has high conduction loss, and under freewheeling conditions, large switching loss. With a freewheeling circuit connected to the inverter’s three-phase output on the negative DC bus, this architecture combines both AC and DC side decoupling. Table 10 lists this configuration’s switching states under both balanced and unbalanced scenarios. where 222 indicates that all upper switches are ON and freewheeling switches are ON, and 000 indicates that all upper switches are OFF and freewheeling switches are ON. With the Q7 switch turned on, the inverter may operate in the following standard modes: 001, 010, 100, 210, 201, 102, 012, 021, and 112.
Additionally, during the freewheeling period (0 to Vd), this design exhibits significant changes across the DC link. In order to simplify power transmission, the inverter operates normally in the balanced condition, with Q7 ON and Q8 and Q9 OFF. While Q8 and Q9 offer a bidirectional freewheeling channel to reduce leakage current and regulate CMV, Q7 is turned off under imbalanced situations.
Figure 9e shows the ten active switches with the NPC hybrid transformerless configuration, which is based on antiparallel diodes. With less Ileak, this inverter arrangement offers bidirectional current flow capability, maintains half of the DC link voltage during balanced conditions, and reduces CMV fluctuations. Under balanced circumstances, the inverter functions as a typical setup, with Q7 on and Qn, Q8, and Q9 off. Sn will be ON, Q7 separates the source and grid, and Q8 and Q9 supply the bidirectional current during the unbalanced or freewheeling phase. The NPC hybrid topology has more switches than other hybrid topologies, which results in larger power losses. Table 11 lists this configuration’s switching states under both balanced and unbalanced scenarios. It demonstrates that during the freewheeling phase (Vd/3 to Vd), the NPC Hybrid Transformerless configuration I exhibits significant changes across the DC connection. Under balanced circumstances, this arrangement ensures consistent power transmission with less voltage stress by operating with Q7 kept ON and Q8, Q9, and Qn OFF. When Q7 is not balanced, Qn, Q8, and Q9 work together to create a freewheeling loop that enhances CMV and Ileak performance. The comparison of special 3-φ TL inverter topologies is demonstrated in Table 12.
Hybrid topologies (both non-NPC and NPC) intelligently combine AC and DC decoupling paths. Their core advantage is the strategic balancing of performance metrics: they maintain low CMV variation for reduced leakage current while also offering lower switching losses compared to purely DC-decoupled topologies. The significant drawback is very high circuit and control complexity due to the large number of active switches and unique modulation requirements. As a result, hybrid topologies are advanced, research-oriented solutions that offer a compelling performance compromise, but their practical implementation remains challenging and is best suited for high-power applications where efficiency is paramount.
Even while sophisticated hybrid and special topologies perform better in terms of efficiency and leakage current in research settings, there are now major obstacles preventing their wider commercial adoption and practical viability. The main obstacles are a greater number of components and a more complex system, which raise manufacturing costs and failure rates and make it hard to compete with the mass-produced, cost-optimized H6 and H8 inverters that rule the market [28,29]. Moreover, complex modulation and control techniques are needed to realize their advantages, necessitating more potent and costly digital processors. Additionally, implementation may be limited by patent issues [30]. As a result, these topologies are currently limited to specialized high-performance applications and scholarly research. Future advancements in semiconductor cost reduction, especially for wide-band gap (WBG) devices, and the creation of more straightforward, integrated control solutions will be necessary for these topologies to become more commercially viable.

3.2. Current-Source Topologies

Because it is often less expensive, smaller, and easier to manage, as well as having a little higher total conversion efficiency in common PV applications, VSI (transformerless) is the most popular commercial option for PV [101,102]. Although interest is rising, CSI (transformerless) is less prevalent in PV since it historically required large DC inductors and a more complicated PV-side interface. However, in some designs, it can deliver significantly lower CMV/leakage currents and has intrinsic short-circuit/regenerative benefits [101,103]. A comprehensive comparison between transformerless VSIs and transformerless CSIs used in PV grid-tied systems is given in Table 13. The topologies of the recent buck-TL-CSIs will be discussed in the following sections.

3.2.1. Traditional CSI Topology

The most basic arrangement for converting DC to AC is this kind. Figure 10a shows this converter’s 3-φ configuration. High gain, short circuit protection, one-stage power conversion, acceptable lifespan, and other general benefits of current source inverters are all benefited by this inverter.
This inverter has drawbacks in addition to its benefits, such as low efficiency and common-mode voltage generation that results in common-mode current leakage [105].
As indicated in Table 5, the leakage current for PV systems with CSIs has been limited by the DINVDE 0126-1-1 standards. According to [105], the traditional inverter’s harmonic components of leakage current exceed the upper limit. Therefore, it is not appropriate for a solar system that uses a grid power source. Additionally, the CSI switches need to be able to reserve a block, which may be accomplished by connecting the IGBTs in series with diodes (as seen in Figure 10a); as a result, the semiconductor losses rise. Nevertheless, the series diodes are not required since newly developed RB-IGBTs can block both forward and reverse voltages in their off states [105,106].

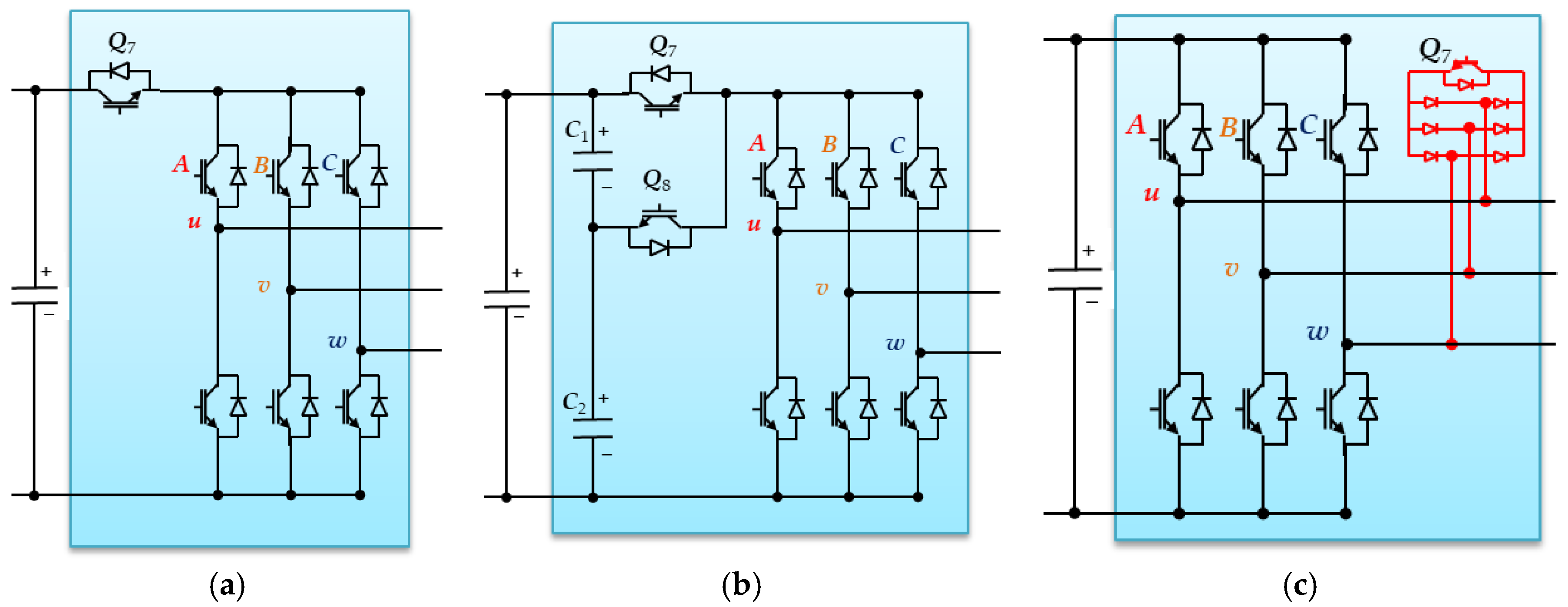
3.2.2. H7 CSI Topology or CH7

Figure 10b depicts a 3-φ CH7, which is described in [83]. To lower the leakage current, this arrangement makes use of an inverter bridge parallel switch. By decreasing the dv/dt, which is proportional to the amount of leakage current, switch Q7 lowers the leakage current. According to [83], the common-mode condition in an experimental sample had a leakage current decrease of 200 mA. The efficiency range and conversion gain are not mentioned, although this structure and appropriate management lower losses, particularly conductance ones [83]. Preventing overvoltage is one of the additional benefits of the parallel switch (Q7). The parallel switch will be activated until the problem is fixed if there is an overvoltage.
Hard-switching CH7 has the disadvantage of causing high switching stress on parallel switches, as was previously described. soft-switching topologies have been designed to address these issues since switching loss increases in high-frequency operations [112,113]. Although a number of soft-switching VSIs have been released recently, the majority of them are more expensive and space-intensive than hard-switching VSIs. There are fewer species in soft switching CSI, on the other hand. Figure 10c illustrates the soft-switching H7 structure, which is described in [112]. The circuit features an auxiliary circuit for soft switching and benefits the Q7 switch on the DC side. To provide soft-switching capabilities, the primary switch (Q7) is aimed toward a resonant auxiliary switch (Qr), as shown in Figure 10c. Together, the auxiliary switch, resonant capacitor Cr, and series-connected resonant inductance Lr form a resonant tank. The energy of Lr is released to output loads by diodes D9, D10, D11, and D12. Switch Q7’s current reserve blocking capability will be enhanced with diode D7. Additionally, energy absorption is accomplished by capacitor C1. Switch Q7, therefore, switches on at zero current and off at zero voltage, and switching of Q7 takes place at zero voltage. An analysis of a single waveform cycle reveals that the bridge-inverter’s six switches are switched at zero voltage. There is no information on VTR, size, or power density, but the efficiency is around 14% higher than the standard one.

3.2.3. Split-Capacitor Four-Wire CSI Topology

Figure 10d depicts the 3-φ structure of the split capacitor 4-wire CSI. By adding two series capacitors with their center points linked to the system’s coupling inductors and null, it lowers current leakage by raising the impedance of the current channel on the DC side. These capacitors also reduce DC current ripple. According to the topology circuit, the current flows from the capacitor’s intermediate location to the voltage zero points when both upstream and downstream switches are linked to a branch [110,114]. Additionally, this converter has two more switches than the traditional one; both inverters have similar power losses, and their efficiency is lower than the traditional one.
Ref. [115] describes the split-capacitor four-wire CSI topology and its equivalent circuit model. It also analyzes the common-mode circuit and derived expressions for CMV and the common-mode current (CMC). Furthermore, it discusses the impact of neutral line inductance on CMV and compares the CMV in the proposed CSI with that in traditional CSIs.
The split-capacitor four-wire CSI topology addresses the critical leakage current issue in transformerless PV systems by strategically modifying the CM path. This architecture incorporates two series DC-link capacitors, with their center tap connected to the grid’s neutral wire, thereby creating a high-impedance pathway for common-mode currents. During operation, this configuration effectively clamps the CMV, significantly reducing its magnitude and rate of change (dv/dt). Consequently, the primary driver for leakage current, which is the fluctuating CMV across the PV array’s parasitic capacitance, is substantially suppressed. While this design successfully lowers leakage currents to meet safety standards, it introduces trade-offs, including the need for additional capacitors and a more complex control strategy to manage the capacitor voltages and ensure stable system operation under varying grid conditions.

3.2.4. Four Leg CSI Topology

Figure 10e displays this converter’s usual architecture. Each of the eight IGBTs that make up this converter has a power diode linked in series with it. Two DC-link inductors are also necessary for the converter to function. The converter can execute sixteen distinct switching combinations, each of which simultaneously closes just two of the converter’s switches while preserving a steady current on the DC-link.
The relation between switching states and CMV is examined in [116], and it is shown that if a zero vector is present, the CMV peak value will be doubled; as a result, the common can be suppressed by avoiding the zero vector. It has been demonstrated, in [116], that employing fourth-arm switches and substituting neutral current for the preceding three zero vectors lowers the value of CMV. Bipolar current pulses and the modulation index range constraint are two examples of traditional active vector modulations that can be resolved using this technique [116]. This topology turns into a suitable substitute for distorted and unbalanced current correction. The converter is suggested as an active filter for imbalance and harmonic correction in [92]. Using a novel SVM methodology, the CSC has also been suggested for lowering the common-mode output voltage. This method efficiently reduces the CMV and gets rid of unwanted bipolar current pulses produced in 3L4W CSIs [116].
Because they use a DC-link inductor, current-source inverters are essentially different from VSIs. They are a great option for safety and electromagnetic interference (EMI) because of their inherent, superior leakage current suppression, which is caused by topological features that inherently limit CMV dynamics. The bigger size/weight, higher cost due to bulkier inductors, lower usual efficiency, and more complicated MPPT regulation are the main disadvantages. To sum up, CSIs are a specialized but very effective substitute in situations where leakage current is the top priority and system-level compromises in terms of size, cost, and maturity are tolerable.

3.3. Modulation Strategies for CMV and Leakage Current Suppression

When it comes to influencing the CMV behavior and, in turn, the leakage current in transformerless inverters, the modulation approach is just as important as the architecture. Two zero vectors (V0, V7) that clamp all phases to the same DC bus are among the eight switching vectors used in the standard space vector PWM (SVPWM) for a two-level VSI. These vectors usually produce the greatest CMV peaks. Therefore, avoiding or changing the utilization of these states is the main objective of specialized modulation. The following is a summary of the primary methods:
  • Active Zero-Vector Modulation: This technique substitutes opposing active vectors that provide the same output voltage but a different CMV for the conventional zero vectors (V0, V7). For example, to synthesize a zero vector while keeping the CMV at a constant, lowered level, V4 (110) and V1 (100) can be utilized in combination rather than V0 (000) [17,36]. Although very successful, this may result in higher switching losses.
  • Near-State Modulation: This method effectively prevents big CMV jumps by limiting the selection of switching vectors to those that are adjacent to one another in the space vector hexagon. The dv/dt across the parasitic capacitance is directly limited by the peak-to-peak CMV, which is greatly decreased by never, for instance, changing from an “all-high” state to an “all-low” state [35].
  • Discontinuous PWM (DPWM): For 120° intervals per basic cycle, the DPWM family, which includes particular variations like DPWM0, DPWM1, and DPWM2, intentionally clamps each phase to the positive or negative DC rail. When compared to continuous PWM, this clamping reduces the average switching frequency and, consequently, switches losses by up to 33% by eliminating all switching events during the clamped phase [28,29]. The particular clamping pattern affects the CMV spectrum even though it is largely a loss-reduction technique.
  • Modified Discontinuous PWM (MDPWM): This sophisticated DPWM technique maximizes the clamping period for both CMV reduction and loss minimization. MDPWM can maintain the CMV within a narrower band (e.g., Vdc/3 to 2 Vdc/3) while maintaining its low-loss characteristics by carefully choosing the clamping instants based on the common-mode voltage of the active vectors. This makes it especially appropriate for high-efficiency transformerless PV applications [28,29].
  • Randomized PWM (RPWM): RPWM distributes the harmonic energy of the CMV over a continuous band by randomizing the switching frequency rather than concentrating on the CMV magnitude. This “spread-spectrum” method lowers peak electromagnetic interference (EMI) and removes the high-frequency tonal noise that comes with fixed-frequency PWM, both of which are advantageous for meeting EMC regulations [20].
The choice of modulation involves a direct trade-off between CMV suppression, switching loss, output harmonic quality (THD), and implementation complexity. The optimal strategy is often tailored to the specific inverter topology and application requirements.

4. Conclusions

With an emphasis on the crucial problem of CMV and leakage current suppression, this paper has offered a thorough assessment and comparative analysis of three-phase two-level buck inverter topologies for transformerless grid-tied PV systems. A clear evaluation of the topologies’ performance trade-offs was made possible by the systematic classification of the topologies into VSIs and CSIs, as well as the compilation of their attributes.
The key findings from the comparative analysis are as follows:
  • VSI Topologies: Although straightforward and reasonably priced, the traditional H6 inverter naturally generates large CMV fluctuations, which result in leakage currents that frequently fall short of safety requirements. Advanced topologies, like H8 and H10, exhibit better balance between complexity and performance, especially in their optimized configurations. These topologies successfully limit the CMV to a range of Vdc/3 to 2 Vdc/3 by incorporating extra switching states. They significantly reduce switching loss and leakage current when combined with sophisticated modulation techniques, particularly MDPWM, reducing the latter down to levels allowed by international standards.
  • CSI Topologies: Because of their topological features, which inherently restrict CMV dynamics, transformerless CSIs have an intrinsic advantage in suppressing leakage current. They are therefore a strong option in terms of EMI and safety. Practical disadvantages, such as increased cost, increased size and weight because of the necessary DC-link inductors, and more complicated control and MPPT interfacing, offset this advantage. In contrast to the more established VSI alternatives, these issues have restricted their commercial penetration.
  • Overall Trade-off: In the end, choosing the best topology involves a definite engineering trade-off. In terms of peak conversion efficiency, component maturity, and cost-effectiveness, VSI-based architectures are currently at the forefront. On the other hand, CSI-based architectures are superior in terms of fault tolerance, short-circuit protection, and leakage current suppression.
This analysis identifies several particular and encouraging avenues for further study:
  • Intelligent Control and Modulation: To further optimize the trade-off between CMV suppression, switching loss, and output power quality, adaptive, real-time modulation techniques that can react dynamically to shifting grid conditions, PV array impedance, and component aging are being developed.
  • Integration of WBG Semiconductors: SiC and GaN device research is essential, especially for high-frequency VSIs and CSIs. Complex, high-performance topologies can become more feasible with WBG technology’s ability to significantly lower switching losses, allow greater switching frequencies to reduce the bulk of passive components, and possibly push peak efficiency above 99%.
  • Optimizing Multilevel and Hybrid Architectures: In order to better balance performance and the quantity of active components, future research should concentrate on improving the previously suggested hybrid and NPC-hybrid inverters. Additionally, with specialized modulation methods, the potential of four-leg topologies to manage unbalanced loads and deliver a constant CMV should be further explored.
  • Expanded System-Level Analysis: This work should be expanded upon in future reviews by delving deeply into one-stage boost-derived topologies (such as Z-source and quasi-switched boost inverters), sophisticated soft-switching strategies to reduce losses, and the unique control difficulties associated with integrating these transformerless systems into distorted and weak grids.
The next generation of transformerless PV inverters may consolidate their place in the global renewable energy scene by tackling these directions and achieving even higher levels of efficiency, power density, dependability, and safety.

Author Contributions

Methodology and conceptualization, S.A.Z.; writing—original draft preparation, M.F.A.; writing—review and editing, M.F.A. and H.S.S.; visualization, M.F.A. and H.S.S. All authors have read and agreed to the published version of the manuscript.

Funding

This research received no external funding.

Data Availability Statement

The original contributions presented in this study are included in the article. Further inquiries can be directed to the corresponding author.

Conflicts of Interest

The authors declare no conflicts of interest.

Nomenclature

AcronymDefinition
PVPhotovoltaic
CMVCommon-Mode Voltage
CMCCommon-Mode Current
DMVDifferential-Mode Voltage
THDTotal Harmonic Distortion
DCDirect Current
ACAlternating Current
VSIVoltage Source Inverter
CSICurrent Source Inverter
PWMPulse Width Modulation
SPWMSinusoidal Pulse Width Modulation
SVPWMSpace Vector Pulse Width Modulation
RSPWMRandomized Sinusoidal Pulse Width Modulation
MDPWMModified Discontinuous Pulse Width Modulation
MPPTMaximum Power Point Tracking
DCMDiscontinuous Conduction Mode
HERICHighly Efficient and Reliable Inverter Concept
WBGIntegration of Wide-Bandgap
H5/H6/H7/H8/H9/H10Transformerless inverter topologies (numbers denote number of switches)
oH6/oH8Optimized or modified versions of H6 and H8 topologies
FC-H10Forward-Clamped H10 Inverter
RC-H10Reverse-Clamped H10 Inverter
NPCNeutral Point Clamped
EMIElectromagnetic Interference
LCLInductor–Capacitor–Inductor filter
P&OPerturb and Observe (MPPT algorithm)
DC-LinkIntermediate link between the PV array and the inverter
ηEfficiency
IEEE/IETInstitute of Electrical and Electronics Engineers/Institution of Engineering and Technology
VdcDC-link voltage
VAN, VBN, VCNPhase voltages with respect to the neutral point
VAO, VBO, VCOPole voltages of inverter legs
VCMVCommon-mode voltage
VMNVoltage between the inverter midpoint (M) and neutral (N)
IleakLeakage current
ia, ib, icPhase currents
LCGParasitic capacitance between the PV array and the ground
ωAngular frequency (rad/s)
ZA, ZB, ZCPhase impedances
XBBranch impedance affecting leakage current
TsSwitching period
Tl, Tm, TnDwell times of space vectors
mpqSwitching function variable (1 if ON, 0 if OFF)
x, yReference vector coordinates in SVPWM analysis
kCMV index in SVPWM sequence
dv/dtVoltage rate of change (slope of voltage transitions)
ηEfficiency of the inverter (%)
Cf, LfFilter capacitor and inductor, respectively
MModulation index

References

  1. Blaabjerg, F.; Teodorescu, T.; Liserre, M.; Timbus, A.V. Overview of control and grid synchronization for distributed power generation systems. IEEE Trans. Ind. Electron. 2006, 53, 1398–1409. [Google Scholar] [CrossRef]
  2. Our World in Data. Installed Solar PV Capacity. Available online: https://ourworldindata.org/grapher/installed-solar-pv-capacity (accessed on 26 September 2025).
  3. International Energy Agency Photovoltaic Power Systems Programme (IEA-PVPS). Trends in Photovoltaic Applications 2024. Available online: https://iea-pvps.org/wp-content/uploads/2024/10/IEA-PVPS-Task-1-Trends-Report-2024.pdf (accessed on 21 April 2025).
  4. International Renewable Energy Agency (IRENA). Solar Energy Technology Brief. Available online: https://www.irena.org/Energy-Transition/Technology/Solar-energy (accessed on 26 September 2025).
  5. Freddy, T.K.S.; Rahim, N.A. Photovoltaic inverter topologies for grid integration applications. In Advances in Solar Photovoltaic Power Plants; Springer: Berlin/Heidelberg, Germany, 2016; pp. 13–42. [Google Scholar]
  6. Kjaer, S.B.; Pedersen, J.K.; Blaabjerg, F. A review of single-phase grid-connected inverters for photovoltaic modules. IEEE Trans. Ind. Appl. 2005, 41, 1292–1306. [Google Scholar] [CrossRef]
  7. Xiao, H.; Xie, S.; Chen, Y.; Huang, R. An optimized transformerless photovoltaic grid-connected inverter. IEEE Trans. Ind. Electron. 2011, 58, 1887–1895. [Google Scholar] [CrossRef]
  8. Meneses, D.; Blaabjerg, F.; García, Ó.; Cobos, J.A. Review and comparison of step-up transformerless topologies for photovoltaic AC-module applications. IEEE Trans. Power Electron. 2013, 28, 2649–2663. [Google Scholar] [CrossRef]
  9. Zaid, S.A.; Kassem, A.M. Review, analysis and improving the utilization factor of a PV-grid connected system via HERIC transformerless approach. Renew. Sustain. Energy Rev. 2017, 73, 1061–1069. [Google Scholar] [CrossRef]
  10. National Renewable Energy Laboratory (NREL). A Review of PV Inverter Technology Cost and Performance Projections. Available online: https://docs.nrel.gov/docs/fy06osti/38771.pdf (accessed on 5 January 2006).
  11. Kibria, M.F.; Elsanabary, A.; Tey, K.S.; Mubin, M.; Mekhilef, S. A comparative review on single-phase transformerless inverter topologies for grid-connected photovoltaic systems. Energies 2023, 16, 1363. [Google Scholar] [CrossRef]
  12. Gonzalez, R.; Lopez, J.; Sanchis, P.; Marroyo, L. Transformerless inverter for single-phase photovoltaic systems. IEEE Trans. Power Electron. 2007, 22, 693–697. [Google Scholar] [CrossRef]
  13. Kerekes, T.; Teodorescu, R.; Rodríguez, P.; Vázquez, G.; Aldabas, E. A new high-efficiency single-phase transformerless PV inverter topology. IEEE Trans. Ind. Electron. 2011, 58, 184–191. [Google Scholar] [CrossRef]
  14. VDE 0126-1-1-2006; Automatic Disconnection Device Between a Generator and the Public Low-Voltage Grid. EnergyVille: Genk, Belgium, 2008.
  15. Elbalawi, H.; Zaid, S.A. H5 transformerless inverter for grid-connected PV system with improved utilization factor and simple maximum power point algorithm. Energies 2018, 11, 2912. [Google Scholar] [CrossRef]
  16. Freddy, T.K.S.; Rahim, N.A.; Hew, W.; Che, H.S. Comparison and analysis of single-phase transformerless grid-connected PV inverters. IEEE Trans. Power Electron. 2014, 29, 5358–5369. [Google Scholar] [CrossRef]
  17. Hou, C.; Shih, C.; Cheng, P.; Hava, A.M. Common-mode voltage reduction pulse-width modulation techniques for three-phase grid-connected converters. IEEE Trans. Power Electron. 2013, 28, 1971–1979. [Google Scholar] [CrossRef]
  18. Guo, X.; Wei, B.; Zhu, T.; Lu, Z.; Tan, L. Leakage current suppression of three-phase flying-capacitor PV inverter with new carrier modulation and logic function. IEEE Trans. Power Electron. 2018, 33, 2127–2135. [Google Scholar] [CrossRef]
  19. Guo, X.; He, R.; Jian, J.; Lu, Z.; Sun, X. Leakage current elimination of four-leg inverter for transformerless three-phase PV systems. IEEE Trans. Power Electron. 2016, 31, 1841–1846. [Google Scholar] [CrossRef]
  20. Hasanzad, F.; Rastegar, H.; Pichan, M. Performance evaluation of space vector modulation techniques for reducing leakage current of a three-phase four-leg PV inverter. In Proceedings of the 2017 Iranian Conference on Electrical Engineering (ICEE), Tehran, Iran, 2–4 May 2017; pp. 1026–1031. [Google Scholar]
  21. Gupta, A.K.; Agrawal, H.; Agarwal, V. A novel three-phase transformerless H8 topology with reduced leakage current for grid-tied solar PV applications. IEEE Trans. Ind. Appl. 2019, 55, 1765–1774. [Google Scholar] [CrossRef]
  22. Morris, C.T.; Han, D.; Sarlioglu, B. Reduction of common-mode voltage and conducted EMI through three-phase inverter topology. IEEE Trans. Power Electron. 2017, 32, 1720–1724. [Google Scholar] [CrossRef]
  23. Hassan, J.; Minambres-Marcos, V.; Barrero-Gonzalez, F.; Alvi, A.A.; Malinowski, M.; Martinez-Caballero, L. A comparative study of three-phase inverter topologies for common-mode voltage reduction in photovoltaic applications. In Proceedings of the 2023 25th European Conference on Power Electronics and Applications (EPE’23 ECCE Europe), Aalborg, Denmark, 4–8 September 2023; pp. 1–8. [Google Scholar]
  24. Duong, T.D.; Nguyen, M.K.; Tran, T.T.; Vo, D.V.; Lim, Y.C.; Choi, J.H. Topology review of three-phase two-level transformerless photovoltaic inverters for common-mode voltage reduction. Energies 2022, 15, 3106. [Google Scholar] [CrossRef]
  25. Karneddi, H.; Ronanki, D.; Dekka, A. Leakage current analysis of grid-connected transformerless photovoltaic energy systems. In Proceedings of the 2022 IEEE 1st Industrial Electronics Society Annual On-Line Conference (ONCON), Kharagpur, India, 9–11 December 2022; pp. 1–6. [Google Scholar]
  26. Kolantla, D.; Mikkili, S.; Pendem, S.R.; Desai, A.A. Critical review on various inverter topologies for PV system architectures. IET Renew. Power Gener. 2020, 14, 3418–3438. [Google Scholar] [CrossRef]
  27. Rath, I.C.; Shukla, A. Review of three-phase transformerless PV converters. In Proceedings of the 2019 IEEE International Conference on Sustainable Energy Technologies and Systems (ICSETS), Bhubaneswar, India, 26 February–1 March 2019; pp. 63–68. [Google Scholar]
  28. Kumar, A.; Ramasamy, S.; Losito, M.; Gatto, G. Performance analysis of various three-phase hybrid transformerless inverter configurations. IET Power Electron. 2025, 18, e70107. [Google Scholar] [CrossRef]
  29. Ronanki, D.; Sang, P.H.; Sood, V.; Williamson, S.S. Comparative assessment of three-phase transformerless grid-connected solar inverters. In Proceedings of the 2017 IEEE International Conference on Industrial Technology (ICIT), Toronto, ON, Canada, 22–25 March 2017; pp. 66–71. [Google Scholar]
  30. Zhao, T.; Bhavaraju, V.; Nirantare, P.; Xu, J. Evaluation of commercial-scale transformerless solar inverter technology. In Proceedings of the 2015 IEEE Energy Conversion Congress and Exposition (ECCE), Montreal, QC, Canada, 20–24 September 2015; pp. 5342–5348. [Google Scholar]
  31. Bradaschia, F.; Cavalcanti, M.C.; Ferraz, P.E.; Neves, F.A.; Neto, C.M.D. Comparative study of topologies for three-phase transformerless photovoltaic systems. In Proceedings of the 2013 Brazilian Power Electronics Conference, Gramado, Brazil, 27–31 October 2013; pp. 493–500. [Google Scholar]
  32. Kerekes, T.; Teodorescu, R.; Liserre, M.; Klumpner, C.; Sumner, M. Evaluation of three-phase transformerless photovoltaic inverter topologies. IEEE Trans. Power Electron. 2009, 24, 2202–2211. [Google Scholar] [CrossRef]
  33. Guo, X.; Wang, N.; Wang, B.; Lu, Z.; Blaabjerg, F. Evaluation of three-phase transformerless DC-bypass PV inverters for leakage current reduction. IEEE Trans. Power Electron. 2020, 35, 5918–5927. [Google Scholar] [CrossRef]
  34. Petrone, G.; Spagnuolo, G.; Teodorescu, R.; Veerachary, M.; Vitelli, M. Reliability issues in photovoltaic power processing systems. IEEE Trans. Ind. Electron. 2008, 55, 2569–2580. [Google Scholar] [CrossRef]
  35. Concari, L.; Barater, D.; Buticchi, G.; Concari, C.; Liserre, M. H8 inverter for common-mode voltage reduction in electric drives. IEEE Trans. Ind. Appl. 2016, 52, 4010–4019. [Google Scholar] [CrossRef]
  36. Freddy, T.K.S.; Rahim, N.A.; Hew, W.; Che, H.S. Modulation techniques to reduce leakage current in three-phase transformerless H7 photovoltaic inverter. IEEE Trans. Ind. Electron. 2015, 62, 322–331. [Google Scholar] [CrossRef]
  37. Rahimi, R.; Farhadi, M.; Moradi, G.R.; Farhangi, B.; Farhangi, S. Three-phase filter-clamped transformerless inverter for grid-connected photovoltaic systems with low leakage current. IEEE Trans. Ind. Appl. 2020, 56, 1765–1774. [Google Scholar] [CrossRef]
  38. Atawi, I.; Zaid, S. Model predictive control of H7 transformerless inverter powered by PV. Intell. Autom. Soft Comput. 2022, 31, 449–469. [Google Scholar] [CrossRef]
  39. Sergent, J.S.; Coach, C.D.; Roux, R.J. National Electric Code Handbook; National Fire Protection Association: Quincy, MA, USA, 2011. [Google Scholar]
  40. DIN VDE 0126-1-1; DKE Deutsche Kommission Elektrotechnik Elektronik Informationstechnik im DIN und VDE. VDE: Bavaria, Germany, 2005.
  41. Kerekes, T.; Teodorescu, R.; Borup, U. Transformerless Photovoltaic Inverters Connected to the Grid. In Proceedings of the APEC 07—Twenty-Second Annual IEEE Applied Power Electronics Conference and Exposition, Anaheim, CA, USA, 25 February–1 March 2007; IEEE: Anaheim, CA, USA, 2007; pp. 1733–1737. [Google Scholar]
  42. Negesse, B.B.; Park, C.H.; Lee, S.H.; Hwang, S.W.; Kim, J.M. Optimized modulation method for common mode voltage reduction in H7 inverter. Energies 2021, 14, 6409. [Google Scholar] [CrossRef]
  43. Jeong, W.S.; Lee, Y.S.; Lee, J.H.; Lee, C.H.; Won, C.Y. Space vector modulation (SVM) based common mode current (CMC) reduction method of H8 inverter for permanent magnet synchronous motor (PMSM) Drives. Energies 2022, 15, 266. [Google Scholar] [CrossRef]
  44. Rahimi, R.; Farhangi, S.; Farhangi, B.; Moradi, G.R.; Afshari, E.; Blaabjerg, F. H8 inverter to reduce leakage current in transformerless three phase grid connected photovoltaic systems. IEEE J. Emerg. Sel. Top. Power Electron. 2018, 6, 910–918. [Google Scholar] [CrossRef]
  45. Arpan, H.; Vivek, A. Novel three phase H10 inverter topology with zero common mode voltage for three phase induction motor drive applications. IEEE Trans. Ind. Electron. 2022, 69, 7522–7525. [Google Scholar]
  46. Najafi, P.; Houshmand Viki, A.; Shahparasti, M.; Seyedalipour, S.S.; Pouresmaeil, E. A novel space vector modulation scheme for a 10 switch converter. Energies 2020, 13, 1855. [Google Scholar] [CrossRef]
  47. Guo, X.; Zhang, X.; Guan, H.; Kerekes, T.; Blaabjerg, F. Three phase ZVR topology and modulation strategy for transformerless PV system. IEEE Trans. Power Electron. 2019, 34, 1017–1021. [Google Scholar] [CrossRef]
  48. Guo, X.; Zhou, J.; He, R.; Jia, X.; Rojas, C.A. Leakage current attenuation of a three phase cascaded inverter for transformerless grid connected PV systems. IEEE Trans. Ind. Electron. 2018, 65, 676–686. [Google Scholar] [CrossRef]
  49. Tran, T.T.; Nguyen, M.K.; Duong, T.D.; Choi, J.H.; Lim, Y.C.; Zare, F. A switched capacitor voltage doubler-based boost inverter for common mode voltage reduction. IEEE Access 2019, 7, 98618–98629. [Google Scholar] [CrossRef]
  50. Tran, T.T.; Nguyen, M.K.; Ngo, V.Q.B.; Nguyen, H.N.; Duong, T.D.; Lim, Y.C.; Choi, J.H. A three phase constant common mode voltage inverter with triple voltage boost for transformerless photovoltaic system. IEEE Access 2020, 8, 166692–166702. [Google Scholar] [CrossRef]
  51. Hota, A.; Mohammad, M.Q.; Kirtley, J.L.; Vivek, A. Novel switched capacitor boost inverter configuration for three phase induction motor driven home appliances. IEEE Trans. Ind. Appl. 2021, 57, 1450–1458. [Google Scholar] [CrossRef]
  52. Hota, A.; Vivek, A. A Novel three phase induction motor drive with voltage boosting capability low current THD and low common-mode voltage. In Proceedings of the 2020 IEEE International Conference on the Power Electronics Drives and Energy Systems (PEDES), Jaipur, India, 16–19 December 2020; IEEE: Jaipur, India, 2020; pp. 1–4. [Google Scholar]
  53. Kharan, S.; Somasekhar, V.T. An Integrated Four-leg Three-phase Transformerless PV Inverter with Voltage Boosting Capability. In Proceedings of the 2020 IEEE International Conference on Power Electronics, Drives and Energy Systems (PEDES), Jaipur, India, 16–19 December 2020; IEEE: Jaipur, India, 2020; pp. 1–5. [Google Scholar]
  54. Peng, F.Z. Z-source inverter. IEEE Trans. Ind. Appl. 2003, 39, 504–510. [Google Scholar] [CrossRef]
  55. Liu, Y.; Ge, B.; Abu, R.H.; Sun, D. Comprehensive modeling of single-phase quasi-Z-source photovoltaic inverter to investigate low frequency voltage and current ripple. IEEE Trans. Ind. Electron. 2015, 62, 4194–4202. [Google Scholar] [CrossRef]
  56. Siwakoti, Y.P.; Peng, F.Z.; Blaabjerg, F.; Loh, P.C.; Town, G.E. Impedance-Source Networks for Electric Power Conversion Part I: A Topological Review. IEEE Trans. Power Electron. 2015, 30, 699–716. [Google Scholar] [CrossRef]
  57. Nguyen, M.K.; Lim, Y.C.; Park, S.J. A Comparison Between Single Phase Quasi Z Source and Quasi Switched Boost Inverters. IEEE Trans. Ind. Electron. 2015, 62, 6336–6344. [Google Scholar] [CrossRef]
  58. Duong, T.D.; Nguyen, M.K.; Lim, Y.C.; Choi, J.H.; Mahinda, D.V. A comparison between quasi Z source inverter and active quasi Z source inverter. In Proceedings of the 2019 10th International Conference on Power Electronics and ECCE Asia (ICPE 2019-ECCE Asia), Busan, Republic of Korea, 27–30 May 2019; IEEE: Busan, Republic of Korea, 2019; pp. 1–6. [Google Scholar]
  59. Nguyen, M.K.; Le, T.V.; Park, S.J.; Lim, Y.C. A Class of Quasi-Switched Boost Inverters. IEEE Trans. Ind. Electron. 2015, 62, 1526–1536. [Google Scholar] [CrossRef]
  60. Barath, J.N.; Soundarrajan, A.; Stepenko, S.; Husev, O.; Vinnikov, D.; Nguyen, M.K. Topological Review of Quasi-Switched Boost Inverters. Electronics 2021, 10, 1485. [Google Scholar] [CrossRef]
  61. Nguyen, M.K.; Duong, T.D.; Lim, Y.C.; Choi, J.H.; Vilathgamuwa, D.M.; Walker, G.R. DC-Link quasi-switched boost inverter with improved PWM strategy and its comparative evaluation. IEEE Access 2020, 8, 53857–53867. [Google Scholar] [CrossRef]
  62. Nguyen, M.K.; Choi, Y.O. Maximum boost control method for single-phase quasi-switched-boost and quasi-Z-source inverters. Energies 2017, 10, 553. [Google Scholar] [CrossRef]
  63. Nguyen, M.K.; Duong, T.D.; Lim, Y.C.; Kim, Y.G. Switched-Capacitor Quasi-Switched Boost Inverters. IEEE Trans. Ind. Electron. 2017, 65, 5105–5113. [Google Scholar] [CrossRef]
  64. Hossameldin, A.A.; Abdelsalam, A.K.; Ibrahim, A.A.; Williams, B.W. Enhanced Performance Modified Discontinuous PWM Technique for Three-Phase Z-Source Inverter. Energies 2020, 13, 578. [Google Scholar] [CrossRef]
  65. Duong, T.D.; Nguyen, M.K.; Lim, Y.C.; Choi, J.H.; Vilathgamuwa, D.M. SiC-Based Active Quasi-Z-Source Inverter with Improved PWM Control Strategy. IET Power Electron. 2019, 12, 3810–3821. [Google Scholar] [CrossRef]
  66. Nguyen, M.K.; Duong, T.D.; Lim, Y.C.; Choi, J.H. High Voltage Gain Quasi-Switched Boost Inverters with Low Input Current Ripple. IEEE Trans. Ind. Inform. 2018, 15, 4857–4866. [Google Scholar] [CrossRef]
  67. Erginer, V.; Sarul, M.H. A novel reduced leakage-current modulation technique for Z source inverter used in photovoltaic systems. IET Power Electron. 2014, 7, 496–502. [Google Scholar] [CrossRef]
  68. Guo, X.; Yang, Y.; He, R.; Wang, B.; Blaabjerg, F. Leakage current reduction of three phase Z source three level four leg inverter for transformerless PV system. IEEE Trans. Power Electron. 2019, 34, 6299–6308. [Google Scholar] [CrossRef]
  69. Guo, X.; Yang, Y.; He, R.; Wang, B.; Blaabjerg, F. Transformerless Z source four leg PV inverter with leakage current reduction. IEEE Trans. Power Electron. 2019, 34, 4343–4352. [Google Scholar] [CrossRef]
  70. Bradaschia, F.; Cavalcanti, M.C.; Ferraz, P.E.P.; Neves, F.A.S. Modulation for three phase transformerless Z source inverter to reduce leakage currents in photovoltaic systems. IEEE Trans. Ind. Electron. 2011, 58, 5385–5395. [Google Scholar] [CrossRef]
  71. Ferraz, P.E.P.; Bradaschia, F.; Cavalcanti, M.C.; Neves, F.A.S.; Azevedo, G.M.S. A modified Z-source inverter topology for stable operation of transformerless photovoltaic systems with reduced leakage currents. In Proceedings of the XI Brazilian Power Electronics Conference, Natal, Brazil, 11–15 September 2011; IEEE: Natal, Brazil, 2011; pp. 615–622. [Google Scholar]
  72. Liu, W.; Yang, Y.; Kerekes, T. Modified Quasi-Z-Source Inverter with Model Predictive Control for Constant Common-Mode Voltage. In Proceedings of the ICPE-ECCE Asia, Busan, Republic of Korea, 27–30 May 2019; IEEE: Busan, Republic of Korea, 2019; pp. 1–6. [Google Scholar]
  73. Liu, W.; Yang, Y.; Kerekes, T.; Liivik, E.; Vinnikov, D.; Blaabjerg, F. Common-Mode Voltage Analysis and Reduction for the Quasi-Z-Source Inverter with a Split Inductor. Appl. Sci. 2020, 10, 8713. [Google Scholar] [CrossRef]
  74. Noroozi, N.; Zolghadri, M.R. Three phase quasi Z source inverter with constant common mode voltage for photovoltaic application. IEEE Trans. Ind. Electron. 2018, 65, 4790–4798. [Google Scholar] [CrossRef]
  75. Noroozi, N.; Yaghoubi, M.; Zolghadri, M.R. A modulation method for leakage current reduction in a three phase grid tie quasi Z source inverter. IEEE Trans. Power Electron. 2019, 34, 5439–5450. [Google Scholar] [CrossRef]
  76. Duong, T.D.; Nguyen, M.K.; Tran, T.T.; Lim, Y.C.; Choi, J.H.; Wang, C. Modulation Techniques for a Modified Three-Phase Quasi-Switched Boost Inverter with Common-Mode Voltage Reduction. IEEE Access 2020, 8, 160670–160683. [Google Scholar] [CrossRef]
  77. Nguyen, M.K.; Choi, Y.O. Modulation Technique for Modified Active Quasi-Z-Source Inverter with Common-Mode Voltage Reduction. Electronics 2021, 10, 2968. [Google Scholar] [CrossRef]
  78. Duong, T.D.; Nguyen, M.K.; Tran, T.T.; Vo, D.V.; Lim, Y.C.; Choi, J.H. Three-Phase Impedance-Source Inverter with Common-Mode Voltage Reduction. IEEE Access 2021, 9, 164510–164519. [Google Scholar] [CrossRef]
  79. Kharan, S.; Akash, S.; Rajeev, K.S. Transformerless Common Ground Quasi-Z-Source Three Phase Inverter for PV Applications. In Proceedings of the IECON 2020 the 46th Annual Conference of the IEEE Industrial Electronics Society, Singapore, 18–21 October 2020; IEEE: Singapore, 2020; pp. 1935–1940. [Google Scholar]
  80. Chen, Y.; Smedley, K. Three-Phase Boost-Type Grid-Connected Inverter. IEEE Trans. Power Electron. 2008, 23, 2301–2309. [Google Scholar] [CrossRef]
  81. Guo, X.; Xu, D.; Wu, B. Three-phase seven-switch inverter with common mode voltage reduction for transformerless photovoltaic system. In Proceedings of the IECON 2014—40th Annual Conference of the IEEE Industrial Electronics Society, Dallas, TX, USA, 29 October–1 November 2014; IEEE: Dallas, TX, USA, 2014; pp. 2279–2284. [Google Scholar]
  82. Lorenzani, E.; Migliazza, G.; Immovilli, F.; Gerada, C.; Zhang, H.; Buticchi, G. Internal current return path for ground leakage current mitigation in current source inverters. IEEE Access 2019, 7, 96540–96548. [Google Scholar] [CrossRef]
  83. Guo, X. Three-phase ch7 inverter with a new space vector modulation to reduce leakage current for transformerless photovoltaic systems. IEEE J. Emerg. Sel. Top. Power Electron. 2017, 5, 708–712. [Google Scholar] [CrossRef]
  84. Wang, W.; Gao, F.; Yang, Y.; Blaabjerg, F. Operation and modulation of h7 current-source inverter with hybrid sic and si semiconductor switches. IEEE J. Emerg. Sel. Top. Power Electron. 2018, 6, 387–399. [Google Scholar] [CrossRef]
  85. Jeong, W.-S.; Kim, S.-H.; Yi, J.; Won, C.-Y. Finite Control Set–Model Predictive Control of H8 Inverter Considering Dead-Time Effect for PMSM Drive Systems with Reduced Conducted Common-Mode EMI and Current Distortions. IEEE Trans. Power Electron. 2022, 37, 5342–5356. [Google Scholar] [CrossRef]
  86. Xiang, Y.; Pei, X.; Wang, M.; Shi, P.; Kang, Y. An Improved H8 Topology for Common-Mode Voltage Reduction. IEEE Trans. Power Electron. 2019, 34, 5352–5361. [Google Scholar] [CrossRef]
  87. Zaid, S.A.; Albalawi, H.; AbdelMeguid, H.; Alhmiedat, T.A.; Bakeer, A. Performance Improvement of H8 Transformerless Grid-Tied Inverter Using Model Predictive Control Considering a Weak Grid. Processes 2022, 10, 1243. [Google Scholar] [CrossRef]
  88. Hota, A.; Agarwal, V. A New Three-Phase Inverter Topology for Reducing the dv/dt and Peak-to-Peak Value of Common Mode Voltage. IEEE Trans. Ind. Electron. 2022, 69, 11979–11986. [Google Scholar] [CrossRef]
  89. Ma, H.; Shao, P.; Lan, Z. Comparative analysis of leakage current suppression capability of forward-clamped and reverse-clamped H10 three-phase inverters. IET Power Electron. 2021, 14, 2563–2573. [Google Scholar] [CrossRef]
  90. Long, B.; Chen, Z.; Hu, C.; Yu, Y.; Rodriguez, J.; Guerrero, J.M. A nonclamped H10 topology to achieve leakage current reduction for transformerless grid-connected converter. IEEE J. Emerg. Sel. Top. Power Electron. 2024, 12, 1847–1858. [Google Scholar] [CrossRef]
  91. Tawfiq, K.B.; Zeineldin, H.; Al-Durra, A.; El-Saadany, E.F. Mitigation of Leakage Current and Current Harmonics in PV Grid-Connected Systems Using a New H10 Three-Phase Inverter. IEEE J. Emerg. Sel. Top. Power Electron. 2025, 13, 214–229. [Google Scholar] [CrossRef]
  92. Rojas, F.; Villalón, G.; Reyes, L.; Mora, A.; García, A.; Orellana, P. An Overview of Four-Leg Converters: Topologies, Modulations, Control and Applications. IEEE Access 2022, 10, 61277–61325. [Google Scholar] [CrossRef]
  93. Julian, A.; Lipo, T.; Oriti, G. Elimination of common-mode voltage in three-phase sinusoidal power converters. IEEE Trans. Power Electron. 1999, 14, 982–989. [Google Scholar] [CrossRef]
  94. Guo, X.; Xu, D.; Wu, B. New control strategy for DCM-232 three-phase PV inverter with constant common mode voltage and anti-islanding capability. In Proceedings of the 2014 IEEE Energy Conversion Congress and Exposition (ECCE), Dallas, TX, USA, 14–18 September 2014; IEEE: Dallas, TX, USA, 2014; pp. 5613–5617. [Google Scholar]
  95. Rodríguez, P.; Muñoz-Aguilar, R.S.; Vázquez, G.; Candela, I.; Aldabas, E.; Etxeberria-Otadui, I. Symmetrical ripple constant common mode voltage modulation strategy for DCM-232 three-phase PV topology. In Proceedings of the IECON 2011—37th Annual Conference of the IEEE Industrial Electronics Society, Melbourne, VIC, Australia, 7–10 November 2011; IEEE: Melbourne, VIC, Australia, 2011; pp. 2505–2510. [Google Scholar] [CrossRef]
  96. Roy, T.; Behera, R.K.; Panda, S.K. A Transformerless Single-Stage Three-Port Converter with Enhanced Efficiency for Hybrid PV-Battery Systems. IEEE Trans. Ind. Electron. 2024, 71, 354–365. [Google Scholar]
  97. Li, Y.; Wang, Y.; Wang, H.; Blaabjerg, F. A Family of Single-Phase Hybrid Transformerless Inverters with Leakage Current Elimination for PV Systems. IEEE Trans. Power Electron. 2023, 38, 10889–10903. [Google Scholar]
  98. Hossain, M.A.; Tummuru, N.R.; Mishra, M.K. A Switched-Capacitor Based Single-Stage Transformerless PV Inverter with Common-Mode Voltage Decoupling. IEEE J. Emerg. Sel. Top. Power Electron. 2023, 11, 5422–5434. [Google Scholar]
  99. Alatai, S.; Salem, M.; Pedersen, D.A.G.; Al-Durra, A.; Kumar, Y.J. A Novel Modulation Technique for Common-Mode Voltage Reduction in Three-Level NPC Inverters: Analysis and Experimental Validation. IEEE Trans. Ind. Appl. 2024, 60, 884–895. [Google Scholar]
  100. Chen, J.; Wu, X.; Zhang, J.; Wang, G. Model Predictive Control with Common-Mode Voltage Injection for Leakage Current Suppression in Transformerless PV Inverters. IEEE Trans. Power Electron. 2024, 39, 978–992. [Google Scholar]
  101. Danapour, N.; Akbari, E.; Tarafdar-Hagh, M. A Review on the Power Circuit Topologies of Current Source Inverters in Photovoltaic Applications. Iran. J. Electr. Electron. Eng. 2022, 18, 110–134. [Google Scholar]
  102. Estévez-Bén, A.A.; Alvarez-Diazcomas, A.; Macias-Bobadilla, G.; Rodríguez-Reséndiz, J. Leakage Current Reduction in Single-Phase Grid-Connected Inverters—A Review. Appl. Sci. 2020, 10, 2384. [Google Scholar] [CrossRef]
  103. Marignetti, F.; Di Stefano, R.L.; Rubino, G.; Giacomobono, R. Current source inverter (CSI) power converters in photovoltaic systems: A comprehensive review of performance, control, and integration. Energies 2023, 16, 7319. [Google Scholar] [CrossRef]
  104. Araújo, S.V.; Zacharias, P.; Mallwitz, R. Highly efficient single-phase transformerless inverters for grid-connected photovoltaic systems. IEEE Trans. Ind. Electron. 2009, 57, 3118–3128. [Google Scholar] [CrossRef]
  105. Fidone, G.L.; Migliazza, G.; Carfagna, E.; Benatti, D.; Immovilli, F.; Buticchi, G.; Lorenzani, E. Common architectures and devices for current source inverter in motor-drive applications: A comprehensive review. Energies 2023, 16, 5645. [Google Scholar] [CrossRef]
  106. Orfanoudakis, G.I.; Koutroulis, E.; Sharkh, S.M.; Yuratich, M.A. An extended boost three-phase transformerless PV inverter for common-mode leakage current reduction. IEEE Trans. Ind. Appl. 2023, 60, 838–850. [Google Scholar] [CrossRef]
  107. Azizi, A.; Akhbari, M.; Danyali, S.; Tohidinejad, Z.; Shirkhani, M. A review on topology and control strategies of high-power inverters in large-scale photovoltaic power plants. Heliyon 2025, 11, e42334. [Google Scholar] [CrossRef]
  108. Gao, H. High-frequency common-mode voltage mitigation for current-source inverter in transformerless photovoltaic system using active zero-state space vector modulation. IET Electr. Power Appl. 2023, 17, 245–255. [Google Scholar] [CrossRef]
  109. Shehada, A.; Beig, A.R. An improved CSI fed induction motor drive. Int. J. Electr. Power Energy Syst. 2013, 46, 26–35. [Google Scholar] [CrossRef]
  110. Anand, S.; Gundlapalli, S.K.; Fernandes, B.G. Transformer-less grid feeding current source inverter for solar photovoltaic system. IEEE Trans. Ind. Electron. 2014, 61, 5334–5344. [Google Scholar] [CrossRef]
  111. Lorenzani, E.; Migliazza, G.; Immovilli, F.; Buticchi, G. CSI and CSI7 current source inverters for modular transformerless PV inverters. Chin. J. Electr. Eng. 2019, 5, 32–42. [Google Scholar] [CrossRef]
  112. Wang, W.; Mu, H.; Cao, Z.; Wang, C.; Gao, F. Soft-switching H7 current source inverter. In Proceedings of the IEEE 8th International Power Electronics and Motion Control Conference (IPEMC-ECCE Asia), Hefei, China, 22–26 May 2016; IEEE: Hefei, China, 2016; pp. 2243–2248. [Google Scholar]
  113. Huang, Z.; Li, Q.; Lee, F.C. Improved three-phase critical-mode-based soft-switching modulation technique with low leakage current for PV inverter application. In Proceedings of the 2019 IEEE Energy Conversion Congress and Exposition (ECCE), Baltimore, MD, USA, 29 September–October 2019; IEEE: Baltimore, MD, USA, 2019. [Google Scholar]
  114. Jayanth, K.G.; Boddapati, V.; Geetha, R.S. Comparative study between three-leg and four-leg current-source inverter for solar PV application. In Proceedings of the IEEE International Conference on Power, Instrumentation, Control and Computing (PICC), Thrissur, India, 18–20 January 2018; IEEE: Thrissur, India, 2018; p. 16. [Google Scholar]
  115. Sun, Y.; Liu, Y.; Su, M.; Han, H.; Li, X.; Li, X. Topology and Control of a Split-Capacitor Four-Wire Current Source Inverter With Leakage Current Suppression Capability. IEEE Trans. Power Electron. 2018, 33, 10803–10814. [Google Scholar] [CrossRef]
  116. Guo, X.; Xu, D.; Wu, B. Four-leg current-source inverter with a new space vector modulation for common-mode voltage suppression. IEEE Trans. Ind. Electron. 2015, 62, 6003–6007. [Google Scholar] [CrossRef]
Figure 1. (a) The installed solar energy capacity worldwide [2], and (b) published papers on PV grid-tied TL inverters.
Figure 1. (a) The installed solar energy capacity worldwide [2], and (b) published papers on PV grid-tied TL inverters.
Processes 13 03667 g001
Figure 2. (a) General 3-φ TL-inverter power circuit, (b) CMV model, and (c) reduced CMV model.
Figure 2. (a) General 3-φ TL-inverter power circuit, (b) CMV model, and (c) reduced CMV model.
Processes 13 03667 g002
Figure 3. Categorization of grid-connected 3-φ TL inverters.
Figure 3. Categorization of grid-connected 3-φ TL inverters.
Processes 13 03667 g003
Figure 4. Full bridge grid-connected 3-φ TL inverter (H6).
Figure 4. Full bridge grid-connected 3-φ TL inverter (H6).
Processes 13 03667 g004
Figure 5. Split-capacitor grid-connected 3-φ TL inverter.
Figure 5. Split-capacitor grid-connected 3-φ TL inverter.
Processes 13 03667 g005
Figure 6. Different 3-φ TL inverter H7 topologies: (a) basic H7, (b) oH7, and (c) seven-switch.
Figure 6. Different 3-φ TL inverter H7 topologies: (a) basic H7, (b) oH7, and (c) seven-switch.
Processes 13 03667 g006
Figure 7. Different 3-φ TL inverter H8 topologies: (a) H8 [87], (b) oH8 [33], (c) eight switches [21], and (d) H8 [88].
Figure 7. Different 3-φ TL inverter H8 topologies: (a) H8 [87], (b) oH8 [33], (c) eight switches [21], and (d) H8 [88].
Processes 13 03667 g007
Figure 8. H10 3-φ TL inverter topologies: (a) FC-H10 [89], (b) RC-H10 [89], and (c,d) non-clamped [90,91].
Figure 8. H10 3-φ TL inverter topologies: (a) FC-H10 [89], (b) RC-H10 [89], and (c,d) non-clamped [90,91].
Processes 13 03667 g008
Figure 9. Special 3-φ TL inverter topologies: (a) four-leg, (b) ZVR 3-φ, (c) DCM-232, (d) hybrid, and (e) NPC-hybrid.
Figure 9. Special 3-φ TL inverter topologies: (a) four-leg, (b) ZVR 3-φ, (c) DCM-232, (d) hybrid, and (e) NPC-hybrid.
Processes 13 03667 g009
Figure 10. CSI 3-φ TL inverter topologies: (a) conventional CSI, (b) CH7, (c) soft-switched CH7, (d) split capacitor, and (e) four-leg CSI.
Figure 10. CSI 3-φ TL inverter topologies: (a) conventional CSI, (b) CH7, (c) soft-switched CH7, (d) split capacitor, and (e) four-leg CSI.
Processes 13 03667 g010
Table 1. A comparison between transformer-based and TL inverters for grid-tied PV systems [10,11].
Table 1. A comparison between transformer-based and TL inverters for grid-tied PV systems [10,11].
Typical Attribute Transformer-BasedTransformerlessRemarks
Application Type Suitable for all PV systems, especially utility-scale plants where galvanic isolation is required.Predominantly used in residential and commercial PV systems where weight, cost, and efficiency are priorities.-
Typical Power Level10 kW—several MW.1–100 kW (typically ≤ 50 kW per unit).-
Control/Modulation StrategyStandard PWM or SPWM; simpler control; slower dynamic response due to transformer delay.Advanced SPWM/SVPWM, predictive, or hybrid modulation to minimize CMV and leakage currents.-
Power Quality (THD)Typically, <3%; the transformer acts as a natural filter.THD < 3% achievable with proper LCL filters and modulation.-
EfficiencyModerate (80–95%).High (up to 98%).TL inverters are generally more efficient (~1–4%).
Cost and MaintenanceHigh initial and maintenance costs due to transformer materials, insulation, and cooling requirements.Lower cost, fewer magnetic components, and simpler installation.TL cheaper at the system level (typical installed-hardware cost reduction on the order of ~10–30% depending on scale and design choices).
Size and WeightBulky and heavy because of the transformer; reduced power density.Compact and lightweight, high-power density enables wall-mounted residential units.TL smaller/lighter (≈30–70% reduction in size/weight for comparable power classes).
Leakage currents/EMI/CMVNegligible (due to galvanic isolation).Requires mitigation; CMV and leakage are typically reduced using advanced topologies and modulation (≤50 mA achievable).Leakage currents to ground from TL topologies can be avoided with careful topology selection and monitoring.
ComplexitySimpleModerate-
Isolation & safetyEnsure galvanic isolationNo isolation (requires safety measures)Additional standards/certifications are required for installing TL inverters.
Table 2. A summary survey of recent review papers.
Table 2. A summary survey of recent review papers.
Refs.YearTopologiesComments
[23]2023Only H8, H6, H7, and NPC
  • Many topologies are not included, such as H10, four-leg, CSI, and others.
  • It compared H6, H8, and NPC. Hence, it was concluded that NPC is the best choice.
[24]2022Two-level VSIs (buck and boost) and ZSI
  • Recent topologies are not included, such as hybrid topologies, new H10 topologies, CSI, and others.
  • It does not discuss the standards.
[25]2022Two-level buck VSIs
  • Recent topologies are not included, such as hybrid topologies, new H10 topologies, CSI, and others.
  • The modulation techniques are mentioned.
[26]2020Some 1-φ and 3-φ commercial topologies
  • Many topologies are not included, such as H10, four-leg, CSI, and others.
  • It compared some industrial PV inverters
[27]2019VSIs (buck and boost) and some MLIs
  • Recent topologies are not included, such as hybrid topologies, new H10 topologies, CSI, and others.
  • The modulation techniques are mentioned.
Our work2025Two-level buck VSIs and buck CSIs
  • Nearly all the recent topologies are discussed.
Table 3. A summary survey of recent comparative assessment papers.
Table 3. A summary survey of recent comparative assessment papers.
Refs. YearTopologiesPWMCompared FactorsResults and Comments
[28]2025Hybrid (I and II) + NPC-hybrid (I and II)Modified discontinuousSwitching losses, CMV, device stress, reactive power, and IleakThe study evaluated hybrid and NPC hybrid inverter topologies using the MDPWM technique. The NPC hybrid inverter topology II showed the least variation in CMV, maintaining the THD within the grid limit and limited Ileak, meeting the standards.
[29]2017H6 + H7 + H8Modified discontinuousCMV and IleakIt finds that DPWM1 of the H6 inverter performs best but has high leakage current, making it unsafe for grid-connected inverters. Comparative analysis of H7 and H8 inverters with various PWM methods suggests that the H8 topology with a suitable PWM method offers better performance.
[30]2015Commercial topologiesSVPWM and modified PWMEfficiency, reliability, CMV, cost, power
density, and Ileak
Commercial-scale PV TL systems (50–250 kW) are compared. The pros and cons of different topologies are declared. An improved CMV filter is proposed.
[31]2013Two-stage H6 + ZSI-D + ZSI-SSpecific PWMSwitching losses, CMV, and IleakThe two-stage converter with a specific modulation technique showed the best performance in terms of efficiency, number of devices, voltage rating, and cost, confirming its feasibility.
[32]2009H6 + split-H6 + NPCClassical and interleaved PWMCMV and IleakIt revealed that the split capacitor topology results in low ripple voltage and Ileak below the standard requirements. However, the neutral inductance can lead to higher Ileak.
[33]2019Clamping and unclampingClassical PWMTHD, CMV, and IleakThe impact of clamping and unclamping DC-bypass switches on Ileak reduction is analyzed. It finds that unclamped H8 is the best choice for Ileak reduction, and future research should focus on soft-switching operation.
Table 4. The 3-φ transformerless inverter CMVs for different topologies.
Table 4. The 3-φ transformerless inverter CMVs for different topologies.
Switching State V ¯ 1 V ¯ 2 V ¯ 3 V ¯ 4 V ¯ 5 V ¯ 6 V ¯ 0 V ¯ 7
Topology (1001)(0101)(0011)(1101)(0111)(1011)(0000)(1111)
VCMV/Vdc1/32/31/32/31/32/31/3
H6VCMV/Vdc1/32/31/32/31/32/301
H7VCMV/Vdc1/32/31/32/31/32/33/41
H8 [33]VCMV/Vdc1/32/31/32/31/32/31/2-
Table 5. TL inverter standard [14].
Table 5. TL inverter standard [14].
Max. ILeak (mA)tbreak (s)tdis (s)
ILeak > 3000.30.2
∆ILeak > 300.3-
∆ILeak > 600.15-
∆ILeak > 1500.040.2
Table 6. Index of TL inverter configurations reviewed in this paper.
Table 6. Index of TL inverter configurations reviewed in this paper.
CategoryTopologiesMain FeaturesSection
VSIH6 (Full-Bridge)H6Standard 6-switch inverter; high CMV3.1.1
VSINPC-H6 (Split Capacitor)NPC-H6 Low CMV variation; split DC-link3.1.2
VSIH7 TopologiesH7, oH7, 7-switch Extra DC-bus switch for decoupling3.1.3
VSIH8 TopologiesH8, oH8, 8-switch, new topologyTwo DC-bypass switches; improved CMV3.1.4
VSIH10 TopologiesH10 (FC/RC/Non-clamped)Clamping circuits for tight CMV control3.1.5
VSIFour-LegFour-LegHandles unbalanced loads; neutral control3.1.6
VSIZVR TopologyZVRIntroduce zero-voltage states to minimize CMV and leakage current and improve EMI performance3.1.7
VSIDCM-232 TopologyDCM-232offering improved CMV and EMI mitigation through innovative circuit structures.3.1.8
VSIHybrid TopologiesHybrid and NPC-HybridCombines AC/DC decoupling paths3.1.9
CSIConventional CSICSIinherent CMV advantages3.2.1
CSICH7 TopologiesCH7 and Soft-switched CH7H7-derived current-source version3.2.2
CSISplit capacitor CSIFour-Wire CSISplit capacitors raise CM path impedance for leakage suppression3.2.3
CSIFour-leg CSI Avoids zero vectors to suppress CMV3.2.4
Table 7. A comparison of H6, NPC H6, and different H7 topologies [32,33,44].
Table 7. A comparison of H6, NPC H6, and different H7 topologies [32,33,44].
TopologyNumber of DevicesPWMCMV (Pu)Decoupling
Side
EfficiencyIleakMerits and Demerits
QDFromTo
H660SVPWM01-~97–98%>300 mASimple and good THD, however, has high CMV variation and high Ileak that does not meet the standards.
NPC-H660SVPWM00.01--<30 mAIt has relatively low CMV variation and acceptable Ileak that meet the standards.
H770SVPWM02/3DC~97.5–98.5%~50–100 mALower number of devices with moderate CMV, Ileak value, and efficiency.
oH780SVPWM02/3DC~97%~70–120 mAThe performance is low compared to the increased number of devices.
Seven switch76SVPWM1/32/3AC~98%<40 mABetter CMV variation and lower Ileak and efficiency.
Table 8. A comparison of different H8 topologies [85,86,87].
Table 8. A comparison of different H8 topologies [85,86,87].
TopologyNumber of DevicesPWMCMV VariationsDecouplingPerformance Metrics (Typ.)Merits and Demerits
QDFromTo
H880SVPWM02/3DCEfficiency: 98.5–99%
Ileak: <30 mA
THD: <3%
Increased gate drivers and possible higher losses; however, the Ileak is low.
oH882SVPWM1/32/3DCEfficiency: ~97.5%
I_leak: ~50 mA
Improved CMV, but higher losses and low efficiency; no significant decrease in Ileak.
Eight switch80SVPWM1/32/3hybridEfficiency: >98%
Ileak: <30 mA
More complex, increased gate drivers, and possible higher losses; however, the Ileak is low.
[88]80Special PWM1/32/3DCEfficiency: >98.5%
Ileak: <25 mA
THD: <2.5%
Lower total voltage rating, fewer driver requirements, and best efficiency with improved CMV.
Table 9. A comparison of different H10 topologies [89,90].
Table 9. A comparison of different H10 topologies [89,90].
TopologyNumber of DevicesPWMCMV (pu)Decoupling
Side
Performance Metrics (Typ.)Merits and Demerits
TransistorsCapacitorsRangedv/dt
H10100SVPWM1/3:2/31/3DCEfficiency: ~98%
Ileak: <35 mA
Simple and good THD, however, it has high CMV variation and high Ileak, which does not meet the standards.
FC-H10103Special PWM1/3:2/31/3DCEfficiency: ~98%
Ileak: <20 mA
Has relatively low CMV variation and acceptable Ileak that meet the standards.
RC-H10103Special PWM1/3:2/31/3DCEfficiency: ~98.2%
Ileak: <15 mA
Low number of devices with moderate CMV, Ileak value, and efficiency.
[91]102Special PWM1/3:2/31/6DCEfficiency: 98.5%
Ileak: <10 mA
THD: <2%
Better CMV variation and lower Ileak and efficiency.
Table 10. The switching states and CMV of the non-NPC hybrid.
Table 10. The switching states and CMV of the non-NPC hybrid.
CollectiveStatesCMV (VCMV/Vdc)
12221
2221, 212, 1225/6
3220, 202, 022, 211, 121, 1122/3
4210, 201, 120, 102, 012, 021, 1111/2
5110, 101, 011, 200, 020, 0021/3
6100, 010, 0011/6
70000
Table 11. The switching states and CMV of the NPC hybrid topology.
Table 11. The switching states and CMV of the NPC hybrid topology.
CollectiveStatesCMV (VCMV/Vdc)
1222, 210, 201, 120, 102, 012, 021, 111, 0001
2221, 212, 122, 220, 202, 022, 211, 121, 1122/3
3110, 101, 011, 200, 020, 002, 100, 010, 0011/3
Table 12. A comparison of special 3-φ TL inverter topologies [47,96,97,100].
Table 12. A comparison of special 3-φ TL inverter topologies [47,96,97,100].
TopologyNumber of DevicesPWMCMV VariationsPerformance Metrics (Typ.)DecouplingMerits and Demerits
QDRangedv/dt
Four-Leg80RSPWMConst. @ 1/21/3Ileak: <10 mA
THD (Unbalanced): <4%
ACImproves handling of unbalanced loads and control of the neutral point while reducing CMV and leakage current. However, this requires more switches and gate drivers, which raises costs, control complexity, and losses. Consequently, despite their benefits in Ileak suppression and grid adaptability, higher hardware and control demands hinder widespread adoption compared to simpler TL designs.
ZVR912SPWMConst.0Efficiency: ~97%
Ileak: ~5 mA
ACEliminates the CMV during zero states, which greatly suppresses Ileak and improves electromagnetic compatibility. They also maintain good efficiency and reliability by avoiding extra high-frequency switches compared to some other Ileak reduction methods. However, it adds circuit complexity and more sophisticated modulation/control strategies, which slightly raise system cost.
DCM-232100SVPWMConst.@ 00Ileak: <7 mADCEffectively suppresses CMV and Ileak by using a decoupled common-mode approach, which improves safety and reduces electromagnetic compatibility (EMI) issues in PV grid-connected systems. Their main drawbacks are higher circuit complexity and additional switching devices, which increase cost and control effort compared with simpler TL inverter topologies.
Non-NPC hybrid90MDPWM1/3:2/31/6Efficiency: 98–98.7%
Ileak: <25 mA
AC Reduces CMV dv/dt by ~50%, lowering leakage and EMI further. However, it is a more complex modulation and design and still requires more switches than the simplest structures.
NPC hybrid90MDPWMConst.1/6Efficiency: 97.5–98.2%
Ileak: <15 mA
hybridBetter than a non-NPC hybrid. However, it is a more complex modulation and design and still requires more switches than the simplest structures.
Table 13. A comprehensive comparison between TL-VSI and TL-CSIs used in PV grid-tied systems.
Table 13. A comprehensive comparison between TL-VSI and TL-CSIs used in PV grid-tied systems.
FactorTypical % Difference (TL-VSI × TL-CSI)Comments
Conversion efficiency (AC out/PV DC in)TL-VSI is better by ~+1% to +4%Modern transformerless TL-VSI topologies tend to reach slightly higher peak efficiencies because CSIs incur additional inductor conduction/switching losses and more complex commutation [104]
Cost (inverter + typical BOS impact)TL-VSI is cheaper by ~10% to 40%VSIs are mass-produced and simpler (no large DC inductor, simpler MPPT interfacing). TL-CSI’s bulky inductors raise hardware cost; some CSI implementations can reduce protection/BOS costs (but rarely enough to beat VSI at small/medium scale) [104]
Size & weightTL-VSI is smaller/lighter by ~20% to 60%CSI requires a relatively large DC-link inductor, which increases volume/mass; with wide-bandgap switches, this can shrink, but VSI typically remains more compact [105]
Leakage/common-mode (CM) current to groundTL-CSI is better (lower leakage) by ~40% to 90% (i.e., TL-CSI reduces leakage compared to conventional boost/VSI baselines)Several transformerless TL-CSI and modified boost/extended topologies explicitly target CM-current suppression—reported reductions vary widely (40–90% depending on design). This is a principal TL-CSI advantage in transformerless PV [106]
Power quality (THD, harmonic injection)TL-VSI is slightly better by ~0% to +20% (topology dependent)Multilevel TL-VSIs (NPC/T-type/ANPC, CHB) obtain very low THD; TL-CSIs can also achieve good waveforms but require different modulation and larger filter designs. The advantage size depends on the level count and control [107]
Control complexity & MPPT interfacingTL-VSI is simpler (better) by ~+20% to +60% (qualitative)PV arrays are naturally voltage-source-like; MPPT and DC-side control are straightforward with TL-VSIs. CSI requires converting PV voltage source behavior to behave like a controlled current source (extra interfacing/boost stages or hybrids), increasing control/auxiliary hardware complexity [101].
EMI/dv/dt and filtering needsTL-CSI may be better for CM but needs larger filters: overall difference ~±10–30%TL-CSI’s lower common-mode can reduce EMI related to leakage, but bulky inductors and switching can create other EMI challenges; VSIs use dv/dt mitigation and filters—the net advantage is topology dependent [108]
Reliability and fault behaviorCSI may be better by ~+5% to +20% for short-circuit/robustnessTL-CSI has inherent current-limiting behavior and a robust DC-link inductor (less dependency on electrolytic DC capacitors), providing some robustness and fault-tolerance advantages in certain installations [109,110,111]
Market adoption/maturityTL-VSI is vastly ahead (TL-VSI “better” by >90% in market share)Practically all residential/commercial transformerless PV inverters are TL-VSI-based; TL-CSIs are niche/research/commercial trials in PV [102]
Disclaimer/Publisher’s Note: The statements, opinions and data contained in all publications are solely those of the individual author(s) and contributor(s) and not of MDPI and/or the editor(s). MDPI and/or the editor(s) disclaim responsibility for any injury to people or property resulting from any ideas, methods, instructions or products referred to in the content.

Share and Cite

MDPI and ACS Style

Zaid, S.A.; Samkari, H.S.; Allehyani, M.F. Three-Phase Transformerless Buck-Inverter Topologies for PV Grid-Tied Systems: A Review. Processes 2025, 13, 3667. https://doi.org/10.3390/pr13113667

AMA Style

Zaid SA, Samkari HS, Allehyani MF. Three-Phase Transformerless Buck-Inverter Topologies for PV Grid-Tied Systems: A Review. Processes. 2025; 13(11):3667. https://doi.org/10.3390/pr13113667

Chicago/Turabian Style

Zaid, Sherif A., Husam S. Samkari, and Mohammed F. Allehyani. 2025. "Three-Phase Transformerless Buck-Inverter Topologies for PV Grid-Tied Systems: A Review" Processes 13, no. 11: 3667. https://doi.org/10.3390/pr13113667

APA Style

Zaid, S. A., Samkari, H. S., & Allehyani, M. F. (2025). Three-Phase Transformerless Buck-Inverter Topologies for PV Grid-Tied Systems: A Review. Processes, 13(11), 3667. https://doi.org/10.3390/pr13113667

Note that from the first issue of 2016, this journal uses article numbers instead of page numbers. See further details here.

Article Metrics

Back to TopTop