Hybrid Energy Storage Capacity Optimization for Power Fluctuation Mitigation in Offshore Wind–Photovoltaic Hybrid Plants Using TVF-EMD
Abstract
1. Introduction
2. Offshore Wind–Photovoltaic–Hybrid Energy Storage Model
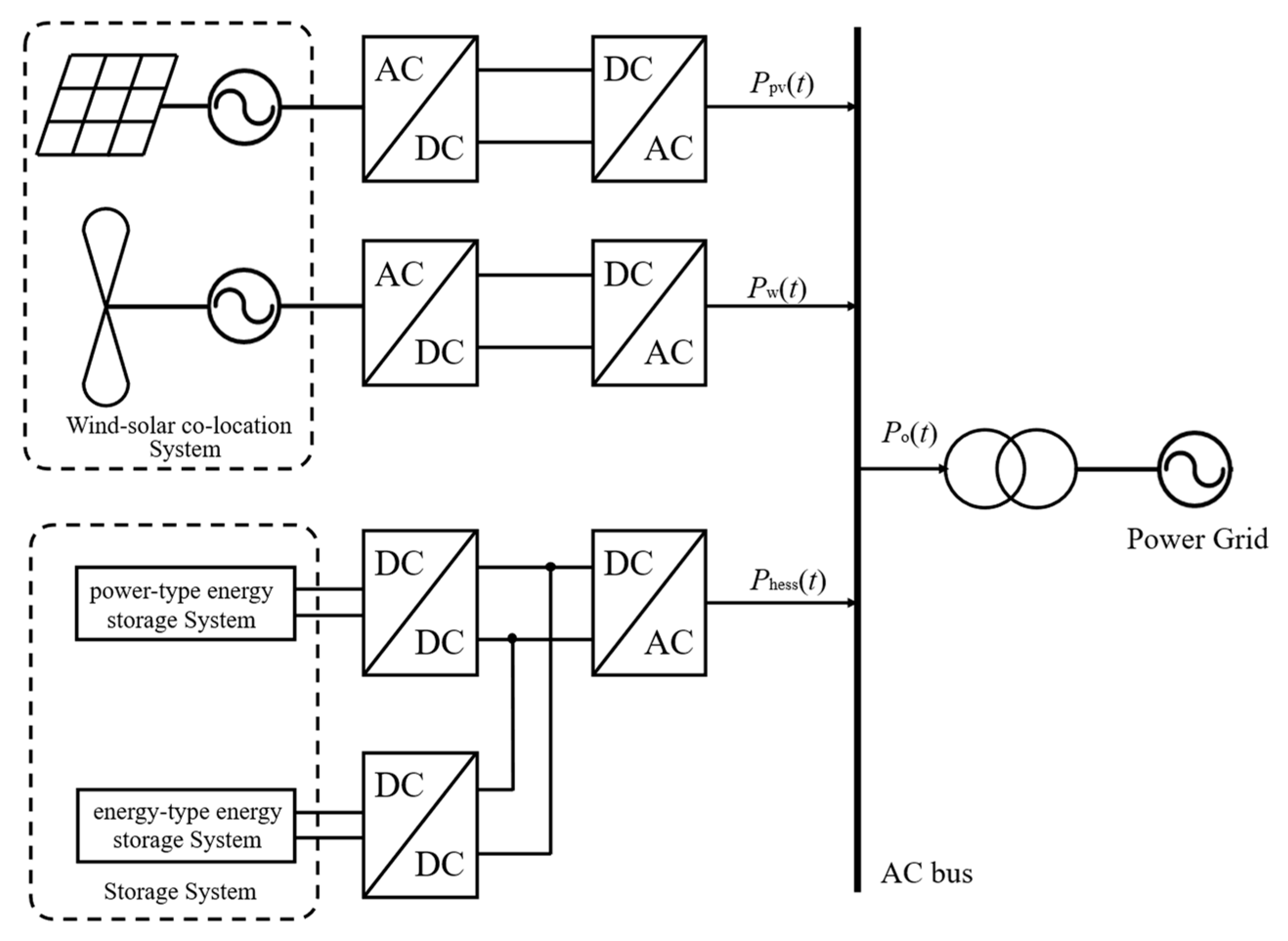
2.1. Topology of the Offshore Wind–Solar–Storage System
2.2. Assessment Requirements for Renewable Power Grid-Integration Fluctuation Rate
2.3. Mathematical Model of the Flywheel–Battery Hybrid Energy Storage System
3. Research Methods
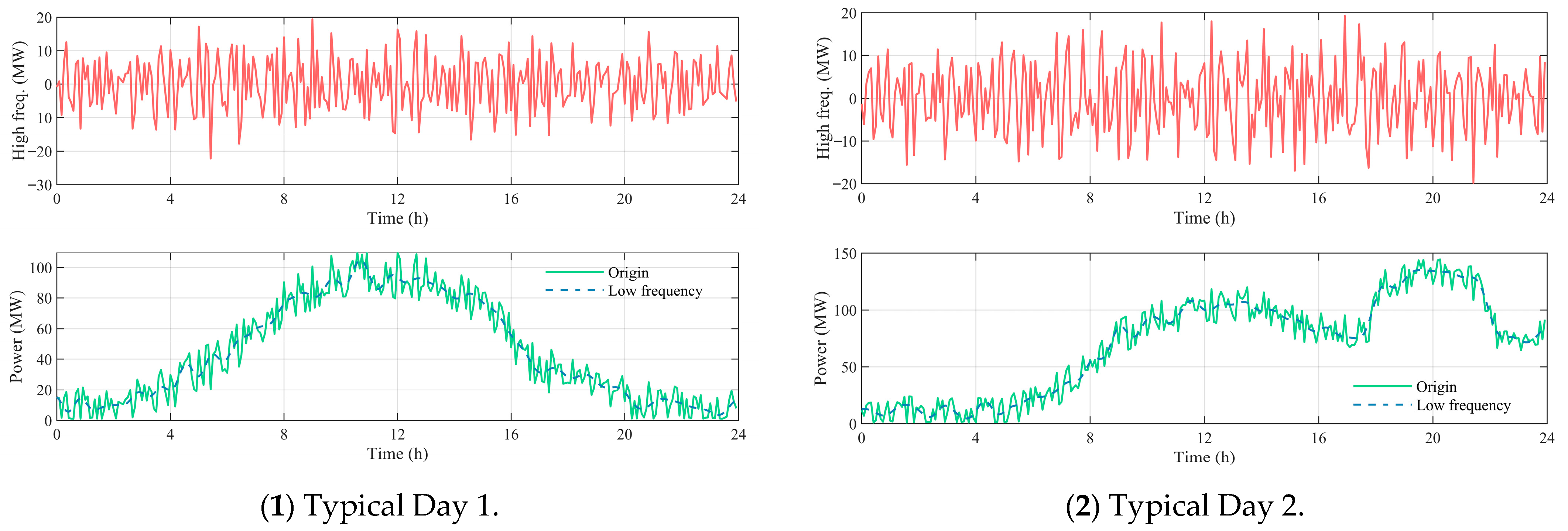
3.1. Typical Day Extraction Using K-Means Fuzzy Clustering
- Initialization: Select K initial data points randomly from the dataset to serve as the cluster centers.
- Assignment: Compute the distance, typically using the ℓ2-norm distance, between each data point and every cluster center. Assign each data point to the cluster with the closest center.
- Recalculation of cluster centers: Recompute the center of each cluster by calculating the mean of all data points assigned to that cluster. This new mean becomes the updated center position.
- Convergence check: Check if there is a significant change in the cluster centers. If the change is negligible or the maximum number of iterations is reached, the algorithm is deemed to have converged. Otherwise, return to Step 2.
- Output results: Once convergence is achieved, present the final cluster centers and the clustering outcomes.
3.2. TVF-EMD Decomposition Method for Power Analysis
- (1)
- Derivation of the instantaneous amplitude A(t) and instantaneous frequency of the energy output PH(t) through the Hilbert transform.
- (2)
- Determine the sequences of local maxima and minima of the instantaneous amplitude A(t), denoted as and .
- (3)
- Conduct interpolation on to derive , and similarly interpolate to obtain . Subsequently, compute the instantaneous mean and the instantaneous envelope :
- (4)
- Interpolate matrices and to derive matrices and , and determine the instantaneous frequency components and :
- (5)
- Compute the local cutoff frequency .
- (6)
- Adjust the local cutoff frequency to address the intermittency issue.
- (7)
- Compute signal and utilize the extremal points of h(t) as nodes for constructing a time-varying filter. Approximate the renewable energy output PH(t) using B-spline interpolation.
- (8)
- Evaluate the stopping criterion θ(t): if θ(t) ≤ ξ(ξ = 0.2), then PH(t) is an intrinsic mode function (IMF); otherwise, set PH 1(t) = PH f − m(t) and iterate steps (1)–(8).
3.3. Hybrid Energy Storage Power Allocation Strategy
3.4. Capacity Configuration Optimization Model for HESS
3.4.1. Multi-Objective Function
- (1)
- Initial investment cost
- (2)
- Equipment renewal cost
- (3)
- Equipment operation and maintenance cost
- (4)
- Equipment disposal costs
- (5)
- Residual value of equipment
3.4.2. Model Constraints
- (1)
- Charge and discharge power constraints of the energy storage system
- (2)
- SOC and capacity constraints of energy storage systems
4. Case Study
4.1. Fundamental Parameters
4.2. Power Allocation and Renewable Output Smoothing in Different Scenarios
4.3. Results of Optimal Sizing for Hybrid Energy Storage Systems
5. Conclusions
Author Contributions
Funding
Data Availability Statement
Conflicts of Interest
References
- Vallarta-Serrano, S.I.; Santoyo-Castelazo, E.; Santoyo, E.; García-Mandujano, E.O.; V’azquez-Sa’nchez, H. Integrated sustainability assessment framework of industry 4.0 from an energy systems thinking perspective: Bibliometric analysis and systematic literature review. Energies 2023, 16, 5440. [Google Scholar] [CrossRef]
- Kabeyi, M.J.B.; Olanrewaju, O.A. Sustainable energy transition for renewable and low carbon grid electricity generation and supply. Front. Energy Res. 2022, 9, 743114. [Google Scholar] [CrossRef]
- Calero, F.; Canizares, C.; Bhattacharya, K. Dynamic Modelling of Battery Energy Storage and Applications in Transmission Systems. IEEE Trans. Smart Grid 2021, 12, 589–598. [Google Scholar] [CrossRef]
- Rouholamini, M.; Wang, C.; Nehrir, H.; Hu, X.; Hu, Z.; Aki, H.; Zhao, B.; Miao, X.; Strunz, K. A Review of Modelling Management and Applications of Grid Connected Li-ion Battery Storage Systems. IEEE Trans. Smart Grid 2022, 13, 4505–4524. [Google Scholar] [CrossRef]
- Emrani, A.; Berrada, A. A Comprehensive Review on Techno-economic Assessment of Hybrid Energy Storage Systems Integrated with Renewable Energy. Energy Storage 2024, 84, 111010. [Google Scholar] [CrossRef]
- Kandari, R.; Neeraj, N.; Micallef, A. Review on Recent Strategies for Integrating Energy Storage Systems in Microgrids. Energies 2023, 16, 317. [Google Scholar] [CrossRef]
- Raveendhra, D.; Poojitha, R.; Narasimharaju, B.L.; Dreglea, A.; Liu, F.; Panasetsky, D.; Pathak, M.; Sidorov, D. Part-I: State-of-theArt Technologies of Solar Powered DC Microgrid with Hybrid Energy Storage Systems-Architecture Topologies. Energies 2023, 16, 923. [Google Scholar] [CrossRef]
- Yim, J.; You, S.; Blaabjerg, F.; Lee, Y.; Gui, Y.; Kim, W. Energy Management Systems for Forecasted Demand Error Compensation using Hybrid Energy Storage System in Nanogrid. Renew. Energy 2024, 221, 119744. [Google Scholar] [CrossRef]
- Tooryan, F.; HassanzadehFard, H.; Collins, E.R.; Jin, S.; Ramezani, B. Smart integration of renewable energy resources, electrical, and thermal energy storage in microgrid applications. Energy 2020, 212, 118716. [Google Scholar] [CrossRef]
- Wen, S.; Gong, Y.; Mu, X.; Zhao, S.; Wang, C. Optimal Configuration of Flywheel–Battery Hybrid Energy Storage System for Smoothing Wind–Solar Power Generating Fluctuation. Energies 2025, 18, 2055. [Google Scholar] [CrossRef]
- Elalfy, D.A.; Gouda, E.; Kotb, M.F.; Bureš, V.; Sedhom, B.E. Comprehensive Review of Energy Storage Systems Technologies, Objectives, Challenges, and Future Trends. Energy Strategy Rev. 2024, 54, 101482. [Google Scholar] [CrossRef]
- Papageorgiou, P.G.; Oureilidis, K.O.; Christoforidis, G.C. A Systematic Review of Hybrid Superconducting Magnetic/battery energy storage systems: Applications, Control Strategies, Benefits, Limitations and Future Prospects. Renew. Sustain. Energy Rev. 2023, 183, 113436. [Google Scholar] [CrossRef]
- Etim, N.-B.B.; Giaouris, D. Probabilistic adaptive power pinch analysis for islanded hybrid energy storage systems. Energy Storage 2022, 54, 105224. [Google Scholar] [CrossRef]
- Wang, Y.; Zhang, Y.; Xue, L.; Liu, C.; Song, F.; Sun, Y.; Liu, Y.; Che, B. Research on planning optimization of integrated energy system based on the differential features of hybrid energy storage system. Energy Storage 2022, 55, 105368. [Google Scholar] [CrossRef]
- Dong, H.; Fu, Y.; Jia, Q.; Wen, X. Optimal dispatch of integrated energy microgrid considering hybrid structured electric-thermal energy storage. Renew. Energy 2022, 199, 628–639. [Google Scholar] [CrossRef]
- Zhu, F.; Zhou, X.; Zhang, Y.; Xu, D.; Fu, J. A load frequency control strategy based on disturbance reconstruction for multi-area interconnected power system with hybrid energy storage system. Energy Rep. 2021, 7, 8849–8857. [Google Scholar] [CrossRef]
- Sutikno, T.; Arsadiando, W.; Wangsupphaphol, A.; Yudhana, A.; Facta, M. A Review of Recent Advances on Hybrid Energy Storage System for Solar Photovoltaics Power Generation. IEEE Access 2022, 10, 42346–42364. [Google Scholar] [CrossRef]
- Babu, T.S.; Vasudevan, K.R.; Ramachandaramurthy, V.K.; Sani, S.B.; Chemud, S.; Lajim, R.M. A Comprehensive Review of Hybrid Energy Storage Systems: Converter Topologies, Control Strategies and Future Prospects. IEEE Access 2020, 8, 148702–148721. [Google Scholar] [CrossRef]
- Gupta, R.; Singh, A.; Singh, R. Environmental benefits of battery and flywheel hybrid storage in renewable microgrids. Energy 2021, 236, 121497. [Google Scholar] [CrossRef]
- Huang, N.E.; Shen, Z.; Long, S.R.; Wu, M.C.; Shih, H.H.; Zheng, Q.; Yen, N.-C.; Tung, C.C.; Liu, H.H. The empirical mode decomposition and the Hilbert spectrum for nonlinear and non-stationary time series analysis. Proc. R. Soc. Lond. A 1998, 454, 903–995. [Google Scholar] [CrossRef]
- Yang, X.; Ye, X.; Li, Z.; Wang, X.; Song, X.; Liao, M.; Liu, X.; Guo, Q. Hybrid energy storage configuration method for wind power microgrid based on EMD decomposition and two-stage robust approach. Sci. Rep. 2024, 14, 2733. [Google Scholar] [CrossRef]
- Zhang, J.; Hu, Y. Optimization Strategy for Hybrid Energy Storage Power Distribution Based on Fuzzy Control. J. Phys. Conf. Ser. 2020, 1549, 052115. [Google Scholar] [CrossRef]
- Wang, J.; Wang, X.; Chen, H.; Gao, Y.; Chen, H.; Liu, W.; Sun, Y.; Zhang, L. Capacity configuration of a hybrid energy storage system for the fluctuation mitigation and frequency regulation of wind power based on Aquila Optimizer and Variational Mode Decomposition. Energy 2025, 330, 136894. [Google Scholar] [CrossRef]
- Chen, C.; Tang, W.; Xia, Y.; Chen, C. Hybrid-Energy Storage Optimization Based on Successive Variational Mode Decomposition and Wind Power Frequency Modulation Power Fluctuation. Energies 2024, 17, 4391. [Google Scholar] [CrossRef]
- Gao, X.; Wang, L.; Sun, H.; Tian, J.; Wang, Z.; Jiang, J.; Guo, W. Research on optimal configuration of hybrid energy storage system based on improved CEEMDAN. Energy Rep. 2021, 7, 1308–1318. [Google Scholar] [CrossRef]
- Wu, T.; Shi, X.; Liao, L.; Zhou, C.; Zhou, H.; Su, Y. A capacity configuration control strategy to alleviate power fluctuation of hybrid energy storage system based on improved particle swarm optimization. Energies 2019, 12, 3498. [Google Scholar] [CrossRef]
- Chen, J.; Li, J.; Zhang, Y.; Bao, G.; Ge, X.; Li, P. A hierarchical optimal operation strategy of hybrid energy storage system in distribution networks with high photovoltaic penetration. Energies 2018, 11, 2637. [Google Scholar] [CrossRef]
- Akter, A.; Zafir, E.I.; Dana, N.H.; Joysoyal, R.; Sarker, S.K.; Li, L.; Muyeen, S.M.; Das, S.K.; Kamwa, I. A review on microgrid optimization with meta-heuristic techniques: Scopes, trends and recommendation. Energy Strategy Rev. 2024, 51, 101298. [Google Scholar] [CrossRef]
- Wang, Y.L.; Song, F.H.; Ma, Y.Z.; Zhang, Y.; Yang, J.; Liu, Y.; Zhang, F.; Zhu, J. Research on capacity planning and optimization of regional integrated energy system based on hybrid energy storage system. Appl. Therm. Eng. 2020, 180, 115834. [Google Scholar] [CrossRef]
- Li, H.; Li, Z.; Mo, W. A time-varying filter approach for empirical mode decomposition. Signal Process. 2017, 138, 146–158. [Google Scholar] [CrossRef]
- GB/T 19963-2011; Technical Rule for Connecting Wind Farm to Power System—Part 1: Onshore Wind. National Standardization Management Committee: Beijing, China, 2011.
- Q/GDW 1617-2015; Technical Rule for Connecting Photovoltaic Power Station to Power Grid. State Grid Corporation of China: Beijing, China, 2015.
- IEEE Std 1547-2018; IEEE Standard for Interconnection and Interoperability of Distributed Energy Resources with Associated Electric Power Systems Interfaces. IEEE: Piscataway, NJ, USA, 2018.
- ENTSO-E Requirements for Generators; European Network of Transmission System Operators for Electricity: Brussels, Belgium, 2016.
- Huang, S. Capacity Optimization Configuration of Hybrid Energy Storage Systems for Wind Farms Based on Improved k-means and Two-Stage Decomposition. Energies 2025, 18, 795. [Google Scholar] [CrossRef]
- Nie, F.; Xue, J.; Wu, D.; Wang, R.; Li, H.; Li, X. Coordinate descent method for k-means. IEEE Trans. Pattern Anal. Mach. Intell. 2022, 44, 2371–2385. [Google Scholar] [CrossRef] [PubMed]
- Lloyd, S.P. Least squares quantization in PCM. IEEE Trans. Inf. Theory 1982, 28, 129–136. [Google Scholar] [CrossRef]










| Rated Capacity of Wind Farm/MW | Maximum Active Power Variation Within 10 min | Maximum Active Power Variation Within 1 min |
|---|---|---|
| <30 | 10 MW | 3 MW |
| 30–150 | Rated Capacity/3 | Rated Capacity/10 |
| >150 | 50 MW | 15 MW |
| Performance Metric | WT | EWT | EMD | VMD | SVMD | CEEMDAN | MEMD | TVF-EMD |
|---|---|---|---|---|---|---|---|---|
| Decomposition Accuracy | Moderate (basis-dependent) | Moderate–High (boundary-dependent) | Moderate | Moderate | High | High | High (multi-channel) | High |
| Time Delay | Low | Low | Low | Low | Low | Low | High | Very low |
| Anti-Mode Aliasing | Weak | Moderate | Weak | Strong | Strong | Strong | Strong | Very strong |
| Time-Varying Adaptability | Weak (fixed resolution) | Weak (global Fourier segmentation) | None | Weak (fixed mode number) | Weak (fixed mode number) | None (fixed cutoff freq.) | Strong (multi-channel adaptability) | Strong |
| Computational Complexity | Medium | Medium | Medium | High (parameter-dependent) | High (parameter-dependent) | High (parameter-dependent) | Very high | Medium |
| Parameter | BESS | FESS |
|---|---|---|
| Unit Power Cost (CNY/kW) | 2600 | 1000 |
| Unit Energy Capacity Cost (CNY/kWh) | 630 | 5000 |
| Power Replacement Cost (CNY/kW) | 2000 | 800 |
| Energy Capacity Replacement Cost (CNY/kWh) | 600 | 4000 |
| Power O&M Cost (CNY/kW) | 0 | 0 |
| Energy O&M Cost (CNY/kWh) | 0.02 | 0.01 |
| Power Disposal Cost (CNY/kW) | 208 | 40 |
| Energy Disposal Cost (CNY/kWh) | 50 | 200 |
| Charge/Discharge Efficiency (%) | 80 | 95 |
| SOC Operating Range | 0.2–0.8 | 0.1–0.9 |
| Residual Value Ratio (%) | 10 | 10 |
| Scenario | 1 | 2 | 3 | 4 | 5 | 6 | 7 | 8 | 9 |
|---|---|---|---|---|---|---|---|---|---|
| Days | 39 | 31 | 27 | 43 | 32 | 19 | 37 | 123 | 14 |
| Probability (%) | 10.7 | 8.5 | 7.4 | 11.8 | 8.8 | 5.2 | 10.1 | 33.7 | 3.8 |
| Exceedance Points | 69 | 82 | 82 | 72 | 77 | 77 | 74 | 73 | 80 |
| Exceedance Rate (%) | 24.0 | 28.5 | 28.5 | 25.0 | 26.7 | 26.7 | 25.7 | 25.3 | 27.8 |
| Typical Day | 1 | 2 | 3 | 4 | 5 | 6 | 7 | 8 | 9 |
|---|---|---|---|---|---|---|---|---|---|
| Weight (%) | 10.7 | 8.5 | 7.4 | 11.8 | 8.8 | 5.2 | 10.1 | 33.7 | 3.8 |
| Fluctuation Reduction (%) | 2.7 | 2.0 | 5.0 | 6.3 | 8.2 | 2.2 | 1.9 | 13.8 | 3.6 |
| Max Fluctuation Reduction (%) | 7.2 | 9.4 | 21.9 | 18 | 18.5 | 6.5 | 6.9 | 19.9 | 15.5 |
| Pre-5 min Fluctuation | 10.0 | 10.3 | 10.3 | 9.9 | 10.1 | 10.3 | 9.8 | 9.2 | 10.2 |
| Post-5 min Fluctuation | 2.3 | 2.8 | 2.4 | 2.6 | 2.5 | 2.6 | 2.5 | 1.9 | 1.7 |
| Pre-10 min Fluctuation | 10.1 | 10.9 | 9.7 | 10.2 | 10.4 | 9.2 | 11.0 | 10.3 | 10.6 |
| Post-10 min Fluctuation | 1.2 | 1.4 | 1.2 | 1.4 | 1.3 | 1.3 | 1.3 | 1.0 | 0.9 |
| Configuration Metrics | Hybrid Storage Using TVF-EMD | Hybrid Storage Using EMD |
|---|---|---|
| BESS power demand (MW) | 30.6 | 38.58 |
| FESS power demand (MW) | 6.0 | 7.74 |
| BESS energy capacity (MWh) | 9.65 | 8.89 |
| FESS energy capacity (MWh) | 0.19 | 0.67 |
| Total cost present value (CNY million) | 690 | 980 |
Disclaimer/Publisher’s Note: The statements, opinions and data contained in all publications are solely those of the individual author(s) and contributor(s) and not of MDPI and/or the editor(s). MDPI and/or the editor(s) disclaim responsibility for any injury to people or property resulting from any ideas, methods, instructions or products referred to in the content. |
© 2025 by the authors. Licensee MDPI, Basel, Switzerland. This article is an open access article distributed under the terms and conditions of the Creative Commons Attribution (CC BY) license (https://creativecommons.org/licenses/by/4.0/).
Share and Cite
Tian, C.; Zhang, Q.; Mei, D.; Zhang, X.; Li, Z.; Chen, E. Hybrid Energy Storage Capacity Optimization for Power Fluctuation Mitigation in Offshore Wind–Photovoltaic Hybrid Plants Using TVF-EMD. Processes 2025, 13, 3282. https://doi.org/10.3390/pr13103282
Tian C, Zhang Q, Mei D, Zhang X, Li Z, Chen E. Hybrid Energy Storage Capacity Optimization for Power Fluctuation Mitigation in Offshore Wind–Photovoltaic Hybrid Plants Using TVF-EMD. Processes. 2025; 13(10):3282. https://doi.org/10.3390/pr13103282
Chicago/Turabian StyleTian, Chenghuan, Qinghu Zhang, Dan Mei, Xudong Zhang, Zhengping Li, and Erqiang Chen. 2025. "Hybrid Energy Storage Capacity Optimization for Power Fluctuation Mitigation in Offshore Wind–Photovoltaic Hybrid Plants Using TVF-EMD" Processes 13, no. 10: 3282. https://doi.org/10.3390/pr13103282
APA StyleTian, C., Zhang, Q., Mei, D., Zhang, X., Li, Z., & Chen, E. (2025). Hybrid Energy Storage Capacity Optimization for Power Fluctuation Mitigation in Offshore Wind–Photovoltaic Hybrid Plants Using TVF-EMD. Processes, 13(10), 3282. https://doi.org/10.3390/pr13103282

