A Novel Chaotic Particle Swarm-Optimized Backpropagation Neural Network PID Controller for Indoor Carbon Dioxide Control
Abstract
1. Introduction
- (1)
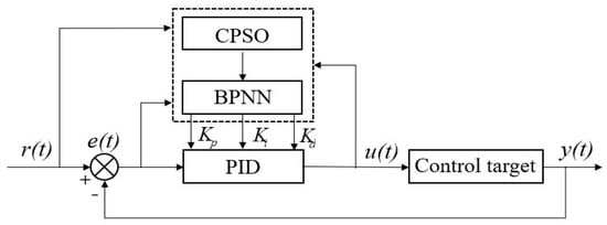
- A novel neural network PID intelligent controller based on CPSO algorithm optimization is proposed, termed the CPSO-BPNN-PID controller. The novelty of this controller resides in the integration of four distinct technologies: chaos theory, particle swarm optimization, BPNN, and PID control.
- (2)
- The controller was applied to the regulation of indoor CO2 concentration. Experimental results indicate that the CPSO-BPNN-PID controller outperforms both the BPNN-PID controller and the conventional PID controller in terms of response speed, adjustment time, and reduced overshoot.
2. Related Works
3. Research Methodology
3.1. Proportional-Integral-Derivative Controller
3.2. Backpropagation Neural Network-Based PID Controller
- (1)
- Establish a BPNN by determining its network structure, setting appropriate values for the learning rate and inertia factor (also known as momentum), and initializing the weights for each neural network layer.
- (2)
- Calculate error(k) by comparing the sampled reference input rin(k) with the actual output yout(k).
- (3)
- Calculate the input and output values for each layer of neurons within the neural network. More specifically, the output generated by the final layer corresponds to the parameters of the PID controller.
- (4)
- By employing the incremental digital PID control algorithm, the output u(k) of the PID controller is derived.
- (5)
- Carry out neural network learning, adjust weights and online, and realize self-tuning of PID control parameters , , and . Specifically, is the weight between the ith neuron in the hidden layer and the jth neuron in the input layer, and is the weight between the first neuron in the output layer and the ith neuron in the hidden layer.
- (6)
- Set k = k + 1 and return to the first step. The block diagram of the BPNN-PID algorithm is shown in Figure 3.
3.3. Chaotic Particle Swarm Optimization-Improved Backpropagation Neural Networks for PID Controller
3.3.1. Chaotic Particle Swarm Optimization Algorithm
- (1)
- Calculate the positions and velocities of every particle in the swarm.
- (2)
- Evaluate the fitness of each particle and determine the best position: . Let the variable i represent the number of iterations. Using Equation (6), map the chosen position to the {0, 1} field. Subsequently, compute the chaotic variable for the next iteration using Equation (5) and perform M iterations. Afterward, utilizing Equation (7), remap the chosen location into the original solution space to acquire a feasible solution from the chaotic sequence.
- (3)
- Assess the fitness of the feasible solution and choose the best among them.
- (4)
- From the swarm, randomly pick out a particle and replace it with the best feasible solution found.
- (5)
- Update the velocity and position of each particle, repeat the loop, and return to the second step until the termination condition is satisfied.
3.3.2. CPSO-Enhanced Backpropagation Neural Networks for PID Controller
- (1)
- Establish the BPNN with a neural network architecture of 4-5-3 and set the appropriate values for the learning rate and inertia factor.
- (2)
- Initialize the input and output weight matrices of the BPNN. Use the rand function to generate random numbers in the range of [–1, 1]. The input weight matrix for the hidden layer neurons, denoted as wi, is randomly initialized to dimensions of 5 × 4, and the output weight matrix for the hidden layer neurons, denoted as wo, is randomly initialized to dimensions of 3 × 5.
- (3)
- Initialize the particle swarm and set the learning factors c1, c2, population size, maximum number of iterations, and particle search space dimension.
- (4)
- Assess the fitness of each particle by calculating the sum of squared errors, denoted as tol_fitness, which serves as the fitness function for the optimization process.
- (5)
- Set the initial values for both the individual and global optima.
- (6)
- Update particle position and velocity. Adjust the speed and position based on Equations (9) and (10) in each iteration.
- (7)
- Evaluate the fitness of each particle’s current position in comparison to its historical optimal fitness. If the current fitness exceeds the previous best, update the individual’s optimal position to the current one. Additionally, compare the fitness of the best-performing particle in the current iteration to the global optimal fitness. If it is better, adjust the global optimal position accordingly.
- (8)
- The optimal position in particle swarm optimization is further optimized through chaos. The entire particle swarm’s searched optimal position is mapped to the logistic equation and undergoes M iterations to produce a chaotic sequence. This chaotic sequence is then remapped back into the original solution space, and the fitness of feasible solutions stemming from these chaotic variables is evaluated to determine the most optimal chaotic solution. The optimal position particle in the generated chaotic sequence is randomly replaced by a particle in the current particle swarm.
- (9)
- Assess whether the stopping criteria have been fulfilled, specifically whether the prescribed maximum iteration count has been attained. If these conditions are met, the optimization process concludes, yielding the initial weights for the BPNN that have been refined through the CPSO algorithm, denoted as wi_Init and wo_Init. If not, the iterative refinement process persists.
- (10)
- During the training process of BPNN, specific activation functions are employed at different network layers. For the transition from the input layer to the hidden layer, the sigmoid function is utilized, enabling nonlinear transformations. To ensure non-negative outputs, a modified version of the sigmoid function, designed to produce only non-negative values, is used for the connection between the hidden layer and the output layer. The input-output relationship for each layer can be described as follows [24]:
- (11)
- The error backpropagation process starts at the output layer. It systematically calculates the output error for each neuron layer and then fine-tunes the weights according to these errors. This process utilizes the gradient descent method. Once specific criteria are fulfilled, the BPNN’s self-learning journey concludes, and the optimal control parameters , , and are ascertained. If these criteria remain unmet, the optimization persists.
- (12)
- PID control. Calculate u(k) and yout(k) according to Equations (19) and (20). The flowchart of the CPSO-BPNN-PID algorithm is shown in Figure 5.
4. Simulation Results and Analysis
4.1. Simulation Result
4.2. Performance Indicators
- (1)
- Peak arefers to the value at the highest point of the system response curve.
- (2)
- Peak time refers to the time from the initial state of the system response time to the maximum value for the first time.
- (3)
- Adjustment time refers to the time required for system response time from initial state to steady state.
- (4)
- Maximum overshoot , where is the final value.
4.3. Analysis of Results
5. Conclusions
Author Contributions
Funding
Data Availability Statement
Conflicts of Interest
References
- Michailidis, P.; Michailidis, I.; Vamvakas, D.; Kosmatopoulos, E. Model-free HVAC control in buildings: A review. Energies 2023, 16, 7124. [Google Scholar] [CrossRef]
- Chojecki, A.; Ambroziak, A.; Borkowski, P. Fuzzy controllers instead of classical PIDs in HVAC equipment: Dusting off a well-known technology and Today’s implementation for better energy efficiency and user comfort. Energies 2023, 16, 2967. [Google Scholar] [CrossRef]
- Anake, W.U.; Nnamani, E.A. A brief review on emerging indoor chemical pollutants. IOP Conf. Ser. Earth Environ. Sci. 2022, 1054, 012012. [Google Scholar] [CrossRef]
- Jung, C.; Naglaa Sami, A.M. Ventilation strategies for mitigating indoor air pollutants in high-rise residential buildings: A case study in dubai. Atmosphere 2023, 14, 1600. [Google Scholar] [CrossRef]
- Grygierek, K.; Nateghi, S.; Ferdyn-Grygierek, J.; Kaczmarczyk, J. Controlling and limiting infection risk, thermal discomfort, and low indoor air quality in a classroom through natural ventilation controlled by smart windows. Energies 2023, 16, 592. [Google Scholar] [CrossRef]
- Chang, L.Y.; Chang, T.B. Air conditioning operation strategies for comfort and indoor air quality in Taiwan’s elementary schools. Energies 2023, 16, 2493. [Google Scholar] [CrossRef]
- Settimo, G.; Yu, Y.; Gola, M.; Buffoli, M.; Capolongo, S. Challenges in IAQ for indoor spaces: A comparison of the reference guideline values of indoor air pollutants from the governments and international institutions. Atmosphere 2023, 14, 633. [Google Scholar] [CrossRef]
- Jia, W.; Wei, Z.; Tang, X.; Zhang, Y.; Shen, A. Intelligent control technology and system of on-demand irrigation based on multiobjective optimization. Agronomy 2023, 13, 1907. [Google Scholar] [CrossRef]
- Li, W.; Wang, Y. Intelligent temperature control method of instrument based on fuzzy PID control technology. Int. J. Adv. Comput. Sci. Appl. 2024, 15, 927. [Google Scholar] [CrossRef]
- Ullah, S.; Khan, Q.; Mehmood, A.; Kirmani, S.A.M.; Mechali, O. Neuro-adaptive fast integral terminal sliding mode control design with variable gain robust exact differentiator for under-actuated quadcopter UAV. ISA Trans. 2022, 120, 293–304. [Google Scholar] [CrossRef]
- Ullah, S.; Khan, Q.; Zaidi, M.M.; Hua, L.-G. Neuro-adaptive non-singular terminal sliding mode control for distributed fixed-time synchronization of higher-order uncertain multi-agent nonlinear systems. Inf. Sci. 2024, 659, 120087. [Google Scholar] [CrossRef]
- Ullah, S.; Khan, Q.; Mehmood, A. Neuro-adaptive fixed-time non-singular fast terminal sliding mode control design for a class of under-actuated nonlinear systems. Int. J. Control 2022, 96, 1529–1542. [Google Scholar] [CrossRef]
- Ali, A.; Khan, Q.; Ullah, S.; Waqar, A.; Hua, L.G.; Bouazzi, I.; Jun, L.J. High gain differentiator based neuro-adaptive arbitrary order sliding mode control design for MPE of standalone wind power system. PLoS ONE 2024, 19, e0293878. [Google Scholar] [CrossRef]
- Abd-Elhaleem, S.; Hussien, M.A.; Hamdy, M.; Mahmoud, T.A. Event-triggered model-free adaptive control for nonlinear systems using intuitionistic fuzzy neural network: Simulation and experimental validation. Complex Intell. Syst. 2024, 10, 2271–2297. [Google Scholar] [CrossRef]
- Mahmoud, T.A.; El-Hossainy, M.; Abo-Zalam, B.; Shalaby, R. Fractional-order fuzzy sliding mode control of uncertain nonlinear MIMO systems using fractional-order reinforcement learning. Complex Intell. Syst. 2024, 10, 3057–3085. [Google Scholar] [CrossRef]
- Elshafei, G.; Vilčeková, S.; Zeleňáková, M.; Negm, A.M. An extensive study for a wide utilization of green architecture parameters in built environment based on genetic schemes. Buildings 2021, 11, 507. [Google Scholar] [CrossRef]
- Lee, M.-F.R. A Review on Intelligent Control Theory and Applications in Process Optimization and Smart Manufacturing. Processes 2023, 11, 3171. [Google Scholar] [CrossRef]
- Tauhidul Islam, M.; Islam, A.; Kumar, R.; Mustafa Abro, G.E.; Majumdar, S.; Oad, V.K. Design of a self-tuning PID controller for a temperature control system using fuzzy logic. In International Conference on Artificial Intelligence for Smart Community: AISC 2020, 17–18 December, Universiti Teknologi Petronas, Malaysia; Springer Nature: Singapore, 2022; pp. 643–649. [Google Scholar]
- Siddikov, I.; Gulruxsor, N.; Gulchekhra, A. Neural network optimizer of proportional-integral-differential controller parameters. Int. J. Electr. Comput. Eng. (IJECE) 2024, 14, 2533–2540. [Google Scholar] [CrossRef]
- Uskenbayeva, R.; Altayeva, A.; Gusmanova, F.; Abdulkarimova, G.; Berkimbaeva, S.; Dalbekova, K.; Suiman, A.; Zhanseitova, A.; Amreyeva, A. Indoor air quality control using backpropagated neural networks. Comput. Mater. Contin. 2022, 70, 3837–3853. [Google Scholar] [CrossRef]
- Aziz, M.; Kadir, K.; Haziq, K.A.; Vijyakumar, K. Optimization of air handler controllers for comfort level in smart buildings using nature inspired algorithm. Energies 2023, 16, 8064. [Google Scholar] [CrossRef]
- Nejati, F.; Tahoori, N.; Mohammad, A.S.; Ghafari, A.; Nehdi, M.L. Estimating heating load in residential buildings using multi-verse optimizer, self-organizing self-adaptive, and vortex search neural-evolutionary techniques. Buildings 2022, 12, 1328. [Google Scholar] [CrossRef]
- Chaturvedi, S.; Narendra, K.; Rajesh, K. A PSO-optimized novel PID neural network model for temperature control of jacketed CSTR: Design, simulation, and a comparative study. Soft Comput. 2024, 6, 4759–4773. [Google Scholar] [CrossRef]
- Wang, Y.; Liu, J.; Li, R.; Suo, X.; Lu, E. Application of PSO-BPNN-PID controller in nutrient solution EC precise control system: Applied research. Sensors 2022, 22, 5515. [Google Scholar] [CrossRef] [PubMed]
- Shao, N.; Chen, X.; Wang, Y. Research on IPSO-RBF transformer fault diagnosis based on adam optimization. J. Phys. Conf. Ser. 2022, 2290, 012117. [Google Scholar] [CrossRef]
- Gupta, I.; Kashyap, K.L. Breast cancer identification using feature level fusion and hybrid GA-PSO optimized neural network. In Proceedings of the 2022 IEEE 6th Conference on Information and Communication Technology (CICT), Gwalior, India, 18–20 November 2022. [Google Scholar]
- Tang, X.; Xu, B.; Xu, Z. Reactor temperature prediction method based on CPSO-RBF-BP neural network. Appl. Sci. 2023, 13, 3230. [Google Scholar] [CrossRef]
- Malekabadi, M.; Haghparast, M.; Nasiri, F. Air Condition’s PID controller fine-tuning using artificial neural networks and genetic algorithms. Computers 2018, 7, 32. [Google Scholar] [CrossRef]
- Zhang, L.; Wang, Z.; Shi, H.; Long, Z.; Du, H. Chaos particle swarm optimization combined with circular median filtering for geophysical parameters retrieval from windsat. J. Ocean Univ. China 2016, 15, 593–605. [Google Scholar] [CrossRef]
- Song, Y.; Wu, S.; Yan, Y. Development of Self-Tuning Intelligent PID Controller Based on BPNN for Indoor Air Quality Control. Int. J. Emerg. Technol. Adv. Eng. 2013, 3, 283–290. [Google Scholar]









| Controller Name | ||||
|---|---|---|---|---|
| PID | 1.13 | 0.08 | 0.21 | 13 |
| BPNN-PID | 1 | 0.37 | 0.21 | 0 |
| CPSO-BPNN-PID | 1 | 0.2 | 0.125 | 0 |
Disclaimer/Publisher’s Note: The statements, opinions and data contained in all publications are solely those of the individual author(s) and contributor(s) and not of MDPI and/or the editor(s). MDPI and/or the editor(s) disclaim responsibility for any injury to people or property resulting from any ideas, methods, instructions or products referred to in the content. |
© 2024 by the authors. Licensee MDPI, Basel, Switzerland. This article is an open access article distributed under the terms and conditions of the Creative Commons Attribution (CC BY) license (https://creativecommons.org/licenses/by/4.0/).
Share and Cite
Zhang, S.; Li, H.; Chang, Y. A Novel Chaotic Particle Swarm-Optimized Backpropagation Neural Network PID Controller for Indoor Carbon Dioxide Control. Processes 2024, 12, 1785. https://doi.org/10.3390/pr12091785
Zhang S, Li H, Chang Y. A Novel Chaotic Particle Swarm-Optimized Backpropagation Neural Network PID Controller for Indoor Carbon Dioxide Control. Processes. 2024; 12(9):1785. https://doi.org/10.3390/pr12091785
Chicago/Turabian StyleZhang, Suli, Hui Li, and Yiting Chang. 2024. "A Novel Chaotic Particle Swarm-Optimized Backpropagation Neural Network PID Controller for Indoor Carbon Dioxide Control" Processes 12, no. 9: 1785. https://doi.org/10.3390/pr12091785
APA StyleZhang, S., Li, H., & Chang, Y. (2024). A Novel Chaotic Particle Swarm-Optimized Backpropagation Neural Network PID Controller for Indoor Carbon Dioxide Control. Processes, 12(9), 1785. https://doi.org/10.3390/pr12091785

