Study on the Damage Evolution and Failure Mechanism of Floor Strata under Coupled Static-Dynamic Loading Disturbance
Abstract
1. Introduction
2. The Floor Strata Stress Distribution under Mining Dynamic Load Disturbance
2.1. The Initial Stress Distribution of Floor Strata in Stope
2.1.1. The Support Pressure Distribution State of the Floor Strata
2.1.2. The Floor Strata Original Stress Distribution
The Original Stress Distribution of Floor Strata in the X-X Axial Section Plane
The Original Stress Distribution of Floor Strata in the Y-Y Axial Section Plane
2.2. Response Mechanism of Floor Surrounding Rock Stress Distribution under Mining Dynamic Load
2.2.1. Floor Equivalent Static Load Analysis under Dynamic Load
- Based on related material mechanics theories, when the floor is under the concentrated dynamic load F, the static load deflection at beam C caused by static load F is listed as Equation (17).
- Similarly, according to the related material mechanics and structural mechanics theories, when the floor is under the effect of uniform dynamic load q, as shown in Figure 9, the static load deflection at beam b caused by static load q is . Thus, the rock dynamic load coefficient is presented as Equation (19).
2.2.2. Stress Response of Floor Surrounding Rock under Dynamic Load
Concentrated Dynamic Load
Uniform Dynamic Load
3. Floor Surrounding Rock Damage Constitutive Model under the Dynamic Load Effect
3.1. Floor Rock Damage Evolution Model under Dynamic Load Effect
3.1.1. Common Rock Damage Evolution Model [35,36,37,38,39]
- When the microcosmic element strength obeys the Weibull distribution, the rock damage variable can be expressed as
- Tensile impact damage
- Acoustic-wave-induced damage
- Rock damage under the impact load, considering temperature effects.
- Fractional damage model
3.1.2. Rock Damage Evolution Model Considering Dynamic Strain Rate Effects
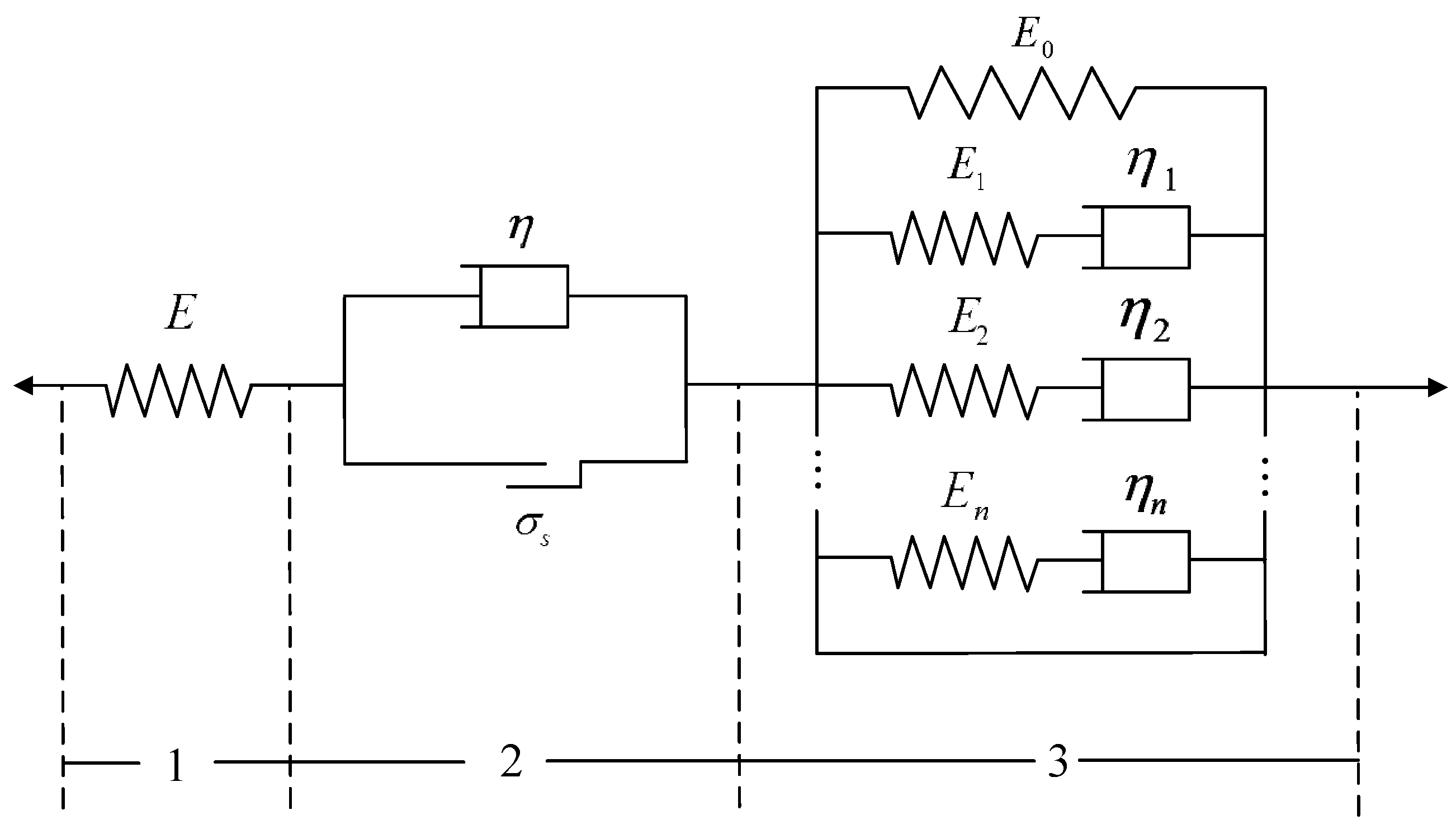
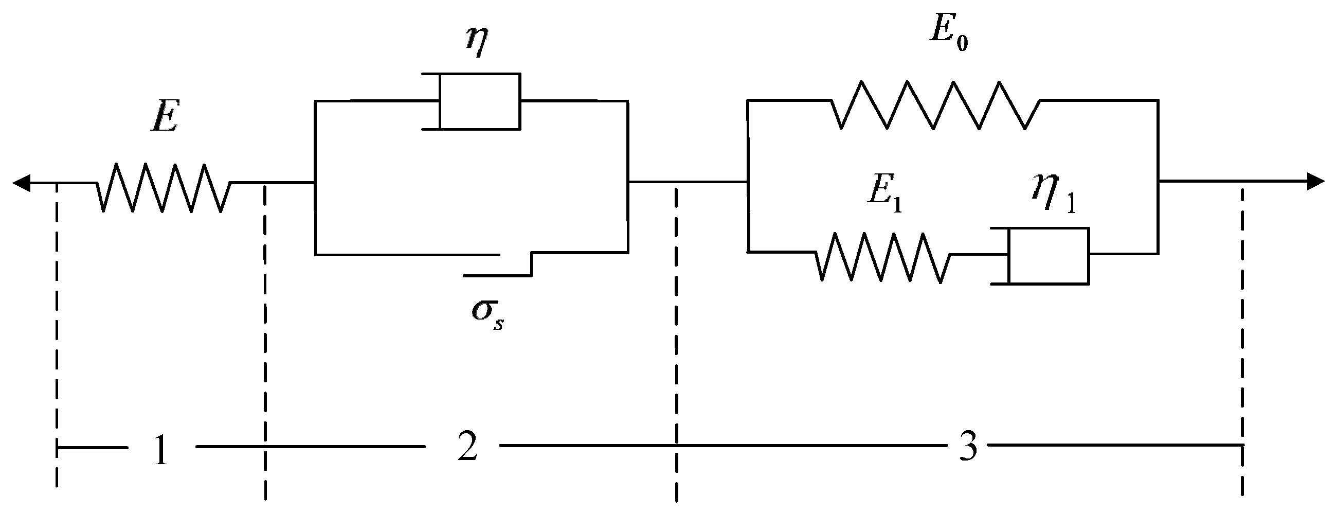
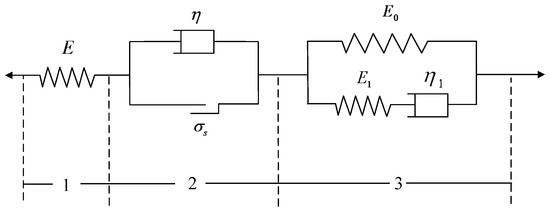
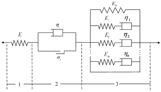
3.2. Coal Measures Rock Damage Constitutive Model under Dynamic Load Effect
3.2.1. Coal Measures Rock Constitutive Model under Dynamic Load
- When , only parts 1 and 3 is involved, the variables of each component have the following relationships:
- When , part 1, 2, and 3 is partially involved, the relationships between the variables of each component are shown as follows:
- When , Equation (52) can be simplified as follows:
- When , Equation (53) can be simplified as
3.2.2. Coal Measures Rock Damage Constitutive Model under Dynamic Load Effect
- When , is taken into the B-G model, Equation (54) can be simplified as
- When , is taken into the B-G model, Equation (60) can be simplified as
3.3. Verification of the Coal Measures Rock Damage Constitutive Model under Dynamic Load
3.3.1. Parameter Solutions of Coal Measures Rock B-G Damage Constitutive Model under Dynamic Load
- Before the stress reaches its peak stress , that is , Equation (71) can be chosen to fit the stress-strain curve. The fitting parameters are , , , and , respectively.
- When the stress reaches its peak , which means , equation 75 can be used to fit the stress-strain curve, and is the fitting parameter. Before doing this work, equation 75 needs to be solved, which is very complicated. Therefore, this paper will not solve the parameter , which could be the focus of future research.
3.3.2. Parameter Analysis of the Coal Measures Rock B-G Damage Constitutive Model under Dynamic Load
4. The Yield Rule and Fracture Criterion of Floor Coal Measures Surrounding Rock under the Coupled Static-Dynamic Load Disturbance
4.1. Yield Rule of Coal Measures Rock Damage under Dynamic Load Effect
4.2. The Fracture Criterion of Floor Strata under the Coupled Static-Dynamic Loading Disturbance
5. Conclusions
- 1.
- Based on the systematic analysis of the floor stress distribution state, the mining dynamic load coefficients of the intermediate fracture collapse and overall collapse in the roof and the overlying strata are solved by the floor beam model. The response mechanism of the floor strata stress state under the action of concentrated and uniform dynamic loads is established. Also, the calculation formula for the stress distribution at any position in the complete floor strata is given under the coupled static-dynamic loading disturbance.
- 2.
- Combining the advantages of the Bingham and Generalized-Boydin models, the coal measure rock constitutive model under dynamic load (B-G Model) is established. By including the damage evolution model, the coal measures rock constitutive model (B-G damage model) under dynamic load is presented. The nonlinear regression fitting method is used to solve the parameters by using the experimental data. The fitting results show that the new model can present the constitutive characteristics of coal measure rock under dynamic load. Also, the variation law of the model parameters changing with strain rate is analyzed, and the unified mathematical expression is given with the strain rates as parameters.
- 3.
- On the basis of the twin-shear unified strength yield criterion and the B-G damage constitutive model, the twin-shear unified strength damage and fracture criterion of coal measure rocks under the disturbance of coupled static-dynamic loading is established. This criterion takes the rock damage and strain rate into account. At last, we use the stress distribution expression of any position in the floor strata under the centralized and uniform dynamic load to create a collapse criterion of the floor strata in goaf under the disturbance of coupled static-dynamic loading.
Author Contributions
Funding
Data Availability Statement
Conflicts of Interest
References
- National Development and Reform Commission; National Energy Administration. ‘14th Five-Year’ Modern Energy System. Planning. Available online: https://www.gov.cn/zhengce/zhengceku/2022-03/23/content_5680759.htm (accessed on 29 January 2024).
- Energy Institute. Statistical Review of World Energy 2023. Available online: https://www.energyinst.org/statistical-review (accessed on 29 January 2024).
- Xie, H.P.; Wu, L.X.; Zheng, D.Z. Prediction on the energy consumption and coal demand of China in 2025. J. China Coal Soc. 2019, 44, 1949–1960. [Google Scholar]
- Jia, Z.J.; Wen, S.Y.; Sun, Z. Current relationship between coal consumption and the economic development and China’s future carbon mitigation policies. Energy Policy 2022, 162, 112812. [Google Scholar] [CrossRef]
- Xie, H.P. Research review of the state key research development program of China: Deep rock mechanics and mining theory. J. China Coal Soc. 2019, 44, 1283–1305. [Google Scholar]
- He, M.C.; Wang, Q.; Wu, Q.Y. Innovation and future of mining rock mechanics. J. Rock Mech. Geotech. 2021, 13, 1–21. [Google Scholar] [CrossRef]
- Kang, H.P.; Gao, F.Q.; Xu, G.; Ren, H.W. Mechanical behaviors of coal measures and ground control technologies for China’s deep coal mines –A review. J. Rock Mech. Geotech. 2023, 15, 37–65. [Google Scholar] [CrossRef]
- Wagner, H. Deep Mining: A Rock Engineering Challenge. Rock Mech. Rock Eng. 2019, 52, 1417–1446. [Google Scholar] [CrossRef]
- Xie, H.; Gao, M.; Zhang, R.; Peng, G.; Wang, W.; Li, A. Study on the Mechanical Properties and Mechanical Response of Coal Mining at 1000 m or Deeper. Rock Mech. Rock Eng. 2019, 52, 1475–1490. [Google Scholar] [CrossRef]
- Li, X.B.; Gong, F.Q.; Tao, M.; Dong, L.G.; Du, K.; Ma, C.D.; Zhou, Z.L.; Yin, T.B. Failure mechanism and coupled static-dynamic loading theory in deep hard rock mining: A review. J. Rock Mech. Geotech. 2017, 9, 767–782. [Google Scholar] [CrossRef]
- Ranjith, P.G.; Zhao, J.; Ju, M.; De Silva, R.V.; Rathnaweera, T.D.; Bandara, A.K. Opportunities and Challenges in Deep Mining: A Brief Review. Engineering 2017, 3, 546–551. [Google Scholar] [CrossRef]
- Charles, F. Some challenges of deep mining. Engineering 2017, 3, 527–537. [Google Scholar]
- Yang, S.Q.; Chen, M.; Jing, H.W.; Chen, K.F.; Meng, B. A case study on large deformation failure mechanism of deep soft rock roadway in Xin’An coal mine, China. Eng. Geol. 2016, 217, 89–101. [Google Scholar] [CrossRef]
- Zhang, J.J.; Xu, K.L.; Reniers, G.; You, G. Statistical analysis the characteristics of extraordinarily severe coal mine accidents (ESCMAs) in China from 1950 to 2018. Process Saf. Environ. Prot. 2020, 133, 332–340. [Google Scholar] [CrossRef]
- Bai, H.B.; Miao, X.X. Hydrogeological characteristics and mine water inrush prevention of late Paleozoic coalfields. J. China Univ. Min. Technol. 2016, 45, 1–10. [Google Scholar]
- Zhang, C.; Bai, Q.; Han, P. A review of water rock interaction in underground coal mining: Problems and analysis. Bull. Eng. Geol. Environ. 2023, 82, 157. [Google Scholar] [CrossRef]
- Miao, X.X.; Bai, H.B. Water-resisting characteristics and distribution rule of carbonate strata in the top of Ordovician in North China. J. China Coal Soc. 2011, 36, 185–193. [Google Scholar]
- Gui, H.R.; Song, X.M.; Lin, M.L. Water-inrush mechanism research mining above karst confined aquifer and applications in North China coalmines. Arabian J. Geosci. 2017, 10, 180. [Google Scholar] [CrossRef]
- Sun, W.; Zhou, W.; Jiao, J. Hydrogeological classification and water inrush accidents in China’s coal mines. Mine Water Environ. 2016, 35, 214–220. [Google Scholar] [CrossRef]
- Liu, Y.; Dai, F.; Pei, P.D. A wing-crack extension model for tensile response of saturated rocks under coupled static-dynamic loading. Int. J. Rock Mech. Min. 2021, 146, 104893. [Google Scholar] [CrossRef]
- Ma, D.; Duan, H.Y.; Li, X.B.; Li, Z.H.; Zhou, Z.L.; Li, T.B. Effects of seepage-induced erosion on nonlinear hydraulic properties of broken red sandstones. Tunn. Undergr. Space Tech. 2019, 91, 102993. [Google Scholar] [CrossRef]
- Ma, D.; Duan, H.Y.; Zhang, J.X. Solid grain migration on hydraulic properties of fault rocks in underground mining tunnel: Radial seepage experiments and verification of permeability prediction. Tunn. Undergr. Space Tech. 2022, 126, 104525. [Google Scholar] [CrossRef]
- Shi, L.; Qiu, M.; Wang, Y.; Qu, X.; Liu, T. Evaluation of water inrush from underlying aquifers by using a modified water-inrush coefficient model and water-inrush index model: A case study in Feicheng coalfield, China. Hydrogeol. J. 2019, 27, 2105–2119. [Google Scholar] [CrossRef]
- Li, H.; Bai, H.; Ma, D.; Xu, J. Experimental study on mining-induced failure depth lagging coal wall secondary deepening rule. J. Min. Saf. Eng. 2016, 33, 318–323. [Google Scholar]
- Li, H.L.; Bai, H.B.; Ma, D. Physical simulation testing research on mining dynamic loading effect and induced coal seam floor failure. J. Min. Saf. Eng. 2018, 35, 366–372. [Google Scholar]
- Li, H.L.; Bai, H.B. Simulation research on the mechanism of water inrush from fractured floor under the dynamic load induced by roof caving: Taking the Xinji Second Coal Mine as an example. Arabian J. Geosci. 2019, 12, 1–24. [Google Scholar] [CrossRef]
- Zhou, Z.H.; Cao, P.; Ye, Z.Y. Crack propagation mechanism of compression-shear rock under static-dynamic loading and seepage water pressure. J. Cent. South Univ. 2014, 21, 1565–1570. [Google Scholar] [CrossRef]
- Gai, Q.K.; Gao, Y.B.; Huang, L.; Shen, X.Y.; Li, Y.B. Microseismic response difference and failure analysis of roof and floor strata under dynamic load impact. Eng. Failure Anal. 2023, 143 Pt A, 106874. [Google Scholar] [CrossRef]
- Shao, J.; Zhang, Q.; Zhang, W. Evolution of mining-induced water inrush disaster from a hidden fault in coal seam floor based on a coupled stress–seepage–damage model. Geomech. Geophys. Geo-Energy Geo-Resour. 2024, 10, 78. [Google Scholar] [CrossRef]
- Xie, H.P.; Lu, J.; Li, C.B.; Li, M.H.; Gao, M.Z. Experimental study on the mechanical and failure behaviors of deep rock subjected to true triaxial stress: A review. Int. J. Min. Sci. Technol. 2022, 32, 915–950. [Google Scholar] [CrossRef]
- He, M.C.; Wang, Q. Rock dynamics in deep mining. Int. J. Min. Sci. 2023, 33, 1065–1082. [Google Scholar]
- Wen, Z.; Meng, F.; Jiang, Y.; Jing, S. Development and application of a series of experimental devices for coal mining dynamic behavior research. Geomech. Geophys. Geo-Energy Geo-Resour. 2022, 8, 71. [Google Scholar] [CrossRef]
- Xie, J.; Ning, S.; Zhu, W.; Wang, X.; Hou, T. Influence of Key Strata on the Evolution Law of Mining-Induced Stress in the Working Face under Deep and Large-Scale Mining. Minerals 2023, 13, 983. [Google Scholar] [CrossRef]
- Qian, M.G.; Shi, P.W.; Xu, J.L. Mine Pressure and Rock Layer Control; China University of Mining and Technology Press: Xuzhou, China, 2011. [Google Scholar]
- Dong, Z.X.; Shan, R.L. Study on Constitutive Properties of Rocks under High Strain Rates. Eng. Blasting 1999, 6, 5–9. [Google Scholar]
- Yang, R.; Bawden, W.F.; Katsabanis, P.D. New constitutive model for blast damage. Int. J. Rock. Mech. Min. Sci. Geomech. Abstr. 1996, 33, 245–254. [Google Scholar] [CrossRef]
- Gao, W.X.; Yang, J.; Jin, Q.K. Study on Dynamic Damage Model of Rock. Eng. Blasting 1999, 5, 5–9. [Google Scholar]
- Li, M. Research on Rupture Mechanisms of Coal Measures Sandstone under High Temperature and Impact Load. Ph.D. Dissertation, China University of Mining & Technology, Xuzhou, China, 2014. [Google Scholar]
- Li, M.; Mao, X.B.; Cao, L.L. Experimental study of mechanical properties on strain rate effect of sandstones after high temperature. Rock Soil Mech. 2014, 35, 3479–3488. [Google Scholar]
- Li, J.G. The Application of the Constitutive Damage Model of Rock and Soil in Problems of Impact Dynamics. Ph.D. Dissertation, University of Science and Technology of China, Hefei, China, 2007. [Google Scholar]
- Lemaitre, J. A continuous damage mechanics model for ductile fracture. J. Eng. Mater. Technol. 1985, 107, 83–89. [Google Scholar] [CrossRef]
- Xie, L.X.; Zhao, G.M.; Meng, X.R. Research on Excess Stress Constitutive Model of Rock under Impact Load. Chin. J. Rock Mech. Eng. 2013, 32, 2772–2781. [Google Scholar]
- Kinoshita, S.; Sato, K.; Kawakita, M. On the mechanical behavior of rocks under impulsive loading. Bull. Fac. Eng. Hokkaido Univ. 1977, 8, 51–62. [Google Scholar]
- Yu, Y.L. Rock Dynamics; University of Science and Technology Beijing Press: Beijing, China, 1990. [Google Scholar]
- Zheng, Y.L.; Xia, S.Y. Viscoelastic Damage Constitutive Model for Rock. Chin. J. Rock Mech. Eng. 1996, 15, 428–432. [Google Scholar]
- Yu, M.H. Advances in Strength Theories for Materials under Complex Stress State in the 20th Century. Adv. Mech. 2004, 34, 529–560. [Google Scholar] [CrossRef]
- Yu, M.H. Linear and Nonlinear Unified Strength Theory. Chin. J. Rock Mech. Eng. 2007, 26, 662–669. [Google Scholar]
- Yu, M.H. Unified Strength Theory for Geomaterials and its Applications. Chin. J. Geotech. Eng. 1994, 16, 1–10. [Google Scholar]




















(10−3/s) | (GPa) | (GPa) | (GPa) | (GPa·s) | (MPa) | (GPa) | ||
|---|---|---|---|---|---|---|---|---|
| 24.79 | 13.25 | 3.76 | 3.36 | −2.52 | 95.06 | 4.86 | 3.77 | 10.39 |
| 38.46 | 17.81 | 32.78 | / | −1.43 | 99.83 | 12.85 | 2.04 | 4.34 |
| 48.25 | 18.91 | 22.04 | 4.21 | −3.06 | 106.51 | 11.00 | 2.10 | 6.70 |
| 62.30 | 22.60 | 11.75 | 26.73 | −2.09 | 139.21 | 13.74 | 2.05 | 7.30 |
| 80.65 | 28.52 | 2.17 | 7.53 | −0.70 | 183.66 | 7.26 | 4.09 | 11.65 |
| 96.95 | 21.84 | 4.85 | 4.39 | −1.52 | 188.04 | 6.49 | 3.38 | 15.19 |
Disclaimer/Publisher’s Note: The statements, opinions and data contained in all publications are solely those of the individual author(s) and contributor(s) and not of MDPI and/or the editor(s). MDPI and/or the editor(s) disclaim responsibility for any injury to people or property resulting from any ideas, methods, instructions or products referred to in the content. |
© 2024 by the authors. Licensee MDPI, Basel, Switzerland. This article is an open access article distributed under the terms and conditions of the Creative Commons Attribution (CC BY) license (https://creativecommons.org/licenses/by/4.0/).
Share and Cite
Li, H.; Bai, H.; Xu, W.; Li, B.; Qiu, P.; Liu, R. Study on the Damage Evolution and Failure Mechanism of Floor Strata under Coupled Static-Dynamic Loading Disturbance. Processes 2024, 12, 1513. https://doi.org/10.3390/pr12071513
Li H, Bai H, Xu W, Li B, Qiu P, Liu R. Study on the Damage Evolution and Failure Mechanism of Floor Strata under Coupled Static-Dynamic Loading Disturbance. Processes. 2024; 12(7):1513. https://doi.org/10.3390/pr12071513
Chicago/Turabian StyleLi, Hailong, Haibo Bai, Wenjie Xu, Bing Li, Peitao Qiu, and Ruixue Liu. 2024. "Study on the Damage Evolution and Failure Mechanism of Floor Strata under Coupled Static-Dynamic Loading Disturbance" Processes 12, no. 7: 1513. https://doi.org/10.3390/pr12071513
APA StyleLi, H., Bai, H., Xu, W., Li, B., Qiu, P., & Liu, R. (2024). Study on the Damage Evolution and Failure Mechanism of Floor Strata under Coupled Static-Dynamic Loading Disturbance. Processes, 12(7), 1513. https://doi.org/10.3390/pr12071513

