Next Article in Journal
Optimization of the Assessment Method for Photovoltaic Module Enhancers: A Cost-Efficient Economic Approach Developed through Modified Area and Cost Factor
Previous Article in Journal
A Robust Process Identification Method under Deterministic Disturbance
Previous Article in Special Issue
Equation-Oriented Modeling and Optimization of a Biorefinery Based on Avocado Waste
 
 
Correction published on 18 November 2024, see Processes 2024, 12(11), 2580.
Font Type:
Arial Georgia Verdana
Font Size:
Aa Aa Aa
Line Spacing:
Column Width:
Background:
Article

Sustainability Assessment of 2G Bioethanol Production from Residual Lignocellulosic Biomass

1
Unidade de Bioenergia e Biorrefinarias, Laboratório Nacional de Energia e Geologia, I.P., Estrada do Paço do Lumiar 22, 1649-038 Lisboa, Portugal
2
CERENA, Departamento de Engenharia Química, Instituto Superior Técnico, Universidade de Lisboa, Av. Rovisco Pais 1, 1049-001 Lisboa, Portugal
*
Author to whom correspondence should be addressed.
Processes 2024, 12(5), 987; https://doi.org/10.3390/pr12050987
Submission received: 18 April 2024 / Revised: 10 May 2024 / Accepted: 11 May 2024 / Published: 13 May 2024 / Corrected: 18 November 2024

Abstract

The development of sustainable biofuels can help to reduce the reliance on fossil fuels and mitigate the impact of climate change. This study analyzes bioethanol production from agro-forestry residual biomass, namely eucalyptus residues and corn stover. The study includes process simulation using Aspen Plus software, followed by economic analysis and life cycle assessment (LCA) with the help of SimaPro software and by applying the environmental footprint (EF) 3.0 method. The economic analysis on the biorefinery’s economic viability, equipment, and production costs reveals a positive decision for bioethanol production from eucalyptus residues due to logistical and transportation costs. The minimum ethanol selling price (MESP) obtained was 2.19 €/L and 2.45 €/L for eucalyptus residues and corn stover, respectively. From the LCA with a functional unit of 1 MJ of ethanol, bioethanol production from eucalyptus residues results in a single score impact of 37.86 µPt, whereas for corn stover, it is 33.47 µPt. In the climate change impact category, the eucalyptus residues scenario has an impact of 0.264 kg CO2 eq/MJ ethanol while corn stover leads to 0.254 kg CO2 eq/MJ ethanol. In-situ enzyme production, heat integration, and the use of renewable energy sources were also analyzed. Combining in situ enzyme production with renewable energy sources lowers CO2 equivalent emissions by 89% for both feedstocks, in comparison to the base-case scenario.

1. Introduction

Global energy consumption has risen mainly due to population growth, technological progress, and economic development, stimulating greater use of non-renewable resources. This amplified demand has mainly focused on fossil fuels, significantly contributing to the acceleration of global warming. In 2022, direct primary energy consumption from natural gas, oil, and coal was 39,413 TWh, 52,970 TWh, and 44,854 TWh respectively worldwide, with 57,733 TWh of this occurring in China and the United States combined [1]. As a result, this has caused severe consequences, including climate change, environmental degradation, and harmful consequences on human health and biodiversity. Given these environmental concerns, biofuels have emerged as a promising alternative to reduce the negative effects of fossil fuel consumption, mitigate greenhouse gas emissions, and reduce reliance on non-renewable energy sources [2].
Biofuels are a category of bio-based fuels derived from biomass, capable of serving as substitutes or additives to conventional fossil fuels such as gasoline and diesel. Between 2023 and 2028, biofuel demand is projected to surge by 38 billion liters, a near-30% increase from the previous five years. By 2028, overall demand is expected to reach 200 billion liters, with renewable diesel and ethanol driving two-thirds of this growth. Emerging economies such as Brazil, Indonesia, and India lead in demand, propelled by robust biofuel policies and rising transport fuel needs. Meanwhile, advanced economies like the European Union, United States, Canada and Japan focus on transport policy enhancements, with renewable diesel and biojet-fuel as primary growth segments amidst factors like electric vehicle adoption and biofuel cost challenges [3].
Biomass, derived from organic matter found in animals and plants, serves as a valuable resource for energy (electricity and heat) and biofuel production. It includes a wide range of sources, including agricultural residues, forestry byproducts, food crops, and dedicated energy crops [4].
Lignocellulosic biomass consists of three primary components: cellulose, hemicellulose, and lignin. Cellulose, comprising 40% to 60% of biomass, is a crystalline, rigid polymer of glucose monomers linked by β-1,4 linkages, making it resistant to enzymatic degradation [5]. Hemicellulose, constituting 20% to 40% of biomass, is an amorphous, branched polymer of pentoses and hexoses, making it hydrolysable due to its less-structured nature. Lignin, accounting for 10% to 25% of biomass, is a phenylpropanoid polymer, providing structural strength and resistance to degradation, and its phenolic by-products can inhibit enzymatic action [5]. Additionally, biomass also contains pectic compounds, proteins, other phenolic compounds, water, minerals, and ash in its composition.
In this work, agricultural and forestry residual biomass are studied. Forest in mainland Portugal is primarily comprised of species like eucalyptus, cork oak, and maritime pine, making up about 69.4% of the country’s territory. Thus, annual production of forest-based residual biomass (including residues from the pulp and paper industry) reaches around three million tons [6]. Eucalyptus, as a dominant forest species, offers significant waste and by-products suitable for energy generation. Agricultural residual biomass, which arises from farming and agri-food industry by-products, comprises materials such as cereal straw, olive tree cuttings, olive pruning, and pomace. In mainland Portugal, the focus is corn cultivation, predominantly located in central regions. Corn cultivation produces abundant residues, e.g., corn stover rich in cellulose and hemicellulose, making them ideal for biofuel or bio-products production [7].
Biofuels are commonly classified into first and second generations based on their feedstocks. First-generation biofuels (1G) are derived from food crops or edible feedstocks like sugarcane, corn, wheat, and vegetable oils. While they are widely implemented, using food crops for biofuel production raises concerns about potential impacts on food security and competition with food production [8]. Second-generation biofuels (2G) are produced from non-food feedstocks, including agricultural residues (e.g., corn stover, wheat straw), dedicated energy crops (e.g., switchgrass, miscanthus), non-edible parts of plants (e.g., leaves, stems), and from autotrophic microalgae. In general, these biofuels are produced using more advanced technologies and aim to avoid the competition between fuel and food.
Bioethanol is a renewable fuel derived from the fermentation of biomass sugars into ethanol. Commonly blended with gasoline, these blends can range from low-level, for example, E10 with up to 10% ethanol, to high-level, like E85 with around 85% ethanol and 15% gasoline [9], being the E5 blends the most common in Portugal. Ethanol enhances fuel oxygen content with 35% of oxygen and combustion, reducing greenhouse gas emissions and promoting cleaner combustion [9]. Ethanol has a high-octane number of 108, indicating resistance to engine knocking and early ignition. This contributes to improved engine performance and efficiency. When compared to gasoline, ethanol significantly reduces carbon emissions by over 80% and eliminates the release of sulfur dioxide, which contributes to acid rain formation [10].
Biorefineries are commercial and emerging plants that process bio-based feedstock into biofuels, biochemicals, and bioenergy. They significantly contribute to sustainability and the growth of clean energy economies through their emphasis on high energy efficiency and zero-waste production, optimizing resource use while minimizing waste [11]. Second-generation feedstocks are commonly used in biorefineries as they are abundant and do not interfere with the food chain. However, 2G biorefineries are still in development due to the advanced technology and complex process integration required. Technological development aims to enhance efficiency and scalability by updating processes. Integrated biorefining is considered the preferred approach in future bioeconomic models, producing a wider range of bio-based products such as food, chemicals, and biofuels [12]. Currently, given the commitment to reduce dependence on fossil fuels and to reduce GHG emissions, some countries have adopted policy measures to encourage renewable fuels. These measures include the strategic definition of biofuel production, tax exemptions for biomass-based systems, financing for biomass and renewable source projects, and reduced tariffs for biomass suppliers [13].
Several techno-economic and life cycle assessment of 2G biorefineries have been performed in the past decades, for different types of feedstock and geographic location, such as spruce logging residues in Sweden [14], palm empty fruit bunches [15] or integrated sugarcane-based biorefineries [16,17] in Brazil, bioethanol production from corncob in different locations [18], corn stover in Mexico [19] and in Belgium [20], among others. This study involves the simulation of 2G bioethanol production in Portugal, using two different lignocellulosic residues (corn stover and eucalyptus residues) through a four-stage biochemical route: biomass pretreatment, enzymatic hydrolysis, fermentation, and ethanol recovery. Subsequently, after implementing the process model, a comprehensive economic analysis was conducted to evaluate the economic viability of 2G bioethanol production using this feedstock. Additionally, a life cycle assessment (LCA) of the bioethanol production process was carried out to estimate and evaluate environmental impacts. This work aims to contribute new insights into bioethanol production from residual lignocellulosic biomass, specifically comparing two types: eucalyptus residues (including branches, leaves and bark) and corn stover. The following section outlines the methodology, elucidating the research design and analytical techniques employed to address these objectives.

2. Materials and Methods

2.1. Process and Simulation

The process simulation was carried out using the Aspen Plus v11 (Aspentech, Inc., Bedford, MA, USA) software, applying the thermodynamic non-random two-liquids model. The physical and thermodynamic properties of biomass and raw materials for the process were obtained from the National Renewable Energy Laboratory (Golden, CO, USA) [21]. The initial composition of eucalyptus residues and corn stover, determined by the National Laboratory of Energy and Geology (LNEG, Lisboa, Portugal) for samples provided by the private company Florecha, Forest Solutions, SA. (Chamusca, Portugal), is shown in Table 1. An initial moisture content of 15% was considered for both feedstocks. Glucan, xylan, arabinan, and lignin are considered solids and were defined as conventional solids (CIPSD, in Aspen Plus). The acetyl groups, the extractives, and the water content were defined as constituents of the mixture, as Mixed. Finally, ash is defined as a non-conventional solid (NCPSD, in Aspen Plus) due to its heterogeneous composition.
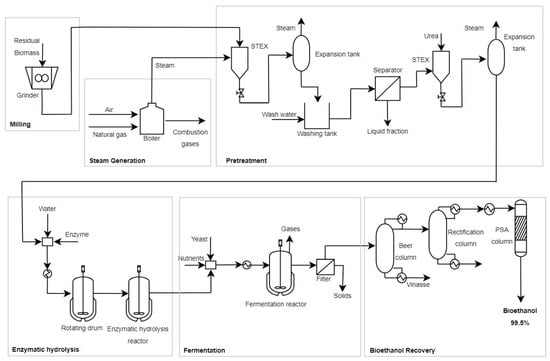
The biorefinery is considered to process 100,000 tons of dry biomass annually for 330 operational days, equivalent to 7920 h, on a semi-continuous schedule. The process model is divided into six sections: (i) milling, (ii) steam generation for pretreatment, (iii) pretreatment, (iv) enzymatic hydrolysis, (v) fermentation, and (vi) bioethanol distillation and purification. The global flowsheet of the process is represented in Figure 1.

2.1.1. Biomass Milling

The first step in bioethanol production from lignocellulosic biomass involves milling the feedstock to reduce the particle size to ca. 20 mm to enhance its accessibility for subsequent processing (pretreatment). The simulation on Aspen Plus was performed using crusher equipment.

2.1.2. Biomass Pretreatment (PT)

Steam explosion (STEX), a variant of hydrothermal (physico-chemical) technology, was chosen for pretreatment of lignocellulosic biomass. since it is recognized as one of the most cost-effective processes for hardwoods (e.g., eucalyptus) and agricultural residues (e.g., corn stover), being used in several demonstration units and in the first commercial 2G ethanol unit [22]. STEX involves exposing the biomass to high-pressure steam at high temperatures, typically between 160–260 °C corresponding to 6.9–48.3 bar, followed by rapid pressure release to atmospheric pressure. When biomass is subjected to high pressure and temperature, it undergoes chemical reactions that break the chemical bonds between cellulose, hemicellulose, and lignin molecules. These reactions also cause the depolymerization of these components, which results in the creation of water-soluble compounds like sugars and lignin derivatives [23].
The biomass pretreatment technology applied consists of proprietary steam explosion technology, developed by the company SDTI (Porto, Portugal) in partnership with the LNEG. Based on the previous experience with eucalyptus residues, to limit xylan degradation, a two-stage STEX pretreatment was considered in this study, operating at 206 °C and 17.5 bar with a steam–to–wet biomass ratio of 0.4 (w/w) [24]. The first stage is uncatalyzed, whereas 1% (w/w) of N-based catalyst is added for the second stage. Between the two stages, the biomass is washed with water to remove fermentation inhibitors potentially produced from hemicellulose or lignin degradation. The total severity factor (log R0), following Overend and Chornet methodology [25], is 4.22 for the two-step pretreatment at 206 °C, as previously reported by the authors [26].
In order to simulate the pretreatment process in Aspen Plus, STEX reactors were simulated by RYield reactors, by applying conversion factors for each component previously determined by SDTI and LNEG team. The depressurization occurs in an expansion tank and is simulated using a Flash separator at 100 °C and 1 bar, with no heat exchange with the external environment.
After each batch, the mixture is divided into two streams: the liquid fraction, which goes to waste treatment, and the solid fraction, which proceeds to enzymatic hydrolysis.

2.1.3. Steam Generation (SG)

The STEX pretreatment method employs high-pressure and high-temperature steam to treat biomass. Steam is generated by burning natural gas in a boiler, which heats water to the targeted pressure of 17.5 bar, resulting in steam production. This stage was simulated in Aspen Plus using an RStoic reactor as a furnace and a Heater as a heat exchanger, which transfers the heat from the furnace to the water flow.

2.1.4. Enzymatic Hydrolysis (EH)

In this study, the Separate Hydrolysis and Fermentation configuration was employed, involving pre-liquefaction of biomass, followed by hydrolysis and fermentation in separate reactors, without particle removal in between. Enzymatic hydrolysis was conducted at 50 °C and 1 bar, using the Cellic® CTec3 enzyme cocktail, applied at a 5% (w/w) dosage, for 72 h for each biomass.
Based on the previous know-how of the team, in order to enhance enzymatic hydrolysis efficiency, pre-treated biomass was subjected to pre-liquefaction in a rotating drum for 1 h. Initially, 40% of the total enzyme was added, with the remaining 60% applied during enzymatic hydrolysis under a fed-batch regime, and a 25% (w/v) solid load was considered. Table 2 presents the reactions and the respective conversion fractions, based on LNEG previous data, considered for both eucalyptus residues and corn stover. These sugars’ yields are quite close to those (69% for glucan and 79% for xylan conversion) previously reported [26] for the enzymatic hydrolysis of eucalyptus bark, subject to the same steam explosion pretreatment, by applying a lower enzyme dosage (3% (w/w)) to a lower solid load (17.5% (w/v)) under a batch configuration. Also, Guigou et al. [27] reported efficiencies of 66% for enzymatic hydrolysis of Eucalyptus grandis sawdust, at 15% (w/v) solid load, following pretreatment by steam explosion (205 °C for 10 min).
The pre-liquefaction and enzymatic hydrolysis steps were simulated in Aspen Plus with an RStoic reactor based on the reactions and respective conversions. The enzyme and the required amount of water were introduced through a Mixer and the cooling of the biomass up to 50 °C was simulated through heat exchangers (Heaters).

2.1.5. Fermentation (FERM)

Fermentation takes place at 30 °C with inoculation of 5 g/L of Saccharomyces cerevisiae. In the eucalyptus residues scenario, only C6 sugars are fermented for 24 h, while for corn stover, both C5 and C6 sugars are fermented for 48 h. The fermentation reactions and conversions factors based on LNEG previous data were considered for eucalyptus residues and corn stover, and are presented in Table 3 and Table 4, respectively.
In Aspen Plus, the fermentation stage was simulated using an RStoic reactor, a Mixer to introduce the inoculum, and a Heater to cool the hydrolysate to 30 °C. The fermentation gases, such as CO2, are released in the simulation with the Separator equipment after the fermentation reactor. Additionally, in the simulation, it was necessary to add another piece of Separator equipment to consume the fermentation ions since it is not possible to adjust the chemical reactions stoichiometrically [24].
Following fermentation, solid compounds are removed before product recovery using a Separator in the Aspen model. The solid fraction of the fermentation broth contains lignin since it is inert and resistant to the enzymatic action of hydrolysis and the fermentation step. After separation, the fermented product undergoes ethanol distillation and purification.

2.1.6. Bioethanol Recovery (BR)

Distillation is one of the techniques used to separate ethanol from other solutions such as fermentation broth [28]. Given the ethanol/water azeotrope, distillation is based on the difference in volatilities at the boiling point of ethanol at 78.2 °C. The purification of ethanol is achieved through pressure swing adsorption (PSA), a process that uses adsorbent zeolites to dehydrate ethanol. This method enables ethanol to be purified to a concentration of 99.5% (v/v).
Ethanol purification is simulated by the Separator equipment and after purification, the ethanol is subjected to a heat exchanger to decrease the temperature from 116 °C to 77.9 °C at 1 bar. In the separator, gaseous water is released into the atmosphere.

2.2. Methodology of Heat Integration

Heat integration is intended to reduce energy consumption by strategically combining processes that require heat, steam, or electricity, enabling the practice of responsible and efficient resource management.
The analysis of the heat transfer equipment and the utilities employed in the process illustrates an effective strategy of utilizing available energy from exothermic reactions to meet the heat requirements of other processes. Enzymatic hydrolysis and fermentation involve exothermic reactions that occur at 50 °C and 30 °C, respectively, releasing available energy. This available energy, regardless of specific reactions, can be redirected to other processes requiring additional heat, such as biomass pretreatment. The biomass pretreatment involves high temperatures and requires a high amount of utility, with the biomass heated from 100 °C to 206 °C for this stage. In the Aspen Plus simulation, two heating processes of similar magnitude occur for the two batches. Therefore, the heat exchangers for this heating may receive available energy from the enzymatic hydrolysis and fermentation reactors, thus minimizing the use of hot utility.

2.3. Methodology of Economic Analysis

The economic analysis considers parameters such as capital expenditure (CAPEX), operational expenditure (OPEX), production costs, net present value (NPV), and minimum ethanol selling price (MESP). The CAPEX includes process equipment and all components needed for the operation, such as piping, instrumentation and control, electrical systems, land, and buildings, and also the indirect costs related to the project supervision, construction, and contingency. The components that constitute the total CAPEX were determined as fractions of the purchased equipment’s cost [29]. The OPEX are the total costs to operate the industrial unit including production costs, product sales, and corporate functions [30]. The production costs (in €/ton or €/L of product) are obtained from OPEX.
The analysis assumed a 20-year project lifetime and an initial total investment of three years, an annual interest rate of 2% [31], stamp duty on interest of 4% [32], and an income tax value of 21% [33]. The discount rate used for the NPV calculation is a specific rate for energy industries calculated by the weighted average cost of capital (WACC) with a value of 5.86% [34]. The analysis was based on Portugal’s market prices with reference to 2019, to mitigate the impact of the COVID-19 pandemic and the Ukraine/Russia conflict on inflation rates. The raw materials, products, and utility costs are presented in Table 5.

2.4. Methodology of Life Cycle Assessment

LCA is a method for assessing environmental impacts by systematically analyzing industrial processes and products in terms of their energy and material inputs, as well as their generated residues and emissions [41]. According to the International Organization for Standardization (ISO 14040 standards [41]), this tool is divided into four steps: (i) goal and scope definition; (ii) life cycle inventory analysis; (iii) life cycle impact assessment, and (iv) results interpretation.
LCA was conducted in SimaPro v9.1 (PRé Sustainability, Amersfoort, The Netherlands) software, utilizing the Ecoinvent v3.6 database, and by applying the Environmental Footprint (EF) 3.0 method, recommended by the European Commission Joint Research Center (EC-JRC).
The first step in the LCA is to identify the purpose and scope of the study, which should clearly state the intended application and specify the system being studied. The life cycle inventory analysis consists of collecting data from all inputs and outputs of the system and allows the creation of a comprehensive inventory of the environmental flows within the defined system boundaries. The life cycle impact assessment involves four main stages: classification, characterization, normalization, and weighting. In the classification and characterization stages, the inventory is assigned to the selected impact categories and subsequently characterized for a specific unit designated as a category indicator. In the normalization and weighting stages, the magnitude of the results of the category indicators is calculated under a normalization factor and a unified single score through weighting.
The EF method has 16 impact categories: climate change, ozone depletion, human toxicity (cancer and non-cancer), particulate matter, ionizing radiation, photochemical ozone formation, acidification, eutrophication (terrestrial, freshwater, marine), ecotoxicity freshwater, land use, water use, resource use (minerals, metals, and fossils). The main goal is to assess the environmental impacts of 2G bioethanol production from residual lignocellulosic biomass, with a functional unit of 1 MJ of ethanol. The system boundary is a cradle-to-gate approach, starting with biomass collection and concluding as the product exits the biorefinery gate.

3. Results and Discussion

3.1. Mass and Energy Balances

The mass and energy balances, obtained from the software Aspen Plus, for eucalyptus residues and corn stover are presented in Table 6.
In the eucalyptus residues scenario, 1.41 ton/h of bioethanol was produced from 12.62 ton/h of dry biomass, resulting in a yield of 0.11 ton of bioethanol per ton of dry biomass. This yield corresponds to 152 L of bioethanol per ton of dry biomass considering a density of 734.86 kg/m3 at 77.9 °C. For corn stover, 1.31 ton/h of bioethanol was produced, with a yield of 0.10 ton of bioethanol per ton of dry biomass, equivalent to 141 L of bioethanol per ton of dry biomass. This is in accordance with other studies that report yields of 0.14 ton of bioethanol per ton of dry biomass for corn, whereas co-fermentation of both pentoses and hexoses has the potential to enhance this yield to 0.20 ton of bioethanol per ton of dry biomass [42].
The utilities consumption (e.g., cooling water and steam) is primarily attributed to the initial biomass pretreatment stage and the final bioethanol purification and recovery process. The significant consumption of cooling water and steam during pretreatment is a result of the STEX reactors operating at high temperatures and pressures. In the bioethanol purification and recovery step, both the distillation columns and molecular sieve make extensive use of these utilities. Electricity is primarily utilized in the enzymatic hydrolysis and fermentation stages, mainly due to the use of stirred reactors.

3.2. Heat Integration

In this study, heat generated during enzymatic hydrolysis and fermentation steps can be supplied to a heat exchanger. These exchangers raise the temperature of steam and biomass from 100 °C to 206 °C in two batches. As a result, this integration effectively saves on the high-pressure steam utility that would otherwise be required in these heat exchangers.
With this heat integration, there was an energy saving of approximately 99% in the hot utility for the heat exchanger of the first batch and about 45% in the heat exchanger of the second batch. The representation of the heat integration carried out in Aspen Plus is shown in Figure 2 and the energy saving results are in Table 7.

3.3. Economic Analysis

Table 8 displays the results for capital and operational expenditures for eucalyptus residues and corn stover scenarios.
The equipment used in the process is the same for both feedstocks, and its high cost is primarily attributed to the number and price of the process reactors. Additionally, the cost of raw materials and utilities depends on the process requirements for each feedstock, with lower costs associated with the corn stover feedstock. The OPEX costs are given by the sum of direct, indirect, and fixed costs, general expenses, and the logistical and transport costs associated with the biomass. The total OPEX costs are higher for corn stover feedstock, primarily due to logistics and transportation expenses. Logistic costs for biomass encompass activities such as harvesting, initial crushing, baling, and loading. In comparison to agricultural corn stover biomass, eucalyptus residues involve lower logistical and transportation costs [43].
The bioethanol production is 10,744 ton/year using eucalyptus residues feedstock, with production costs of 1.66 €/kg (1.31 €/L). In contrast, the annual production is 9925 ton/year when using corn stover, resulting in production costs of 1.90 €/kg (1.50 €/L). These production costs are in accordance with studies reported for wheat straw and agro waste [44] and sugarcane bagasse [17]. In the OPEX, direct manufacturing costs are the predominant expenses, primarily driven by raw material and utility costs. For eucalyptus residues and corn stover, utilities account for about 66% and 67% of direct costs, respectively, with natural gas for the boiler in the steam-generation step being the most expensive due to its flow rate and cost. An effective approach to reduce utility expenses is heat integration, which can lead to a reduction in utility usage. The heat integration between the hydrolysis and fermentation reactors and pretreatment heat exchangers resulted in a 21% utility cost reduction and an 8% decrease in operational expenditure.
The production cost of bioethanol for both biomass is higher than the considered market price of 824 €/ton (0.65 €/L), making it infeasible to sell the product at this price. In order to assess project feasibility, the MESP was determined to achieve a positive NPV to obtain a payback time of 10 years. The project’s NPV reaches zero when the price of bioethanol obtained from eucalyptus residues is 2.77 €/kg (2.19 €/L), which corresponds to a 1.54 €/L increase in the selected selling price. Similarly, for the corn stover scenario, the NPV is zero at a bioethanol selling price of 3.11 €/kg (2.45 €/L), reflecting a 1.80 €/L increase over the considered market price.
Sensitivity analysis was carried out on the NPV’s effect of the utility cost reduction across a range of bioethanol selling prices. The analysis considered reductions of 20%, 30%, and 40%. For the eucalyptus residues, a 30% reduction in utility costs would result in a positive NPV at a bioethanol selling price of 2600 €/ton (2.1 €/L), corresponding to an increase of 1.45 €/L compared to the considered market price. A positive NPV in the corn stover scenario was achieved with a bioethanol selling price of 3.00 €/kg (2.4 €/L), which represents a 1.75 €/L increase compared to the market price considered and a 20% reduction in utility costs.
In addition to the utility cost analysis, the impact of reducing purchased equipment costs on NPV at various bioethanol selling prices was also examined. Reductions of 10%, 20%, and 30% were applied to equipment costs. It was observed that a 20% reduction in equipment costs makes the eucalyptus residues bioethanol scenario with a positive NPV at 2.60 €/kg. In addition, for the eucalyptus residues scenario, a 10% reduction will be adequate when the bioethanol cost exceeds 2.60 €/kg. This price corresponds to an increase of 1.4 €/L compared to the reference market price. In the corn stover scenario, a positive NPV is obtained with a 30% reduction in equipment costs at a bioethanol selling price of 2.60 €/kg. Smaller reductions in equipment costs can be implemented with selling prices exceeding 3.00 €/kg.
Additional scenarios, including heat integration, the sale of molasses from biomass pretreatment, and in situ enzyme production, were explored to enhance revenue and minimize production costs. The heat integration between the heat from hydrolysis and fermentation reactors integrated into the pretreatment heat exchangers resulted in an MESP of 2.08 €/L and 2.34 €/L for eucalyptus residues and corn stover, respectively. The molasses sales reduced the MESP to 2.04 €/L and 1.95 €/L for eucalyptus residues and corn stover, respectively. The last scenario analyzed is the in situ enzyme production, instead of their purchase, reduced the MESP to 2.15 €/L and 2.42 €/L for eucalyptus residues and corn stover, respectively.

3.4. Life Cycle Assessment

The studied system was divided into five subsystems: transportation of biomass (SS0); steam generation for pretreatment (SS1); pretreatment of biomass (SS2); ethanol production (SS3); and ethanol purification (SS4). The mass and energy inputs and outputs of the five subsystems were obtained from Aspen Plus simulations and converted to the functional unit. In order to relate these inputs and outputs to the functional unit, the enthalpic flow rate of ethanol was calculated using its lower calorific value (26.8 MJ/kg) and the produced flow rates (1413 kg/h for eucalyptus residues and 1305 kg/h for corn stover).
Figure 3 illustrates the contribution of each impact category obtained from the characterization of the life cycle inventory for eucalyptus residues. The SS3 subsystem predominates in most categories, with a greater weight in water use, and minerals and metals resource use. Conversely, the SS1 subsystem has a greater contribution to the ozone depletion and fossil resource use categories. In the climate change category, the SS3 subsystem has a contribution of 59% followed by the SS4 subsystem with a share of 19%. Additionally, the ozone depletion category presents a contribution of 45% for the SS3 subsystem followed by the SS1 subsystem with a share of 29%. In fossil resource use, the SS3 subsystem contributes 40% followed by the SS1 subsystem with an impact of 33%.
In the corn stover scenario, Figure 4 presents similar results, with the SS3 subsystem consistently leading in all categories.
Notably, in the climate change category, the SS3 subsystem contributes 51%, followed by the SS4 subsystem with an impact of 26%. In the ozone depletion category, the SS1 subsystem accounts for 29%, while the SS3 subsystem contributes a share of 38%. For fossil resource use, the SS3 subsystem holds 34%, closely followed by the SS1 subsystem contribution of 33%. The SS1 subsystem’s impact results from natural gas usage for steam generation, leading to combustion emissions. In the SS3 subsystem, enzymatic hydrolysis and fermentation have a significant environmental impact due to enzyme use, nutrients, energy consumption, and the emission of CO2 during fermentation, and from the produced solid fraction. The results of the impact categories for eucalyptus residues and corn stover were graphically represented in percentages, as illustrated in Figure 5, allowing comparison between the two feedstocks.
The eucalyptus residues scenario has a higher environmental impact in all categories compared to corn stover. In the climate change category, the bioethanol from eucalyptus residues results in an impact of 0.264 kg CO2 eq/MJ ethanol, while the bioethanol production from corn stover scenario results in 0.254 kg CO2 eq/MJ ethanol. Regarding the minerals and metals resource use category, the eucalyptus residues scenario leads to an impact of 5.78 × 10−6 kg Sb eq/MJ ethanol while the corn stover scenario results in an impact of 4.81 × 10−6 kg Sb eq/MJ ethanol. The simulation of the bioethanol production process from eucalyptus residues requires a greater amount of raw materials, water, enzymes, and nutrients due to the process requirements, resulting in higher quantities of waste, including solid fraction after hydrolysis and fermentation, and vinasse after distillation. As a result, it has a more significant environmental impact.
The LCA weighting results involve multiplying the obtained results by weighting factors that express the relative importance of each category. The weighting creates a single score unit, enabling a more accessible comparison of environmental impacts [45]. Figure 6 presents the weighting results for each impact category of the bioethanol production from eucalyptus residues and corn stover, with a total impact of 37.86 µPt and 33.47 µPt for eucalyptus residues and corn stover, respectively.
Additionally, four alternative scenarios were examined to assess environmental im- pacts related to identified hotspots: (i) enzyme production in situ scenario; (ii) heat integration scenario; (iii) renewable energy scenario; (iv) renewable energy and enzyme production in situ scenario. The enzyme production scenario involves in situ enzyme production, without environmental impacts associated with transportation and large-scale production. In the heat integration scenario, the focus was on minimizing the heat required as a utility in biomass pretreatment heat exchangers, considering the energy integration strategies between the hydrolysis and fermentation reactors. The renewable energy scenario assumed that all energy used in the process came from renewable sources, with no associated environmental impacts. The last scenario combined in situ enzyme production with the use of renewable energy sources. The presented scenarios do not consider any potential increases in equipment or operational costs, and modifications in the process. Their aim is to assess environmental impact changes for the two feedstocks.
Figure 7 illustrates the climate change category for the examined scenarios. Enzyme production results in a 48% reduction in CO2 equivalent emissions for eucalyptus residues and a 40% reduction for the corn stover scenario. The renewable energy scenario leads to a more pronounced impact on corn stover, achieving a 49% emissions decrease, compared to a 40% reduction in eucalyptus residues. Combining renewable energy with in situ enzyme production results in a reduction of 89% in CO2 equivalent emissions for both feedstocks. In this scenario, eucalyptus residues exhibit a significantly reduced impact of 30 g CO2eq/MJ ethanol, and corn stover reaches 27 g CO2eq/MJ ethanol.
Figure 8 illustrates the ozone depletion impact category expressed in CFC-11 equivalent emissions. The use of renewable energy leads to a reduction of 51% for eucalyptus residues and 58% for corn stover in emissions. The most favorable scenario is the combination of this change with enzyme production, resulting in a 92% reduction in these emissions.
Enzyme production in situ has the most influence on the minerals and metals resource use category. Figure 9 demonstrates a reduction of 55% and 53% for eucalyptus residues and corn stover, respectively, in the Sb equivalent emissions.
In the fossil resource use category, as depicted in Figure 10, the use of renewable energy has a more pronounced impact, given the switch of energy from fossil sources to renewable sources.
The transition to renewable energy sources yields a 59% reduction for eucalyptus residues and a 66% reduction for corn stover in fossil resource use. Once again, the most advantageous scenario is the combination of renewable energy with enzyme production, resulting in a remarkable 95% decrease in this category for both feedstocks.
Figure 11 displays the single score weighting for the alternative scenarios and the base scenario. The enzyme production scenario has the most significant impact reduction, decreasing impacts by 64% for eucalyptus residues and 58% for corn stover. The scenario combining renewable energy and enzyme production emerges as the most environmentally advantageous option, with an 85% reduction in environmental impacts compared to the base scenario for both feedstocks.
The analyzed scenarios lead to the conclusion that the significant impact of enzymes in the base scenario can be mitigated through in situ production. While cost considerations have been excluded, this approach effectively lessens the environmental impacts associated with the process. Furthermore, the utilization of renewable energy significantly reduces environmental impacts, particularly emissions and fossil resource usage.

3.5. Alignment with Sustainable Development Goals (SDGs)

The findings of this simulation-based study align closely with several sustainable development goals (SDGs) outlined by the United Nations. The pursuit of sustainable biofuels, as explored in this research on 2G bioethanol production from residual lignocellulosic biomass, resonates strongly with SDG 7 (Affordable and Clean Energy) and SDG 13 (Climate Action).
Bioethanol production from agroforestry residual biomass, particularly eucalyptus residues and corn stover, addresses key aspects of sustainability outlined in SDG 12 (Responsible Consumption and Production). By utilizing Aspen Plus software for process simulation, conducting economic analysis, and employing life cycle assessment (LCA) methodologies, this study contributes to the understanding of sustainable production practices and resource efficiency, namely in Portugal.
The comparison of economic viability between eucalyptus residues and corn stover reflects considerations of SDG 8 (Decent Work and Economic Growth) and SDG 9 (Industry, Innovation, and Infrastructure), emphasizing the importance of assessing the feasibility and potential impacts of alternative energy sources on local economies and industrial development.
Moreover, this study underscores the significance of mitigating climate change impacts, as evidenced by the evaluation of CO2 equivalent emissions in the climate change impact category. These findings are in line with SDG 13, which emphasizes urgent action to combat climate change and its impacts.
Furthermore, this research also complements the work of Solarte-Toro and Alzate (2021) [46], which highlights the potential of lignocellulosic biomass for bioethanol production, emphasizing similar themes of sustainability and environmental impact mitigation. By integrating insights from their work into this discussion, it shall be underscored the importance of interdisciplinary collaboration and knowledge sharing in advancing sustainable development objectives.

4. Conclusions

This study aimed to analyze a stand-alone advanced bioethanol production plant using eucalyptus residues and corn stover as feedstock. The study involves process simulation, equipment design, economic analysis, and a LCA to compare the economic costs and environmental impacts of bioethanol production with different feedstocks. According to the literature, the typical MESP from lignocellulosic biomass can vary between 0.22 €/L and 1.11 €/L [47,48]. In this study, the economic analysis indicates that the biorefinery’s profitability is compromised due to high production costs compared to revenue from selling bioethanol at the reference market price of 824 €/ton or 0.65 €/L. Specifically, production costs are 1663 €/ton (1.31 €/L) for eucalyptus residues and 1902 €/ton (1.50 €/L) for corn stover.
However, there is still scope for optimizing processes, thereby potentially reducing production costs. The biorefinery process for both residual feedstocks was initially developed based on steam explosion conditions used for eucalyptus bark [24]. Subsequent studies on corn stover have revealed its lower recalcitrance, enabling simplification of processing steps. This includes eliminating the initial milling stage and reducing the severity of steam explosion, such as by lowering temperature and condensing the process into a single stage. Moreover, improvements could involve recycling enzymes or employing anaerobic digestion to produce biogas/methane from liquid streams generated during steam explosion and vinasse production. Additionally, the recovery of biorefinery co-products (e.g., xylo-oligosaccharides—XOS, acetic acid, lignin-derived products) might enhance process revenues and thereby significantly decrease MESP.
In the current scenario, the minimum ethanol selling price is 2.19 €/L for eucalyptus residues and 2.45 €/L for corn stover. The economic evaluation also indicated that corn stover has higher logistical and transport costs when compared to eucalyptus residues. Various scenarios, including heat integration, molasses sales, and enzyme production, were examined to assess their economic effects on minimum selling price. Molasses sales involved the direct sale of by-products, while enzyme production expenses were not considered. Heat integration has a positive impact, lowering utility costs and production costs. All three scenarios were economically beneficial, leading to cost reduction and a lower minimum ethanol selling price.
LCA, using SimaPro software and the EF 3.0 method, analyzed 16 impact categories for bioethanol production in a cradle-to-gate approach. This assessment demonstrated that corn stover has lower environmental impacts in several categories when compared with eucalyptus residues, resulting in a single score of 37.86 µPt for eucalyptus residues and 33.47 µPt for corn stover.
Four alternative scenarios were also analyzed to study the possible hotspots in the process with significant environmental impacts. The in situ production of enzymes, as opposed to purchasing them, significantly influenced the reduction of most environmental impacts due to its high environmental burdens. Particularly, in the minerals and metals resource use category, enzyme production showed a decrease of 55% for eucalyptus and 53% for corn stover compared to the base scenario. Transitioning to renewable energy had a notable impact on the climate change and ozone depletion categories. The most effective approach for reducing environmental impacts involves a combination of renewable energy and in situ enzyme production, resulting in a reduction of 89% on the CO2 equivalent emissions for each biomass, and a single score results of 5.54 µPt for eucalyptus residues and 4.86 µPt for corn stover feedstock.
The choice between feedstocks should align with specific objectives, available re- sources, and conditions. Future work may involve by-product valorization, including heat and power cogeneration, vinasse treatment, and oligosaccharide sales. Additionally, it could include studies of feedstock processing and the flexible use of various biomass types. Small-scale biorefineries offer adaptability to changing biomass supplies, reducing risks and logistical costs. Cogeneration will decrease energy costs and environmental impact. Valorizing by-products shall enhance economic and environmental sustainability. Improvements will enhance the efficiency of 2G bioethanol production, making it more optimized and sustainable, consequently fostering the development of the local economy.
In conclusion, this study underscores the crucial role of 2G bioethanol production from residual lignocellulosic biomass in advancing multiple sustainable development goals (SDGs), particularly SDG 7 (Affordable and Clean Energy), SDG 12 (Responsible Consumption and Production), and SDG 13 (Climate Action), emphasizing the importance of sustainable practices, economic viability, and environmental stewardship in shaping a more sustainable future.

Author Contributions

Conceptualization, F.G., S.M., H.A.M. and T.F.L.; methodology, F.G., S.M. and T.F.L.; software, B.C.; validation, H.A.M. and T.F.L.; formal analysis, H.A.M. and T.F.L.; investigation, B.C.; resources, B.C. and S.M.; data curation, B.C. and S.M.; writing—original draft preparation, B.C.; writing—review and editing, B.C., H.A.M., T.F.L., S.M. and F.G.; visualization, H.A.M. and T.F.L.; supervision, H.A.M. and T.F.L.; funding acquisition, F.G. All authors have read and agreed to the published version of the manuscript.

Funding

The present work was supported by BIOFLEXPOR—POCI-01-0247-FEDER-047982, supported by Operational Programme for Competitiveness and Internationalization (COMPETE2020) and by Lisbon Portugal Operational Programme (Lisboa 2020), under the Portugal 2020 Partnership Agreement, through the European Regional Development Fund (ERDF) and also support by CERENA funds from FCT (UIDB/04028/2020).

Data Availability Statement

The data supporting the reported results of this study are available on request from the corresponding author.

Acknowledgments

The authors gratefully acknowledge the support received for this work from the BIOFLEXPOR project—POCI-01-0247-FEDER-047982, supported by the Operational Programme for Competitiveness and Internationalization (COMPETE2020) and by the Lisbon Portugal Operational Programme (Lisboa 2020), within the framework of the Portugal 2020 Partnership Agreement, through the European Regional Development Fund (ERDF). Additionally, appreciation is extended for the support provided by CERENA (strategic project FCT-UIDB/04028/2020). The authors also acknowledge Lucas Coêlho (SDTI, Porto, Portugal) for support on steam explosion experiments.

Conflicts of Interest

The authors declare no conflicts of interest.

References

  1. Ritchie, H.; Rosado, P. Fossil Fuels. Available online: https://ourworldindata.org/fossil-fuels (accessed on 26 August 2023).
  2. Žarković, M.; Lakić, S.; Ćetković, J.; Pejović, B.; Redzepagic, S.; Vodenska, I.; Vujadinović, R. Effects of Renewable and Non-Renewable Energy Consumption, GHG, ICT on Sustainable Economic Growth: Evidence from Old and New EU Countries. Sustainability 2022, 14, 9662. [Google Scholar] [CrossRef]
  3. IEA Renewables 2023. Available online: https://www.iea.org/reports/renewables-2023 (accessed on 26 February 2024).
  4. Ferreira, A.F. Biorefinery Concept. In Lecture Notes in Energy; Rabaçal, M., Ferreira, A.F., Silva, C.A.M., Costa, M., Eds.; Springer International Publishing: Cham, Switzerland, 2017; Volume 57, pp. 1–20. [Google Scholar]
  5. Kang, Q.; Appels, L.; Tan, T.; Dewil, R. Bioethanol from Lignocellulosic Biomass: Current Findings Determine Research Priorities. Sci. World J. 2014, 2014, 298153. [Google Scholar] [CrossRef]
  6. Azevedo, J.C.; Enes, P.; Marcos, N.; Nunes, C.; Pontes, R.; Nunes, J. Floresta: Uma Aproximação Quantitativa à Disponibilidade de Subprodutos; Centro Nacional de Competências dos Frutos Secos: Bragança, Portugal, 2020. [Google Scholar]
  7. Lopes, T.F.; Carvalheiro, F.; Duarte, L.C.; Gírio, F.; Quintero, J.A.; Aroca, G. Techno-economic and Life-cycle Assessments of Small-scale Biorefineries for Isobutene and Xylo-oligosaccharides Production: A Comparative Study in Portugal and Chile. Biofuels Bioprod. Biorefining 2019, 13, 1321–1332. [Google Scholar] [CrossRef]
  8. Mat Aron, N.S.; Khoo, K.S.; Chew, K.W.; Show, P.L.; Chen, W.; Nguyen, T.H.P. Sustainability of the Four Generations of Biofuels—A Review. Int. J. Energy Res. 2020, 44, 9266–9282. [Google Scholar] [CrossRef]
  9. Balat, M. Production of Bioethanol from Lignocellulosic Materials via the Biochemical Pathway: A Review. Energy Convers. Manag. 2011, 52, 858–875. [Google Scholar] [CrossRef]
  10. Mussatto, S.I.; Dragone, G.; Guimarães, P.M.R.; Silva, J.P.A.; Carneiro, L.M.; Roberto, I.C.; Vicente, A.; Domingues, L.; Teixeira, J.A. Technological Trends, Global Market, and Challenges of Bio-Ethanol Production. Biotechnol. Adv. 2010, 28, 817–830. [Google Scholar] [CrossRef]
  11. Aristizábal-Marulanda, V.; Cardona Alzate, C.A. Methods for Designing and Assessing Biorefineries: Review. Biofuels Bioprod. Biorefining 2019, 13, 789–808. [Google Scholar] [CrossRef]
  12. Hassan, S.S.; Williams, G.A.; Jaiswal, A.K. Lignocellulosic Biorefineries in Europe: Current State and Prospects. Trends Biotechnol. 2019, 37, 231–234. [Google Scholar] [CrossRef]
  13. Singh, N.; Singhania, R.R.; Nigam, P.S.; Dong, C.-D.; Patel, A.K.; Puri, M. Global Status of Lignocellulosic Biorefinery: Challenges and Perspectives. Bioresour. Technol. 2022, 344, 126415. [Google Scholar] [CrossRef]
  14. Olofsson, J.; Barta, Z.; Börjesson, P.; Wallberg, O. Integrating Enzyme Fermentation in Lignocellulosic Ethanol Production: Life-Cycle Assessment and Techno-Economic Analysis. Biotechnol. Biofuels 2017, 10, 51. [Google Scholar] [CrossRef]
  15. Vaskan, P.; Pachón, E.R.; Gnansounou, E. Techno-Economic and Life-Cycle Assessments of Biorefineries Based on Palm Empty Fruit Bunches in Brazil. J. Clean. Prod. 2018, 172, 3655–3668. [Google Scholar] [CrossRef]
  16. Gnansounou, E.; Vaskan, P.; Pachón, E.R. Comparative Techno-Economic Assessment and LCA of Selected Integrated Sugarcane-Based Biorefineries. Bioresour. Technol. 2015, 196, 364–375. [Google Scholar] [CrossRef]
  17. Macrelli, S.; Mogensen, J.; Zacchi, G. Techno-Economic Evaluation of 2nd Generation Bioethanol Production from Sugar Cane Bagasse and Leaves Integrated with the Sugar-Based Ethanol Process. Biotechnol. Biofuels 2012, 5, 22. [Google Scholar] [CrossRef]
  18. Gandam, P.K.; Chinta, M.L.; Pabbathi, N.P.P.; Baadhe, R.R.; Sharma, M.; Thakur, V.K.; Sharma, G.D.; Ranjitha, J.; Gupta, V.K. Second-Generation Bioethanol Production from Corncob—A Comprehensive Review on Pretreatment and Bioconversion Strategies, Including Techno-Economic and Lifecycle Perspective. Ind. Crops Prod. 2022, 186, 115245. [Google Scholar] [CrossRef]
  19. González-Contreras, M.; Hernández-Escoto, H.; Aguilar-Garnica, E. A Comprehensive Analysis of Bioethanol and Ethyl Lactate Joint Production in Second-Generation Biorefinery: Simulation, Techno-Economic, and Profitability Assessments. Bioresour. Technol. 2023, 385, 129470. [Google Scholar] [CrossRef]
  20. Vasilakou, K.; Nimmegeers, P.; Thomassen, G.; Billen, P.; Van Passel, S. Assessing the Future of Second-Generation Bioethanol by 2030-A Techno-Economic Assessment Integrating Technology Learning Curves. Appl. Energy 2023, 344, 121263. [Google Scholar] [CrossRef]
  21. Wooley, R.J.; Putsche, V. Development of an ASPEN PLUS Physical Property Database for Biofuels Components; NREL/TP-425-20685; National Renewable Energy Lab. (NREL): Golden, CO, USA, 1996; pp. 1–32. [Google Scholar]
  22. Sun, Y.; Cheng, J. Hydrolysis of Lignocellulosic Materials for Ethanol Production: A Review. Bioresour. Technol. 2002, 83, 1–11. [Google Scholar] [CrossRef]
  23. Devi, A.; Singh, A.; Bajar, S.; Pant, D.; Din, Z.U. Ethanol from Lignocellulosic Biomass: An in-Depth Analysis of Pre-Treatment Methods, Fermentation Approaches and Detoxification Processes. J. Environ. Chem. Eng. 2021, 9, 105798. [Google Scholar] [CrossRef]
  24. Ferraz, M.M.P.R.d.M. Análise Técnico-Económica e Ambiental de uma Biorrefinaria para Produção de Bioetanol 2G a Partir de Resíduos de Eucalipto; Instituto Superior Técnico: Lisbon, Portugal, 2022. [Google Scholar]
  25. Overend, R.P.; Chornet, E. Fractionation of Lignocellulosics by Steam-Aqueous Pretreatments. Philos. Trans. R. Soc. Lond. Ser. A Math. Phys. Sci. 1987, 321, 523–536. [Google Scholar] [CrossRef]
  26. Magina, S.; Marques, S.; Gírio, F.; Lourenço, A.; Barros-Timmons, A.; Evtuguin, D.V. Chemical Composition and Structural Features of Cellolignin from Steam Explosion Followed by Enzymatic Hydrolysis of Eucalyptus Globulus Bark. Ind. Crops Prod. 2024, 211, 118217. [Google Scholar] [CrossRef]
  27. Guigou, M.; Guarino, J.; Chiarello, L.M.; Cabrera, M.N.; Vique, M.; Lareo, C.; Ferrari, M.D.; Ramos, L.P. Steam Explosion of Eucalyptus Grandis Sawdust for Ethanol Production within a Biorefinery Approach. Processes 2023, 11, 2277. [Google Scholar] [CrossRef]
  28. Yang, R.-J.; Liu, C.-C.; Wang, Y.-N.; Hou, H.-H.; Fu, L.-M. A Comprehensive Review of Micro-Distillation Methods. Chem. Eng. J. 2017, 313, 1509–1520. [Google Scholar] [CrossRef]
  29. Sinnott, R.A.Y. Chemical Engineering Design; Elsevier: Amsterdam, The Netherlands, 2014; Volume 6, ISBN 1483294706. [Google Scholar]
  30. Peters, M.; Timmerhaus, K.; West, R. Plant Design and Economics for Chemical Engineers, 5th ed.; Peters, M.S., Timmerhaus, K.D., West, R.E., Eds.; McGraw-Hill: New York, NY, USA, 2003; ISBN 0072392665. [Google Scholar]
  31. BPstat Séries Estatísticas: Taxas de Juro. Available online: https://bpstat.bportugal.pt/dados/series?mode=graphic&svid=215&series=12533747,12559868,12533746,12559869 (accessed on 30 June 2023).
  32. CGD Leis e Impostos. Available online: https://www.cgd.pt/Site/Saldo-Positivo/leis-e-impostos/Pages/o-que-e-o-imposto-do-selo.aspx (accessed on 30 June 2023).
  33. Gonçalves, C. Conheça as Taxas de IRC Que Se Aplicam Aos Rendimentos Empresariais. Available online: https://www.e-konomista.pt/taxas-de-irc/ (accessed on 30 June 2023).
  34. Franc-Dąbrowska, J.; Mądra-Sawicka, M.; Milewska, A. Energy Sector Risk and Cost of Capital Assessment—Companies and Investors Perspective. Energies 2021, 14, 1613. [Google Scholar] [CrossRef]
  35. IndexMundi Ureia Preço Mensal—Euro Por Tonelada. Available online: https://www.indexmundi.com/pt/pre%E7os-de-mercado/?mercadoria=ureia&meses=60&moeda=eur (accessed on 30 June 2023).
  36. Lopes, T.F.; Duarte, L.C.; Carvalheiro, F.; Cardona, C.A.; Gírio, F. Production of Hemicellulosic Sugars from Residual Lignocellulosic Biomass in an Integrated Small-Scale Biorefinery: Techno-Economic and Life Cycle Assessments. In Hemicellulose Biorefinery: A Sustainable Solution for Value Addition to Bio-Based Products and Bioenergy; Brienzo, M., Ed.; Springer: Singapore, 2022; pp. 71–109. ISBN 978-981-16-3682-0. [Google Scholar]
  37. EPAL. Preços de Venda de Água. Available online: https://www.epal.pt (accessed on 20 June 2023).
  38. ERSE. Análise Do Mercado de Biocombustíveis 2018–2020; ERSE: Lisbon, Portugal, 2021. [Google Scholar]
  39. DGEG. Preços de Eletricidade e Gás Natural. Available online: https://www.dgeg.gov.pt/pt/estatistica/energia/precos-de-energia/precos-de-eletricidade-e-gas-natural/ (accessed on 20 June 2023).
  40. Turton, R. Analysis, Synthesis, and Design of Chemical Processes; Prentice-Hall International Series in Engineering; Prentice Hall: Hoboken, NJ, USA, 2012; ISBN 9780132618120. [Google Scholar]
  41. ISO 14040:2006. Environmental Management—Life Cycle Assessment—Principles and Framework. ISO: Geneva, Switzerland, 2006.
  42. Chen, H.; Fu, X. Industrial Technologies for Bioethanol Production from Lignocellulosic Biomass. Renew. Sustain. Energy Rev. 2016, 57, 468–478. [Google Scholar] [CrossRef]
  43. LNEG; CBE; FLORECHA; PRIO BIO. BIOFLEXPOR Internal Data—Technical Report; LNEG: Lisbon, Portugal, 2021. [Google Scholar]
  44. Sanchez, A.; Sevilla-Güitrón, V.; Magaña, G.; Gutierrez, L. Parametric Analysis of Total Costs and Energy Efficiency of 2G Enzymatic Ethanol Production. Fuel 2013, 113, 165–179. [Google Scholar] [CrossRef]
  45. Meijer, E. Weighting: Applying a Value Judgment to LCA Results. Available online: https://pre-sustainability.com/articles/weighting-applying-a-value-judgement-to-lca-results/ (accessed on 30 August 2023).
  46. Solarte-Toro, J.C.; Cardona Alzate, C.A. Biorefineries as the Base for Accomplishing the Sustainable Development Goals (SDGs) and the Transition to Bioeconomy: Technical Aspects, Challenges and Perspectives. Bioresour. Technol. 2021, 340, 125626. [Google Scholar] [CrossRef]
  47. Chovau, S.; Degrauwe, D.; Van der Bruggen, B. Critical Analysis of Techno-Economic Estimates for the Production Cost of Lignocellulosic Bio-Ethanol. Renew. Sustain. Energy Rev. 2013, 26, 307–321. [Google Scholar] [CrossRef]
  48. Klein-Marcuschamer, D.; Oleskowicz-Popiel, P.; Simmons, B.A.; Blanch, H.W. Technoeconomic Analysis of Biofuels: A Wiki-Based Platform for Lignocellulosic Biorefineries. Biomass Bioenergy 2010, 34, 1914–1921. [Google Scholar] [CrossRef]
Figure 1. Flowsheet of 2G bioethanol production from residual lignocellulosic biomass (STEX—steam explosion; PSA—pressure swing adsorption).
Figure 1. Flowsheet of 2G bioethanol production from residual lignocellulosic biomass (STEX—steam explosion; PSA—pressure swing adsorption).
Processes 12 00987 g001
Figure 2. Representation of the heat integration in Aspen Plus. Dashed colored arrows depict the heat transfer between reactors with available heat and the heat exchangers that will utilize it.
Figure 2. Representation of the heat integration in Aspen Plus. Dashed colored arrows depict the heat transfer between reactors with available heat and the heat exchangers that will utilize it.
Processes 12 00987 g002
Figure 3. Characterization of LCA results for eucalyptus residues scenario.
Figure 3. Characterization of LCA results for eucalyptus residues scenario.
Processes 12 00987 g003
Figure 4. Characterization of LCA results for corn stover scenario.
Figure 4. Characterization of LCA results for corn stover scenario.
Processes 12 00987 g004
Figure 5. Environmental impact results for eucalyptus residues and corn stover feedstocks.
Figure 5. Environmental impact results for eucalyptus residues and corn stover feedstocks.
Processes 12 00987 g005
Figure 6. Weighting results in a single score unit.
Figure 6. Weighting results in a single score unit.
Processes 12 00987 g006
Figure 7. Climate change category for the selected scenarios.
Figure 7. Climate change category for the selected scenarios.
Processes 12 00987 g007
Figure 8. Ozone depletion category for the selected scenarios.
Figure 8. Ozone depletion category for the selected scenarios.
Processes 12 00987 g008
Figure 9. Minerals and metals resource use category for the selected scenarios.
Figure 9. Minerals and metals resource use category for the selected scenarios.
Processes 12 00987 g009
Figure 10. Fossil resource use category for the selected scenarios.
Figure 10. Fossil resource use category for the selected scenarios.
Processes 12 00987 g010
Figure 11. Single score weighting of the four alternative scenarios for the two feedstocks.
Figure 11. Single score weighting of the four alternative scenarios for the two feedstocks.
Processes 12 00987 g011
Table 1. Composition on dry basis of biomass (LNEG experimental data).
Table 1. Composition on dry basis of biomass (LNEG experimental data).
Composition * (g/100 g Dry Basis)Eucalyptus ResiduesCorn Stover
Glucan32.0 ± 2.931.6 ± 1.3
Xylan14.1 ± 0.724.2 ± 1.2
Arabinan0.0 ± 0.10.3 ± 0.1
Acetyl groups3.6 ± 0.72.8 ± 0.2
Klason lignin25.6 ± 4.017.0 ± 1.6
Soluble lignin0.2 ± 0.00.6 ± 0.1
Ash2.4 ± 0.52.8 ± 0.3
Others22.120.7
* average values determined by LNEG team for samples received throughout the two years of the project’s duration (with the corresponding standard deviation).
Table 2. Reactions and conversion fractions for enzymatic hydrolysis of the two feedstocks.
Table 2. Reactions and conversion fractions for enzymatic hydrolysis of the two feedstocks.
ReactionsFractional Conversion *Component
Cellulose + Water → Glucose0.80Cellulose
Xylan + Water → Xylose0.80Xylan
* based on LNEG previous data.
Table 3. Fermentation reactions and respective conversions for eucalyptus residues.
Table 3. Fermentation reactions and respective conversions for eucalyptus residues.
ReactionsFractional Conversion *Component
Glucose → 2 Ethanol + 2 CO20.90Glucose
Glucose + 0.02 SO4−2 + 1.37 NH4+ → 5.96 Yeast + 3.79 H2O0.02Glucose
* based on LNEG previous data with industrial C6-fermenting S. cerevisiae.
Table 4. Fermentation reactions and respective conversions for corn stover.
Table 4. Fermentation reactions and respective conversions for corn stover.
ReactionsFractional Conversion *Component
Glucose → 2 Ethanol + 2 CO20.80Glucose
3 Xylose → 5 Ethanol + 3 CO20.80Xylose
Glucose + 0.02 SO4−2 + 1.37 NH4+ → 5.96 Yeast + 3.79 H2O0.02Glucose
* based on LNEG previous data with laboratorial genetically engineered C5/C6-fermenting S. cerevisiae.
Table 5. Market prices for raw materials, products, and utilities.
Table 5. Market prices for raw materials, products, and utilities.
ItemCostUnitReference
N-based catalyst227.70€/m3[35]
Enzyme157.27€/ton[36]
Process water1.78€/m3[37]
Bioethanol824.00€/ton[38]
Natural gas9.08€/GJ[39]
Cooling water0.07€/m3[40]
Low pressure steam5.23€/GJ[40]
Medium pressure steam7.13€/GJ[40]
High pressure steam14.41€/GJ[40]
Electricity0.14€/kWh[39]
Table 6. Mass inputs and outputs, and energy consumption for eucalyptus residues and corn stover (SG—steam generation; PT—pretreatment; EH—enzymatic hydrolysis; FERM—fermentation; BR—bioethanol recovery).
Table 6. Mass inputs and outputs, and energy consumption for eucalyptus residues and corn stover (SG—steam generation; PT—pretreatment; EH—enzymatic hydrolysis; FERM—fermentation; BR—bioethanol recovery).
Eucalyptus Residues
Mass Flow (ton/h)
Corn Stover
Mass Flow (ton/h)
Inputs
Biomass14.8514.85
Air (SG)21.2419.17
Steam (SG)19.8017.79
Washing water (PT)9.259.02
N-based catalyst (PT)0.090.09
Enzyme (EH)0.440.33
Water (EH)26.4522.90
Yeast (FERM)1.871.74
Nutrients (FERM)0.160.12
Outputs
Molasses (PT)1.805.50
Off-gas (FERM)1.541.44
Solids (FERM)9.537.13
Stillage (BR)24.9024.79
Water (BR)0.080.07
Ethanol (BR)1.411.31
Utilities (unit)Usage
Cooling water (MW)8.3010.02
Low pressure steam (kW)6 724.768 231.13
Medium pressure steam (kW)26.6424.49
High pressure steam (kW)3 979.834 605.03
Natural gas (GJ/h)66.6359.88
Electricity (MWh)20.7023.61
Table 7. Heat integration results between the fermentation and hydrolysis reactors and the pretreatment heat exchangers.
Table 7. Heat integration results between the fermentation and hydrolysis reactors and the pretreatment heat exchangers.
Heat Exchanger (HE)Base-Case Heat Duty (GJ/h)Integration Heat Duty (GJ/h)
HE111.680.05
HE22.651.45
Table 8. CAPEX and OPEX for each feedstock for the scenario without heat integration.
Table 8. CAPEX and OPEX for each feedstock for the scenario without heat integration.
Eucalyptus ResiduesCorn Stover
Cost (M€)
Purchased equipment21.35
Total CAPEX75.66
Cost (M€/year)
Raw materials1.341.11
Utilities6.666.61
Direct costs10.159.87
Indirect costs0.930.93
Fixed costs2.882.88
General expenses0.810.82
Logistics and transportation2.784.06
Total OPEX17.5418.56
Disclaimer/Publisher’s Note: The statements, opinions and data contained in all publications are solely those of the individual author(s) and contributor(s) and not of MDPI and/or the editor(s). MDPI and/or the editor(s) disclaim responsibility for any injury to people or property resulting from any ideas, methods, instructions or products referred to in the content.

Share and Cite

MDPI and ACS Style

Correia, B.; Matos, H.A.; Lopes, T.F.; Marques, S.; Gírio, F. Sustainability Assessment of 2G Bioethanol Production from Residual Lignocellulosic Biomass. Processes 2024, 12, 987. https://doi.org/10.3390/pr12050987

AMA Style

Correia B, Matos HA, Lopes TF, Marques S, Gírio F. Sustainability Assessment of 2G Bioethanol Production from Residual Lignocellulosic Biomass. Processes. 2024; 12(5):987. https://doi.org/10.3390/pr12050987

Chicago/Turabian Style

Correia, Bárbara, Henrique A. Matos, Tiago F. Lopes, Susana Marques, and Francisco Gírio. 2024. "Sustainability Assessment of 2G Bioethanol Production from Residual Lignocellulosic Biomass" Processes 12, no. 5: 987. https://doi.org/10.3390/pr12050987

APA Style

Correia, B., Matos, H. A., Lopes, T. F., Marques, S., & Gírio, F. (2024). Sustainability Assessment of 2G Bioethanol Production from Residual Lignocellulosic Biomass. Processes, 12(5), 987. https://doi.org/10.3390/pr12050987

Note that from the first issue of 2016, this journal uses article numbers instead of page numbers. See further details here.

Article Metrics

Back to TopTop