Long-Term Ampacity Prediction Method for Cable Intermediate Joints Based on the Prophet Model
Abstract
1. Introduction
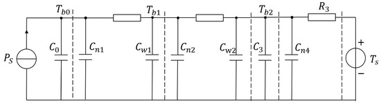
2. Inversion Model for Hotspot Temperature of Cable Intermediate Joints
2.1. Radial Inversion Model for the Conductor
2.2. Conductor Axial Inversion Model
3. Dynamic Current Carrying Capacity Assessment
3.1. Calculation of Equivalent Ambient Temperature Th
3.2. Calculation of Environmental Heating Temperature Tj2
Selection of Hyperparameters
4. Conclusions
Author Contributions
Funding
Data Availability Statement
Conflicts of Interest
References
- Lü, G.M.; Zhang, D.L.; Fu, C.W.; Yang, L.M.; Zhou, C.C.; Wu, X.J.; Liu, B.D. Development and testing of XLPE cables and accessories with temperature measuring optical fibers embedded in segmented conductors. Wire Cable 2013, 5, 8–14. [Google Scholar]
- Qiu, W.H.; Yang, L.; Hao, Y.P.; Chen, Y.; Deng, S.H.; Wen, Z.M. Temperature monitoring experiment of XLPE cables with embedded distributed optical fibers. Guangdong Electr. Power 2018, 8, 175–181. [Google Scholar]
- Nakamura, S.; Morooka, S.; Kawasaki, K. Conductor temperature monitoring system in underground power transmission XLPE cable joints. IEEE Trans. Power Deliv. 1992, 7, 1688–1697. [Google Scholar] [CrossRef]
- Tong, Z.J.; Zhou, N.R.; Duan, Q.S.; He, C.; Wang, Y.C.; Jin, X.T. Study on conductor temperature detection of T-type cable joints in ring main units based on thermal circuit method. Sens. Microsyst. 2017, 11, 131–138. [Google Scholar]
- Pilgrim, J.A.; Swaffield, D.J.; Lewin, P.L.; Larsen, S.T.; Payne, D. Assessment of the impact of joint bays on the ampacity of high-voltage cable circuits. IEEE Trans. Power Deliv. 2009, 24, 1029–1036. [Google Scholar] [CrossRef]
- Chang, W.Z.; Han, X.H.; Li, C.R.; Ge, Z.D. Experimental study on temperature measurement technology of cable middle joints under step current. High Volt. Eng. 2013, 39, 1156–1162. [Google Scholar]
- Yang, F.; Cheng, P.; Luo, H.; Yang, Y.; Liu, H.; Kang, K. 3-D thermal analysis and contact resistance evaluation of power cable joint. Appl. Therm. Eng. 2016, 93, 1183–1192. [Google Scholar] [CrossRef]
- Yang, F.; Liu, K.; Cheng, P.; Wang, S.; Wang, X.; Gao, B.; Fang, Y.; Xia, R.; Ullah, I. The coupling fields characteristics of cable joints and application in the evaluation of crimping process defects. Energies 2019, 9, 932. [Google Scholar] [CrossRef]
- Liu, G.; Wang, Z.H.; Xu, T.; Liu, Y.G.; Wang, P.Y. Calculation and experimental analysis of current carrying capacity of 110 kV cable middle joints. High Volt. Eng. 2017, 43, 1670–1676. [Google Scholar]
- Wang, P.; Liu, G.; Ma, H.; Liu, Y.; Xu, T. Investigation of the ampacity of a prefabricated straight-through joint of high voltage cable. Energies 2017, 10, 1–17. [Google Scholar] [CrossRef]
- Liu, G.; Wang, P.Y.; Mao, J.K.; Liu, L.F.; Liu, Y.G. Simulation calculation of temperature field distribution of high voltage cable joints. High Volt. Eng. 2018, 44, 3688–3698. [Google Scholar]
- Liu, G.; Wang, P.Y.; Wang, Z.H.; Xu, T.; Liu, Y.G.; Han, Z.Z. Method for determining the current carrying capacity of high voltage AC cable joints based on ANSYS. J. South China Univ. Technol. (Nat. Sci. Ed.) 2017, 4, 22–29. [Google Scholar]
- Dai, Y.; Cheng, Y.C.; Zhong, W.L.; Lin, J.D. Dynamic Capacity Enhancement Technology for High Voltage Overhead Transmission Lines; China Electric Power Press: Beijing, China, 2013. [Google Scholar]
- Patton, R.N.; Kim, S.K.; Podmore, R. Monitoring and rating of underground power cables. IEEE Trans. Power Appar. Syst. 1979, 98, 2285–2293. [Google Scholar] [CrossRef]
- Ren, L.J.; Jiang, X.C.; Sheng, G.H.; Sun, X.M. Chaotic prediction of the allowable transmission capacity of transmission lines. Proc. CSEE 2009, 29, 86–91. [Google Scholar]
- Ren, L.J. Technology for Dynamically Increasing the Transmission Capacity of Transmission Lines Based on Conductor Tension. Ph.D. Dissertation, Shanghai Jiao Tong University, Shanghai, China, 2008. [Google Scholar]
- Shang, Z.; Hossain, M.; Wycisk, R.; Pintauro, P.N. Poly(phenylene sulfonic acid)-expanded polytetrafluoroethylene composite membrane for low relative humidity operation in hydrogen fuel cells. J. Power Sources 2022, 535, 231375. [Google Scholar] [CrossRef]
- Mondal, A.N.; Wycisk, R.; Waugh, J.; Pintauro, P.N. Electrospun Si and Si/C Fiber Anodes for Li-Ion Batteries. Batteries 2023, 9, 569. [Google Scholar] [CrossRef]
- Tang, L.Z. Study on Hotspot Temperature Inversion and Dynamic Ampacity Forecasting for Insulated Busbar Joints. Ph.D. Thesis, Wuhan University, Wuhan, China, 2020. [Google Scholar]
- Toharudin, T.; Pontoh, R.S.; Caraka, R.E.; Chen, R.C. Employing Long Short-Term Memory and Facebook Prophet Model in Air Temperature Forecasting. Commun. Stat.-Simul. Comput. 2021, 52, 279–290. [Google Scholar] [CrossRef]
- Arai, K.; Fujikawa, I.; Nakagawa, Y.; Momozaki, T.; Ogawa, S. Modified Prophet+Optuna Prediction Method for Sales Estimations. Int. J. Adv. Comput. Sci. Appl. 2022, 13, 2022. [Google Scholar] [CrossRef]
- Ji, J.; Zhang, J.; Liu, L. Forecasting container freight rates using the Prophet forecasting method. Transp. Res. Part E Logist. Transp. Rev. 2021, 154, 102390. [Google Scholar]
- Angelopoulos, S.; Siskos, K.; Psarras, J.; Hong, T.; Liu, H. A hybrid forecasting model using LSTM and Prophet for energy consumption prediction. Energy Rep. 2020, 6, 291–299. [Google Scholar]
- Krajewski, W.F.; Mantilla, R.; Quintero, F. Evaluation of random forests and Prophet for daily streamflow forecasting. Adv. Geosci. 2018, 45, 201–208. [Google Scholar]
- Lee, Y.; Son, Y. Prediction of global omicron pandemic using ARIMA, MLR, and Prophet methods. Sci. Rep. 2022, 12, 2904. [Google Scholar]
- Solomatine, D.P.; Ostfeld, A. Data-driven modelling: Some past experiences and new approaches. J. Hydroinformatics 2008, 10, 3–22. [Google Scholar] [CrossRef]
- Jordan, A.; Krüger, F.; Lerch, S. Evaluating probabilistic forecasts with the R package scoring Rules. arXiv 2018, arXiv:1709.04743. [Google Scholar]













| Thermal Circuit Parameters | R1 (K/W) | R2 (K/W) | R3 (K/W) | C1 (J/W) | C2 (J/W) | C3 (J/W) |
|---|---|---|---|---|---|---|
| Values | 0.0397 | 0.0732 | 0.0478 | 2876 | 1567 | 2312 |
Disclaimer/Publisher’s Note: The statements, opinions and data contained in all publications are solely those of the individual author(s) and contributor(s) and not of MDPI and/or the editor(s). MDPI and/or the editor(s) disclaim responsibility for any injury to people or property resulting from any ideas, methods, instructions or products referred to in the content. |
© 2024 by the authors. Licensee MDPI, Basel, Switzerland. This article is an open access article distributed under the terms and conditions of the Creative Commons Attribution (CC BY) license (https://creativecommons.org/licenses/by/4.0/).
Share and Cite
Zhang, Z.; Liu, W.; Zeng, L.; He, S.; Zhou, H.; Ruan, J. Long-Term Ampacity Prediction Method for Cable Intermediate Joints Based on the Prophet Model. Processes 2024, 12, 748. https://doi.org/10.3390/pr12040748
Zhang Z, Liu W, Zeng L, He S, Zhou H, Ruan J. Long-Term Ampacity Prediction Method for Cable Intermediate Joints Based on the Prophet Model. Processes. 2024; 12(4):748. https://doi.org/10.3390/pr12040748
Chicago/Turabian StyleZhang, Zhiqiang, Wenping Liu, Lingcheng Zeng, Song He, Heng Zhou, and Jiangjun Ruan. 2024. "Long-Term Ampacity Prediction Method for Cable Intermediate Joints Based on the Prophet Model" Processes 12, no. 4: 748. https://doi.org/10.3390/pr12040748
APA StyleZhang, Z., Liu, W., Zeng, L., He, S., Zhou, H., & Ruan, J. (2024). Long-Term Ampacity Prediction Method for Cable Intermediate Joints Based on the Prophet Model. Processes, 12(4), 748. https://doi.org/10.3390/pr12040748
