Effect of Displacement Pressure Gradient on Oil–Water Relative Permeability: Experiment, Correction Method, and Numerical Simulation
Abstract
1. Introduction
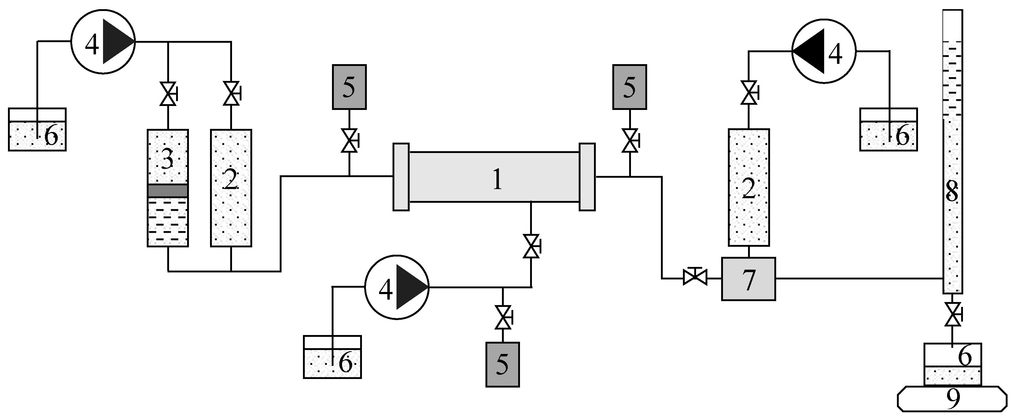
2. Experimental Analysis
- (1)
- The cores are vacuumed and saturated with formation water after being washed and dried.
- (2)
- The cores are put into the gripper for oil flooding. Establish initial irreducible water saturation by flooding until no water flows out. The effective permeability of the oil phase under irreducible water saturation is measured.
- (3)
- The oil is displaced by formation water under the selected displacement pressure difference. The water breakthrough time, cumulative oil production, cumulative liquid production, and pressure at both ends of the core holder are recorded accurately.
- (4)
- Use the JBN method to process data and output the relative permeability curves.
3. Correction Method
3.1. Willhite Model Coefficients and
3.2. Residual Oil Saturation
3.3. Maximum Water Relative Permeability
3.4. Correction Steps
- (a)
- Calculate residual oil saturation using Equation (13);
- (b)
- Calculate the maximum water relative permeability using Equation (14);
- (c)
- Calculate the Willhite model coefficients and using Equations (8) and (9), respectively;
- (d)
- The oil–water relative permeability curve is calculated using Equations (1)–(3).
4. Application in Numerical Simulation
5. Conclusions
- (1)
- The displacement pressure gradient can have an obvious impact on the relative permeability curve. For the cores from Bohai Oilfield tested in this paper, as the displacement pressure gradient increases, the two-phase span of the relative permeability curve increases, the oil displacement efficiency increases, and the relative water permeability increases.
- (2)
- The relative permeability curves under different displacement pressure gradients can be characterized by the Willhite model. The variation of model parameters has good regression. The relative permeability curves can be obtained by correcting the parameters of the Willhite model.
- (3)
- Considering the effect of the displacement pressure gradient on relative permeability will have an obvious impact on numerical simulation results. The conventional method of using a fixed relative permeability curve cannot truly reflect the production performance of the reservoir. The distribution of the remaining oil is also obviously different.
- (4)
- This paper proposes a set of realization methods including obtaining laws from experiments, utilizing the empirical model to correct, and simulating to characterize reservoir changes. It can provide a reference for those who research the effect of the displacement pressure gradient on relative permeability.
Author Contributions
Funding
Data Availability Statement
Conflicts of Interest
References
- Salmachi, A.; Karacan, C.Ö. Cross-Formational Flow of Water into Coalbed Methane Reservoirs: Controls on Relative Permeability Curve Shape and Production Profile. Environ. Earth Sci. 2017, 76, 200. [Google Scholar] [CrossRef]
- Lian, P.; Cheng, L.; Liu, L. The Relative Permeability Curve of Fractured Carbonate Reservoirs. Shiyou Xuebao/Acta Pet. Sin. 2011, 32, 1026–1030. [Google Scholar]
- Kadkhodaie, A.; Rezaee, R.; Kadkhodaie, R. An Effective Approach to Generate Drainage Representative Capillary Pressure and Relative Permeability Curves in the Framework of Reservoir Electrofacies. J. Pet. Sci. Eng. 2019, 176, 1082–1094. [Google Scholar] [CrossRef]
- Pini, R.; Benson, S.M. Simultaneous Determination of Capillary Pressure and Relative Permeability Curves from Core-Flooding Experiments with Various Fluid Pairs. Water Resour. Res. 2013, 49, 3516–3530. [Google Scholar] [CrossRef]
- Johnson, E.F.; Bossler, D.P.; Bossler, V.O.N. Calculation of Relative Permeability from Displacement Experiments. Trans. AIME 1959, 216, 370–372. [Google Scholar] [CrossRef]
- Li, K. More General Capillary Pressure and Relative Permeability Models from Fractal Geometry. J. Contam. Hydrol. 2010, 111, 13–24. [Google Scholar] [CrossRef] [PubMed]
- Moghadasi, L.; Guadagnini, A.; Inzoli, F.; Bartosek, M. Interpretation of Two-Phase Relative Permeability Curves through Multiple Formulations and Model Quality Criteria. J. Pet. Sci. Eng. 2015, 135, 738–749. [Google Scholar] [CrossRef]
- Lashgari, H.R.; Pope, G.A.; Tagavifar, M.; Luo, H.; Sepehrnoori, K.; Li, Z.; Delshad, M. A New Relative Permeability Model for Chemical Flooding Simulators. J. Pet. Sci. Eng. 2018, 171, 1466–1474. [Google Scholar] [CrossRef]
- Willhite, G.P. Waterflooding; Society of Petroleum Engineers: Richardson, TX, USA, 1986; ISBN 978-1-55563-005-8. [Google Scholar]
- Dana, E.; Skoczylas, F. Gas Relative Permeability and Pore Structure of Sandstones. Int. J. Rock Mech. Min. Sci. 1999, 36, 613–625. [Google Scholar] [CrossRef]
- Wang, L.J.; Bai-Ling, F.U. Analysis of Oil-Water Relative Permeability Curve’s Characteristics. Sci. Technol. Eng. 2012, 12, 2160–2162. [Google Scholar]
- Kanellopoulos, N.K.; Petropoulos, J.H.; Nicholson, D. Effect of Pore Structure and Macroscopic Non-Homogeneity on the Relative Gas Permeability of Porous Solids. J. Chem. Soc. Faraday Trans. 1 Phys. Chem. Condens. Phases 1985, 81, 1183–1194. [Google Scholar] [CrossRef]
- Dicarlo, D.A.; Sahni, A.; Blunt, M.J. The Effect of Wettability on Three-Phase Relative Permeability. Transp. Porous Media 2000, 39, 347–366. [Google Scholar] [CrossRef]
- Spiteri, E.J.; Juanes, R.; Blunt, M.J.; Orr, F.M. A New Model of Trapping and Relative Permeability Hysteresis for All Wettability Characteristics. SPE J. 2008, 13, 277–288. [Google Scholar] [CrossRef]
- Gharbi, O.; Blunt, M.J. The Impact of Wettability and Connectivity on Relative Permeability in Carbonates: A Pore Network Modeling Analysis. Water Resour. Res. 2012, 48, W12513.1–W12513.14. [Google Scholar] [CrossRef]
- Cinar, Y.; Marquez, S.; Orr, F.M. Effect of IFT Variation and Wettability on Three-Phase Relative Permeability. SPE Reserv. Eval. Eng. 2007, 10, 211–220. [Google Scholar] [CrossRef]
- Fatemi, S.M.; Sohrabi, M.; Jamiolahmady, M.; Ireland, S. Experimental and Theoretical Investigation of Gas/Oil Relative Permeability Hysteresis under Low Oil/Gas Interfacial Tension and Mixed-Wet Conditions. Energy Fuels 2012, 26, 4366–4382. [Google Scholar] [CrossRef]
- Shen, P.; Zhu, B.; Li, X.B.; Wu, Y.S. An Experimental Study of the Influence of Interfacial Tension on Water-Oil Two-Phase Relative Permeability. Transp. Porous Media 2010, 85, 505–520. [Google Scholar] [CrossRef]
- Wang, Y.S.; Yang, Y.F.; Wang, K.; Tao, L.; Liu, J.; Wang, C.C.; Yao, J.; Zhang, K.; Song, W.H. Changes in relative permeability curves for natural gas hydrate decomposition due to particle migration. J. Nat. Gas Sci. Eng. 2020, 84, 103634. [Google Scholar] [CrossRef]
- Wang, S.L.; Li, A.F.; Peng, R.G.; Miao, Y.U.; Shi, F.S.; Fang, M.Y. Effect of Oil Water Viscosity Ratio on Heavy Oil-Water Relative Permeability Curve. Sci. Technol. Eng. 2017, 17, 86–90. [Google Scholar]
- Jeong, G.S.; Lee, J.; Ki, S.; Huh, D.G.; Park, C.H. Effects of Viscosity Ratio, Interfacial Tension and Flow Rate on Hysteric Relative Permeability of CO2/Brine Systems. Energy 2017, 133, 62–69. [Google Scholar] [CrossRef]
- Esmaeili, S.; Modaresghazani, J.; Sarma, H.; Harding, T.; Maini, B. Effect of Temperature on Relative Permeability–Role of Viscosity Ratio. Fuel 2020, 278, 118318. [Google Scholar] [CrossRef]
- Alexis, D.A.; Karpyn, Z.T.; Ertekin, T.; Crandall, D. Fracture Permeability and Relative Permeability of Coal and Their Dependence on Stress Conditions. J. Unconv. Oil Gas Resour. 2015, 10, 1–10. [Google Scholar] [CrossRef]
- Al-Quraishi, A.; Khairy, M. Pore Pressure versus Confining Pressure and Their Effect on Oil-Water Relative Permeability Curves. J. Pet. Sci. Eng. 2005, 48, 120–126. [Google Scholar] [CrossRef]
- Yan, J.; Zheng, R.; Chen, P.; Wang, S.; Shi, Y. Calculation Model of Relative Permeability in Tight Sandstone Gas Reservoir with Stress Sensitivity. Geofluids 2021, 2021, 6260663. [Google Scholar] [CrossRef]
- Adenutsi, C.D.; Li, Z.; Xu, Z.; Sun, L. Influence of Net Confining Stress on NMR T2 Distribution and Two-Phase Relative Permeability. J. Pet. Sci. Eng. 2019, 178, 766–777. [Google Scholar] [CrossRef]
- Mahmud, W.M. Impact of Salinity and Temperature Variations on Relative Permeability and Residual Oil Saturation in Neutral-Wet Sandstone. Capillarity 2022, 5, 23–31. [Google Scholar] [CrossRef]
- Chen, X.; Gao, S.; Kianinejad, A.; Di Carlo, D.A. Steady-State Supercritical CO2 and Brine Relative Permeability in Berea Sandstone at Different Temperature and Pressure Conditions. Water Resour. Res. 2017, 53, 6312–6321. [Google Scholar] [CrossRef]
- Yang, L.; Shen, D.; Wang, X.; Li, Z. The Effect of Temperature on the Relative Permeability and Residual Oil Saturation. Pet. Explor. Dev. 2003, 30, 97–99. [Google Scholar]
- Balogun, Y.; Iyi, D.; Faisal, N.; Oyeneyin, B.; Oluyemi, G.; Mahon, R. Experimental Investigation of the Effect of Temperature on Two-Phase Oil-Water Relative Permeability. J. Pet. Sci. Eng. 2021, 203, 108645. [Google Scholar] [CrossRef]
- Ji, S.; Tian, C.; Shi, C.; Ye, J.; Zhang, Z.; Fu, X. New Understanding on Water-Oil Displacement Efficiency in a High Water-Cut Stage. Pet. Explor. Dev. 2012, 39, 362–370. [Google Scholar] [CrossRef]
- Feng, G.; Yu, M. Le Characterization of Pore Volume of Cumulative Water Injection Distribution. Petroleum 2015, 1, 158–163. [Google Scholar] [CrossRef]
- Qi, G.; Zhao, J.; He, H.; Sun, E.; Yuan, X.; Wang, S. A New Relative Permeability Characterization Method Considering High Waterflooding Pore Volume. Energies 2022, 15, 3868. [Google Scholar] [CrossRef]
- Liu, Q.; Wu, K.; Li, X.; Tu, B.; Zhao, W.; He, M.; Zhang, Q.; Xie, Y. Effect of Displacement Pressure on Oil-Water Relative Permeability for Extra-Low-Permeability Reservoirs. ACS Omega 2021, 6, 2749–2758. [Google Scholar] [CrossRef]
- Keshavarz, A.; Vatanparast, H.; Zargar, M.; Asl, A.K.; Haghighi, M. An Experimental Investigation of the Effect of Pressure Gradient on Gas-Oil Relative Permeability in Iranian Carbonate Rocks. Pet. Sci. Technol. 2012, 30, 1508–1522. [Google Scholar] [CrossRef]
- Krause, M.H.; Benson, S.M. Accurate Determination of Characteristic Relative Permeability Curves. Adv. Water Resour. 2015, 83, 376–388. [Google Scholar] [CrossRef]
- Herderson, G.D.; Danesh, A.; Tehrani, D.H. Effect of Positive Rate Sensitivity and Inertia on Gas Condensate Relative Permeability at High Velocity. Pet. Geosci. 2001, 7, 45–50. [Google Scholar] [CrossRef]
- Leverett, M.C. Flow of Oil-Water Mixtures through Unconsolidated Sands. Trans. AIME 1939, 132, 149–171. [Google Scholar] [CrossRef]
- Ehrlich, R.; Crane, F.E. A Model for Two-Phase Flow in Consolidated Materials. Soc. Pet. Eng. J. 1969, 9, 221–231. [Google Scholar] [CrossRef]
- Botset, H.G. Flow of Gas-Liquid Mixtures through Consolidated Sand. Trans. AIME 1940, 136, 91–105. [Google Scholar] [CrossRef]
- Nguyen, V.H.; Sheppard, A.P.; Knackstedt, M.A.; Val Pinczewski, W. The Effect of Displacement Rate on Imbibition Relative Permeability and Residual Saturation. J. Pet. Sci. Eng. 2006, 52, 54–70. [Google Scholar] [CrossRef]
- Rabinovich, A. Analytical Corrections to Core Relative Permeability for Low-Flow-Rate Simulation. SPE J. 2018, 23, 1851–1865. [Google Scholar] [CrossRef]
- GB/T 28912-2012; Test Method for Two Phase Relative Permeability in Rock. National Petroleum Standardization Technical Committee: Beijing, China, 2012.
- Lie, K.A. An Introduction to Reservoir Simulation Using MATLAB/GNU Octave: User Guide for the MATLAB Reservoir Simulation Toolbox (MRST); Cambridge University Press: Cambridge, UK, 2019; Available online: https://www.cambridge.org/9781108492430 (accessed on 13 December 2016).

















| No. | Sampling Depth (m) | Porosity (%) | Permeability (mD) | Displacement Pressure Gradient (MPa/m) |
|---|---|---|---|---|
| 1 | 1630.50 | 36.5 | 1255.4 | 0.030 |
| 2 | 1630.51 | 37.0 | 1319.3 | 0.100 |
| 3 | 1630.53 | 36.6 | 1293.4 | 0.300 |
| 4 | 1630.54 | 36.8 | 1313.1 | 0.700 |
| 5 | 1630.55 | 36.6 | 1344.8 | 1.500 |
| No. | Displacement Pressure Gradient (MPa/m) | Irreducible Water Saturation | Residual Oil Saturation | Maximum Water Relative Permeability | Oil Displacement Efficiency |
|---|---|---|---|---|---|
| 1 | 0.030 | 0.3021 | 0.2908 | 0.0859 | 0.5833 |
| 2 | 0.100 | 0.2937 | 0.2735 | 0.1194 | 0.6128 |
| 3 | 0.300 | 0.2969 | 0.2498 | 0.1523 | 0.6447 |
| 4 | 0.700 | 0.3035 | 0.2321 | 0.1937 | 0.6668 |
| 5 | 1.500 | 0.2956 | 0.2259 | 0.2388 | 0.6793 |
| No. | Displacement Pressure Gradient (MPa/m) | m | n |
|---|---|---|---|
| 1 | 0.030 | 2.1315 | 1.9582 |
| 2 | 0.100 | 2.6060 | 1.7469 |
| 3 | 0.300 | 2.8750 | 1.5318 |
| 4 | 0.700 | 3.0861 | 1.4346 |
| 5 | 1.500 | 3.4824 | 1.3812 |
Disclaimer/Publisher’s Note: The statements, opinions and data contained in all publications are solely those of the individual author(s) and contributor(s) and not of MDPI and/or the editor(s). MDPI and/or the editor(s) disclaim responsibility for any injury to people or property resulting from any ideas, methods, instructions or products referred to in the content. |
© 2024 by the authors. Licensee MDPI, Basel, Switzerland. This article is an open access article distributed under the terms and conditions of the Creative Commons Attribution (CC BY) license (https://creativecommons.org/licenses/by/4.0/).
Share and Cite
Wu, J.; Zhang, L.; Liu, Y.; Ma, K.; Luo, X. Effect of Displacement Pressure Gradient on Oil–Water Relative Permeability: Experiment, Correction Method, and Numerical Simulation. Processes 2024, 12, 330. https://doi.org/10.3390/pr12020330
Wu J, Zhang L, Liu Y, Ma K, Luo X. Effect of Displacement Pressure Gradient on Oil–Water Relative Permeability: Experiment, Correction Method, and Numerical Simulation. Processes. 2024; 12(2):330. https://doi.org/10.3390/pr12020330
Chicago/Turabian StyleWu, Jintao, Lei Zhang, Yingxian Liu, Kuiqian Ma, and Xianbo Luo. 2024. "Effect of Displacement Pressure Gradient on Oil–Water Relative Permeability: Experiment, Correction Method, and Numerical Simulation" Processes 12, no. 2: 330. https://doi.org/10.3390/pr12020330
APA StyleWu, J., Zhang, L., Liu, Y., Ma, K., & Luo, X. (2024). Effect of Displacement Pressure Gradient on Oil–Water Relative Permeability: Experiment, Correction Method, and Numerical Simulation. Processes, 12(2), 330. https://doi.org/10.3390/pr12020330
