First Law Optimization and Review of Double and Triple-Effect Parallel Flow Vapor Absorption Refrigeration Systems
Abstract
:1. Introduction
- Review of DE-VACS and TE-VACS under different flow configurations and different heat sources.
- Detailed energy analysis for parallel flow TE-VACS.
- A direct-fired system has been selected for the operation of the main generator. Moreover, LPG and CNG have been taken as sources of energy because they are cheaper, less toxic, and easily available.
- Calculation of gases required to operate the parallel flow DE-VACS and TE-VACS.
- Optimization of operating temperature and SDRs for maximum COP.
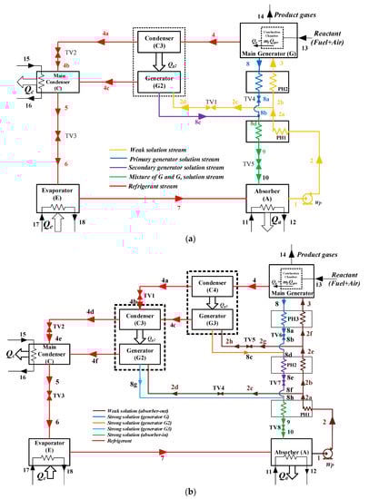
2. System Description of VACS
2.1. Parallel Flow DE-VACS
2.2. Parallel Flow TE-VACS
3. System Modeling
3.1. Modeling of Energy Sources (LPG and CNG)
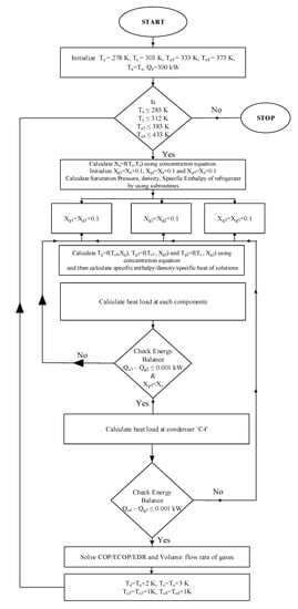
3.2. Assumption and Solution Technique of the Present Work
4. Result and Discussion
4.1. Coefficient of Performance
4.2. LPG and CNG Flow Rate
5. Conclusions
- For the purpose of saving high-grade energy, VACS have become quite popular recently and have been made more efficient through a plethora of studies. This review shows that current VACS are more efficient and environmentally friendly.
- From the literature review, it was also observed that the working fluid flow configuration produces a high impact on the performance of VACS.
- The temperature of the intermediate generator also plays a vital role in the performance of DE-VACS and TE-VACS under different flow configurations.
- TE-VACS have around 32% higher performance than DE-VACS, while they require 15–20% less consumption of gases (LPG and CNG) to operate the system.
- As the generator temperature plays an important role in the performance of TE-VACS, Tg, Tg2 (≈Tc3), and Tg3 (≈Tc4) are reported for maximum COP and minimum flow rates of the gases.
- In parallel flow cycles, SDR(s) is/are also an important factor in deciding the performance optimized for maximum COP and minimum flow rate of the gases.
- For Te = 4 °C and Tc = Ta = 30 °C, the optimum condition to run TE-VACS is Tg = 180 °C, Tc4 = 104 °C, Tc3 = 66 °C, Z1 = 0.5, and Z2 = 0.45. These values can be changed after changing the evaporator and condenser temperature.
- Similarly, the optimum flow rate for the fixed evaporator and condenser temperatures are 0.0022 (for DE-VACS) and 0.00197278 (for TE-VACS) for LPG, while for CNG the values are 0.007082 (for DE-VACS) and 0.00620872 (for TE-VACS). These values will help engineers who are working in the field of absorption refrigeration systems. This is one of the key findings of the present manuscript.
Funding
Data Availability Statement
Conflicts of Interest
Nomenclature
| A | absorber |
| C | main condenser |
| COP | coefficient of performance [-] |
| CNG | compressed natural gas |
| E | evaporator |
| G | generator at which heat is supplied |
| h | specific enthalpy [kJ kg−1] |
| LPG | liquefied petroleum gas |
| LiBr | lithium bromide salt |
| rate of mass flow [kg s−1] | |
| P | pressure [kPa] |
| Q | heat transfer rate [kJ s−1] |
| QC | energy from CNG [kJ kg−1 CNG] |
| QL | energy from LPG [kJ kg−1 LPG] |
| T | temperature [°C] |
| Tcold | cooled space temperature |
| TV | throttle valve |
| V | gas flow rate [m3 s−1] |
| Wp | pump work [kW] |
| Greek Symbols: | |
| Subscripts: | |
| a | absorber |
| c | main condenser |
| e | evaporator |
| g | main generator |
References
- Meraj, M.; Khan, M.E.; Azhar, M. Performance analyses of photovoltaic thermal integrated concentrator collector combined with single effect absorption cooling cycle: Constant flow rate mode. J. Energy Resour. Technol. Trans. ASME 2020, 142, 121305. [Google Scholar] [CrossRef]
- Keçeciler, A.; Acar, H.İ.; Doǧan, A. Thermodynamic analysis of the absorption refrigeration system with geothermal energy: An experimental study. Energy Convers. Manag. 2000, 41, 37–48. [Google Scholar] [CrossRef]
- Yang, M.; Lee, S.Y.; Chung, J.T.; Kang, Y.T. High efficiency H2O/LiBr double effect absorption cycles with multi-heat sources for tri-generation application. Appl. Energy 2017, 187, 243–254. [Google Scholar] [CrossRef]
- Kaynakli, O.; Saka, K.; Kaynakli, F. Energy and exergy analysis of a double effect absorption refrigeration system based on different heat sources. Energy Convers. Manag. 2015, 106, 21–30. [Google Scholar] [CrossRef]
- Riffat, S.B.; Qiu, G. Comparative investigation of thermoelectric air-conditioners versus vapour compression and absorption air-conditioners. Appl. Therm. Eng. 2004, 24, 1979–1993. [Google Scholar] [CrossRef]
- Azhar, M.; Siddiqui, M.A. Optimization of operating temperatures in the gas operated single to triple effect vapour absorption refrigeration cycles. Int. J. Refrig. 2017, 82, 401–425. [Google Scholar] [CrossRef]
- Azhar, M.; Siddiqui, M.A. Exergy analysis of single to triple effect lithium bromide-water vapour absorption cycles and optimization of the operating parameters. Energy Convers. Manag. 2019, 180, 1225–1246. [Google Scholar] [CrossRef]
- Karamangil, M.I.; Coskun, S.; Kaynakli, O.; Yamankaradeniz, N. A simulation study of performance evaluation of single-stage absorption refrigeration system using conventional working fluids and alternatives. Renew. Sustain. Energy Rev. 2010, 14, 1969–1978. [Google Scholar] [CrossRef]
- Ahmad, T.; Azhar, M.; Sinha, M.K.; Meraj, M.; Mahbubul, I.M.; Ahmad, A. Energy analysis of lithium bromide-water and lithium chloride-water based single effect vapour absorption refrigeration system: A comparison study. Clean. Eng. Technol. 2022, 7, 100432. [Google Scholar] [CrossRef]
- De Araújo, H.V.; Massuchetto, L.H.P.; do Nascimento, R.B.C.; de Carvalho, S.M.R.; Dangelo, J.V.H. Thermodynamic performance analysis of a single-effect absorption refrigeration system operating with water and 1-ethyl-3-methylimidazolium-based ionic liquids mixtures. Appl. Therm. Eng. 2022, 201, 117761. [Google Scholar] [CrossRef]
- Saravanan, R.; Maiya, M.P. Thermodynamic comparison of water-based working fluid combinations for a vapour absorption refrigeration system. Appl. Therm. Eng. 1998, 18, 553–568. [Google Scholar] [CrossRef]
- Papadopoulos, A.I.; Kyriakides, A.-S.; Seferlis, P.; Hassan, I. Absorption refrigeration processes with organic working fluid mixtures—A review. Renew. Sustain. Energy Rev. 2019, 109, 239–270. [Google Scholar] [CrossRef]
- Qin, Y.; Li, N.; Zhang, H.; Liu, B. Thermodynamic performance of a modified −150 °C refrigeration system coupled with Linde-Hampson and three-stage auto-cascade using low-GWP refrigerants. Energy Convers. Manag. 2021, 236, 114093. [Google Scholar] [CrossRef]
- Ratlamwala, T.A.H.; Dincer, I.; Gadalla, M.A. Performance analysis and evaluation of a triple-effect ammonia-water absorption-refrigeration system. Int. J. Energy Res. 2013, 37, 475–483. [Google Scholar] [CrossRef]
- Hugo, V.; Flores, F.; Román, J.C.; Alpírez, G.M. Performance Analysis of Different Working Fluids for an Absorption Refrigeration Cycle. Am. J. Environ. Eng. 2014, 4, 1–10. [Google Scholar]
- Xu, Z.Y.; Wang, R.Z. Absorption refrigeration cycles: Categorized based on the cycle construction. Int. J. Refrig. 2016, 62, 114–136. [Google Scholar] [CrossRef]
- Talpada, J.S.; Ramana, P.V. A review on performance improvement of an absorption refrigeration system by modification of basic cycle. Int. J. Ambient. Energy 2019, 40, 661–673. [Google Scholar] [CrossRef]
- Ohuchi, T.; Usui, S.; Fukuda, T.N.A. Multistage Absorption Refrigeration System. U.S. Patent 4,520,634, 4 June 1985. [Google Scholar]
- Domínguez-Inzunza, L.A.; Hernández-Magallanes, J.A.; Sandoval-Reyes, M.; Rivera, W. Comparison of the performance of single-effect, half-effect, double-effect in series and inverse and triple-effect absorption cooling systems operating with the NH3-LiNO3 mixture. Appl. Therm. Eng. 2014, 66, 612–620. [Google Scholar] [CrossRef]
- Maryami, R.; Dehghan, A.A. An exergy based comparative study between LiBr/water absorption refrigeration systems from half effect to triple effect. Appl. Therm. Eng. 2017, 124, 103–123. [Google Scholar] [CrossRef]
- Nikbakhti, R.; Wang, X.; Hussein, A.K.; Iranmanesh, A. Absorption cooling systems—Review of various techniques for energy performance enhancement. Alex. Eng. J. 2020, 59, 707–738. [Google Scholar] [CrossRef]
- Arshi Banu, P.S.; Sudharsan, N.M. Review of water based vapour absorption cooling systems using thermodynamic analysis. Renew. Sustain. Energy Rev. 2018, 82, 3750–3761. [Google Scholar] [CrossRef]
- Mouneer, T.A.; Hawwash, A.A.; Aly, M.H.; Mina, E.M. Thermodynamic analysis for novel vapor compression/absorption cascade refrigeration system for LNG liquefaction processes in Egypt. Energy Convers. Manag. 2022, 270, 116238. [Google Scholar] [CrossRef]
- Aghdam, A.H.; Ranjbar, F.; Mahmoudi, S.M.S. Performance comparison of triple-effect parallel flow and series flow absorption refrigeration systems. J. Appl. Sci. 2008, 8, 2913–2918. [Google Scholar] [CrossRef]
- Wang, L.; You, S.; Zhang, H.; Li, X. Simulation of gas-fired triple-effect LiBr/water absorption cooling system with exhaust heat recovery generator. Trans. Tianjin Univ. 2010, 16, 187–193. [Google Scholar] [CrossRef]
- Azhar, M.; Siddiqui, M.A. First and Second Law Analyses of Double Effect Parallel and Series Flow Direct Fired Absorption Cycles for Optimum Operating Parameters. J. Energy Resour. Technol. Trans. ASME 2019, 141, 124501. [Google Scholar] [CrossRef]
- Chahartaghi, M.; Golmohammadi, H.; Shojaei, A.F. Performance analysis and optimization of new double effect lithium bromide–water absorption chiller with series and parallel flows. Int. J. Refrig. 2019, 97, 73–87. [Google Scholar] [CrossRef]
- Konwar, D.; Gogoi, T.K.; Das, A.J. Multi-objective optimization of double effect series and parallel flow water–lithium chloride and water–lithium bromide absorption refrigeration systems. Energy Convers. Manag. 2019, 180, 425–441. [Google Scholar] [CrossRef]
- Bagheri, B.S.; Shirmohammadi, R.; Mahmoudi, S.M.S.; Rosen, M.A. Optimization and comprehensive exergy-based analyses of a parallel flow double-effect water-lithium bromide absorption refrigeration system. Appl. Therm. Eng. 2019, 152, 643–653. [Google Scholar] [CrossRef]
- Morosuk, T.; Tsatsaronis, G. A new approach to the exergy analysis of absorption refrigeration machines. Energy 2008, 33, 890–907. [Google Scholar] [CrossRef]
- Kelly, S.; Tsatsaronis, G.; Morosuk, T. Advanced exergetic analysis: Approaches for splitting the exergy destruction into endogenous and exogenous parts. Energy 2009, 34, 384–391. [Google Scholar] [CrossRef]
- Garousi Farshi, L.; Seyed Mahmoudi, S.M.; Rosen, M.A.; Yari, M. A comparative study of the performance characteristics of double-effect absorption refrigeration systems. Int. J. Energy Res. 2012, 36, 182–192. [Google Scholar] [CrossRef]
- Arshad, M.U.; Ghani, M.U.; Ullah, A.; Güngör, A.; Zaman, M. Thermodynamic analysis and optimization of double effect absorption refrigeration system using genetic algorithm. Energy Convers. Manag. 2019, 192, 292–307. [Google Scholar] [CrossRef]
- Ferwati, M.S.; Ahmad, A.M.; Takalkar, G.D.; Bicer, Y. Energy and exergy analysis of parallel flow double effect H2O-[mmim][DMP] absorption refrigeration system for solar powered district cooling. Case Stud. Therm. Eng. 2021, 28, 101382. [Google Scholar] [CrossRef]
- Arora, A.; Dixit, M.; Kaushik, S.C. Energy and exergy analysis of a double effect parallel flow LiBr/H2O absorption refrigeration system. J. Therm. Eng. 2016, 2, 541–549. [Google Scholar] [CrossRef]
- Ahmed, S.; Mohammed, M.S.A.; Ul-Haq Gilani, S.I. Exergy analysis of a double-effect parallel-flow commercial steam absorption chiller. J. Appl. Sci. 2012, 12, 2580–2585. [Google Scholar] [CrossRef]
- Kaneesamkandi, Z.; Almujahid, A.; Salim, B. Selection of an Appropriate Solar Thermal Technology for Solar Vapor Absorption Cooling—An MADM Approach. Energies 2022, 15, 1882. [Google Scholar] [CrossRef]
- Yu, M.; Chen, Z.; Yao, D.; Zhao, F.; Pan, X.; Liu, X.; Cui, P.; Zhu, Z.; Wang, Y. Energy, exergy, economy analysis and multi-objective optimization of a novel cascade absorption heat transformer driven by low-level waste heat. Energy Convers. Manag. 2020, 221, 113162. [Google Scholar] [CrossRef]
- Gado, M.G.; Ookawara, S.; Nada, S.; El-Sharkawy, I.I. Hybrid sorption-vapor compression cooling systems: A comprehensive overview. Renew. Sustain. Energy Rev. 2021, 143, 110912. [Google Scholar] [CrossRef]
- Yu, M.; Cui, P.; Wang, Y.; Liu, Z.; Zhu, Z.; Yang, S. Advanced Exergy and Exergoeconomic Analysis of Cascade Absorption Refrigeration System Driven by Low-Grade Waste Heat. ACS Sustain. Chem. Eng. 2019, 7, 16843–16857. [Google Scholar] [CrossRef]
- Wang, Y.; Liu, Y.; Liu, X.; Zhang, W.; Cui, P.; Yu, M.; Liu, Z.; Zhu, Z.; Yang, S. Advanced exergy and exergoeconomic analyses of a cascade absorption heat transformer for the recovery of low grade waste heat. Energy Convers. Manag. 2020, 205, 112392. [Google Scholar] [CrossRef]
- Kaita, Y. Simulation results of triple-effect absorption cycles. Int. J. Refrig. 2002, 25, 999–1007. [Google Scholar] [CrossRef]
- Azhar, M.; Altamush Siddiqui, M. Comprehensive exergy analysis and optimization of operating parameters for double effect parallel flow absorption refrigeration Cycle. Therm. Sci. Eng. Prog. 2020, 16, 100464. [Google Scholar] [CrossRef]
- Azhar, M.; Siddiqui, M.A. Energy and Exergy Analyses for Optimization of the Operating Temperatures in Double Effect Absorption Cycle. Energy Procedia 2017, 109, 211–218. [Google Scholar] [CrossRef]
- Ansari, K.A.; Azhar, M.; Altamush Siddiqui, M. Exergy Analysis of Single-Effect Vapor Absorption System Using Design Parameters. J. Energy Resour. Technol. 2020, 143, 062105. [Google Scholar] [CrossRef]
- Pátek, J.; Klomfar, J. A computationally effective formulation of the thermodynamic properties of LiBr-H2O solutions from 273 to 500 K over full composition range. Int. J. Refrig. 2006, 29, 566–578. [Google Scholar] [CrossRef]
- Altamush Siddiqui, M. Optimization of Operating Parameters for Various Absorption Systems Using Renewable Energies. Ph.D. Thesis, Aligarh Muslim Univesity, Aligarh, India, 1992. [Google Scholar]
- Pátek, J.; Klomfar, J. A simple formulation for thermodynamic properties of steam from 273 to 523 K, explicit in temperature and pressure. Int. J. Refrig. 2009, 32, 1123–1125. [Google Scholar] [CrossRef]
















| Type of VACS | Working Fluid(s) | Flow Configuration | Remark on Findings | Reference |
|---|---|---|---|---|
| Double effect | H2O–LiBr | Series and Parallel | Comparison between series and parallel flow cycles. | [26] |
| Double effect | H2O–LiBr | Series and Parallel | Comparison of parallel flow with series flow and optimized the operating parameters. | [27] |
| Double effect | Two pairs are used; H2O–LiBr and H2O–LiCl | Series and Parallel | Detailed comparison between series and parallel flow. | [28] |
| Double effect | H2O–LiBr | Parallel Flow | Detailed exergy analysis and reported maximum COP and their corresponding generator’s temperature. | [29] |
| Double effect | H2O–LiBr | Series, Parallel, and Reverse Flow | Performance of all three cycles and compared them. | [32] |
| Double effect | H2O–[mmim][DMP] and H2O–LiBr | Parallel Flow | Reported thermodynamic properties of H2O–[mmim][DMP] mixture. | [34] |
| Double effect | H2O–LiBr | Parallel | COP and exergy destruction rate of each component. | [36] |
| Triple effect | H2O–LiBr | Series Flow | COP and exergy efficiency and exergy destruction rate of each component. | [7] |
| Triple effect | NH3–LiNO3 mixture | Series and Inverse Flow | COP and optimized parameters. | [19] |
| Triple effect | H2O–LiBr | Series Flow | COP and optimized temperatures. | [6] |
| Triple effect | H2O–LiBr | Series Flow, Parallel, and Reverse Flow | COP, maximum pressure, and maximum temperature of the cycle under different environmental conditions. | [42] |
| Properties | Values |
|---|---|
| Evaporator Load | 300 kW |
| Evaporator Temperatures (Te) | 4, 6, 8 and 10 °C |
| Tcold | Te + 5.0 |
| Absorber/main condenser temperatures | 30, 33, 36 and 39 °C |
| Intermediate condenser/generator temperature, Tc3 | From 45 °C to 105 °C |
| Intermediate condenser/generator temperature, Tc4 | 70 °C to 135 °C |
| Pump Efficiency, ηp, and Effectiveness, ε | 85% and 70% |
| Z, Z1, and Z2 | 0.1–0.7 |
Disclaimer/Publisher’s Note: The statements, opinions and data contained in all publications are solely those of the individual author(s) and contributor(s) and not of MDPI and/or the editor(s). MDPI and/or the editor(s) disclaim responsibility for any injury to people or property resulting from any ideas, methods, instructions or products referred to in the content. |
© 2023 by the author. Licensee MDPI, Basel, Switzerland. This article is an open access article distributed under the terms and conditions of the Creative Commons Attribution (CC BY) license (https://creativecommons.org/licenses/by/4.0/).
Share and Cite
Azhar, M. First Law Optimization and Review of Double and Triple-Effect Parallel Flow Vapor Absorption Refrigeration Systems. Processes 2023, 11, 2347. https://doi.org/10.3390/pr11082347
Azhar M. First Law Optimization and Review of Double and Triple-Effect Parallel Flow Vapor Absorption Refrigeration Systems. Processes. 2023; 11(8):2347. https://doi.org/10.3390/pr11082347
Chicago/Turabian StyleAzhar, Md. 2023. "First Law Optimization and Review of Double and Triple-Effect Parallel Flow Vapor Absorption Refrigeration Systems" Processes 11, no. 8: 2347. https://doi.org/10.3390/pr11082347
APA StyleAzhar, M. (2023). First Law Optimization and Review of Double and Triple-Effect Parallel Flow Vapor Absorption Refrigeration Systems. Processes, 11(8), 2347. https://doi.org/10.3390/pr11082347
