T-S Fuzzy Algorithm Optimized by Genetic Algorithm for Dry Fermentation pH Control
Abstract
1. Introduction
2. Materials and Methods
2.1. System Components
2.2. Modifying the pH of Biogas Production during Dry Fermentation
2.3. System Model Construction
2.4. Construction of Control Algorithms
2.4.1. PID Control Strategy
2.4.2. T-S Fuzzy Control
then y = s1u1 + s2u2 + … + skuk + r
then y = si1u1 + si2u2 + … + sikuk + ri (i = 1, 2, …, n)
2.4.3. T-S Fuzzy System Identification
- (1)
- Identification of prerequisite parameters
- (2)
- Identification of prerequisite structure
- (3)
- Identification of conclusion parameter
- (4)
- Identification of conclusion structure
2.4.4. Simplifying T-S Fuzzy Reasoning
2.4.5. Simplified T-S Fuzzy Control Optimized by Genetic Algorithm
Determining Coding Strategy
Determination of Fitness Function
Selection Strategy
Crossover Operation
Selection of Adaptive Cross-Mutation Strategies
3. Results
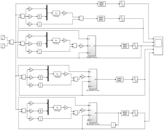
3.1. Simulation Experiment on pH Control of Biogas Production by Dry Fermentation
3.2. Test Materials and Equipment
3.3. Precision Analysis of pH Control System for Anaerobic Dry Fermentation
3.4. Experimental Study on pH Control in Anaerobic Dry Fermentation Environment
3.5. Experimental Study on pH Control in Anaerobic Dry Fermentation Environment
4. Conclusions
Author Contributions
Funding
Data Availability Statement
Acknowledgments
Conflicts of Interest
References
- Li, Y.; Park, S.Y.; Zhu, J. Solid-state anaerobic digestion for methane production from organic waste. Renew. Sustain. Energy Rev. 2011, 15, 821–826. [Google Scholar] [CrossRef]
- Qiang, L.; Haoli, Q.; Lei, C. Research progress in biogas dry fermentation technology. China Biogas 2010, 28, 10–14. [Google Scholar]
- Mataalvarez, J.; Macé, S.; Llabrés, P. Anaerobic digestion of organic solid wastes. An overview of research achievements and perspectives. Bioresour. Technol. 2000, 74, 3–16. [Google Scholar] [CrossRef]
- Gang, L.; Lizhong, Y.; Feng, O. Analysis on the Control Factors of anaerobic digestion Process and the Influence of pH and Eh. J. Southwest Jiao Tong Univ. 2001, 36, 518–521. [Google Scholar]
- Zhou, R.; Zhang, L.; Fu, C.; Wang, H.; Meng, Z.; Du, C.; Shan, Y.; Bu, H. Fuzzy Neural Network PID Strategy Based on PSO Optimization for pH Control of Water and Fertilizer Integration. Appl. Sci. 2022, 12, 7383. [Google Scholar] [CrossRef]
- Hen, Z.; Wang, D. A Prediction Model of Forest Preliminary Precision Fertilization Based on Improved GRA-PSO-BP Neural Network. Math. Probl. Eng. 2020, 2020, 1356096. [Google Scholar]
- Hu, X.; Chen, X. Uniform fertilization method based on differential pressure tank with optimal fertilizer concentration and constant fertigation flux. Irrig. Sci. 2021, 39, 347–362. [Google Scholar] [CrossRef]
- Faanes, A.; Skogestad, S. pH-neutralization: Integrated process and control design. Comput. Chem. Eng. 2004, 28, 1475–1487. [Google Scholar] [CrossRef]
- Barraud, J.; Creff, Y.; Petit, N. pH control of a fed batch reactor with precipitation. J. Process Control 2009, 19, 888–895. [Google Scholar] [CrossRef]
- Böling, J.M.; Seborg, D.E.; Hespanha, J.P. Multi-model adaptive control of a simulated pH neutralization process. Control Eng. Pract. 2007, 15, 663–672. [Google Scholar] [CrossRef]
- Pishvaie, M.R.; Shahrokhi, M. Control of pH processes using fuzzy modeling of titration curve. Fuzzy Sets Syst. 2006, 157, 2983–3006. [Google Scholar] [CrossRef]
- Chen, X.; Chen, J.; Lei, B. Identification of pH Neutralization Process Based on the T-S Fuzzy Model. Commun. Comput. Inf. Sci. 2011, 215, 579–585. [Google Scholar]
- Blažič, S.; Škrjanc, I.; Gerkšič, S.; Dolanc, G.; Strmčnik, S.; Hadjiski, M.B.; Stathaki, A. Online fuzzy identification for an intelligent controller based on a simple platform. Eng. Appl. Artif. Intell. 2009, 22, 628–638. [Google Scholar] [CrossRef]
- Salehi, S.; Shahrokhi, M.; Nejati, A. Adaptive nonlinear control of pH neutralization processes using fuzzy approximators. Control Eng. Pract. 2009, 17, 1329–1337. [Google Scholar] [CrossRef]
- Mészáros, A.; Čirka, L.; Šperka, L. Intelligent control of a pH process. Chem. Pap. 2010, 63, 180–187. [Google Scholar] [CrossRef]
- Wang, X.; Hao, Z.; Zhang, Y. Comparing of Mamdani and Sugeno Style Fuzzy controller. J. Yantai Univ. 2006, 19, 341–344. [Google Scholar]
- Mikula, K.; Izydorczyk, G.; Skrzypczak, D.; Mironiuk, M.; Moustakas, K.; Witek-Krowiak, A.; Chojnacka, K. Controlled release micronutrient fertilizers for precision agriculture—A review. Sci. Total Environ. 2020, 712, 136365. [Google Scholar] [CrossRef]
- Sikora, J.; Niemiec, M.; Tabak, M.; Gródek-Szostak, Z.; Szeląg-Sikora, A.; Kuboń, M.; Komorowska, M. Assessment of the Efficiency of Nitrogen Slow-Release Fertilizers in Integrated Production of Carrot Depending on Fertilization Strategy. Sustainability 2020, 12, 1982. [Google Scholar] [CrossRef]
- Wu, Y.; Li, L.; Li, S.; Wang, H.; Zhang, M.; Sun, H.; Sygrimis, N.; Li, M. Optimal control algorithm of fertigation system in greenhouse based on EC model. Int. J. Agric. Biol. Eng. 2019, 12, 118–125. [Google Scholar] [CrossRef]
- Goldbergd, E. Genetic Algorithms in Search Optimization and Machine Learning; Addison-Wesley: Boston, MA, USA, 1989; Volume 13, pp. 72–74. [Google Scholar]
- Yang, Y.; Wang, G. Parameters Optimization of Polygonal Fuzzy Neural Nerworks Based on GA-BP Hybrid Algorithm. Int. J. Mach. Learn. Cybern. 2014, 5, 815–822. [Google Scholar] [CrossRef]
- Shanben, C.; Lin, W. Artificial neural network self-learning control method for uncertain objects. J. Autom. 1997, 23, 112–115. [Google Scholar]
- Baker, J.E. Adaptive Selection Methods for Genetic Algorithms; Lawrence Earlbaum Associates: Hilladale, NJ, USA, 1985; pp. 110–111. [Google Scholar]
- Msrinivas, M.; Patnaik, L.M. Adaptive probabilities of crossover and mutation in genetic algorithms. IEEE Trans. Syst. Man Cybern. 1994, 24, 656–667. [Google Scholar] [CrossRef]












| Controller | Response Time (s) | Overshoot |
|---|---|---|
| PID | 102 | 0.37 |
| T-S fuzzy | 98 | 0.14 |
| Simplified T-S fuzzy | 73 | 0.19 |
| IAE-optimized simplified T-S fuzzy | 36 | 0.08 |
| ISE-optimized simplified T-S fuzzy | 27 | 0.03 |
| Controller | Response Time (s) | Overshoot |
|---|---|---|
| PID | 124 | 0.37 |
| T-S fuzzy | 136 | 0.22 |
| Simplified T-S fuzzy | 113 | 0.28 |
| IAE-optimized simplified T-S fuzzy | 71 | 0.17 |
| ISE-optimized simplified T-S fuzzy | 47 | 0.09 |
| Controller | Response Time (s) | Overshoot |
|---|---|---|
| PID | 113 | 0.36 |
| T-S fuzzy | 98 | 0.15 |
| Simplified T-S fuzzy | 76 | 0.18 |
| IAE-optimized simplified T-S fuzzy | 52 | 0.11 |
| ISE-optimized simplified T-S fuzzy | 29 | 0.04 |
| Controller | 5.4–7 | 6–7 | ||||
|---|---|---|---|---|---|---|
| pH Value | Max Overshoot | Relative Error | pH Value | Max Overshoot | Relative Error | |
| PID | 6.76 | 0.38 | 3.4% | 6.81 | 0.36 | 2.7% |
| T-S fuzzy | 7.19 | 0.21 | 2.7% | 6.89 | 0.12 | 1.5% |
| Simplified T-S fuzzy | 6.87 | 0.23 | 1.9% | 7.11 | 0.16 | 1.6% |
| IAE-optimized simplified T-S fuzzy | 7.08 | 0.18 | 1.1% | 7.05 | 0.09 | 1.4% |
| ISE-optimized simplified T-S fuzzy | 6.98 | 0.09 | 0.3% | 7.01 | 0.05 | 0.1% |
Disclaimer/Publisher’s Note: The statements, opinions and data contained in all publications are solely those of the individual author(s) and contributor(s) and not of MDPI and/or the editor(s). MDPI and/or the editor(s) disclaim responsibility for any injury to people or property resulting from any ideas, methods, instructions or products referred to in the content. |
© 2023 by the authors. Licensee MDPI, Basel, Switzerland. This article is an open access article distributed under the terms and conditions of the Creative Commons Attribution (CC BY) license (https://creativecommons.org/licenses/by/4.0/).
Share and Cite
Wang, P.; Shen, X.; Li, R.; Qu, H.; Cao, J.; Chen, Y.; Chen, M. T-S Fuzzy Algorithm Optimized by Genetic Algorithm for Dry Fermentation pH Control. Processes 2023, 11, 2227. https://doi.org/10.3390/pr11082227
Wang P, Shen X, Li R, Qu H, Cao J, Chen Y, Chen M. T-S Fuzzy Algorithm Optimized by Genetic Algorithm for Dry Fermentation pH Control. Processes. 2023; 11(8):2227. https://doi.org/10.3390/pr11082227
Chicago/Turabian StyleWang, Pengjun, Xing Shen, Ruirong Li, Haoli Qu, Jie Cao, Yongsheng Chen, and Mingjiang Chen. 2023. "T-S Fuzzy Algorithm Optimized by Genetic Algorithm for Dry Fermentation pH Control" Processes 11, no. 8: 2227. https://doi.org/10.3390/pr11082227
APA StyleWang, P., Shen, X., Li, R., Qu, H., Cao, J., Chen, Y., & Chen, M. (2023). T-S Fuzzy Algorithm Optimized by Genetic Algorithm for Dry Fermentation pH Control. Processes, 11(8), 2227. https://doi.org/10.3390/pr11082227

