Development of LoRa Communication System for Effective Transmission of Data from Underground Coal Mines
Abstract
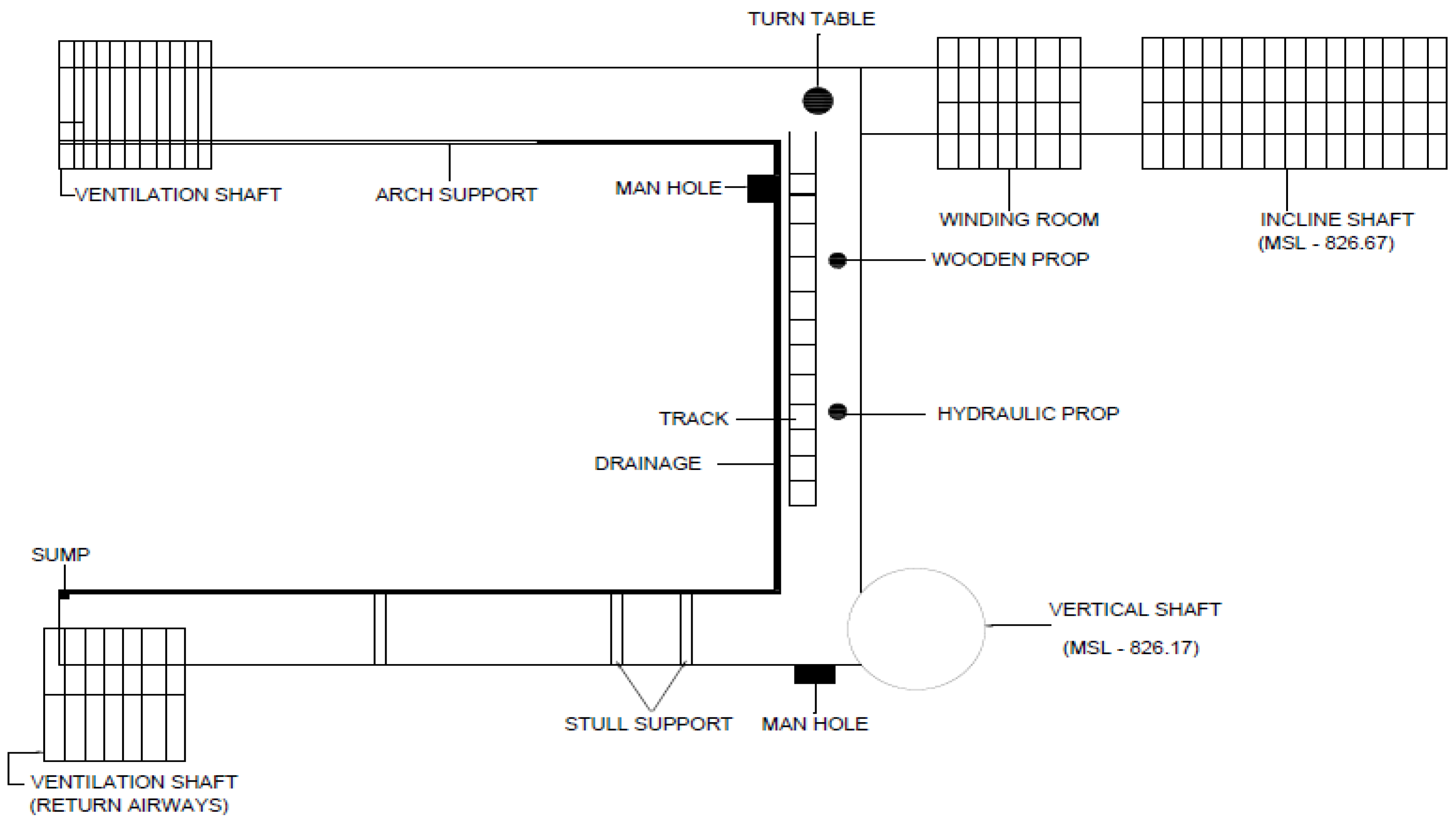
1. Introduction
2. Related Work
2.1. Existing Communication of Gas Monitoring for Underground Coal Mines
2.2. Monitoring of the Underground Mine Environment
2.3. Communication of Mine Environmental Data for Underground Mine
2.4. LoRa and LoRaWAN Operation
3. Materials and Methods
3.1. Features of the System
3.2. Hardware Design
3.3. System Description
4. Results
4.1. Path Loss with the Line of Sight
4.2. Exponent of Path Loss
4.3. RSSI Variation Distribution
4.4. Effect of Receiver Position within Underground Mine Model on RSSI
4.5. Signal-to-Noise Ratio
4.6. LoRa without a Line of Sight
4.7. Effect of Position for Non-Line of Sight on RSSI
4.8. Measurements near the Drive Junction
4.9. Signal Strength Diffraction Modelling at the Drive Junction
5. Discussion
5.1. Merits of the Developed System
- Safety: Underground Coal gas monitoring devices can help ensure the safety of coal miners by detecting the presence of harmful gases. This LoRa system can efficiently transmit the gas concentration levels received from the sensors to the surface of the underground coal mine.
- Early Detection: The developed device can detect the presence of gases at an early stage, allowing for immediate action to be taken to save the life of miners and mining property.
- Cost Effective: The LoRa communication system is cost-effective compared to the wired communication system.
- Mobility: Since it is a wireless communication system, the sensors can be moved and adjusted as required.
- Long-range communication: LoRa (Long Range) technology provides enabling the system to transmit data over long distances efficiently.
- Reliability: Since it is a wireless system, it can monitor any nook and corner in an underground mine compared to a wired system.
5.2. Demerits of the Developed System
- Scalability: LoRa installations will link many endpoint devices engaged in monitoring and communicating activities. When more devices are connected, efficiency should be evaluated.
- Maintenance: These devices require regular maintenance to ensure their accuracy and reliability.
5.3. Limitations
- The device was used for a limited depth of 15 m from the surface and to know the nature of RSSI with respect to more depth is not included in this study.
- The device is tested for Bord and Pillar condition with limited obstacles.
6. Conclusions
Author Contributions
Funding
Institutional Review Board Statement
Informed Consent Statement
Data Availability Statement
Acknowledgments
Conflicts of Interest
References
- Sanmiquel, L.; Bascompta, M.; Rossell, J.M.; Anticoi, H.F.; Guash, E. Analysis of Occupational Accidents in Underground and Surface Mining in Spain Using Data-Mining Techniques. Int. J. Environ. Res. Public Health 2018, 15, 462. [Google Scholar] [CrossRef]
- Ovalioglu, E. Coal Power Plants. Research Gate. 2022. Available online: https://www.researchgate.net/publication/360919314 (accessed on 2 February 2023).
- Tripathy, D.P.; Ala, C.K. Identification of safety hazards in Indian underground coal mines. J. Sustain. Min. 2018, 17, 175–183. [Google Scholar] [CrossRef]
- Anas, M.; Haider, S.M.; Sharma, P. Gas Monitoring and Testing in Underground Mines using Wireless Technology. Int. J. Eng. Res. Technol. (IJERT) 2017, 6, 412–416. [Google Scholar]
- Mishra, P.K.; Swain, A.; Kumar, S.; Mandal, S.K. Wireless Paging System for Underground Mines. Radio Electron. Commun. Syst. 2021, 64, 14–25. [Google Scholar] [CrossRef]
- Shahani, N.M.; Sajid, M.J.; Brohi, M.A.; Qureshi, A.R.; Shahani, L.B.; Bachal, S.; Ullah, B. An Empirical Analysis of Fatal Accidents in the Coal Mines of Pakistan. In Proceedings of the International Conference on Energy, Resources, Environment and Sustainable Development, Xuzhou, China, 31 May–3 June 2019. [Google Scholar]
- Deng, Y.; Song, L.; Zhou, Z.; Liu, P. An Approach for Understanding and Promoting Coal Mine Safety by Exploring Coal Mine Risk Network. Hindawi 2017, 2017, 7628569. [Google Scholar] [CrossRef]
- Jo, B.W.; Khan, R.M.A. An Event Reporting and Early-Warning Safety System Based on the Internet of Things for Underground Coal Mines: A Case Study. Appl. Sci. 2017, 7, 925. [Google Scholar] [CrossRef]
- Underwood, P.; Waterson, P. Systemic accident analysis: Examining the gap between research and practice. Accid. Anal. Prev. 2013, 55, 154–164. [Google Scholar] [CrossRef]
- Zhang, J.; Zeng, Y.; Reniers, G.; Liu, J. Analysis of the Interaction Mechanism of the Risk Factors of Gas Explosions in Chinese Underground Coal Mines. Int. J. Environ. Res. Public Health 2022, 19, 1002. [Google Scholar] [CrossRef]
- Szlazak, N.; Obracaj, D.; Swolkien, J. Enhancing Safety in the Polish High-Methane Coal Mines: An Overview. Min. Metall. Explor. 2020, 37, 567–579. [Google Scholar] [CrossRef]
- Li, L.; Yang, Z. Emergency response analysis of fatal gas explosions based on a case study. Chem. Eng. Trans. 2017, 62, 1363–1368. [Google Scholar] [CrossRef]
- Mitragotri, S.D.; Karwankar, A.R. Coal Mine Robot for Detection of Hazardous Gas. Int. J. Adv. Res. Electr. Electron. Instrum. Eng. 2016, 5, 4. [Google Scholar]
- Cheng, J.W.; Yang, S.Q. Improved Coward Explosive Triangle for Determining Explosibility of Mixture Gas. Process Saf. Environ. Prot. 2011, 89, 89–94. [Google Scholar] [CrossRef]
- Bo, C.; Xin, C.; Zhongyi, Z.; Chengwen, Z.; Junliang, C. Web of Things-Based Remote Monitoring System for Coal Mine Safety Using Wireless Sensor Network. Int. J. Distrib. Sens. Netw. 2014, 10, 323127. [Google Scholar] [CrossRef]
- Dohare, Y.S.; Maity, T.; Das, P.S.; Paul, P.S. Wireless Communication and Environment Monitoring in Underground Coal Mines–Review. IETE Tech. Rev. 2015, 32, 140–150. [Google Scholar] [CrossRef]
- Kumar, A.; Singh, K.; Bhattacharya, D. A Wireless Surveillance and Safety System for Mine Workers based on Zigbee. Int. J. Sci. Eng. Technol. 2013, 2, 979–981. [Google Scholar]
- Daoud, M.; Farjow, W.; Fernando, X. A novel diagnostic system for adding reliability to communication networks in underground mines. In Proceedings of the 2011 24th Canadian Conference on Electrical and Computer Engineering (CCECE), Niagara Falls, ON, Canada, 8–11 May 2011; pp. 001342–001346. [Google Scholar]
- Lia, M.; Hakem, N.; Ailas, M. Dust effects on Leaky Feeder cable in an underground mine environment. In Proceedings of the IEEE Antennas and Propagation Society International Symposium (APSURSI), Orlando, FL, USA, 7–13 July 2013; pp. 1610–1611. [Google Scholar]
- Nutter, R. Underground Coal Mine Communications and Tracking Status SAGO Plus One Year. In Proceedings of the 2007 IEEE Industry Applications Annual Meeting, New Orleans, LA, USA, 23–27 September 2007; pp. 2086–2089. [Google Scholar]
- Choudhury, B.; Jha, R.M. A refined ray tracing approach for wireless communications inside underground mines and metro rail tunnels. In Proceedings of the Applied Electromagnetics Conference (AEMC), Kolkata, India, 18–22 December 2011; pp. 1–4. [Google Scholar]
- Song, J.-L.; Gao, H.-W.; Song, Y. Research on Transceiver System of WSN Based on V-MIMO Underground Coal Mines. In Proceedings of the WRI International Conference on Communications and Mobile Computing, CMC, Shenzhen, China, 12–14 April 2010; Volume 2, pp. 374–378. [Google Scholar]
- Holloway, C.L.; Hill, D.A.; Dalke, R.A.; Hufford, G.A. Radio wave propagation characteristics in lossy circular waveguides such as tunnels, mine shafts, and boreholes. Antennas Propag. IEEE Trans. 2000, 48, 1354–1366. [Google Scholar] [CrossRef]
- Zhang, Y.P.; Zheng, G.X.; Sheng, J.H. Radio propagation at 900 MHz in underground coal mines. Antennas Propag. IEEE Trans. 2001, 49, 757–762. [Google Scholar] [CrossRef]
- Chaamwe, N.; Liu, W.; Jiang, H. Seismic monitoring in underground mines: A case of mufulira mine in Zambia: Using wireless sensor networks for seismic monitoring. In Proceedings of the International Conference on Electronics and Information Engineering (ICEIE), Kyoto, Japan, 1–3 August 2010; Volume 1, pp. V1-310–V1-314. [Google Scholar]
- Landel, S.; Matte, P.N. Coal Mine Monitoring System for Rescue and Protection Using ZigBee. Int. J. Adv. Res. Comput. Eng. Technol. 2015, 4. Available online: https://www.semanticscholar.org/paper/Coal-Mine-Monitoring-System-for-Rescue-and-using-Lande/63577efd5d0fe941e6f7e87dfc5bc648c60cb7f0 (accessed on 24 February 2023).
- Chou, J. Hazardous Gas Monitor: A Practical Guide to Selection, Operation, and Applications; McGraw Hill Publication: New York, NY, USA, 1999. [Google Scholar]
- Muduli, L.; Mishra, D.P.; Jana, P.K. Application of wireless sensor network for environmental monitoring in underground coal mines: A systematic review. J. Netw. Comput. Appl. 2018, 106, 48–67. [Google Scholar] [CrossRef]
- Einicke, G.; Dekker, D.; Hainsworth, D. A Review of Underground Communications Systems.—Exploration and Mining, PO Box 883, Kenmore 4069, Australia. 1997, pp. 1–9. Available online: https://www.academia.edu/18045758/A_Review_of_Underground_Communications_Systems (accessed on 15 February 2023).
- Tong, R.; Yang, Y.; Ma, X.; Zhang, Y.; Li, S.; Yang, H. Risk assessment of Miners’ unsafe behaviors: A case study of gas explosion accidents in coal mine. China. Int. J. Environ. Res. Public Health 2019, 16, 1765. [Google Scholar] [CrossRef]
- Ranjith, L.; Fanai, L.; Choeden, K.; Kumar, S.; Kumar, P. IoT-Based Power Line Communication in Underground Coal Mines. In Proceedings of the First International Conference on Advanced Scientific Innovation in Science, Engineering and Technology, ICASISET 2020, Chennai, India, 16–17 May 2020. [Google Scholar] [CrossRef]
- Doddi, V.K.; Anuradha, N. A Coal Mine Safety System using Wireless Sensor Network. Int. J. Prof. Eng. Stud. 2014, 2, 1–6. [Google Scholar]
- Kumar, B.V.; Jayasree, B.; Kiruthika, D. Iot-based underground coal mine safety system. J. Phys. Conf. Ser. 2021, 1717, 012030. [Google Scholar] [CrossRef]
- A Technical Overview of LoRa and LoRaWAN, Lora Alliance, San Ramon, US. 2015. Available online: https://www.lora (accessed on 3 March 2023).
- Erturk, M.A.; Aydin, M.A.; Buyukakkaslar, M.T.; Evirgen, H. A Survey on LoRaWAN Architecture, Protocol and Technologies. Future Internet 2019, 11, 216. [Google Scholar] [CrossRef]
- Zrelli, A.; Ezzedine, T. Design of optical and wireless sensors for underground mining monitoring system. Optik 2018, 170, 376–383. [Google Scholar] [CrossRef]
- Semtech SX1301 Datasheet. 2017. Available online: https://datasheet4u.com/datasheet-pdf/Semtech/SX1301/pdf.php?id=1327734 (accessed on 3 February 2020).
- LoRa Alliance LoRaWAN 1.1 Specification. 2017. Available online: https://net868.ru/assets/pdf/LoRaWAN-v1.1.pdf (accessed on 3 February 2020).
- Isenstein, R.J. US Patent on the Detection of Hazardous Gas Leakage. U.S. Patent No. 5563578, 8 October 1996. [Google Scholar]
- Mcfadden, E.F.; Bacharach, Inc. US Patent on Gas Detection Circuitry. U.S. Patent No. US6489787B1, 3 December 2002. [Google Scholar]
- Libelium Waspnode LoRa 868Mhz-915Mhz SX1272 Networking Guide. 2015. Available online: http://www.libelium.com/development/waspnode/documentation/waspnode-lora-868mhz-915mhz-sx1272networking-guide (accessed on 3 February 2020).
- The Coal Mine Regulations. 2017. Available online: https://www.dgms.gov.in/writereaddata/UploadFile/Coal_Mines_Regulation_1957.pdf (accessed on 27 February 2023).
- Branch, P. Measurements and Models of 915 MHz LoRa Radio Propagation in an Underground Gold Mine. Sensors 2022, 22, 8653. [Google Scholar] [CrossRef]
- Rappaport, T.S. Wireless Communications: Principles and Practice; Prentice Hall PTR: Hoboken, NJ, USA, 1996; Volume 2. [Google Scholar]
- Abrardo, A.; Pozzebon, A. A Multi-Hop LoRa Linear Sensor Network for the Monitoring of Underground Environments: The Case of the Medieval Aqueducts in Siena, Italy. Sensors 2019, 19, 402. [Google Scholar] [CrossRef]
- Zhang, J.; Huang, J.; He, Y. A Novel RSSI-Interference Model for Multi-hop Wireless Sensor Networks. In Proceedings of the 2019 IEEE Global Communications Conference (GLOBECOM), Waikoloa, HI, USA, 9–13 December 2019; pp. 1–6. [Google Scholar]
- Chen, J.; Ma, X.; Peng, Z. Effect of Device Orientation on RSSI Measurements in Wireless LANs. In Proceedings of the 2020 IEEE 16th International Conference on Wireless and Mobile Computing, Networking and Communications (WiMob), Thessaloniki, Greece, 12–14 October 2020; pp. 1–6. [Google Scholar]
- Tang, L.; Lu, Z.; Han, K. The Impact of Channel Asymmetry on RSSI Distance Estimation for Wi-Fi Localization. In Proceedings of the 2018 IEEE International Conference on Communications (ICC), Kansas City, MO, USA, 20–24 May 2018; pp. 1–6. [Google Scholar]
- “LoRa Technology Overview” by Semtech. Available online: https://www.semtech.com/uploads/documents/AN1200.22.pdf (accessed on 22 March 2023).
- “LoRaWAN 1.0 Specification” by the LoRa Alliance. Available online: https://lora-alliance.org/resource-hub/lorawan-10-specification (accessed on 30 March 2023).
















| Sl. No. | Gases | Permissible Limit (%) |
|---|---|---|
| 1 | Methane (CH4) | 0.75 (intake airways) |
| 1.25 (return airways) | ||
| 2 | Carbon dioxide (CO2) | 0.5 |
| 3 | Carbon monoxide (CO) | 0.005 |
| 4 | Oxygen (O2) | 19 |
| 5 | Hydrogen Sulphide (H2S) | 0.0005 |
Disclaimer/Publisher’s Note: The statements, opinions and data contained in all publications are solely those of the individual author(s) and contributor(s) and not of MDPI and/or the editor(s). MDPI and/or the editor(s) disclaim responsibility for any injury to people or property resulting from any ideas, methods, instructions or products referred to in the content. |
© 2023 by the authors. Licensee MDPI, Basel, Switzerland. This article is an open access article distributed under the terms and conditions of the Creative Commons Attribution (CC BY) license (https://creativecommons.org/licenses/by/4.0/).
Share and Cite
Kumar, P.P.; Paul, P.S.; Ananda, M. Development of LoRa Communication System for Effective Transmission of Data from Underground Coal Mines. Processes 2023, 11, 1691. https://doi.org/10.3390/pr11061691
Kumar PP, Paul PS, Ananda M. Development of LoRa Communication System for Effective Transmission of Data from Underground Coal Mines. Processes. 2023; 11(6):1691. https://doi.org/10.3390/pr11061691
Chicago/Turabian StyleKumar, Paul Prasanna, Partha Sarathi Paul, and Manjunath Ananda. 2023. "Development of LoRa Communication System for Effective Transmission of Data from Underground Coal Mines" Processes 11, no. 6: 1691. https://doi.org/10.3390/pr11061691
APA StyleKumar, P. P., Paul, P. S., & Ananda, M. (2023). Development of LoRa Communication System for Effective Transmission of Data from Underground Coal Mines. Processes, 11(6), 1691. https://doi.org/10.3390/pr11061691

