Study on Performance Comparison of Two Hydrogen Liquefaction Processes Based on the Claude Cycle and the Brayton Refrigeration Cycle
Abstract
:1. Introduction
2. Process Description and Modeling
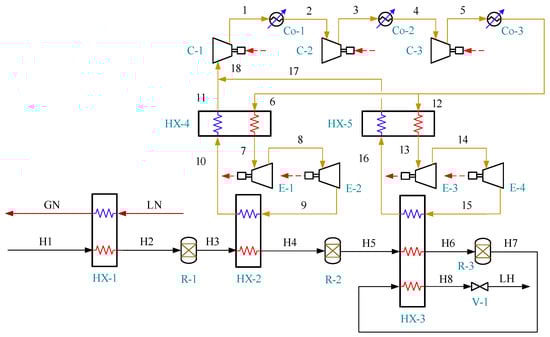
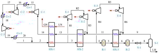
2.1. Description of the Processes
2.2. Process Known Conditions
2.3. Conversion between Para- and Ortho-Hydrogen
2.4. Thermodynamic Analysis Models
3. Results and Analysis
3.1. Sensitivity Analysis
3.2. Performance Comparison between Processes
3.3. Composite Curve Analysis
3.4. Exergy Analysis
4. Conclusions
Author Contributions
Funding
Data Availability Statement
Conflicts of Interest
References
- Sun, H.; Geng, J.L.; Wang, C.; Rong, G.X.; Gao, X.Y.; Xu, J.M.; Yang, D.C. Optimization of a hydrogen liquefaction process utilizing mixed refrigeration considering stages of ortho-para hydrogen conversion. Int. J. Hydrogen Energy 2022, 47, 17271–17284. [Google Scholar] [CrossRef]
- Wijayanta, A.T.; Oda, T.; Purnomo, C.W.; Kashiwagi, T.; Aziz, M. Liquid hydrogen, methylcyclohexane, and ammonia as potential hydrogen storage: Comparison review. Int. J. Hydrogen Energy 2019, 44, 15026–15044. [Google Scholar] [CrossRef]
- Jackson, S.; Brodal, E. Optimization of a mixed refrigerant based H2 liquefaction pre-cooling process and estimate of liquefaction performance with varying ambient temperature. Energies 2021, 14, 6090. [Google Scholar] [CrossRef]
- Andersson, J.; Gronkvist, S. Large-scale storage of hydrogen. Int. J. Hydrogen Energy 2019, 44, 11901–11919. [Google Scholar] [CrossRef]
- Lee, S.-Y.; Lee, J.-H.; Kim, Y.-H.; Kim, J.-W.; Lee, K.-J.; Park, S.-J. Recent progress using solid-state materials for hydrogen storage: A short review. Processes 2022, 10, 304. [Google Scholar] [CrossRef]
- Zhou, L. Progress and problems in hydrogen storage methods. Renew. Sust. Energy Rev. 2005, 9, 395–408. [Google Scholar] [CrossRef]
- Zhao, Y.X.; Gong, M.Q.; Yuan, Z.; Dong, X.Q.; Jun, S. Thermodynamics analysis of hydrogen storage based on compressed gaseous hydrogen, liquid hydrogen and cryo-compressed hydrogen. Int. J. Hydrogen Energy 2019, 44, 16833–16840. [Google Scholar]
- Hookham, M.J.F.; Le Gendre, E.; Coulpier, C.; Carré, M.; Morris, A.S.O.; Moore, N.; Hristova, Y.; Bacquart, T. Impact of hydrogen liquefaction on hydrogen fuel quality for transport applications (ISO-14687:2019). Processes 2022, 10, 1697. [Google Scholar] [CrossRef]
- Nandi, T.K.; Sarangi, S. Performance and optimization of hydrogen liquefaction cycles. Int. J. Hydrogen Energy 1993, 18, 131–139. [Google Scholar] [CrossRef]
- Al Ghafri, S.; Munro, S.; Cardella, U.; Funke, T.; Notardonato, W.; Trusler, J.M.; Leachman, J.; Span, R.; Kamiya, S.; Pearce, S. Hydrogen liquefaction: A review of the fundamental physics, engineering practice and future opportunities. Energy Environ. Sci. 2022, 15, 2690. [Google Scholar] [CrossRef]
- Cammarata, G.; Fichera, A.; Guglielmino, D. Optimization of a liquefaction plant using genetic algorithms. Appl. Energy 2001, 68, 19–29. [Google Scholar] [CrossRef]
- Tarique, A.; Dincer, I.; Zamfirescu, C. Application of scroll expander in cryogenic process of hydrogen liquefaction. In Progress in Exergy, Energy, and the Environment; Springer: Cham, Switzerland, 2014; pp. 91–97. [Google Scholar]
- Baker, C.R.; Shaner, R.L. A study of the efficiency of hydrogen liquefaction. Int. J. Hydrogen Energy 1978, 3, 321–334. [Google Scholar] [CrossRef]
- Bracha, M.; Lorenz, G.; Patzelt, A.; Manner, M. Large-scale hydrogen liquefaction in Germany. Int. J. Hydrogen Energy 1994, 19, 53–59. [Google Scholar] [CrossRef]
- Kuendig, A.; Loehlein, K.; Kramer, G.J.; Huijsmans, J. Large scale hydrogen liquefaction in combination with LNG re-gasification. In Proceedings of the 16th World Hydrogen Energy Conference, Lyon, France, 13–16 June 2006; pp. 3326–3333. [Google Scholar]
- Cardella, U.; Decker, L.; Klein, H. Roadmap to economically viable hydrogen liquefaction. Int. J. Hydrogen Energy 2017, 42, 13329–13338. [Google Scholar] [CrossRef]
- Ebrahimi, A.; Ghorbani, B.; Ziabasharhagh, M. Pinch and sensitivity analyses of hydrogen liquefaction process in a hybridized system of biomass gasification plant, and cryogenic air separation cycle. J. Clean. Prod. 2020, 258, 120548. [Google Scholar] [CrossRef]
- Kaşka, Ö.; Yılmaz, C.; Bor, O.; Tokgoz, N. The performance assessment of a combined organic Rankine-vapor compression refrigeration cycle aided hydrogen liquefaction. Int. J. Hydrogen Energy 2018, 43, 20192–20202. [Google Scholar] [CrossRef]
- Meng, Y.; Wu, H.Y.; Zheng, Y.H.; Wang, K.P.; Duan, Y.Y. Comparative analysis and multi-objective optimization of hydrogen liquefaction process using either organic Rankine or absorption power cycles driven by dual-source biomass fuel and geothermal energy. Energy 2022, 253, 124078. [Google Scholar] [CrossRef]
- Mehrenjani, J.R.; Gharehghani, A.; Sangesaraki, A.G. Machine learning optimization of a novel geothermal driven system with LNG heat sink for hydrogen production and liquefaction. Energy Convers. Manag. 2022, 254, 115266. [Google Scholar] [CrossRef]
- Li, K.Y.; Zhang, S.G.; Liu, G.L. Model for analyzing the energy efficiency of hydrogen liquefaction process considering the variation of hydrogen liquefaction ratio and precooling temperature. Int. J. Hydrogen Energy 2022, 47, 24194–24211. [Google Scholar] [CrossRef]
- Quack, H. Conceptual design of a high efficiency large capacity hydrogen liquefier. AIP Conf. Proc. 2002, 613, 255–263. [Google Scholar]
- Krasae-In, S. Optimal operation of a large-scale liquid hydrogen plant utilizing mixed fluid refrigeration system. Int. J. Hydrogen Energy 2014, 39, 7015–7029. [Google Scholar] [CrossRef]
- Valenti, G.; Macchi, E. Proposal of an innovative, high-efficiency, large-scale hydrogen liquefier. Int. J. Hydrogen Energy 2008, 33, 3116–3121. [Google Scholar] [CrossRef]
- Park, S.; Noh, W.; Park, J.; Park, J.; Lee, I. Efficient heat exchange configuration for sub-cooling cycle of hydrogen liquefaction process. Energies 2022, 15, 4560. [Google Scholar] [CrossRef]
- Azizabadi, H.R.; Ziabasharhagh, M.; Mafi, M. Applicability of the common equations of state for modeling hydrogen liquefaction processes in Aspen HYSYS. Gas Process. J. 2021, 9, 11–28. [Google Scholar]
- Bonhoeffer, K.; Harteck, P. Experimente über para-und orthowasserstoff. Naturwissenschaften 1929, 17, 182. [Google Scholar] [CrossRef]
- Harkness, R.W.; Deming, W.E. The equilibrium of para and ortho Hydrogen. J. Am. Chem. Soc. 1932, 54, 2850–2852. [Google Scholar] [CrossRef]
- Yang, J.; Li, Y.Z.; Tan, H.B.; Bian, J.; Cao, X.W. Optimization and analysis of a hydrogen liquefaction process integrated with the liquefied natural gas gasification and organic Rankine cycle. J. Energy Storage 2023, 59, 106490. [Google Scholar] [CrossRef]
- Cao, X.W.; Yang, J.; Zhang, Y.; Gao, S.; Bian, J. Process optimization, exergy and economic analysis of boil-off gas reliquefaction processes for LNG carriers. Energy 2022, 242, 122947. [Google Scholar] [CrossRef]
- Bian, J.; Yang, J.; Li, Y.X.; Chan, Z.Q.; Liang, F.C.; Cao, X.W. Thermodynamic and economic analysis of a novel hydrogen liquefaction process with LNG precooling and dual-pressure Brayton cycle. Energy Convers. Manag. 2021, 250, 114904. [Google Scholar] [CrossRef]
- Sadaghiani, M.S.; Mehrpooya, M. Introducing and energy analysis of a novel cryogenic hydrogen liquefaction process configuration. Int. J. Hydrogen Energy 2017, 42, 6033–6050. [Google Scholar] [CrossRef]









| Feed parameter | |
| Mass flow rate (t/d) | 120 |
| Para-hydrogen proportion (%) | 25 |
| Pressure (kPa) | 2100 |
| Temperature (°C) | 25 |
| Product parameter | |
| Para-hydrogen proportion (%) | >95 |
| Pressure (kPa) | 130 |
| Temperature (°C) | −252.5 |
| Equipment parameter | |
| Compressors (isentropic efficiency, %) | 80 |
| Coolers (cooling temperature, °C) | 25 |
| Expanders (isentropic efficiency, %) | 85 |
| Heat exchangers (minimum temperature approach, °C) | 1 |
| Liquid nitrogen parameter | |
| Temperature (°C) | −196 |
| Pressure (kPa) | 101 |
| Mass flow rate (t/h) | 40 |
| Equipment | Energy Equation | Exergy Equation |
|---|---|---|
| Heat exchanger | ||
| Compressor | ||
| Expander | ||
| Valve | ||
| Cooler |
Disclaimer/Publisher’s Note: The statements, opinions and data contained in all publications are solely those of the individual author(s) and contributor(s) and not of MDPI and/or the editor(s). MDPI and/or the editor(s) disclaim responsibility for any injury to people or property resulting from any ideas, methods, instructions or products referred to in the content. |
© 2023 by the authors. Licensee MDPI, Basel, Switzerland. This article is an open access article distributed under the terms and conditions of the Creative Commons Attribution (CC BY) license (https://creativecommons.org/licenses/by/4.0/).
Share and Cite
Yang, J.; Li, Y.; Tan, H. Study on Performance Comparison of Two Hydrogen Liquefaction Processes Based on the Claude Cycle and the Brayton Refrigeration Cycle. Processes 2023, 11, 932. https://doi.org/10.3390/pr11030932
Yang J, Li Y, Tan H. Study on Performance Comparison of Two Hydrogen Liquefaction Processes Based on the Claude Cycle and the Brayton Refrigeration Cycle. Processes. 2023; 11(3):932. https://doi.org/10.3390/pr11030932
Chicago/Turabian StyleYang, Jian, Yanzhong Li, and Hongbo Tan. 2023. "Study on Performance Comparison of Two Hydrogen Liquefaction Processes Based on the Claude Cycle and the Brayton Refrigeration Cycle" Processes 11, no. 3: 932. https://doi.org/10.3390/pr11030932
APA StyleYang, J., Li, Y., & Tan, H. (2023). Study on Performance Comparison of Two Hydrogen Liquefaction Processes Based on the Claude Cycle and the Brayton Refrigeration Cycle. Processes, 11(3), 932. https://doi.org/10.3390/pr11030932

