Exergoeconomic Analysis of an Integrated Solar Combined Cycle in the Al-Qayara Power Plant in Iraq
Abstract
1. Introduction
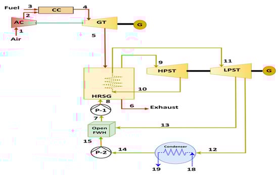
2. Models Description
2.1. Thermodynamics Analysis
2.2. Economic Analysis
3. Results
4. Conclusions
- Integrating the NGCC and ISCC cycles is both economically and thermodynamically feasible.
- Adding the solar collector to the NGCC system improves the system’s power and total efficiency.
- The NGCC’s net generating capacity is 493.5 MW, its ηenergy is 44.84 percent, and its Ψexergy is 43.35 percent. The ISCC cycle generates 561.5 MW of Ẇnet when the solar collectors are added to the NGCC. As a result, the ηenergy rises to 51 percent, while the Ψexergy rises to 49.26 percent for the ISCC.
- The ISCC performs better than the NGCC because the solar collector supplies more heat to the HRSG.
- The electricity of all cycles decreases with an increase in the GTIT until it reaches a minimum and then increases as the GTIT further increases. At high GTIT, the costs of the CC and G.T. rise dramatically and cause an increase in the electricity of all cycles.
- The Ẇnet of the ISCC and NGCC systems rises when the PHPST, in increases due to the increasing steam enthalpy at the HPST’s exit, whereas the electricity for each cycle stays nearly fixed with the rise.
- The ISCC system’s overall unit cost of production expenses range between 12.2 USD/MWh and 12.66 USD/MWh, while NGCC system’s overall unit cost of production ranges between 9.98 USD/MWh and 11.41 USD/MWh during the year.
- The maximum power production of NGCC is 519.5 MW in January, while the lowest output is 462.7 MW in September.
- The ISCC system produces maximum power in April (574.7 MW) whereas the minimum power is produced in September (around 539 MW).
Author Contributions
Funding
Conflicts of Interest
Nomenclature
| area of the solar field (m2) | |
| cost rate (USD/h) | |
| DNI | direct normal irradiance of the sun |
| exergy rate (kJ) | |
| mass flow rate (kg/s) | |
| h | specific enthalpy (kJ kg−1) |
| CRF | purchase cost (USD) |
| N | number of operating hours |
| fuel’s lower heating value | |
| heat transfer rate (kW) | |
| T | Temperature |
| sun temperature | |
| power (kW) | |
| Greek Symbols | |
| energy efficiency | |
| maintenance factor | |
| i | interest rate |
| exergy efficiency | |
| Subscripts | |
| D | Destruction |
| e | Exit |
| i | Inlet |
| f | Fuel |
| p | Product |
| q | related to heat |
| w | related to work |
| tot | Total |
| Therminol VP-1 | |
| Abbreviations | |
| A.C. | air compressor |
| BC | Brayton cycle |
| CC | combustion chamber |
| Con | Condenser |
| 𝐶𝑅𝐹 | capital recovery factor |
| G.T. | gas turbine |
| GTIT | gas turbine inlet temperature |
| HRSG | heat recovery steam generation |
| HPST | high-pressure steam turbine |
| ISCC | integrated solar combined cycle |
| LPST | low-pressure steam turbine |
| PTC | parabolic trough collector |
References
- Finn, P.; Fitzpatrick, C. Demand Side Management of Industrial Electricity Consumption: Promoting the Use of Renewable Energy through Real-Time Pricing. Appl. Energy 2014, 113, 11–21. [Google Scholar] [CrossRef]
- Wu, X.F.; Chen, G.Q. Global Primary Energy Use Associated with Production, Consumption and International Trade. Energy Policy 2017, 111, 85–94. [Google Scholar] [CrossRef]
- AlKassem, A. A Performance Evaluation of an Integrated Solar Combined Cycle Power Plant with Solar Tower in Saudi Arabia. Renew. Energy Focus 2021, 39, 123–138. [Google Scholar] [CrossRef]
- Siddiqui, O.; Dincer, I. Analysis and Performance Assessment of a New Solar-Based Multigeneration System Integrated with Ammonia Fuel Cell and Solid Oxide Fuel Cell-Gas Turbine Combined Cycle. J. Power Sources 2017, 370, 138–154. [Google Scholar] [CrossRef]
- Martins, F.; Felgueiras, C.; Smitkova, M.; Caetano, N. Analysis of Fossil Fuel Energy Consumption and Environmental Impacts in European Countries. Energies 2019, 12, 964. [Google Scholar] [CrossRef]
- Golneshan, A.A.; Nemati, H. Comparison of Six Gas Turbine Power Cycle, a Key to Improve Power Plants. Mech. Ind. 2021, 22. [Google Scholar] [CrossRef]
- Hamouda, M.A.; Shaaban, M.F.; Sharaf Eldean, M.A.; Fath, H.E.S.; Al Bardan, M. Technoeconomic Assessment of a Concentrated Solar Tower-Gas Turbine Co-Generation System. Appl. Therm. Eng. 2022, 212, 118593. [Google Scholar] [CrossRef]
- Ni, M.; Yang, T.; Xiao, G.; Ni, D.; Zhou, X.; Liu, H.; Sultan, U.; Chen, J.; Luo, Z.; Cen, K. Thermodynamic Analysis of a Gas Turbine Cycle Combined with Fuel Reforming for Solar Thermal Power Generation. Energy 2017, 137, 20–30. [Google Scholar] [CrossRef]
- Al-Kouz, W.; Almuhtady, A.; Nayfeh, J.; Abu-Libdeh, N.; Boretti, A. A 140 MW Solar Thermal Plant with Storage in Ma’an, Jordan. E3S Web Conf. 2020, 181. [Google Scholar] [CrossRef]
- Bonforte, G.; Buchgeister, J.; Manfrida, G.; Petela, K. Exergoeconomic and Exergoenvironmental Analysis of an Integrated Solar Gas Turbine/Combined Cycle Power Plant. Energy 2018, 156, 352–359. [Google Scholar] [CrossRef]
- Manente, G.; Rech, S.; Lazzaretto, A. Optimum Choice and Placement of Concentrating Solar Power Technologies in Integrated Solar Combined Cycle Systems. Renew. Energy 2016, 96, 172–189. [Google Scholar] [CrossRef]
- Wang, S.; Fu, Z.; Sajid, S.; Zhang, T.; Zhang, G. Thermodynamic and Economic Analysis of an Integrated Solar Combined Cycle System. Entropy 2018, 20, 313. [Google Scholar] [CrossRef] [PubMed]
- Kannaiyan, S.; Bokde, N.D.; Geem, Z.W. Solar Collectors Modeling and Controller Design for Solar Thermal Power Plant. IEEE Access 2020, 8, 81425–81446. [Google Scholar] [CrossRef]
- Adnan, M.; Zaman, M.; Ullah, A.; Gungor, A.; Rizwan, M.; Raza Naqvi, S. Thermo-Economic Analysis of Integrated Gasification Combined Cycle Co-Generation System Hybridized with Concentrated Solar Power Tower. Renew. Energy 2022, 198, 654–666. [Google Scholar] [CrossRef]
- Delgado, B.O.; Palenzuela, P.; Alarcón-Padilla, D. Integrated Seawater Multi-Effect Distillation and Parabolic Trough Concentrating Solar Thermal Power Plants. Processes 2022, 10, 573. [Google Scholar] [CrossRef]
- Li, Y.; Yang, Y. Thermodynamic Analysis of a Novel Integrated Solar Combined Cycle. Appl. Energy 2014, 122, 133–142. [Google Scholar] [CrossRef]
- Jenkins, B.; Mullinger, P. Industrial and Process Furnaces: Principles, Design and Operation; Elsevier: Amsterdam, The Netherlands, 2011; ISBN 0080558062. [Google Scholar]
- Zhang, Z.; Duan, L.; Wang, Z.; Ren, Y. General Performance Evaluation Method of Integrated Solar Combined Cycle (ISCC) System. Energy 2022, 240, 122472. [Google Scholar] [CrossRef]
- Hosseini, R.; Soltani, M.; Valizadeh, G. Technical and Economic Assessment of the Integrated Solar Combined Cycle Power Plants in Iran. Renew. Energy 2005, 30, 1541–1555. [Google Scholar] [CrossRef]
- Ameri, M.; Mohammadzadeh, M. Thermodynamic, Thermoeconomic and Life Cycle Assessment of a Novel Integrated Solar Combined Cycle (ISCC) Power Plant. Sustain. Energy Technol. Assess. 2018, 27, 192–205. [Google Scholar] [CrossRef]
- Adibhatla, S.; Kaushik, S.C. Energy, Exergy and Economic (3E) Analysis of Integrated Solar Direct Steam Generation Combined Cycle Power Plant. Sustain. Energy Technol. Assessments 2017, 20, 88–97. [Google Scholar] [CrossRef]
- Horn, M.; Führing, H.; Rheinländer, J. Economic Analysis of Integrated Solar Combined Cycle Power Plants A Sample Case: The Economic Feasibility of an ISCCS Power Plant in Egypt. Energy 2004, 29, 935–945. [Google Scholar] [CrossRef]
- Behar, O.; Khellaf, A.; Mohammedi, K.; Ait-Kaci, S. A Review of Integrated Solar Combined Cycle System (ISCCS) with a Parabolic Trough Technology. Renew. Sustain. Energy Rev. 2014, 39, 223–250. [Google Scholar] [CrossRef]
- Li, Y.; Yuan, J.; Yang, Y. Performance Analysis of a Novel Cascade Integrated Solar Combined Cycle System. Energy Procedia 2015, 75, 540–546. [Google Scholar] [CrossRef]
- Abdelhafidi, N.; Bachari, N.E.I.; Abdelhafidi, Z.; Cheknane, A.; Mokhnache, A.; Castro, L. Modeling of Integrated Solar Combined Cycle Power Plant (ISCC) of Hassi R’mel, Algeria. Int. J. Energy Sect. Manag. 2020, 14, 505–526. [Google Scholar] [CrossRef]
- Nezammahalleh, H.; Farhadi, F.; Tanhaemami, M. Conceptual Design and Techno-Economic Assessment of Integrated Solar Combined Cycle System with DSG Technology. Sol. Energy 2010, 84, 1696–1705. [Google Scholar] [CrossRef]
- Al Zahrani, A.; Bindayel, A.; Al Rished, A.; Perdichizzi, A.; Franchini, G.; Ravelli, S. Comparative Analysis of Different CSP Plant Configurations in Saudi Arabia. In Proceedings of the Saudi Arabia Smart Grid Conference, Jeddah, Saudi Arabia, 6–8 December 2016; pp. 1–7. [Google Scholar] [CrossRef]
- Alqahtani, B.J.; Patiño-Echeverri, D. Integrated Solar Combined Cycle Power Plants: Paving the Way for Thermal Solar. Appl. Energy 2016, 169, 927–936. [Google Scholar] [CrossRef]
- Franchini, G.; Perdichizzi, A.; Ravelli, S.; Barigozzi, G. A Comparative Study between Parabolic Trough and Solar Tower Technologies in Solar Rankine Cycle and Integrated Solar Combined Cycle Plants. Sol. Energy 2013, 98, 302–314. [Google Scholar] [CrossRef]
- Rovira, A.; Abbas, R.; Sánchez, C.; Muñoz, M. Proposal and Analysis of an Integrated Solar Combined Cycle with Partial Recuperation. Energy 2020, 198. [Google Scholar] [CrossRef]
- Belgasim, B.; Aldali, Y.; Abdunnabi, M.J.R.; Hashem, G.; Hossin, K. The Potential of Concentrating Solar Power ( CSP ) for Electricity Generation in Libya. Renew. Sustain. Energy Rev. 2018, 90, 1–15. [Google Scholar] [CrossRef]
- Sachdeva, J.; Singh, O. Thermodynamic Analysis of Solar Powered Triple Combined Brayton, Rankine and Organic Rankine Cycle for Carbon Free Power. Renew. Energy 2019. [CrossRef]
- Cengel, Y.A.; Boles, M.A. Thermodynamics: An Engineering Approach, 8th ed.; McGraw-Hill: New York, NY, USA, 2015; ISBN 9788578110796. [Google Scholar]
- Akroot, A.; Namli, L. Performance Assessment of an Electrolyte-Supported and Anode-Supported Planar Solid Oxide Fuel Cells Hybrid System. J. Ther. Eng. 2021, 7, 1921–1935. [Google Scholar] [CrossRef]
- Moran, M.J.; Shapiro, H.N.; Boettner, D.D.; Bailey, M.B. Fundamentals of Engineering Thermodynamics; John Wiley and Sons: Hoboken, NJ, USA, 2020; ISBN 9781118412930. [Google Scholar]
- Ge, Y.; Wei, Y.; Zhao, Q.; Pei, Y. Energy and Exergy Analysis on a Waste Heat Recovery Module for Helicopters. IEEE Access 2021, 9, 122618–122625. [Google Scholar] [CrossRef]
- Wang, S.; Zhang, L.; Liu, C.; Liu, Z.; Lan, S.; Li, Q.; Wang, X. Techno-Economic-Environmental Evaluation of a Combined Cooling Heating and Power System for Gas Turbine Waste Heat Recovery. Energy 2021, 231, 120956. [Google Scholar] [CrossRef]
- Nourpour, M.; Khoshgoftar Manesh, M.H. Evaluation of Novel Integrated Combined Cycle Based on Gas Turbine-SOFC-Geothermal-Steam and Organic Rankine Cycles for Gas Turbo Compressor Station. Energy Convers. Manag. 2022, 252, 115050. [Google Scholar] [CrossRef]
- Nami, H.; Mahmoudi, S.M.S.; Nemati, A. Exergy, Economic and Environmental Impact Assessment and Optimization of a Novel Cogeneration System Including a Gas Turbine, a Supercritical CO2 and an Organic Rankine Cycle (GT-HRSG/SCO2). Appl. Therm. Eng. 2017, 110, 1315–1330. [Google Scholar] [CrossRef]
- Bakhshmand, S.K.; Saray, R.K.; Bahlouli, K.; Eftekhari, H.; Ebrahimi, A. Exergoeconomic Analysis and Optimization of a Triple-Pressure Combined Cycle Plant Using Evolutionary Algorithm. Energy 2015, 93, 555–567. [Google Scholar] [CrossRef]
- Köse, Ö.; Koç, Y.; Yağlı, H. Energy, Exergy, Economy and Environmental (4E) Analysis and Optimization of Single, Dual and Triple Configurations of the Power Systems: Rankine Cycle/Kalina Cycle, Driven by a Gas Turbine. Energy Convers. Manag. 2021, 227, 113604. [Google Scholar] [CrossRef]
- Cavalcanti, E.J.C. Exergoeconomic and Exergoenvironmental Analyses of an Integrated Solar Combined Cycle System. Renew. Sustain. Energy Rev. 2017, 67, 507–519. [Google Scholar] [CrossRef]
- Musharavati, F.; Khanmohammadi, S.; Pakseresht, A. A Novel Multi-Generation Energy System Based on Geothermal Energy Source: Thermo-Economic Evaluation and Optimization. Energy Convers. Manag. 2021, 230, 113829. [Google Scholar] [CrossRef]
- Lugand, P.; Parietti, C. Combined Cycle Plants with Frame 9F Gas Turbines. Proc. ASME Turbo Expo 1990, 4, 1–8. [Google Scholar] [CrossRef]








| Author(s) | Location | CSP Type | Capacity of Total Plant (MWe) | Capacity of Solar Field (MWe) | Capacity Share (%) |
|---|---|---|---|---|---|
| Li et al. [24] | China | PT | 594 | - | - |
| Abdelhafidi et al. [25] | Algeria | PT | 160 | 22 | 13.75 |
| Nezammahalleh et al. [26] | Iran | PT | 451 | 67 | 14.85 |
| Al Zahrani et al. [27] | Saudi Arabia | PT & ST | 93 | 20 | 21.5 |
| Alqahtani and Echeverri [28] | U.S. | PT | 550 | 50 | 9 |
| Franchini et al. [29] | Spain | PT & ST | 89 | 21 | 23.6 |
| Horn et al. [22] | Egypt | PT | 124 | 11 | 8.8 |
| Rovira et al. [30] | Spain | PT | 130 | 5 | 3.85 |
| Parameter | Value | |
|---|---|---|
| No. of gas turbines | 3 | |
| G.T. cycle | Compression ratio | 12.3 |
| Air mass flow rate, kg/s | 418 × 3 | |
| GTIT, °C | 1087 | |
| Ambient temperature, K | Depends on the month | |
| LHV of fuel, (kJ/kg) | 50,056 | |
| ηAC, % | 86 | |
| ηGT, % | 89 | |
| ηCC, % | 99.7 | |
| RC cycle | HPST inlet pressure, bar | 100 |
| LPST inlet pressure, bar | 20 | |
| Condenser Temperature, °C | 35 | |
| ηST, % | 85 | |
| ηPump, % | 80 | |
| Effectiveness of HRSG, % | 70 | |
| Solar PTC field | Latitude location (deg.) | 35.35° N |
| Longitude location (deg.) | 43.16° E | |
| Location | Mosul/ Iraq | |
| Solar field area (m2) | 510,120 | |
| HTF outlet temperature (°C) | 393 | |
| HTF inlet temperature (°C) | 293 | |
| Working fluid | Therminol VP-1 |
| Month | DNI W/m2 | Average Temperature °C | Average Relative Humidity % |
|---|---|---|---|
| January | 3.93 | 7.42 | 56.38 |
| February | 4.32 | 9.75 | 56.44 |
| March | 5.17 | 12.53 | 55.75 |
| April | 5.62 | 21.85 | 34 |
| May | 6.86 | 28.87 | 20.5 |
| June | 7.95 | 32.23 | 15.25 |
| July | 7.76 | 36.39 | 17.19 |
| August | 7.27 | 35.64 | 17.44 |
| September | 6.48 | 29.29 | 20.38 |
| October | 5.29 | 22.83 | 27.38 |
| November | 4.55 | 15.08 | 54.06 |
| December | 3.86 | 8.8 | 54.06 |
| Equipment | Cost Function |
|---|---|
| A.C. | |
| CC | |
| GT | |
| HRSG | |
| HPST | |
| LPST | |
| Pump1 | |
| Pump2 | |
| OFWH | |
| PTC |
| Parameter | G.T. Frame 9 [44] | Present Model |
|---|---|---|
| Ambient temperature, °C | 19 | 19 |
| Gas turbine inlet temperature, °C | 1104 | 1104 |
| Ambient pressure, bar | 1.013 | 1.013 |
| Air mass flow, kg/s | 408.6 | 408.6 |
| Pressure ratio | 12.1 | 12.1 |
| Power output, MW | 116.9 | 118.6 |
| Exhaust temperature, °C | 529 | 537 |
| Thermal efficiency, % | 33.1 | 33.13 |
| Parameter | Present Model | Ref. [32] |
|---|---|---|
| H.P. steam pressure, kPa | 5000 | 5000 |
| LP steam pressure, kPa | 2000 | 2000 |
| L.P. steam reheat temperature, °C | 873 | 873 |
| Isentropic efficiency of S.T., % | 80 | 80 |
| Condenser Pressure of SRC, kPa | 5 | 5 |
| Mass flow rate of water, kg/s | 0.645 | 0.645 |
| Fraction of steam, % | 20 | 20 |
| Effectiveness of HRSG, % | 90 | 90 |
| Power (kW) | 55680 | 55240 |
| Thermal Efficiency (%) | 30.04 | 29.06 |
| State | m (kg/s) | P (kPa) | T (K) | h (kJ/kg) | s (K.J./kg. K) | E (M.W.) |
|---|---|---|---|---|---|---|
| 1 | 418 | 101.3 | 295 | 246.4 | 5.735 | 0 |
| 2 | 418 | 1277 | 659 | 623.4 | 5.832 | 145.5 |
| 3 | 7.33 | 101.3 | 288 | −4672 | 11.53 | 380 |
| 4 | 425.3 | 1213 | 1360 | 240.6 | 8.041 | 405.8 |
| 5 | 425.3 | 104.5 | 822.8 | −414.5 | 8.151 | 113.3 |
| 6 | 425.3 | 101.3 | 402.9 | −880.4 | 7.372 | 13.93 |
| 7 | 144.9 | 121.6 | 372.6 | 417 | 1.301 | 12.12 |
| 8 | 144.9 | 10133 | 373.9 | 430.1 | 1.308 | 13.71 |
| 9 | 144.9 | 9829 | 794.8 | 3433 | 6.68 | 285.9 |
| 10 | 144.9 | 2007 | 581.8 | 3044 | 6.801 | 224.4 |
| 11 | 144.9 | 1946 | 774.8 | 3473 | 7.452 | 258.4 |
| 12 | 130.4 | 5.583 | 308 | 2437 | 7.942 | 78.42 |
| 13 | 14.49 | 121.6 | 463.3 | 2855 | 7.702 | 15.8 |
| 14 | 130.4 | 5.583 | 308 | 146 | 0.5031 | 6.603 |
| 15 | 130.4 | 121.6 | 308 | 146.2 | 0.5032 | 6.618 |
| 16 | 427.7 | 1000 | 665 | 780.6 | 1.675 | 120.3 |
| 17 | 427.7 | 1000 | 566 | 539.3 | 1.283 | 67.11 |
| 18 | 6617 | 101 | 295 | 91.66 | 0.3228 | 0 |
| 19 | 6617 | 101 | 307 | 141.8 | 0.4895 | 6.592 |
| ISCC | NGCC | |
|---|---|---|
| Work net from BC | 363.1 MW | 363.1 MW |
| Work net from RC | 198.4 MW | 130.5 MW |
| Net output power | 561.5 MW | 493.5 MW |
| Overall exergy efficiency | 49.26% | 43.35% |
| Overall thermal efficiency | 51% | 44.84% |
| Electricity cost of the cycle | 6876 USD/h | 5508 USD/h |
| Cost for each MW | 11.16 USD | 12.23 USD |
| Component | No | |||||
|---|---|---|---|---|---|---|
| A.C. | 3 | 472.3 | 436.6 | 36.22 | 5.55 | 92.34 |
| CC | 3 | 1577 | 1217 | 359.2 | 55.1 | 77.21 |
| GT | 3 | 877.5 | 835.9 | 41.63 | 6.38 | 95.26 |
| HRSG | 1 | 351.3 | 306.2 | 45.06 | 6.84 | 87.17 |
| HPST | 1 | 61.56 | 56.33 | 5.23 | 0.79 | 91,51 |
| LPST | 1 | 164.1 | 144 | 20.13 | 3.06 | 87.74 |
| Cond | 1 | 71.82 | 5.6 | 65.23 | 9.91 | 10.33 |
| Pump 1 | 1 | 1.90 | 1.59 | 0.301 | 0.046 | 84.1 |
| Pump 2 | 1 | 0.02 | 0.015 | 0.004 | 0.0006 | 80.64 |
| OFWH | 1 | 22.42 | 12.12 | 10.3 | 1.57 | 54.04 |
| Collector | 1 | 114.4 | 53.23 | 61.17 | 9.29 | 46.53 |
Disclaimer/Publisher’s Note: The statements, opinions and data contained in all publications are solely those of the individual author(s) and contributor(s) and not of MDPI and/or the editor(s). MDPI and/or the editor(s) disclaim responsibility for any injury to people or property resulting from any ideas, methods, instructions or products referred to in the content. |
© 2023 by the authors. Licensee MDPI, Basel, Switzerland. This article is an open access article distributed under the terms and conditions of the Creative Commons Attribution (CC BY) license (https://creativecommons.org/licenses/by/4.0/).
Share and Cite
Talal, W.; Akroot, A. Exergoeconomic Analysis of an Integrated Solar Combined Cycle in the Al-Qayara Power Plant in Iraq. Processes 2023, 11, 656. https://doi.org/10.3390/pr11030656
Talal W, Akroot A. Exergoeconomic Analysis of an Integrated Solar Combined Cycle in the Al-Qayara Power Plant in Iraq. Processes. 2023; 11(3):656. https://doi.org/10.3390/pr11030656
Chicago/Turabian StyleTalal, Wadah, and Abdulrazzak Akroot. 2023. "Exergoeconomic Analysis of an Integrated Solar Combined Cycle in the Al-Qayara Power Plant in Iraq" Processes 11, no. 3: 656. https://doi.org/10.3390/pr11030656
APA StyleTalal, W., & Akroot, A. (2023). Exergoeconomic Analysis of an Integrated Solar Combined Cycle in the Al-Qayara Power Plant in Iraq. Processes, 11(3), 656. https://doi.org/10.3390/pr11030656

