Next Article in Journal
A Truthful Mechanism for Multibase Station Resource Allocation in Metaverse Digital Twin Framework
Next Article in Special Issue
Exergoeconomic Analysis of an Integrated Solar Combined Cycle in the Al-Qayara Power Plant in Iraq
Previous Article in Journal
Turned Surface Monitoring Using a Confocal Sensor and the Tool Wear Process Optimization
Previous Article in Special Issue
Optimum Design of a Solar-Wind-Diesel Hybrid Energy System with Multiple Types of Storage Devices Driving a Reverse Osmosis Desalination Process
 
 
Font Type:
Arial Georgia Verdana
Font Size:
Aa Aa Aa
Line Spacing:
Column Width:
Background:
Article

Design and Optimization of Coal to Hydrogen System Coupled with Non-Nominal Operation of Thermal Power Unit

1
Department of Chemical Engineering, Xi’an Jiaotong University, Xi’an 710049, China
2
Engineering Research Centre of New Energy System Engineering and Equipment, University of Shaanxi Province, Xi’an 710049, China
*
Authors to whom correspondence should be addressed.
Processes 2022, 10(12), 2600; https://doi.org/10.3390/pr10122600
Submission received: 22 September 2022 / Revised: 2 November 2022 / Accepted: 14 November 2022 / Published: 5 December 2022
(This article belongs to the Special Issue Application of Heat Recovery Systems in Energy)

Abstract

In an actual thermal power plant, deep peak shaving will cause thermal power units to run under non-nominal conditions for an extended period, resulting in serious problems such as increased equipment wearing, low equipment utilization efficiency and decreased benefits. To this end, in this work, both the design and optimization method for a coal to hydrogen system which is coupled with the expected non-nominal operation of thermal power units are proposed. Aiming towards maximum profit in the context of thermal power plants, a mathematical optimization model for a coal to hydrogen system based on the multi-period operating conditions of thermal power plants is established. The corresponding optimal design scheme of the coal to hydrogen system is determined using variable operating conditions. The superiority of the integrated system compared with an independent system is explored and the feasibility of the proposed method is verified by using the case study of an actual thermal power plant. The results show that compared with the independent system, the economic benefits of the integrated system can increase by 13.56%, where the sale of hydrogen in the coal to hydrogen system accounts for 60.3% of the total benefit. The main expenditure associated with the system is the purchase cost of feedstock coal, accounting for 91.8%. Since the required power and medium-pressure steam in the coal to hydrogen process are provided by thermal power units, the minimum operating load of the thermal power plant in the integrated system increases from 40% to 60.1%, which significantly improves the utilization efficiency and service life of the generator units. In addition, the proposed integration scheme of the system is simple and controllable, which can contribute to the maintenance of the safe and stable operation of power generation and hydrogen production processes. These results are expected to provide the necessary methodological guidance for the integration and optimization of coal-fired power plants and coal to hydrogen systems.

1. Introduction

In the context of carbon neutrality, the installed capacity and share of renewable energies, such as wind power, solar photovoltaic power and hydropower have risen rapidly. Existing thermal power units, especially large-scale coal-fired power plants, will face increasingly severe overcapacity and a decline in the annual available hours of power generation. In addition, the continuous rise in the price of coal will result in thermal power units participating in deep peak shaving [1]. However, the non-nominal operation of thermal power units in peak shaving processes will not only aggravate the wear and tear of devices and shorten their service life [2] but will also significantly increase coal and energy consumption [3] and reduce the economic benefits of thermal power plants. Therefore, seeking an economical and efficient operational mode that can adapt to the demand for peak shaving will become the key to the green transformation and development of thermal power plants [4,5].
Integrating thermal power units with an energy storage system or chemical production system is expected to provide new ways of solving this problem [6,7,8,9]. In this method, thermal power units can integrate with the energy storage system or hydrogen production system through electricity, steam and devices, etc. [10]. In this way, the problems of device wear [11] and low utilization efficiency caused by the frequent start–stop of thermal power units are avoided, thus prolonging the service life of the unit and increasing the power load [12,13]. Furthermore, the method is also conducive to improving the capacity of thermal power units when participating in depth peak shaving [14]. In general, the surplus electricity of thermal power plants can be converted into other forms of energy for storage, which serves to balance fluctuations in electricity over different periods [15]. In addition, using the surplus electricity and heat of thermal power plants for combined chemical production is optimal for thermal power plants when participate in deep peak shaving [16,17,18].
Benalcazar [7] optimized the thermal energy storage unit in a combined heat and power plant. With the aim of addressing multiple heat sources, Zhang et al. [9] suggested a molten salt thermal storage system in a coal-fired power plant which helps to improve the flexibility of thermal power units and their ability to participate in peak shaving. Wang et al. [14] stored the heat of the surplus main steam and reheat steam of thermal power units via molten salt, and proved that energy storage systems can significantly enhance the deep peak shaving capacity of thermal power plants and overcome power load limitations. Thomas et al. [19] summarized the application and advantages of molten salt energy storage at commercial and research levels, and outlined the developmental potential of molten salt energy storage systems and their integration with power plants. Wolfersdorf et al. [20] pointed out that the minimum power load of a thermal power plant can be reduced from 50% to 33–34% by coupling thermal power units with their annex units for chemical energy storage. Pérez et al. [16] introduced combined heat and power generation and the biorefinery of biogas in a waste treatment plant, which significantly improved the flexibility of the power plant. Romeo et al. [21] integrated a thermal power plant with a power-to-gas (PtG) system via thermal coupling to avoid the frequent start–stop of thermal power units due to low loads, thereby reducing start–stop costs. It was shown that the integration of a thermal power plant and a PtG system can greatly reduce costs in terms of power production and frequent start–stops, therefore improving the economy of the thermal power plant. Forman et al. [8] integrated thermal power units with the syngas-based chemical synthesis system via thermal coupling, and it was suggested that the coal consumption of thermal power plants can be effectively reduced and the load elasticity of thermal power units can be greatly modified. In addition, a reduction in the start–stop frequency of thermal power plants and a minimum load in terms of the units was also achieved. Buttler et al. [15] introduced a hydrogen production system into an integrated gasification combined cycle power plant via water electrolysis. The results showed that the integrated system could not only significantly improve the operational flexibility and economic benefits of the power plant but also increase its capacity to participate in peak shaving.
Similar to the above-mentioned systems, such as the PtG system, the syngas system and the hydrogen production system via water electrolysis, the coal to hydrogen (CtH) system also has great potential to be integrated with thermal power units. On one hand, the CtH process adopts coal as the raw material to produce high-purity hydrogen, which requires a large amount of medium-pressure (MP) steam for gasification and water gas shift reactions [22,23]. Thus, under non-nominal operation conditions, the thermal power units can not only share the raw coal and cooling water system with the CtH system but also provide the MP reheat steam to CtH system [14]. On the other hand, the large amount of high-grade heat [24] generated in the CtH process can generate high-pressure (HP) steam to create additional benefits for the power plant. Therefore, the integration of thermal power units with the CtH system can not only improve the operational flexibility of thermal power plants under the premise of meeting the peak shaving demand but also promote the economic benefits of power plants through hydrogen production and HP steam generation. The system provides an opportunity for energy conservation, emission reductions and the green transformation of coal-fired power plants and CtH systems. However, in most current research, thermal power units are commonly integrated with chemical production systems through electricity only, where the chemical production system is mainly used to consume the surplus electricity in a thermal power plant. In this way, the operations of the two systems are practically independent. In fact, coupling the two systems results in greater energy conservation, a reduction in emissions as well as economic and operational benefits. In addition, in such integrated systems, the chemical production system is usually designed on the basis of fixed operating conditions in terms of thermal power units, and little attention is paid to the design and operational characteristics of such integrated systems under variable operating conditions.
To address these problems, both an integrated system of thermal power units and a coal-to-hydrogen system coupled through electricity, steam and devices, etc., were constructed, and the effects of coupling the two systems in terms of energy conservation and material utilization as well as improvements in economic and operational benefits were explored. Additionally, with the consideration of the three typical non-nominal operating states of thermal power units, a multiperiod optimization model for the integrated system was established and solved to determine optimal design and operation schemes, so that the design and operation characteristics of the integrated system could be studied in the context of variable operating conditions. The superiority of the integrated system compared to the independent systems was studied and the results are is expected to provide the necessary methodological guidance for the integration and optimization of coal-fired power plants and CtH systems.

2. Problem Statement

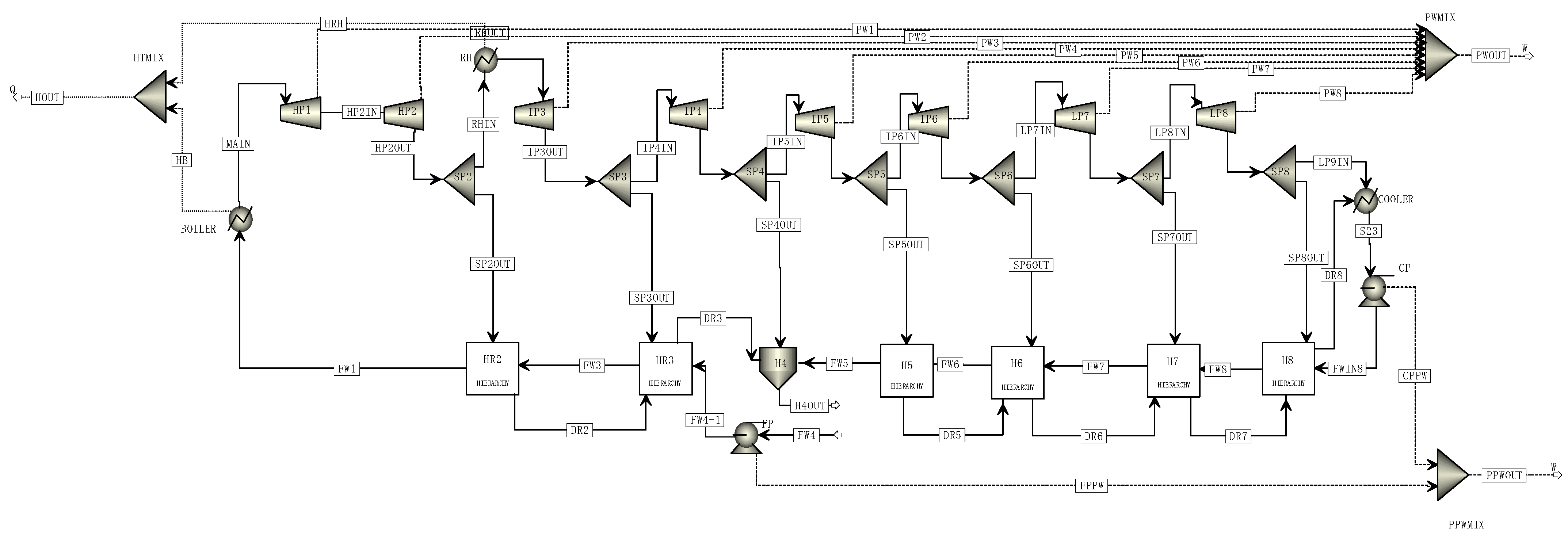
Figure 1 shows the integrated scheme of the thermal power plant and CtH system under non-nominal operational conditions, where the two systems are integrated via heat, steam and electricity. As shown in Figure 1, the feedstock coal enters the thermal power plant boiler and the CtH gasifier. HP steam produced in the boiler enters the thermal power units to generate electricity. MP steam is extracted from the thermal power units and is offered to the gasification and water gas shift sections of the CtH system, according to the demand for peak shaving. If the extracted MP steam is greater than the demand for the CtH process, the surplus can be sold directly. Meanwhile, the thermal power plant provides low-cost electricity to the CtH process under the condition of meeting the grid load demand. Since the required MP steam in the CtH system is satisfied by the thermal power units, the high-temperature waste heat generated in the CtH system can thus be used to produce HP steam, with this being sold together with the hydrogen. Finally, the boiler water consumed and the insufficient MP steam required in the CtH system can be externally purchased.
Note that in this work, the thermal power units are assumed to operate in a multi-period condition according to the peak shaving demand of the power grid and the boiler is assumed to keep operating at full load in order to provided sufficient steam for the integrated system.
In this work, the primary design problem associated with the integrated system of a CtH system and thermal power units with variable operating conditions can be stated as follows: given there are (1) multiperiod operation parameters in terms of the thermal power plant, (2) cost parameters in terms of feedstock, hydrogen, steam and operational units and (3) a peak shaving demand, the aim is to determine the optimal design and operational scheme for the CtH system, including the optimal capacity allocation of the CtH system, the distribution of raw coal, steam, water and electricity and hydrogen production capacity in each period, in order to maximize the total profit of the integrated system.

3. Mathematical Optimization Model of the Integrated System

3.1. Objective Function

The objective function is to maximize the annual profit (PRO) of the whole system, which is equal to the difference between the total revenue of the system and the total expenditure, as presented in Equation (1).
max   P R O = R e l e + R M P S + R H P S + R H 2 C c o a l C w a t e r C c a p C c o p ,
where Rele, RMPS, RHPS and RH2 are the sale revenue in terms of electricity, MP steam, HP steam and hydrogen, respectivel; Ccoal and Cwater are the costs of coal and water; and Ccap and Ccop are the annualized capital cost of the CtH system and the total operating cost of the integrated system.
The electricity revenue is related to the peak load of the power grid, which can be expressed as
R e l e = c e l e P W n e t , p e l e T p ,
where cele is the price of electricity and W n e t , p e l e is the power input to the grid by the thermal power units in period p.
The sale revenue in terms of MP steam, HP steam and hydrogen can be calculated as
R M P S = c M P S p S P M P S ,
R H P S = c H P S p S P H P S ,
R H 2 = c H 2 p S P H 2 ,
where cMPS, cHPS and c H 2 are the prices of MP steam, HP steam and hydrogen, respectively and S P M P S , S P H P S and S P H 2 are the amount of sold MP steam, HP steam and hydrogen in period p.
The costs of feedstock coal and water, ccoal and cwater, can be calculated as
C c o a l = c c o a l p M P c o a l ,
C w a t e r = c w a t e r p M P w a t e r ,
where M P c o a l and M P w a t e r are the demands for coal and water in the p-th period, respectively.
The capital cost of the operation units in the CtH system can be calculated via the index factor method [25].
C c a p = A f u 1 + I C 1 + B O P C 0 , u max S u , p S 0 , u s f u ,
where, Af is the annualized factor; BOP and IC are the cost factors related to device installation and indirect costs, which are assumed to be 0.32 and 0.2, respectively [25]; C0,u is the base cost of each operation unit and S0,u is the base case flow; Su,p is the cost flow; and sf is the scaling factor.
The operating cost, Ccop, of the system is associated with the total utilities, such as cooling and heating utilities, as well as the electricity consumed in the system.
C o p = i = 1 p Q c u , p c c u + i = 1 p Q h u , p c h u + i = 1 p E e l e , p c e l e ,
where Q c u , p , Q h u , p and E e l e , p are the amount of cooling utility, heating utility and electricity consumed in the p-th period and ccu and chu are the prices in terms of cooling and heating utilities.

3.2. Constraints

(1)
Mass balance of MP steam
The MP steam extracted from the thermal power units can be input to the CtH system or be sold directly, which is expressed as
M t u r , p M P S = M C t H , p M P S + S p M P S ,
where M t u r , p M P S is the amount of MP steam extracted from the thermal power units; M C t H , p M P S is the amount of MP steam input to the CtH system and S P M P S is the amount of MP steam sold.
The amount of steam extracted from the thermal power units should be less than that generated in the boiler, M t o t , p S , which can be formulated as
M t u r , p M P S M t o t , p S ,
(2)
Mass balance of boiler water
Water is purchased externally and used to compensate for the reduction in water due to steam extraction and sales, which can be expressed as
M p w a t e r = S P H P S + M t u r , p M P S ,
(3)
Mass balance of raw coal
The total amount of coal entering the system, M P c o a l , is equal to the sum of the amount of coal entering the boiler, M b o i l , P c o a l and the gasifier, M C t H , P c o a l .
M P c o a l = M b o i l , P c o a l + M C t H , P c o a l ,
(4)
Power balance
In each period, the power generated by thermal power units, W t u b , p e l e , can be allocated to the CtH system, W H 2 , p e l e , and the grid, W n e t , p e l e .
W t u r b , p e l e = W n e t , p e l e + W H 2 , p e l e ,
where the power input to the grid is determined by the peak shaving requirement,
W n e t , p e l e = η p W max ,
where ηp is grid peaking power factor and Wmax is the full load power of thermal power plant.
The electricity consumed in CtH system is expressed as
W H 2 , p e l e = W A U S , p e l e + W C O M P , p e l e + W R e f g , p e l e ,
where W A U S , p e l e , W C O M P , p e l e and W R e f g , p e l e are the electricity consumed by the air separation unit, compressors and low temperature refrigeration unit, respectively.
Since the boiler is assumed to be in full-load operation, the amount of steam generated is constant and determined by the given amount of coal. For thermal power units, the extraction of MP steam does not affect the power generation of the high-pressure turbine. Therefore, the output power of the turbine can be related to the coal consumption of the boiler, as presented in Equation (17)
W t u r b , p e l e = W H P t u r e l e + λ t u r M t o t , p s M t u r , p M P S ,
where λtur is the relationship coefficient that can be obtained through multiple simulations. A detailed simulation can be found in Appendix A.
(5)
Constraints terms of cost and material flows in the CtH system
To simplify the calculations, the relationships between the parameters and the amount of feedstock coal in the CtH system should be first determined. To this end, a detailed simulation of the CtH system is first performed under steady–state conditions, where the reaction process reaches equilibrium and the degree of separation remains constant, as can be found in Appendix A. The quantitative relationship between the cost flows, the hydrogen production, the electricity consumption, the amount of HP steam and MP steam and the amount of feedstock coal, M C t H , p M P S , is then determined through polynomial regression according to the sensitivity analysis of the simulation process, as shown in Equation (18).
f = k M C t H , P c o a l f = S u , p , S P H 2 , W H 2 , p e l e , S P H P S , M C t H , p M P S ,
where k stands for the regression coefficient.
Thus, the solution procedure of this work can be summarized as follows: An integrated scheme of thermal power units and a coal-to-hydrogen system was first constructed. Then, the integrated system was simulated under three typical non-nominal operation states in terms of thermal power units to quantitatively relate the cost flows, hydrogen production, electricity consumption and amount of steam to the amount of feedstock coal in the CtH system, as presented in Equation (18). In what follows, a multi-period optimization model was established by taking the maximum annual profit (PRO) of the whole system as the objective function and the energy balances, mass balances and operational constraints of the integrated system as the constraints. Finally, by solving this model, an optimal design for a coal-to-hydrogen system that enables it to adapt to the three non-nominal operation states (corresponding to three operating periods) was determined. The output of the model includes the required amounts of coal and MP steam, the production of hydrogen and HP steam in each period as well as the total annual profit of the whole system.

4. Case Study

4.1. Fundamental Data

In this section, the thermal power units from an actual 330 MW thermal power plant in China were applied to verify the effectiveness of the proposed method. Table 1 shows the fundamental data of coal in the power plant. It was known that under the nominal load, the coal input to the boiler was 122 t/h and the amount of HP steam generated was 916.6 t/h. Thermal power plant was assumed to operate in the three periods during its participation in peak shaving, where the electricity input to the grid was 75% of the full load from January to March, 40% from April to September and 60% from October to December.
Other computational parameters included: the cost of the electricity input to grid, which was 0.1492 $/kWh; the cost of coal and hydrogen were 223 $/t and 2.238 $/kg; the costs of MP steam and HP steam were 32.8 $/t and 38.7 $/t; and the price of water was 0.6109 $/t. All these parameters were determined according to their market price in China. The capital cost parameters of each operational unit in the CtH system are summarized in Table 2. The regression coefficients of the relevant parameters in the CtH system are listed in Table 3.
Note that the optimization model determined by Equations (1)–(18) is a nonlinear programming (NLP) model. The General Algebraic Modeling System (GAMS) platform was used to solve the model with BARON as the solver.

4.2. Design Characteristics of the Integrated System

By solving the multi-period optimization model proposed in this work, an optimal design scheme of the CtH system was obtained. According to the results, the hydrogen production is 268,494 t/y and the total coal consumption is 2,943,141 t/y, with the maximum profit being 226.54 MM$. Figure 2 provides cost breakdown of the whole system.
It can be seen from Figure 2 that the main revenue of the integrated system comes from the sale of hydrogen, which is 601.17 MM$, accounting for 60.3% of the total revenue. The sale of electricity to the grid is in the second place, at 222.54 MM$. At the same time, the sale of HP steam produced by waste heat during the CtH process results in a benefit of 148.8 MM$. The results in Figure 2 also show that the purchase cost of raw coal is 656.35 MM$, accounting for more than 90% of the total cost. The coal price used is at a high level, 223 $/t, due to environmental protections and economic requirements. The annual capital cost of the CtH system is 54.12 MM$, and the make-up water is the lowest factor in terms of costs. It is worth noting that the operating cost of the integrated system, including heating and cooling utilities and electricity, is zero. This is because, the integrated system does not require heating utilities. Besides, the electricity required in the CtH process is entirely provided by thermal power units, and the required cooling water is provided by the cooling system of the thermal power units.

4.3. Operation Characteristics of the Integrated System

Table 4 provides a multi-period operational scheme of the integrated system. According to the peak shaving demand, the thermal power units operate in the three periods with loads of 75%, 40% and 60% and with durations of 2190 h, 4380 h and 2190 h, respectively. Considering that the boiler in the thermal power plant keeps operating in full-load state, the total coal consumption is fixed at 1,068,720 t/y. The on-grid load of the power plant is 1,492,704 MWh determined by the given demand of peak shaving.
It can be seen in Table 4 that the total coal consumption of the CtH process is 1,874,421 t/y, where period 2 consumes the most, followed by period 3, with period 1 consuming the least. The total amount of steam generated by the thermal power plant is 916.6 t/h, and the on-grid load of the thermal power units is 40% in period 2, 60% in period 3 and 75% in period 1. It can be seen that the trend in terms of coal consumption in the CtH system is exactly opposite to that of the on-grid load of the thermal power units. This means the smaller the on-grid load of the thermal power units is, the more coal will be fed to the CtH system. The smaller the on-grid load of thermal power units is, the less steam will be consumed and the greater the amount of MP steam provided to the CtH system will be.
As shown in Table 4, when the on-grid load reaches the lowest—40% of the nominal load in period 2, the amount of MP steam extracted from the thermal power units is as high as 506.7 t/h. In this case, the capacities of the gasification and water gas shift processes in CtH system increase significantly and the coal consumption of the system reaches its maximum. As a result, the hydrogen production and power consumption of the CtH system, as well as the HP steam generated by it, reach their maximum. In this period, the amount of hydrogen production is 39 t/h, the by-product HP steam is 558.8 t/h and the power consumption is 74.8 MW. The total amount of hydrogen produced is 268,494 t/y and the HP steam is 3,844,983 t/y, with a total power consumption of 514,431 MWh.
The results in Table 4 also show that, in all periods, the MP steam extracted from the thermal power units is allocated to the CtH system without being sold and the maximal flow rate of 506.7 t/h is reached in period 2. Since the amount of MP steam extracted from the thermal power units is closely related to the on-grid load and the power consumption of the CtH system, the distribution of steam is also considered the best trade-off between the revenue and capital costs of the system.

4.4. Further Discussion

To verify the superiority of the integrated system proposed in this work in terms of its economy and operation, in this section, a comprehensive comparison of the integrated system and the independent systems was conducted. The results are summarized in Table 5 and Table 6. Note that to unify the basis of comparison, the on-grid electricity load and the hydrogen production were the same in both the integrated system and the independent systems in the following two scenarios.

4.4.1. Scenario 1: The Operating Condition of the Thermal Power Units Is Fixed

It can be seen that for the given operating condition of the thermal power plant, both the boiler and thermal power units operate in a non-nominal state, which greatly reduces the life and the utilization efficiency of the devices. In contrast, the integrated system can maintain the full-load operation of the boiler and increase the utilization efficiency of thermal power units, thereby reducing the wear and tear of the devices. According to Table 5, under a 40% turbine heat acceptance (THA) operation condition, the utilization efficiency of thermal power units increases from 40% to 61.1%, which effectively prevents the thermal power units operating at the minimum load for an extended period.
In addition, the integrated system is superior compared to the independent CtH system. Firstly, an independent CtH system can achieve a certain degree of self-sufficiency in terms of MP steam on the basis of internal heat integration, but the surplus waste heat can only be used to generate electricity to satisfy a portion of the power demand. In other words, even though the process waste heat can be fully used within the system, the system still requires high-priced MP steam and industrial electricity to be purchased externally [26]. By contrast, in the integrated system, both the MP steam and the electricity required in the CtH system can be provided by the thermal power plant, and the waste heat in the CtH system can further generate HP steam for sale. In this way, the capital costs of the MP steam and electricity are reduced, and additional revenue is created by selling high-level HP steam. Note that in the integrated system, the coal consumption is larger than the sum of that in the two separated systems. This is because, for the given peaking shaving demand, the thermal power plant in the integrated system will not only provide on-grid power but also supply low-cost electricity and MP steam to the CtH system. In this way, the total output power and amount of MP steam of the thermal power plant increases, leading to an increase in the coal consumption. However, in separated systems, electricity and MP steam are purchased externally, which is costly. For all that, only the surplus steam and electricity in the thermal power plant are allocated to the CtH system for hydrogen production. The results in Table 5 show that the profit of the integrated system is about 20% higher than the sum of the profits of the independent thermal power plant and CtH systems.

4.4.2. Scenario 2: The Operating Condition of the Thermal Power Plant Is Variable

Table 6 provides a comparison of the results obtained by the independent systems and the integrated system under variable operating conditions. It can be seen that, in spite of the advantages in improving the utilization efficiency of the thermal power units, the integrated system reduces the cost of hydrogen production by 11.22% and increases the profits by 13.56%, when compared with the independent systems. In addition, it should be noted that in the design scheme of the integrated system, the two systems are mainly coupled via the power network and the steam pipelines, which are simple, flexible and controllable. Especially when compared with the heat integration of process streams, the proposed integrated scheme will have only a minor influence on the power generation process of thermal power units and the production process of the CtH system.

5. Conclusions

To counter the problems of low utilization efficiency and a reduction in benefits in the context of thermal power plants caused by their participation in power grid peak shaving, an optimal design method for an integrated system of a CtH and thermal power units under non-nominal conditions is proposed. Aiming to improve the benefits of the system and the utilization efficiency of thermal power units, the mathematical optimization model was developed and the application of the proposed method was verified via a case study of a practical industrial plant. The following conclusions can be drawn.
(1) The operation of the CtH system is closely related to the on-grid load of thermal power units, and the capacity of the CtH system is inversely proportional to the on-grid load of thermal power units.
(2) The total profit of the integrated system is 226.54 MM$, where 60.3% comes from the sale of hydrogen, and the main cost of the system is attributed to the purchase cost of raw coal, which accounts for 91.8% of the total cost.
(3) Compared with independent systems, the integrated system can maintain the full-load operation of the boiler and increase the utilization efficiency of thermal power units, thereby reducing the wear and tear of devices.
(4) In addition to increasing the fixed on-grid power revenue, the integrated system can also produce hydrogen and generate additional HP steam. The profit of the integrated system is approximately 20% higher than the sum of the profits of independent systems under fixed operating conditions and is approximately 13.56% higher under the variable non-nominal operating conditions.
(5) Since the thermal power units and CtH systems are integrated via the power network and steam pipelines rather than employing internal heat integration, the proposed integrated scheme will have only a minor influence on the power generation process of the thermal power units and the production process of the CtH system.
In the context of carbon neutrality, our future work will primarily focus on the quantitative analysis of the CO2 flows of the integrated system and the techno-economic evaluation of the coupling of the integrated system in terms of CO2 capture, utilization and storage (CCUS) units.

Author Contributions

Conceptualization, L.K. and Y.L.; methodology, L.K., L.Z. and J.T.; software, L.Z. and Y.Z.; validation, L.Z. and L.K.; formal analysis, L.Z., Y.Z. and L.K.; investigation, L.Z., Y.Z. and L.K.; resources, L.K. and Y.L.; data curation, L.Z. and Y.Z.; writing—original draft preparation, L.Z., J.T. and Y.Z.; writing—review and editing, L.K.; visualization, L.Z. and L.K.; supervision, L.K. and Y.L.; project administration, L.K. and Y.L.; funding acquisition, L.K. and Y.L. All authors have read and agreed to the published version of the manuscript.

Funding

The authors gratefully acknowledge funding from the Key Research and Development Project of Shaanxi Province (No. 2022GY-185 and No. 2022GY-197) and projects (No. 21878240) sponsored by the National Natural Science Foundation of China (NSFC).

Data Availability Statement

Not applicable.

Conflicts of Interest

The authors declare no conflict of interest.

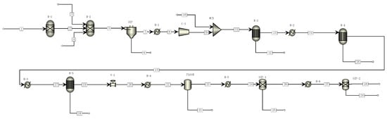
Appendix A. Simulation of CtH

Figure A1 provides the simulation scheme of the CtH, where a coal gasification unit, a water gas shift unit, a rectisol CO2 removal unit and a pressure swing adsorption (PSA) unit are included. Considering that coal is an unconventional component, its thermal decomposition section is modeled with the RYield block in Aspen plus. The model selection of the rest units is summarized in Table A1, and the simulation results are given in Table A2. Since this process involves weak polar and non-polar mixtures, the PR-BM property method [27] is adopted in coal gasification and water gas shift sections, and PSRK is used in the Rectisol CO2 removal section [28].The assumptions used in the simulations include:
(1)
all the reactions involved in the system have reached reaction equilibrium and phase equilibrium;
(2)
the gas and solid phases are separated completely, and the separation process occurs instantaneously;
(3)
the pressure drops of all the operation units are ignored.
Figure A1. CtH process.
Figure A1. CtH process.
Processes 10 02600 g0a1
Table A1. Models and parameters adopted in the CtH simulation process.
Table A1. Models and parameters adopted in the CtH simulation process.
ProcessNameAspen ModelOperating Condition
GasificationR-1RYieldOperating pressure: 3 MPa; operating temperature: 700 °C
R-2RGibbsOperating pressure: 3 MPa; operating temperature:1400 °C
SEPSsplitSplitting rate: 1
H-1HeaterCool to the target temperature
C-1ComprDischarge pressure: 6.2 MPa; η isentropic: 0.85
Water gas shiftMIXMixer-
R-3REquilOperating pressure: 6.2 MPa; heat loss: 0 MW
H-2HeaterCool to the target temperature
R-4REquilOperating pressure: 6.05 MPa; heat loss: 0 MW
H-3HeaterCool to the target temperature
R-5REquilOperating pressure: 5.94 MPa; heat loss: 0 MW
Rectisol CO2 removal unitV-1ValveDischarge pressure: 3.45 MPa
H-4HeaterCool to the target temperature
FLASHFlashOperating pressure: 3.45 MPa; operating temperature: 30 °C
H-5HeaterCool to the target temperature
SEP-1SepCO2 split fraction:0.97
PSAH-6HeaterHeat to the target temperature
SEP-2SepH2 split fraction: 0.995
Table A2. Simulate Stream Results.
Table A2. Simulate Stream Results.
StreamT/°CP/MPaMass Flow/kg·h−1StreamT/°CP/MPaMass Flow/kg·h−1
1250.168,00016000
2700368,00017240.45.94219,876
33004.751531.2918000
41503.8537,228.719245.25.94219,876
514003106,76020237.83.45219,876
61400311,007.921303.45219,876
71400395,752.122303.4567,114.3
8164395,752.123303.45152,761
92806.295,752.124−213.3152,761
102806.2124,12425−213.3142,353
11263.16.2219,87626−213.310,408.8
1200027253.310,408.8
134876.2219,87628253.310,397
14264.96.05219,87629253.329.83
15299.46.05219,876
The simulation results were compared with those in the literature, as shown in Table A3 and Table A4. Table A3 shows the gas composition at the outlet of a coal gasification unit, and Table A4 presents the temperatures, pressures and the CO conversion rate of the three-stage adiabatic conversion process in a water gas shift unit. It can be seen that the relative errors between the simulation results and those reported in the literature are less than 5%, indicating the effectiveness and reliability of the simulations. Note that the content of CO2 in Table A3 is relatively large because of the higher carbon content in feedstock coal.
Table A3. Validation of simulation results of gasification.
Table A3. Validation of simulation results of gasification.
Mole Fraction %
COH2CO2CH4H2S
Song et al. [29]62.7230.271.390.041.12
This work60.4131.591.480.041.17
Error %3.684.366.4704.46
Table A4. Validation of water gas shift.
Table A4. Validation of water gas shift.
Item Reactor 1Reactor 2Reactor 3Conversion Rate of CO %
T/°CWang et al. [26]280.0447.5264.9298.1240.4246.2
This work278.8487.5264.9294.2240.4243.8
P/MPaWang et al. [26]6.206.055.9497.89
This work6.206.055.9498.78
Figure A2 shows the simulation scheme of 330 MW thermal power units, and the models and parameters adopted in the simulation are summarized in Table A5. Since only water/steam is used in this process, the STEAMNBS property method was selected for the simulation. Table A6 shows a comparison of the simulation results with those in an actual plant. It can be seen that the relative error between the simulation results and original results are for the most part less than 5%, indicating the reliability and effectiveness of the simulations.
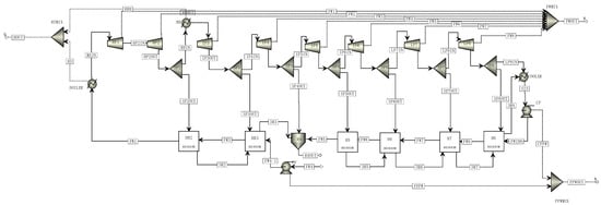
Figure A2. Thermal power units process.
Figure A2. Thermal power units process.
Processes 10 02600 g0a2
Table A5. Models and parameters adopted in the thermal power unit simulation process.
Table A5. Models and parameters adopted in the thermal power unit simulation process.
NameAspen ModelOperating Condition
BOILERHeaterOperating pressure: 17.77 MPa; operating temperature: 546.6 °C
RHHeaterOperating pressure: 3.89 MPa; operating temperature: 548.6 °C
HP1~2/IP3~6/LP 7~8Compr/Turbineη isentropic:0.91
SP 2~8FsplitTurbine extraction
HT/PW/PPWMIXMixerPower and heat generated during operation
COOLERHeaterOperating temperature: 33 °C, gas fraction: 0
CPPumpOperating pressure: 1.74 MPa, η isentropic: 0.83
FPPumpOperating pressure: 17.7 MPa, η isentropic: 0.83
HR2~3/H5~8Hierarchy/HeaterHeat to the target temperature
Table A6. Verification of simulation results of thermal power units.
Table A6. Verification of simulation results of thermal power units.
ItemTemperature/°CError
/%
ItemTemperature/°CError
/%
ItemTemperature/°CError
/%
Simulation Original Simulation Original SimulationOriginal
FW1254.56254.770.08SP1OUT324.71328.461.14DR2204.75215.394.94
FW3208.32210.170.88SP3OUT449.61463.512.99DR3183.52192.384.61
FW4179.01178.940.04SP4OUT338.65336.520.63DR4175.23179.092.16
FW5149.21148.620.40SP5OUT233.03269.6413.58DR5117.58117.970.33
FW6100.52101.230.70SP6OUT127.16136.296.70DR688.3690.232.07
FW782.6184.291.99SP7OUT87.3785.721.92DR778.3074.854.61
FW859.8964.627.32SP8OUT63.2264.592.12----

References

  1. Dong, Y.; Jiang, X.; Liang, Z.; Yuan, J. Coal power flexibility, energy efficiency and pollutant emissions implications in China: A plant-level analysis based on case units. Resour. Conserv. Recy. 2018, 134, 184–195. [Google Scholar] [CrossRef]
  2. Mertens, N.; Alobaid, F.; Starkloff, R.; Epple, B.; Kim, H.-G. Comparative investigation of drum-type and once-through heat recovery steam generator during start-up. Appl. Energy 2015, 144, 250–260. [Google Scholar] [CrossRef]
  3. Huang, C.; Zhang, P.; Wang, W.; Huang, Z.; Lyu, J.; Liu, J.; Yue, G.; Ni, W. The upgradation of coal-fired power generation industry supports China’s energy conservation, emission reduction and carbon neutrality. Ther. Power Gener. 2021, 50, 1–6. [Google Scholar]
  4. Luo, X.; Wang, J.H.; Dooner, M.; Clarke, J. Overview of current development in electrical energy storage technologies and the application potential in power system operation. Appl. Energy 2015, 137, 511–536. [Google Scholar] [CrossRef]
  5. Yin, S.Y.; Zhang, S.F.; Andrews-Speed, P.; Li, W. Economic and environmental effects of peak regulation using coal-fired power for the priority dispatch of wind power in China. J. Clean. Prod. 2017, 162, 361–370. [Google Scholar] [CrossRef]
  6. Xu, Y.Q.; Lu, B.W.; Luo, C.; Wu, F.; Li, X.S.; Zhang, L.Q. Na2CO3 promoted CaO-based heat carrier for thermochemical energy storage in concentrated solar power plants. Chem. Eng. J. 2022, 435, 134852. [Google Scholar] [CrossRef]
  7. Benalcazar, P. Sizing and optimizing the operation of thermal energy storage units in combined heat and power plants: An integrated modeling approach. Energy Convers. Manag. 2021, 242, 114255. [Google Scholar] [CrossRef]
  8. Forman, C.; Gootz, M.; Wolfersdorf, C.; Meyer, B. Coupling power generation with syngas-based chemical synthesis. Appl. Energy 2017, 198, 180–191. [Google Scholar] [CrossRef]
  9. Zhang, K.Z.; Liu, M.; Zhao, Y.L.; Yan, H.; Yan, J.J. Design and performance evaluation of a new thermal energy storage system integrated within a coal-fired power plant. J. Energy Storage 2022, 50, 104335. [Google Scholar] [CrossRef]
  10. Li, S.; Jin, H.G.; Gao, L. Cogeneration of substitute natural gas and power from coal by moderate recycle of the chemical unconverted gas. Energy 2013, 55, 658–667. [Google Scholar] [CrossRef]
  11. Benato, A.; Bracco, S.; Stoppato, A.; Mirandola, A. LTE: A procedure to predict power plants dynamic behaviour and components lifetime reduction during transient operation. Appl. Energy 2016, 162, 880–891. [Google Scholar] [CrossRef]
  12. Xu, J.; Bi, D.P.; Ma, S.X.; Bai, J. A data-based approach for benchmark interval determination with varying operating conditions in the coal-fired power unit. Energy 2020, 211, 118555. [Google Scholar] [CrossRef]
  13. Wang, Z.J.; Gu, Y.J.; Liu, H.C.; Li, C.Y. Optimizing thermal-electric load distribution of large-scale combined heat and power plants based on characteristic day. Energy Convers. Manag. 2021, 248, 114792. [Google Scholar] [CrossRef]
  14. Hui, W.; Jian, W. Research on the Energy Storage Technique by Steam Extraction from Thermal Power Units used to Deep Load Modulation. Electr. Power Surv. Des. 2022, 6, 30–34. [Google Scholar]
  15. Buttler, A.; Kunze, C.; Spliethoff, H. IGCC-EPI: Decentralized concept of a highly load-flexible IGCC power plant for excess power integration. Appl. Energy 2013, 104, 869–879. [Google Scholar] [CrossRef]
  16. Pérez, V.; Lebrero, R.; Muñoz, R. Comparative Evaluation of Biogas Valorization into Electricity/Heat and Poly(hydroxyalkanoates) in Waste Treatment Plants: Assessing the Influence of Local Commodity Prices and Current Biotechnological Limitations. ACS Sustain. Chem. Eng. 2020, 8, 7701–7709. [Google Scholar] [CrossRef]
  17. Zhou, Z. Design of a System Coupling Liquid Air Energy Storage System with Thermal Power Unit. In Proceedings of the International Conference on Materials Chemistry and Environmental Engineering (CONF-MCEE 2021), Palo Alto, CA, USA, 7 November 2021. [Google Scholar]
  18. Beiron, J.; Montanes, R.M.; Normann, F.; Johnsson, F. Combined heat and power operational modes for increased product flexibility in a waste incineration plant. Energy 2020, 202, 117696. [Google Scholar] [CrossRef]
  19. Bauer, T.; Odenthal, C.; Bonk, A. Molten Salt Storage for Power Generation. Chem. Ing. Tech. 2021, 93, 534–546. [Google Scholar] [CrossRef]
  20. Wolfersdorf, C.; Boblenz, K.; Pardemann, R.; Meyer, B. Syngas-based annex concepts for chemical energy storage and improving flexibility of pulverized coal combustion power plants. Appl. Energy 2015, 156, 618–627. [Google Scholar] [CrossRef]
  21. Romeo, L.M.; Peña, B.; Bailera, M.; Lisbona, P. Reducing cycling costs in coal fired power plants through power to hydrogen. Int. J. Hydrogen Energy 2020, 45, 25838–25850. [Google Scholar] [CrossRef]
  22. Chen, W.-H.; Chen, C.-Y. Water gas shift reaction for hydrogen production and carbon dioxide capture: A review. Appl. Energy. 2020, 258, 114078. [Google Scholar] [CrossRef]
  23. Crnomarkovic, N.; Repic, B.; Mladenovic, R.; Neskovic, O.; Veljkovic, M. Experimental investigation of role of steam in entrained flow coal gasification. Fuel 2007, 86, 194–202. [Google Scholar] [CrossRef]
  24. Dorofeenko, S.O.; Polianczyk, E.V. Gasification of pulverized coal in a counterflow moving bed filtration combustion reactor: In search of the optimum. Fuel 2021, 291, 120255. [Google Scholar] [CrossRef]
  25. Demirhan, C.D.; Tso, W.W.; Powell, J.B.; Pistikopoulos, E.N. Sustainable ammonia production through process synthesis and global optimization. AIChE. J. 2019, 65, 16498. [Google Scholar] [CrossRef]
  26. Zhaocheng, W.; Yuyan, Q.; Baolin, Z.; Fanrong, L. Comparison and analysis of water gas shift processes matching for hydrogen production based on coal water slurry gasification. Mod. Chem. Ind. 2018, 38, 231–236. [Google Scholar]
  27. Wan, W.; Dai, Z.; Li, C.; Yu, G.; Wang, F. Innovative concept for gasification for hydrogen based on the heat integration between water gas shift unit and coalewatereslurry gasification unit. Int. J. Hydrogen Energy 2014, 39, 7811–7818. [Google Scholar] [CrossRef]
  28. Sun, L.; Smith, R. Rectisol wash process simulation and analysis. J. Clean Prod. 2013, 39, 321–328. [Google Scholar] [CrossRef]
  29. Song, Z.C.; Bao, W.R.; Chang, L.P.; Fan, L.I. Entrained-flow pulverized coal gasification performance simulation analysis. Clean Coal Technol. 2010, 16, 39–43. [Google Scholar]
Figure 1. An integrated scheme of a thermal power plant and CtH system.
Figure 1. An integrated scheme of a thermal power plant and CtH system.
Processes 10 02600 g001
Figure 2. Breakdown of the costs of the integrated system.
Figure 2. Breakdown of the costs of the integrated system.
Processes 10 02600 g002
Table 1. Industrial and elemental analysis of coal.
Table 1. Industrial and elemental analysis of coal.
Industrial Analysis/%Elemental Analysis/%LHV MJ/kg
MtAarVMFCCHNSO23.007
8.518.330.751584.01.01.011.5
Table 2. Cost parameters in the CtH system [25].
Table 2. Cost parameters in the CtH system [25].
UnitCo,u(MM$)Sref,usfuCost Flow Basis
Coal mill50.43161.70.65Coal feed (kg/s)
Coal gasifier51.217.940.7Coal feed (kg/s)
Compressor6.93100.67Power (MW)
Forward shift reactor3.471500.67Feed (kg/s)
Rectisol CO2 removal unit29.772.510.63Feed gas (kmol/s)
PSA7.380.290.65Purge gas (kmol/s)
Refrigerator1.190.70.7Heat removed (MW)
ASU130.771450.5O2 feed (kg/s)
Table 3. Regression coefficients of the parameters in the CtH system.
Table 3. Regression coefficients of the parameters in the CtH system.
Parametersk
S u , p Coal mill0.2778
Coal gasifier 0.2778
Compressor 0.0711
Forward shift reactor 0.9952
Rectisol CO2 removal unit0.0333
PSA0.0197
Refrigerator0.0594
ASU0.1521
S P H 2 H2 production0.1433
W H 2 , p e l e Power requirement0.2745
S P H P S HP steam output2.0512
M C t H , p M P S MP steam requirement1.8601
Table 4. Multi-period operating parameters of the integrated system.
Table 4. Multi-period operating parameters of the integrated system.
Period P1P2P3Total/t
Coal to boilTotal (t)267,180534,360267,1801,068,720
Rate (t/h)122122122
Coal to CtH systemTotal (t)270,9031,193,112410,4061,874,421
Rate (t/h)123.7272.4187.4
Electricity to netTotal (MWh)520,782555,384416,5381,492,704
Rate (MW)237.8126.8190.2
Electricity to CtH systemTotal (MWh)742,41327,624112,566514,431
Rate (MW)33.974.851.4
MP steam to CtH systemTotal (t)503,9192,216,718763,4343,484,071
Rate (t/h)230.1506.7348.6
MP steam outputTotal (t)0000
Rate (t/h)000
HP steam outputTotal (t)555,6032,447,544841,8363,844,983
Rate (t/h)253.7558.8384.4
H2 productionTotal (t)38,763170,82058,911268,494
Table 5. Comparison of the integrated system and independent systems under fixed conditions.
Table 5. Comparison of the integrated system and independent systems under fixed conditions.
Condition75%THA60%THA40%THA
SystemThermal power plant CtHIntegrated systemThermal power plant CtHIntegrated systemThermal power plant CtHIntegrated system
Boiler load75%/100%60%/100%40%/100%
Power generator load75%/82.3%60%/73.2%40%/61.1%
Coal consumption (t)801,5401,083,6122,152,332641,2321,641,6242,710,344427,4882,386,2243,454,944
Water consumption (t)68704,238,725549.606,421,497366.409,334,112
MP steam consumption (t)02,015,6262,015,62603,053,5853,053,58504,438,6154,438,615
H2 production (t)/155,052155,052/235,644235,644/341,640341,640
HP steam output (t)/02,222,412/03,367,344/04,895,088
Profit (MM$)131.3618.04176.32105.0469.40213.2870.02144.42258.60
Table 6. Comparison between the proposed integration system and independent systems.
Table 6. Comparison between the proposed integration system and independent systems.
SystemProposed Integrated SystemThermal Power PlantCtH System
Boil load100%/100%/100%75%/40%/60%0
Power generator load82.3%/61.1%/73.2%75%/40%/60%0
Coal consumption (t)2,943,141574,4371,874,421
H2 production (t)268,4940268,494
HP steam output (t)3,844,98300
Profit (MM$)226.54105.494.08
Hydrogen production cost ($/tH2)11,204.11-12,620.51
Publisher’s Note: MDPI stays neutral with regard to jurisdictional claims in published maps and institutional affiliations.

Share and Cite

MDPI and ACS Style

Zhang, L.; Zhang, Y.; Tang, J.; Kang, L.; Liu, Y. Design and Optimization of Coal to Hydrogen System Coupled with Non-Nominal Operation of Thermal Power Unit. Processes 2022, 10, 2600. https://doi.org/10.3390/pr10122600

AMA Style

Zhang L, Zhang Y, Tang J, Kang L, Liu Y. Design and Optimization of Coal to Hydrogen System Coupled with Non-Nominal Operation of Thermal Power Unit. Processes. 2022; 10(12):2600. https://doi.org/10.3390/pr10122600

Chicago/Turabian Style

Zhang, Li, Yu Zhang, Jianping Tang, Lixia Kang, and Yongzhong Liu. 2022. "Design and Optimization of Coal to Hydrogen System Coupled with Non-Nominal Operation of Thermal Power Unit" Processes 10, no. 12: 2600. https://doi.org/10.3390/pr10122600

APA Style

Zhang, L., Zhang, Y., Tang, J., Kang, L., & Liu, Y. (2022). Design and Optimization of Coal to Hydrogen System Coupled with Non-Nominal Operation of Thermal Power Unit. Processes, 10(12), 2600. https://doi.org/10.3390/pr10122600

Note that from the first issue of 2016, this journal uses article numbers instead of page numbers. See further details here.

Article Metrics

Back to TopTop