PM2.5 Collection Enhancement in a Smart Hybrid Wet Scrubber Tower
Abstract
:1. Introduction
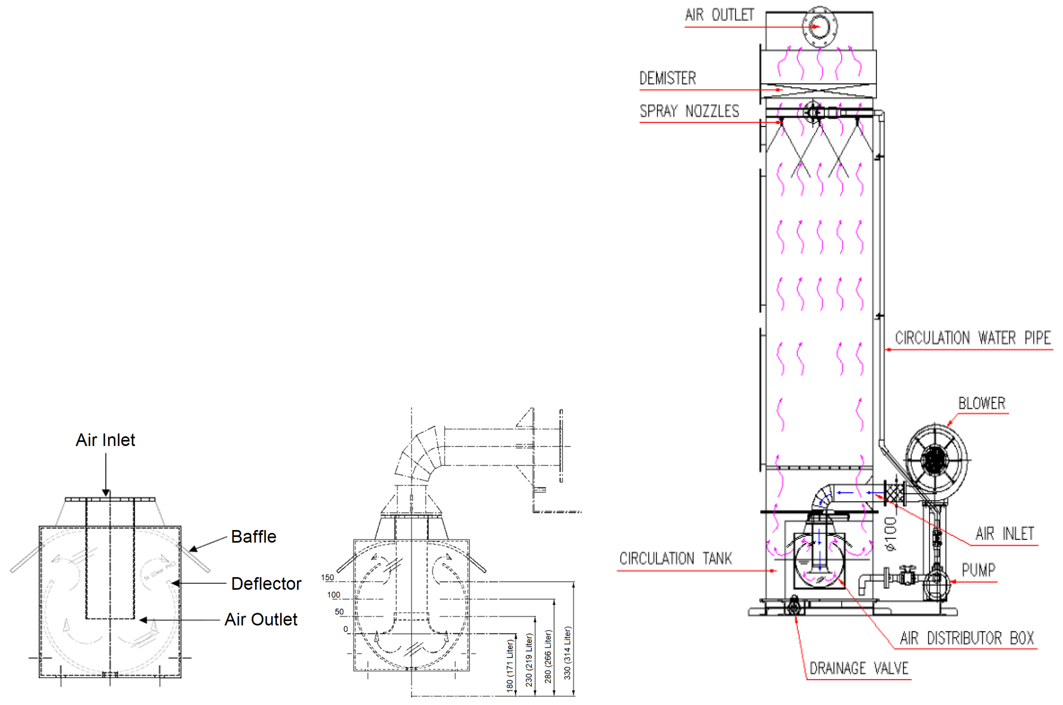
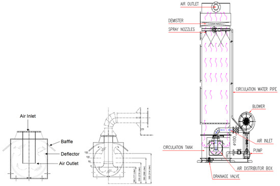
2. Building and Developing a Prototype PM2.5 Absorption Tower
3. Integrating the IoT System for the Hybrid Wet Scrubber
4. Experimental Procedure
- (1)
- A 60 m3 experimental room was built as a controlled environment. Polluted air was produced using 2500 cc diesel direct engines from a 10-year-old pickup truck.
- (2)
- The prototype consisted of the experimental absorption tower encompassing an IoT system for real-time monitoring and was installed at the wet scrubber tower air inlet and outlet to measure PM2.5 levels. The Honeywell HPMA115S0 sensor was selected for this experiment. This suitable sensor is based on the EPA standards [25,26]. The HPMA115S0 sensor is a laser-based sensor that uses the light scattering method to measure the concentration of particles in the range of 0–1000 µg/m3. The sensor can provide an accuracy of ±15 µg/m3 for the measurement range of 0–1000 µg/m3 in control environments with a temperature of 25 °C and humidity of less than 95%.
- (3)
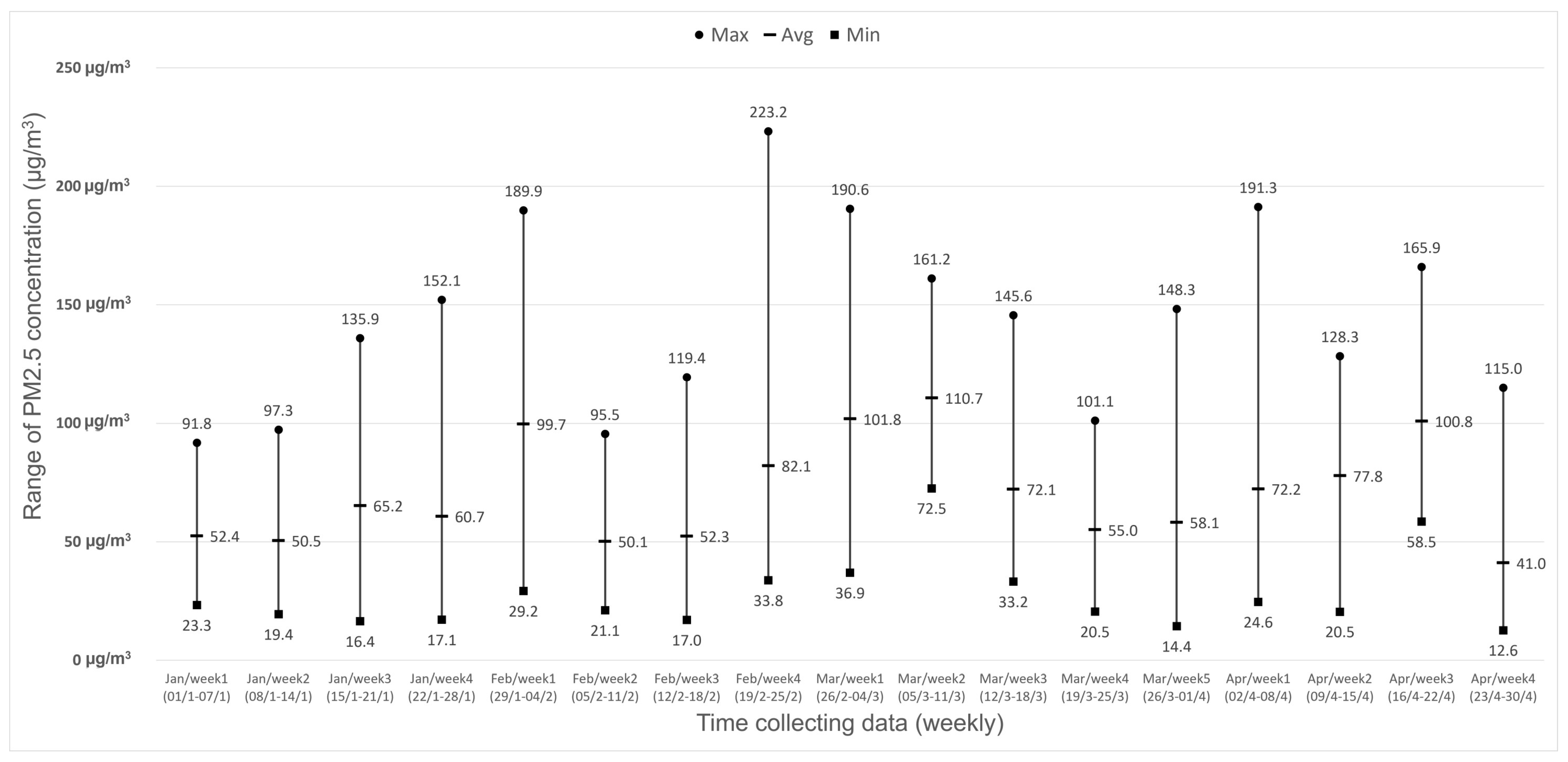
- PM2.5 concentrations in the inlet and outlet were measured using real-time monitoring over 4 h per experiment. According to (3), the PM 2.5 dust concentration at the inlet of every investigation was adjusted from 0 to 500 µg/m3. The dust removal efficiency was obtained using the following formula:where and were computed with 15 min intervals of data from the sensor monitor. and represent the concentration of PM2.5 in the inlet and outlet streams, respectively, and the area under the curve of PM2.5 concentration with interval time. The experimental setup is presented in Figure 3.
5. Result and Discussion
5.1. Effect of Liquid-to-Air Ratio
5.2. Effect of Water Droplet Size
5.3. Effect of Turbulence
5.4. Effect of Packed Bed Type Absorption Tower
6. Conclusions
- Increasing the liquid-to-air ratio increased the average PM2.5 removal efficiency. The maximum efficiency (58.6%) was observed at the upper limit of the liquid-to-air ratio of the wet scrubber (13.21 L/m3).
- Spraying with small droplets produced a higher average PM2.5 removal efficiency. A droplet size of 270 µm exhibited the highest efficiency (58.63%).
- Turbulence in the spray wet scrubber tower was enabled via installation of a deflector and baffle. Increasingly, the water level in the deflector and baffle enhanced efficiency. The maximum efficiency (71.56%) was achieved at a water level of 150 mm using only a turbulence system. When the wet scrubber tower operates using both spraying water and turbulence, absorption efficiency increases from 71.56% to 87.59% at 150 mm of water level and 9.03 L/m3 liquid-to-air ratio. This condition produced an output concentration of PM2.5 that met the WHO guidelines for PM2.5 intensity. The wet scrubber tower could clean 13,320 m3/d of air and remove 2464 g of PM2.5 daily.
- The Pall and Raschig rings packing material type did not promote absorption efficiency, as the droplets became bigger when passing through the packing the material, resulting in a decreasing contact area between the surface and water.
Author Contributions
Funding
Data Availability Statement
Acknowledgments
Conflicts of Interest
References
- Chulalongkorn University. Stay Safe in the PM 2.5 Dust. Available online: https://www.chula.ac.th/en/news/26593/ (accessed on 7 November 2020).
- Clean Air Association of Thailand. Clean Air White Paper, Thailand. Available online: http://www.tei.or.th/file/library/2019-clean-air-white-paper_26.pdf (accessed on 7 November 2022).
- Oanh, N.T.; Kondo, Y.; Co, H.X. Investigation on the Impacts of Urban-Rural Air Pollution on Air Quality and Climate in Southeast Asia; Final report for APN project: ARCP2007–07CMY-Oanh; Asia Pacific Network for Global Change Research: Kobe, Japan, 2009. [Google Scholar]
- Karl, B.S., Jr.; Charles, A.B. Air Pollution Control Technology Handbook; CRC Press: Boca Raton, FL, USA, 2021. [Google Scholar]
- United States Environmental Protection Agency. EPA Air Pollution Control Cost Manual. Available online: https://www3.epa.gov/ttncatc1/dir1/c_allchs.pdf (accessed on 7 November 2020).
- Kim, H.; Jung, C.; Oh, S.N.; Lee, K.W. Particle Removal Efficiency of Gravitational Wet Scrubber Considering Diffusion, Interception, and Impaction. Environ. Eng. Sci. 2001, 18, 125–136. [Google Scholar] [CrossRef]
- Jiuan, Y.L. Evaluation of Wet Scrubber Systems; University of Southern Queensland: Toowoomba, QLD, Australia, 2005. [Google Scholar]
- Danzomo, B.A.; Salami, M.J.E.; Jabirin, S.; Khan, M.; Nor, I.M. Performance Evaluation of Wet Scrubber System For Industrial Air Pollution Control. ARPN J. Eng. Appl. Sci. 2012, 7, 1669–1677. [Google Scholar]
- Mohammad Javad, J.; Majid, H.; Ahmadreza, Y.; Yadoolah, M.; Roohollah, G.; Marzieh, K. The Role of Packing Media in a Scrubber Performance Removing Sulfuric Acid Mists. Int. J. Occup. Hyg. 2015, 4, 26–31. [Google Scholar]
- Hegely, L.; Roesler, J.; Alix, P.; Rouzineau, D.; Meyer, M. Absorption methods for the determination of mass transfer parameters of packing internals: A literature review. AIChE J. 2017, 63, 3246–3275. [Google Scholar] [CrossRef]
- Buonicore, A.J.; Davis, W.T. Air Pollution Engineering Manual; Van Nostrand Reinhold: New York, NY, USA, 1992. [Google Scholar]
- Lee, B.-K.; Mohan, B.R.; Byeon, S.-H.; Lim, K.-S.; Hong, E.-P. Evaluating the performance of a turbulent wet scrubber for scrubbing particulate matter. J. Air Waste Manag. Assoc. 2013, 63, 499–506. [Google Scholar] [CrossRef] [PubMed]
- Meikap, B.C.; Biswas, M.N. Fly-ash removal efficiency in a modified multi-stage bubble column scrubber. Sep. Purif. Technol. 2004, 36, 177–190. [Google Scholar] [CrossRef]
- Lee, B.-K.; Jung, K.-R.; Park, S.-H. Development and application of a novel swirl cyclone scrubber—(1) Experimental. J. Aerosol Sci. 2008, 39, 1079–1088. [Google Scholar] [CrossRef]
- Park, S.-H.; Lee, B.-K. Development and application of a novel swirl cyclone scrubber: (2) Theoretical. J. Hazard. Mater. 2009, 164, 315–321. [Google Scholar] [CrossRef] [PubMed]
- Raj Mohan, B.; Meikap, B.C. Performance characteristics of the particulate removal in a novel spray-cum-bubble column scrubber. Chem. Eng. Res. Des. 2009, 87, 109–118. [Google Scholar] [CrossRef]
- Noura, M.; Atiquzzaman, M.; Gaedke, M. Interoperability in Internet of Things: Taxonomies and Open Challenges. Mob. Netw. Appl. 2019, 24, 796–809. [Google Scholar] [CrossRef]
- Sethi, P.; Sarangi, S.R. Internet of Things: Architectures, Protocols, and Applications. J. Electr. Comput. Eng. 2017, 2017, 9324035. [Google Scholar] [CrossRef]
- Minerva, R.; Abyi, B.; Domenico, R. Towards a definition of the Internet of Things (IoT). IEEE Internet Initiat. 2015, 1, 1–86. [Google Scholar]
- IEEE Std 2413–2019; IEEE Standard for an Architectural Framework for the Internet of Things (IoT). IEEE: New York, NY, USA, 2020; pp. 1–269. [CrossRef]
- Cao, K.; Liu, Y.; Meng, G.; Sun, Q. An Overview on Edge Computing Research. IEEE Access 2020, 8, 85714–85728. [Google Scholar] [CrossRef]
- Tubaishat, M.; Madria, S. Sensor networks: An overview. IEEE Potentials 2003, 22, 20–23. [Google Scholar] [CrossRef]
- Hunkeler, U.; Truong, H.L.; Stanford-Clark, A. MQTT-S—A publish/subscribe protocol for Wireless Sensor Networks. In Proceedings of the 2008 3rd International Conference on Communication Systems Software and Middleware and Workshops (COMSWARE ‘08), Bangalore, India, 6–10 January 2008; pp. 791–798. [Google Scholar]
- Paolis, L.T.D.; Luca, V.D.; Paiano, R. Sensor data collection and analytics with thingsboard and spark streaming. In Proceedings of the 2018 IEEE Workshop on Environmental, Energy, and Structural Monitoring Systems (EESMS), Salerno, Italy, 21–22 June 2018; pp. 1–6. [Google Scholar]
- Alfano, B.; Barretta, L.; Del Giudice, A.; De Vito, S.; Di Francia, G.; Esposito, E.; Formisano, F.; Massera, E.; Miglietta, M.L.; Polichetti, T. A Review of Low-Cost Particulate Matter Sensors from the Developers’ Perspectives. Sensors 2020, 20, 6819. [Google Scholar] [CrossRef] [PubMed]
- Hong, G.-H.; Le, T.-C.; Tu, J.-W.; Wang, C.; Chang, S.-C.; Yu, J.-Y.; Lin, G.-Y.; Aggarwal, S.G.; Tsai, C.-J. Long-term evaluation and calibration of three types of low-cost PM2.5 sensors at different air quality monitoring stations. J. Aerosol Sci. 2021, 157, 105829. [Google Scholar] [CrossRef]
- Mussatti, D.; Hemmer, P. EPA/452/B-02-001, Section 6 Particulate Matter Controls, Chapter 2 Wet Scrubbers for Particulate Matter. Available online: https://www.epa.gov/sites/default/files/2020-07/documents/cs6ch2.pdf (accessed on 3 November 2022).










| Parameter | Numerical Value |
|---|---|
| Tower height | 4 m |
| Tower width (square) | 0.85 m |
| Transfer unit height | 2 m |
| Spray head | 12 pcs |
| Inlet diameter | 100 mm |
| Outlet diameter | 150 mm |
| Liquid-to-air ratio (up to airflow rate) | up to 13.21 L/m3 |
| Blower with inverter for frequency adjustment | 1 hp |
| Water pump | 1 hp |
| Water tank | 390 L |
| Liquid-to-Air Ratio L/m3 | Average Efficiency with Spray % |
|---|---|
| 5.14 | 38.60 |
| 9.56 | 49.86 |
| 13.21 | 58.60 |
| Mean Droplet Diameter (µm) | PM2.5 Removal Efficiency (%) | Avg. (%) | ||||
|---|---|---|---|---|---|---|
| 0–100 | 101–200 | 201–300 | 301–400 | 401–500 | ||
| 270 | 65.2 | 61.12 | 60.03 | 55.15 | 51.65 | 58.63 |
| 380 | 58.96 | 55.14 | 51.05 | 49.89 | 50.1 | 53.03 |
| 520 | 45.12 | 40.16 | 39.43 | 35.31 | 33.11 | 38.63 |
| Water Level (mm) | Liquid-to-Air Ratio (L/m3) | Pressure Drops (mm H2O) | Average Efficiency: Only Turbulence (%) | Average Efficiency: Turbulence with Water Spraying (%) |
|---|---|---|---|---|
| 0 | 5.14 | 155.45 | 42.83 | 48.55 |
| 50 | 6.38 | 175.97 | 59.67 | 71.12 |
| 100 | 7.26 | 204.99 | 66.03 | 80.83 |
| 150 | 9.03 | 223.25 | 71.56 | 87.59 |
| Experiment Condition | PM2.5 Removal Efficiency (%) | Avg. (%) | ||||
|---|---|---|---|---|---|---|
| 0–100 | 101–200 | 201–300 | 301–400 | 401–500 | ||
| Spraying water only | 65.2 | 61.12 | 60.03 | 55.15 | 51.65 | 58.63 |
| Spraying water and packed bed type A | 56.25 | 54.82 | 53.08 | 52.36 | 51.85 | 53.03 |
| Spraying water and packed bed type B | 56.19 | 53.66 | 52.12 | 50.26 | 49.33 | 52.31 |
Disclaimer/Publisher’s Note: The statements, opinions and data contained in all publications are solely those of the individual author(s) and contributor(s) and not of MDPI and/or the editor(s). MDPI and/or the editor(s) disclaim responsibility for any injury to people or property resulting from any ideas, methods, instructions or products referred to in the content. |
© 2023 by the authors. Licensee MDPI, Basel, Switzerland. This article is an open access article distributed under the terms and conditions of the Creative Commons Attribution (CC BY) license (https://creativecommons.org/licenses/by/4.0/).
Share and Cite
Wansom, A.; Maneechot, P.; Jiteurtragool, N.; Vitidsant, T. PM2.5 Collection Enhancement in a Smart Hybrid Wet Scrubber Tower. Processes 2023, 11, 3306. https://doi.org/10.3390/pr11123306
Wansom A, Maneechot P, Jiteurtragool N, Vitidsant T. PM2.5 Collection Enhancement in a Smart Hybrid Wet Scrubber Tower. Processes. 2023; 11(12):3306. https://doi.org/10.3390/pr11123306
Chicago/Turabian StyleWansom, Akasit, Pisit Maneechot, Nattagit Jiteurtragool, and Tharapong Vitidsant. 2023. "PM2.5 Collection Enhancement in a Smart Hybrid Wet Scrubber Tower" Processes 11, no. 12: 3306. https://doi.org/10.3390/pr11123306
APA StyleWansom, A., Maneechot, P., Jiteurtragool, N., & Vitidsant, T. (2023). PM2.5 Collection Enhancement in a Smart Hybrid Wet Scrubber Tower. Processes, 11(12), 3306. https://doi.org/10.3390/pr11123306

