Stochastic Approach for Increasing the PV Hosting Capacity of a Low-Voltage Distribution Network †
Abstract
1. Introduction
1.1. Current State of PV Systems
- asymmetry in the voltage and current flow of neutral conductors in low-voltage distribution systems, which is caused by single-phase production/consumption devices;
- thermal effects caused by the high current in phase or neutral conductors, which increase losses.
1.2. Photovoltaic Hosting Capacity
- the power of the installed PV;
- type of network, voltage level, whether there is a 3- or 4-wire system;
- PV connection, single or three-phase;
- PV type, concentrated or distributed;
- global irradiation, wind conditions, ambient temperature variations;
- load type;
- network characteristics such as rural or urban network, line impedances, feeder lengths, overhead power lines, or cable lines;
- BESS integration;
- transformer rating, construction, and regulation capabilities for tap changing [32].
- Peak load is the ratio of the PV system’s maximum capacity to the feeder’s peak load. It is estimated that 47% of all PVHC studies use this definition.
- TR rating represents the ratio between the sum of PV production to the TR rated capacity [33]. This is used in around 20% PVHC studies.
- PoC ratio is defined as the ratio of PoC equipped with PV to the total number of PoC [34]. PoC ratio is used in around 20% of PVHC studies.
- Energy ratio is the ratio between yearly energy generation by PV system to energy consumption from all PoC [35]. It is used in around 7% of PVHC studies.
- Active power ratio is the ratio of PV power output to the active power of load at PoC. Around 5% of PVHC studies use this definition.
- Roof space PV is the roof space of PoC with PV installation in one feeder. Around 2% of PVHC studies use this definition.
1.2.1. Limitations of Photovoltaic Hosting Capacity
- power quality standards;
- thermal limits of conductors and TR;
- element fault current.
Voltage Violations
Voltage Unbalance
Harmonics and Supraharmonics
- Thermal limit of phase conductors—increased power flow from significant PV penetration results in reverse current flow in the phase conductor.
- Thermal limit of neutral conductor—this is an issue only in a 4-wire LV network with a higher voltage unbalance. The neutral conductor is commonly designed with lower ampacity as in phase conductors.
- Thermal limit of TR—can be violated in the case of reverse flow of power due to PC installations, e.g., from LV network to MV network.
1.2.2. Increasing PV Hosting Capacity
- (a)
- Grid upratingGrid uprating can effectively decrease the voltage rise in the PoC. The main drawback of grid reinforcement is the high cost associated with this method [50].
- (b)
- Dynamic line ratingDynamic line rating (DLR) is represented by the reevaluation of the distribution line ampacity, taking the actual, real-time, meteorological data throughout the year into consideration, causing its allowable current rating to be a function of time. Therefore, it is sometimes referred to as real-time thermal rating [52]. This solution is only applicable to overhead power lines.
- (c)
- Reactive power managementReactive power control by PV is a cost-effective solution, but it has limited potential for increasing the PVHC [53,54]. The possible mitigation of the voltage drop is lower in electrical grids with ground cables compared to grids with OPL because of the lower inductance per unit length values. Injecting reactive power into the grid increases the losses. The inverters that can support the grid with reactive power are not standard for residential PV systems. Another aspect discussed is that the change of PF at the PoC from 0.8 leading (generating reactive power) to 0.8 lagging (absorbing reactive power) can increase PVHC by nearly 7 times compared with the case with a PV inverter generating reactive power. More case studies regarding power quality improvements can be found in [31].
- (d)
- Active distribution transformersThe obvious choice, in this case, would be the on-load tap-changers (OLTCs) on supply transformers, which in this configuration are sometimes referred to as active transformers. Furthermore, modern solid-state OLTCs can operate in a range from 100 ms to seconds, which is very close to the standard BESS. The utilization of active MV/LV transformers in LV grids with high PV penetration is still uncommon.
- (e)
- Battery energy storage systemsBESS can be utilized to store a part of the PV-generated energy and minimize the amount of injected active power back into the grid, thus, overcoming overvoltage issues. This stored energy can be used later when electricity prices are high or during emergencies. The main problem with BESS is the initial investment. The main potential of customer-owned BESS as a distributed control strategy is in fully utilizing the active power potential of BESS. At the same time, centralized BESS are an efficient means to improve the PVHC in remote areas [55].
1.3. Our Contribution
2. Materials and Methods
2.1. Determining Photovoltaic Hosting Capacity
Description of General PVHC Calculation Model
2.2. Optimal Data
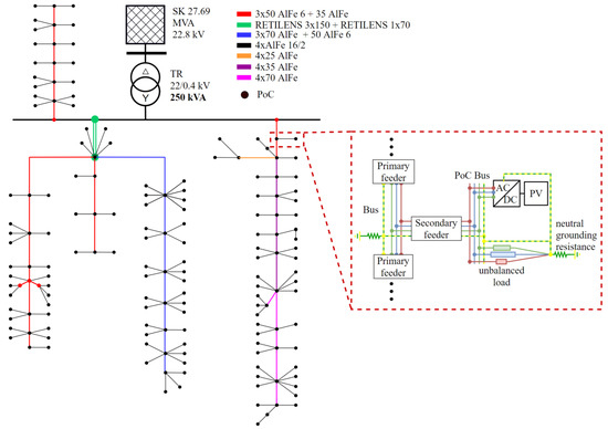
3. Description of Case Study
- steady state time-series calculations are made for one year at 1-h time steps;
- the LV network has static topology and is connected to a 22 kV MV system through two winding 22/0.4 kV 250 kVA DETC power transformers;
- the model is built and calculated as a typical 4-wire LV European system with 3-phase conductors and one neutral conductor;
- the model consists of 139 PoC separated into eight categories by their tariff, where each category is defined by a different yearly load shape;
- the model combines probabilistic and deterministic parameters described in detail in the following section.
3.1. Analyzed Scenarios
- V0
- basic state of the model;
- V1
- influence of different PV power factors on PVHC;
- V2
- influence of tap change on DETC power factor on PVHC;
- V3
- influence of BESS parallel to PV on PVHC.
3.2. Model Topology and Electrical Parameters
- every bus between two lines of the primary feeder, with connection details shown in Figure 3;
- the output terminal of the unbalanced load;
- grounding of the LV side of the power transformer.
3.3. Loads and Load Shape Curves
3.4. PV System
- topological position (parallel connection to specific PoC), which is randomly selected in every VR;
- installed power of PV system and type (single or 3-phase), which are selected according to discreet probabilities, Figure 7;
- installed PV systems range from 0.2 up to 10 kW per single PoC, with only one PV per PoC possible in the model;
- PF of an inverter is a constant, 1, for the basic state scenario V0;
- in the case of a single-phase PV, a random phase is selected for the connection.
3.5. PVHC Limitations
- 230 V ± 10% for all 10 min average values for 95% of the time in a week;
- 230 V + 10%–15% for all 10 min average values.
- max. U (phase-neutral) 253 V, with an acceptable 1% violation probability
- min. U (phase-neutral)
- –
- 207 V, with an acceptable 5% violation probability
- –
- 195.5 V, with acceptable 0% violation probability
- max. voltage unbalance 2%, with acceptable 5% violation probability
3.6. HC Definition and Calculation
4. Results
4.1. Scenario V0
- static tap −5% on 22/0.4 kV DETC power transformer;
- PF of PV systems equals 1;
- DPI varies from 0 to 0.5 in steps of 0.1.
- (a)
- A box plot of voltage distribution for increasing DPI. In the case with no PV in the system, all values are within the voltage limit range. Increasing DPI does not cause undervoltages.
- (b)
- CDF calculated for overvoltage in the network. PVHC defined by 1% probability of overvoltage is 13.6%. This is equal to the sum of 79.9 kW installed PV systems in the network. Continuous CDF was calculated from discreet data using a second-degree polynomial fit. In all CDF calculations, the residual sum of squares (RSS) is below 0.002.
- (c)
- A box plot of yearly losses, lines, and TR for increasing DPI. An average decrease of 15.6% in losses was calculated for DPI 0.3. Losses as a function of DPI form a typical bathtub curve. If PV represents up to 30% of consumed energy, a positive effect in lowering power losses is observed.
- (d)
- Power flow and relative frequency through the transformer. Increasing PV penetration causes significant reverse power flow. However, the TR power limit was not violated even for high DPI.
4.2. Scenario V1
- static tap –5% on 22/0.4 kV DETC power transformer;
- PF of PV systems varies from 1 to 0.85 (absorbing reactive power);
- DPI varies from 0 to 0.5 in steps of 0.1.
4.3. Scenario V2
- tap changes from −5% −0% with 2.5% step on 22/0.4 kV DETC power transformer;
- PF of PV systems equals 1;
- DPI varies from 0 to 0.5 in steps of 0.1.
5. Discussion
- 230 V ± 10% for all 10 min average values for 95% of the time in a week;
- 230 V + 10%–15% for all 10 min average values.
Comparison of the Results
- characteristics of the network, whether urban, rural, or industrial;
- impedances of lines typical of a specific region;
- grounding resistance of the neutral conductor;
- customs in TR ratings;
- type of lines, whether cable, overhead, or hybrid lines;
- latitude;
- estimation value, percentage, or kWp of installed power;
- definition of PVHC;
- probability limits in the case of stochastic studies;
- real synthetic typified networks;
- voltage level.
- A study in 2007 [57] in which 30% PVHC was calculated, with voltage limitation, in an LV of a United Kingdom network.
- A study in 2010 [65] performed on a rural European network, with a calculated maximum installed power of 3.5 kWp per PoC. Overvoltages were also the PVHC limitation identified in this study. Our results, for 5% tolerance, allow connecting 1.2 kWp per PoC on average.
- A study in 2016 [66] performed on a rural system with rooftop PV installations with a calculation of 13% PVHC, with overvoltages estimated as the limitation source.
- A study in 2016 [67] performed on an LV network in Denmark with estimation of 40% PVHC.
- A stochastic study in 2019 [68] performed on an IEEE 123-bus system with rooftop PV installations with a calculation of 16.48% PVHC with PV inverter PF 1 and 5% tolerance for overvoltage. By changing PF to 0.895, the PVHC was increased up to 32.3%.
6. Conclusions
- include all deterministic parameters as probabilities defined by mean value and standard deviation for specific time step;
- use a smaller time step in the simulation, e.g., 10 min;
- increase the number of VR per PPF, which would result in finding only the possible extremes in voltage deviation.
- improve the stochastic model;
- implement decentralized and centralized BESS systems;
- implement other DERs, such as EVs, into the model;
- conduct harmonics analyses.
Author Contributions
Funding
Informed Consent Statement
Data Availability Statement
Acknowledgments
Conflicts of Interest
Abbreviations
| DER | distributed energy resource |
| RES | renewable energy sources |
| PV | photovoltaic |
| WT | wind turbine |
| EV | electric vehicle |
| CSP | concentrated solar power |
| HC | hosting capacity |
| PVHC | photovoltaic hosting capacity |
| SS | small source |
| BESS | battery energy storage systems |
| OLTC | on-load tap changer |
| DETC | deenergized tap changer |
| TR | transformer |
| LV | low-voltage network |
| MV | medium voltage network |
| PoC | point of consumption |
| DSO | distribution system operator |
| PPF | probabilistic power flow |
| DPI | distributed energy resources penetration index |
| VR | model variation |
| IMS | intelligent metering system |
| CDF | cumulative distribution function |
| RSS | residual sum of squares |
References
- IEA. Unlocking the Potential of Distributed Energy Resources. Technical Report; IEA: Paris, France, 2022. [Google Scholar]
- IRENA. Innovation Landscape for a Renewable-Powered Future: Solutions to Integrate Variable Renewables; International Renewable Energy Agency: Abu Dhabi, United Arab Emerites, 2019. [Google Scholar]
- Funicello-Paul, L.; Maupin, M. Installed Distributed Energy Resources Capacity Is Expected to Total $1.9 Trillion in Investment from 2015 to 2024, According to Navigant Research, 2016. Available online: https://bit.ly/3hJx29o (accessed on 11 October 2022).
- Tsagkari, M. Impact of Coronavirus on Distributed Energy Generation with the Application of Demand-Side Management. 2020. IAEE Energy Forum. Available online: https://www.iaee.org/newsletter/issue/104 (accessed on 11 October 2022).
- Noonan, E.; Fitzpatrick, E. Will Distributed Energy Resources (DERs) Change How We Get Our Energy? 2020. European Parliamentary Research Service, Europian Union. European Parliamentary Research Service, Europian Union. Available online: https://bit.ly/3HQ0t4C (accessed on 11 October 2022).
- IEA. Global Energy Review 2021; IEA: Paris, France, 2021. [Google Scholar]
- European Commission. The Average Share of Electricity from Renewable Energy Sources in the EU; Technical Report; European Commission: Brussels, Belgium, 2021; Available online: https://https://bit.ly/3BO2TNk (accessed on 12 October 2022).
- Ministerstvo průmyslu a obchodu. Vývoj podílů obnovitelné energie. Available online: https://bit.ly/3G3Dodi (accessed on 11 October 2022).
- European Commission. Renewable Energy Targets; European Commission: Brussels, Belgium, 2021; Available online: https://bit.ly/3G3A9Cu (accessed on 10 October 2022).
- Feldman, D.; Dummit, K.; Zuboy, J.; Heeter, J.; Xu, K.; Margolis, R. Spring 2022 Solar Industry Update, 2022. NREL. Available online: https://bit.ly/3BPgOm8 (accessed on 10 October 2022).
- IEA. Snapshot of Global PV Markets 2022. Technical Report IEA-PVPS T1-42: 2022; IEA: Paris, France, 2022. [Google Scholar]
- Ackermann, T.; Andersson, G.; Söder, L. Distributed generation: A definition. Electr. Power Syst. Res. 2001, 57, 195–204. [Google Scholar] [CrossRef]
- Peppanen, J.; Taylor, J.; Fonseca, D.; Snodgrass, J.; Chen, S.; Strasser, T.I. Distributed Energy Resource Benchmark Models for Distribution Impact Assessment—Update of Activities by CIGRE Working Group C6.36. In Proceedings of the CIRED 2021—The 26th International Conference and Exhibition on Electricity Distribution, Online, 20–23 September 2021; pp. 1988–1992. [Google Scholar] [CrossRef]
- König, A.; Nicoletti, L.; Schröder, D.; Wolff, S.; Waclaw, A.; Lienkamp, M. An Overview of Parameter and Cost for Battery Electric Vehicles. World Electr. Veh. J. 2021, 12, 21. [Google Scholar] [CrossRef]
- Polat, O.; Eyüboglu, O.H.; Gül, O. Monte Carlo simulation of electric vehicle loads respect to return home from work and impacts to the low voltage side of distribution network. Electr. Eng. 2021, 103, 439–445. [Google Scholar] [CrossRef]
- Han, X.; Sandels, C.; Zhu, K.; Nordström, L.; Söderström, P. Empirical analysis for Distributed Energy Resources’ impact on future distribution network. In Proceedings of the 2012 IEEE International Energy Conference and Exhibition (ENERGYCON), Florence, Italy, 9–12 September 2012; pp. 731–737. [Google Scholar] [CrossRef]
- Leou, R.C.; Su, C.L.; Lu, C.N. Stochastic Analyses of Electric Vehicle Charging Impacts on Distribution Network. IEEE Trans. Power Syst. 2014, 29, 1055–1063. [Google Scholar] [CrossRef]
- Medved, D.; Kolcun, M.; Pavlík, M.; Bena, L.; Mešter, M. Analysis of Prosumer Behavior in the Electrical Network. Energies 2021, 14, 8212. [Google Scholar] [CrossRef]
- Vrana, M.; Drapela, J.; Topolanek, D.; Vycital, V.; Jurik, M.; Blahusek, R.; Kurfirt, M. Battery Storage and Charging Systems Power Control Supporting Voltage in Charging Mode. In Proceedings of the 2020 19th International Conference on Harmonics and Quality of Power (ICHQP), Dubai, United Arab Emirates, 6–7 July 2020. [Google Scholar]
- Kumar, P.; Nikolovski, S.; Ali, I.; Thomas, M.S.; Ahuja, H. Impact of Electric Vehicles on Energy Efficiency with Energy Boosters in Coordination for Sustainable Energy in Smart Cities. Processes 2022, 10, 1593. [Google Scholar] [CrossRef]
- Akinyele, D.O.; Rayudu, R.K. Review of energy storage technologies for sustainable power networks. Sustain. Energy Technol. Assessments 2014, 8, 74–91. [Google Scholar] [CrossRef]
- Alanazi, A.; Alanazi, M.; Abdelaziz, A.Y.; Kotb, H.; Milyani, A.H.; Azhari, A.A. Stochastic Allocation of Photovoltaic Energy Resources in Distribution Systems Considering Uncertainties Using New Improved Meta-Heuristic Algorithm. Processes 2022, 10, 2179. [Google Scholar] [CrossRef]
- Oliinyk, M.; Džmura, J.; Kolcun, M.; Humeník, J.; Kanálik, M.; Pavlík, M.; Pál, D.; Medved’, D. Impact of electric vehicles and demand management systems on electrical distribution networks. Electr. Eng. 2022, 104, 667–680. [Google Scholar] [CrossRef]
- Grabner, M.; Souvent, A.; Suljanović, N.; Košir, A.; Blažič, B. Probabilistic Methodology for Calculating PV Hosting Capacity in LV Networks Using Actual Building Roof Data. Energies 2019, 12, 4086. [Google Scholar] [CrossRef]
- Hasan, K.N.; Preece, R.; Milanović, J.V. Existing approaches and trends in uncertainty modelling and probabilistic stability analysis of power systems with renewable generation. Renew. Sustain. Energy Rev. 2019, 101, 168–180. [Google Scholar] [CrossRef]
- Zain ul Abideen, M.; Ellabban, O.; Al-Fagih, L. A Review of the Tools and Methods for Distribution Networks’ Hosting Capacity Calculation. Energies 2020, 13, 2758. [Google Scholar] [CrossRef]
- Moon, J.H.; Gwon, H.N.; Jo, G.R.; Choi, W.Y.; Kook, K.S. Stochastic Modeling Method of Plug-in Electric Vehicle Charging Demand for Korean Transmission System Planning. Energies 2020, 13, 4404. [Google Scholar] [CrossRef]
- Ichoua, S. A stochastic approach for the integration of distributed energy resources. In Proceedings of the 2014 IEEE International Technology Management Conference, Chicago, IL, USA, 12–15 June 2014; pp. 1–4. [Google Scholar] [CrossRef]
- Zhang, Y.; Ren, S.; Dong, Z.Y.; Xu, Y.; Meng, K.; Zheng, Y. Optimal placement of battery energy storage in distribution networks considering conservation voltage reduction and stochastic load composition. IET Gener. Transm. Distrib. 2017, 11, 3862–3870. [Google Scholar] [CrossRef]
- Ismael, S.M.; Abdel Aleem, S.H.E.; Abdelaziz, A.Y.; Zobaa, A.F. State-of-the-art of hosting capacity in modern power systems with distributed generation. Renew. Energy 2019, 130, 1002–1020. [Google Scholar] [CrossRef]
- Fatima, S.; Püvi, V.; Lehtonen, M. Review on the PV Hosting Capacity in Distribution Networks. Energies 2020, 13, 4756. [Google Scholar] [CrossRef]
- Aydin, M.S.; Alnaser, S.W.; Althaher, S.Z. Using OLTC-Fitted Distribution Transformer to Increase Residential PV Hosting Capacity: Decentralized Voltage Management Approach. Energies 2022, 15, 4836. [Google Scholar] [CrossRef]
- Aziz, T.; Ketjoy, N. PV Penetration Limits in Low Voltage Networks and Voltage Variations. IEEE Access 2017, 5, 16784–16792. [Google Scholar] [CrossRef]
- Kitworawut, P.B.; Azuatalam, D.T.; Collin, A.J. An investigation into the technical impacts of microgeneration on UK-type LV distribution networks. In Proceedings of the 2016 Australasian Universities Power Engineering Conference (AUPEC), Brisbane, QLD, Australia, 25–28 September 2016; pp. 1–5. [Google Scholar] [CrossRef]
- Hasanpor Divshali, P.; Söder, L. Improving PV Hosting Capacity of Distribution Grids Considering Dynamic Voltage Characteristic. In Proceedings of the 2018 Power Systems Computation Conference (PSCC), Dublin, Ireland, 11–15 June 2018; pp. 1–7. [Google Scholar] [CrossRef]
- Martin, W.; Stauffer, Y.; Ballif, C.; Hutter, A.; Alet, P.J. Automated Quantification of PV Hosting Capacity In Distribution Networks Under User-Defined Control and Optimisation Procedures. In Proceedings of the 2018 IEEE PES Innovative Smart Grid Technologies Conference Europe (ISGT-Europe), Sarajevo, Bosnia and Herzegovina, 21–25 October 2018; pp. 1–6. [Google Scholar] [CrossRef]
- Rylander, M.; Smith, J. Stochastic approach for distribution planning with distributed energy resources. In Proceedings of the CIGRE Grid of the Future Symposium, Kansas City, MO, USA, 28–30 October 2012. [Google Scholar]
- Rylander, M.; Smith, J. Comprehensive Approach for Determining Distribution Network Hosting Capacity for Solar PV. In Proceedings of the 2nd International Workshop on Integration of Solar Power Into Power Systems, Lisbon, Portugal, 13–15 November 2012. [Google Scholar]
- EN 50160:2010; Voltage Characteristics of Electricity Supplied by Public Electricity Networks. CENELEC: Brussels, Belgium, 2010.
- ANSI C84.1-2011; American National Standard for Electric Power Systems and Equipment—Voltage Ratings (60 Hertz). National Electrical Manufacturers Association: Arlington, VA, USA, 2011.
- Klonari, V.; Toubeau, J.F.; Lobry, J.; Vallee, F. Photovoltaic Integration in Smart City Power Distribution— A Probabilistic Photovoltaic Hosting Capacity Assessment based on Smart Metering Data. In Proceedings of the 5th International Conference on Smart Cities and Green ICT Systems-SMARTGREENS, Rome, Italy, 27–29 April 2022; pp. 166–178. [Google Scholar]
- Koirala, A.; Van Acker, T.; D’hulst, R.; Van Hertem, D. Hosting capacity of photovoltaic systems in low voltage distribution systems: A benchmark of deterministic and stochastic approaches. Renew. Sustain. Energy Rev. 2022, 155, 111899. [Google Scholar] [CrossRef]
- Definitions of Voltage Unbalance. IEEE Power Eng. Rev. 2001, 21, 49–51. [CrossRef]
- IEEE Std 519-2014; IEEE Recommended Practice and Requirements for Harmonic Control in Electric Power Systems. IEEE: Manhattan, NY, USA, 2014; pp. 1–29. [CrossRef]
- Menti, A.; Barkas, D.; Kaminaris, S.; Psomopoulos, C.S. Supraharmonic emission from a three-phase PV system connected to the LV grid. Energy Rep. 2021, 7, 527–542. [Google Scholar] [CrossRef]
- Alkahtani, A.A.; Alfalahi, S.T.Y.; Athamneh, A.A.; Al-Shetwi, A.Q.; Mansor, M.B.; Hannan, M.A.; Agelidis, V.G. Power Quality in Microgrids Including Supraharmonics: Issues, Standards, and Mitigations. IEEE Access 2020, 8, 127104–127122. [Google Scholar] [CrossRef]
- Bendík, J.; Cenký, M.; Eleschová, Z.; Beláň, A.; Cintula, B.; Janiga, P. Stochastic Concept for Modeling Distributed Energy Resources in Power Systems. In Proceedings of the 2022 22nd International Scientific Conference on Electric Power Engineering (EPE), Kouty nad Desnou, Czech Republic, 8–10 June 2022; pp. 1–6. [Google Scholar] [CrossRef]
- Singh, N.K.; Wanik, M.; Jabbar, A.A.; Sanfilippo, A. Enhancing PV hosting Capacity of a Qatar Remote Farm Network using Inverters Ability to Regulate Reactive Power-a Case Study. In Proceedings of the 2019 IEEE PES Innovative Smart Grid Technologies Europe (ISGT-Europe), Bucharest, Romania, 29 September–2 October 2019; pp. 1–5. [Google Scholar] [CrossRef]
- Ruf, H. Limitations for the feed-in power of residential photovoltaic systems in Germany—An overview of the regulatory framework. Sol. Energy 2018, 159, 588–600. [Google Scholar] [CrossRef]
- Hashemi, S.; Østergaard, J. Methods and strategies for overvoltage prevention in low voltage distribution systems with PV. IET Renew. Power Gener. 2017, 11, 205–214. [Google Scholar] [CrossRef]
- Zhang, D.; Jiang, S.; Liu, J.; Wang, L.; Chen, Y.; Xiao, Y.; Jiao, S.; Xie, Y.; Zhang, Y.; Li, M. Stochastic Optimization Operation of the Integrated Energy System Based on a Novel Scenario Generation Method. Processes 2022, 10, 330. [Google Scholar] [CrossRef]
- Karunarathne, E.; Wijethunge, A.; Ekanayake, J. Enhancing PV Hosting Capacity Using Voltage Control and Employing Dynamic Line Rating. Energies 2022, 15, 134. [Google Scholar] [CrossRef]
- Pecenak, Z.K.; Kleissl, J.; Disfani, V.R. Smart inverter impacts on california distribution feeders with increasing pv penetration: A case study. In Proceedings of the 2017 IEEE Power & Energy Society General Meeting, Chicago, IL, USA, 16–20 July 2017; pp. 1–5. [Google Scholar] [CrossRef][Green Version]
- Dvoracek, J.; Klusacek, J.; Drapela, J.; Topolánek, D. Dispatch Reactive Power Sharing Concept for Power Generating Plants in Medium Voltage Distribution Systems. In Proceedings of the 2022 22nd International Scientific Conference on Electric Power Engineering (EPE), Kouty nad Desnou, Czech Republic, 8–10 June 2022; pp. 1–6. [Google Scholar] [CrossRef]
- Gong, Q.; Fang, J.; Qiao, H.; Liu, D.; Tan, S.; Zhang, H.; He, H. Optimal Allocation of Energy Storage System Considering Price-Based Demand Response and Dynamic Characteristics of VRB in Wind-PV-ES Hybrid Microgrid. Processes 2019, 7, 483. [Google Scholar] [CrossRef]
- 309/2009 Z. z. Zákon o podpore obnoviteľných zdrojov energie a vysoko úcinnej kombinovanej výroby. Available online: https://bit.ly/3jjHG7v (accessed on 13 October 2022).
- Thomson, M.; Infield, D. Impact of widespread photovoltaics generation on distribution systems. IET Renew. Power Gener. 2007, 1, 33–40. [Google Scholar] [CrossRef]
- Arshad, A.; Püvi, V.; Lehtonen, M. Monte Carlo-Based Comprehensive Assessment of PV Hosting Capacity and Energy Storage Impact in Realistic Finnish Low-Voltage Networks. Energies 2018, 11, 1467. [Google Scholar] [CrossRef]
- EPRI. OpenDSS PVSystem Element Model. Version 1. Tech. rep. Technical report, Electric Power Research Institute. Available online: https://bit.ly/3G5rijD (accessed on 13 October 2022).
- Dubey, A.; Santoso, S. On Estimation and Sensitivity Analysis of Distribution Circuit’s Photovoltaic Hosting Capacity. IEEE Trans. Power Syst. 2017, 32, 2779–2789. [Google Scholar] [CrossRef]
- Navarro, A.; Ochoa, L.F.; Randles, D. Monte Carlo-based assessment of PV impacts on real UK low voltage networks. In Proceedings of the 2013 IEEE Power & Energy Society General Meeting, Vancouver, BC, Canada, 21–25 July 2013; pp. 1–5. [Google Scholar] [CrossRef]
- Fatima, S.; Püvi, V.; Arshad, A.; Pourakbari-Kasmaei, M.; Lehtonen, M. Comparison of Economical and Technical Photovoltaic Hosting Capacity Limits in Distribution Networks. Energies 2021, 14, 2405. [Google Scholar] [CrossRef]
- Tonkoski, R.; Turcotte, D.; El-Fouly, T. Impact of high PV penetration on voltage profiles in residential neighborhoods. IEEE Trans. Sustain. Energy 2012, 3, 518–527. [Google Scholar] [CrossRef]
- Ferdowsi, F.; Mehraeen, S.; Upton, G.B. Assessing distribution network sensitivity to voltage rise and flicker under high penetration of behind-the-meter solar. Renew. Energy 2020, 152, 1227–1240. [Google Scholar] [CrossRef]
- Stetz, T.; Yan, W.; Braun, M. Voltage control in distribution systems with high level PV-penetration. In Proceedings of the 25th European PV Solar Energy Conference, Valencia, Spain, 6–10 September 2010; pp. 5000–5006. [Google Scholar]
- Heinrich, C.; Fortenbacher, P.; Fuchs, A.; Andersson, G. PV-integration strategies for low voltage networks. In Proceedings of the 2016 IEEE International Energy Conference (ENERGYCON), Leuven, Belgium, 4–8 April 2016; pp. 1–6. [Google Scholar] [CrossRef]
- Hu, J.; Marinelli, M.; Coppo, M.; Zecchino, A.; Bindner, H.W. Coordinated voltage control of a decoupled three-phase on-load tap changer transformer and photovoltaic inverters for managing unbalanced networks. Electr. Power Syst. Res. 2016, 131, 264–274. [Google Scholar] [CrossRef]
- Atmaja, W.Y.; Sarjiya; Lesnanto, M.P.; Pramono, E.Y. Hosting Capacity Improvement Using Reactive Power Control Strategy of Rooftop PV Inverters. In Proceedings of the 2019 IEEE 7th International Conference on Smart Energy Grid Engineering (SEGE), Oshawa, ON, Canada, 12–14 August 2019; pp. 213–217. [Google Scholar] [CrossRef]














| Conductor | No. Phases | R [/km] | X [/km] | B [mS/km] | [A] |
|---|---|---|---|---|---|
| 50 AlFe 6 | 1 | 0.774 | 0.403 | 2.980 | 200 |
| 35 AlFe | 1 | 0.980 | 0.411 | 2.921 | 153 |
| RETILENS 3 × 150 | 3 | 0.206 | 0.079 | - | 250 |
| RETILENS 1 × 70 | 1 | 0.443 | 0.082 | - | 170 |
| AlFe 16/2 | 1 | 1.879 | 0.312 | - | 67 |
| 25 AlFe | 1 | 1.531 | 0.425 | 2.816 | 122 |
| 70 AlFe | 1 | 0.506 | 0.272 | - | 241 |
| PF | PVHC [%] | PV Power Equivalent [kW] | Improvement over V0 [%] | Limitation |
|---|---|---|---|---|
| 1 | 13.6 | 79.9 | - | overvoltage |
| 0.95 | 21.4 | 127.7 | 57.35 | overvoltage |
| 0.9 | 26.4 | 155 | 94.12 | overvoltage |
| 0.85 | 33.3 | 195.7 | 144.85 | overvoltage |
| 0.8 | 43.2 | 253.4 | 217.65 | overvoltage |
| Tap | PVHC [%] | PV Power Equivalent [kW] | Improvement over V0 [%] | Limitation |
|---|---|---|---|---|
| −5% | 13.6 | 79.9 | - | overvoltage |
| −2.5% | 31.5 | 185.1 | 131.62 | overvoltage |
| 0% | 0 | 0 | - | undervoltages below 0.85 |
| PF | PVHC [%] | |
|---|---|---|
| 1 | 13.6 | 24.4 |
| 0.95 | 21.4 | 37.5 |
| 0.9 | 26.4 | 47.2 |
| 0.85 | 33.3 | 60 |
| 0.8 | 43.2 | 82.2 |
| tap | ||
| −5% | 13.6 | 24.4 |
| −2.5% | 31.5 | 50.6 |
| 0% | 0 | 0 |
| Probabilistic Parameters | Deterministic Parameters |
|---|---|
| size of PV | size of load |
| type of PV (single-phase or 3-phase) | load shapes of power consumption |
| phase selection for single-phase PV connection | meteorological parameters |
| topological position of PV (Monte Carlo) | loads topological position |
| distribution of 3-phase load among phases | - |
| PF of each single-phase load | - |
Disclaimer/Publisher’s Note: The statements, opinions and data contained in all publications are solely those of the individual author(s) and contributor(s) and not of MDPI and/or the editor(s). MDPI and/or the editor(s) disclaim responsibility for any injury to people or property resulting from any ideas, methods, instructions or products referred to in the content. |
© 2022 by the authors. Licensee MDPI, Basel, Switzerland. This article is an open access article distributed under the terms and conditions of the Creative Commons Attribution (CC BY) license (https://creativecommons.org/licenses/by/4.0/).
Share and Cite
Bendík, J.; Cenký, M.; Cintula, B.; Beláń, A.; Eleschová, Ž.; Janiga, P. Stochastic Approach for Increasing the PV Hosting Capacity of a Low-Voltage Distribution Network. Processes 2023, 11, 9. https://doi.org/10.3390/pr11010009
Bendík J, Cenký M, Cintula B, Beláń A, Eleschová Ž, Janiga P. Stochastic Approach for Increasing the PV Hosting Capacity of a Low-Voltage Distribution Network. Processes. 2023; 11(1):9. https://doi.org/10.3390/pr11010009
Chicago/Turabian StyleBendík, Jozef, Matej Cenký, Boris Cintula, Anton Beláń, Žaneta Eleschová, and Peter Janiga. 2023. "Stochastic Approach for Increasing the PV Hosting Capacity of a Low-Voltage Distribution Network" Processes 11, no. 1: 9. https://doi.org/10.3390/pr11010009
APA StyleBendík, J., Cenký, M., Cintula, B., Beláń, A., Eleschová, Ž., & Janiga, P. (2023). Stochastic Approach for Increasing the PV Hosting Capacity of a Low-Voltage Distribution Network. Processes, 11(1), 9. https://doi.org/10.3390/pr11010009

